| Скачать .docx |
Курсовая работа: Разработка методика диагностики технического блока питания видеомонитора EGA
СОДЕРЖАНИЕ
(.
Введение..................................................................................................
1 Общая часть..........................................................................................
1.1Классификация средств электропитания......................................
1.2 Классификация источников вторичного электропитания............
1.3Основные характеристики источников вторичного
электропитания....................................................................................
1.4 Блоки питания видеомониторов....................................................
2 Специальная часть............................................................................
2.1 Блок схема питания видеомонитора EGA................................
2.2 Схема электрическая принципиальная блока питания
видеомонитора EGA........................................................................
2.3. Алгоритм диагностики технического состояния блока питания
видеомонитора EGA.........................................................................
2.4 Техническое предложение по оснащению рабочего места
ремонтника............................................................................................
3 Экономическая часть..........................................................................
4 Техника безопасности.........................................................................
4.1 Требования к помещению............................................................
4.2 Электробезопасность при эксплуатации технических средств..
4.3 Мероприятия по противопожарной технике.............................
4.4 Монтаж и наладка оборудования..............................................
Список используемой литературы......................................................
ВВЕДЕНИЕ
Современная электронно-вычислительная техника нашла широкое применение в различных отраслях народного хозяйства как важное средство эффективного управления производственными процессами и объектами, а также решения разнообразных научных и инженерных задач. Они обладают высокими технико-экономическими показателями (быстродействием, производительностью, надежностью и др.), обеспечение которых в определенной степени зависит от характеристик системы электропитания. Система электропитания электронно-вычислительной техники обеспечивает нормальную работу электронно-вычислительных машин в рабочем, профилактических и аварийных режимах.
Современные средства вторичного электропитания радиоэлектронной аппаратуры вышли за рамки класса простейших радиоэлектронных устройств. Сейчас средства вторичного электропитания представляют собой достаточно сложные устройства, которые содержат большое количество разнообразных функциональных узлов, выполняющих те или иные функции преобразования электрической энергии и улучшения ее качества.
В настоящее время Российский рынок наводнен большим количеством зарубежной электронно-вычислительной техники, которая часто поставляется без необходимого комплекта сопроводительно-эксплуатационной документации, поэтому при эксплуатации и ремонте возникают большие проблемы при поиске и устранении неисправностей.
. В данном дипломном проекте сделана попытка разработать методику диагностику технического состояния блока питания видеомонитора EGAс использованием эксплуатационной документации на средства вычислительной техники и научно-технической информации по теме дипломного проекта.
1.1 Классификация средств электропитания
Все средства электропитания можно разделить на первичные и вторичные. К первичным обычно относят такие средства, которые преобразуют неэлектрическую энергию в электрическую, например, электромеханические генераторы, электрохимические источники - аккумуляторы или гальванические элементы и др.
Непосредственное использование первичных источников затруднено тем, что выходное напряжение в большинстве случаев не поддается регулировке, а стабильность его недостаточно высокая. Однако для питания электронной аппаратуры в большинстве случаев требуется высокостабильное напряжение с различными номинальными значениями - от единиц вольт до нескольких сотен вольт, в ряде случаев даже выше. По этой причине любое электронное устройство содержит вторичный источник электропитания, который подключается к одному из первичных источников.
Средства вторичного электропитания электронных устройств, называется обычно источниками вторичного электропитания (ИВЭП) предназначены для формирования необходимых для работы электронных элементов напряжений с заданными характеристиками.
Они могут быть выполнены в виде отдельных блоков или входить в состав различных функциональных элементов. Их основной задачей является преобразование энергии первичного источника в комплект выходных напряжений, которые могут обеспечить нормальное функционирование электронного устройства.
Устройство управление и контроля, входящее в состав ИВЭП, может быть использовано для изменения характеристик ИВЭП при различных сигналах внешнего или внутреннего управления: дистанционного включения или выключения, перевода в ждущий режим, формирования сигналов сброса и др. в то же время устройство защиты и коммутации позволяет сохранить работоспособность ИВЭП при
возникновении различных нестандарных режимов: короткого замыкания в нагрузке, ее внезапного отключения, резкого повышения окружающей температуры и др. Эти дополнительные устройства могут быть обеспечены собственными источниками электропитания, включая резервные аккумуляторы или гальванические элементы.
1.2 Классификация источников вторичного электропитания
Классификацию ИВЭП можно выполнить по различным признакам: принципу действия, назначению, количеству каналов выходного напряжения, виду используемых первичных источников и др. в зависимости от вида первичного источника электропитания ИВЭП можно разделить на две группы: инверторные и конверторные.
Инверторные ИВЭП используются для преобразования напряжения переменного тока, т.е. они изменяют не только значение, но и род выходного напряжения. К инверторным ИВЭП относятся также преобразователи постоянного напряжения первичного источника в переменное напряжение, питающее нагрузку. Например, к инверторам можно отнести электронный генератор, который, преобразуя напряжение аккумулятора или гальванического элемента в переменное выходное напряжение, питает электродвигатель.
Конверторные ИВЭП используются для преобразования одного напряжения в другое. Например, к конверторам постоянного напряжения можно отнести обычные электронные стабилизаторы постоянного напряжения, а к конверторам переменного напряжения можно отнести трансформаторы. Любой конвертор может содержать внутри себя инвертор и наоборот.
По принципу действия ИВЭП можно разделить на две группы: трансформаторные и бестрансформаторные. В трансформаторных ИВЭП напряжение переменного тока, например силовой сети, вначале изменяется по значению при помощи трансформатора, а затем выпрямляется и стабилизируется. В бестрансформаторных ИВЭП, наоборот, переменное напряжение сети вначале выпрямляется, а затем пре-
образуется в переменное напряжение более высокой частоты. В преобразователе может использоваться высокочастотный трансформатор, поэтому точнее эти источники называть несколько иначе: с трансформаторным или бестрансформаторным входом. Поскольку преобразователи в таких источниках обычно работают в импульсном режиме, то источники вторичного питания такого типа часто называют импульсными.
По количеству различных выходных напряжений ИВЭП можно разделить на одноканальные и многоканальные. Если в каждом канале используется отдельный стабилизатор выходного напряжения, то это многоканальный источник вторичного электропитания с индивидуальной стабилизацией. Если же для стабилизации всех выходных напряжений используется выходное напряжение только одного источника (который называют главным или ведущим), то такие источники называются ИВЭП с групповой стабилизацией.
По выходной мощности ИВЭП принято делить на микромощные (1 Вт), маломощные (от 1 до 100 Вт), средней мощности (от 100 Вт до 1 кВт) и мощные (> 1 кВт).
По типу питающей сети - на источники вторичного электропитания, использующие электрическую энергию, получаемую от однофазной сети переменного тока, на ИВЭП, использующие электрическую энергию, получаемую от трехфазной сети переменного тока, и на ИВЭП, использующие электрическую энергию автономного источника постоянного тока.
По напряжению на нагрузке - на источники низкого (до 100 В), среднего (от 100 до 1000 В) и высокого напряжения (свыше 1000 В).
По роду тока нагрузки - на ИВЭП с выходом на переменном (однофазном или трехфазном) токе и постоянном токе.
По характеру обратной связи - на параметрические, компенсационные и комбинированные.
По виду стабилизируемого параметра - стабилизаторы напряжения и стабилизаторы тока.
1.3 Основные характеристики источников вторичного электропитания
При проектировании или выборе источника вторичного электропитания необходимо знать их технические и эксплуатационные характеристики. Этими характеристиками обычно руководствуются при использовании ИВЭП в электронной аппаратуре. Все характеристики источников вторичного электропитания можно разделить на три группы: входные, выходные и эксплуатационные.
К входным характеристикам источников вторичного электропитания относят:
- значение и вид первичного источника питания, например, питающей сило
вой сети или аккумулятора;
- нестабильность питающего напряжения;
- частоту питающего напряжения и ее нестабильность;
- количество фаз источника переменного напряжения;
- допустимый коэффициент гармоник пи тающего напряжения;
К выходным характеристикам ИВЭП обычно относят:
- значения выходных напряжений;- нестабильность выходных напряжений;
- тип нагрузки или выходную мощность по каждому каналу;
- наличие гальванической изоляции между входом и выходом;
- наличие защиты от перегрузки или повышения выходного напряжения.
К эксплуатационным характеристикам относят:
- диапазон рабочих температур;
- допустимую относительную влажность;
- диапазон допустимых давлений окружающей атмосферы;
- допустимые механические нагрузки;
- коэффициент полезного действия ИВЭП;
- удельную мощность;
- надежность.
Источники электропитания должны в течение определенного времени сохра-
нять свои параметры в пределах, указанных в технических условиях, обеспечивая бесперебойную работу электронной аппаратуры.
Надежность источника вторичного электропитания обеспечивается мероприятиями, выполняемые на этапах разработки, изготовления и эксплуатации. Основа надежность ИВЭП закладывается на этапе их разработки.
Основными причинами отказов источников вторичного электропитания являются не только катастрофическое отказы элементов, но также неправильно заданные требования к качеству входных (питающих) и выходных напряжений, ошибки, допущенные при выборе схемы и при проектировании отдельных узлов, некачественное изготовление источников вторичного электропитания и неправильная эксплуатация.
Обеспечение надежности ИВЭП, заложенное на этапе разработки, сводится к следующим основным положениям:
- тщательному обоснованию выбора структурной схемы;
- обоснованному выбора элементной базы с достаточно высоким запасом по
предельным режимам и параметрам;
- разработке конструкции, обеспечивающей хороший теплоотвод и легкий
доступ к отдельным узлам и элементам;
- проведение всесторонних испытаний макетов по климатическим и механи
ческим воздействиям.
Выбор структурной схемы источника вторичного электропитания должен производиться с учетом требований надежности. При разработке должны предусматриваться необходимые устройства защиты, которые не участвуют в работе ИВЭП, а только обеспечивают повышение надежности. В их функцию входит:
- защита силовых элементов - транзисторов, диодов, тиристоров и др.;
- защита источника вторичного электропитания от коротких замыканий или
полного отключения нагрузки;
- защита от возможных повышений или понижений питающих (входных) на
пряжений;
- защита нагрузки от возможных повышений или понижений выходных на-
пряжений;
- защита от повышения температуры окружающей среды.
Выбор элементной базы в наибольшей мере влияет на надежность источника вторичного электропитания. Используемые элементы должны проходить тренировку пред установкой в источник вторичного электропитания. На используемые элементы устанавливают максимальные коэффициенты нагрузки не более 70-80% от предельно допустимых значений.
Конструкция источника вторичного электропитания должна обеспечивать хороший теплоотвод от нагревающихся элементов: транзисторов, диодов, трансформаторов и не допускать нагрев других элементов от нагревающихся элементов.
С целью обеспечения ремонтопригодности конструкции источника вторичного электропитания должна обеспечивать легкий доступ ко всем элементам. Расположение элементов должно быть таким, чтобы не вызвать повреждение питаемого устройства.
Лабораторные испытания макетов помогают вскрыть недостатки, которые не были учтены при разработке схемы и конструкции источника вторичного электропитания. Основная задача испытания макета - это обнаружение слабых мест в схеме и конструкции. Поэтому перед проведением испытаний составляют программу, в которой предусматривают проверку всех схем защиты и влияние различных климатических и механических воздействий.
1.4 Блоки питания видеомониторов
За исключением компьютеров с батарейным питанием все остальные компьютеры получают питание от сети. Независимо от входной сети блок питания должен преобразовывать ее в напряжения, необходимые для работы внутренних устройств.
Внутри компьютера и мониторы питающие напряжения подаются на микросхемы, операционные усилители, дискретные транзисторы и другие компоненты.
Для микросхем требуются напряжения +5 и -5 В, а для операционных усилителей и дискретных транзисторов +12 и -12 В. Напряжения должны быть стабили-
зированы. Кроме того, блок питания должен обеспечивать ток, необходимый для работы. В мониторах требуются напряжения +5 В для микросхем, 12 В - для операционных усилителей и транзисторов, а также напряжения от 100 до 100 В - для схем развертки и электронно-лучевой трубки, фокусирующие напряжения для некоторых электронно-лучевых трубок составляет +500 В. Анодные напряжения составляют 10-15 кВ для монохроматических электронно-лучевых трубок и до 30 кВ для цветных. Практически все эти напряжения постоянного тока.
Большой частью блок питания компьютера является автономным устройством. Блоки питания оформляются в отдельных корпусах, которые крепятся к шасси и соединяются с материнской платой.
Имеются две разновидности блоков питания - обычные и импульсные. Старые обычные блоки питания после включения без всякой проверки подают напряжение в компьютер. Импульсный блок питания при включении проверяет наличие нагрузки, т.е. схем, на которое подается питание. Если нагрузка отсутствует или неправильна, блок питания отключается. Блоки питания должны не только формировать напряжения постоянного тока, но и стабилизировать их.
Как правила блоки питания для периферийных устройств (монитор, принтер и т.д.) строятся на основе однотактового обратноходового регулируемого стабилизирующего преобразователя. Это связано с тем, что для питания компьютера нужна большая мощность, а для питания периферийных устройств - значительно меньшая, что и явилось причиной выбора таких структур построения преобразователей.
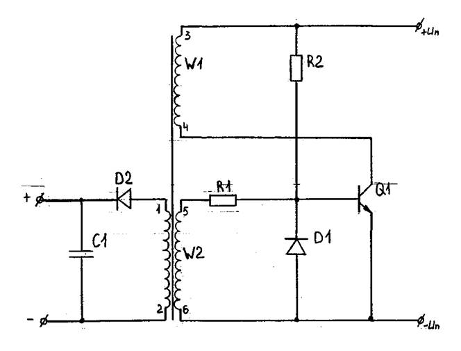
На схеме 1 представлена базовая схема однотактового обратноходового автогенераторного нерегулируемого преобразователя, включающая в себя: силовой транзистор Q1; трансформатор Т1 с первичной обмоткой W1, базовой обмоткой W2, выходной обмоткой W3; выпрямительный диод Д2; сглаживающий конденсатор С1; базовый резистор R1; цепь запуска на резисторе R2; диод, защищающий эммитерный переход от недопустимых обратных напряжений.
Сердечник трансформатора выполняется из материала с узкой петлей гистерезиса и с большим линейным участком зависимости индукции от напряженности.
Схема работает следующим образом.

Рис. 1
При подаче напряжения питания через резистор смещения R2 начинает протекать начальный ток транзистора Q1. Это приводит к появлению коллекторного тока, протекающего по обмотке W1.
Благодаря электромагнитной связи (между обмотками W1 и W2) на обмотке W2 наводится ЭДС, приводящая к увеличению базового тока транзистора Q1 и его большему отпиранию. Таким образом, благодаря устройству обратной связи между W1 и W2 начинается лавинообразный процесс открывания Q1. продолжительность этого процесса - доли микросекунды. После полного открывания транзистора Q1 начинается этап накопления энергии в магнитном поле сердечника трансформатора Т1, при этом все напряжение питания практически приложено к обмотке W1, и процессы в этой обмотке происходят в соответствии с законом электромагнитной индукции.
Начинается практически линейное нарастание тока коллектора равного току первичной обмотки. В течение этого интервала энергия со вторичной обмотки W3 в нагрузку не передается благодаря отсекающему действию диода Л1, а поддержание напряжения на нагрузке обеспечивается энергией накопленной в конденсаторе С1. На протяжении этого процесса транзистор Q1 насыщен.
BxIE > IKj
где: В - коэффициент передачи транзистора по току; 1Б - ток базы; 1К — ток коллектора.
В конце интервала накопления энергии это неравенство переходит в равенство, т.к. транзистор выходит в активную область и увеличение тока коллектора прекращается. Следовательно, прекращается изменение индукции в сердечнике. В соответствии с законом электромагнитной индукции это приводит к тому, что на всех обмотках, в том числе и на базовой, напряжение становится равным нулю и начинается процесс запирания Q1. Это, в свою очередь приводит к тому, что полярность напряжения во всех обмотках изменяет знак и начинается этап передачи накопленной энергии в нагрузку. После того, как накопленная энергия полностью передается в нагрузку, напряжение на всех обмотках станет равным нулю, и далее все процес-
сы в схеме повторяются. Такой режим работы этой схемы является автогенераторным потому, что схема сама для себя выбирает моменты переключения. Основными недостатками данной схемы являются:
- амплитуда тока коллектора зависит от его коэффициента усиления и может
превысить предельно допустимое значение и привести к выходу прибора из строя;
- наличие индуктивного рассеивания обмоток реального трансформатора при
водит к возникновению значительных перенапряжений на коллекторе Q1, которые
могут стать причиной выхода прибора из строя;
- значительное недоиспользование сердечника трансформатора, который пе-
ремагничивается по частной петле гистерезиса;
- возможность пробоя эммитерного перехода.
Первый недостаток можно устранить способами, гарантированно обеспечивающими отключение Q1 при заданном токе коллектора. Один из них представлен на схеме. Благодаря наличию транзистора Q2 и наличию резистивного датчика тока R3 величина максимального тока коллектора определяется из соотношения:
IK = U 0 / R 3 t
где: U о - пороговое напряжение эммитерного перехода Q2.
Пути устранения второго недостатка достигается применением демпфирующих R, С, Dцепей.
Принцип действия заключается в том, что энергия, накопленная в индуктивности рассеивания. Расходуется на заряд конденсатора С1 через диод Д1, тем самым снимая импульсное перенапряжение с транзистора Q1. Резистор R4 предназначен для разряда конденсатора с целью его подготовки к следующему моменту отключения Q1.
Третий недостаток является принципиально присущим этому классу преобразователей и никакими средствами не может быть устранен.
Четвертый недостаток устраняется включением защитного диода параллельно эммиторному переходу Q1. Рассмотренный преобразователь является нерегулируемым и поэтому в таком виде без дополнительных цепей регулирования не может быть использован в стабилизирующих блоках питания, регулирование может быть
осуществлено следующими способами:
- за счет регулирования времени паузы между предыдущим этапом передачи
энергии и последующим процессом накопления энергии;
- за счет регулирования величины накопленной энергии, т.е. регулируется ве
личина коллекторного тока Q1;
- либо методом ТПИМ с постоянной частотой переключений.
Следует иметь ввиду, что при первых двух способах регулирования изменяется частота работы преобразователя, а при последнем способе частота преобразователя неизменна, что в ряде случаев бывает необходимо.
Достоинствами данного класса преобразователей является:
- простота, и как следствие, относительно невысокая стоимость;
- возможность достаточно простыми средствами осуществить в одном узле
преобразование энергии и ее регулирование;
- отсутствие проблемы устранения сквозных токов, что присуще двухтактным
преобразователям;
- отсутствует проблема симметричного перемагничивания сердечника транс
форматора и легко решается проблема устранения насыщения сердечника.
Недостатками являются:
- большие перенапряжения на Q1, что требует использования высоковольт
ных транзисторов;
- однотактный режим работы требует относительно мощных сглаживающих
фильтров из-за повышенных пульсаций выходного напряжения;
- большая амплитуда тока в первичной цепи;
- недоиспользование сердечника трансформатора.
Из вышесказанного следует, что Q1 должен быть рассчитан на высокое напряжение и иметь достаточно высокий ток коллектора, несмотря на небольшую величину среднего потребляемого тока. Поэтому из-за необходимости большой установленной мощности транзистора Q1 такие преобразователи нашли применение в блоках питания небольшой мощности до 30-60 т, т.е. в источниках вторичного электропитания периферийных устройств.
2.1Блок питания видеомонитора EGA
а) входной фильтр
б) сетевой выпрямитель
в) фильтр выпрямленного напряжения
г) одноконтактный преобразователь
д)выходные выпрямители
е)выходные фильтры
ж) дополнительные сглаживающие фильтры
з) узел обратной связи
2.2Схема электрическая принципиальная блока
питания видеомонитора EGA
На схеме электрической принципиальной изображена -схема БП видеомонитора EGA, представляет собой импульсный стабилизатор на основе однотактного обратноходового регулируемого преобразователя и состоит из: входного фильтра, защищающего ИВЭП от помех, идущих из сети, и сеть от помех, идущих из источника; сетевого выпрямителя; фильтра выпрямленного напряжения; однотактного преобразователя; выходных выпрямителей; выходных фильтров и узла обратной связи; дополнительных сглаживающих фильтров, находящихся на отдельной плате.
Cl, C2 - входной помехоподавляющий фильтр;
СЗ, L1, С4, С5, R1- служит для ограничения бросков тока через диоды выпрямительного моста при заряде конденсаторов С9 и СЮ;
Dl - D4 - мостовой двухполупериодный выпрямитель сетевого напряжения;
С7, С8 - служат для уменьшения помех .при восстановлении обратного сопротивления диодов.
Однотактный преобразователь выполнен на транзисторах Ql, Q2. При включении БП в сеть ток через R4 и R6 приоткрывает Q1, благодаря ПОС между обмот-
ками W4 и W2 транзистор полностью открывается и начинается процесс накопления энергии в первичной обмотке трансформатора W1. Одновременно начинает заряжаться С14 и, когда напряжение на нем достигнет порядка 0,6В...0,8В, откроется транзистор Q2 выводя транзистор Q1 в активный режим, это приведет к тому, что начнет развиваться регенеративный процесс запирания Q1. Напряжение на всех обмотках трансформатора Т1 поменяет знак и начнется процесс передачи энергии на вторичные обмотки Т1. Процесс заряда конденсатора С14 проходил, по цепи D10>R8>C14->W3->W2. Разряд конденсатора С14 для подготовки к следующему циклу проходит по контуру R10->W13->W3->C14.
Резистор R7 задает базовый ток Q1.
L3, D9 (D8, С12) - формируют специальную форму базового тока для уменьшения динамических потерь.
D12 - служит для защиты транзистора Q2 от работы его в инверсном режиме.
D6, D7, СИ, R5, С13 - предназначены для уменьшения импульсного перенапряжения транзисторе Q1, обусловленного индуктивностью рассеивания первичной обметки трансформатора.
Вторичные цепи - все выпрямители однополупериодные. CI7, С20, С22 - вы-холные фильтры для сглаживания пульсаций выпрямленного напряжения.
С16, С19, С21, С23 - предназначены для уменьшения высокочастотных импульсных помех, обуславливаемых восстановлением сопротивления выпрямительных диодов при их запирании.
В этом блоке питания предусмотрена защита от превышения выходного напряжения ИВЭП (обусловленного, в частности, выходом из строя узла стабилизации). Защита выполнена на тиристоре TS1, работает следующим образом. Если выходное напряжение по каналу 2 превышает номинальный уровень, то пробивается стабилитрон D16, и по управляющему электроду открывается тиристор TS1. Когда тиристор откроется, то он своим низким выходным сопротивлением будет шунтировать все выходы ВИЛ, тем самым защищая нагрузку от недопустимого повышения напряжении.
С18, R13 - предназначены для повышения помехозащищенности тиристора.
Недостатком данной схемы защиты является отсутствие визуальной индикации о ее срабатывании (пожалели светодиод).
Узел стабилизации выходных напряжений выполнен на Q3, С25, R21, R22, S29. R19, R8, R15,. IC-1. Опорное напряжение задается на D21.
R22 - предназначен для точной установки выходного напряжения.
С24 - служит для обеспечения устойчивости и помехозащищенности.
С25, R21 - для плавного выхода ИВЭП на режим.
R19 - ограничение тока в переходных режимах через светодиод на допустимом уровне.
Схема стабилизации работает следующим образом: при увеличении выходного напряжения выше номинального, по цепи R13, R15, Q3, D21 приоткрывается транзистор Q3; это приводит к увеличению его коллекторного тока, и. как следствие, к увеличению тока через светодиод оптопары IC-1, фототранзистор приоткрывается, что приводит к более быстрому заряду конденсатора С14 и, как следствие, уменьшению времени открытого состояния Q1, и как следствие, к уменьшению энергии накопленной в магнитном поле сердечника силового трансформатора. Это в свою очередь приводит к уменьшению энергии, передаваемой на вторичные обмотки, а следовательно и к уменьшению выходных напряжений до номинальных значений.
Узел размагничивания кинескопа объединяет элементы R2, R3 и Сб. Принцип действия основан на том, что через обмотку размагничивания поступает переменный уменьшающийся по амплитуде ток. Уменьшение амплитуды тока обусловлено применением терморезисторов с положительным температурным коэффициентом сопротивления. Ток, проходя через сопротивление R3 начинает подогревать его, тем самым, увеличивая его сопротивление. Это приводит к уменьшению амплитуды переменного тока в обмотке размагничивания почти до нуля. R2 конструктивно расположен очень близко к резистору R3 для того, чтобы подогреть последний своим теплом и еще больше увеличить его сопротивление.
Достоинства этого БП: простота, мало элементов, не боится коротких замыканий на выходах, «очень» легко регулируется. Не нужны LC-фильтры, достаточно
№ Номинал Р W % Аналог R1 4 R2 R3 ' R4 270К R5 22К R6 47К 0,12 5 R7 33 0,12 5 R8 ЗК9 0,12 5 R9 ЗК9 0,12 5 RIO 270 0,12 5 R11 10 0,12 5 R12 150 0,12 5 R13 20К 0,12 5 R14 1К 0,12 5 R15 10К R16 2 R17 2 R18 390 0,12 5 R19 ЗК9 0,12 5 R20 ЗК 0.12 5 R21 4КЗ :0,12 5 R22 500- |
С-фильтров. Один силовой транзистор. Отсутствуют проблемы сквозных токов, а также симметричного намагничивания силового трансформатора. Недостатки: повышенное напряжение на силовом транзисторе, повышенные пульсации выходного напряжения и. как следствие, необходимость применения мощных емкостных фильтров. 2.2.1 Таблица замен СОПРОТИВЛЕНИЯ Таблица 1 |
| С-фильтров. Один силовой транзистор. Отсутствуют проблемы сквозных токов, а | ||||
| также симметричного намагничивания силового трансформатора. | ||||
| Недостатки: повышенное напряжение на силовом транзисторе, повышенные | ||||
| пульсации выходного напряжения и. как следствие, необходимость применения | ||||
| мощных емкостных фильтров. | ||||
| 2.2.1 Таблица замен | ||||
| СОПРОТИВЛЕНИЯ | ||||
| Таблица 1 | ||||
| № | Номинал | PW | % | Аналог |
| R1 | 4 | |||
| R2 | ||||
| R3 | ||||
| R4 | 270К | |||
| R5 | 22К | |||
| R6 | 47К | 0,12 | 5 | |
| R7 | 33 | 0,12 | 5 | |
| R8 | ЗК9 | 0,12 | 5 | |
| R9 | ЗК9 | 0,12 | 5 | |
| RIO | 270 | 0,12 | 5 | |
| R11 | 10 | 0,12 | 5 | |
| R12 | 150 | 0,12 | 5 | |
| R13 | 20К | 0,12 | 5 | |
| R14 | 1К | 0,12 | 5 | |
| R15 | 10К | |||
| R16 | 2 | |||
| R17 | 2 | |||
| R18 | 390 | 0,12 | 5 | |
| R19 | ЗК9 | 0,12 | 5 | |
| R20 | ЗК | 0.12 | 5 | |
| R21 | 4КЗ | :0,12 | 5 | |
| R22 | 500- | |||
| ' х. | ||||
| /9 *~) v | У/< ДЛ22О*. & | 49 /71 ^с, | ||
| &3/ | ||||
| /Z //0 # | ||||
| Изм. Лист №докум. Подп. Цата | ||||
| № Номинал Р W % Аналог R23 4Е7 R24 2 R25 8Е2 R26 4Е7 R27 1К R28 270 R29 4Е7 |
. Примечания № Номинал Аналог , ч (дополнительные замены) С1 1нх630В К73-9 С2 1нх630В К73-9 СЗ ОДмкФхбЗОВ К73-9 С4 2н2х630В К73-9 С5 2н2х630В К73-9 С6 47нх400В К73-9 С7 2н2х630В К73-9 С8 2н2х630В К73-9 С9 100нх400В К73-9 СЮ 100мкФх400В К50-17 СИ 47нх630В К73-9 С12 220нхЮОВ КМ-6 220нх25В С13 2н2хЮОВ К73-16 4н7х1500В С14 15нх25В КМ-6; КЮ— 17 С15 1мкФх50В К50-6 С 16 200пх200В. КМ-4 200пх250В С 17 ЮОмкФхЮОВ К50-31 С18 22нх400В К73-9 |
| Продолжение табл. 1 |
КОНДЕНСАТОРЫ Таблица 2 |
| Продолжение табл. 1 | |||||||
| № | Номинал | Р W % Аналог | |||||
| R23 4Е7 | |||||||
| R24 2 | |||||||
| R25 8Е2 | |||||||
| R26 4Е7 | |||||||
| R27 IK | |||||||
| R28 270 | |||||||
| R29 4Е7 | |||||||
| КОНДЕНСАТОРЫ | |||||||
| Таблица 2 | |||||||
| № | Номинал | Аналог | Примечания (дополнительные замены) | ||||
| С1 | 1нх630В | К73-9 | |||||
| С2 | 1нх630В | К73-9 | |||||
| СЗ | ОДмкФхбЗОВ | К73-9 | |||||
| С4 | 2н2х630В | К73-9 | |||||
| С5 | 2н2х630В | К73-9 | |||||
| С6 | 47нх400В | К73-9 | |||||
| С7 | 2н2х630В | К73-9 | |||||
| С8 | 2н2х630В | К73-9 | |||||
| С9 | 100нх400В | К73-9 | |||||
| СЮ | 100мкФх400В | К50-17 | |||||
| СИ | 47нх630В | К73-9 | |||||
| С12 | 220нхЮОВ | КМ-6 | 220нх25В | ||||
| С13 | 2н2хЮОВ | К73-16 | 4н7х1500В | ||||
| С14 | 15нх25В | КМ-6; К 10— 17 | |||||
| С15 | 1мкФх50В | К50-6 | |||||
| С16 | 200пх200В . | КМ-4 | 200пх250В | ||||
| С17 | ЮОмкФхЮОВ | К50-31 | |||||
| С18 | 22нх400В | К73-9 | |||||
| вмк. л г/ | ' ??О/ //?2 /7J | ||||||
| £ /- LJ / . / L-f J- . //•^/ ... | |||||||
| Изм. | Лист | № докум. | Подп. | Цата | |||
д Примечания № Номинал Аналог , ч (дополнительные замены) С 19 220пх100В КМ-4 200пх250В С20 470мкФх50В К50-16 ЗООмкФхЗОВ С21 220пх200В КМ-4 200пх250В С22 ЮОмкФхЮОВ К50-31 С23 220нх50В КМ-6 200пх50В С24 ЮнхбЗВ КМ-6 10нх25В; ЮнхЗОВ С25 22мкФхЮОВ К50-6;К50-16 20мкФхЮОВ С26 47мкФхЮОВ К50-6 ЗОмкФхЮОВ С27 47мкФх25В(16В) К50-6; К50-16 50мкФх25В С28 22мкФх25В(16В) К50-6;К50-16 20мкФх25В С29 100мкФх25В(16В) К50-6;К50-16 СЗО 100мкФхЗОВ(50В) К50-6; К50-16 ЮОмкФхЗОВ С31 22нх50В К10-47 22нх250В С32 470мкФх25В(16В) К50-6;К50-16 500мкФх25В СЗЗ 100мкФ»10В К50-6;К50-16 С34 22нх15В. КМ-6;К10-17 СЗЗ 47мкФхЮОВ К50-6 ЗОмкФхЮОВ С36 ЮОмкФхЗОВ К50-24 1000мкФх40В С37 470мкФхЗОВ К50-16 ЗООмкФхЗОВ С38 ЮмкФхЗОВ К50-16;К50-6 ЮОмкФхЗОВ |
л . тт А Примечания № Номинал Аналог , ^ . (дополнительные замены) DlIN5061 2Д220Б-Г; КД226Г-Е D2 IN5061 2Д220Б-Г; КД226Г-Е КЦ402А.Б D3 IN5061 2Д220Б-Г; КД226Г-Е КЦ405А.Б D4 IN5061 2Д220Б-Г; КД226Г-Е D5 BZX79/C24V КС224Ж |
| Продолжение табл. 2 |
ДИОДЫ; СТАБИЛИТРОНЫ; ТИРИСТОРЫ Таблица 3 |
| Продолжение табл. 2 | ||||||||
| № | Номинал | Аналог | Примечания (дополнительные замены) | |||||
| С19 | 220пх100В | КМ-4 | 200пх250В | |||||
| С20 | 470мкФх50В | К50-16 | ЗООмкФхЗОВ | |||||
| С21 | 220пх200В | КМ-4 | 200пх250В | |||||
| С22 | ЮОмкФхЮОВ | К50-31 | ||||||
| С23 | 220нх50В | КМ-6 | 200пх50В | |||||
| С24 | ЮнхбЗВ | КМ-6 | Юнх25В; ЮнхЗОВ | |||||
| С25 | 22мкФх100В | К50-6;К50-16 | 20мкФхЮОВ | |||||
| С26 | 47мкФх100В | К50-6 | ЗОмкФхЮОВ | |||||
| С27 | 47мкФх25В(16В) | К50-6; К50-16 | 50мкФх25В | |||||
| С28 | 22мкФх25В(16В) | К50-6;К50-16 | 20мкФх25В | |||||
| С29 | 100мкФх25В(16В) | К50-6; К50-16 | ||||||
| СЗО | 100мкФхЗОВ(50В) | К50-6; К50-16 | ЮОмкФхЗОВ | |||||
| С31 | 22нх50В | К10-47 | 22нх250В | |||||
| С32 | 470мкФх25В(16В) | К50-6; К50-16 | 500мкФх25В | |||||
| СЗЗ | 100мкФ»10В | К50-6; К50-16 | ||||||
| С34 | 22нх15В. | КМ-6; К 10- 17 | ||||||
| СЗЗ | 47мкФхЮОВ | К50-6 | ЗОмкФхЮОВ | |||||
| С36 | ЮОмкФхЗОВ | К50-24 | 1000мкФх40В | |||||
| С37 | 470мкФхЗОВ | К50-16 | ЗООмкФхЗОВ | |||||
| С38 | ЮмкФхЗОВ | К50-16; К50-6 | ЮОмкФхЗОВ | |||||
| ДИОДЫ; СТАБИЛИТРОНЫ; ТИРИСТОРЫ | ||||||||
| Таблица 3 | ||||||||
| № D1 D2 | Номинал | Аналог | Примечания (дополнительные замены) | |||||
| IN5061 IN5061 | 2Д220Б-Г; КД226Г-Е 2Д220Б-Г; КД226Г-Е | КЦ402А.Б | ||||||
| D3 IN5061 D4 IN5061 D5 BZX79/C24V | 2Д220Б-Г; КД226Г-Е 2Д220Б-Г; КД226Г-Е КС224Ж | КЦ405А.Б | ||||||
| В 3/1 К. ДП± | >?/7/ //?? Д/ ли^ | |||||||
| /.. LJ / • / LS4-. • i '*-/ у у | ||||||||
| Изм. | flucm | № докум. | Подп. | Цата | ||||
> r A Примечания № Номинал Аналог . * . (дополнительные замены) D6 RGP10J 2Д220Б-Г;2Д215Б КД226Б-Г D7 RGP10J 2Д220Б-Г;2Д215Б КД226Г-Е D8 BZX79/C2V4 КС133Г D9 IN4148 2Д510;2Д522 D10 IN4148 2Д510;2Д522 DllBZX79/C9V1 КС191Ж D12 IN4148 2Д510;2Д522 D13 IN4148 2Д510;2Д522 D14 IN4148 2Д510;2Д522 D15 RGP15J КД212А,Б D16 BZX79/C18 КС224Ж D17 RGP10D КД212А,Б D18 IN4148 2Д510;2Д522 D19 RGP10J 2Д220Б-Г;2Д215Б КД226Г-Е D20 RGP10D КД213А,Б D21 BZX79/6V2 КС 162В D22 D23 BZX79/C3V2 КС133Г D24 IN400I 2Д510;КД510 TS1 ВТ 151-500 КУ107А,Б,В КУ102Б,В,Г |
,.. тт А Примечания № Номинал Аналог , (дополнительные замены) QlBUT11A КТ872А.Б; КТ859 КТ838; КТ828 Q2 ВС337-40 КТ3117; КТ3102 Q3 ВС547С КТЗП7;КТ3102 |
| Продолжение табл. 3 |
ТРАНЗИСТОРЫ Таблица 4 |
| Продолжение табл. 3 | |||
| № | Номинал | Аналог | Примечания (дополнительные замены) |
| D6 | RGP10J | 2Д220Б-Г;2Д215Б | КД226Б-Г |
| D7 | RGP10J | 2Д220Б-Г;2Д215Б | КД226Г-Е |
| D8 | BZX79/C2V4 | КС133Г | |
| D9 | IN4148 | 2Д510;2Д522 | |
| D10 | IN4148 | 2Д510;2Д522 | |
| D11 | BZX79/C9V1 | КС191Ж | |
| D12 | IN4148 | 2Д510;2Д522 | |
| D13 | IN4148 | 2Д510;2Д522 | |
| D14 | IN4148 | 2Д510;2Д522 | |
| D15 | RGP15J | КД212А,Б | |
| D16 | BZX79/C18 | КС224Ж | |
| D17 | RGP10D | КД212А,Б | |
| D18 | IN4148 | 2Д510;2Д522 | |
| D19 | RGP10J | 2Д220Б-Г;2Д215Б | КД226Г-Е |
| D20 | RGP10D | КД213А,Б | |
| D21 | BZX79/6V2 | КС 162В | |
| D22 | |||
| D23 | BZX79/C3V2 | КС133Г | |
| D24 | IN400I | 2Д510;КД510 | |
| TS1 | ВТ 151-500 | КУ107А, Б, В | КУ102Б,В,Г |
| ТРАНЗИСТОРЫ | |||
| Таблица 4 | |||
| № | Номинал | Аналог | Примечания (дополнительные замены) |
Q1 Q2 Q3 |
BUT11A ВС337-40 ВС547С | КТ872А.Б; КТ859 КТ3117; КТ3102 КТЗП7;КТ3102 | КТ838; КТ828 |
| /*"? "~) А Л 1 / f | 7 /Z%7/ fff2 /73 | ||
| ВЗМ/<. Д | |||
/ / /. ZL L.' / • / LS *-. ' '~s .p 70 |
|||
| Изм. Пист | Л* докум. Подп. | Цата '" | |
ИНДУКТИВНОСТИ
Таблица 5
| № | Номинал | Аналог | Примечания (дополнительные замены) |
| L1 L2 L3 | ЗмкГн | не стандарт ДМ-З.ОА-6мкГн-5% | катушка размагничивания кинескопа ГИО.477.005 ТУ |
ТРАНСФОРМАТОРЫ
Таблица 6
| № | Номинал | Аналог | Примечания (дополнительные замены) |
| Т1 | не стандарт |
МИКРОСХЕМЫ; ОПТОПАРЫ
Таблица 7
| № | Номинал | Аналог | Примечания (дополнительные замены) |
| IC-1 IC-2 | CNX62 78М12 |
АОТ128; 30TI26 аналогов нет | АОТ123А; АОТ127; АОТ131; АОТ130 |
2.3 Алгоритм диагностики технического состоя ния блока питания видеомонитора EGA
когда монитор на работает, прежде всего проверяем бок питания монитора. Если не выполняются какие либо функции, прежде всего проверяем напряжение, подаваемое в схему из блока питания.
Алгоритм составлен для использования на рабочем месте ремонтника.
Диагностировать неисправность блока питания несложно с помощью мульти-метра марки М890.
а) диагностика технического состояния блока питания видеомонитора EGAначинается со старта на холостом ходу, т.е. без нагрузки. Проверяем напряжение на
выходе UBbIX , если оно есть и соответствует норме, значит работа по диагностике технического состояния блока питания закончена.
б)если выходные напряжения отсутствуют. Визуальная проверка на отсутст
вие замыканий между дорожками платы, обрыв дорожек. Замерить напряжение на
конденсаторе С9. Если напряжение на С9 есть, то неисправность надо искать в ав
тогенераторе.
в)если выходные напряжения отличаются от номинальных, попытаться их
выставить подстроечным резистором R22, если это не удается, то проверяем ис
правность стабилитрона D21, транзистора Q3 и оптопары IC-1, конденсатора С25 и
Q2,D12.
Проверка узла стабилизации.
- закоротить D11, если выходные напряжения уменьшаются, то Ql, D12, С14
исправны;
- закоротить коллектор-эммитер транзистора Q3, если выходные напряжения
уменьшились, то оптопара IC-1 исправна, если нет, то неисправна последняя, либо
стабилитрон D21;
- закоротить стабилитрон D21, если напряжение уменьшилось, то Q3 испра
вен, а если не уменьшилось, то последний вышел из строя;
г)если выходные напряжения близки к нулю. Скорее всего сработала защита
от перенапряжений на элементах D16, TS1. Причины:
- неисправен стабилитрон - D16;
- неисправен тиристор - TS1;
- пробой конденсаторов фильтра (выпаивать и проверять);
- не работает узел стабилизации (см. предыдущий пункт).
д) если отсутствует напряжение на каналах К2 или КЗ (узел стабилизации ра
ботает) Обрыв диодов D17, D19.
е) если выходные напряжения нулевые. Не работает преобразователь:
- проверить предохранитель; поставили предохранитель, включили в сеть,
предохранитель снова сгорел. Проверяем исправность транзистора Q1, Если он ис
правен, то проверить конденсаторы С9 и СЮ. Если они исправны, а предохранитель
горит - проверите исправность диодов D1-D4. Если и они исправны, а предохранитель все равно горит - проверить, исправность дросселя L1 и конденсаторов СЗ-С5 (менее вероятно).
ж) если предохранитель целый, но выходные напряжения нулевые.
- автогенератор не работает - вышел из строя Q1;
- может быть обрыв в первичной обмотке трансформатора, или обрыв в цепи
обратной связи;
- обрыв диодов Dl- D4 - проконтролировать напряжение на конденсаторе С8
и, если его нет - ставим новые диоды;
- неисправен Q2 (закорочен или пробит) или пробит диод D12:
- самый редкий случай - межвитковое замыкание в трансформаторе, но как
показывает практика, такая ситуация может возникнуть.
Если все элементы исправны, а напряжение на выходе нулевое - проверьте исправность тумблера.
2.4 Техническое предложение по оснащению рабочего места ремонтника
Процесс ремонта вычислительных машин предполагает использование минимального набора инструментов для разборки, замены электронных компонентов, устранения дефектов печатной платы. В такой набор входят различные отвертки, гаечные ключи, бокорезы, плоскогубцы, принадлежности для пайки.
Современные вычислительные машины имеют конструкцию, содержащую минимальное количество крепежных деталей. Как правила, для разборки и сборки вычислительной машины достаточно одной отвертки с крестовым наконечником, но для других операций, например настройки, замены транзисторов и т.д. могут понадобится и другие инструменты.
В рекомендуемы набор отверток должны входить (крестовая и прямая) длиной 350-400 мм и диаметром 5 мм, две длиной 150 мм и диаметром 3 мм, а также маленькие (диаметром 2-2,5 мм) для настройки миниатюрных подстроечных кон-
денсаторов. Для исключения случайных замыканий на плате отвертки для настройки желательно изолировать трубкой, оставив незакрытым только саамы конец. Все отвертки, особенно силовые, должны иметь хорошую заточку, чтобы не портить шлицы на винтах.
Полезно иметь набор торцевых ключей с удлинителями. Это может особенно помочь при ремонте вычислительных машин старых конструкций или отечественных. Для обрезки и формовки выводов деталей необходимо использовать бокорезы и малые плоскогубцы (длинногубцы) с прямыми и изогнутыми концами.
Следует в комплект инструмента включить также вакуумный отсос для удаления остатков припоя при выпаивании транзисторов и микросхем из платы. В необходимый для ремонта вычислительных машин комплект рекомендуется включить еще защитные очки, которые необходимо использовать при первых включениях вычислительной машины после ремонта, когда нет уверенности в нормальных режимах работы отдельных деталей. Например, при пробое ключевого транзистора блока питания может треснуть его пластиковый корпус и осколки попасть в глаза.
Следует предусмотреть также средства для детального просмотра печатной платы и деталей. Такие как лупы различного увеличения и, возможно, небольшой микроскоп с увеличение 20—40 раз.
В качестве основных контрольно-измерительных приборов при проведении ремонтных работ необходимо использовать тестер и осциллограф. Тестер (мульти-метр) должен обеспечивать измерение постоянного напряжения в пределах до 100 В, переменного напряжения до 750 В, постоянного тока до 1 А., а также измерение сопротивлений от 1 Ом до 1000 кОм. Точность измерений не должна быть хуже 2-3%, а входное сопротивление прибора - не менее 1 МОм. Таким требованиям удовлетворяют цифровые мультиметры как отечественного производства, например «Электроника ММЦ-01», так и многие импортные.
К комплекте мультиметра необходимо иметь высоковольтный щуп для измерения напряжений до 30 кВ, так как контроль ускоряющего напряжения электронно-лучевой трубки в процессе ремонта обязателен во избежание повышенного рентгеновского излучения от электронно-лучевой трубки при напряжении более 25 кВ.
Высоковольтный щуп не следует пытаться сделать самому, так как он должен быть выполнен из специальных резисторов с распределенным по длине сопротивлением, обеспечивать высокую точность и безопасность измерений.
Осциллограф в процессе ремонта вычислительных машин используется для наблюдения и контроля сигналов в узлах строчной, кадровой развертки, а также в блоке питания. Требования к осциллографу невысокие: полоса частот - до 10 МГц, времена развертки - от 100 не/дел до 0,1 с/дел, чувствительность для измерения напряжений от 10 мВ до 100 В.
Хорошо зарекомендовал себя в работе цифровой запоминающий осциллограф типа С8-19, который имеет компактное исполнение из-за жидкокристаллического экрана. Кроме того, наличие памяти позволяет анализировать форму сигналов на экране после выключения вычислительной машины.
В комплекте с осциллографом необходимо иметь кабели с удобными наконечниками для подключения к схеме и делитель напряжения 1:10. Осциллограф С 8-19 имеет входной переключатель чувствительности до 50 В/дел, что с внешним делителем 1:10 позволяет контролировать сигналы размахом до 2 кВ и проверять импульсное напряжение на коллекторе строчного транзистора.
3.1 Анализ возможных затрат для оснащения рабочего места ремонтника
Затраты образуются из различных расходов и стоимости покупных изделий и полуфабрикатов, которые определяются с учетом средней цены на расчетный период по прейскуранту.
Данные расчета стоимости покупных изделий и полуфабрикатов приведены в таблице.
Таблица
| № | Наименование покупных изделий и полуфабрикатов | Кол. | Цена за шт. руб. | Сумма, руб. |
| 1 | Осциллограф С 1-1 12 | 1 | 2000 | 2000 |
| 2 | Мультиметр М890 | 1 | 500 | 500 |
| Итого 2500 | ||||
Транспортно-заготовительные расходы рассчитываются в размере 10% от стоимости изделий и полуфабрикатов.
Транспортно-заготовительные расходы составляют 250 руб.
В итоге определяем затраты на оснащение рабочего места ремонтника . Они составляют 2750 руб.
Данный анализ является неточным и в связи с уровнем инфляции при реальном оснащении рабочего места возможен перерасчет.
4.1 Требования к помещению
Климатические условия являются важным фактором надежной работы средств вычислительной техники и высокой работоспособности обслуживающего персонала. С целью создания нормальных условий для персонала вычислительного цента (ВЦ) установлены нормы производственного микроклимата. Эти нормы устанавливают оптимальные и допустимые величины температуры, влажности и скорости движения воздуха для рабочей зоны производственных помещений с учетом избытков явного тепла, тяжести выполняемой работы и сезонов года.
Под оптимальными параметрами микроклимата принято понимать такие, которые при длительном и систематическом воздействии на человека обеспечивают сохранение нормального функционального и теплового состояния организма без напряжения реакций терморегуляции, создают ощущение теплового комфорта и являются предпосылкой высокого уровня работоспособности.
Оптимальные и допустимые нормы микроклимата должны учитывать специфику технологического процесса в ВЦ, в частности, условия по обеспечению надежной работы ЭВМ.
В технических условиях по эксплуатации ЭВМ указываются допустимые рабочие диапазоны параметров микроклимата: температура воздуха от 5-10 до 35-40 °С, относительная влажность 40-90%.
В вычислительных центрах применяется боковое, естественное освещение. В машинных залах дополнительно может предусматриваться верхнее освещение через световой проем в покрытии. В тех случаях, когда одного естественного освещения в помещении не недостаточно, устраивается совмещенное освещение. Применение одного местного освещения не допускается. Для общего освещения помещений ВЦ следует использовать, главным образом люминесцентные лампы. Освещенность рабочих мест во многом зависит от отраженного света. Поэтому цветовую отделку потолков, стен, перегородок, полов, оборудования следует выполнять в свет-
лых тонах.
Для обеспечения установленных норм метеорологических параметров и чистоты воздуха в машинных залах и других помещениях ВЦ применяют вентиляцию. В помещениях ВЦ необходимо обеспечить приток свежего воздуха, количество которого определяется технико-экономическим расчетом и выбором схемы системы вентиляции.
В помещениях любого назначения с постоянным и длительным пребыванием людей предусматривает систему отопления. Она должна обеспечить достаточное, постоянное и равномерное нагревание воздуха в помещениях в холодный период года, а также безопасность в отношении пожара или взрыва. Для отопления используются водяные, воздушные и панельно-лучистые системы центрального отопления.
Микроклиматические условия в помещениях для хранения носителей информации должны удовлетворять следующим требованиям. Температуру воздуха и относительную влажность его рекомендуется принимать таким же, как и в машинном зале ВЦ. В этом случае не требуется акклиматизации носителей информации перед их использованием.
Параметры микроклимата в помещении подготовки данных, помещениях сервисного и технического обслуживания ЭВМ, помещении для устройств телеобработки, как правила, принимаются такими же, как и в машинном зале ВЦ.
В машинном зале, в хранилищах носителей на магнитных лентах, дисках рекомендуется поддерживать температуру и влажность воздуха постоянными, с относительно малыми колебаниями. Значительные колебания температуры приводят к изменению рабочих характеристик узлов и устройств ЭВМ.
Воздух, используемый для вентиляции машинных залов ВЦ и охлаждения стоек устройств ЭВМ, должен очищаться от пыли. Пыль, оседающая на устройства и узлы ЭВМ, ухудшает теплоотдачу, может образовывать токопроводящие цепи, вызывает истирание подвижных частей и нарушение контактов.
Шум является одним из наиболее распространенных факторов внешней среды, неблагоприятно воздействующих на организм человека. На рабочих местах в
помещениях ВЦ шум создается техническими средствами, установками кондиционирования воздуха, преобразователями напряжения, компрессорами и другим оборудованием. По происхождению шум делят на механический и, аэродинамический, гидравлический, и электромагнитный. Для ВЦ характерно появление всех видов шума.
Снижение шума, создаваемого на рабочих местах ВЦ внутренними источниками, а также шума, проникающего извне, осуществляется следующими методами: уменьшением шума в источнике: рациональной планировкой помещения, акустической обработкой помещений: уменьшение шума по пути его распространения. В ряде помещений уменьшение уровня шума до нормы на рабочих местах возможно применение шумозащитных экранов, если это возможно по архитектурно-планировочному решению.
Уменьшение шума, проникающего в помещения ВЦ через воздуховоды, каналы вентиляционных систем и установок кондиционирования, осуществляется глушителями.
4.2 Электробезопасность при эксплуатации технических средств
При проведении наладочных и профилактических работ, а также в процессе эксплуатации вычислительного оборудования ВЦ человек может прикоснуться к находящимся под напряжением проводникам электрического тока. В этом случае через тело человека будет протекать ток, который может вызвать нарушение жизнедеятельных функций организма (потеря сознания, остановка дыхания или прекращения работы сердца). Такое поражение организма называют электрическим ударом.
Характер воздействия и тяжесть поражения человека зависти от многих факторов, таких как сила, длительность воздействия тока, его род, пути прохождения и др.
Электробезопасность представляет собой систему организационных и технических мероприятий и средств, обеспечивающих защиту людей от вредного и опас-
ного воздействия электрического тока, электрической дуги, электромагнитного поля и статического электричества.
Повышение частоты питающего напряжения электроустановок применяют как одну из мер электробезопасности. Окружающая среда оказывает дополнительное влияние на условия электробезопасности. Степень поражения электрическим током во многом зависит от плотности и площади контакта человека с токоведущи-ми частями. Во влажных помещениях с высокой температурой или в наружных электроустановках складываются неблагоприятные условия, при которых площадь контакта человека с токоведущими частями увеличивается.
При оценке условий электробезопасности в электроустановках и разработке защитных мероприятий необходимо определить не только допустимые значения силы тока для человека, но и допустимые напряжения прикосновения при включении его в электрическую цепь, которые будут зависеть от электрического сопротивления тела человека.
Наиболее тяжелым является двухполюсное прикосновение человека к токове-дущим частям, когда независимо от вида сети и рода тока сила тока, протекающего через тело человека, достигает предельного значения. В этом случае единственной мерой, повышающей безопасность обслуживающего персонала, может быть понижение рабочего напряжения установки. К техническим мероприятиям, направленным на обеспечение безопасности обслуживающего персонала при работе в действующих электроустановках, относятся: производство отключения; вывешивание предупредительных плакатов; ограждение места работы; проверка отсутствия напряжения, положения заземления.
Производство отключения: при работах с полным или частичным снятием напряжения токоведущие части, на которых выполняются работы, а также к которым возможно прикосновение при работе, отключают.
Вывешивание предупредительных плакатов, ограждение места работы: плакаты вывешивают с целью предупреждения ошибочных действий обслуживающего персонала, случайной подачи напряжения на работающих.
Проверка отсутствия напряжения: такая проверка осуществляется перед нача-
лом всех видов работ в электроустановках со снятием напряжения, отсутствие напряжения проверяет допускающий.
Заземление применяют для защиты работающих от поражения электрическим током в случае ошибочной подачи напряжения.
Основными техническими средствами, обеспечивающими безопасность работ в электроустановках, являются: защитное заземление, зануление, выравнивание потенциалов, защитное отключение, электрическое разделение сети, малое напряжение, ограждение и блокировка, изоляция токоведущих частей, применение повышенной частоты и электрозащитные средства.
4.3 Мероприятия по противопожарной технике
Пожары в вычислительных центрах представляют особую опасность, так как сопряжены с большими материальными потерями. Характерная особенность ВЦ -небольшие площади помещений. Как известно, пожар может возникнуть при взаимодействии горючих веществ, окислителя и источника зажигания. В помещениях ВЦ присутствуют все три основные фактора, необходимые для возникновения пожара. Горючими компонентами на ВЦ являются: строительные материалы для акустической и эстетической отделки помещений, перегородки, двери, полы, изоляция силовых, сигнальных кабелей и др.
Для отвода теплоты от ЭВМ в производственных помещениях ВЦ постоянно действует мощная система кондиционирования. Кондиционирование воздуха осуществляется и во вспомогательных и в служебно-бытовых помещениях. Поэтому кислород, как окислитель процессов горения, имеется в любой точке помещений ВЦ.
Источниками зажигания могут оказаться электронные схемы, приборы применяемые для технического обслуживания, устройства электропитания, кондиционеры воздуха, где в результате различных нарушений образуются перегретые элементы, электрические искры и дуги, способные вызвать загорание горючих материалов.
Кабельные линии являются наиболее пожароопасным местом. Наличие горючего изоляционного материала, разветвленность и недоступность делают кабельные
линии местом наиболее вероятного возникновения и развития пожара. Для понижения воспламенения и способности распространять пламя кабели покрывают огнезащитными покрытиями.
При ремонтно-профилактических работах используют различные горючие и легковоспламеняющиеся материалы, переносную электроаппаратуру, электродрели, паяльники и др. Появляются дополнительные источники зажигания, что создает повышенную опасность возникновения пожара, поэтому при таких работах необходимо строго соблюдать элементарные правила пожарной безопасности. Рабочее место стола электромеханика покрывают плитой из негорючего диэлектрического материала.
Промывку деталей, ячеек и других объемных устройств горючими жидкостями следует проводить в специальных помещениях, оборудованных приточно-вытяжной вентиляцией. Хранить горючие жидкости необходимо в металлическом ящике или сейфе в количествах, не превышающих сменную норму.
В машинных залах допускается хранение только оперативных носителей, которые необходимы для нормальной работы. Все неиспользуемые в данный момент носители информации должны находится в специальных несгораемых металлических шкафах.
К первичным средствам тушения пожаров предназначенным для локализации небольших возгораний, относятся пожарные стволы, внутренние пожарные водопроводы, огнетушители, сухой песок, асбестовые одеяла и тому подобное.
В зданиях пожарные краны устанавливаются в коридорах, на площадях лестничных клеток и входов. Вода используется для тушения пожаров в помещениях.
Применение воды в машинных залах, хранилищах носителей информации, помещении контрольно-измерительных приборов виду опасности повреждения или полного выхода из строя дорогостоящего электронного оборудования возможно в исключительных случаях, когда пожар угрожает принять крупные размеры. При этом количество воды, подаваемой на тушение, должно быть минимальным, а устройства ЭВМ необходимо защищать от попадания воды, накрывая их брезентом или полотном.
Для тушения пожаров в начальной стадии их возникновения широко применяются огнетушители.
Все работы по отключению электроустановок, использованию огнетушителей, приведению в действие установок, газового тушения пожара должны выполняться с соблюдением правил техники безопасности.
4.4 Монтаж и наладка оборудования
при монтаже радиоэлектронного оборудования применяется исправный инструмент, работающий при малом напряжении.
Про монтаже схем недопустимы: проверка на ощупь наличия напряжения и нагрева токоведущих частей схемы; применение для соединения блоков и приборов провода с поврежденной изоляцией; производство пайки деталей в оборудовании, находящемся под напряжением; измерение напряжений и токов переносными приборами с неизолированными проводами и щупами; замена предохранителей во включенном оборудовании.
Наладка малогабаритного радиоэлектронного оборудования может производится наладчиком, имеющим достаточную производственную квалификацию и группу по технике безопасности не ниже IV, в присутствии второго лица, с группой не ниже III.
Для наладки малогабаритного радиоэлектронного оборудования организуется рабочее место: специально оборудованный рабочий стол и свободная часть площади около него, предназначенная для размещения налаживаемого оборудования, контрольно-измерительной аппаратуры и нахождения самого наладчика.
На каждом рабочем месте одновременно налаживается одно единица оборудования.
При измерении параметров электрической схемы с помощью контрольно-измерительной аппаратуры разрешается извлекать налаживаемое оборудование из корпуса, снимать обшивку в местах подключения контрольно-измерительной аппаратуры и замыкать накоротко блокировку.
При этом выполняются следующие требования безопасности:
- все подготовительные работы, присоединение контрольно-измерительной
аппаратуры производятся после снятия напряжения и проверки отсутствия остаточ
ных зарядов;
- до подачи напряжения металлические корпуса контрольно-измеритель-ной
аппаратуры и радиоэлектронного оборудования заземляются.
СПИСОК ИСПОЛЬЗОВАННОЙ ЛИТЕРАТУРЫ
1.Глазенко Т.А., Прянишников В.А. Электротехника и основы электроники. -
М: Высшая школа, 1996.
2. источники вторичного электропитания / Под ред. Ю.И. Конева. -М.: Радио
и связь, 1983.
3. Источники электропитания РЭА / Под ред. Г.С. Найвельта. -М.: Радио и
связь.
4. Кейлер В.А. Экономика предприятия: Курс лекций. -М.: Инфра - М, 2001.
5. Марголис А. Поиск и устранения неисправностей в персональных компью
терах. -Киев: диалектика, 1994.
6. Прянишников В.А. Электроника. -С-Пб.: Корона принт, 2000.
7. Ромаш Э.М. Источники вторичного электропитания радиоэлектронной ап
паратуры. —М.: Радио и связь, 1981.
8. Учебное пособие - Охрана труда в вычислительных центрах. -М.: Маши
ностроение, 1985.
9. Экономика предприятия // Под ред. В.Я. Горфинкеля. -М.: Банки и биржи.
Юнити, 2000.
10 Бас А.А. и др. Источники вторичного электропитания. -М.: Радио и связь. 1987.
11. Мкртчан Ж.А. Электропитание ЭВМ. / -М.: Энергия, 1980.
12. Букреев С.С. и др. Источники вторичного электропитания. -М.: Радио и
связь. 1983.