| Скачать .docx |
Реферат: Контроль динамических параметров ЦАП
Министерство общего и профессионального образования
Российской Федерации
Новгородский государственный университет
им. Ярослава Мудрого
——————————————————————————————
Кафедра физики твёрдого тела и микроэлектроники
Контроль динамических параметров ЦАП
Реферат по дисциплине
“Испытания изделий электронной техники”
Выполнил
Студент гр.4031
Избачков Ю.С.
Проверил
Доцент каф. ФТТиМ
Крутяков Л.Н.
Новгород
1999
Введение
Цифро-аналоговые и аналого-цифровые преобразователи АЦП находят .широкое применение в различных областях современной науки и техники. Они являются неотъемлемой составной частью цифровых измерительных приборов, систем преобразования и отображения информации, программируемых источников питания, индикаторов на электронно-лучевых трубках, радиолокационных систем, установок для контроля элементов и микросхем, а также важными компонентами различных автоматических систем контроля и управления, устройств ввода-вывода информации ЭВМ.
В данной работе рассматриваются основные методы контроля динамических параметров ЦАП.
Динамические свойства ЦАП характеризуются временем установления (преобразования), которое является наиболее сложно контролируемым и трудно поддающимся автоматизации параметром быстродействующих многоразрядных ЦАП.
Это объясняется необходимостью совмещения высокого быстродействия измерителя времени установления с его высокой разрешающей способностью по амплитуде (такой же, как и при контроле статических параметров) для обеспечения фиксации момента достижения выходным сигналом ЦАП номинального значения с погрешностью ±'/2 значения младшего разряда. Кроме того, ограниченная полоса пропускания измерительного тракта и тепловые эффекты в сочетании с неизбежным присутствием шума могут вносить значительную неопределенность в измерение. Задачу можно существенно упростить, если установившееся значение выходного сигнала контролируемого преобразователя совместить с нулевым уровнем и анализировать переходный процесс вблизи нулевого потенциала. Это относится и к схемам, использующим в качестве индикатора осциллограф. Рассмотрим несколько возможных вариантов схем устройств контроля времени установления ЦАП с осциллографическим индикатором, нашедших применение в мелкосерийном и опытном производстве, в лабораторных исследованиях.

Рисунок 1 - Схема устройства контроля времени установления ЦАП с компенсацией установившегося значения его выходного сигнала
Одна из таких схем показана на рисунке 1. Прямоугольный эталонный сигнал, синхронный с прямоугольным сигналом цифрового входа ЦАП, но не совпадающий по фазе с выходным сигналом ЦАП, суммируется с последним. Амплитуда эталонного прямоугольного сигнала Uэ регулируется для точного совпадения с амплитудой Uп.ш выхода ЦАП по окончании переходных процессов. Это обеспечивает наблюдение переходного процесса на экране осциллографа относительно нулевого уровня. Фиксирующие диоды ограничивают отклонение напряжения в период переходных процессов, что существенно уменьшает время восстановления перегрузки осциллографа. При переключении цифрового входа младшего разряда из положения «динамический» в положение логической «1» или логического «0» на экране осциллографа будут наблюдаться импульсы с частотой генератора и амплитудой, равной значению младшего разряда Δ ЦАП относительно нулевого уровня. При этом время установления определяется как время, необходимое для того, чтобы напряжение отклонения от нулевого уровня не превышало (±'/2) Δ. Если требуется измерить только время установления напряжения полной шкалы, то напряжение эталонного прямоугольного сигнала Uэ на вход осциллографа не подается, что упрощает процесс измерения с помощью устройства, приведенного на рисунке 1.


Рисунок 2 - Схема устройства контроля времени установления ЦАП при «главном переносе»
Как отмечалось, если ЦАП работает в режиме слежения (со сменой смежных кодовых комбинаций), то его время установления имеет большее значение, чем время установления полной шкалы. При этом наибольший переходной процесс наблюдается в случае «главного переноса», когда все разряды меняют свое состояние (цифровое число меняется от 0111 ... 1 до 1000 ... О или наоборот). Процесс же измерения времени установления при смене смежных кодовых комбинаций на цифровых входах ЦАП существенно упрощается, поскольку при этом установившиеся значения выходного сигнала ЦАП для смежных кодов отличаются на значение младшего разряда.
На рисунке 2 показана схема устройства контроля времени установления ЦАП при кодовой комбинации главного переноса. Все разряды ЦАП, кроме старшего, возбуждаются параллельно с помощью генератора Г прямоугольных импульсов. Этот же сигнал после инвертора Ин подается на старший разряд, вызывая его включение в момент выключения всех остальных разрядов. Выходной сигнал ЦАП при этом представляет собой прямоугольный сигнал с амплитудой Δ относительно уровня, равного половине полной шкалы. Выход ЦАП связан со входом осциллографа только по переменному току, и постоянная составляющая выходного сигнала ЦАП на вход осциллографа не поступает. Переходный процесс в этом случае можно наблюдать при большой чувствительности осциллографа по амплитуде.
Время переходного процесса ЦАП большой разрядности можно определить с высокой степенью точности, поскольку практически устраняются перегрузки входного усилителя осциллографа или компаратора, обусловленные большим перепадом сигнала на выходе контролируемого ЦАП. Однако производительность осциллографических методов измерения невысока. Кроме того, этим методам присущи погрешности субъективного характера, что не позволяет использовать их для серийного производства преобразователей.

Рисунок 3 - Схема устройства контроля времени установления ЦАП с токовым выходом на туннельном диоде
Рассмотрим возможные варианты построения полностью автоматизированных измерителей времени установления ЦАП, обладающих значительно большим быстродействием и достоверностью контроля. На рисунке 3 приведена схема устройства контроля времени установления ЦАП с токовым выходом, где в качестве дискриминатора амплитуды выходного сигнала ЦАП применен туннельный диод. В устройстве используется стробоскопический метод измерения.
Формируемые с частотой генератора Г перепады (от нуля до установившегося уровня) выходного сигнала ЦАП попадают па дискриминатор уровня Д, который анализирует текущее (мгновенное) значение выходного сигнала преобразователя.
Анализ процесса начинают с участка заведомо установившегося переходного процесса, и анализируемую точку характеристики постепенно перемещают по временной оси к началу переходного процесса, т. е. справа налево (рисунок 4). Момент t1 превышения допустимого значения отклонения от установившегося уровня тока Iуст фиксируют дискриминатором уровня. Затем измеряют временной отрезок от начала исследуемого переходного процесса до зафиксированного дискриминатором момента времени, который и определяет время установления Iycт выходного сигнала ЦАП.

Рисунок 4 – Характер переходного процесса выходного сигнала ЦАП
Устройство работает таким образом. Выходные импульсы генератора Г поступают на вход схемы сдвига СС стробирующих импульсов и одновременно через многоканальный коммутатор — на цифровые входы контролируемого ЦАП, на которых он обеспечивает формирование требуемой комбинации сигналов. Исследуемый выходной сигнал ЦАП подается на первый вход схемы сравнения (дискриминатор Д), выполненной на туннельном диоде, на второй вход которой подаются стробирующие импульсы от генератора ГСИ, сдвигаемые по временной оси относительно исследуемого сигнала с помощью схемы СС. Уровень срабатывания схемы сравнения, работающей в режиме одновибратора, достигается в моменты прихода стробирующих импульсов вследствие суммирования на туннельном диоде тока контролируемого выходного сигнала ЦАП, стробирующего импульса и тока смещения, формируемого с помощью дополнительного ЦАП, управляемого выходным кодом устройства управления УУ.
Формируемый ток смещения соответствует установившемуся значению выходного сигнала контролируемого ЦАП. Каждую анализируемую точку переходного процесса стробируют п раз с частотой f 2 генератора Г. По мере приближения выходного тока контролируемого ЦАП к току смещения дополнительного ЦАП частота срабатывания f 1 дискриминатора Д на туннельном диоде возрастает. Отношение частот f 1 /f 2 анализируют устройством управления УУ. Если оно находится в допустимых пределах заданного значения, то стробирующий .импульс перемещают к началу переходного процесса и анализ следующих точек переходного процесса повторяют до момента, когда отношение частот f 1 /f 2 превысит заданное (последнее определяется допустимым отклонением выходного тока контролируемого ЦАП от установившегося значения, а также характером шумовой помехи на туннельном диоде и видом зависимости частоты срабатывания схемы сравнения от тока смещения). После этого перемещение стробирующего импульса прекращают и измеряют временной отрезок между фронтами импульсов генератора и стробирующих импульсов ГСИ. Следует, однако, отметить, что вследствие большого уровня шумов, временной и температурной нестабильности параметров туннельного диода данная схема обеспечивает контроль ЦАП с разрядностью не более 8—9.
На рисунках 5 и 6 изображены схема и временные диаграммы работы измерителя времени установления ЦАП, который обеспечивает исследование выходного сигнала ЦАП более высокой разрядности. Это достигается в основном смешением выходного сигнала по амплитуде до совпадения его установившегося значения с нулевым уровнем. Тем самым обеспечивается работа дискриминатора уровня вблизи нулевого потенциала, что позволяет использовать дискриминаторы с высокой разрешающей способностью по амплитуде.
Устройство реализует также стробоскопический метод измерения. При определении tуст фактически решают две самостоятельные задачи:
1) выделение временного интервала, пропорционального длительности измеряемого времени установления;
2) преобразование выделенного интервала в форму, удобную для обработки.
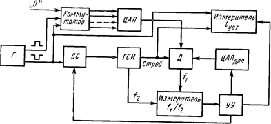
Рисунок 5 - Схема автоматического измерителя времени установления ЦАП

Рисунок 6 - Временные диаграммы работы автоматического измерителя времени установления ЦАП
Принцип выделения временного интервала аналогичен рассмотренному. Установившееся значение переходного процесса контролируемого ЦАП совмещают с нулевым уровнем с помощью суммирующего усилителя СУ, ключа К и интегратора И.
В качестве устройств сравнения используются стробируемые компараторы напряжения KH1 и KH2, которые совместно со схемой ИЛИ, счетчиками импульсов Сч1 и Сч2, триггером Т1 , схемой запрета СЗ и формирователем порогового напряжения ФПН перемещают стробирующий импульс по временной оси к началу переходного процесса. Триггер Т2 и преобразователь средних значений напряжения прямоугольных импульсов ПСЗ обеспечивают преобразование выделенного временного интервала tуст в пропорциональное напряжение постоянного тока.
Схема работает следующим образом. В исходном состоянии генератор Г заторможен и на одном из его выходов имеется напряжение, соответствующее логической «1» цифровых входов контролируемого ЦАП, а на другом — логическому «0». Многоканальный коммутатор позволяет сформировать произвольную комбинацию входного воздействия на цифровые входы, соответствующую любой точке характеристики контролируемого ЦАП, что обеспечивает контроль времени установления в любой точке характеристики ЦАП и при любых смежных кодовых комбинациях.
Так, например, если необходимо измерить время установления полной шкалы ЦАП, то его цифровые входы подключают к выходу генератора Г с напряжением, соответствующим логической «1».
Если требуется определить время установления ЦАП при включении, например, всех разрядов, кроме старшего, цифровой вход последнего подключают на все время измерения к шине, формирующей напряжение логического «0», входы остальных разрядов — к выходу генератора с напряжением логической «1».
В случае измерения времени установления при смене смежных кодовых комбинаций, например при смене кода 011...1 на 100...0, в исходном состоянии цифровой вход старшего разряда подключают к выходу генератора с напряжением логического «0», входы остальных разрядов — к выходу генератора с напряжением логической «1». Следовательно, в исходном состоянии выходной сигнал ЦАП соответствует его установившемуся значению в проверяемой точке характеристики.
Затем замыкают ключ К.. При этом выходной сигнал ЦАП, поступая на вход интегратора И после его прохождения через суммирующий усилитель СУ, изменяет значение выходного напряжения СУ таким образом, что результирующий сигнал на выходе усилителя начинает уменьшаться.
По окончании переходного процесса установившееся значение выходного сигнала ЦАП полностью компенсируется выходным сигналом интегратора и на выходе усилителя устанавливается напряжение, близкое к нулю и равное смещению нуля интегратора И. Затем ключ К размыкают и запускают генератор Г, обеспечивающий периодическую (с определенной частотой) смену кодовой комбинации на цифровых входах ЦАП. При этом происходит периодическое изменение с частотой генератора выходного сигнала ЦАП (рисунок 6 б). Поскольку в исходном состоянии установившееся значение выходного сигнала ЦАП было скомпенсировано выходным сигналом интегратора (и сигнал компенсации после размыкания ключа поддерживался интегратором постоянным), то переходный процесс выходного сигнала ЦАП (на выходе суммирующего усилителя) независимо от выбранной контролируемой точки и наклона характеристики ЦАП будет располагаться относительно нулевого уровня. Это позволяет при необходимости дополнительно усилить разностный сигнал вблизи установившегося значения и тем самым значительно повысить чувствительность и разрешающую способность устройства.
Выходной сигнал усилителя подается на входы компараторов напряжения КН1 и КН2, один из которых (с учетом коэффициента усиления СУ) имеет порог срабатывания, превышающий 0,5Δ, а другой – (-1/2)Δ. Частоту генератору Г выбирают таким образом, чтобы длительность его импульсов Т/2 (рисунок 6а), формирующих кодовую комбинацию на цифровых входах ЦАП, превышала максимально возможное время установления.
Переходный процесс исследуют путем стробирования компараторов, начиная с момента времени ti , заведомо превышающего время установления, и перемещения стробирующего импульса по временной оси к началу переходного процесса, т. е. справа налево до момента срабатывания одного из компараторов при отклонении контролируемого сигнала от установившегося значения более чем на (± 1/2) Δ.
Рассмотрим формирование и перемещение стробирующего импульса. Передний фронт импульса генератора Г, совпадающий с началом переходного процесса, осуществляет запуск генератора пилообразного напряжения ГПН, возрастающий сигнал которого (рисунок 6б) поступает на один из входов дискриминатора уровней Д. В момент превышения пилообразным сигналом значения, поступающего на дискриминатор Д с формирователя порогового напряжения ФПН, дискриминатор срабатывает и с помощью ГСИ формирует стробирующий импульс.
Крутизну выходного сигнала ГПН и значение начального напряжения ФПН выбирают таким образом, чтобы первый стробирующий импульс был расположен на участке заведомо установившегося переходного процесса. Поэтому амплитуда напряжения исследуемого сигнала, поступающего на компараторы КН1 и КН2 в момент стробирующего импульса, находится в зоне (±1/2)Δ и компараторы не срабатывают. При этом счетчик импульсов Cч1 обнулен, а триггер T1 находится в исходном состоянии и обеспечивает прохождение импульсов с выхода счетчика Сч2 через схему запрета СЗ на формирователь порогового напряжения ФПН. Стробирующие импульсы с частотой повторения переходного процесса (с частотой генератора Г) заполняют предварительно обнуленный счетчик Сч2. При поступлении n-го импульса происходит переполнение этого счетчика. Импульс переполнения через схему запрета СЗ поступает на ФПН, уменьшая пороговое напряжение дискриминатора на ΔU. При крутизне 5 выходного напряжения ГПН это вызывает перемещение момента срабатывания дискриминатора (tд1 , tд2 и т. д.), а следовательно, и момента формирования стробирующего импульса к началу переходного процесса на величину:
δt = tд1 – tд2 = ΔU/S (1)
После обнуления счетчика Сч2 исследуют характеристику в новой точке переходного процесса. Если и в этой точке переходный процесс находится в зоне допуска, то по окончании п повторений переходных процессов вновь происходит переполнение счетчика Сч2 и перемещение стробирующего импульса по временной оси на δt к началу переходного процесса. Перемещение будет происходить до тех пор, пока переходный процесс не приблизится к границе зоны допуска (положительному или отрицательному значению). При этом в зависимости от полярности отклонения исследуемого сигнала от установившегося значения начинает срабатывать один из компараторов KH1или КН2, выходные импульсы которых поступают на счетчик Сч1.
Если срабатывание компараторов неустойчивое, нерегулярное и за n повторений переходных процессов число срабатываний не превышает n/2 (что возможно при воздействии на компараторы KH1, КН2 различных помех, накладываемых на исследуемый сигнал и особенно ощутимых с приближением переходного процесса к допустимым значениям), то переполнения счетчика Сч1 не происходит и импульс переполнения счетчика Сч2 по окончании п повторений переходного процесса обнуляет счетчик Сч1 и вновь перемещает стробирующий импульс на δt, обеспечивая устойчивое срабатывание одного из компараторов. Это является признаком достижения переходным процессом границы зоны допустимых значений установившегося выходного напряжения ЦАП. В этом случае число срабатываний компараторов KH1 или KH2 до окончания очередного цикла из n повторений переходного процесса превышает n/2, что приводит к переполнению счетчика Cч1, выходной импульс которого воздействует на триггер Т1 , запрещая с помощью СЗ прохождение импульса переполнения счетчика Сч2 на ФПН. По окончании цикла импульс переполнения счетчика Сч2, обнуляя счетчик Сч1, не проходит на ФПН, что сохраняет неизменным уровень срабатывания дискриминатора Д, а значит, и расположение стробирующего импульса на временной оси. Перед началом очередного цикла сканирования переходного процесса устройством управления УУ происходит обнуление счётчика Сч2 и нормализация триггера Т1 . При периодическом повторении циклов сканирования устойчивое срабатывание компараторов KH1 или КН2 обеспечивает неизменное положение стробирующего импульса на временной оси, момент появления которого и является моментом окончания переходного процесса исследуемого сигнала.
Поскольку моменты запуска и нормализации триггера Т2 определяются соответственно фронтом импульсов генератора Г, совпадающим с началом переходного процесса, и стробирующим импульсом, периодическое появление которого совпадает с моментом достижения переходным процессом установившегося значения, то длительность повторяющихся с частотой генератора выходных импульсов триггера Т2 в конце измерительного цикла равна длительности переходного процесса исследуемого сигнала (рисунок 6е). Длительность выходных импульсов триггера Т2 с помощью преобразователя средних значений ПСЗ преобразуется в пропорциональное напряжение постоянного тока, фиксируемое, по окончании измерительного процесса отсчетно-регистрирующим устройством ОРУ. Поскольку частота генератора фиксирована, При постоянстве амплитуды Umax импульсов триггера Т2 в качестве ПСЗ можно использовать преобразователь среднего значения импульсного сигнала в пропорциональное напряжение постоянного тока Ucp . В этом случае его выходное напряжение Uвых однозначно определяет длительность преобразуемых импульсов, а следовательно, длительность переходного процесса tycт , т. е.:
(2)
Время измерения tизм определяется выбранным числом п измерений в каждой точке переходного процесса и дискретным значением δt:
(3)
Как следует из рассмотренной схемы, результирующая погрешность измерения времени установления tуст определяется в основном разрешающей способностью ΔUк стробируемых компараторов и ограниченностью полосы пропускания измерителя, приводящей к искажению переходного процесса. Относительная погрешность γ обусловленная величиной ΔUк, зависит в свою очередь от крутизны S исследуемого сигнала U(t) в точке пересечения с границей зоны допустимых значений:
(4)
Это соотношение показывает, что погрешность γ, обусловленная разрешающей способностью компараторов, в значительной мере зависит от характера переходного процесса и возрастает с уменьшением производной исследуемого сигнала в момент окончания переходного процесса.
Влияние полосы пропускания схемы измерения проявляется в ослаблении высокочастотных составляющих выходного сигнала ЦАП, что приводит к изменению длительности временного интервала, соответствующего длительности переходного процесса, а следовательно, к появлению ошибки преобразования. При нахождении полосы пропускания измерителя необходимо учитывать максимально возможный спектр частот F анализируемого сигнала:
F = (1 ÷ 2)/т (5)
где т — длительность видеоимпульса.
Для неискаженной передачи этих сигналов полоса частот измерителя должна в 3—5 раз превышать значение F.
Рассмотренные погрешности определяют в основном результирующую погрешность измерения, поскольку погрешность измерения временного интервала, соответствующего времени установления, может быть простыми схемотехническими средствами сведена к пренебрежимо малой величине.
Список литературы
1. Измерения и контроль в микроэлектронике: Учебное пособие по специальностям электронной техники / Дубовой Н.Д., Осокин В.И., Очков А.С. и др.; Под ред. А.А.Сазонова. - М.: Высшая школа, 1984. - 367с.
2 Глудкин О.П., Черняева В.Н. Технология испытания микроэлементов радиоэлектронной аппаратуры и интегральных микросхем. – М.: Энергия, 1980.
3 Микроэлектроника: Учеб. пособие для втузов. В 9 кн. / Под ред. Л.А.Коледова. Кн. 5. И.Я.Козырь. Качество и надёжность интегральных микросхем. – М.: Высшая школа, 1987. – 144 с.
4 Измерение параметров цифровых интегральных микросхем / Д.Ю.Эйдукас, Б.В.Орлов, Л.М.Попель и др.; Под ред. Д.Ю.Эйдукаса, Б.В.Орлова. – М.: Радио и связь, 1982.
5 Докучаев Н.И., Козырь И.Я. Онопко Д.И. Испытания и измерения интегральных микросхем. – М.: Изд. МИЭТ, 1978.
6 Докучаев Н.И., Коледов Л.А. Элементы надёжности и измерение параметров интегральных микросхем. – М.: Изд. МИЭТ, 1979.