| Скачать .docx |
Реферат: Моделирование электрических цепей с нелинейными элементами
Контрольная работа
«Моделирование электрических цепей с нелинейными элементами»
Введение
Цель работы: приобретение навыков графического ввода, редактирования и анализа принципиальных схем в среде Micro-CAP.
Выполнение работы
1. Моделирование схем с резистивным НЭ
Соберём схемус резистивным НЭ. (рис. 1)

Рис. 1
Выберем модель диода 1S2460. В режиме DC Analysis зададим параметры для первой варьируемой переменной: Method – Auto, Name – V1, Range – 2. В качестве независимой переменной укажем напряжение на аноде диода V(1), а в окне X Expression зададим переменную I(D1). Построим ВАХ. (график 1)

График 1
Зададим диапазон измерения температуры –40…+70 С0 и включив линейную шкалу изменения температуры, повторим моделирование в режиме DC . (график 2)

График 2
Заменим диод D1 в схеме на стабилитрон, подсоединив его катодом к плюсу источника (встречное включение). В открывшемся окне задания параметров моделирования диода установим, следующие значения: BV = 3 В, RS = 4 Ом. Построим ВАХ стабилитрона, задав пределы изменения напряжения источника V1 в пределах 0…4 В. Измерить напряжение стабилизации (пробоя). (график 3)

График 3
Соберём схему дифференцирующей RC-цепи. Установим следующие параметры генератора V1: амплитуда импульса – 10 В, начало переднего фронта – 0,1 мкс, длительность импульса TИ = 5R1C1, период повторения T = 2TИ . (рис. 2)

Рис. 2
В режиме Transient построим графики функций: V(1), V(R1), V(3). (график 4)

График 4
Поменяем полярность включения диода и повторим предыдущий пункт.

График 5
Соберём однопериодный выпрямитель переменного тока (рис. 3), подключив к электрической цепи генератор Sine Source . Выберем модель генератора – GENERAL и зададим следующие параметры для моделирования:
F = 1 кГц; A = 10 В; DC = 0; PH = 0; RS = 1 Ом; RP = 0; TAU = 0.

Рис. 3
Построим графики V(1), V(R1) и I(D1), задав максимальное время моделирования 10 мс. Измерим величину пульсаций выходного сигнала в конце переходного процесса. (график 6)

График 6
Проведём многовариантный анализ схемы, задав изменение величины резистора R1 в пределах 10…150 Ом с шагом 100 Ом. (график 7)

График 7
Соберём следующую схему (рис. 4)

Рис. 4
Проведём анализ схемы в режиме Transient , построив графики V(1), V(2), V(3) в одном графическом окне, а график I(D2) – в другом. (график 8)

График 8
Заменим в схеме источник переменного напряжения на источник постоянного напряжения, установив величину напряжения источника 10 В. Проведём анализ схемы в режиме постоянного тока (режим Dynamic DC ) при V1 = 10 В. Определим значения узловых потенциалов, токов в ветвях схемы и мощностей, рассеиваемых на элементах схемы. (рис. 5)

Рис. 5
2. Исследование характеристик транзистора
Исследуем вольтамперную характеристику транзистора, для чего соберём схему (рис. 6), установив следующие параметры моделирования: I1 = 1 мА, V1 = 5 В. В качестве транзистора Q1 выбрав модель 2N2368.

Рис. 6
Включим режим DC и в строке Variable 1 зададим имя первой варьируемой переменной – V1 с диапазоном изменения 0…5 В. Для второй переменной (Variable 1 )укажем имя I1 с диапазоном изменения 0…5 мА и с шагом 0,5 мА. Установим линейный метод варьирования обеих переменных. (график 9)

График 9
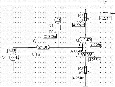
Соберём схему транзисторного усилителя (рис. 7). В качестве источника входного сигнала V1 использован источник Sine Source , выберем модель генератора – «1МГц» и зададим амплитуду синусоидального сигнала 0,1 В.

Рис. 7
Используя режим Transient построим графики входного (V(V1)) и выходного (Vc(Q1)) напряжений. (график 10)

График 10
В режиме многовариантного анализа познакомимся с работой усилителя, установив вариацию входного напряжения в диапазоне 0.1…0.6 В с шагом 0.3 В. (график 11)

График 11
Построим амплитудно-частотную и фазочастотную характеристики усилителя, установив в режиме AC диапазон изменения частоты 1…100 МГц. (график 12)

График 12
Проведём анализ режима схемы по постоянному току. (рис. 8)

Рис. 8
Вывод
резистивный нелинейный частотный постоянный
На данной контрольной работе мы приобрели навыки графического ввода, редактирования и анализа принципиальных схем в режимах анализа переходных процессов ( Transient ) ,частотного анализа (АС) ианализа врежиме постоянного тока (Dynamic DC . Познакомились с характеристиками транзистора в среде программы MICRO - CAP .