| Скачать .docx |
Курсовая работа: Широкополосный усилитель
Пояснительная записка к курсовому проекту по дисциплине “Схемотехника аналоговых устройств”
Студент гр. 180 Т. А. Сизиков
Министерство образования Российской Федерации
ТОМСКИЙ ГОСУДАРСТВЕННЫЙ УНИВЕРСИТЕТ СИСТЕМ УПРАВЛЕНИЯ И РАДИОЭЛЕКТРОНИКИ (ТУСУР)
Кафедра радиоэлектроники и защиты информации (РЗИ)
РТФ КП 468714.001 ПЗ
2003
Реферат
Курсовой проект 48 стр., 1 табл., 20 рис., 8 ист.
ШИРОКОПОЛОСНЫЙ УСИЛИТЕЛЬ, РАБОЧАЯ ТОЧКА, ДРОССЕЛЬНЫЙ КАСКАД, ВХОДНАЯ ЦЕПЬ, НАГРУЗОЧНЫЕ ПРЯМЫЕ, ТЕРМОСТАБИЛИЗАЦИЯ, ЭМИТТЕРНАЯ КОРРЕКЦИЯ, ОДНОНАПРАВЛЕННАЯ МОДЕЛЬ ТРАНЗИСТОРА, ЭКВИВАЛЕНТНАЯ СХЕМА ДЖИАКОЛЕТТО.
Объектом разработки является широкополосный усилитель.
Цель данной работы – приобретение практических навыков в расчете усилителей на примере конкретной задачи.
В процессе работы производился анализ различных схем реализации усилительного устройства, расчет его параметров и элементов. В результате была разработана схема усилителя, отвечающая требованиям технического задания.
Пояснительная записка выполнена в текстовом редакторе MicrosoftWorld 2000, а рисунки в графическом редакторе PaintBrush.
Техническое задание
Усилитель должен отвечать следующим требованиям:
1 Рабочая полоса частот: 0,8-30 МГц
2 Допустимые частотные искажения
в области нижних частот не более 1,5 дБ
в области верхних частот не более 3 дБ
3 Коэффициент усиления 30 дБ
4 Амплитуда выходного сигнала Uвых=8В
5 Диапазон рабочих температур: от +25 до +50 градусов Цельсия
6 Сопротивление источника сигнала и нагрузки Rг=Rн=50 Ом
Содержание
1 Введение5
2 Структурная схема усилителя6
2.1 Определение числа каскадов6
3 Распределение искажений АЧХ6
4 Расчет выходного каскада7
4.1 Расчет рабочей точки7
4.1.1 Расчет рабочей точки для резистивного каскада7
4.1.2 Расчет рабочей точки для дроссельного каскада11
4.2 Выбор транзистора выходного каскада13
4.3 Расчет эквивалентных схем транзистора14
4.3.1 Расчет схемы Джиаколетто14
4.3.2 Расчет высокочастотной однонаправленной модели17
4.4 Расчет цепей термостабилизации18
4.4.1 Эмиттерная термостабилизация18
4.4.2 Пассивная коллекторная термостабилизация20
4.4.3 Активная коллекторная термостабилизация21
4.5 Расчет некорректированного каскада24
4.5.1 Анализ каскада в области верхних частот24
4.5.2 Расчет искажений, вносимых входной цепью27
4.6 Расчет элементов эмиттерной коррекции29
5 Расчет входного каскада32
5.1 Расчет рабочей точки32
5.2 Выбор транзистора входного каскада33
5.3 Расчет эквивалентных схем транзистора33
5.4 Расчет схемы термостабилизации34
5.5 Расчет не корректированного каскада35
5.6 Расчет элементов эмиттерной коррекции36
5.7 Расчет искажений, вносимых входной цепью38
6 Расчёт коллекторных дросселей и разделительных ёмкостей40
7 Амплитудно-частотная характеристика усилителя43
8 Заключение45
Список использованных источников46
Схема электрическая принципиальная47
Перечень элементов48
В данном курсовом проекте рассчитывается широкополосный усилитель СВЧ. В настоящее время такие усилители могут применяться в осциллографии, в исследованиях прохождения радиоволн в различных средах, в том числе прохождения различных длин волн в городских условиях. Также в последнее время весьма актуальна задача поиска и обнаружения подслушивающе–передающих устройств (“жучков”). Одним из основных требований в данном случае является обеспечение необходимого усиления принимаемого сигнала в широкой полосе частот. Но так как коэффициент усиления транзистора на высоких частотах составляет единицы раз, то при создании усилителя необходимо применять корректирующие цепи, обеспечивающие максимально возможный коэффициент усиления каждого каскада усилителя в заданной полосе частот.
2 Структурная схема усилителя
2.1 Определение числа каскадов
Так как на одном каскаде трудно реализовать усиление 30дБ, то для того, чтобы обеспечить такой коэффициент усиления, используем сложение двух каскадов. Учитывая, что входная цепь ослабляет общий коэффициент усиления всего усилителя считаем, что каждый каскад в среднем даёт усиление в 9 раз, или 19,085 дБ.
![]() |
Структурная схема усилителя, представленная на рисунке 2.1, содержит кроме усилительных каскадов источник сигнала и нагрузку.
Рисунок2.1-Структурная схема усилителя
3 Распределение искажений АЧХ
Исходя из технического задания, устройство должно обеспечивать искажения в области верхних не более 3дБ и в области нижних частот не более 1.5дБ. Так как используется два каскада, то получаем, что каждый может вносить не более 1.5дБ искажений в общую АЧХ. Так как наибольшие искажения в АЧХ усилителя обычно вносит входная цепь, то распределим их с запасом, т.е. YB для каждого каскада возьмем по 0.5дБ а на входную цепь оставим 2дБ.
Эти требования накладывают ограничения на номиналы элементов, вносящих искажения.
4 Расчет выходного каскада
4.1 Расчет рабочей точки
Рабочей точкой называются ток и напряжение на активном элементе при отсутствии входного воздействия.
Рассмотрим две схемы реализации выходного каскада: резистивную и дроссельную. Выбор той или иной схемы осуществим на основе полученных данных расчета. Критерий выбора – оптимальные энергетические характеристики схемы.
4.1.1 Расчет рабочей точки для резистивного каскада
Принципиальная схема резистивного каскада и эквивалентная схема по переменному току представлены на рисунках 4.1,а и 4.1,б соответственно.


| Рисунок 4.1,а - Принципиальная схема резистивного каскада | Рисунок 4.1,б- Эквивалентная схема по переменному току |
Сопротивлением по переменному току для резистивного каскада будет являться параллельное соединение сопротивлений Rk и Rн (рисунок 4.1,б):
(4.1)
Принимая сопротивление коллекторной цепи транзистора Rk равным сопротивлению нагрузки Rн (Rн = 50 Ом), согласно формуле (4.1), получаем:

По известному сопротивлению нагрузки по переменному току и выходному напряжению можно найти выходной ток:
(4.2)
В результате ток равен:

Зная выходное напряжение и ток, определим координаты рабочей точки согласно следующим формулам:
,(4.3)
гдеIко – ток в рабочей точке;
Iвых – выходной ток;
Iост - остаточный ток, принимается равным 0.1*Iвых.
,(4.4)
где Uкэо – напряжение в рабочей точке;
Uвых – выходное напряжение;
Uнас - начальное напряжение нелинейного участка выходных
характеристик транзистора, выбирается от 1В до 2В.
Полагая Uнас=1.5В, по формулам (4.3) и (4.4) находим:
![]()
![]()
Напряжение источника питания для схемы, представленной на рисунке 4.1,а, будет составлять сумму падений напряжений на сопротивлении Rк и транзисторе:
.(4.5)
Перепишем выражение (4.5) в следующем виде:
.(4.6)
Выражение (4.6) есть ни что иное как уравнение прямой (в данном случае ток Iкo является функцией аргумента Uкэо), которая называется нагрузочной прямой по постоянному току. В пределах этой прямой и будет изменяться рабочая точка.
Для проведения прямой выберем две точки с координатами (Еп,0) и (0,Iкmax):

В сигнальном режиме строится нагрузочная прямая по переменному току. Для построения данной прямой зададимся некоторым приращением тока и соответствующим приращением напряжения, учитывая, что в данном случае сопротивление нагрузки будет определяться выражением (4.1):
.(4.7)
Для упрощения расчетов примем
. Тогда после подстановки в выражение (4.7) числовых значений получаем:
![]()
Нагрузочные прямые по постоянному и переменному токам представлены на рисунке 4.2.

Рисунок 4.2 – Нагрузочные прямые для резистивного каскада
Мощности, рассеиваемая на транзисторе, потребляемая каскадом и выходная, определяются согласно следующим выражениям:
,(4.8)
,(4.9)
.(4.10)
По формулам (4.8), (4.9) и (4.10) вычисляем соответствующие мощности:

Коэффициент полезного действия (КПД) рассчитывается по формуле
(4.11)
Подставляя в (4.11) числовые значения, получаем:

4.1.2 Расчет рабочей точки для дроссельного каскада
В отличие от предыдущего каскада дроссельный имеет в цепи коллектора вместо сопротивления Rк дроссель Lдр.
Принципиальная схема дроссельного каскада и эквивалентная схема по переменному току представлены на рисунках 4.3,а и 4.3,б соответственно.
![]() |
![]() |
| Рисунок 4.3,а- Принципиальная схема дроссельного каскада | Рисунок 4.3,б- Эквивалентная схема по переменному току |
Поскольку для сигнала дроссель является холостым ходом, то в данном случае сопротивление нагрузки по переменному току будет равно сопротивлению нагрузки:
![]()
Расчет рабочей точки производится по тем же выражениям, что и для предыдущего каскада.
По формуле (4.2) рассчитаем выходной ток:

Тогда согласно выражениям (4.3) и (4.4) рабочая точка будет иметь следующие координаты:

Так как дроссель по постоянному току является короткозамкнутым проводником, то напряжение питания будет равным падению напряжения на транзисторе:
![]()
Таким образом получаем все необходимые данные для построения нагрузочной прямой по постоянному току.
Для построения нагрузочной прямой по переменному току примем приращение коллекторного тока равным току в рабочей точке:
![]()
Тогда согласно выражению (4.7) соответствующее приращение напряжения будет равно:
![]()
Нагрузочные прямые по постоянному и переменному токам представлены на рисунке 4.4.

Рисунок 4.4- Нагрузочные прямые для дроссельного каскада
Мощности, рассеиваемая на транзисторе, потребляемая каскадом и выходная, аналогично определяются по выражениям (4.8), (4.9) и (4.10):

Видно, что мощность рассеивания равна потребляемой.
По формуле (4.11) рассчитаем КПД дроссельного каскада:

Проведем сравнительный анализ двух схем. Энергетические характеристики резистивного и дроссельного каскадов представлены в таблице 4.1.
| Параметр | Еп, В | Ррас, Вт | Рпот, Вт | Iко, мА | Uкэо, В | h, % |
| Резистивный каскад | 26.6 | 3.168 | 9.363 | 352 | 9 | 13.7 |
| Дроссельный каскад | 9 | 1.584 | 1.584 | 176 | 9 | 40.4 |
Таблица 4.1 – Энергетические характеристики резистивного и дроссельного каскадов
Сравнивая энергетические характеристики двух каскадов, можно сделать вывод, что лучше взять дроссельный каскад, так как он имеет наименьшее потребление, напряжение питания и ток, а также более высокий КПД.
4.2 Выбор транзистора выходного каскада
Выбор транзистора осуществляется по следующим предельным параметрам:
предельный допустимый ток коллектора
;(4.12)
предельное допустимое напряжение коллектор-эмиттер
(4.13)
предельная мощность, рассеиваемая на коллекторе
;(4.14)
граничная частота усиления транзистора по току в схеме с ОЭ
.(4.15)
Требованиям (4.12), (4.13), (4.14) и (4.15) удовлетворяет транзистор КТ911А [3]. Основные технические характеристики этого транзистора приведены ниже.
Электрические параметры:
-граничная частота коэффициента передачи тока в схеме с ОЭ
МГц;
-статический коэффициент передачи тока в схеме с ОЭ
;
-постоянная времени цепи ОС при UКБ=10В, IЭ=30мА tОС=25пс
-емкость коллекторного перехода при
В
пФ.
Предельные эксплуатационные данные:
-постоянное напряжение коллектор-эмиттер
В;
-постоянный ток коллектора
мА;
-постоянная рассеиваемая мощность коллектора
Вт;
-температура перехода
.
4.3 Расчет эквивалентных схем транзистора
4.3.1 Расчет схемы Джиаколетто
Соотношения для расчёта усилительных каскадов основаны на использовании эквивалентной схемы транзистора, предложенной Джиаколетто, справедливой для области относительно низких частот [4].
Эквивалентная схема Джиаколетто представлена на рисунке 4.5.

Рисунок 4.5- Эквивалентная схема Джиаколетто
Зная паспортные данные транзистора, можно рассчитать элементы схемы, представленной на рисунке 4.5, согласно следующим формулам [4]:
Проводимость базы вычисляем по формуле
(4.16)
где Ск - ёмкость коллекторного перехода;
- постоянная времени цепи обратной связи. (паспортные данные, в дальнейшем - *)
В справочной литературе значения
и
часто приводятся измеренными при различных значениях напряжения коллектор-эмиттер
. Поэтому при расчетах
значение
следует пересчитать по формуле
(4.17,а)
где
- напряжение
, при котором производилось измерение
;
- напряжение
, при котором производилось измерение
.
Также следует пересчитать ёмкость коллекторного перехода для напряжения коллектор-эмиттер, равному напряжению в рабочей точке:
(4.17,б)
Сопротивление эмиттерного перехода рассчитывается по формуле
(4.18)
где Iко - ток в рабочей точке в миллиамперах;
а=3 – для планарных кремниевых транзисторов,
а=4 – для остальных транзисторов.
Проводимость перехода база-эмиттер рассчитывается по формуле
(4.19)
где
- сопротивление эмиттерного перехода;
- статический коэффициент передачи тока в схеме с ОЭ (*).
Ёмкость эмиттера рассчитывается по формуле
(4.20)
где fт – граничная частота коэффициента усиления тока базы (*).
Крутизна внутреннего источника рассчитывается по формуле
(4.21)
где
- статический коэффициент передачи тока в схеме с ОБ.
(4.22)
Проводимости gБК и gi оказываются много меньше проводимости нагрузки усилительных каскадов, в расчётах они обычно не учитываются.
Подставляя численные значения, по формулам (4.16) ¸ (4.22) проводим расчёт элементов схемы.
По формулам (4.17а) и (4.17б) пересчитаем ёмкость коллектора для напряжения, при котором измерена постоянная времени цепи обратной связи, а также для напряжения, равного напряжению в рабочей точке:
По формуле (4.16) производим расчет проводимости базы:

По формуле (4.18) производим расчет сопротивления эмиттерного перехода:

Проводимость база-эмиттер вычисляем согласно формуле (4.19):

По формуле (4.20) рассчитываем ёмкость эмиттера:
Крутизну внутреннего источника вычисляем по формулам (4.21) и (4.22):

4.3.2 Расчет высокочастотной однонаправленной модели
Однонаправленная модель справедлива в области частот более
, где
=
(
- граничная частота коэффициента передачи тока,
- статический коэффициент передачи тока в схеме с общим эмиттером) [4].
Однонаправленная модель транзистора представлена на рисунке 4.6.

Рисунок 4.6 – Однонаправленная модель транзистора
Элементы схемы замещения, приведенной на рисунке 4.6, могут быть рассчитаны по следующим эмпирическим формулам [4].
Входное сопротивление:
(4.24)
где
- сопротивление базы в схеме Джиаколетто (см. рисунок.4.5).

Выходное сопротивление:
(4.25)
где UКЭМАХ – предельное значение напряжения коллектор-эмиттер (*);
IКМАХ – предельное значение постоянного тока коллектора (*).
Подставляя в выражение (4.25) числовые значения, получаем:

Выходная ёмкость:
(4.26)
где СК – ёмкость коллектора, рассчитанная в соответствии с формулой
(4.17,б)
![]()
4.4 Расчет цепей термостабилизации
Существует несколько видов схем термостабилизации [5,6]. Использование этих схем зависит от мощности каскада и требований к термостабильности. В данной работе рассмотрены следующие три схемы термостабилизации: эмиттерная, пассивная коллекторная, активная коллекторная. Необходимо сравнить эффективность использования данных схем.
4.4.1 Эмиттерная термостабилизация
Рассмотрим эмиттерную термостабилизацию, схема которой приведена на рисунке 4.7. Метод расчёта и анализа эмиттерной термостабилизации подробно описан в [5,6].

Рисунок 4.7 – Схема эмиттерной термостабилизации
Расчет номиналов элементов осуществляется по известной методике, исходя из заданной рабочей точки.
Рабочая точка достаточно жестко стабилизирована, если
(4.27)
Номинал резистора RЭ находится по закону Ома:
(4.28)
Емкость СЭ позволяет всему сигналу от генератора выделяться на транзисторе. Номинал рассчитывается по формуле:
.(4.29)
Напряжение источника питания будет составлять сумму падений напряжений на транзисторе и резисторе в цепи эмиттера:
(4.30)
Базовый ток в
раз меньше тока коллектора:
(4.31)
Выбор тока делителя осуществляется следующим образом:
(4.32)
Расчет номиналов резисторов базового делителя производим по формулам:
(4.33)
(4.34)
Принимая
и
, согласно выражениям (4.27) – (4.34) производим численный расчет:

Также проведем расчет мощности, рассеиваемой на резисторе RЭ.
![]()
4.4.2 Пассивная коллекторная термостабилизация
Этот вид термостабилизации [5,6] применяется в маломощных каскадах и менее эффективен, чем две другие, потому что напряжение отрицательной обратной связи, регулирующее ток через транзистор подаётся на базу.
Схема каскада с использованием пассивной коллекторной термостабилизации представлена на рисунке 4.8:

Рисунок 4.8 – Схема пассивной коллекторной термостабилизации
Расчет начинают с того, что выбирается напряжение на резисторе Rk:
(4.35)
Номинал резистора RК находится по закону Ома:
(4.36)
Напряжение источника питания будет составлять сумму падений напряжений на транзисторе и резисторе Rk:
(4.37)
Базовый ток в
раз меньше тока коллектора:
(4.38)
Расчет номинала резистора Rб производится по формуле:
(4.39)
Принимая
, согласно выражениям (4.35) – (4.39) производим численный расчет:

Рассеиваемая на резисторе Rk мощность при такой термостабилизации находится по формуле:
(4.40)
![]()
4.4.3 Активная коллекторная термостабилизация
В активной коллекторной термостабилизации используется дополнительный транзистор, который управляет работой основного транзистора. Эта схема применяется в мощных каскадах, где требуется высокий КПД [5,6].
Схема каскада с использованием активной коллекторной термостабилизации представлена на рисунке 4.9.

Рисунок 4.9 – Схема активной коллекторной термостабилизации
В качестве управляемого активного сопротивления выбран маломощный транзистор КТ361А (на рисунке 4.9 – VT1). Основные технические параметры данного транзистора приведены ниже [4].
Электрические параметры:
-статический коэффициент передачи тока в схеме с ОЭ
;
-емкость коллекторного перехода при
В
пФ.
Предельные эксплуатационные данные:
-постоянное напряжение коллектор-эмиттер
В;
-постоянный ток коллектора
мА;
-постоянная рассеиваемая мощность коллектора при Тк=298К
Вт.
При условии, что на резисторе R4 за счет протекания тока покоя транзистора VT2 выделяется напряжение UR4 более одного вольта, нестабильность этого тока в диапазоне изменения температуры от минус 60 до плюс 60 градусов не превышает 2%.
В данном случае примем напряжение UR4 равным 1.5 В.
Энергетический расчет схемы производится по следующим формулам:
Напряжение источника питания будет составлять сумму падений напряжений на транзисторе VT2 и резисторе R4 (рисунок 4.9):
(4.41)
Рабочая точка транзистора VT1 находится согласно следующим выражениям:
(4.42)
(4.43)
Базовый ток транзистора VT1 и ток делителя R1, R3 рассчитываются соответственно по формулам:
(4.44)
(4.45)
Мощности, рассеиваемые на транзисторе VT1 и на резисторе R4, находятся следующим образом:
(4.46)
(4.47)
Расчет номиналов схемы, представленной на рисунке 4.9, производится согласно следующим выражениям:
(4.48)
(4.49)
(4.50)
(4.51)
Подставляя в выражения (4.41) - (4.51) числовые значения, получаем:


Данная схема требует значительное количество дополнительных элементов, в том числе и активных. Если СБЛ утратит свои свойства, то каскад самовозбудится и будет не усиливать, а генерировать. Основываясь на проведённом выше анализе схем термостабилизации выберем эмитерную.
4.5 Расчет некорректированного каскада
4.5.1 Анализ каскада в области верхних частот
Принципиальная схема некорректированного усилительного каскада приведена на рисунке 4.10, а эквивалентная схема по переменному току - на рисунке 4.10,б.

Рисунок 4.10,а – Принципиальная схема некорректированного каскада

Рисунок 4.10,б – Эквивалентная схема по переменному току
В соответствии с [8] коэффициент усиления каскада в области верхних частот можно описать выражением:
(4.52)
где К0 – коэффициент усиления в области средних частот (где еще не возникают искажения);
- постоянная времени в области верхних частот.
Рассчитаем коэффициент усиления в области средних частот по формуле:
(4.53)
(4.54)
Крутизна S0 находится по формуле:
(4.55)
При подстановке числовых значений в формулы (4.53), (4.54) и (4.55) получаем:

Переведем полученный коэффициент усиления из разов в децибелы:
![]()
Коэффициент усиления некорректированного каскада получился больше заданного. Но подключение входной цепи (генератора) даст значительные искажения, что приведет к уменьшению коэффициента усиления. Таким образом, необходима коррекция.
Оценим искажения на частоте, соответствующей верхней границе полосы пропускания:
(4.56)
где постоянная времени в области верхних частот
рассчитывается по формуле
(4.57)
где
(4.58)
При подстановке числовых значений в формулы (4.56) - (4.58) получаем:


Переведем полученные искажения в области верхних частот из разов в децибелы:
![]()
Получается, что искажения в области верхних частот превышают заданный уровень искажений для одного каскада.
4.5.2 Расчет искажений, вносимых входной цепью
Схема входной цепи каскада по переменному току приведена на рисунке 4.12, где RГ - внутреннее сопротивление источника сигнала.

Рисунок 4.12 - Схема входной цепи некорректированного каскада
При условии аппроксимации входного сопротивления каскада параллельной RC-цепью, коэффициент передачи входной цепи в области верхних частот описывается выражением [5]:
(4.59)
где
, (4.60)
(4.61)
,(4.62)
.(4.63)
Подставляя в формулы (4.59) – (4.63) численные значения, получаем:

Оценим искажения, обусловленные наличием входной цепи, на частоте, соответствующей верхней границе полосы пропускания:
(4.64)

Переведем полученные искажения из разов в децибелы:
![]()
Рассчитаем, на какой верхней граничной частоте будут возникать допустимые искажения (0.5дБ) по формуле
(4.65)

Получается, что искажения, обусловленные наличием входной цепи, значительно превышают заданный уровень. Кроме того, некорректированный каскад не обеспечивает заданной полосы пропускания.
4.6 Расчет элементов эмиттерной коррекции
Принципиальная схема каскада с эмиттерной коррекцией приведена на рисунке 4.13а, эквивалентная схема по переменному току - на рисунке 4.13б, где R1, C1 – элементы коррекции. При отсутствии реактивности нагрузки эмиттерная коррекция вводится для коррекции искажений АЧХ вносимых транзистором, увеличивая амплитуду сигнала на переходе база-эмиттер с ростом частоты усиливаемого сигнала.

Рисунок 4.13а - Принципиальная схема каскада с эмиттерной коррекцией

Рисунок 4.13а - эквивалентная схема по переменному току
В соответствии с [8], коэффициент передачи каскада в области верхних частот, при выборе элементов коррекции
и
соответствующими оптимальной по Брауде форме АЧХ, описывается выражением:
,(4.66)
где
;
- нормированная частота;
;
;
;(4.67)
;(4.68)
- глубина ООС;(4.69)
;(4.70)
;(4.71)
.(4.72)
При заданном значении
, значение
определяется выражением:
.(4.73)
Подставляя известные
и
в (4.1) найдем:
,(4.74)
где
.
Входное сопротивление каскада с эмиттерной коррекцией может быть аппроксимировано параллельной RC-цепью [1]:
;(4.75)
.(4.76)
Используя данные, полученные при расчет схемы Джиаколетто, и формулы (4.67-4.76), рассчитаем полосу пропускания (верхнюю граничную частоту) усилителя, CВХ и RВХ .
Рассчитаем
,
,
,
,
каскада с эмиттерной коррекцией, схема которого приведена на рисунке 4.13, для нашего транзистора КТ911А (данные транзистора приведены в выше) и условий:
=0.5 дБ;
= 9; RH= 50 Ом.
По известным
,
и
из (4.67), (4.68) получим:
.
Подставляя
в (4.69) и (4.73) найдем
Ом;
.
Рассчитывая
по (4.72)
![]()
и подставляя в (4.70), (4.71) получим:
с;
Ф.
По известным
,
,
,
и
из (4.74) определим:
=539.4×106Гц=539.4МГц.
По формулам (4.75), (4.76) найдем
=52.5×10-12 Ф=52.5 пФ;
Ом-1.
5 Расчет входного каскада
5.1 Расчет рабочей точки
На высоких частотах дроссель в цепи коллектора начинает пропускать какую-то часть высокочастотного сигнала, поскольку возрастает роль паразитных параметров (межвитковых ёмкостей). В результате на внутреннем сопротивлении источника питания могут возникнуть высокочастотные пульсации. Если эти пульсации попадут на вход усилителя, то устройство может самовозбудиться. Для устранения паразитной обратной связи через источник питания вводят RC – фильтр [8].
Принципиальная схема входного каскада представлена на рисунке 6.1.

Рисунок 5.1 – Принципиальная схема входного каскада
Выберем падение напряжения на резисторе RФ равное 2.5В. Тогда напряжение в рабочей точке транзистора VT1 уменьшится на данную величину и будет равно
![]()
Ток в рабочей точке транзистора входного каскада рассчитаем по формуле (5.1):

5.2 Выбор транзистора входного каскада
Для расчета предоконечного каскада возьмем тот же транзистор КТ911А, что был выбран в пункте 4.2, так как он полностью удовлетворяет всем требованиям. Его основные параметры приведены там же.
5.3 Расчет эквивалентных схем транзистора
Поскольку ток в рабочей точке транзистора оконечного каскада имеет другое значение по сравнению с током в рабочей точке выходного каскада, то значения элементов схемы Джиаколетто тоже изменятся. По формулам (4.18) – (4.22) рассчитаем данные значения:
Расчет эквивалентных схем транзистора входного каскада производится по тем же формулам, которые представлены в пунктах 4.3.1 и 4.3.2. Схема Джиаколетто и эквивалентная схема замещения однонаправленной высокочастотной модели представлены на рисунках 4.5 и 4.6 соответственно.
- сопротивление базового перехода:
,
- емкость коллекторного перехода в рабочей точке:

- проводимость база-эмиттер:
,
- ёмкость эмиттерного перехода:
,
- выходное сопротивление транзистора:
.
Тогда
,

- входное сопротивление:
,
- выходная ёмкость:
,
- крутизна:
.
5.4 Расчет схемы термостабилизации
Как было сказано в пункте 4.4.3, для данного усилителя предпочтительней выбрать во всех каскадах эмиттерную термостабилизацию. Её схема представлена на рисунке 4.7. Расчёт производится аналогично расчёту выходного каскада. Отличием является лишь то, что коллекторный ток
будет иметь другое значение.
Принимая
и
, согласно выражениям (4.27) – (4.34) производим численный расчет:
напряжение питания:
![]()
базовый ток транзистора:
,
ток делителя:
,
резисторы базовых делителей и резистора в цепи эмиттера:
,
,
,
Емкость конденсатора в цепи эмиттера:

Также проведем расчет мощности, рассеиваемой на резисторе RЭ.
![]()
5.5 Расчет не корректированного каскада
В соответствии с [8] коэффициент усиления каскада в области верхних частот описывается выражением:
,
где
;(5.1)
;(5.2)
;(5.3)
;(5.4)
fB=
(5.5)
– входное сопротивление и входная емкость нагружающего каскада.
Значения
, входное сопротивление и входная емкость каскада рассчитываются по формулам (2.5), (2.6), (2.7).
По известным
и
из (2.8) получим:
;
.
По формуле (2.9) определим:
![]()
Подставляя известные
,
в соотношение (55) получим

Получается, что некорректированный входной каскад не обеспечивает нам требуемой полосы.
5.6 Расчет элементов эмиттерной коррекции

Рисунок 5.2 – Эквивалентная схема входного каскада по переменному току
В соответствии с [8], коэффициент передачи каскада в области верхних частот, при выборе элементов коррекции
и
соответствующими оптимальной по Брауде форме АЧХ, описывается выражением:
,(5.6)
где
;
- нормированная частота;
;
;
;(5.7)
;(5.8)
- глубина ООС;(5.9)
;(5.10)
;(5.11)
;(5.12)
;(5.13)
– входное сопротивление и емкость нагружающего каскада;
и
рассчитываются по (4.55) и (4.58) соответственно.
При заданном значении
, значение
определяется выражением:
,(5.14)
Подставляя известные
и
в (4.12) найдем:
,(5.15)
где
.
Входное сопротивление и входная емкость каскада рассчитываются по соотношениям (4.75) и (4.76).
Рассчитаем
,
,
,
,
каскада с эмиттерной коррекцией, схема которого приведена на рисунке 4.13, для нашего транзистора КТ911А (данные транзистора приведены в выше) и условий:
=0.5 дБ;
= 9; RЭКВ= RВХ=222.22 Ом, СН= СВХ=52.5пФ.

По известным
,
и
из (5.7), (5.8) получим:
.
Подставляя
в (5.9) найдем
Ом;
Рассчитывая
по (5.12)
![]()
и подставляя в (5.13), (5.14) получим:
;

с;
Ф.
По известным
,
,
,
и
из (15) определим:
=40.19×106Гц=40.19МГц.
По формулам (4.75), (4.76) найдем
=72.38×10-12 Ф=72.38 пФ;

5.7 Расчет искажений, вносимых входной цепью
Схема входной цепи каскада по переменному току приведена на рисунке 4.12, где Rг - внутреннее сопротивление источника сигнала.
Расчет ведется по формулам (4.59) – (4.63), приведенным в пункте 4.5.2.
Подставляя численные значения, получаем:

Оценим искажения, обусловленные наличием входной цепи, на частоте, соответствующей верхней границе полосы пропускания:


Переведем полученные искажения из разов в децибелы:
![]()
Рассчитаем, на какой верхней граничной частоте будут возникать допустимые искажения (2 дБ) по формуле 4.65


Получается, что искажения, обусловленные наличием входной цепи, удовлетворяют условию задания.
Анализируя все три каскада, можно сказать, что общий коэффициент усиления усилителя будет равен:
![]()
Выражая коэффициент усиления в децибелах, получаем:
![]()
Усилитель имеет запас по усилению 7.742дБ. Это нужно для того, чтобы в случае ухудшения усилительных свойств коэффициент передачи усилителя не опускался ниже заданного уровня, определённого техническим заданием.
6 Расчёт коллекторных дросселей и разделительных ёмкостей
Величина индуктивности дросселя выбирается таким образом, чтобы переменная составляющая коллекторного тока не ответвлялась в коллекторную цепь. Для этого величина реактивного сопротивления дросселя XL должна быть много больше сопротивления нагрузки:
,(6.1)
Дроссель, рассчитанный по формуле (6.1) для выходного каскада будет равен:

Для входного каскада в качестве нагрузочного сопротивления Rн в формуле (6.1) выступает входное сопротивление и сопротивления базовых делителей оконечного каскада:

В схеме усилителя на входе и на выходе каждого каскада ставится разделительный конденсатор для развязки каскадов по постоянному току.
Так как искажения на низких частотах в основном определяются разделительной емкостью, то искажения, приходящиеся на одну емкость равны отношению искажений на нижних частотах на число емкостей N усилителя. В результате искажения, приходящиеся на одну емкость равны:

Переводя искажения из децибел в разы, получаем:
![]()
Расчет τн производится по формуле [3]:
![]()
(6.2)
где fН - нижняя частота
- нормировае исканныжения в разах.
Номиналы разделительных емкостей можно определить из соотношения:
, где(6.3)
и
– эквивалентные сопротивления, стоящие слева и справа от разделительного конденсатора соответственно.
.
Проведем расчет для разделительных конденсаторов.
-
, при
, RП=100;
-
, при
, где
- входное сопротивление и сопротивления базовых делителей оконечного каскада;
-
, при
, где
- входное сопротивление и сопротивления базовых делителей входного каскада;
Рассчитаем элементы RC-фильтра, служащего для устранения паразитной обратной связи через источник питания (пункт 6.1) по формулам
(6.4)
где все токи рассчитаны в пункте 4.4.1
При подстановке численных значений в формулы (7.4) получаем

Для уменьшения внутреннего сопротивления источника питания и сопротивления соединительных проводов (так как источник питания зачастую отделен от самого блока усилителя) параллельно включают конденсатор, сопротивление которого на нижней частоте диапазона много меньше внутреннего сопротивления источника питания. Ёмкость данного конденсатора рассчитаем по формуле
(6.5)
Полагая сопротивление источника RИСТ = 1Ом, по формуле (6.5) рассчитываем:

7 Амплитудно-частотная характеристика усилителя
В соответствии с [8], коэффициент передачи выходного каскада в области верхних частот, при выборе элементов коррекции
и
соответствующими оптимальной по Брауде форме АЧХ, описывается выражением:
,
где
;
- нормированная частота;
;
.
Коэффициент передачи предоконечного каскада в области верхних частот описывается выражением:
,
где
;
- нормированная частота;
;
;
;
– входное сопротивление и емкость нагружающего каскада;
При условии аппроксимации входного сопротивления каскада параллельной RC-цепью, коэффициент передачи входной цепи в области верхних частот описывается выражением [5]:

где
,
.
Таким образом, общий коэффициент передачи усилителя в области верхних частот будет равен:
![]()
Так как искажения на низких частотах в основном определяются разделительной емкостью, то искажения, приходящиеся на одну емкость равны:

τн для всех емкостей одинакова, поэтому общие искажения в области нижних частот будут равны:
![]()
Общий коэффициент передачи усилителя будет равен:
![]()
Нормированный график амплитудно-частотной характеристики усилителя представлен на рисунке 7.1
|
|
|
|
|

Рисунок 7.1 Нормированная АЧХ усилителя
8 Заключение
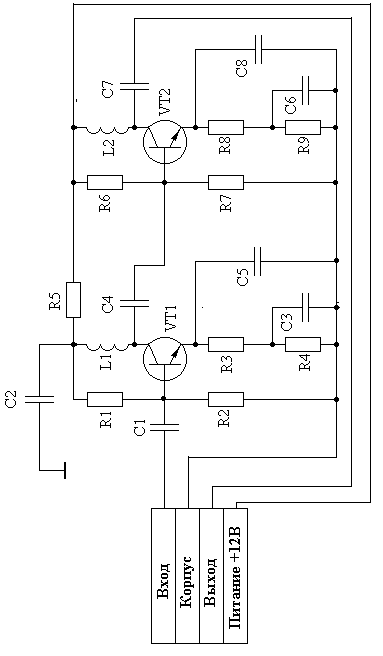
В результате выполненного курсового проекта получена схема электрическая принципиальная широкополосного усилителя. Известны топология элементов и их номиналы. Поставленная задача решена в полном объеме.
Рассчитанный усилитель имеет следующие технические характеристики:
1 Рабочая полоса частот: 0.8-35.4 МГц
2 Линейные искажения
-в области нижних частот не более 3 дБ
-в области верхних частот не более 1,5 дБ
3 Коэффициент усиления 37.742дБ
4 Амплитуда выходного напряжения Uвых=8В
5 Напряжение питания Eп=12В
6 Диапазон рабочих температур: от +10 до +40 градусов Цельсия
Список источников
1 Красько А.С. Проектирование аналоговых электронных устройств - Томск: ТУСУР, 2000.-29с.
2 Мамонкин И.Г. Усилительные устройства. Учебное пособие для вузов - М.: Связь. 1977 г.
3 Полупроводниковые приборы. Транзисторы средней и большой мощности. Справочник / А.А. Зайцев, А.И. Миркин; Под ред. А.В. Голомедова. – М.: Радио и связь,1989 – 640 с.
4 Расчет корректирующих цепей широкополосных усилительных каскадов на биполярных транзисторах./ Титов А.А –http://www.refe rat.ru/referats/015-0030.zip
5 Болтовский Ю.Г. Расчёт цепей термостабилизации электрического режима транзисторов. Методические указания. – Томск: ТИАСУР, 1981 г.
6 Широкополосные радиопередающие устройства / Под ред. О.В. Алексеева. - М.: Связь. 1978.
7 ГОСТ 2.755 – 74 и др. ЕСКД. Обозначения условные и графические в схемах.
8 Титов А.А. Расчет широкополосных усилителей на биполярных транзисторах/ Учебное пособие ,Томск: ТУСУР, 2002.
![]() |
|||||||||||
| РТФ КП 468714.001 ПЭЗ | |||||||||||
| Усилитель широкополосный | Лит. | Масса | Масштаб | ||||||||
| Изм | Лист | № докум. | Подп. | Дата | |||||||
| Разраб. | Сизиков | ||||||||||
| Проверил | Титов А.А. | ||||||||||
| Т. контроль | Лист 47 | Листов 48 | |||||||||
| Схема электрическая принципиальная | ТУСУР, РТФ, гр. 180 |
||||||||||
| Н. контроль | |||||||||||
| Утв. | |||||||||||
| Поз. Обозна-чение | Наименование |
Кол. |
Примечание |
|||||||||||
| Катушки индуктивности | ||||||||||||||
| L1 | Индуктивность 183.5мГн ±5% | 1 | ||||||||||||
| L2 | Индуктивность 199мГн ±5% | 1 | ||||||||||||
| Конденсаторы | ||||||||||||||
| С1 | КД-2-1.56нФ ±5% ОЖО.460.203 ТУ | 1 | ||||||||||||
| С2 | КД-2-260.8пФ ±5% ОЖО.460.203 ТУ | 1 | ||||||||||||
| С3 | КД-2-521.5пФ ±5% ОЖО.460.203 ТУ | 1 | ||||||||||||
| С4 | КД-2-3.9нФ ±5% ОЖО.460.203 ТУ | 1 | ||||||||||||
| С5 | КД-2-26нФ ±5% ОЖО.460.203 ТУ | 1 | ||||||||||||
| С6 | КД-2-23.7пФ ±5% ОЖО.460.203 ТУ | 1 | ||||||||||||
| С7 | КД-2-3.8нФ ±5% ОЖО.460.203 ТУ | 1 | ||||||||||||
| С8 | КД-2-227.5нФ ±5% ОЖО.460.203 ТУ | 1 | ||||||||||||
| Резисторы ГОСТ7113-77 | ||||||||||||||
| R1 | МЛТ – 0.125 – 1.19кОм ±10% | 1 | ||||||||||||
| R2 | МЛТ – 0.125 –757Ом ±10% | 1 | ||||||||||||
| R3 | МЛТ – 0.125 – 154Ом ±10% | 1 | ||||||||||||
| R4 | МЛТ – 0.125 – 23Ом ±10% | 1 | ||||||||||||
| R5 | МЛТ – 0.125 – 11Ом ±10% | 1 | ||||||||||||
| R6 | МЛТ – 0.125 –189Ом ±10% | 1 | ||||||||||||
| R7 | МЛТ – 0.125 – 84Ом ±10% | 1 | ||||||||||||
| R8 | МЛТ – 0.125 – 17Ом ±10% | 1 | ||||||||||||
| R9 | МЛТ – 0.125 –5Ом ±10% | 1 | ||||||||||||
| Транзисторы | ||||||||||||||
| VT1, VT2 | КТ911А аА о.339150ТУ | 2 | ||||||||||||
| РТФ КП 468714.001 ПЗ | ||||||||||||||
| Усилитель широкополосный | Лит. | Масса | Масштаб | |||||||||||
| Изм. | Лиcт. | № докум. | Подп. | Дата | ||||||||||
| Разработал | Сизиков | |||||||||||||
| Проверил | Титов А.А. | |||||||||||||
| Т. контроль | Лист 48 | Листов 48 | ||||||||||||
| Перечень элементов | ТУСУР, РТФ, гр. 180 |
|||||||||||||
| Н. контроль | ||||||||||||||
| Утв. | ||||||||||||||
| Поз. Обозна-чение | Наименование |
Кол. |
Примечание |
|||||||||||
| Катушки индуктивности | ||||||||||||||
| L1 | Индуктивность 183.5мГн ±5% | 1 | ||||||||||||
| L2 | Индуктивность 199мГн ±5% | 1 | ||||||||||||
| Конденсаторы | ||||||||||||||
| С1 | КД-2-1.56нФ ±5% ОЖО.460.203 ТУ | 1 | ||||||||||||
| С2 | КД-2-261пФ ±5% ОЖО.460.203 ТУ | 1 | ||||||||||||
| С3 | КД-2-26.1нФ ±5% ОЖО.460.203 ТУ | 1 | ||||||||||||
| С4 | КД-2-3.92нФ ±5% ОЖО.460.203 ТУ | 1 | ||||||||||||
| С5 | КД-2-523пФ ±5% ОЖО.460.203 ТУ | 1 | ||||||||||||
| С6 | КД-2-226нФ ±5% ОЖО.460.203 ТУ | 1 | ||||||||||||
| С7 | КД-2-3.79нФ ±5% ОЖО.460.203 ТУ | 1 | ||||||||||||
| С8 | КД-2-23.7пФ ±5% ОЖО.460.203 ТУ | 1 | ||||||||||||
| Резисторы ГОСТ7113-77 | ||||||||||||||
| R1 | МЛТ – 0.125 – 1.18кОм ±10% | 1 | ||||||||||||
| R2 | МЛТ – 0.125 –759Ом ±10% | 1 | ||||||||||||
| R3 | МЛТ – 0.125 –22.6Ом ±10% | 1 | ||||||||||||
| R4 | МЛТ – 0.125 – 130Ом ±10% | 1 | R4=Rтс VT 1 -R3 | |||||||||||
| R5 | МЛТ – 0.125 – 11Ом ±10% | 1 | ||||||||||||
| R6 | МЛТ – 0.125 –189Ом ±10% | 1 | ||||||||||||
| R7 | МЛТ – 0.125 – 83.5Ом ±10% | 1 | ||||||||||||
| R8 | МЛТ – 0.125 – 4.99Ом ±10% | 1 | ||||||||||||
| R9 | МЛТ – 0.125 –12Ом ±10% | 1 | R9=Rтс VT2 -R8 | |||||||||||
| Транзисторы | ||||||||||||||
| VT1, VT2 | КТ911А аА о.339150ТУ | 2 | ||||||||||||
| РТФ КП 468714.001 ПЭЗ | ||||||||||||||
| Усилитель широкополосный | Лит. | Масса | Масштаб | |||||||||||
| Изм. | Лиcт. | № докум. | Подп. | Дата | ||||||||||
| Разработал | Сизиков | |||||||||||||
| Проверил | Титов А.А. | |||||||||||||
| Т. контроль | Лист 48 | Листов 48 | ||||||||||||
| Перечень элементов | ТУСУР, РТФ, гр. 180 |
|||||||||||||
| Н. контроль | ||||||||||||||
| Утв. | ||||||||||||||



