| Скачать .docx |
Курсовая работа: Разработка структуры процессора на основе МПА с жесткой логикой
СОДЕРЖАНИЕ
ВВЕДЕНИЕ
1. Анализ задания и разработка структурной (функциональной) схемы процессора.
2. Общее описание принципа работы процессора.
3. Временные диаграммы, описывающие выполнение микроопераций для каждой команды.
4. Содержательный алгоритм микропрограммы.
5. Синтез управляющего автомата на основе жесткой логики.
6. Создание описания отдельных узлов процессора и всего процессора средствами Active HDL.
7. Тестирование процессора и подтверждение правильности его работы с помощью временных диаграмм.
ВЫВОДЫ
ВВЕДЕНИЕ
В данной работе разрабатывается модель процессора выполняющего набор машинных команд.
ЭВМ с хранимой программой (stored program electronic computer) может быть определена как машина, обрабатывающая данные в соответствии с заранее определенными правилами (инструкциями); при этом программа (набор инструкций) и данные находятся в памяти машины. Для загрузки программы и данных в память, а также для вывода результатов обработки из памяти необходим какой-либо способ связи с внешними объектами. Этой цели служат устройства ввода-вывода.
Устройство управления ЭВМ управляет работой всей машины в целом. Оно принимает управляющую информацию от памяти, о том, какие действия надо осуществить и где в памяти расположены данные, над которыми должны производиться эти действия. После того как устройство управления определит, какую именно команду необходимо исполнить, оно выдает управляющие сигналы, позволяющие открыть и закрыть соответствующие вентили по всей системе, в результате чего данные, представленные в виде электрических сигналов, смогут поступать от одного функционального устройства к другому в процессе исполнения операции, заданной выбранной командой. Как только ALU заканчивает выполнять свою часть в данной операции, устройство управления может выдать необходимую управляющую информацию, разрешающую передачу результатов обратно в память или направляющую эти результаты к какому-нибудь устройству вывода; это делается для того, чтобы зафиксировать результаты на другом носителе, например на диске. В конце исполнения команды устройство управления заставляет машину выбрать и декодировать следующую команду.
Таким образом, каждой машиной управляют последовательности команд программы, написанной для решения конкретной задачи. Каждая из этих команд представляет собой простое обращение к устройству управления, сделанное для того, чтобы привести в действие встроенные в машину функциональные узлы (сумматор, регистры, счетчики), а также открыть и закрыть определенные вентили в цепях передачи данных; коммутация этих вентилей позволяет вводить в элементарные арифметические и логические функциональные узлы требуемые операнды, причем ввод их осуществляется в определенном порядке и в рамках определенной последовательности машинных циклов.
Устройство управления данного процессора необходимо построить на жёсткой логике. Конкретизировав задачу, определим, что необходимо выбрать схему процессора, и схему управляющего устройства. В данной работе будет использована схема процессора с одной магистралью.
Команды закодированы максимально просто, и не требуют больших ресурсов для своего выполнения. В тоже время данная схема имеет сравнительно небольшое количество элементов.
1 АНАЛИЗ ЗАДАНИЯ И РАЗРАБОТКА СТРУКТУРНОЙ (ФУНКЦИОНАЛЬНОЙ) СХЕМЫ ПРОЦЕССОРА
Разработать структурную схему процессора (операционного и управляющего автоматов) для выполнения набора машинных команд. Создать описание процессора на языке VHDL, провести тестирование.
Управляющий автомат должен представлять собой устройство с хранимыми в памяти микропрограммами управления ходом выполнения машинных команд.
Использовать одномагистральную структуру.
Реализовать следующие команды для исполнения в системе:
1. JMP # ;Переход в указанную часть программы
2. MOV A, #d ;Загрузка в аккумулятор константы
3. MOV Rn, #d ;Загрузка в регистр константы
4. RL А ;Сдвиг аккумулятора влево циклический
Примечание :
- обозначения команд процессора соответствуют мнемокодам языка ассемблера МК51.
- команды, могут размещаться в памяти в любой последовательности;
- константа #d размещается в следующем по порядку байте после команды;
- n – номер регистра 0 , 1, 2, 3;
- bit – 7, 6, 5, 4, 3, 2, 1, 0.
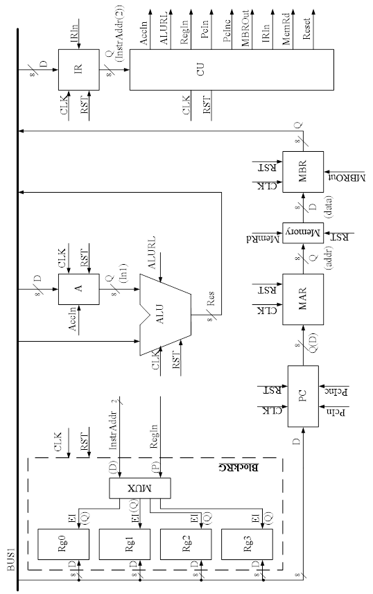
Структурная схема процессора показана на рис.1. В ней имеется двухвходовое АЛУ (хотя в этом нет необходимости в данном случае, однако это сделано для обеспечения универсальности данного устройства). Имеется банк из 4-х регистров общего назначения (РОН) R0-R3, которые работают только на запись в них, поскольку при настраивании их работы на чтение из них значительно усложнится общая структура автомата, возможно даже будет не возможно создать на одномагистральной шине.
В наличии блок интерпретации кода операции, построенный на счетчике шагов, а также на декодере инструкции и шифраторе, выдающий управляющие сигналы (AccIn, ALURL, RegIn, PCIn, PCInc, MBROut, IRIn, MemRd, Reset).
Все регистры являются 8-разрядными, таким образом, шина также будет 8-разрядной.

Рис. 1. Структурная схема процессора
2 ОБЩЕЕ ОПИСАНИЕ ПРИНЦИПА РАБОТЫ ПРОЦЕССОРА
Данный процессор с одномагистральной структурой выполняет указанный в задании набор команд.
К недостаткам такой схемы можно отнести низкую по сравнению с многошинными процессорами производительность, так как и для адресации и для передачи данных используется единственная шина. Но в данном случае адресация производится по содержимому программного счетчика, и по шине будет производиться только передача данных. Поэтому производительность такой системы будет не ниже, чем у многошинной.
На рис. 1 показана структурная схема процессора с одной магистралью.
Следует привести некоторые пояснения к этой схеме. Блок «Memory» содержит последовательность команд, которые принадлежат набору команд, приведенному в предыдущем разделе. Выполнение каких либо других команд не данном процессоре будет невозможно. Выборка команд из памяти производится следующим образом: адрес команды, содержащийся в программном счетчике, записывается в регистр адреса, а затем выдается на адресные входы блока памяти, что сопровождается выдачей управляющим устройством сигнала чтения из памяти. Данные из памяти считываются буферный регистр. После того, как выбранная из памяти команда попадает в буферный регистр, она выдается на внутрипроцессорную шину, откуда она записывается в регистр команд (IR). На этом выборка команды заканчивается. Эту последовательность действий принято называть фазой извлечения команды (Fetch).
Итак, после окончания фазы извлечения команды начинается фаза интерпретации команды. В зависимости от команды эта фаза может представлять собой, например, извлечение из памяти константы, необходимой для выполнения команды, сдвиг аккумулятора и т. д. В конце этой фазы процессор готов к выполнению команды. На этом начинается фаза выполнения.
Алгоритм выполнения команды в общем случае состоит из таких фаз:
1. Выборка команды
2. Интерпретация команды
3. Формирование адреса из команды
4. Выполнение команды
3 ВРЕМЕННЫЕ ДИАГРАММЫ, ОПИСЫВАЮЩИЕ ВЫПОЛНЕНИЕ МИКРООПЕРАЦИЙ ДЛЯ КАЖДОЙ КОМАНДЫ
Разработаем формат команды, способный закодировать операции:
| Код операции |
Номер РОН |
Не используются |
|||||
| 7 |
6 |
5 |
4 |
3 |
2 |
1 |
0 |
Пронумеруем операции процессора:
| Код операции |
Команды |
|
| 0 |
0 |
Jmp # |
| 0 |
1 |
Mov A,# |
| 1 |
0 |
Mov Rn,# |
| 1 |
1 |
Rl A |
Временная диаграмма микроопераций выполнения команды JMP #d:

Временная диаграмма микроопераций выполнения команды MOV A, #d:

Временная диаграмма микроопераций выполнения команды MOV Rn, #d:

Временная диаграмма микроопераций выполнения команды RL A:

4 СОДЕРЖАТЕЛЬНЫЙ АЛГОРИТМ МИКРОПРОГРАММЫ
Опишем основные алгоритмы выполнения команд в процессоре по тактам с краткими пояснениями к каждой из них:
Переход в заданную часть кода (JMP #d)
1 MemRd, PCInc (чтение из памяти, инкремент программного счетчика)
2 MBROut, IRIn (загрузка из MBR, загрузка следующей команды)
3 MemRd, PCInc (чтение из памяти, инкремент программного счетчика)
4 MBROut, PCIn (загрузка из MBR)
5 Reset (сброс)
Загрузка константы в аккумулятор (MOV A, #d)
1 MemRd, PCInc (чтение из памяти, инкремент программного счетчика)
2 MBROut, IRIn (загрузка из MBR, загрузка следующей команды)
3 MemRd, PCInc (чтение из памяти, инкремент программного счетчика)
4 MBROut, AccIn, Reset (загрузка из MBR, загрузка в аккумулятор, сброс)
Загрузка константы в РОН (MOV Rn, #d)
1 MemRd, PCInc (чтение из памяти, инкремент программного счетчика)
2 MBROut, IRIn (загрузка из MBR, загрузка следующей команды)
3 MemRd, PCInc (чтение из памяти, инкремент программного счетчика)
4 MBROut, RegIn, Reset (загрузка из MBR, загрузка в РОН, сброс)
Сдвиг аккумулятора влево циклический (RL A)
1 MemRd, PCInc (чтение из памяти, инкремент программного счетчика)
2 MBROut, IRIn (загрузка из MBR, загрузка следующей команды)
3 MemRd, PCInc (чтение из памяти, инкремент программного счетчика)
4 MBROut (загрузка из MBR)
5 ALUOP, AccIn, Reset (выполнение операции, загрузка результата в аккумулятор, сброс)
5 СИНТЕЗ УПРАВЛЯЮЩЕГО АВТОМАТА НА ОСНОВЕ ЖЕСТКОЙ ЛОГИКИ
Структурная схема управляющего автомата на основе жесткой логики показана на рис. 2.

Рис. 2. Структурная схема управляющего автомата на основе жесткой логики
Ниже записаны выражения для выходных сигналов шифратора:
MemRd<='1' when c="00000001" or c="00000100" else '0' after 5ns;
PCInc<='1' when c="00000001" or c="00000100" else '0' after 5ns;
MBROut<='1' when c="00000010" or c="00001000" else '0' after 5ns;
IrIn<='1' when c="00000010" else '0' after 5ns;
PCIn<='1' when c="00001000" and i="0001" else '0' after 5ns;
AccIn<='1' when (c="00001000" and i="0010") or (c="00010000" and i="1000") else '0' after 5ns;
RegIn<='1' when c="00001000" and i="0100" else '0' after 5ns;
ALURL<='1' when c="00010000" and i="1000" else '0' after 5ns;
Reset<='1' when (c="00010000" and i="0001") or (c="00010000" and i="1000")
or (c="00001000" and i="0010")or (c="00001000" and i="0100") else '0' after 5ns;
6 СОЗДАНИЕ ОПИСАНИЯ ОТДЕЛЬНЫХ УЗЛОВ ПРОЦЕССОРА И ВСЕГО ПРОЦЕССОРА СРЕДСТВАМИ ACTIVE HDL
Описание регистров, счетчика, мультиплексора и декодера:
library ieee;
use ieee.std_logic_1164.all;
entity MAR is
port(D: in std_logic_vector(7 downto 0);
Q: out std_logic_vector(7 downto 0);
RST: in std_logic;
Clk: in std_logic);
end MAR;
architecture MAR of MAR is
signal master, slave: std_logic_vector(7 downto 0);
begin
Q<=slave;
process(D,RST,Clk)
begin
if Clk='0' then
if RST='1'then master<=(others => '0') after 2ns;
else master<=D after 2ns;
end if;
end if;
end process;
process(master,Clk)
begin
if Clk='1'then slave<=master after 2ns;
end if;
end process;
end architecture MAR;
----------------------------------------------------------------------------------
library ieee;
use ieee.std_logic_1164.all;
entity REGI is
port(D: in std_logic_vector(7 downto 0);
Q: out std_logic_vector(7 downto 0);
EI: in std_logic;
RST: in std_logic;
Clk: in std_logic);
end REGI;
architecture REGI of REGI is
signal master, slave: std_logic_vector(7 downto 0);
begin
Q<=slave;
process(D,RST,Clk,EI)
begin
if Clk='0'then
if RST='1' then master<=(others => '0') after 2ns;
elsif EI='1' then master<=D after 2ns;
end if;
end if;
end process;
process(master,Clk)
begin
if Clk='1'then slave<=master after 2ns;
end if;
end process;
end architecture REGI;
----------------------------------------------------------------------------------
library ieee;
use ieee.std_logic_1164.all;
entity MBR is
port(D: in std_logic_vector(7 downto 0);
Q: out std_logic_vector(7 downto 0);
EO: in std_logic;
RST: in std_logic;
Clk: in std_logic);
end MBR;
architecture MBR of MBR is
signal master, slave: std_logic_vector(7 downto 0);
begin
process(D,RST,Clk)
begin
if Clk='0'then
if RST='1' then master<=(others => '0') after 2ns;
else master<=D after 2ns;
end if;
end if;
end process;
process(master,Clk)
begin
if Clk='1'then slave<=master after 2ns;
end if;
end process;
process(slave,EO)
begin
if EO='1'then Q<=slave;
else Q<=(others => 'Z');
end if;
end process;
end architecture MBR;
----------------------------------------------------------------------------------
library ieee;
use ieee.std_logic_1164.all;
use ieee.std_logic_unsigned.all;
entity Counter is
port(Q: out std_logic_vector(2 downto 0);
RST: in std_logic;
Clk: in std_logic);
end Counter;
architecture Counter of Counter is
signal master, slave, slave_inc: std_logic_vector(2 downto 0);
begin
Q<=slave;
slave_inc<=slave+1 after 2ns;
process(slave_inc,RST,Clk)
begin
if Clk='0'then
if RST='1'then master<=(others => '0') after 2ns;
else master<=slave_inc after 2ns;
end if;
end if;
end process;
process(master,Clk)
begin
if Clk='1' then slave<=master after 2ns;
end if;
end process;
end Counter;
----------------------------------------------------------------------------------
library ieee;
use ieee.std_logic_1164.all;
use ieee.std_logic_unsigned.all;
entity PC is
port(D: in std_logic_vector(7 downto 0);
Q: out std_logic_vector(7 downto 0);
EI: in std_logic;
Inc: in std_logic;
RST: in std_logic;
Clk: in std_logic);
end PC;
architecture PC of PC is
signal master, slave, slave_inc: std_logic_vector(7 downto 0);
begin
Q<=slave;
slave_inc<=slave+1 after 2ns;
process(D,RST,Clk,EI,Inc,slave_inc)
begin
if Clk='0' then
if RST='1' then master<=(others => '0') after 2ns;
elsif EI='1' then master<=D after 2ns;
elsif Inc='1' then master<=slave_inc after 2ns;
end if;
end if;
end process;
process(master,Clk)
begin
if Clk='1'then slave<=master after 2ns;
end if;
end process;
end PC;
----------------------------------------------------------------------------------
library ieee;
use ieee.std_logic_1164.all;
use ieee.std_logic_unsigned.all;
entity Decoder is
generic(n: integer:=2);
port(D: in std_logic_vector(n-1 downto 0);
Q: out std_logic_vector((2**n)-1 downto 0));
end Decoder;
architecture Decoder of Decoder is
begin
process(D)
variable i:integer;
variable s:bit_vector((2**n)-1 downto 0);
begin
s:=(0 => '1', others => '0');
i:=conv_integer(D);
s:=s rol i;
for ind in 2**n-1 downto 0 loop
if s(ind)='0' then Q(ind)<='0' after 2ns;
else Q(ind)<='1' after 2ns;
end if;
end loop;
end process;
end architecture;
----------------------------------------------------------------------------------
library ieee;
use ieee.std_logic_1164.all;
use ieee.std_logic_unsigned.all;
entity MUX is
port(D: in std_logic_vector(1 downto 0);
P: in std_logic;
Q: out std_logic_vector(3 downto 0));
end MUX;
architecture MUX of MUX is
begin
process(D,P)
variable i:integer;
variable s:bit_vector(3 downto 0);
begin
s:=(0 => '1', others => '0');
i:=conv_integer(D);
s:=s rol i;
for ind in 3 downto 0 loop
if s(ind)='0' then Q(ind)<='0' after 2ns;
else Q(ind)<=P after 2ns;
end if;
end loop;
end process;
end architecture MUX;
----------------------------------------------------------------------------------
Описание блока РОН:
library ieee;
use ieee.std_logic_1164.all;
entity BlockRG is
port(D: in std_logic_vector(7 downto 0);
Addr: in std_logic_vector(1 downto 0);
EI: in std_logic;
RST: in std_logic;
Clk: in std_logic);
end BlockRG;
architecture BlockRG of BlockRG is
signal Enable: std_logic_vector(3 downto 0);
component REGI is
port(D: in std_logic_vector(7 downto 0);
Q: out std_logic_vector(7 downto 0);
EI: in std_logic;
RST: in std_logic;
Clk: in std_logic);
end component REGI;
component MUX is
port(D: in std_logic_vector(1 downto 0);
P: in std_logic;
Q: out std_logic_vector(3 downto 0));
end component MUX;
begin
Registers: for i in 3 downto 0 generate
Reg: REGI port map(D=>D,Q=>open,EI=>Enable(i),RST=>RST,Clk=>Clk);
end generate;
Switch: MUX port map(D=>Addr,P=>EI,Q=>Enable);
end BlockRG;
Описание узла АЛУ:
library ieee;
use ieee.std_logic_1164.all;
entity ALU is
port(In1: in std_logic_vector(7 downto 0);
OP: in std_logic;
Res: out std_logic_vector(7 downto 0);
RST: in std_logic;
Clk: in std_logic);
end ALU;
architecture ALU of ALU is
signal RL :std_logic_vector(7 downto 0);
component MBR is
port(D: in std_logic_vector(7 downto 0);
Q: out std_logic_vector(7 downto 0);
EO: in std_logic;
RST: in std_logic;
Clk: in std_logic);
end component;
begin
DD0:for i in 7 downto 1 generate
RL(i)<=In1(i-1);
end generate;
RL(0) <= In1(7) after 10ns;
BUFF: MBR port map(D=>RL,Q=>Res,EO=>OP,RST=>RST,Clk=>Clk);
end architecture;
Временная диаграмма АЛУ:

Как видно из диаграммы общая задержка на этом узле 14,5 ns.
Описание узла памяти Memory:
library IEEE;
use IEEE.std_logic_1164.all;
use ieee.std_logic_unsigned.all;
entity Memory is
generic(file_name: string:= "MEM.DAT");
port (addr: in std_logic_vector(7 downto 0);
data: out std_logic_vector(7 downto 0);
rd: in std_logic;
ld: in std_logic);
end Memory;
architecture Memory of Memory is
type t_rom_data is array (15 downto 0) of std_logic_vector(7 downto 0);
type rom_file_type is file of character;
file rom_file: rom_file_type;
signal rom_data: t_rom_data;
begin
process(addr,rd)
variable i: natural;
begin
if rd = '1' then
i := conv_integer(addr);
data <= rom_data(i) after 5ns;
else
data <= (others => 'Z');
end if;
end process;
process(ld)
variable c: character;
begin
if ld='1' then file_open(rom_file,file_name,read_mode);
for i in 0 to 15 loop
for b in 7 downto 0 loop
c:='U';
if not(endfile(rom_file)) then read(rom_file,c);
while not(endfile(rom_file)) and c/='0' and c/='1' and c/='Z' and c/='W'
and c/='L' and c/='H' and c/='-' and c/='X' and c/='U' loop
read(rom_file,c);
end loop;
end if;
if c='0' then rom_data(i)(b) <= '0';
elsif c='1' then rom_data(i)(b) <='1';
elsif c='Z' then rom_data(i)(b) <='Z';
elsif c='W' then rom_data(i)(b) <='W';
elsif c='L' then rom_data(i)(b) <='L';
elsif c='H' then rom_data(i)(b) <='H';
elsif c='-' then rom_data(i)(b) <='-';
elsif c='X' then rom_data(i)(b) <='X';
else rom_data(i)(b) <='U';
end if;
end loop;
end loop;
file_close(rom_file);
end if;
end process;
end Memory;
Временная диаграмма работы памяти:

Описание блока управления:
library ieee;
use ieee.std_logic_1164.all;
entity CU is
port(Instr: in std_logic_vector(1 downto 0);
AccIn: out std_logic;
ALURL: out std_logic;
RegIn: out std_logic;
PCIn: out std_logic;
PCInc: out std_logic;
MBROut: out std_logic;
IRIn: out std_logic;
MEMRd: out std_logic;
Reset: inout std_logic;
RST: in std_logic;
Clk: in std_logic);
end CU;
architecture CU of CU is
signal R: std_logic;
signal InstrDecoded,i: std_logic_vector(3 downto 0);
signal CounterPacked: std_logic_vector(2 downto 0);
signal CounterDecoded,c: std_logic_vector(7 downto 0);
component Counter is
port(Q: out std_logic_vector(2 downto 0);
RST: in std_logic;
Clk: in std_logic);
end component;
component Decoder is
generic(n: integer:=2);
port(D: in std_logic_vector(n-1 downto 0);
Q: out std_logic_vector((2**n)-1 downto 0));
end component;
begin
DD0: Counter port map(Q=>CounterPacked,RST=>R,Clk=>Clk);
InstrDecoder: Decoder generic map(2)port map(D=>Instr,Q=>InstrDecoded);
CounterDecoder: Decoder generic map(3)port map(D=>CounterPacked,Q=>CounterDecoded);
c<=CounterDecoded;
i<=InstrDecoded;
MemRd<='1' when c="00000001" or c="00000100" else '0' after 5ns;
PCInc<='1' when c="00000001" or c="00000100" else '0' after 5ns;
MBROut<='1' when c="00000010" or c="00001000" else '0' after 5ns;
IrIn<='1' when c="00000010" else '0' after 5ns;
PCIn<='1' when c="00001000" and i="0001" else '0' after 5ns;
AccIn<='1' when (c="00001000" and i="0010") or (c="00010000" and i="1000") else '0' after 5ns;
RegIn<='1' when c="00001000" and i="0100" else '0' after 5ns;
ALURL<='1' when c="00010000" and i="1000" else '0' after 5ns;
Reset<='1' when (c="00010000" and i="0001") or (c="00010000" and i="1000")
or (c="00001000" and i="0010")or (c="00001000" and i="0100") else '0' after 5ns;
R<=RST or Reset;
end architecture;
7 ТЕСТИРОВАНИЕ ПРОЦЕССОРА И ПОДТВЕРЖДЕНИЕ ПРАВИЛЬНОСТИ ЕГО РАБОТЫ С ПОМОЩЬЮ ВРЕМЕННЫХ ДИАГРАММ
Описание процессора:
library ieee;
use ieee.std_logic_1164.all;
entity CPU is
generic(file_name: string:=".\src\MEM.DAT");
port(RST: in std_logic;
Clk: in std_logic);
end entity;
architecture CPU of CPU is
-----------------------------------------------------------
component MAR is
port(D: in std_logic_vector(7 downto 0);
Q: out std_logic_vector(7 downto 0);
RST: in std_logic;
Clk: in std_logic);
end component;
-----------------------------------------------------------
component REGI is
port(D: in std_logic_vector(7 downto 0);
Q: out std_logic_vector(7 downto 0);
EI: in std_logic;
RST: in std_logic;
Clk: in std_logic);
end component;
------------------------------------------------------------
component MBR is
port(D: in std_logic_vector(7 downto 0);
Q: out std_logic_vector(7 downto 0);
EO: in std_logic;
RST: in std_logic;
Clk: in std_logic);
end component;
-------------------------------------------------------------
component PC is
port(D: in std_logic_vector(7 downto 0);
Q: out std_logic_vector(7 downto 0);
EI: in std_logic;
Inc: in std_logic;
RST: in std_logic;
Clk: in std_logic);
end component;
--------------------------------------------------------------
component ALU is
port(In1: in std_logic_vector(7 downto 0);
OP: in std_logic;
Res: out std_logic_vector(7 downto 0);
RST: in std_logic;
Clk: in std_logic);
end component;
---------------------------------------------------------------
component BlockRG is
port(D: in std_logic_vector(7 downto 0);
Addr: in std_logic_vector(1 downto 0);
EI: in std_logic;
RST: in std_logic;
Clk: in std_logic);
end component;
----------------------------------------------------------------
component Memory is
generic(file_name: string:= "MEM.DAT");
port (addr: in std_logic_vector(7 downto 0);
data: out std_logic_vector(7 downto 0);
rd: in std_logic;
ld: in std_logic);
end component;
-----------------------------------------------------------------
component CU is
port(Instr: in std_logic_vector(1 downto 0);
AccIn: out std_logic;
ALURL: out std_logic;
RegIn: out std_logic;
PCIn: out std_logic;
PCInc: out std_logic;
MBROut: out std_logic;
IRIn: out std_logic;
MEMRd: out std_logic;
Reset: inout std_logic;
RST: in std_logic;
Clk: in std_logic);
end component;
signal AccIn,ALURL,RegIn,PCIn,PCInc,MBROut,IRIn,MEMRd,Reset:std_logic;
signal Inst_Addr:std_logic_vector(7 downto 0);
signal mem_mbr,BUS1,pc_mar,mar_mem,acc_alu:std_logic_vector(7 downto 0);
begin
DD0: CU port map(Instr=> Inst_Addr(7 downto 6),AccIn=> AccIn,ALURL=> ALURL,
RegIn=> RegIn,PCIn=> PCIn,PCInc=> PCInc,MBROut=> MBROut,IRIn=> IRIn,
MEMRd=> MEMRd,Reset =>Reset,RST => RST, Clk => Clk);
DD1: ALU port map(In1=> acc_alu,OP=> ALURL,Res=> BUS1,RST=> RST,Clk => Clk);
DD2: Memory generic map(file_name)port map(addr => mar_mem,data => mem_mbr,rd=> MEMRd,ld=> RST);
DD3: BlockRG port map(D => BUS1,Addr=> Inst_Addr(5 downto 4),EI => RegIn,RST=> RST,Clk=> Clk);
IR: REGI port map(D => BUS1,Q=> Inst_Addr,EI=> IRIn,RST => RST, Clk => Clk);
DD4: MBR port map(D=> mem_mbr,Q=> BUS1,EO=> MBROut,RST => RST, Clk => Clk);
DD5: MAR port map(D => pc_mar,Q => mar_mem,RST => RST, Clk => Clk);
DD6: PC port map(D=> BUS1,Q => pc_mar,EI=> PCIn,Inc => PCInc,RST=> RST,Clk=> Clk);
ACC: REGI port map(D=> BUS1,Q=> acc_alu,EI=> AccIn,RST=> RST,Clk=> Clk);
end CPU;
Программа для проверки работоспособности процессора написана в отдельном файле Mem.dat, хранящемся на диске, и подгружается в память прямо в процессе работы средствами языка VHDL. Приведем пример тестовой программы и покажем результаты ее работы.
01.00.0000 11111111 ;mov a,#
10.00.0000 00000001 ;mov ro,#
10.01.0000 00000010 ;mov rl,#
10.10.0000 00000100 ;mov r2,#
10.11.0000 00001000 ;mov r3,#
01.00.0000 00000001 ;mov a,#
11.00.0000 00000000 ;rl a
00.00.0000 00001100 ;jmp #
Обработчик файла построен таким образом, что игнорируются все символы, не входящие в тип std_logic. Первый столбец, первые 2 бита – код команды, вторые 2 бита - номер РОН), второй столбец – операнды. В случае с командой сдвига содержимое поля операнда не имеет значения.
Загружается число в аккумулятор, затем в каждый из РОН, после чего производится очередная запись в аккумулятор и сдвиг его содержимого, искусственно зацикленный командой JMP.
Временная диаграмма работы процессора при заданной программе приведена на рис. 3, где data – данные из памяти. На рис. 4. можно увидеть задержки и определить временные характеристики работы процессора.


Рис. 3. Временная диаграмма работы процессора

Рис. 4. Временная диаграмма работы процессора
ВЫВОДЫ
При выполнении курсовой работы было произведено моделирование процессора с устройством управления на жёсткой логике, имеющего ряд специальных регистров, а также четыре регистра общего назначения. Тестовая программа была успешно выполнена, что вполне свидетельствует о его корректной работе.
Структурная схема, разработанная в этой работе, естественно, не является единственно возможной. Но на ее примере можно усвоить основные принципы построения цифровых вычислительных систем, такие как микропрограммное управление, совместное использование шин процессора различными устройствами со всеми вытекающими отсюда требованиями к организации работы этих устройств: синхронизации, сингулярности передач информации и другими.
Данная схема обладает одной магистралью, она достаточно проста в исполнении, хотя одномагистральная система не всегда позволяет просто реализовать некоторые операции, а именно такая система занимает намного меньше места на печатной плате чем двухмагистральная (и тем более трехмагистральная), что и дает ей преимущества при конструировании небольших устройств.
По диаграмме работы процессора видно, что выполнение команды пересылки занимает в среднем 100 ns, команда сдвига немного больше 125 ns. Полное выполнение всех команд производится за 1050 ns.