| Скачать .docx |
Реферат: Проблемно-ориентированные пакеты прикладных программ в радиотехнике
МОСКОВСКИЙ ГОСУДАРСТВЕННЫЙ ТЕХНИЧЕСКИЙ УНИВЕРСИТЕТ ГРАЖДАНСКОЙ АВИАЦИИ
Кафедра радиотехнических устройств
Контрольная работа № 1
«Проблемно-ориентированные пакеты прикладных программ в радиотехнике»
Москва 2009
Номер вопроса выбирается по последней цифре зачётной книжки: так как номер зачётной книжки РС-XXXX, то были выбраны первые вопросы из каждой темы.
Теоретические вопросы.
1. Какие программные средства применяются при проектировании радиотехнических устройств?
2. Каковы основные технические возможности программы MicrosoftWord?
3. Дайте сравнительные характеристики широко используемых программ математических расчётов.
4. Какие программы моделирования процессов в радиоэлектронных схемах вы знаете? Их краткая характеристика.
5. Какие программы сквозного проектирования радиотехнических устройств вы знаете?
6. Каково назначение элементов меню пиктограмм программы SystemView?
Практическое задание.
С помощью выбранной студентом прикладной программы нарисовать схему устройства, проектируемого по дисциплине «Схемотехника».
1. Какие программные средства применяются при проектировании радиотехнических устройств?
При проектировании радиотехнических устройств применяются следующие программные средства :
- текстовые редакторы и издательские системы : Microsoft Word, Adobe Pagemaker, Ms Publisher, Scientific Word, Ventura Publisher, Ami Pro идр.;
- переводчики и словари : PromtXTOffice, Stilus, Lingvo и др.;
- табличные процессоры : MicrosoftExcel, QuattroPro, Lotus 1-2-3 и др.;
- графические редакторы и графические системы : PaintBrush, AdobePhotoshop, CorelDraw, AutoCAD, Компас-3DLT, Bcad, MicrografixDesigner, VisioPro, 3DStudio, PicturePublisher, MicrostationCAD, SilverScreen и др.;
- математические программы : Mathcad, MathLab, Mathematica, Scientific Works Place, ASSO, MathPlot, Marple, Reduce, Statistica, Statgraphics Plus идр.;
- программы моделирования и оптимизации процессов в электронных схемах : PSpice, Design Center, Design Lab, B2 Spice A/D, Micro-Cap, LabView, Circuit Maker, Electronics Workbench, Multisim, Altera Max Plus, Microwawe Office идр.;
- программы моделирования и оптимизации процессов в радиотехнических системах : Dynamo, HyperSignalBlockDiagram, SystemView и др.;
- САПР по выполнению схем и разводке печатных плат: P-CAD, AccelEDA, Orcad, TangoPro, MaxRoute, VisualRoute, Specctra, Protel, TraxMaker и др.
Работа программ происходит в соответствии с определенными алгоритмами.
2. Каковы основные технические возможности программы Microsoft Word ?
Для работы с текстами на компьютере используются программные средства, называемые текстовыми редакторами . Существует большое количество разнообразных текстовых редакторов, различающихся по своим возможностям.
Основное назначение текстовых редакторов – создавать текстовые файлы, редактировать тексты, просматривать их на экране, изменять формат текстового документа, распечатывать его на принтере.MS-DOS Editor и Блокнот предназначены для обработки несложных текстовых файлов. Современные программы предусматривают множество дополнительных функций, позволяющих готовить текстовую часть документа на типографском уровне:
· форматирование символов и абзацев,
· оформление страниц,
· построение оглавлений и указателей,
· создание таблиц, проверка правописания и т. д.
Кроме того, современные программы позволяют включать в текст графические объекты: рисунки, диаграммы, фотографии.
Современный текстовый процессор Microsoft Word предназначен для создания, просмотра, модификации и печати текстовых документов, предусматривает выполнение операций над текстовой и графической информацией. С помощью Word можно быстро и с высоким качеством подготовить любой документ — от простой записки до оригинал-макета сложного издания.
1. Word дает возможность выполнять все без исключения традиционные операции над текстом, предусмотренные в современной компьютерной технологии:
2. — набор и модификация неформатированной алфавитно-цифровой информации;
3. — форматирование символов с применением множества шрифтов TrueType разнообразных начертаний и размеров;
4. — форматирование страниц (включая колонтитулы и сноски);
5. — форматирование документа в целом (автоматическое составление оглавления и разнообразных указателей);
6. — проверка правописания, подбор синонимов и автоматический перенос слов.
7. В процессоре Word реализованы возможности новейшей технологии связывания и внедрения объектов, которая позволяет включать в документ текстовые фрагменты, таблицы, иллюстрации, подготовленные в других приложениях Windows.
8. MS Word — одна из первых общедоступных программ, которая позволяет выполнять многие операции верстки, свойственные профессиональным издательским системам, и готовить полноценные оригинал-макеты для последующего тиражирования в типографии.
9. MS Word — это уникальная коллекция оригинальных технологических решений, которые превращают нудную и кропотливую работу по отделке текста иногда в увлекательное, а иногда даже в успокаивающее занятие. Среди таких решений — система готовых шаблонов и стилей оформления, изящные приемы создания и модификации таблиц, функции автотекста и автозамены, копирование формата, пользовательские панели инструментов, макроязык и многие другие
Недостатки:
1. высокая трудоемкость при вводе сложных математических выражений и химических формул
2. не предназначен для изготовления полиграфической продукции особо сложной структуры (атласов, альбомов, журнальных обложек), а также для редактирования высококачественных иллюстраций.
3. Дайте сравнительные характеристики широко используемых программ математических расчётов.
В настоящее время распространены следующие математические программы: MathCad, MathworksMathLab, Mathematica, ScientificWorksPlace, ASSO, MathPlot, Marple, Reduce, Statistica, HarvardChart, StatgraphicsPlus и др. Большинство из них имеет свой язык описания операций и сложен в освоении. Некоторые программы узко специализированы и имеют ограниченные области применения.В качестве программной среды для расчетов при проектировании радиотехнических систем удобно пользоваться системой Mathcad .
Mathcad является математическим редактором , позволяющим проводить разнообразные научные и инженерные расчеты, начиная от элементарной арифметики и заканчивая сложными реализациями численных методов. Пользователи Mathcad — это студенты, ученые, инженеры, разнообразные технические специалисты. Благодаря простоте применения, наглядности математических действий, обширной библиотеке встроенных функций и численных методов, возможности символьных вычислений, а также превосходному аппарату представления результатов (графики самых разных типов, мощных средств подготовки печатных документов и Web-страниц), Mathcad стал наиболее популярным математическим приложением.
Mathcad 11, в отличие от большинства других современных математических приложений, построен в соответствии с принципом WYSIWYG ("What You See Is What You Get" — "что Вы видите, то и получите"). Поэтому он очень прост в использовании, в частности, из-за отсутствия необходимости сначала писать программу, реализующую те или иные математические расчеты, а потом запускать ее на исполнение. Вместо этого достаточно просто вводить математические выражения с помощью встроенного редактора формул, причем в виде, максимально приближенном к общепринятому, и тут же получать результат. Кроме того, можно изготовить на принтере печатную копию документа или создать страницу в Интернете именно в том виде, который этот документ имеет на экране компьютера при работе с Mathcad/
Создатели Mathcad сделали все возможное, чтобы пользователь, не обладающий специальными знаниями в программировании (а таких большинство среди ученых и инженеров), мог в полной мере приобщиться к достижениям современной вычислительной науки и компьютерных технологий.
Для эффективной работы с редактором Mathcad достаточно базовых навыков пользователя. С другой стороны, профессиональные программисты (к которым относит себя и автор этих строк) могут извлечь из Mathcad намного больше, создавая различные программные решения, существенно расширяющие возможности, непосредственно заложенные в Mathcad.
В соответствии с проблемами реальной жизни, математикам приходится решать одну или несколько из следующих задач :
· ввод на компьютере разнообразных математических выражений (для дальнейших расчетов или создания документов, презентаций, Web-страниц);
· проведение математических расчетов;
· подготовка графиков с результатами расчетов;
· ввод исходных данных и вывод результатов в текстовые файлы или файлы с базами данных в других форматах;
· подготовка отчетов работы в виде печатных документов;
· подготовка Web-страниц и публикация результатов в Интернете;
· получение различной справочной информации из области математики.
Со всеми этими (а также некоторыми другими) задачами с успехом справляется Mathcad :
· математические выражения и текст вводятся с помощью формульного редактора Mathcad, который по возможностям и простоте использования не уступает, к примеру, редактору формул, встроенному в Microsoft Word;
· математические расчеты производятся немедленно, в соответствии с введенными формулами;
· графики различных типов (по выбору пользователя) с богатыми возможностями форматирования вставляются непосредственно в документы;
· возможен ввод и вывод данных в файлы различных форматов;
· документы могут быть распечатаны непосредственно в Mathcad в том виде, который пользователь видит на экране компьютера, или сохранены в формате RTF для последующего редактирования в более мощных текстовых редакторах (например Microsoft Word);
· возможно полноценное сохранение документов Mathcad 11 в формате Web-страниц (генерация вспомогательных графических файлов происходит автоматически);
· имеется опция объединения разрабатываемых Вами документов в электронные книги, которые, с одной стороны, позволяют в удобном виде хранить математическую информацию, а с другой — являются полноценными Mathcad-программами, способными осуществлять расчеты;
· символьные вычисления позволяют осуществлять аналитические преобразования, а также мгновенно получать разнообразную справочную математическую информацию
Таким образом, следует хорошо представлять себе, что в состав Mathcad входят несколько интегрированных между собой компонентов — это мощный текстовый редактор для ввода и редактирования как текста, так и формул, вычислительный процессор — для проведения расчетов согласно введенным формулам и символьный процессор, являющийся, по сути, системой искусственного интеллекта Сочетание этих компонентов создает удобную вычислительную среду для разнообразных математических расчетов и, одновременно, документирования результатов работы
4. Какие программы моделирования процессов в радиоэлектронных схемах вы знаете? Их краткая характеристика.
Среди программ моделирования процессов в радиоэлектронных схемах можно выделить две основные программы:
· Система схемотехнического моделирования Electronics Workbench (Multisim);
· MicroCAP — универсальный пакет программ схемотехнического анализа.
Система схемотехнического моделирования Electronics Workbench предназначена для моделирования и анализа электрических схем.
Программа Electronics Workbench позволяет моделировать аналоговые, цифровые и цифро-аналоговые схемы большой степени сложности. Имеющиеся в программе библиотеки включают в себя большой набор широко распространенных электронных компонентов.
· Есть возможность подключения и создания новых библиотек компонентов.
· Параметры компонентов можно изменять в широком диапазоне значений. Простые компоненты описываются набором параметров, значения которых можно изменять непосредственно с клавиатуры, активные элементы - моделью, представляющей собой совокупность параметров и описывающей конкретный элемент или его идеальное представление.
· Модель выбирается из списка библиотек компонентов, параметры модели также могут быть изменены пользователем.
· Широкий набор приборов позволяет производить измерения различных величин, задавать входные воздействия, строить графики.
· Все приборы изображаются в виде, максимально приближенном к реальному, поэтому работать с ними просто и удобно.
· Результаты моделирования можно вывести на принтер или импортировать в текстовый или графический редактор для их дальнейшей обработки.
· Программа Electronics Workbench совместима с программой P-SPICE, то есть предоставляет возможность экспорта и импорта схем и результатов измерений в различные её версии.
Основные достоинства программы
· Экономия времени Работа в реальной лаборатории требует больших временных затрат на подготовку эксперимента. Теперь, с появлением Electronics Workbench, электронная лаборатория всегда будет под рукой, что позволяет сделать изучение электрических схем более доступным.
· Достоверность измерений В природе не существует двух совершенно одинаковых элементов, то есть все реальные элементы имеют большой разброс значений, что приводит к погрешностям в ходе проведения эксперимента. В Electronics Workbench все элементы описываются строго установленными параметрам, поэтому каждый раз в ходе эксперимента будет повторяться результат, определяемый только параметрами элементов и алгоритмом расчета.
· Удобство проведения измерений - Учеба невозможна без ошибок, а ошибки в реальной лаборатории порой очень дорого обходятся экспериментатору. Работая с Electronics Workbench, экспериментатор застрахован от случайного поражения током, а приборы не выйдут из строя из-за неправильно собранной схемы.
· Благодаря этой программе в распоряжении пользователя имеется такой широкий набор приборов, который вряд ли будет доступен в реальной жизни. Таким образом, у Вас всегда имеется уникальная возможность для планирования и проведения широкого спектра исследований электронных схем при минимальных затратах времени.
· Графические возможности - сложные схемы занимают достаточно много места, изображение при этом стараются сделать более плотным, что часто приводит к ошибкам в подключении проводников к элементам цепи. Electronics Workbench позволяет разместить схему таким образом, чтобы были чётко видны все соединения элементов и одновременно вся схема целиком.
· Возможность изменения цвета проводников позволяет сделать схему более удобной для восприятия. Можно отображать различными цветами и графики, что очень удобно при одновременном исследовании нескольких зависимостей.
· Совместимость с программой Р-SPICE Программа Electronics Workbench базируется на стандартных элементах программы SPICE. Это позволяет экспортировать различные модели элементов и проводить обработку результатов, используя дополнительные возможности различных версий программы P-SPICE.
Компоненты и проведение экспериментов
· В библиотеки компонентов программы входят пассивные элементы, транзисторы, управляемые источники, управляемые ключи, гибридные элементы, индикаторы, логические элементы, триггерные устройства, цифровые и аналоговые элементы, специальные комбинационные и последовательные схемы.
· Активные элементы могут быть представлены моделями как идеальных, так и реальных элементов.
· Возможно также создание своих моделей элементов и добавление их в библиотеки элементов.
· В программе используется большой набор приборов для проведения измерений: амперметр, вольтметр, осциллограф, мультиметр, Боде-плоттер (графопостроитель частотных характеристик схем), функциональный генератор, генератор слов, логический анализатор и логический преобразователь.
· Анализ схем Electronics Workbench может проводить анализ схем на постоянном и переменном токах. При анализе на постоянном токе определяется рабочая точка схемы в установившемся режиме работы. Результаты этого анализа не отражаются на приборах, они используются для дальнейшего анализа схемы.
· Анализ на переменном токе использует результаты анализа на постоянном токе для получения линеаризованных моделей нелинейных компонентов.
· Анализ схем в режиме АС может проводиться как во временной, так и в частотной областях.
· Программа также позволяет производить анализ цифро-аналоговых и цифровых схем.
· В Electronics Workbench можно исследовать переходные процессы при воздействии на схемы входных сигналов различной формы.
Операции, выполняемые при анализе: Electronics Workbench позволяет строить схемы различной степени сложности при помощи следующих операций :
· выбор элементов и приборов из библиотек,
· перемещение элементов и схем в любое место рабочего поля,
· поворот элементов и групп элементов на углы, кратные 90 градусам,
· копирование, вставка или удаление элементов, групп элементов, фрагментов схем и целых схем,
· изменение цвета проводников,
· выделение цветом контуров схем для более удобного восприятия,
· одновременное подключение нескольких измерительных приборов и наблюдение их показаний на экране монитора,
· присваивание элементу условного обозначения,
· изменение параметров элементов в широком диапазоне.
Все операции производятся при помощи мыши и клавиатуры. Управление только с клавиатуры невозможно.
Путем настройки приборов можно:
· изменять шкалы приборов в зависимости от диапазона измерений,
· задавать режим работы прибора,
· задавать вид входных воздействий на схему (постоянные и гармонические токи и напряжения, треугольные и прямоугольные импульсы).
Графические возможности программы позволяют:
· одновременно наблюдать несколько кривых на графике,
· отображать кривые на графиках различными цветами,
· измерять координаты точек на графике,
· импортировать данные в графический редактор, что позволяет произвести необходимые преобразования рисунка и вывод его на принтер.
· Electronics Workbench позволяет использовать результаты, полученные в программах P-SPICE, РСВ, а также передавать результаты из Electronics Workbench в эти программы. Можно вставить схему или её фрагмент в текстовый редактор и напечатать в нем пояснения или замечания по работе схемы.
MicroCAP -8 — это универсальный пакет программ схемотехнического анализа, предназначенный для решения широкого круга задач .
· Характерной особенностью этого пакета является наличие удобного и дружественного графического интерфейса, что делает его особенно привлекательным для непрофессиональной студенческой аудитории.
· Несмотря на достаточно скромные требования к программно-аппаратным средствам ПК, его возможности достаточно велики.
· С его помощью можно анализировать не только аналоговые, но и цифровые устройства.
· Возможно также и смешанное моделирования аналого-цифровых электронных устройств, реализуемое в полной мере опытным пользователем пакета, способным в нестандартной ситуации создавать собственные макромодели, облегчающие имитационное моделирование без потери существенной информации о поведении системы.
Однако авторы компетентно утверждают, что без использования дополнительной справочной литературы существенно снижаются области применения MicroCAP.
Следует отметить, по возможностям схемотехнического моделирования MicroCAP-8 достаточно близко приближается к интегрированным пакетам DESIGNLAB, ORCAD, PCAD2002 — профессиональным средствам анализа и проектирования электронных устройств, требующим больших компьютерных ресурсов и достаточно сложных в использовании, поэтому MicroCAP является весьма привлекательным для моделирования электронных устройств средней степени сложности. В случае необходимости дополнительные (и более подробные) сведения могут быть получены из встроенной подсказки системы (вызывается клавишей <F1> или через меню ПОМОЩЬ).
5. Какие программы сквозного проектирования радиотехнических устройств вы знаете?
Одними из важных средств современной организации труда являются системы автоматизированного проектирования (САПР), ориентированные на подготовку чертежей, составление спецификаций, перечней элементов, схем, разводку печатных плат, моделирование процессов в аналоговых и цифровых цепях и т.д. Как правило, САПР имеют развитые библиотеки данных, что практически исключает обращение к литературе и создает удобства пользователю.
Типовая радиотехническая САПР обеспечивает возможности:
· визуализации и вывода изображения,
· графического редактирования,
· измерения на изображениях,
· текстового редактирования,
· работы с базами данных объектов,
· работы с библиотеками графических объектов и текстов,
· подготовки технической документации,
· моделирования работы объектов,
· программирования функций с помощью встроенного языка,
· использования системных функций.
Указанные возможности обеспечиваются программными средствами САПР и требуют от пользователя минимальных навыков работы на ПЭВМ.
Рассмотрим основные особенности этой наиболее распространенной программы САПР и порядок работы с ней применительно к деятельности радиоинженера.
Сведения о программе Orcad
Пакет программ Orcad фирмы Cadence обеспечивает полный цикл проектирования многослойных печатных плат с размещением элементов в интерактивном режиме и использованием сервисных средств.
Пакет программ включает в себя семь современных продуктов:
· OrcadCapture – редактор электронных схем с библиотеками элементов,
· OrcadCaptureCISOption – редактор электронных схем с доступом к информационной системе по компонентам и средствами ведения баз данных;
· PspiceA/D - программа моделирования и верификации аналоговых и цифровых устройств с базовым комплектом библиотек,
· PspiceOptimizer – параметрическая оптимизация аналого-цифровых устройств;
· Pspice Advanced Analysis – углубленныйанализсхем;
· OrcadLayoutPlus - интегрированный пакет проектирования многослойных печатных плат,
· Specctra 6U – программа автоматизации проектирования печатных плат.
Редактор электронных схем Orcad Capture , который позволяет выполнять построение структурных, функциональных и электрических схем путем размещения и соединения пользователем условных графических изображений элементов, хранящихся в соответствующих библиотеках. Программа поддерживает режимы работы со стандартными форматами листов от A0 до А4.
Программа может работать в любом из графических стандартов, используемых в IBM совместимых компьютерах. Предусмотрено размещение компонентов, их вращение, зеркальное отображение, соединение проводниками и шинами, нанесение прерывистых линий, меток и текстовых обозначений, выделение отдельных частей схем в виде блоков, передвижение их и элементов по экрану, копирование, удаление, изменение масштаба, поиск элементов по имени и т.д. Широко используется возможность работы с макросхемами, библиотечными файлами, принтером и графопостроителем, манипулятором типа «мышь». Возможно создание новых библиотечных описаний графических обозначений с помощью соответствующего языка.
Структура системы P - CAD
В настоящее время система P-CAD позволяет проводить сквозное проектирование аналоговых, цифровых и аналого-цифровых устройств. Она состоит из нескольких основных модулей и ряда вспомогательных программ. Заметим, что материал данной книги ориентирован на конструкторов, поэтому программа моделирования схем, также входящая в состав пакета, здесь не рассматривается, тем более что она представляет собой абсолютно автономный модуль.
Кратко рассмотрим назначение составных частей системы.

Возможности системы P - CAD при проектировании печатных плат
Система P - CAD 2004 выполняет полный цикл проектирования печатных плат, а именно:
· графический ввод электрических схем;
· смешанное аналого-цифровое моделирование на основе ядра SPICE3;
· упаковку схемы на печатную плату;
· ручное и интерактивное размещение компонентов;
· ручную, интерактивную и автоматическую трассировку проводников;
· контроль ошибок в схеме и печатной плате;
· выпуск документации;
· анализ целостности сигналов и перекрестных искажений;
· подготовку файлов Gerber и NCDrill для производства печатных плат;
· подготовку библиотек символов, топологических посадочных мест и моделей компонентов.
Система P - CAD обладает при вводе схемы и проектировании печатной платы следующими возможностями:
· 32-разрядная база данных;
· "горячая" связь между редактором плат и схемным редактором (DDEHotlinks);
· возможность прямой и обратной коррекции схемы и платы (ЕСО).
Для схемы:
· минимальный шаг сетки 0,1 мил в английской системе и 0,001 мм в метрической. Систему единиц можно изменить на любой фазе проекта;
· до 20 000 компонентов в одной библиотеке;
· до 99 открытых библиотек. Библиотеки можно открывать по мере необходимости;
· до 64 000 цепей в проекте;
· до 10 000 выводов в компоненте;
· до 5000 секций в компоненте;
· до 2000 символов в атрибуте и в текстовой строке;
· до 20 символов в имени вывода, имени цепи, позиционном обозначении вывода (пробелы, знаки табуляции, точки и скобки не допускаются);
· до 30 символов в имени типа компонента (пробелы и знаки табуляции не допускаются);
· до 30 символов в позиционном обозначении компонента (символы кириллицы, пробелы, знаки табуляции, точка и точка с запятой не допускаются);
· до 999 страниц схем, максимальный размер листа 60x60 дюймов;
· дискретность угла поворота компонента в схеме 90°.
Для платы: максимальный размер проектируемой печатной платы 60x60 дюймов;
· до 999 слоев на печатной плате, из них 11 слоев предварительно определены;
· неограниченное количество компонентов в проекте; не более 64 000 типов контактных площадок в проекте; ширина трассы до 1 см (394 мил); минимальный угол поворота объекта на плате 0,1°;
· контактные площадки 11 форм, возможность создавать контактные площадки произвольной полигональной формы;
· контроль соблюдения зазоров и полноты разводки ПП.
6. Каково назначение элементов меню пиктограмм программы SystemView?
Работа с программой SystemView происходит в основных двух окнах.
На рисунке показано окно формирования задания на анализ радиотехнической системы (в дальнейшем будем называть его системным окном). Для экономии места внутри рабочего окна дана расшифровка главных условных обозначений операций (пиктограмм).

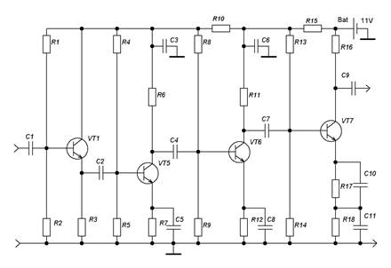
Практическое задание.
С помощью выбранной студентом прикладной программы нарисовать схему устройства, проектируемого по дисциплине «Схемотехника».
По дисциплине «Схемотехника» проектировался импульсный усилитель и источник питания. Для рисования электрической принципиальной схемы была использована программа SPlan.


Рисунок 1. Принципиальная схема импульсного усилителя:

Рисунок 2. Принципиальная схема источника питания.