| Скачать .docx |
Курсовая работа: Структурная схема адаптивной системы сжатия данных
Содержание
Введение
Глава 1. РТМС с адаптивной дискретизацией
1.1 РТМС со сжатием данных по полосе
1.2 РТМС с адаптивной дискретизацией в каждом канале с буферной памятью
1.3 РТМС с исключением избыточных данных
1.4 РТМС с адаптивной дискретизацией в каждом канале без буферной памяти
1.5 Комбинированные РТМС
Глава 2. РТМС с адаптивной коммутацией каналов
2.1 Обобщенная структурная схема
2.2 РТМС с адаптивной коммутацией каналов при параллельном анализе погрешности
Глава 3. РТМС с автоматическим регулированием частоты опроса датчиков
Заключение
Список литературы
Введение
Введение адаптации в РТМС может привести к ряду преимуществ. Например, возможно уменьшить объем памяти и число регистрирующих устройств на земле, а при уменьшении частоты коммутации использовать менее быстродействующие коммутационные элементы. Для решения задачи измерения и передачи ряда параметров можно использовать различные адаптивные РТМС. Сравнение этих РТМС обычно осуществляют по следующим критериям:
-конструктивному;
-метрологическому;
-экономическому.
Конструктивный критерий рассматривает техническую осуществимость данной системы с точки зрения реализации следующих характеристик РТМС:
1. Числа параметров при заданной пропускной способности канала связи.
2. Необходимой скорости передачи информации при заданной допустимой задержке.
3. Используемого способа сжатия.
4. Возможности восстановления предаваемой информации на принимаемой стороне.
Метрологический критерий рассматривает предельное значение:
1. Показателя вероятности.
2. Вероятности появления заданной погрешности представляемой информации устройств сжатия данных.
3. Значения погрешности, появившейся от введения устройств сжатия данных.
4. Помехоустойчивости системы.
Экономический критерий рассматривает целесообразность введения адаптации в РТМС, т.е. определяет экономический выигрыш от сжатия информации. При введении адаптации в РТМС уменьшаются требуемая полоса частот КС, объем памяти системы, объем регистрируемых данных, масса бортовой аппаратуры, но сама система усложняется, поэтому возрастает ее стоимость.
Сравнение различных адаптивных РТМС необходимо производить при заданных статистических моделях параметров и заданных условиях функционирования всей системы. Обычно экономический эффект от внедрения системы сжатия данных составляет около 10% от стоимости всей системы, например, для системы “Аполлон” стоимостью 20 млд. $ экономический эффект от внедрения системы сжатия данных составил 240 млн. $.
Глава 1. РТМС с адаптивной дискретизацией
Назначением данных РТМС является согласованием характеристик входного потока сообщений с характеристиками канала передачи. Обычно большой объем измерительных сообщений необходимо предавать по КС с ограниченной полосой пропускания. Известно, что погрешность представления информации, быстродействие РТМС и полоса частот КС связаны соотношением:
, ( 1)
где
- число уровней квантования измеряемой величины,
- период дискретизации, определяющий быстродействие системы,
- полоса частот КС,
- мощность сигнала и шума в КС.
Выражение показывает, что при сохранении заданной погрешности уменьшение полосы частот канала передачи требует увеличения периода дискретных сигналов и наоборот.
Это обстоятельство позволяет предложить простой способ сжатия данных по полосе частот КС в случае, когда полоса частот КС
меньше требуемой полосы частот.
( 2)
схема адаптивный дискретизация коммутация датчик
1.1 РТМС со сжатием данных по полосе
Структурная схема РТМС со сжатием данных по полосе имеет следующий вид (рисунок 1):

Рисунок 1
Схема состоит из источников сообщений в виде датчиков
, коммутатора
, буферного запоминающего устройства
и блока управления. Вся информация с АЦП записывается в
со скоростью, соответствующей максимальной частоте дискретизации сигнала. Память
должна обеспечить запись всей информации. Считывание информации из
в канал передачи осуществляется с меньшей скоростью, чем при записи в соответствии с полосой пропускания частот канала передачи.
Достоинство этой схемы: простота и отсутствие служебной информации о номере передаваемого канала, т.к. в этом случае производится циклическая передача и нумерация каналов не нарушается.
Недостатком схемы является невозможность получить высокий коэффициент сжатия по полосе и больший объём
. Для получения более высоких коэффициентов сжатия необходимо предварительное сокращение избыточной информации до её записи в
. Это уменьшит объём памяти
и время задержки информации.
Возможны два варианта построения адаптивных РТМС с предварительным сокращением избыточной информации:
1. Устройство сокращения данных имеется в каждом измерительном канале.
2. Устройство сокращения данных находится после коммутатора или после АЦП.
Рассмотрим первый вариант.
1.2 РТМС с адаптивной дискретизацией в каждом канале с буферной
памятью
В данной РТМС частота выдачи отсчета по каждому контролируемому параметру является функцией характера его изменения и определяется допустимой погрешностью измерения
. ( 3)
Рассмотрим иллюстрацию работы РТМС с адаптивной дискретизацией при использовании ступенчатого метода восстановления параметра, т.е. при использовании экстраполяции нулевого порядка (рисунок 2).

Рисунок 2
На выходе временного адаптивного дискретизатора поток отсчетов будет неравномерным, но всегда выполняется условие, что
, где
( 4)
Нумерация каналов в этом случае также случайная.
Рассмотрим первый вариант построения РТМС с адаптивной дискретизацией (рисунок 3).

Рисунок 3
Сигналы с датчиков поступают в адаптивные временные дискретизаторы (
), состоящие из преобразователя погрешности аппроксиматора (
) и сравнивающего устройства (
).
функционирует в соответствии с одним из полиноминальных методов сжатия данных.
На
подаётся пороговое напряжение
, соответствующее допустимой погрешности аппроксимации. При равенстве сигнала с ППА и
,
выдает сигнал на схему «
», на которую поступают также сигналы от распределителя импульсов (
).
осуществляет расстановку отсчетов каждого параметра на временной оси. Сигнал со схемы «
» поступает на ключ
, пропускающий измерительную информацию в кодирующее устройство -
и далее в буферную память (
). Одновременно в
вводится номер канала – адрес кода
. Отсчеты во всех каналах расположены через различные промежутки времени.
выдает отсчеты в РПУ через одинаковые интервалы времени.
Достоинства РТМС с адаптивной дискретизацией:
1. возможность получения высоких коэффициентов сжатия при уменьшении объёма буферной памяти;
2. возможность приоритета обслуживания отдельного канала путем регулировки порога
отдельных каналов.
Недостатки:
1. измерительная информация передаётся в ненатуральном масштабе времени;
2. полное нарушение закономерной выдачи отсчетов, что приводит к усложнению аппаратуры;
3. применение аналоговых
;
4. необходимость использования дискретизатора для каждого канала;
5. высокие требования к быстродействию
и
, особенно при большом числе каналов, когда возрастает вероятность совпадения отсчетов на его входе и возможность переполнения
;
6. появление дополнительной погрешности из-за возможного запаздывания опроса канала, в котором
, но импульс с
приходит в другой канал.
Рассмотрим второй вариант построения РТМС с адаптивной дискретизацией. Обычно их называют РТМС с исключением избыточных данных.
1.3 РТМС с исключением избыточных данных
В таких РТМС применяются цифровые
. В начале с помощью коммутатора производится аналогично системе с временным разделением каналов циклический опрос датчиков (рисунок 4), где УУ – управляющее устройство.

Рисунок 4
преобразуют каждый отсчет в кодовую форму. Выделение отсчетов соответствующих каналов для обработки в
осуществляется в схеме «
». Сигналы с выхода
и
открывают ключи
и
, полученные существенные отсчеты и соответствующие им адреса кодовых комбинаций с выходов ключей
и
записываются в
. С помощью
производится равномерное считывание отсчетов из
. Отсчеты запоминаются в
и относительно последнего существенного отсчета устанавливается зона допуска
.
Достоинства РТМС с исключением избыточных данных:
1. Выдача существенных отсчетов осуществляется в
соответствии с нумерацией каналов в цикле, что упрощает построение приемной и передающей аппаратуры.
2. При высокой частоте опроса параметров эффективность данной РТМС приближается к эффективности РТМС с адаптивной дискретизацией. При этом рассматриваемая система оказывается более простой.
3. Применение цифровых
.
Недостатки РТМС с исключением избыточных данных:
1. Применение быстродействующих
.
2. Необходимость обеспечение устойчивой синхронизации.
3. Необходимость обеспечения высокой помехоустойчивости передаваемых данных.
4. Возможность переполнения
.
При переполнении
происходит потеря отсчетов. С другой стороны, при полном опустошении
в канал связи будет передаваться нулевая информация, так называемые «пустые слова», что нежелательно. Для устранения этого недостатка разработаны схемы РТМС с адаптивной дискретизацией в каждом канале без буферной памяти.
1.4 РТМС с адаптивной дискретизацией в каждом канале без буферной
памяти
Рассмотрим структурную схему данной РТМС (рисунок 5).

Рисунок 5
Достоинством данной схемы является отсутствие буферной памяти, что позволяет производить передачу информации в реальном масштабе времени. Иногда данную систему называют асинхронно - циклической.
Схема работает следующим образом. С помощью
в каждом канале, работающем в соответствии с одним из полиноминальных методов сжатия, осуществляется адаптивная дискретизация. Если погрешность аппроксимации в каждом канале:
, ( 5)
то на выходе
появляется единица.
В тоже время импульсы от
через открытую схему запуска (
) с помощью
поочередно поступают на схему совпадения «
». На выходе схемы «
» k – го канала формируется единица, которая открывает ключ (
) и соответствующий датчик подключается к
. При этом через собирательную схему «
» подается сигнал запрета (З) на схему запуска, запрещающий прохождение импульсов с
до окончания выдачи кода в линию связи. Распределитель импульсов
останавливается и выдает номер (адрес) выбранного канала в блок считывания
. В
код адреса и код параметра преобразуются из параллельного кода в последовательный и передаются в линию связи (
). По окончания считывания
выдает сигнал на разрешение дальнейшего прохождения импульсов через схему запуска на распределитель, а также на один из входов схемы совпадения «
». Схема «
» служит для формирования сигнала сброса
в момент отсчета. Т.к. на второй вход схемы «
» поступает сигнал от схемы «
» своего канала, то сброс
производится только в выбранном канале. После этого распределители продолжают опрос схем «
». В асинхронно - циклических системах можно не передавать код адреса, а вместо него через канал связи передаются на приемник импульсы переключения распределителя РИ от схемы запуска СЗ. Для предотвращения передачи нулевой информации может быть использована обратная связь от блока считывания к
, где осуществляется регулировка допустимой погрешности аппроксимации.
Недостатком такой системы является сложность аппаратуры.
В случае, если возможно управление с помощью программного устройства режимами работы РТМС с исключением избыточности данных, то такая система относится к комбинированным РТМС. (рисунок 6), где ПК – программируемый коммутатор, УСИ – устройство сжатия информации.

Рисунок 6
Отличительными особенностями этой системы являются:
1. Управление работой по программе или командам, передаваемым по обратному каналу.
2. Изменение частоты опроса коммутатора и связанное с этим сокращение объема вычислений.
3. Изменение структуры кода.
4. Возможность изменения программ измерений и алгоритмов сжатия данных при передаче.
5. Контроль переполнения БЗУ и изменение скорости считывания данных.
Глава 2. РТМС с адаптивной коммутацией каналов
2.1 Обобщенная структурная схема
Адаптивная коммутация представляет собой способ изменения частоты опроса источников информации в соответствии со скоростью изменения входного сигнала. Основной проблемой системы сжатия информации является объединение потоков отсчетов, идущих с различной частотой в единый поток, следующий с постоянной частотой, определяемой пропускной способностью КС.
Очередность передачи информации от различных источников обычно производится в соответствии с такими характеристиками:
- наибольшая текущая погрешность аппроксимации;
- экстремальные значения входных сигналов или их производных;
- отклонение параметров от нормы.
Системы адаптивной коммутации позволяют учитывать приоритет отдельных сообщений по отношению к другим источникам.В системах адаптивной коммутации информация передается в КС в натуральном масштабе времени, т.е. без задержки, что является основным преимуществом таких систем.
В данных системах производится предварительный опрос всех каналов, выявляется канал с наибольшей погрешностью аппроксимации, и информация этого канала поступает в линию связи.
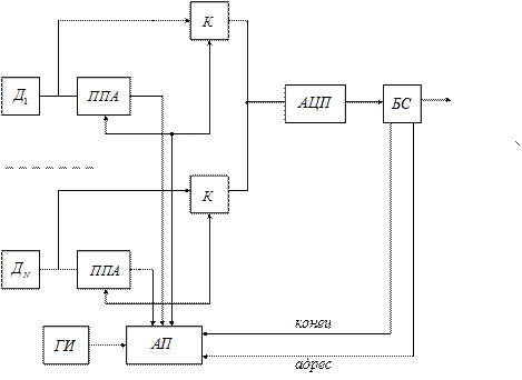
Рассмотрим обобщенную структурную схему системы (рисунок 7):

Рисунок 7
В каждом измерительном канале имеется преобразователь погрешности аппроксимации (ППА), работающий в соответствии с одним из алгоритмов полиномиального метода сжатия. Анализатор погрешности аппроксимации (АП) путем последовательного опроса ППА выявляет канал с наибольшей погрешностью аппроксимации и открывает ключ (К) данного канала. Далее сигнал кодируется в АЦП и в параллельном коде поступает в блок считывания (БС), куда также поступает и адрес канала. В БС производится преобразование параллельного кода в последовательный, а также помехоустойчивое кодирование. Выдача отсчетов в линию связи производится через равные интервалы времени. После выдачи отсчета в линию из БС в АП поступает сигнал “конец” и сбрасывает АП. Далее операция повторяется.
Достоинства РТМС с адаптивной коммутацией каналов:
1. Возможность получения существенного сжатия за счет реализации эффективных методов аппроксимации, при этом коэффициент сжатия АК меньше коэффициента сжатия АД.
2. Равномерность следования отсчетов на выходе РТМС, что позволяет обойтись без буферной памяти.
Недостатки РТМС с адаптивной коммутацией каналов:
1. Некоторая сложность блока анализатора погрешности аппроксимации.
2. Возможность равенства погрешности аппроксимации в нескольких каналах, увеличивающая погрешность телеизмерений.
3. При ошибках аппроксимации
будут передаваться избыточные отсчеты, а при
будут возникать потери важных отсчетов.
Рассмотрим более подробно пути построения блока АП. Возможны три способа анализа погрешности аппроксимации:
- параллельный;
- последовательный;
- параллельно-последовательный.
Наибольшим быстродействием и простотой обладает АП в случае параллельного анализа погрешности аппроксимации.
2.2 РТМС с адаптивной коммутацией каналов при параллельном
анализе погрешности
Рассмотрим один из вариантов построения структурной схемы системы (рисунок 8), где ВМС – выявитель максимального сигнала.
Сигнал с датчиков поступает на вход ППА и мультиплексора (МК). Мультиплексор находится в закрытом состоянии и открывается с поступлением тактовых импульсов с ГТИ.
Мультиплексор – это устройство, предназначенное для передачи сигналов с любого из входов на одну общую выходную шину.

Рисунок 8
Вход, с которого сигнал передается на выход, выбирается в зависимости от вида параллельного двоичного кода, подаваемого на управляющие входы. Сигнал с выхода ППА анализируется в блоке выявителя максимального сигнала (ВМС), который представляет собой схему сравнения на N входов. На выходе ВМС формируется параллельный двоичный код, соответствующий номеру канала с наибольшей погрешностью аппроксимации. При поступлении на МК тактовых импульсов с ГТИ на выход проходит сигнал канала, двоичный код номер которого воздействует на управляющие входы МК. После преобразования в АЦП сигнал в параллельном коде, а также код адреса записывается в память БС. При поступлении импульса считывания с ГТИ в БС происходит преобразование параллельного кода в последовательный, и сигнал передается в линию связи.
Рассмотрим простейшую схему ВМС с использованием диодных сборок (диодных схем ИЛИ) и операционных усилителей (ОУ), выходные сигналы которых являются двоичным кодом канала с максимальной погрешностью аппроксимации. Использование диодных сборок для выделения максимального напряжения основан на том, что между операциями алгебры логики и операциями выделения максимума и минимума существует аналогия. Действительно операция объединения соответствует нахождению максимума, а операция пересечения – минимуму.
.
При построении схемы ВМС необходимо учитывать, что в случае соединения соответствующих входов ОУ при наличии максимального сигнала на одном из входов
соединение должно осуществляться исходя из следующих правил (рисунок 9):
. ( 6)
При достаточном усилении ОУ, когда напряжение на прямом входе больше напряжения на инверсном входе, ОУ находится в режиме насыщения, и на выходе формируется единица. Если наоборот, то ОУ находится в режиме отсечки, и на выходе формируется нуль.

Рисунок 9
Для получения хороших результатов в этом случая необходимо, чтобы характеристики диодов были одинаковыми, поэтому применяют диодные сборки, а коэффициент усиления был не меньше 1000.
Глава 3. РТМС с автоматическим регулированием частоты опроса
датчиков
В этих РТМС предусматривается возможность установления различной частоты опроса датчиков, например, в системе МКТ - 1. Так, при аварийных ситуациях увеличение частоты опроса датчиков позволяет получить более подробную измерительную информацию о происходящих в контролируемом объекте процессов. При ручном переключении частоты опроса датчиков есть значительная вероятность опоздать с этим переключением.
Рассмотрим одну из возможных схем устройства для автоматического регулирования частоты опроса датчиков (рисунок 10).
Сигнал от датчиков поступает на вспомогательный коммутатор К1 и коммутатор К2 . К коммутатору К2 , работающему синхронно и синфазно с коммутатором К1 , подключают генератор импульсов (ГИ). Частота генератора импульсов ГИ выбирается много больше, чем максимальная частота спектра сигнала.

Рисунок 10
В дифференциальном усилителе (У) происходит сравнение значения напряжения
с
, взятым из ячейки аналоговой памяти. После выпрямления разностного сигнала в выпрямителе (В) этот сигнал поступает на амплитудный дискриминатор (АД), определяющий в каком из каналов наибольшая разность. Далее сигнал поступает на преобразователь напряжение-частота (ПНЧ). Частота переключений первичного сигнала
коммутатора К3
будет определяться каналом с наиболее быстро изменяющейся измеряемой величиной, что приводит к образованию избыточной информации в других каналах.
Определим частоту дискретизации
коммутатора К3
при предположении, что изменяется сигнал только в одном датчике.
Если приращение сигнала за время опроса
всех датчиков коммутаторами
и
определяется выражением:
, ( 7)
то частота дискретизации равна:
, ( 8)
где
- минимальная частота дискретизации
,
- коэффициент регулирования. Частота опроса коммутаторов
и
равна:
. ( 9)
Требуется определить значение коэффициента регулирования
.
Приращение функции можно заменить приближенным выражением:
, ( 10)
где
- первая производная
.
При условии
, тогда:
, ( 11)
, ( 12)
Таким образом, частота дискретизации равна:
. ( 13)
Частоты
выбирают исходя из требований к точности алгоритма интерполяции.
Недостаток РТМС с автоматической регулировкой частоты опроса датчиков: низкий коэффициент сжатия и сложность радиоприемного устройства. Усложнение структуры приемного устройства определяется тем, что отсчеты появляются не в тактовых точках.
Заключение
Радиосвязь - одно из самых простых и надежных средств связи. Рации полезны и удобны, их можно использовать там, где недоступен ни один другой вид связи, системы радиосвязи недороги по цене, легко развертываются и нетребовательны к условиям окружающей.
Наиболее характерными для современных РСПИ являются три формы представления сообщений, которые формируются на борту и передаются по линиям связи:
1. Сообщения о наличии/отсутствии некоторого априорно известного сообщения (включения/выключения двигателей, удары метеорита).
2. Сообщения о величинах характеризуют значения параметров в определенный момент времени.
3. Сообщения о процессах должны с заданной точностью воспроизводить процессы на определенном отрезке времени, т.е. в этом случае также необходимо производить калибровку амплитуды и масштабирование по времени.
Список литературы
1. Радиотехнические методы передачи информации: Учебное пособие для вузов / В.А. Борисов, В.В. Калмыков, Я.М. Ковальчук и др.; Под ред. В.В.Калмыкова. М.: Радио и связь. 1990. 304с.
2. Системы радиосвязи: Учебник для вузов / Н.И. Калашников, Э.И. Крупицкий, И.Л. Дороднов, В.И. Носов; Под ред. Н.И.Калашникова. М.: Радио и связь. 1988. 352с.
3. Тепляков И.М., Рощин Б.В., Фомин А.И., Вейцель В.А. Радиосистемы передачи информации: Учебное пособие для вузов / М.: Радио и связь. 1982. 264с.
4. Кириллов С.Н., Стукалов Д.Н. Цифровые системы обработки речевых сигналов. Учебное пособие. Рязань. РГРТА, 1995. 80с.