| Скачать .docx |
Дипломная работа: Дипломная работа: Техническая диагностика интерфейсов ввода-вывода компьютерных систем
РЕФЕРАТ
Пояснительная записка к дипломному проекту: 121страница, 19 рисунков, 18 таблиц, 18 источников, 5 приложений, 3 листа чертежей формата А1.
Объект исследований: интерфейсы ввода-вывода компьютерных систем.
Предмет исследования: техническая диагностика интерфейсов ввода-вывода компьютерных систем.
В первом разделе производится анализ интерфейсов ввода-вывода компьютерных систем.
Во втором разделе приведено описание тестирования и устранения несправностей интерфейсов ввода-вывода компьютерных систем.
В третьем разделе выполнен экономический расчет объекта анализа, а именно, расчет стоимости выполнения тестирования интерфейсов ввода-вывода компьютерных систем используя ПО.
В четвертом разделе проведены расчеты отопления, вентиляции, природного и искусственного освещения, полученные значения сопоставлены с нормативными.
ИНТЕРФЕЙС, СОМ-ПОРТ, ПАРАЛЕЛЬНЫЙ ИНТЕРФЕЙС, ПОСЛЕДОВАТЕЛЬНЫЙ ИНТЕРФЕЙС, ТОПОЛОГИЯ , ШИНА USB, ХАБ
СОДЕРЖАНИЕ
ПЕРЕЧЕНЬ УСЛОВНЫХ ОБОЗНАЧЕНИЙ, СИМВОЛОВ, ЕДИНИЦ, СОКРАЩЕНИЙ И ТЕРМИНОВ
ВВЕДЕНИЕ
1. АНАЛИЗ ИНТЕРФЕЙСОВ ВВОДА-ВЫВОДА КОМПЬЮТЕРНЫХ СИСТЕМ
1.1 Основные свойства интерфейсов
1.2 Параллельный интерфейс — LPT-порт
1.2.1 Традиционный LPT-порт
1.2.2 Физический и электрический интерфейсы
1.2.3 Системная поддержка LPT-порта
1.2.4 Применение LPT-порта
1.2.5 Конфигурирование LPT-портов
1.3 Последовательный интерфейс — СОМ-порт
1.3.1 Интерфейс RS-232C
1.3.2 Родственные интерфейсы и преобразователи уровней
1.3.3 Системная поддержка СОМ-портов
1.3.4 Конфигурирование СОМ-портов
1.3.5 Использование СОМ-портов
1.4 Последовательные шины USB и Fire Wire
1.4.1 Шина USB
1.4.2 Применение шины USB
1.4.3 Разработка собственных устройств USB
2. ТЕСТИРОВАНИЕ ИНТЕРФЕЙСОВ
2.1 Тестирование параллельных портов
2.2 Тестирование СОМ-портов
2.2.1 Проверка конфигурирования
2.2.2 Функциональное тестирование
2.2.3 Питание от интерфейса, или причины неработоспособности мыши
3. ТЕХНИКО-ЭКОНОМИЧЕСКОЕ ОБОСНОВАНИЕ ОБЪЕКТА ИССЛЕДОВАНИЯ
3.1 Расчет расходов ПО, которое используется
3.2 Расчет расходов на создание ПО
4. ОХРАНА ТРУДА
4.1 Требования к производственным помещениям
4.1.1 Окраска и коэффициенты отражения
4.1.2 Освещение
4.1.3 Параметры микроклимата
4.1.4 Шум и вибрация
4.1.5 Электромагнитное и ионизирующее излучения
4.2 Эргономические требования к рабочему месту
4.3 Режим труда
4.4 Расчет освещенности
4.4.1 Оценка искусственного освещения по точечному методу
4.4.2. Оценки искусственного освещения по коэффициенту использования светового потока
4.4.3. Оценка искусственного освещения по удельной мощности
4.4.4 Практический расчет освещенности
4.5 Расчет уровня шума
4.6 Расчет вентиляции
ВЫВОДЫ
СПИСОК ССЫЛОК
ПРИЛОЖЕНИЯ
ПЕРЕЧЕНЬ УСЛОВНЫХ ОБОЗНАЧЕНИЙ, СИМВОЛОВ, tЕДИНИЦ, СОКРАЩЕНИЙ И ТЕРМИНОВ
МПС – микропроцессорная система
ОЗУ – оперативное запоминающее устройство
ПЗУ – постоянное запоминающее устройство
ПУ - периферийное устройство
ПО- программное обеспечение
ПС – программные средства
ЦП – центральный процессор
ЦПУ – центральное процессорное устройство
ВВЕДЕНИЕ
Тема дипломной работы – "Техническая диагностика интерфейсов ввода-вывода компьютерных систем", являющаяся предметом исследования.
Цель работы – изучить интерфейсы ввода-вывода компьютерных систем и на основе полученных знаний уметь провести техническую диагностику последних.
Устройства вычислительной системы соединяются друг с другом с помощью унифицированных систем связи, называемых интерфейсом. Интерфейс представляет собой систему шин, согласующих устройств обеспечивающих связь всех частей ЭВМ между собой. От характеристик интерфейса зависит быстродействие и надежность ЭВМ. Интерфейс должен быть стандартизирован с тем, чтобы он обеспечивал связь процессора и оперативной памяти с любым периферийным устройством (ПУ). Необходимое преобразование формата данных должно производиться в ПУ. Алгоритмы функционирования интерфейса и управляющего сигнала также должны быть стандартизированы. Схемы интерфейса обычно располагаются в самих связываемых устройствах.
К одному из типов интерфейса относится интерфейс ввода - вывода. Через него происходит обмен информацией между каналами ввода - вывода и устройствами управления ПУ. Обмен информацией производится байтами.
Актуальность данной темы заключается в том, что при работе с компьютером, мы постоянно работаем с различными интерфейсами.
Работа разбита на этапы:
- анализ интерфейсов ввода-вывода;
- проведение технической диагностики и устранение неисправностей интерфейсов ввода-вывода;
- эффективность проведения технической диагностики.
1. АНАЛИЗ ИНТЕРФЕЙСОВ ВВОДА-ВЫВОДА КОМПЬЮТЕРНЫХ СИСТЕМ
1.1 Основные свойства интерфейсов
Толковый словарь по вычислительным системам определяет понятие интерфейс (interface) как границу раздела двух систем, устройств или программ; элементы соединения и вспомогательные схемы управления, используемые для соединения устройств.
По способу передачи информации интерфейсы подразделяются на параллельные и последовательные. В параллельном интерфейсе все биты передаваемого слова (байта) выставляются и передаются по соответствующим параллельно идущим проводам одновременно. В PC традиционно используется параллельный интерфейс Centronics, реализуемый LPT-портами, шины ATA, SCSI и все шины расширения. В последовательном интерфейсе биты передаются друг за другом, обычно по одной (возможно, и двухпроводной) линии. Эта линия может быть как однонаправленной (например, в RS-232C, реализуемой СОМ-портом, шине Fire Wire, SPI, JTAG), так и двунаправленной (USB, 12 С).
При рассмотрении интерфейсов важным параметром является пропускная способность. Технический прогресс приводит к неуклонному росту объемов передаваемой информации. Если раньше матричные принтеры, печатающие в символьном режиме, могли обходиться и СОМ-портом с невысокой пропускной способностью, то современным лазерным принтерам при высоком разрешении не хватает производительности даже самых быстрых LPT-портов. То же касается и сканеров. А передача "живого" видео, даже с применением компрессии, требует ранее немыслимой пропускной способности.
Вполне очевидно, что при одинаковом быстродействии приемопередающих цепей и пропускной способности соединительных линий по скорости передачи параллельный интерфейс должен превосходить последовательный. Однако повышение производительности за счет увеличения тактовой частоты передачи данных упирается в волновые свойства соединительных кабелей. В случае параллельного интерфейса начинают сказываться задержки сигналов при их прохождении по линиям кабеля и, что самое неприятное, задержки в разных линиях интерфейса могут быть различными вследствие неидентичности проводов и контактов разъемов. Для надежной передачи данных временные диаграммы обмена строятся с учетом возможного разброса времени прохождения сигналов, что является одним из факторов, сдерживающих рост пропускной способности параллельных интерфейсов. В последовательных интерфейсах, конечно же, есть свои проблемы повышения производительности, но поскольку в них используется меньшее число линий (в пределе — одна), повышение пропускной способности линий связи обходится дешевле.
Для повышения пропускной способности параллельных интерфейсов с середины 90-х годов стали применять двойную синхронизацию DDR (Dual Data Rate). Ее идея заключается в выравнивании частот переключения информационных сигнальных линий и линий стробирования (синхронизации). В "классическом" варианте данные информационных линий воспринимались только по одному перепаду (фронту или спаду) синхросигнала, что удваивает частоту переключения линии синхросигнала относительно линий данных. При двойной синхронизации данные воспринимаются и по фронту, и по спаду, так что частота смены состояний всех линий выравнивается, что при одних и тех же физических параметрах кабеля и интерфейсных схем позволяет удвоить пропускную способность. Волна этих модернизаций началась с интерфейса АТА (режимы UltraDMA) и прошла уже и по SCSI (UltralSO и выше), и по памяти (DDR SDRAM), и по системной шине процессоров (Pentium 4).
Немаловажен для интерфейса контроль достоверности передачи данных, который, имеется далеко не везде. "Ветераном" контроля является шина SCSI с ее битом паритета; контроль паритета применяется и в последовательных интерфейсах, и в шине PCI. Шина ISA в этом плане беззащитна, как и ее "потомок" — интерфейс АТА, в котором до UltraDMA контроля достоверности не было. В новых интерфейсах контроля достоверности уделяется серьезное внимание, поскольку они, как правило, рассчитываются на экстремальные условия работы (высокие частоты, большие расстояния и помехи). Контроль достоверности может производиться и на более высоких протокольных уровнях (контроль целостности пакетов и их полей), но на аппаратном уровне он работает, естественно, быстрее.
Для интерфейса, соединяющего (физически или логически) два устройства, различают три возможных режима обмена — дуплексный, полудуплексный и симплексный. Дуплексный режим позволяет по одному каналу связи одновременно передавать информацию в обоих направлениях. Он может быть асимметричным, если значения пропускной способности в направлениях "туда" и "обратно" существенно различаются, или симметричным. Полудуплексный режим позволяет передавать информацию "туда" и "обратно" поочередно, при этом интерфейс имеет средства переключения направления канала. Симплексный (односторонний) режим предусматривает только одно направление передачи информации (во встречном направлении передаются только вспомогательные сигналы интерфейса).
Другим немаловажным параметром интерфейса является допустимое удаление соединяемых устройств. Оно ограничивается как частными свойствами кабелей, так и помехозащищенностью интерфейсов. Часть помех возникает от соседних линий интерфейса — это перекрестные помехи, защитой от которых может быть применение витых пар проводов для каждой линии. Другая часть помех вызывается искажением уровней сигналов.
С появлением шин USB и Fire Wire в качестве характеристики интерфейса стала фигурировать и топология соединения. Для интерфейсов RS-232C и Centronics практически всегда применялась двухточечная топология PC — устройство (или PC — PC). Исключениями из этого правила являются различные устройства безопасности и защиты данных (Security devices), которые подключаются к СОМ- или LPT-портам, но имеют разъем для подключения внешнего устройства. Однако эти устройства для традиционной периферии прозрачны, поэтому можно считать, что они не нарушают общего правила. Аналогично обстоит дело и с адаптерами локальных сетей (например, Paraport) и внешних дисковых накопителей (Iomega Zip), подключаемых к LPT-портам. Хотя разрабатываемые стандарты для параллельного порта (IEEE 1284.3) и предусматривают соединение устройств в цепочку (Daisy Chain) или через мультиплексоры, широкого распространения такие способы подключения пока не получили. К другому классу исключений относится построение моноканала на СОМ-портах, которое несколько лет назад применялись в "любительских" локальных сетях, но было вытеснено существенно более эффективной и подешевевшей технологией Ethernet. Интерфейсные шины USB и Fire Wire реализуют древовидную топологию, в которой внешние устройства могут быть как оконечными, так и промежуточными (разветвителями). Эта топология позволяет подключать множество устройств к одному порту USB или Fire Wire.
Важным свойством интерфейса, на которое часто не обращают внимание, является гальваническая развязка, а точнее — ее отсутствие. "Схемные земли" устройств, соединяемых интерфейсом с СОМ- или LPT-портом PC, оказываются связанными со схемной землей компьютера (а через интерфейсный кабель и между собой). Если между ними до подключения интерфейса была разность потенциалов, то по общему проводу интерфейса потечет уравнивающий ток, что плохо по целому ряду причин. Падение напряжения на общем проводе, вызванное протеканием этого тока, приводит к смещению уровней сигналов, а протекание переменного тока приводит к сложению полезного сигнала с переменной составляющей помехи. К этим помехам особенно чувствительны ТТЛ-интерфейсы; в то же время в RS-232C смещение и помеху в пределах 2 В поглотит зона нечувствительности. В случае обрыва общего провода или плохого контакта, а гораздо чаще — при подключении и отключении интерфейсов без выключения питания устройств, разность потенциалов прикладывается к сигнальным цепям, а протекание уравнивающих токов через них часто приводит к пиротехническим эффектам.
Существенным свойством является возможность "горячего" подключения/отключения или замены устройств (Hot Swap), причем в двух аспектах. Во-первых, это безопасность переключений "на ходу" как для самих устройств и их интерфейсных схем, так и для целостности хранящихся и передаваемых данных и, наконец, для человека. Во-вторых, это возможность использования вновь подключенных устройств без перезагрузки системы, а также продолжения устойчивой работы системы при отключении устройств. Далеко не все внешние интерфейсы поддерживают "горячее подключение" в полном объеме, так, например, зачастую сканер с интерфейсом SCSI должен быть подключен к компьютеру и включен до загрузки ОС, иначе он не будет доступен системе. С новыми шинами USB и Fire Wire проблем "горячего подключения" не возникает.
В ряде интерфейсов заложены возможности PnP (Plug and Play — включай и играй), которые предназначены для снятия с пользователей забот по конфигурированию подключаемых устройств. В современных интерфейсах эти возможности закладывались изначально (PCI, USB, Fire Wire, Bluetooth), и эти функции в большинстве случаев работают нормально. Однако для интерфейсов-ветеранов (например, ISA, SCSI) технология PnP является поздней искусственной надстройкой, работающей с переменным успехом (Plug and Pray — включай и молись). Часто побочные эффекты вызваны наследием "тяжелого прошлого" — соседством устройств PnP с традиционными (legacy) устройствами. На закате шины ISA ее система PnP в общем работала, но в SCSI от идей автоконфигурирования со временем отказались. При разработке собственных устройств встает вопрос выбора подходящего интерфейса подключения. Этот вопрос следует решать, исходя из принципа разумной достаточности, по возможности отдавая предпочтение внешним интерфейсам. Следует помнить, что разработка аппаратной части устройства (hardware) тесно связана и с программной поддержкой устройств — как модулями ПО, исполняемыми процессором компьютера (software), так и программами встроенного микроконтроллера (firmware), на базе которого, как правило, строятся современные устройства. Промышленностью выпускается множество моделей микроконтроллеров, имеющих популярные интерфейсы (USB, RS-232, PC и другие). Однако в ряде случаев приходится использовать и стандартизованные шины расширения ввода-вывода. Эти шины предоставляют более широкие возможности для взаимодействия процессора с аппаратурой, нескованные жесткими ограничениями внешних интерфейсов. Однако за универсальность и производительность внутренних шин расширения приходится расплачиваться более замысловатой реализацией интерфейсных схем и сложностями при обеспечении совместимости с другим установленным в компьютер оборудованием. Ошибки могут приводить к потере работоспособности компьютера. Недаром серьезные производители компьютеров гарантируют работоспособность своих изделий только при установке сертифицированных (ими или независимыми лабораториями) карт расширения. При использовании внешних интерфейсов неприятности в случае ошибок чаще всего имеют отношение только к подключаемому устройству.
1.2 Параллельный интерфейс — LPT-порт
Порт параллельного интерфейса был введен в PC для подключения принтера — отсюда и пошло его название LPT-порт (Line PrinTer — построчный принтер). Традиционный, он же стандартный, LPT-порт (так называемый SPP-nopm) ориентирован на вывод данных, хотя с некоторыми ограничениями позволяет и вводить данные. Существуют различные модификации LPT-порта — двунаправленный, ЕРР, ЕСР и другие, расширяющие его функциональные возможности, повышающие производительность и снижающие нагрузку на процессор. Поначалу они являлись фирменными решениями отдельных производителей, позднее был принят стандарт IEEE 1284.
С внешней стороны порт имеет 8-битную шину данных, 5-битную шину сигналов состояния и 4-битную шину управляющих сигналов, выведенные на разъем-розетку DB-25S. В LPT-порте используются логические уровни ТТЛ, что ограничивает допустимую длину кабеля из-за невысокой помехозащищенности ТТЛ-интерфейса. Гальваническая развязка отсутствует — схемная земля подключаемого устройства соединяется со схемной землей компьютера. Из-за этого порт является уязвимым местом компьютера, страдающим при нарушении правил подключения и заземления устройств. Поскольку порт обычно располагается на системной плате, в случае его "выжигания" зачастую выходит из строя и его ближайшее окружение, вплоть до выгорания всей системной платы.
С программной стороны LPT-порт представляет собой набор регистров, расположенных в пространстве ввода-вывода. Регистры порта адресуются относительно базового адреса порта, стандартными значениями которого являются 3BCh, 378h и 278h. Порт может использовать линию запроса аппаратного прерывания, обычно IRQ7 или IRQ5. В расширенных режимах может использоваться и канал DMA.
Порт имеет поддержку на уровне BIOS — поиск установленных портов во время теста POST и сервисы печати Int 17h обеспечивают вывод символа (по опросу готовности, не используя аппаратных прерываний), инициализацию интерфейса и принтера, а также опрос состояния принтера.
Практически все современные системные платы (еще начиная с PCI-плат для процессоров 486) имеют встроенный адаптер LPT-порта. Существуют карты ISA с LPT-портом, где он чаще всего соседствует с парой СОМ-портов, а также с контроллерами дисковых интерфейсов (FDC+IDE). LPT-порт обычно присутствует и на плате дисплейного адаптера MDA (монохромный текстовый) и HGC (монохромный графический "Геркулес"). Есть и карты PCI с дополнительными LPT-портами.
К LPT-портам подключают принтеры, плоттеры, сканеры, коммуникационные устройства и устройства хранения данных, а также электронные ключи, программаторы и прочие устройства. Иногда параллельный интерфейс используют для связи между двумя компьютерами — получается сеть, "сделанная наколенке" (LapLink).
1.2.1 Традиционный LPT-порт
Традиционный, он же стандартный, LPT-порт называется стандартным параллельным портом (Standard Parallel Port, SPP), или SPP-портом, и является однонаправленным портом, через который программно реализуется протокол обмена Centronics. Название и назначение сигналов разъема порта (табл. 1.1) соответствуют интерфейсу Centronics.
Рисунок 1.1 - Схема цоколевки
| Вилка (устанавливается на кабеле) |
Розетка (устанавливается на корпусе компьютера) |
|
|
|
Названия и функциональные назначения выводов
| № вывода |
Обозначение |
Описание |
| 1 |
/STROBE |
Strobe (Строб) |
| 2 |
D0 |
Data Bit 0 (данные, нулевой бит) |
| 3 |
D1 |
Data Bit 1 (данные, 1-й бит) |
| 4 |
D2 |
Data Bit 2 (данные, 2-й бит) |
| 5 |
D3 |
Data Bit 3 (данные, 3-й бит) |
| 6 |
D4 |
Data Bit 4 (данные, 4-й бит) |
| 7 |
D5 |
Data Bit 5 (данные, 5-й бит) |
| 8 |
D6 |
Data Bit 6 (данные, 6-й бит) |
| 9 |
D7 |
Data Bit 7 (данные, 7-й бит) |
| 10 |
/ACK |
Acknowledge (Подтверждение) |
| 11 |
BUSY |
Busy (Занято) |
| 12 |
PE |
Paper End (Нет бумаги) |
| 13 |
SEL |
Select (Выбор) |
| 14 |
/AUTOFD |
Autofeed (Перевод строки) |
| 15 |
/ERROR |
Error (Ошибка) |
| 16 |
/INIT |
Initialize (Инициализация) |
| 17 |
/SELIN |
Select In (Выбор) |
| 18 |
GND |
Signal Ground (Корпус) |
| 19 |
GND |
Signal Ground (Корпус) |
| 20 |
GND |
Signal Ground (Корпус) |
| 21 |
GND |
Signal Ground (Корпус) |
| 22 |
GND |
Signal Ground (Корпус) |
| 23 |
GND |
Signal Ground (Корпус) |
| 24 |
GND |
Signal Ground (Корпус) |
| 25 |
GND |
Signal Ground (Корпус) |
Рисунок 1.2 - Схема цоколевки параллельного порта на принтере (разъем Centronics)
| Вилка (устанавливается на кабеле) |
Розетка (устанавливается на корпусе принтера) |
|
|
|
| № вывода |
Обозначение |
Описание |
| 1 |
/STROBE |
Strobe (Строб) |
| 2 |
D0 |
Data Bit 0 (данные, нулевой бит) |
| 3 |
D1 |
Data Bit 1 (данные, 1-й бит) |
| 4 |
D2 |
Data Bit 2 (данные, 2-й бит) |
| 5 |
D3 |
Data Bit 3 (данные, 3-й бит) |
| 6 |
D4 |
Data Bit 4 (данные, 4-й бит) |
| 7 |
D5 |
Data Bit 5 (данные, 5-й бит) |
| 8 |
D6 |
Data Bit 6 (данные, 6-й бит) |
| 9 |
D7 |
Data Bit 7 (данные, 7-й бит) |
| 10 |
/ACK |
Acknowledge (Подтверждение) |
| 11 |
BUSY |
Busy (Занято) |
| 12 |
PE |
Paper End (Нет бумаги) |
| 13 |
SEL |
Select (Выбор) |
| 14 |
/AUTOFD |
Auto feed (Перевод строки) |
| 15 |
n/c |
Не используется |
| 16 |
GND |
Signal ground (земля сигнала) |
| 17 |
GND |
Сhassis ground (корпус устройства) |
| 18 |
+5VDC |
Питание, +5V |
| 19-30 |
GND |
Ground (земля сигнала) |
| 31 |
/INIT |
Initialize (Инициализация) |
| 32 |
/ERROR |
Error (Ошибка) |
| 33 |
GND |
Ground (корпус) |
| 34 |
CLK |
Clock (синхросигнал) |
| 35 |
TEST |
Test (тест) |
| 36 |
/SELIN |
Select In (Выбор) |
Адаптер SPP-порта содержит три 8-битных регистра, расположенных по соседним адресам в пространстве ввода-вывода, начиная с базового адреса порта BASE (3BCh, 378h или 278h).
Data Register (DR) — регистр данных, адрес=ВА5Е. Данные, записанные в этот регистр, выводятся на выходные линии Data[7:0]. Данные, считанные из этого регистра, в зависимости от схемотехники адаптера соответствуют либо ранее записанным данным, либо сигналам на тех же линиях, что не всегда одно и то же. Status Register (SR) — регистр состояния (только чтение), адрес=ВА5Е+1.' Регистр отображает 5-битный порт ввода сигналов состояния принтера (биты SR.4-SR.7) и флаг прерывания. Бит SR. 7 инвертируется — низкому уровню сигнала соответствует единичное значению бита в регистре, и наоборот.
Control Register (СR) — регистр управления, адрес=ВА5Е+2, допускает запись и чтение. Регистр связан с 4-битным портом вывода управляющих сигналов (биты 0-3) для которых возможно и чтение; выходной буфер обычно имеет тип "открытый коллектор". Это позволяет корректно использовать линии данного регистра как входные при программировании их в высокий уровень. Биты 0,1,3 инвертируются.
Запрос аппаратного прерывания (обычно IRQ7 или IRQ5) вырабатывается по отрицательному перепаду сигнала на выводе 10 разъема интерфейса (Ack#) при установке CR. 4=1. Во избежание ложных прерываний контакт 10 соединен резистором с шиной +5 В. Прерывание вырабатывается, когда принтер подтверждает прием предыдущего байта. Как уже было сказано, BIOS это прерывание не использует и не обслуживает.
Перечислим шаги процедуры вывода байта по интерфейсу Centronics с указанием требуемого количества шинных операций процессора.
1. Вывод байта в регистр данных (1 цикл IOWR#).
2. Ввод из регистра состояния и проверка готовности устройства (бит SR. 7 — сигнал Busy). Этот шаг зацикливается до получения готовности или до срабатывания программного тайм-аута (минимум 1 цикл IORD#).
3. По получению готовности выводом в регистр управления устанавливается строб данных, а следующим выводом строб снимается. Обычно, чтобы пере ключить только один бит (строб), регистр управления предварительно считывается, что к двум циклам IOWR# добавляет еще один цикл IORD#.
Видно, что для вывода одного байта требуется 4-5 операций ввода-вывода с регистрами порта (в лучшем случае, когда готовность обнаружена по первому чтению регистра состояния). Отсюда вытекает главный недостаток вывода через стандартный порт — невысокая скорость обмена при значительной загрузке процессора. Порт удается разогнать до скоростей 100-150 Кбайт/с при полной загрузке процессора, что недостаточно для печати на лазерном принтере. Другой недостаток функциональный — сложность использования в качестве порта ввода.
Стандартный порт асимметричен — при наличии 12 линий (и бит), нормально работающих на вывод, на ввод работает только 5 линий состояния. Если необходима симметричная двунаправленная связь, на всех стандартных портах работоспособен режим полубайтного обмена — Nibble Mode. В этом режиме, называемом также Hewlett Packard Bi-tronics, одновременно принимаются 4 бита данных, пятая линия используется для квитирования. Таким образом, каждый байт передается за два цикла, а каждый цикл требует по крайней мере 5 операций ввода-вывода.
Схемотехника выходных буферов данных LPT-портов отличается большим разнообразием. На многих старых моделях адаптеров SPP-порт данных можно использовать и для организации ввода. Если в порт данных записать байт с единицами во всех разрядах, а на выходные линии интерфейса через микросхемы с выходом типа "открытый коллектор" подать какой-либо код (или соединить ключами какие-то линии со схемной землей), то этот код может быть считан из того же регистра данных. Однако выходным цепям передатчика информации придется "бороться" с выходным током логической единицы выходных буферов адаптера. Схемотехника ТТЛ такие решения не запрещает, но если внешнее устройство выполнено на микросхемах КМОП, их мощности может не хватить для "победы" в этом шинном конфликте. Однако современные адаптеры часто имеют в выходной цепи согласующий резистор с сопротивлением до 50 Ом. Выходной ток короткого замыкания выхода на землю обычно не превышает 30 мА. Простой расчет показывает, что даже в случае короткого замыкания контакта разъема на землю при выводе "единицы" на этом резисторе падает напряжение 1,5 В, что входной схемой приемника будет воспринято как "единица". Поэтому нельзя полагать, что такой способ ввода будет работать на всех компьютерах. На некоторых старых адаптерах портов выходной буфер отключается перемычкой на плате. Тогда порт превращается в обыкновенный порт ввода.
1.2.2 Физический и электрический интерфейсы
Стандарт IEEE 1284 определяет физические характеристики приемников и передатчиков сигналов, которые по уровням совместимы с ТТЛ. Спецификации стандартного порта не задавали типов выходных схем, предельных значений величин нагрузочных резисторов и емкости, вносимой цепями и проводниками. На относительно невысоких скоростях обмена разброс этих параметров не вызывал проблем совместимости. Однако расширенные (функционально и по скорости передачи) режимы требуют четких спецификаций. IEEE 1284 определяет два уровня интерфейсной совместимости. Первый уровень (Level I) определен для устройств медленных, но использующих смену направления передачи данных. Второй уровень (Level II) определен для устройств, работающих в расширенных режимах с высокими скоростями и длинными кабелями. К передатчикам предъявляются следующие требования.
- Уровни сигналов без нагрузки не должны выходить за пределы -0,5.+5,5 В.
- Уровни сигналов при токе нагрузки 14 мА должны быть не ниже +2,4 В для высокого уровня (VOH ) и не выше +0,4 В для низкого уровня (У0 ь) на постоянном токе.
- Выходной импеданс R0 , измеренный на разъеме, должен составлять 50±5 Ом на уровне VO h-V0 l - Для обеспечения заданного импеданса используют последовательные резисторы в выходных цепях передатчика. Согласование импеданса передатчика и кабеля снижает уровень импульсных помех.
- Скорость нарастания (спада) импульса должна находиться в пределах 0,05-0,4 В/не.
Ниже перечислены требования к приемникам.
- Допустимые пиковые значения сигналов -2,0...+7,0 В.
- Пороги срабатывания должны быть не выше 2,0 В (VIH ) для высокого уровня и не ниже 0,8 В (VIL ) для низкого.
- Приемник должен иметь гистерезис в пределах 0,2-1,2 В (гистерезисом обладают специальные микросхемы — триггеры Шмитта).
- Входной ток микросхемы (втекающий и вытекающий) не должен превышать 20 мкА, входные линии соединяются с шиной питания +5 В резистором 1,2 кОм.
- Входная емкость не должна превышать 50 пФ.
Когда появилась спецификация ЕСР, компания Microsoft рекомендовала применение динамических терминаторов на каждую линию интерфейса. Однако в настоящее время следуют спецификации IEEE 1284, в которой динамические терминаторы не применяются. Рекомендованные схемы входных, выходных и двунаправленных цепей приведены на рис. 1.3.
Стандарт IEEE 1284 определяет три типа используемых разъемов. Типы A (DB-25) и В (Centronics-36) характерны для традиционных кабелей подключения принтера, тип С — новый малогабаритный 36-контактный разъем.

Рисунок 1.3 - Оконечные цепи линий интерфейса IEEE 1284:
a — однонаправленные линии,
б—двунаправленные
Традиционные интерфейсные кабели имеют от 18 до 25 проводов, в зависимости от числа проводников цепи GND. Эти проводники могут быть как перевитыми, так и нет. К экранированию кабеля жестких требований не предъявлялось. Такие кабели вряд ли будут надежно работать на скорости передачи 2 Мбайт/с и при длине более 2 м.
Стандарт IEEE 1284 регламентирует свойства кабелей.
- Все сигнальные линии должны быть перевитыми с отдельными обратными (общими) проводами.
- Каждая пара должна иметь импеданс 62±б Ом в частотном диапазоне 4-16 МГц.
- Уровень перекрестных помех между парами не должен превышать 10%.
- Кабель должен иметь экран (фольгу), покрывающий не менее 85 % внешней поверхности. На концах кабеля экран должен быть окольцован и соединен с контактом разъема.
Кабели, удовлетворяющие этим требованиям, маркируются надписью "IEEE Std 1284-1994 Compliant". Они могут иметь длину до 10 метров, обозначения типов приведены в таблице 1.3.
Таблица 1.3 - Типы кабелей IEEE 1284
| Тип |
Расшифровка |
Разъем 1 |
Разъем 2 |
| АМАМ |
Type A Male — Type A Male |
А (вилка) |
А(вилка) |
| AMAF |
Type A Male — Type A Female |
А(вилка) |
А(розетка) |
| АВ |
Type A Male — Туре В Plug — стандартный кабель к принтеру |
А (вилка) |
В |
| АС |
Type A Male — Туре С Plug — новый кабель к принтеру |
А (вилка) |
С |
| ВС |
Туре В Plug — Type С Plug |
В |
С |
| СС |
Туре С Plug — Type С Plug |
С |
С |
1.2.3 Системная поддержка LPT-порта
Системная поддержка LPT-порта включает поиск установленных портов и сервисы печати (Int 17h). В процессе начального тестирования POST BIOS проверяет наличие параллельных портов по адресам 3BCh, 378h и 278h и помещает базовые адреса обнаруженных портов в ячейки BIOS Data Area 0:0408h, 040Ah, 040Ch, 040Eh. Эти ячейки хранят адреса портов LPT1-LPT4, нулевое значение адреса является признаком отсутствия порта с данным номером. В ячейки 0:0478, 0479, 047А, 047В заносятся константы, задающие тайм-аут для этих портов.
Поиск портов обычно ведется достаточно примитивно — по базовому адресу (в регистр данных предполагаемого порта) выводится тестовый байт (AAh или 55h), затем производится ввод по тому же адресу. Если считанный байт совпал с записанным, предполагается, что найден LPT-порт; его адрес помещается в ячейку BIOS Data Area. Базовые адреса портов могут быть впоследствии изменены программно. Адрес порта LPT4 система BIOS самостоятельно установить не может, поскольку в списке стандартных адресов поиска имеются только три вышеуказанных.
Обнаруженные порты инициализируются — записью в регистр управления формируется и снимается сигнал lnit#, после чего записывается значение ОСЬ, соответствующее исходному состоянию сигналов интерфейса. В некоторых случаях сигнал lnit# активен с момента аппаратного сброса до инициализации порта при загрузке ОС. Это можно заметить по поведению включенного принтера во время перезагрузки компьютера — у принтера надолго гаснет индикатор On-Line. Следствие этого явления — невозможность распечатки экранов (например, параметров BIOS Setup) по нажатию клавиши Print Screen до загрузки ОС.
1.2.4 Применение LPT-порта
Обычно LPT-порт используют для подключения принтера, однако этим его применение не исчерпывается.
Для связи двух компьютеров по параллельному интерфейсу применяются различные кабели в зависимости от режимов используемых портов. Самый простой и медленный — полубайтный режим, работающий на всех портах. Для этого режима в кабеле достаточно иметь 10 сигнальных и один общий провод. Распайка разъемов кабеля приведена в табл. 1.4. Связь двух PC данным кабелем поддерживается стандартным ПО типа Interlnk из MS-DOS или Norton Commander.
Таблица 1.4 - Кабель связи PC-PC (4-битный)
| Х1, разъем РС#1 |
Контакт |
Х2, разъем РС#2 |
Контакт |
| DR.O |
2 |
15 |
SR.3 |
| DR.1 |
3 |
13 |
SR.4 |
| DR.2 |
4 |
12 |
SR.5 |
| DR.3 |
5 |
10 |
SR.6 |
| DR.4 |
6 |
11 |
SR.7 |
| SR.6 |
10 |
5 |
DR.3 |
| SR.7 |
11 |
6 |
DR.4 |
| SR.5 |
12 |
4 |
DR.2 |
| SR.4 |
13 |
3 |
DR.1 |
| SR.3 |
15 |
2 |
DR.O |
Разъемы XI и Х2 - DB25-P (вилки).
Высокоскоростная связь двух компьютеров может выполняться и в режиме ЕСР (режим ЕРР неудобен, поскольку требует синхронизации шинных циклов ввода-вывода двух компьютеров).
Из всех сигналов в кабеле не используется лишь PeriphRequest (контакт 15). В цепи линий данных рекомендуется вставить последовательные резисторы (0,5-1 кОм), препятствующие протеканию слишком больших токов, когда порты данных обоих компьютеров находятся в режиме вывода. Эта ситуация возникает, когда коммуникационное ПО компьютеров еще не запущено. Связь в режиме ЕСР поддерживается Windows, в комплект поставки этих ОС входит драйвер PARALINK.VxD, но из-за внутренней ошибки он неработоспособен.
Таблица 1.5 - Кабель связи PC-PC в режиме ЕСР и байтном режиме
| Контакт |
Разъем Х1 |
Разъем Х2 |
Контакт |
| 1 |
HostClk |
PeriphClk |
10 |
| 14 |
HostAck |
PeriphAck |
11 |
| 17 |
1284Active |
Xflag |
13 |
| 16 |
ReverseRequest* |
AckReverse* |
12 |
| 10 |
PeriphClk |
HostClk |
1 |
| 11 |
PeriphAck |
HostAck |
14 |
| 12 |
AckReverse* |
ReverseRequest* |
16 |
| 13 |
Xflag |
1284Active |
17 |
| 2,3...9 |
Data [0:7] |
Data [0:7] |
2,3..• 9 |
Подключение сканера к LPT-порту эффективно, только если порт обеспечивает хотя бы двунаправленный режим (Bi-Di), поскольку основной поток — ввод. Лучше использовать порт ЕСР, если этот режим поддерживается сканером (или ЕРР, что маловероятно).
Подключение внешних накопителей (Iomega Zip Drive, CD-ROM и др.), адаптеров ЛВС и других симметричных устройств ввода-вывода имеет свою специфику. В режиме SPP наряду с замедлением работы устройства заметна принципиальная асимметрия этого режима: чтение данных происходит в два раза медленнее, чем (весьма небыстрая) запись. Применение двунаправленного режима (Bi-Di или PS/2Туре 1) устранит эту асимметрию — скорости сравняются. Только перейдя на ЕРР или ЕСР, можно получить нормальную скорость работы. В режиме ЕРР или ЕСР подключение к LPT-порту почти не уступает по скорости подключению через ISA- контроллер. Это справедливо и при подключении устройств со стандартным интерфейсом шин к LPT-портам через преобразователи интерфейсов (например,LPT- IDE, LPT- SCSI, LPT- PCMCIA). Заметим, что винчестер IDE, подключенный через адаптер к LPT-порту, для системы может быть представлен как устройство SCSI (это логичнее с программной точки зрения).
В табл. 1.6 описано назначение выводов разъема LPT-порта в различных режимах и их соответствие битам регистров стандартного порта.
1.2.5 Конфигурирование LPT-портов
Управление параллельным портом разделяется на два этапа — предварительное конфигурирование (Setup) аппаратных средств порта и текущее (оперативное) переключение режимов работы прикладным или системным ПО. Оперативное переключение возможно только в пределах режимов, разрешенных при конфигурировании.
Таблица 1.6 - Назначение выводов разъема LPT-порта и бит регистров в режимах SPP, ЕСР и ЕРР
| Контакт |
I/O |
Бит1 |
SPP |
ECP |
EPP |
| 1 |
0/I |
CR.O\ |
Strobe# |
HostClk |
Write" |
| 2 |
0/I |
DR.O |
DataO |
Data 0 |
DataO |
| 3 |
0/I |
DR.1 |
Datal |
Datal |
Datal |
| 4 |
0/I |
DR. 2 |
Data 2 |
Data 2 |
Data 2 |
| 5 |
0/I |
DR.3 |
DataS |
DataS |
DataS |
| 6 |
0/I |
DR.4 |
Data 4 |
Data 4 |
Data 4 |
| 7 |
0/I |
DR.5 |
Data S |
Data S |
Data S |
| 8 |
0/I |
DR.6 |
Data 6 |
Data 6 |
Data 6 |
| 9 |
0/I |
DR.7 |
Data 7 |
Data 7 |
Data 7 |
| 10 |
I |
SR.6 |
Ack# |
PeriphClk |
INTR# |
| 11 |
I |
SR.A |
Busy |
PeriphAck |
Wait# |
| 12 |
I |
SR.5 |
PaperEnd |
AckReverse* |
2 |
| 13 |
I |
SR.4 |
Select |
Xflag |
—2 |
| 14 |
0/I |
CR.1\ |
Auto LF# |
HostAck |
DataStb* |
| 15 |
I |
SR.3 |
Error" |
PeriphRequest* |
2 |
| 16 |
0/I |
CR.2 |
lnit# |
ReverseRequest* |
Reset" |
| 17 |
0/I |
CR.3\ |
Select ln# |
1284Active |
AddrStb# |
Этим обеспечивается возможность согласования аппаратуры с ПО и блокирования ложных переключений, вызванных некорректными действиями программы.
Конфигурирование LPT-порта зависит от его исполнения. Порт, расположенный на плате расширения (мультикарте), устанавливаемой в слот ISA или ISA+VLB, конфигурируется джамперами на самой плате. Порт на системной плате конфигурируется через BIOS Setup.
Ниже перечислены параметры, подлежащие конфигурированию.
- Базовый адрес — 3BCh, 378h или 278h. При инициализации BIOS проверяет наличие портов по адресам именно в этом порядке и, соответственно, присваивает обнаруженным портам логические имена LPT1, L PT2, L РТЗ. Адрес ЗВСЬ имеет адаптер порта, расположенный на плате MDA или HGC. Большинство портов по умолчанию конфигурируется на адрес 378h и может переключаться на 278h.
- Используемая линия запроса прерывания: для L РТ — IRQ7, для LPT2 — IRQ5. Традиционно прерывания от принтера не задействуются, и этот дефицитный ресурс можно сэкономить. Однако при использовании скоростных режимов ЕСР (или Fast Centronics) работа через прерывания может заметно повысить производительность и снизить загрузку процессора.
- Использование канала DMA для режимов ЕСР и Fast Centronics — разрешение и номер канала DMA.
Режимы работы порта:
- SPP — порт работает только в стандартном однонаправленном программно- управляемом режиме;
- PS/2, он же Bi-Directional — отличается от SPP возможностью реверса канала (установкой CR. 5=1);
- Fast Centronics — аппаратное формирование протокола Centronics с использованием FIFO-буфера и, возможно, DMA;
- ЕРР — в зависимости от использования регистров порт работает в режиме SPP или ЕРР;
- ЕСР— по умолчанию включается в режим SPP или PS/2, записью в ECR может переводиться в любой режим ЕСР, но перевод в ЕРР записью в ECR кода 100 не гарантируется;
- ЕСР+ЕРР — то же, что и ЕСР, но запись в ECR кода режима 100 переводит порт в ЕРР.
Выбор режима ЕРР, ЕСР или Fast Centronics сам по себе не приводит к повышению быстродействия обмена с подключенными ПУ, а только дает возможность драйверу и ПУ установить оптимальный режим в пределах их "разумения". Большинство современных драйверов и приложений пытаются использовать эффективные режимы, поэтому "подрезать им крылья" установкой простых режимов без веских на то оснований не стоит.
Принтеры и сканеры могут пожелать режима ЕСР. Windows (3.x, Эх и NT) имеет системные драйверы для этого режима. В среде DOS печать через ЕСР поддерживается только специальным загружаемым драйвером.
Сетевые адаптеры, внешние диски и CD-ROM, подключаемые к параллельному порту, могут использовать режим ЕРР. Для этого режима специальный драйвер пока еще не применяется; поддержка ЕРР включается в драйвер самого подключаемого устройства.
1.3 Последовательный интерфейс — СОМ-порт
Универсальный внешний последовательный интерфейс — СОМ-порт (Communications Port — коммуникационный порт) присутствует в PC начиная с первых моделей. Этот порт обеспечивает асинхронный обмен по стандарту RS-232C. СОМ-порты реализуются на микросхемах универсальных асинхронных приемопередатчиков. (UART), совместимых с семейством i8250/16450/16550. Они занимают в пространстве ввода-вывода по 8 смежных 8-битных регистров и могут располагаться по стандартным базовым адресам 3F8h (COM1), 2F8h (COM2), 3E8h (COM3), 2E8h (COM4). Порты могут вырабатывать аппаратные прерывания IRQ4 (обычно используются для СОМ1 и COM3) и IRQ3 (для COM2 и COM4). С внешней стороны порты имеют линии последовательных данных передачи и приема, а также набор сигналов управления и состояния, соответствующий стандарту RS-232C. СОМ-порты имеют внешние разъемы-вгшсм (male — "папа") DB25P или DB9P, выведенные на заднюю панель компьютера. Характерной особенностью интерфейса является применение "не ТТЛ" сигналов — все внешние сигналы порта двуполярные. Гальваническая развязка отсутствует — схемная земля подключаемого устройства соединяется со схемной землей компьютера. Скорость передачи данных может достигать 115 200 бит/с.
Компьютер может иметь до четырех последовательных портов СОМ 1-COM4 (для машин класса AT типично наличие двух портов) с поддержкой на уровне BIOS. Сервис BIOS Int 14h обеспечивает инициализацию порта, ввод и вывод символа (не используя прерываний) и опрос состояния. Через Int 14h скорость передачи программируется в диапазоне 110-9600 бит/с (меньше, чем реальные возможности порта). Для повышения производительности широко используется взаимодействие программ с портом на уровне регистров, для чего требуется совместимость аппаратных средств СОМ-порта с программной моделью 18250/16450/16550.
Название порта указывает на его основное назначение — подключение коммуникационного оборудования (например, модема) для связи с другими компьютерами, сетями и периферийными устройствами. К порту могут непосредственно подключаться и периферийные устройств с последовательным интерфейсом: принтеры, плоттеры, терминалы и другие. СОМ-порт широко используется для подключения мыши, а также организации непосредственной связи двух компьютеров. К СОМ-порту подключают и электронные ключи.
Практически все современные системные платы (еще начиная с PCI-плат для процессоров 486) имеют встроенные адаптеры двух СОМ-портов. Один из портов может использоваться и для беспроводной инфракрасной связи с периферийными устройствами (IrDA). Существуют карты ISA с парой СОМ-портов, где они чаще всего соседствуют с LPT-портом, а также с контроллерами дисковых интерфейсов (FDC+IDE). Если возникает потребность в большом количестве последовательных интерфейсов, то в ПК можно установить специальные адаптеры-мультиплексоры. Это весьма дорогие карты, они выпускаются обычно на 4,8,12 и даже 16 портов. Такое большое число разъемов на заднюю стенку ПК вывести проблематично, и у мультиплексоров обычно имеется внешний блок с разъемами (и электроникой), соединяемый с адаптером кабелем с многоконтактными разъемами. BIOS мультиплексоры не поддерживает.
"Классический" СОМ-порт позволял осуществлять обмен данными только программно-управляемым способом, при этом для пересылки каждого байта процессору приходится выполнять несколько инструкций. Современные порты имеют FIFO-буферы данных и позволяют выполнять обмен по каналу DMA, существенно разгружая центральный процессор, что особенно важно на больших скоростях обмена.
1.3.1 Интерфейс RS-232C
Интерфейс RS-232C предназначен для подключения аппаратуры, передающей или принимающей данные ( 00Д — оконечное оборудование данных, или АПД — аппаратура передачи данных; DTE — Data Terminal Equipment), к оконечной аппаратуре каналов данных {АКД; DCE—Data Communication Equipment). В роли АПД может выступать компьютер, принтер, плоттер и другое периферийное оборудование. В роли АКД обычно выступает модем. Конечной целью подключения является соединение двух устройств АПД. Полная схема соединения приведена на рис. 1.4; интерфейс позволяет исключить канал удаленной связи вместе с парой устройств АКД, соединив устройства непосредственно с помощью нуль-модемного кабеля (рис. 1.5).

Рисунок 1.5- Соединение по RS-232C нуль-модемным кабелем
Стандарт описывает управляющие сигналы интерфейса, пересылку данных, электрический интерфейс и типы разъемов. В стандарте предусмотрены асинхронный и синхронный режимы обмена, но СОМ-порты поддерживают только асинхронный режим. Функционально RS-232C эквивалентен стандарту МККТТ V.24/ V.28 и стыку С2, но они имеют различные названия сигналов.
Стандарт RS-232C описывает несимметричные передатчики и приемники — сигнал передается относительно общего провода — схемной земли (симметричные дифференциальные сигналы используются в других интерфейсах — например, RS-422). Интерфейс не обеспечивает гальванической развязки устройств. Логической единице соответствует напряжение на входе приемника в диапазоне от -12 до -3 В. Для линий управляющих сигналов это состояние называется ON ("включено"), для линий последовательных данных — MARK. Логическому нулю соответствует диапазон от +3 до +12 В. Для линий управляющих сигналов состояние называется OFF ("выключено"), а для линий последовательных данных — SPACE. Диапазон от -3 до +3 В — зона нечувствительности, обусловливающая гистерезис приемника: состояние линии будет считаться измененным только после пересечения порога (рис. 1.6). Уровни сигналов на выходах передатчиков должны быть в диапазонах от -12 до -5 В и от +5 до +12 В для представления единицы и нуля соответственно. Разность потенциалов между схемными землями (SG) соединяемых устройств должна быть менее 2 В, при более высокой разности потенциалов возможно неверное восприятие сигналов.
Интерфейс предполагает наличие защитного заземления для соединяемых устройств, если они оба питаются от сети переменного тока и имеют сетевые фильтры.
Подключение и отключение интерфейсных кабелей устройств с автономным питанием должно производиться при отключенном питании. Иначе разность невыровненных потенциалов устройств в момент коммутации может оказаться приложенной к выходным или входным (что опаснее) цепям интерфейса и вывести из строя микросхемы.
Стандарт RS-232C регламентирует типы применяемых разъемов.
На аппаратуре АПД (в том числе на СОМ-портах) принято устанавливать вилки ПВ-25Р или более компактный вариант — DB-9P. Девятиштырьковые разъемы не имеют контактов для дополнительных сигналов, необходимых для синхронного режима (в большинстве 25-штырьковых разъемах эти контакты не используются).
На аппаратуре АКД (модемах) устанавливают розетки DB-25S или DB-9S.
Это правило предполагает, что разъемы АКД могут подключаться к разъемам АПД непосредственно или через переходные "прямые" кабели с розеткой и вилкой, у которых контакты соединены "один в один". Переходные кабели могут являться и переходниками с 9 на 25-штырьковые разъемы (рис. 1.7).
Если аппаратура АПД соединяется без модемов, то разъемы устройств (вилки) соединяются между собой нуль-модемным кабелем (Zero-modem, или Z-modem), имеющим на обоих концах розетки, контакты которых соединяются перекрестно по одной из схем, приведенных на рис. 1.8.

Рисунок 1.6 - Прием сигналов RS-232C

Рисунок 1.7 - Кабели подключения модемов

а б
Рисунок 1.8 - Нуль-модемный кабель: а — минимальный, б — полный
Если на каком-либо устройстве АПД установлена розетка — это почти 100 % того, что к другому устройству оно должно подключаться прямым кабелем, аналогичным кабелю подключения модема. Розетка устанавливается обычно на тех устройствах, у которых удаленное подключение через модем не предусмотрено.
В таблице 1.7 приведено назначение контактов разъемов СОМ-портов (и любой другой аппаратуры передачи данных АПД). Контакты разъема DB-25S определены стандартом EIA/TIA-232-E, разъем DB-9S описан стандартом EIA/TIA-574. У модемов (АКД) название цепей и контактов такое же, но роли сигналов (вход-выход) меняются на противоположные.
Подмножество сигналов RS-232C, относящихся к асинхронному режиму, рассмотрим с точки зрения СОМ-порта PC. Для удобства будем пользоваться мнемоникой названий, принятой в описаниях СОМ-портов и большинства устройств (она отличается от безликих обозначений RS-232 и V.24). Напомним, что активному состоянию сигнала ("включено") и логической единице передаваемых данных соответствует отрицательный потенциал (ниже -3 В) сигнала интерфейса, а состоянию "выключено" и логическому нулю — положительный (выше +3 В). Назначение сигналов интерфейса приведено в табл. 1.8. Нормальную последовательность управляющих сигналов для случая подключения модема к СОМ-порту иллюстрирует рис. 1.9.
Таблица 1.7 - Разъемы и сигналы интерфейса RS-232C
| Обозначение цепи |
Контакт |
№ провода кабеля |
Направление |
||||||
| разъема |
выносного разъема PC |
||||||||
| СОМ- |
RS- |
V.24 |
DB- |
DB- |
11 |
22 |
З3 |
Л4 |
I/O |
| порт |
232 |
Стык 2 |
25Р |
9Р |
|||||
| PG |
АА |
101 |
1 |
5 |
(10) |
(10) |
(10) |
1 |
- |
| SG |
АВ |
102 |
7 |
5 |
5 |
9 |
1 |
13 |
- |
| TD |
ВА |
103 |
2 |
3 |
3 |
5 |
3 |
3 |
О |
| RD |
ВВ |
104 |
3 |
2 |
2 |
3 |
4 |
5 |
I |
| RTS |
СА |
105 . |
4 |
7 |
7 |
4 |
8 |
7 |
О |
| CTS |
СВ |
106 |
5 |
8 |
8 |
6 |
7 |
9 |
I |
| DSR |
СС |
107 |
6 |
6 |
6 |
2 |
9 |
11 |
I |
| DTR |
CD |
108/2 |
20 |
4 |
4 |
7 |
2 |
14 |
О |
| DCD |
CF |
109 |
8 |
1 |
1 |
1 |
5 |
15 |
I |
| RI |
СЕ |
125 |
22 |
9 |
9 |
8 |
6 |
18 |
I |
1 Ленточный кабель 8-битных мультикарт. 2 Ленточный кабель 16-битных мультикарт и портов на системных платах. 3 Вариант ленточного кабеля портов на системных платах. 4 Широкий ленточный кабель к 25-контактному разъему.

Рисунок 1.9 - Последовательность управляющих сигналов интерфейса
1. Установкой DTR компьютер указывает на желание использовать модем.
2. Установкой DSR модем сигнализирует о своей готовности и установлении соединения.
3. Сигналом RTS компьютер запрашивает разрешение на передачу и заявляет о своей готовности принимать данные от модема.
4. Сигналом CTS модем уведомляет о своей готовности к приему данных от компьютера и передаче их в линию.
Таблица 1.8 - Назначение сигналов интерфейса RS-232C

5. Снятием CTS модем сигнализирует о невозможности дальнейшего приема (например, буфер заполнен) — компьютер должен приостановить передачу данных.
6. Сигналом CTS модем разрешает компьютеру продолжить передачу (в буфере появилось место).
7. Снятие RTS может означать как заполнение буфера компьютера (модем должен приостановить передачу данных в компьютер), так и отсутствие данных для передачи в модем. Обычно в этом случае модем прекращает пересылку данных в компьютер.
8. Модем подтверждает снятие RTS сбросом CTS.
9. Компьютер повторно устанавливает RTS для возобновления передачи.
10.Модем подтверждает готовность к этим действиям.
11.Компьютер указывает на завершение обмена.
12.Модем отвечает подтверждением.
13.Компьютер снимает DTR, что обычно является сигналом на разрыв соединения ("повесить трубку").
14.Модем сбросом DSR сигнализирует о разрыве соединения.
Из рассмотрения этой последовательности становятся понятными соединения DTR-DSR и RTS-CTS в нуль-модемных кабелях.
1.3.2 Родственные интерфейсы и преобразователи уровней
В последовательном интерфейсе далеко не всегда используют двуполярные сигналы RS-232C — это неудобно, хотя бы из-за необходимости использования дву-полярного питания приемопередатчиков. Сами микросхемы вышеописанных приемопередатчиков UART работают с сигналами логики ТТЛ или КМОП; такие же сигналы используются, например, и в сервисных портах винчестеров и других устройств. Многие устройства (в том числе карманные ПК и мобильные телефоны) имеют внешний последовательный интерфейс с уровнями низковольтной логики. Конечно, сигналы обычной логики не имеют столь высокой помехоустойчивости, как RS-232C, но не всегда это и требуется. Для взаимного преобразования уровней интерфейса RS-232C и логики специально выпускаются буферные микросхемы приемников (с гистерезисом) и передатчиков двуполярного сигнала. При несоблюдении правил заземления и коммутации они обычно становятся первыми жертвами "пиротехнических" эффектов. Раньше их нередко устанавливали в "кроватки", что облегчало их замену. Цоколевка популярных микросхем формирователей сигналов RS-232C приведена на рис. 2.7. Часто буферные схемы входят прямо в состав интерфейсных БИС. Это удешевляет изделие, экономит место на плате, но в случае аварии оборачивается крупными финансовыми потерями. Вывести из строя интерфейсные микросхемы замыканием сигнальных цепей маловероятно: ток короткого замыкания передатчиков обычно не превышает 20 мА. В специальных кабелях-адаптерах часто применяют преобразователи уровней фирмы Maxim и Sypex; они удобны тем, что содержат и приемники, и передатчики. Из широкого ассортимента этих преобразователей легко подобрать подходящий по количеству приемников и передатчиков, а также по питанию (однополярному, двуполярному, низковольтному).

Рисунок 1.10 -Формирователи сигналов RS-232C:
а — приемник 1489 (А — вход RS-232,С - управление гистерезисом (ТТЛ),Y — выход ТТЛ); б — передатчик 1488(А, В — входы ТТЛ, Y — выход RS-232, VDD = +12 В, VEE = -12 В); в — таблица состояния выходов передатчика (*1 В — логическая единица)
Когда требуется большая помехоустойчивость (дальность и скорость передачи), применяют иные электрические варианты последовательных интерфейсов: RS-422A (V.11, Х.27), RS-423A (V.10, Х.26), RS-485. На рис. 1.11 приведены схемы соединения приемников и передатчиков, а также показаны ограничения на длину линии (L) и максимальную скорость передачи данных (V). Несимметричные линии интерфейсов RS-232C и RS-423A имеют самую низкую защищенность от синфазной помехи, хотя дифференциальный вход приемника RS-423A позволяет в какой-то мере исправить ситуацию. Лучшие параметры имеют интерфейсы RS-422A и RS-485, работающие на симметричных линиях связи. В них для передачи каждого сигнала используются дифференциальные приемопередатчики с отдельной (витой) парой проводов для каждой сигнальной цепи.

Рисунок 1.11- Стандарты последовательных интерфейсов
Интерфейсы EIA-RS-422 (ITU-T V.ll, X.27) и EIA-RS-485 (ISO 8482) используют симметричную передачу сигнала и допускают как двухточечную, так и шинную топологию соединений. В них информативной является разность потенциалов между проводниками А и В. Если на входе приемника UA -UB >0,2 В (А положительнее В) — состояние "выключено" (space), UA -UB <-0,2 В (А отрицательнее В) — состояние "включено" (mark). Диапазон |UA -UB |<0,2 В является зоной нечувствительности (гистерезис), защищающей от воздействия помех. На выходах передатчика сигналы UA и UB обычно переключаются между уровнями 0 и +5 В (КМОП) или +1 и +4 В (ТТЛ), дифференциальное выходное напряжение должно лежать в диапазоне 1,5-5 В. Выходное сопротивление передатчиков 100 Ом. Интерфейсы электрически совместимы между собой, хотя и имеют некоторые различия в ограничениях. Принципиальное отличие передатчиков RS-485 — возможность переключения в третье состояние. Передатчики RS-422/485 совместимы с приемниками RS-423. Топологию соединений иллюстрирует рис. 1.12.
Чтобы увеличить число узлов, можно повысить входное сопротивление приемников, но при этом снижается допустимая скорость или максимально возможная дальность передачи. Максимальная скорость передачи на коротких расстояниях (до 10 м) ограничивается быстродействием передатчиков (достижима частота 25 МГц). На средних расстояниях ограничение определяется емкостью кабеля (1200 бит/с - 25 нФ, 9600 бит/с - 30 нФ, 115 кбит/с -250 пФ). Максимальная дальность (1200 м) ограничена сопротивлением петли постоянному току.

А б в
Рисунок 1.12 - Топология интерфейсов: а — RS-422, б — RS-485 четырехпроводный, в — RS-485 двухпроводный
Интерфейс RS-485 может быть в двух версиях: двухпроводной и четырехпровод-ной. Четырехпроводная версия (рис.1.12, б) выделяет задающий узел (master), передатчик которого работает на приемники всех остальных. Передатчик задающего узла всегда активен — переход в третье состояние ему не нужен. Передатчики остальных ведомых (slave) узлов должны иметь тристабильные выходы, они объединяются на общей шине с приемником ведущего узла. В двухпроводной версии (рис.1.12, в) все узлы равноправны.
В вырожденном случае — при двухточечном соединении — интерфейсы RS-485 и RS-422 эквивалентны, и третье состояние не используется.
Для определенности состояния покоя шины RS-485, когда нет активных передатчиков, на линию устанавливают активные терминаторы, "растягивающие" потенциалы проводов. В покое провод В должен иметь более положительный потенциал, чем А.
При многоточечном соединении необходимо организовать метод доступа к среде передачи. Чаще всего используют полинг (polling) — опрос готовности к передаче, выполняемый ведущим устройством, или передачу права доступа в соответствии с определенным (установленным) регламентом. Иногда используют и методы случайного доступа (аналогично Ethernet).
Дифференциальный вход интерфейсов защищает от действия помех, но при этом должно осуществляться соединение "схемных земель" устройств между собой и с шиной заземления. Для соединения устройств между собой используют третий провод интерфейса (можно и экран). Для того чтобы по третьему проводу не протекал большой ток, выравнивающий "земляные потенциалы", в его цепь включают резисторы (рис. 1.13).
Интерфейс RS-422 часто используется для подключения периферийных устройств (например, принтеров). Интерфейс RS-485 популярен в качестве шин устройств промышленной автоматики.
Интерфейс "токовая петля" для представления сигнала использует не напряжение, а ток в двухпроводной линии, соединяющей приемник и передатчик.
Логической единице (состоянию "включено") соответствует протекание тока 20 мА, а логическому нулю — отсутствие тока. Такое представление сигналов для вышеописанного формата асинхронной посылки позволяет обнаружить обрыв линии — приемник заметит отсутствие стоп-бита (обрыв линии действует как постоянный логический нуль).

Рисунок 1.13 - Соединение "схемных земель" для интерфейсов RS-422 и RS-485
Токовая петля обычно предполагает гальваническую развязку входных цепей приемника от схемы устройства. При этом источником тока в петле является передатчик (этот вариант называют активным передатчиком). Возможно и питание от приемника (активный приемник), при этом выходной ключ передатчика может быть также гальванически развязан с остальной схемой передатчика. Существуют упрощенные варианты без гальванической развязки, но это уже вырожденный случай интерфейса. Заметим, что интерфейс MIDI с "классической" токовой петлей несовместим.
Токовая петля с гальванической развязкой позволяет передавать сигналы на расстояния до нескольких километров, но при невысоких скоростях (выше 19 200 бит/с не используют, а на километровых расстояниях допустима скорость до 9600 бит/с и ниже). Допустимое расстояние определяется сопротивлением пары проводов и уровнем помех. Поскольку интерфейс требует пары проводов для каждого сигнала, обычно используют только два сигнала последовательного интерфейса (4-проводная линия). В случае двунаправленного обмена применяются только сигналы передаваемых и принимаемых данных, а для управления потоком используется программный метод XON/XOFF. Если двунаправленный обмен не требуется, применяют одну линию данных, а для управления потоком обратная линия задействуется для сигнала CTS (аппаратный протокол) или встречной линии данных (программный протокол). При надлежащем ПО одной токовой петлей можно обеспечить двунаправленную полудуплексную связь двух устройств. При этом каждый приемник "слышит" как сигналы передатчика на противоположной стороне канала, так и сигналы своего передатчика. Они расцениваются коммуникационными пакетами просто как эхо-сигнал. Для безошибочного приема передатчики должны работать поочередно.
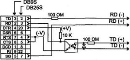
Токовая петля позволяет использовать выделенные физические линии без модемов, но на малых скоростях. Иногда по токовой петле подключают терминалы с интерфейсом RS-232C, если не хватает штатной длины интерфейса или требуется гальваническая развязка. Преобразовать сигналы RS-232C в токовую петлю несложно — на рис. 1.14 приведена простейшая схема преобразователя применительно к подключению терминала. Для получения двуполярного сигнала, требуемого для входных сигналов СОМ-порта, применяется питание от интерфейса. Схема может быть усложнена для защиты оптронов от перегрузки и улучшения формы потенциальных сигналов. Допустимая скорость определяется и быстродействием применяемых оптронов (скорость 9600 бит/с достигается практически на любых оптронах).

Рисунок 1.14 - Преобразование интерфейса RS-232C в "токовую петлю"
1.3.3 Системная поддержка СОМ-портов
СОМ-порты поддерживаются сервисом BIOS Int 14h, который обеспечивает следующие функции:
- инициализация (установка скорости обмена и формата посылок; запрет источников прерываний) — на сигналы DTR и RTS влияния не оказывает (после аппаратного сброса они пассивны);
- вывод символа — активируются сигналы DTR и RTS, и после освобождения регистра THR в него помещается выводимый символ;
- ввод символа — активируется только сигнал DTR (RTS переходит в пассивное состояние), и ожидается готовность принятых данных;
- опрос состояния модема и линии (чтение регистров MSR и LSR).
Аппаратные прерывания не используются, ожидание готовности ввода и вывода ограничивается по тайм-ауту. Готовность можно быстро проверить опросом состояния.
В процессе начального тестирования POST BIOS проверяет наличие последовательных портов (регистров UART 8250 или совместимых) по стандартным адресам и помещает базовые адреса обнаруженных портов в ячейки BIOS Data Area 0:0400, 0402, 0404, 0406. Эти ячейки хранят адреса портов с логическими именами СОМ1-COM4. Нулевое значение адреса является признаком отсутствия порта с данным номером. В ячейки ОЮ47С, 047D, 047Е, 047F заносятся константы, задающие тайм-ауты для портов.
Обнаруженные порты инициализируются на скорость обмена 2400 бит/с, 7 бит данных с контролем на четность (even), 1 стоп-бит. Управляющие сигналы интерфейса DTR и RTS переводятся в исходное состояние ("выключено" — положительное напряжение).
1.3.4 Конфигурирование СОМ-портов
Компьютер может иметь до четырех последовательных портов СОМ 1 -COM4; для машин класса AT типично наличие двух портов. Управление последовательным портом разделяется на два этапа — предварительное конфигурирование (Setup) аппаратных средств порта и текущее (оперативное) переключение режимов работы прикладным или системным ПО. Конфигурирование СОМ-порта зависит от его исполнения. Порт на плате расширения конфигурируется джамперами на самой плате. Порт на системной плате конфигурируется через BIOS Setup.
Конфигурированию подлежат перечисленные ниже параметры:
- Базовый адрес, который для портов СОМ1-СОМ4 обычно имеет значение 3F8h, 2F8h, 3E8h и 2E8h. При инициализации BIOS проверяет наличие пор тов по адресам именно в этом порядке и присваивает обнаруженным портам •логические имена СОМ1, COM2, COM3 и COM4. Для портов COM3 и COM4 возможны альтернативные адреса 3EOh, 338h и 2EOh, 238h соответственно. Для PS/2 стандартными для портов СОМЗ-СОМ8 являются адреса 3220h, 3228h, 4220h, 4228h, 5220h и 5228h соответственно.
- Используемая линия запроса прерывания: для СОМ 1 и COM3 обычно используется IRQ4 или IRQ11, для COM2 и COM4 — IRQ3 или IRQ10. В принципе номер прерывания можно назначать в произвольных сочетаниях с базовым адресом (номером порта), но некоторые программы и драйверы (например, драйверы последовательной мыши) настроены на стандартные сочетания. Каждому порту, нуждающемуся в аппаратном прерывании, назначают отдельную линию, не совпадающую с линиями запроса прерываний других устройств. Прерывания необходимы для портов, к которым подключаются устройства ввода, UPS или модемы. При подключении принтера или плоттера прерываниями пользуются только многозадачные ОС (не всегда), и этот дефицитный ресурс PC можно сэкономить. Также прерывания обычно не задействуют при связи двух компью теров нуль-модемным кабелем. Возможность разделяемого использования одной линии запроса несколькими портами (или ее разделения с другими устройствами) зависит от реализации аппаратного подключения и ПО. При ис пользовании портов, установленных на шину ISA, разделяемые прерывания обычно не работают.
- Канал DMA (для микросхем UART 16450/16550, расположенных на системной плате) — разрешение использования и номер канала DMA. Режим DMA при работе с СОМ-портами используют редко.
1.3.5 Использование СОМ-портов
СОМ-порт широко применяется для подключения различных периферийных и коммуникационных устройств, связи с различным технологическим оборудованием, объектами управления и наблюдения, программаторами, внутрисхемными эмуляторами и прочими устройствами, используя протокол RS-232C. СОМ-порты чаще всего применяют для подключения манипуляторов (мышь, трекбол). В этом случае порт используется в режиме последовательного ввода. Мышь с последовательным интерфейсом — Serial Mouse — может подключаться к любому исправному порту. Для согласования разъемов порта и мыши возможно применение переходника DB-9S-DB-25P или DB-25S-DB-9P. Для мыши требуется прерывание, для порта СОМ1 — IRQ4, для COM2 — IRQ3. То, что для использования мыши порт СОМ1 должен использовать прерывание IRQ4, является особенностью ее драйвера, но для пользователя важен сам факт ограничения. Каждое событие — перемещение мыши или нажатие-отпускание кнопки — кодируется двоичной посылкой по интерфейсу RS-232C. Применяется асинхронная передача; двуполярное питание обеспечивается от управляющих линий интерфейса.
Для подключения внешних модемов используется полный (9-проводный) кабель АПД-АКД. Этот же кабель используется для согласования разъемов (по количеству контактов); возможно применение переходников 9-25, предназначенных для мыши. Для работы коммуникационного ПО обычно требуются прерывания, но здесь есть свобода выбора номера (адреса) порта и линии прерывания. Если предполагается работа на скоростях 9600 бит/с и выше, то СОМ-порт должен быть реализован на микросхеме UART 16550А или совместимой. Возможности работы с использованием FIFO-буферов и обмена по каналам DMA зависят от коммуникационного ПО.
Для связи двух компьютеров, удаленных друг от друга на небольшое расстояние, используют и непосредственное соединение их СОМ-портов нуль-модемным кабелем. Программы типа Norton Commander или Interlnk MS-DOS позволяют обмениваться файлами со скоростью до 115,2 Кбит/с без применения аппаратных прерываний. Это же соединение может использоваться и сетевым пакетом Lantastic, предоставляющим более развитый сервис, и средствами ОС Windows.
СОМ-порт позволяет выполнять подключение электронных ключей (Security Devices), предназначенных для защиты от нелицензированного использования ПО. Эти устройства могут быть как "прозрачными" (обеспечивающими возможность подключения периферии через тот же порт), так и полностью занимающими порт.
СОМ-порт при наличии соответствующей программной поддержки позволяет превратить PC в терминал, эмулируя систему команд распространенных специализированных терминалов (VT-52, VT-100 и т. д.). Простейший терминал получается, если замкнуть друг на друга функции BIOS обслуживания СОМ-порта (Int 14h), телетайпного вывода (Int 10h) и клавиатурного ввода (Int 16h). Однако такой терминал будет работать лишь на малых скоростях обмена (если, конечно, его делать не на Pentium), поскольку функции BIOS хоть и универсальны, но не слишком быстры.
СОМ-порт может использоваться и как двунаправленный интерфейс, у которого имеется три программно-управляемых выходных линии (TD, DTP, RTS) и четыре программно-читаемых входных линии (CIS, DSR, DCD, RI) с двуполярными сигналами. Их можно использовать, например, для программной реализации синхронных последовательных интерфейсов и других целей. Во времена АТ-286 была известна схема однобитного широтно-импульсного преобразователя, позволяющего записывать звуковой сигнал на диск PC, используя входную линию СОМ-порта. Воспроизведение этой записи через обычный динамик PC позволяло передать речь.
1.4 Последовательные шины USB и Fire Wire
Последовательные шины позволяют объединять множество устройств, используя всего 1-2 пары проводов. Функциональные возможности этих шин гораздо шире, чем у традиционных интерфейсов локальных сетей, — USB и FireWire способны передавать изохронный трафик аудио- и видеоданных. Последовательные шины по своей организации сильно отличаются от параллельных. В последовательных шинах нет отдельных линий для данных, адреса и управления — все протокольные функции приходится выполнять, пользуясь одной или двумя (в FireWire) парами сигнальных проводов. Это накладывает отпечаток на построение шинного протокола, который в последовательных шинах строится на основе пересылок пакетов — определенным образом организованных цепочек бит. Заметим, что в терминологии USB пакеты и кадры имеют несколько иную трактовку, нежели в сетях передачи данных. В параллельных шинах имеются возможности явной синхронизации интерфейсной части ведущих и ведомых устройств; исполнение каждого шага протокола обмена может быть подтверждено, и, при необходимости, некоторые фазы обмена могут продлеваться по "просьбе" не успевающего устройства. В последовательных шинах такой возможности нет — пакет пересылается целиком, а синхронизация возможна только по принимаемому потоку бит. Эти и другие особенности сближают последовательные шины с локальными сетями передачи данных.
Наибольшую популярность имеют шины USB и FireWire, хотя последняя пока что в PC-совместимых компьютерах используется не повсеместно. Последовательные шины FireWire и USB, имея общие черты, являются, тем не менее, существенно различными технологиями. Обе шины обеспечивают простое подключение большого числа ПУ (127 для USB и 63 для FireWire), допуская коммутации и включение/выключение устройств при работающей системе. По структуре топология обеих шин достаточно близка, но FireWire допускает большую свободу и пространственную протяженность. Хабы USB входят в состав многих устройств и для пользователя их присутствие зачастую незаметно. Обе шины имеют линии питания устройств, но допустимая мощность для FireWire значительно выше. Обе шины поддерживают технологию PnP (автоматическое конфигурирование при включении/выключении) и снимают проблему дефицита адресов, каналов DMA и прерываний. Различаются пропускная способность и управление шинами.
Шина USB ориентирована на периферийные устройства, подключаемые к PC. Изохронные передачи USB позволяют передавать цифровые аудиосигналы, а шина USB 2.0 способна нести и видеоданные. Все передачи управляются централизованно, и PC является необходимым управляющим узлом, находящимся в корне древовидной структуры шины. Адаптер USB пользователи современных ПК получают почти бесплатно, поскольку он входит в состав всех современных чипсетов системных плат. Правда, адаптеры USB 2.0 первое время будут выпускаться в виде карт PCI. Непосредственное соединение нескольких PC шиной USB не предусматривается, хотя выпускаются "активные кабели" для связи пары компьютеров и устройства-концентраторы.
Шина FireWire ориентирована на устройства бытовой электроники, которые с ее помощью могут быть объединены в единую домашнюю сеть. К этой сети может быть подключен компьютер, и даже не один. Принципиальным преимуществом шины 1394 является отсутствие необходимости в специальном контроллере шины (компьютере). Любое передающее устройство может получить полосу изохронного трафика и начинать передачу по сигналу автономного или дистанционного управления — приемники "услышат" эту информацию. При наличии контроллера соответствующее ПО может управлять работой устройств, реализуя, например, цифровую студию нелинейного видеомонтажа или снабжая требуемыми мультимедийными данными всех заинтересованных потребителей информации.
1.4.1 Шина USB
USB (Universal Serial Bus — универсальная последовательная шина) является промышленным стандартом расширения архитектуры PC, ориентированным на интеграцию с телефонией и устройствами бытовой электроники. Версия 1.0 была опубликована в начале 1996 года, большинство устройств поддерживает версию 1.1, которая вышла осенью 1998 года, — в ней были устранены обнаруженные проблемы первой редакции. Весной 2000 года опубликована спецификация USB 2.0, в которой предусмотрено 40-кратное повышение пропускной способности шины. Первоначально (в версиях 1.0 и 1.1) шина обеспечивала две скорости передачи информации: полная скорость FS (full speed) — 12 Мбит/с и низкая скорость LS (Low Speed) — 1,5 Мбит/с. В версии 2.0 определена еще и высокая скорость HS (High Speed) — 480 Мбит/с, которая позволяет существенно расширить круг устройств, подключаемых к шине. В одной и той же системе могут присутствовать и одновременно работать устройства со всеми тремя скоростями. Шина с использованием промежуточных хабов позволяет соединять устройства, удаленные от компьютера на расстояние до 25 м. Подробную и оперативную информацию по USB (на английском языке) можно найти по адресу http://www.usb.org.
USB обеспечивает обмен данными между хост-компьютером и множеством периферийных устройств (ПУ). Согласно спецификации USB, устройства (devices) могут являться хабами, функциями или их комбинацией. Устройство-дгйб (hub) только обеспечивает дополнительные точки подключения устройств к шине. Устройство-функция (function) USB предоставляет системе дополнительные функциональные возможности, например подключение к ISDN, цифровой джойстик, акустические колонки с цифровым интерфейсом и т. п. Комбинированное устройство (compound device), содержащее несколько функций, представляется как хаб с подключенными к нему несколькими устройствами. Устройство USB должно иметь интерфейс USB, обеспечивающий полную поддержку протокола USB, выполнение стандартных операций (конфигурирование и сброс) и предоставление информации, описывающей устройство. Работой всей системы USB управляет хост-контроллер (host controller), являющийся программно-аппаратной подсистемой хост-компьютера. Шина позволяет подключать, конфигурировать, использовать и отключать устройства во время работы хоста и самих устройств. Шина USB является хост-центрической: единственным ведущим устройством, которое управляет обменом, является хост-компьютер, а все присоединенные к ней периферийные устройства — исключительно ведомые. Физическая топология шины USB — многоярусная звезда. Ее вершиной является хост-контроллер, объединенный с корневым хабом (root hub), как правило, двухпортовым. Хаб является устройством-разветвителем, он может являться и источником питания для подключенных к нему устройств. К каждому порту хаба может непосредственно подключаться периферийное устройство или промежуточный хаб; шина допускает до 5 уровней каскадирования хабов (не считая корневого). Поскольку комбинированные устройства внутри себя содержат хаб, их подключения к хабу 6-го яруса уже недопустимо. Каждый промежуточный хаб имеет несколько нисходящих (downstream) портов для подключения периферийных устройств (или нижележащих хабов) и один восходящий (upstream) порт для подключения к корневому хабу или нисходящему порту вышестоящего хаба. Логическая топология USB — просто звезда: для хост-контроллера хабы создают иллюзию непосредственного подключения каждого устройства. В отличие от шин расширения (ISA, PCI, PC Card), где программа взаимодействует с устройствами посредством обращений по физическим адресам ячеек памяти, портов ввода-вывода, прерываниям и каналам DMA, взаимодействие приложений с устройствами USB выполняется только через программный интерфейс. Этот интерфейс, обеспечивающий независимость обращений к устройствам, предоставляется системным ПО контроллера USB.
В отличие от громоздких дорогих шлейфов параллельных шин AT А и особенно шины SCSI с ее разнообразием разъемов и сложностью правил подключения, кабельное хозяйство USB простое и изящное. Кабель USB содержит одну экранированную витую пару с импедансом 90 Ом для сигнальных цепей и одну неэкранированную для подачи питания (+5 В), допустимая длина сегмента — до 5 м. Для низкой скорости может использоваться невитой неэкранированный кабель длиной до 3 м (он дешевле). Система кабелей и коннекторов USB не дает возможности ошибиться при подключении устройств (рис. 1.15, а и б). Для распознавания разъема USB на корпусе устройства ставится стандартное символическое обозначение (рис. 1.15, в). Гнезда типа "А" устанавливаются только на нисходящих портах хабов, вилки типа "А" — на шнурах периферийных устройств или восходя щих портов хабов. Гнезда и вилки типа "В" используются только для шнуров, отсоединяемых от периферийных устройств и восходящих портов хабов (от "мелких" устройств — мышей, клавиатур и т. п. кабели, как правило, не отсоединяются). Кроме стандартных разъемов, показанных на рисунке 1.15, применяются и миниатюрные варианты (рис. 1.16, в, г, д). Хабы и устройства обеспечивают возможность "горячего" подключения и отключения. Для этого разъемы обеспечивают более раннее соединение и позднее отсоединение питающих цепей по отношению к сигнальным, кроме того, предусмотрен протокол сигнализации подключения и отключения устройств. Назначение выводов разъемов USB приведено в табл. 1.6, нумерация контактов показана на рис. 1.16. Все кабели USB "прямые" — в них соединяются одноименные цепи разъемов.

Рисунок 1.15 - Коннекторы USB: a — вилка типа "А", б—вилка типа "В", в — символическое обозначение

А б в г д
Рисунок 1.16 - Гнезда USB: а — типа "А", б — типа "В" стандартное, в,г,д — миниатюрные типа "В"
В шине используется дифференциальный способ передачи сигналов D+ и D- по двум проводам. Скорость устройства, подключенного к конкретному порту, определяется хабом по уровням сигналов на линиях D+ и D-, смещаемых нагрузочными резисторами приемопередатчиков: устройства с низкой скоростью "подтягивают" к высокому уровню линию D-, с полной — D+. Подключение устройства HS определяется на этапе обмена конфигурационной информацией — физически на первое время устройство HS должно подключаться как FS. Передача по двум проводам в USB не ограничивается дифференциальными сигналами. Кроме дифференциального приемника, каждое устройство имеет линейные приемники сигналов D+ и D-, а передатчики этих линий управляются индивидуально. Это позволяет различать более двух состояний линии, используемых для организации аппаратного интерфейса.
Введение высокой скорости (480 Мбит/с — всего в 2 раза медленнее, чем Gigabit Ethernet) требует тщательного согласования приемопередатчиков и линии связи. На этой скорости может работать только кабель с экранированной витой парой для сигнальных линий. Для высокой скорости аппаратура USB должна иметь дополнительные специальные приемопередатчики. В отличие от формирователей потенциала для режимов FS и LS, передатчики HS являются источниками тока, ориентированными на наличие резисторов-терминаторов на обеих сигнальных линиях.
Скорость передачи данных (LS, FS или HS) выбирается разработчиком периферийного устройства в соответствии с потребностями этого устройства. Реализация низких скоростей для устройства обходится несколько дешевле (приемопередатчики проще, а кабель для LS может быть и неэкранированной невитой парой). Если в "старой" USB устройства можно было, не задумываясь, подключать в любой свободный порт любого хаба, то в USB 2.0 при наличии устройств и хабов разных версий появились возможности выбора между оптимальными, неоптимальными и неработоспособными конфигурациями.
Хабы USB 1.1 обязаны поддерживать скорости FS и LS, скорость подключенного к хабу устройства определяется автоматически по разности потенциалов сигнальных линий. Хабы USB 1.1 при передаче пакетов являются просто повторителями, обеспечивающими прозрачную связь периферийного устройства с контроллером. Передачи на низкой скорости довольно расточительно расходуют потенциальную пропускную способность шины: за то время, на которое они занимают шину, высокоскоростное устройство может передать данных в 8 раз больше. Но ради упрощения и удешевления всей системы на эти жертвы пошли, а за распределением полосы между разными устройствами следит планировщик транзакций хост-контроллера.
В спецификации 2.0 скорость 480 Мбит/с должна уживаться с прежними, но при таком соотношении скоростей обмены на FS и LS "съедят" возможную полосу пропускания шины без всякого "удовольствия" (для пользователя). Чтобы этого не происходило, хабы USB 2.0 приобретают черты коммутаторов пакетов. Если к порту такого хаба подключено высокоскоростное устройство (или аналогичный хаб), то хаб работает в режиме повторителя, и транзакция с устройством на HS занимает весь канал до хост-контроллера на все время своего выполнения. Если же к порту хаба USB 2.0 подключается устройство или хаб 1.1, то по части канала до контроллера пакет проходит на скорости HS, запоминается в буфере хаба, а к старому устройству или хабу идет уже на его "родной" скорости FS или LS. При этом функции контроллера и хаба 2.0 (включая и корневой) усложняются, поскольку транзакции на FS и LS расщепляются и между их частями вклиниваются высокоскоростные передачи. От старых (1.1) устройств и хабов все эти тонкости скрываются, что и обеспечивает обратную совместимость. Вполне понятно, что устройство USB 2.0 сможет реализовать высокую скорость, только если по пути от него к хост-контроллеру (тоже 2.0) будут встречаться только хабы 2.0. Если это правило нарушить и между ним и контроллером 2.0 окажется старый хаб, то связь может быть установлена только в режиме FS. Если такая скорость устройство и клиентское ПО устроит (к примеру, для принтера и сканера это выльется только в большее время ожидания пользователя), то подключенное устройство работать будет, но появится сообщение о неоптимальной конфигурации соединений. По возможности ее (конфигурацию) следует исправить, благо переключения кабелей USB можно выполнять на ходу. Устройства и ПО, критичные к полосе пропускания шины, в неправильной конфигурации работать откажутся и категорично потребуют переключений. Если же хост-контроллер старый, то все преимущества USB 2.0 окажутся недоступными пользователю. В этом случае придется менять хост-контроллер (менять системную плату или приобретать PCI-карту контроллера). Контроллер и хабы USB 2.0 позволяют повысить суммарную пропускную способность шины и для старых устройств. Если устройства FS подключать к разным портам хабов USB 2.0 (включая и корневой), то для них суммарная пропускная способность шины USB возрастет по сравнению с 12 Мбит/с во столько раз, сколько используется портов высокоскоростных хабов.
Хаб является ключевым элементом системы PnP в архитектуре USB. Хаб выполняет множество функций:
- обеспечивает физическое подключение устройств, формируя и воспринимая сигналы в соответствии со спецификацией шины на каждом из своих портов;
- управляет подачей питающего напряжения на нисходящие порты, причем предусматривается установка ограничения на ток, потребляемый каждым портом;
- отслеживает состояние подключенных к нему устройств, уведомляя хост об изменениях;
- обнаруживает ошибки на шине, выполняет процедуры восстановления и изолирует неисправные сегменты шины;
- обеспечивает связь сегментов шины, работающих на разных скоростях.
Хаб следит за сигналами, генерируемыми устройствами. Неисправное устройство может не вовремя "замолчать" (потерять активность) или, наоборот, что-то "бормотать" (babble). Эти ситуации отслеживает ближайший к устройству хаб и запрещает восходящие передачи от такого устройства не позже, чем по границе (мик-ро)кадра. Благодаря бдительности хабов эти ситуации не позволят неисправному устройству заблокировать всю шину.
Каждый из нисходящих (downstream) портов может быть разрешен или запрещен, а также сконфигурирован на высокую, полную или ограниченную скорость обмена. Хабы могут иметь световые индикаторы состояния нисходящих портов, управляемые автоматически (логикой хаба) или программно (хост-контроллером). Индикатор может представлять собой пару светодиодов — зеленый и желтый (янтарный) или один светодиод с изменяющимся цветом. Состояние порта представляется следующим образом:
- не светится — порт не используется;
- зеленый — нормальная работа;
- желтый — ошибка;
- зеленый мигающий — программа требует внимания пользователя (Software attention);
- желтый мигающий — аппаратура требует внимания пользователя (Hardware attention).
Восходящий (upstream) порт хаба конфигурируется и внешне представляется как полноскоростной или высокоскоростной (только для USB 2.0). При подключении порт хаба USB 2.0 обеспечивает терминацию по схеме FS, в режим HS он переводится только по команде контроллера.
На рис. 1.17 приведен вариант соединения устройств и хабов, где высокоскоростным устройством USB 2.0 является только телекамера, передающая видеопоток без компрессии. Подключение принтера и сканера USB 1.1 к отдельным портам хаба 2.0, да еще и развязка их с аудиоустройствами, позволяет им использовать полосу шины по 12 Мбит/с каждому. Таким образом, из общей полосы 480 Мбит/с на "старые" устройства (USB 1.0) выделяется 3x12=36 Мбит/с. Вообще-то можно говорить и о полосе в 48 Мбит/с, поскольку клавиатура и мышь подключены к отдельному порту хост-контроллера USB 2.0, но эти устройства "освоят" только малую толику из выделенных им 12 Мбит/с. Конечно, можно подключать клавиатуру и мышь к порту внешнего хаба, но с точки зрения повышения надежности системные устройства ввода лучше подключать наиболее коротким (по количеству кабелей, разъемов и промежуточных устройств) способом. Неудачной конфигурацией было бы подключение принтера (сканера) к хабу USB 1.1 — во время работы с аудиоустройствами (если они высокого качества) скорость печати (сканирования) будет падать. Неработоспособной конфигурацией явилось бы подключение телекамеры к порту хаба USB 1.1.
При планировании соединений следует учитывать способ питания устройств: устройства, питающиеся от шины, как правило, подключают к хабам, питающимся от сети. К хабам, питающимся от шины, подключают лишь маломощные устройства — так, к клавиатуре USB, содержащей внутри себя хаб, подключают мышь USB и другие устройства-указатели (трекбол, планшет).
Управление энергопотреблением является весьма развитой функцией USB. Для устройств, питающихся от шины, мощность ограничена. Любое устройство при подключении не должно потреблять от шины ток, превышающий 100 мА. Рабочий ток (не более 500 мА) заявляется в конфигурации. Если хаб не может обеспечить устройству заявленный ток, оно не конфигурируется и, следовательно, не может быть использовано.
Устройство USB должно поддерживать режим приостановки (suspended mode), в котором его потребляемый ток не превышает 500 мкА. Устройство должно автоматически приостанавливаться при прекращении активности шины.

Рисунок 1.17 - Пример конфигурации соединений
Возможность удаленного пробуждения (remote wakeup) позволяет приостановленному устройству подать сигнал хост-компьютеру, который тоже может находиться в приостановленном состоянии. Возможность удаленного пробуждения описывается в конфигурации устройства. При конфигурировании эта функция может быть запрещена.
1.4.2 Применение шины USB
Благодаря своей универсальности и способности эффективно передавать разнородньш трафик, шина USB применяется для подключения к PC самых разнообразных устройств. Она призвана заменить традиционные порты PC — СОМ и LPT, а также порты игрового адаптера и интерфейса MIDI. Спецификация USB 2.0 позволяет говорить и о подключении традиционных "клиентов" шин АТА и SCSI, а также захвате части ниши применения шины FireWire. Привлекательность USB придает возможность подключения/отключения устройств на ходу и возможность их использования практически сразу, без перезагрузки ОС. Удобна и возможность подключения большого количества (до 127) устройств к одной шине, правда, при наличии хабов. Хост-контроллер интегрирован в большинство современных системных плат. Выпускаются и карты расширения с контроллерами USB (обычно для шины PCI). Однако повсеместное применение USB сдерживается недостаточной активностью разработчиков ПО (производителей оборудования): просматривая перечни устройств, мы видим, что для всех указывается поддержка в Windows 98/SE/ME, а вот в графах Linux, MacOS, Unix и даже Windows 2000 часто стоят неприятные пометки N/A (Not Allowed — "не дозволено"). Для того чтобы система USB заработала, необходимо, чтобы были загружены драйверы хост-контроллера (или контроллеров, если их несколько). При подключении устройства к шине USB ОС Windows выдает сообщение "Обнаружено новое устройство" и, если устройство подключается впервые, предлагает загрузить для него драйверы. Многие модели устройств уже известны системе, и драйверы входят в дистрибутив ОС. Однако может потребоваться и драйвер изготовителя устройства, который должен входить в комплект поставки устройства, или его придется искать в Сети. К сожалению, не все драйверы работают корректно — "сырой" драйвер начальной версии, возможно, потребуется заменить более "правильным", чтобы устройство нормально опознавалось и хорошо работало. Но это общее горе пользователей любых устройств, а не только устройств для шины USB.
Перечислим основные области применения USB.
Устройства ввода — клавиатуры, мыши, трекболы, планшетные указатели и т. п. Здесь USB предоставляет для различных устройств единый интерфейс. Целесообразность использования USB для клавиатуры неочевидна, хотя в паре с мышью USB (подключаемой к порту хаба, встроенного в клавиатуру) сокращается количество кабелей, тянущихся от системного блока на стол пользователя.
Принтеры. USB 1.1 обеспечивает примерно ту же скорость, что и LPT-порт в режиме ЕСР, но при использовании USB не возникает проблем с длиной кабеля и подключением нескольких принтеров к одному компьютеру (правда, требуются хабы). USB 2.0 позволит ускорить печать в режиме высокого разрешения за счет сокращения времени на передачу больших массивов данных. Однако есть проблема со старым ПО, которое непосредственно работает с LPT- портом на уровне регистров, — на принтер USB оно печатать не сможет.
Сканеры. Применение USB позволяет отказаться от контроллеров SCSI или от занятия LPT-порта. USB 2.0 при этом позволит еще и повысить скорость передачи данных.
Аудиоустройства — колонки, микрофоны, головные телефоны (наушники). USB позволяет передавать потоки аудиоданных, достаточные для обеспечения самого высокого качества. Передача в цифровом виде от самого источника сигнала (микрофона со встроенным преобразователем и адаптером) до приемника и цифровая обработка в хост-компьютере позволяют избавиться от наводок, свойственных аналоговой передачи аудиосигналов. Использование этих аудио-компонентов позволяет в ряде случаев избавиться от звуковой карты компьютера — аудиокодек (АЦП и ЦАП) выводится за пределы компьютера, а все функции обработки сигналов (микшер, эквалайзер) реализуются центральным процессором чисто программно. Аудиоустройства могут и не иметь собственно колонок и микрофона, а ограничиться преобразователями и стандартными гнездами ("Джеками") для подключения обычных аналоговых устройств.
Музыкальные синтезаторы и MIDI-контроллеры с интерфейсом USB. Шина USB позволяет компьютеру обрабатывать потоки множества каналов MIDI (пропускная способность традиционного интерфейса MIDI уже гораздо ниже возможностей компьютера).
Видео- и фотокамеры. USB 1.1 позволяет передавать статические изображения любого разрешения за приемлемое время, а также передавать поток видеоданных (живое видео) с достаточной частотой кадров (25-30 Кбит/с) только с невысоким разрешением или сжатием данных, от которого, естественно, страдает качество изображения. USB 2.0 позволяет передавать поток видеоданных высокого разрешения без сжатия (и потери качества). С интерфейсом USB выпускают как камеры, так и устройства захвата изображения с телевизионного сигнала и TV-тюнеры.
Коммуникации. С интерфейсом USB выпускают разнообразные модемы, включая кабельные и xDSL, адаптеры высокоскоростной инфракрасной связи (IrDA FIR) — шина позволяет преодолеть предел скорости СОМ-порта (115,2 Кбит/с), не повышая загрузку центрального процессора. Выпускаются и сетевые адаптеры Ethernet, подключаемые к компьютеру по USB. Для соединения нескольких компьютеров в локальную сеть выпускаются специальные устройства, выполняющие коммутацию пакетов между компьютерами. Непосредственно (без дополнительных устройств) портами USB соединить между собой даже два компьютера нельзя — на одной шине может присутствовать лишь один хост-контроллер (см. выше). Специальное устройство для связи пары компьютеров выглядит как "таблетка", врезанная в кабель USB с двумя вилками типа "А" на концах. Объединение более двух компьютеров осложняется и топологиче скими ограничениями USB: длина одного сегмента кабеля не должна превышать 5 м, а использовать хабы для увеличения дальности неэффективно (каждый хаб дает всего 5 м дополнительного удаления).
Преобразователи интерфейсов позволяют через порт USB, имеющийся теперь практически на всех компьютерах, подключать устройства с самыми разнообразными интерфейсами: Centronics и IEEE 1284 (LPT-порты), RS-232C (эмуляция UART 16550A — основы СОМ-портов) и другие последовательные интерфейсы (RS-422, RS-485, V.35...), эмуляторы портов клавиатуры и даже Game-порта, переходники на шину AT A, ISA, PC Card и любые другие, для которых достаточно производительности. Здесь USB становится палочкой-выручалочкой, когда встает проблема 2-го (3-го) LPT- или СОМ-порта в блокнотном ПК и в других ситуациях. При этом ПО преобразователя может обеспечить эмуляцию классического варианта "железа" стандартных портов IBM PC, но только под управлением ОС защищенного режима. Приложение MS-DOS может обращаться к устройствам по адресам ввода-вывода, памяти, прерываниями, каналами DMA, но только из сеанса MS-DOS, открытого в ОС с поддержкой USB (чаще это Windows). При загрузке "голой" MS-DOS "палочка-выручалочка" не работает. Преобразователи интерфейсов позволяют продлить жизнь устройствам с традиционными интерфейсами, изживаемыми из PC спецификациями РС'99 и РС'2001. Скорость передачи данных через конвертер USB — LPT может оказаться даже выше, чем у реального LPT-порта, работающего в режиме SPP.
Устройства хранения — винчестеры, устройства чтения и записи CD и DVD, стриммеры — при использовании USB 1.1 получают скорость передачи, соизмеримую со скоростью их подключения к LPT, но более удобный интерфейс (как аппаратный, так и программный). При переходе на USB 2.0 скорость передачи данных становится соизмеримой с АТА и SCSI, а ограничений по количеству устройств достичь трудно. Особенно интересно использование USB для электронных устройств энергонезависимого хранения (на флэш-памяти) — такой накопитель может быть весьма компактным (размером с брелок для ключей) и емким (пока 16-256 Мбайт, в перспективах — гигабайт и более). Выпускаются устройства для мобильного подключения накопителей с интерфейсом АТА-ATAPI — по сути, это лишь преобразователи интерфейсов, помещенные в коробку-отсек формата 5" или 3,5", а иногда выполненные прямо в корпусе 36-контактного разъема АТА. Имеются и устройства чтения-записи карт SmartMedia Card и CompactFlash Card.
Игровые устройства — джойстики всех видов (от "палочек" до автомобильных рулей), пульты с разнообразными датчиками (непрерывными и дискретными) и исполнительными механизмами (почему бы не сделать кресло автогонщика с вибраторами и качалками?) — подключаются унифицированным способом. При этом исключается ресурсопожирающий интерфейс старого игрового адаптера (упраздненного уже в спецификации РС'99).
Телефоны — аналоговые и цифровые (ISDN). Подключение телефонного аппарата позволяет превратить компьютер в секретаря с функциями автодозвона, автоответчика, охраны и т. п.
Мониторы — здесь шина USB используется для управления параметрами монитора. Монитор сообщает системе свой тип и возможности (параметры синхронизации) — это делалось и без USB по шине DDC. Однако USB-мониторы позволяют системе еще и управлять ими — регулировки яркости, контраста, цветовой температуры и т. п. могут теперь выполняться программно, а не только от кнопок лицевой панели монитора. В мониторы, как правило, встраивают хабы. Это удобно, поскольку настольную периферию не всегда удобно включать в "подстольный" системный блок.
Электронные ключи — устройства с любым уровнем интеллектуальности защиты — могут быть выполнены в корпусе вилок USB. Они гораздо компактнее и мобильнее аналогичных устройств для СОМ- и LPT-портов.
Конечно же, перечисленными классами устройств сфера применения шины USB не ограничивается.
Хабы USB выпускаются как в виде отдельных устройств, так и встраиваются в периферийные устройства (клавиатуры, мониторы). Как правило, хабы питаются от сети переменного тока (они должны питать подключаемые устройства). Выпускают и хабы, устанавливаемые внутрь системного блока компьютера и питающиеся от его блока питания. Такие хабы дешевле внешних и не требуют дополнительной питающей розетки. Один из вариантов исполнения — установка хаба на скобку, монтируемую в окно для дополнительных разъемов. Доступ к их разъемам со "спины" системного блока не очень удобен для пользователей. Другой вариант — хаб, устанавливаемый в 3"-отсек. Его разъемы легкодоступны, индикаторы состояния портов хорошо видны, но не всегда удобны кабели, выходящие с передней панели системного блока. С другой стороны, для подключения электронных ключей (если их приходится часто менять) или миниатюрных накопителей этот вариант — самый удобный.
Недавно появились и новые вспомогательные устройства, увеличивающие дальность связи (distance extender). Это пара устройств, соединяемых между собой обычным кабелем "витая пара" (или оптоволокном), включаемая между периферийным устройством и хабом. "Удлинитель" со стороны периферии может иметь и хаб на несколько портов. К сожалению, увеличение дистанции упирается в ограничения на время задержки сигнала, свойственные протоколу шины USB, и достижимо лишь удаление до 100 м. Но даже и эта длина позволяет расширить сферу применения USB, например для удаленного видеонаблюдения.
1.4.3 Разработка собственных устройств USB
Несмотря на довольно сложный протокол обмена, интерфейсом USB можно снабдить и периферийные устройства собственной разработки. Для этого выпускается широкий ассортимент микросхем, со стороны USB различающихся скоростями обмена (LS, FS или HS), числом и возможностями конечных точек (тип передач, размер буфера). Функциональное назначение этих микросхем различно. С портом USB выпускаются микроконтроллеры на ядре MCS51, М68НС05, М68НС11 или RISC-архитектуры; они различаются объемом памяти (оперативной и энергонезависимой), производительностью, питанием, потреблением. Микроконтроллеры могут иметь встроенные устройства АЦП/ЦАП, дискретные линии ввода-вывода общего назначения, последовательные и параллельные порты различных типов. Их можно использовать для подключения устройств с любыми интерфейсами, сигнальных процессоров и т. п. Из этого ассортимента можно выбрать подходящую микросхему, на базе которой разрабатываемое устройство будет реализовано с минимальным числом дополнительных элементов. К микроконтроллерам прилагаются и средства разработки их встроенного ПО (firmware) — самой сложной части такого устройства. Есть микроконтроллеры с USB, способные работать без программирования энергонезависимой памяти; микроконтроллеры серии EzUSB фирмы Cypress Semiconductor каждый раз загружают свою программу в ОЗУ по шине USB из хост-компьютера в процессе подключения. Конечно, такая гибкость нужна не всегда, и до подключения к компьютеру устройство остается "мертвым".
Есть и периферийные микросхемы — порты USB, подключаемые к микроконтроллерам параллельной 8/16-битной шиной данных с обычным набором управляющих сигналов (CS#, RD#, WR#...), линией запроса прерывания и, возможно, сигналами канала DMA. Выпускаются и специализированные преобразователи интерфейсов USB в последовательный (RS-232, RS-422/485) и параллельный, не требующие программирования (нужно лишь записать в EEPROM идентификатор устройства). Есть и микросхемы USB, сочетающие в себе и функции, и хабы. Все варианты не перечислить, тем более что все время появляются новые микросхемы. Информацию о них можно найти в Сети (www.cypress.com, www.devasys.com, www.iged.com, www.microchip.com, www.netchip.com, www.motorola.com, www.semiconductor.philips.com, www.natsemi.com, www.intel.com, www.ftdichip.com, www.gigatechnology.com). Немаловажная часть разработки собственных устройств — программное обеспечение для хост-компьютера, которое доносит до пользователя всю пользу устройства. В ряде случаев удается воспользоваться готовыми драйверами (например, драйвером виртуального СОМ-порта для преобразователя интерфейса). В других случаях ПО приходится писать самостоятельно, и хорошо, когда изготовитель микросхем с USB заботится о предоставлении инструментальных средств разработки всех частей ПО.
2. ТЕСТИРОВАНИЕ ИНТЕРФЕЙСОВ
2.1 Тестирование параллельных портов
Тестирование параллельных портов разумно начинать с проверки их наличия в системе. Список адресов установленных портов появляется в таблице, выводимой BIOS на экран перед загрузкой ОС. Список можно посмотреть и с помощью тестовых программ или прямо в BIOS Data Area с помощью отладчика.
Если BIOS обнаруживает меньше портов, чем установлено физически, скорее всего, двум портам присвоен один и тот же адрес. При этом работоспособность ни одного из конфликтующих портов не гарантируется: они будут одновременно выводить сигналы, но при чтении регистра состояния конфликт на шине, скорее всего, приведет к искажению данных. Программное тестирование порта без диагностической заглушки (Loop Back) не покажет ошибок, поскольку при этом читаются данные выходных регистров, а они у всех конфликтующих (по отдельности исправных портов) совпадут. Именно такое тестирование производит BIOS при проверке на наличие портов. Разбираться с такой ситуацией следует, последовательно устанавливая порты и наблюдая за адресами, появляющимися в списке.
Если физически установлен только один порт, a BIOS его не обнаруживает, то либо порт отключен при конфигурировании, либо он вышел из строя (скорее всего из-за нарушений правил подключения). Если вам везет, неисправность устраняется "передергиванием" платы в слоте — там иногда возникают проблемы с контактами.
Наблюдаются и такие "чудеса" — при "теплой" перезагрузке DOS после Windows 95 порт не виден (и приложения не могут печатать из MS-DOS). Однако после повторной перезагрузки DOS порт оказывается на месте. С этим явлением легче смириться, чем бороться.
Тестирование портов с помощью диагностических программ позволяет проверить выходные регистры, а при использовании специальных заглушек — и входные линии. Поскольку количество выходных линий порта (12) и входных (5) различно, то полная проверка порта с помощью пассивной заглушки принципиально невозможна. Разные программы тестирования требуют применения разных заглушек (рис. 2.1).

Рисунок 2.1 - Схема заглушки для тестирования LPT-порта
Большинство неприятностей при работе с LPT-портами доставляют разъемы и кабели. Для проверки порта, кабеля и принтера можно воспользоваться специальными тестами из популярных диагностических программ (Checklt, PCCheck и т. п.). Можно попытаться просто вывести на принтер какой-либо символьный файл. - Если вывод файла с точки зрения DOS проходит (копирование файла на устройство с именем LPTn или PRN совершается быстро и успешно), а принтер (исправный) не напечатал ни одного символа — скорее всего, это обрыв (не контакт в разъеме) цепи Strobe*. Если принтер находится в состоянии On Line, а появляется сообщение о его неготовности, причину следует искать в линии Busy.
- Если принтер, подключенный к порту, в стандартном режиме (SPP) печатает нормально, а при переходе в режим ЕСР начинаются сбои, следует проверить кабель — соответствует ли он требованиям IEEE 1284 (см. выше). Дешевые кабели с неперевитыми проводами нормально работают на скоростях 50-100 Кбайт/с, но при скорости 1-2 Мбайт/с, обеспечиваемой ЕСР, имеют полное право не работать, особенно при длине более 2 м.
- Если при установке драйвера PnP-принтера появилось сообщение о необходимости применения "двунаправленного кабеля", проверьте наличие связи контакта 17 разъема DB-25 с контактом 36 разъема Centronics. Хотя эта связь изначально предусматривалась, в ряде кабелей она отсутствует.
- Если принтер искажает информацию при печати, возможен обрыв (или замыкание) линий данных. В этом случае удобно воспользоваться файлом, содержащим последовательность кодов всех печатных символов. Если файл печатается с повтором некоторых символов или их групп, по периодичности повтора можно легко вычислить оборванный провод данных интерфейса. Этот же файл удобно использовать для проверки аппаратной русификации принтера. Аппаратные прерывания от LPT-порта используются не всегда. Даже DOS-программа фоновой печати PRINT работает с портом по опросу состояния, а ее обслуживающий процесс запускается по прерыванию от таймера. Поэтому неисправности, связанные с цепью прерывания от порта, проявляются не часто. Однако по-настоящему многозадачные ОС (например, NetWare) стараются работать с портом по прерываниям. Протестировать линию прерывания можно, только подключив к порту ПУ или заглушку. Если к порту с неисправным каналом прерывания подключить адаптер локальной сети, то он, возможно, будет работать, но с очень низкой скоростью: на любой запрос ответ будет приходить с задержкой в десятки секунд — принятый из адаптера пакет будет приниматься не по прерыванию (сразу по приходу), а по внешнему тайм-ауту.
2.2 Тестирование СОМ-портов
Неполадки с СОМ-портами случаются (выявляются) при установке новых портов или неудачном подключении внешних устройств.
2.2.1 Проверка конфигурирования
Тестирование последовательных портов (как и параллельных) начинают с проверки их опознавания системой. Список адресов установленных портов обычно появляется в таблице, выводимой BIOS перед загрузкой ОС. Список можно посмотреть с помощью тестовых программ или прямо в BIOS Data AREA с помощью отладчика.
Если BIOS обнаруживает меньше портов, чем установлено физически, значит, двум портам присвоен один адрес или установлен нестандартный адрес какого-либо порта. Проблемы могут возникать с адресами портов COM3 и COM4: не все версии BIOS будут искать порты по альтернативным адресам 3EOh, 338h, 2EOh и 238h; иногда не производится поиск по адресам 3E8h и 2E8h. Нумерация найденных портов, отображаемая в заставке, может вводить в заблуждение: если установлены два порта с адресами 3F8h и 3E8h, в заставке они могут называться СОМ1 и COM2, и по этим именам на них можно ссылаться. Однако те же порты в заставке могут называться СОМ1 и COM3 (поскольку 3E8h является штатным адресом для COM3), но попытка сослаться на порт COM3 будет неудачной, поскольку в данном случае адрес 3E8h будет находиться в ячейке 0:402h BIOS Data Area, соответствующей порту COM2, а в ячейке порта COM3 (0:404h) будет нуль — признак отсутствия такового порта. "Объяснить" системе, где какой порт, можно вручную с помощью любого отладчика, занеся правильные значения базовых адресов в ячейки BIOS Data Area (это придется делать каждый раз после перезагрузки ОС перед использованием "потерянного" порта). Существуют тестовые утилиты, позволяющие находить порты (например, Port Finder).
Если двум портам назначен один и тот же адрес; тестовая программа обнаружит ошибки порта только с помощью внешней заглушки (ExternalLoopBacK). Программное тестирование порта без заглушки не покажет ошибок, поскольку при этом включается диагностический режим (см. описание UART) и конфликтующие (по отдельности исправные) порты будут работать параллельно, обеспечивая совпадение считываемой информации. В "реальной жизни" нормальная работа конфликтующих портов невозможна. Разбираться с конфликтом адресов удобно, последовательно устанавливая порты и наблюдая за адресами, появляющимися в списке.
Если физически установлен только один порт и его не обнаруживает BIOS, причины те же, что с LPT-портом: либо он отключен при конфигурировании, либо вышел из строя. Неисправность может устраниться при вынимании/вставке платы адаптера в слот системной шины.
При работе с СОМ-портом задействуются соответствующие аппаратные прерывания — их используют при подключении модема, мыши и других устройств ввода. Неработоспособность этих устройств может быть вызвана некорректной настройкой запроса прерывания. Здесь возможны как конфликты с другими устройствами, так и несоответствие номера прерывания адресу порта.
2.2.2 Функциональное тестирование
В первом приближении СОМ-порт можно проверить диагностической программой (Checklt) без использования заглушек. Этот режим тестирования проверяет микросхему UART (внутренний диагностический режим) и вырабатывание прерываний, но не входные и выходные буферные микросхемы, которые являются более частыми источниками неприятностей. Если тест не проходит, причину следует искать или в конфликте адресов/прерываний, или в самой микросхеме UART.
Для более достоверного тестирования рекомендуется использовать внешнюю заглушку, подключаемую к разъему СОМ-порта (рис. 2.2). В отличие от LРТ-порта у СОМ-порта количество входных сигналов превышает количество выходных, что позволяет выполнить полную проверку всех цепей. Заглушка соединяет выход приемника с входом передатчика. Обязательная для всех схем заглушек перемычка RTS-CTS позволяет работать передатчику — без нее символы не смогут передаваться. Выходной сигнал DTR обычно используют для проверки входных линий DSR, DCDnRI.

Рисунок 2.2 - Заглушка для проверки СОМ -портов (LoopBack для Checklt и Norton Diagnostics)
Если тест с внешней заглушкой не проходит, причину следует искать во внешних буферах, их питании или в ленточных кабелях, служащих для подключения внешних разъемов. Здесь может помочь осциллограф или вольтметр. Последовательность проверки может быть следующей:
1. Проверить наличие двуполярного питания выходных схем передатчиков (этот шаг логически первый, но/поскольку он технически самый сложный, его можно отложить на крайний случай, когда появится желание заменить буферные микросхемы).
2. Проверить напряжение на выходах TD, RTS и DTR: после аппаратного сброса на выходе TD должен быть отрицательный потенциал около -12 В (по край ней мере, ниже -5 В), а на выходах RTS и DTR — такой же положительный. Если этих потенциалов нет, возможна ошибка подключения разъема к плате через ленточный кабель. Распространенные варианты:
- ленточный кабель не подключен;
- ленточный кабель подключен неправильно (разъём перевернут или встав лен со смещением);
- раскладка ленточного кабеля не соответствует разъему платы.
Первые два варианта проверяются внимательным осмотром, третий же может потребовать некоторых усилий. В табл. 2.1 приведены три варианта раскладки 10-проводного ленточного кабеля для разъема СОМ- порта, известных автору; для СОМ-портов на системных платах возможно существование и других. Теоретически ленточный кабель должен поставляться в соответствии с разъемом.
Если дело в ошибочной раскладке, то эти три выходных сигнала удастся обнаружить на других контактах разъемов (на входных контактах потенциал совсем небольшой). Если эти сигналы обнаружить не удалось, очевидно, вышли из строя буферные формирователи.
3.Соединив контакты линий RTS и CTS (или установив заглушку), следует попытаться вывести небольшой файл на СОМ-порт (например, командой COPY С: \AUTOEXEC. ВАТ COMl:). С исправным портом эта команда успешно выполнится за несколько секунд с сообщением об успешном копировании. При этом потенциалы на выходах RTS и DTR должны измениться на отрицательные, а на выходе TD должна появиться пачка двуполярных импульсов с амплитудой более 5 В. Если потенциалы RTS и DTR не изменились, ошибка в буферных формирователях. Если на выходе RTS (и входе CTS) появился отрицательный потенциал, а команда COPY завершается с ошибкой, скорее всего, вышел из строя приемник линии CTS (или опять-таки ошибка в ленточном кабеле). Если команда COPY успешно проходит, а изменения на выходе TD не обнаруживаются (их можно увидеть стрелочным вольтметром, но оценить амплитуду импульсов не удастся), виноват буферный передатчик сигнала TD.
Замена микросхем приемников и передатчиков существенно облегчается, если они установлены в "кроватки". Перед заменой следует с помощью осциллографа или вольтметра удостовериться в неисправности конкретной микросхемы.
Если буферные элементы включены в состав интерфейсной БИС (что теперь весьма распространено), то такой порт ремонту не подлежит (по крайней мере, в обычных условиях). Неисправный СОМ-порт, установленный на системной плате, можно попытаться отключить в BIOS SETUP, но порт мог сгореть и вместе со схемой своего отключения — тогда он останется "живым мертвецом" в карте портов ввода-вывода и прерываний. Иногда он полностью выводит из строя системную плату.
Источниками ошибок могут являться разъемы и кабели. В разъемах встречаются плохие контакты, а кабели, кроме возможных обрывов, могут иметь плохие частотные характеристики. Частотные свойства кабелей обычно сказываются при большой длине (десятки метров) на высоких скоростях обмена (56 или 115 Кбит/с). При необходимости использования длинных кабелей на высоких скоростях сигнальные провода данных должны быть перевиты с отдельными проводами "схемной земли".
В ряде отечественных PC-совместимых (почти) компьютеров для последовательного интерфейса применялась микросхема КР580ВВ51 — аналог 18251. Однако эта микросхема является универсальным синхронно-асинхронным приемопередатчиком (УСАПП или USART — Universal Asynchronous Receiver-Transmitter). Совместимости с PC на уровне регистров СОМ-порта такие компьютеры не имеют. Хорошо, если у соответствующих компьютеров имеется "честный" драйвер BIOS Int 14h, а не заглушка, возвращающая состояние модема "всегда готов" и ничего не делающая.
2.2.3 Питание от интерфейса, или причины неработоспособности мыши
При подключении к СОМ-порту устройств с небольшим энергопотреблением возникает соблазн получить питание от выходных линий интерфейса. Если линии управления DTR и RTS не используются по прямому назначению, их можно задействовать как питающие с напряжением около 12 В. Ток короткого замыкания на "схемную землю" ограничен буферной микросхемой передатчика на уровне 20 мА. При инициализации порта эти линии переходят в состояние "выключено", то есть вырабатывают положительное напряжение. Линия TD в покое находится в состоянии логической единицы, так что на выходе вырабатывается отрицательное напряжение. Потенциалами линий можно управлять через регистры СОМ-порта (выход TD вырабатывает положительное напряжение, если установить бит BRCON). Питание можно получать и с сигнальных линий через выпрямительные диоды с использованием накопительных конденсаторов. При этом, конечно, следует учитывать, сколько времени выходной сигнал находится в нужном состоянии (чтобы накопленной энергии хватало).
Двуполярным питанием от линий интерфейса (+V от DTR и RTS, -V от TD) пользуются все манипуляторы, подключаемые к СОМ-портам. Зная это, в случае неработоспособности мыши с данным портом следует проверить напряжения на соответствующих контактах разъема. Бывает, что с конкретным портом не работает только конкретная мышь (модель или экземпляр), хотя другие мыши с этим портом и эти же мыши с другими портами работают нормально. Здесь дело может быть в уровнях напряжений. Стандарт требует от порта выходного напряжения не менее 5 В (абсолютного значения), и если данный порт обеспечивает только этот минимум, некоторым мышам не хватит мощности для питания светодиодов (главных потребителей энергии).
Порт получает двуполярное питание через системную плату от блока питания компьютера. Отсутствие на выходе блока питания напряжения +12 В обычно обнаружится по неработоспособности дисков. Отсутствие напряжения -12 В "заметят" только устройства, подключенные к СОМ-портам. Блок питания теоретически контролирует наличие этих напряжений на своем выходе (сообщая о неполадках сигналом Power Good, вызывающим аппаратный сброс). Встречаются упрощенные схемы блоков питания, у которых контролируются не все напряжения. Кроме того, возможны плохие контакты в разъеме подключения питания к системной плате.
3. ТЕХНИКО-ЭКОНОМИЧЕСКОЕ ОБОСНОВАНИЕ ОБЪЕКТА ИССЛЕДОВАНИЯ
В данном разделе проводится технико-экономический расчет программного обеспечения, расчет расходов на внедрение, эксплуатацию программного обеспечения.
3.1 Расчет расходов ПО, которое используется
Исходные данные для расчета экономического эффекта ПО. которое используется приведены в таблице 3.1.
Таблица 3.1 – Данные на 1.01.2010 г.
| №п/п |
Статьи затрат |
Усл. обозн. |
Ед. изм. |
Значения |
| Проектирование и разработка ПЗ |
||||
| 1 |
Часовая тарифная ставка программиста |
Зпр |
грн. |
8,00 |
| 2 |
Коэффициент сложности программы |
с |
коэф. |
1,40 |
| 3 |
Коэффициент коррекции программы |
Р |
коэф. |
0,05 |
| 4 |
Коэффициент увеличения расходов труда |
Z |
коэф. |
1,3 |
| 5 |
Коэффициент квалификации программиста |
k |
коэф. |
1,0 |
| 6 |
Амортизационные отчисления |
Амт |
% |
10,0 |
| 7 |
Мощность компьютера, принтера |
WМ |
Квт/час |
0,40 |
| 8 |
Стоимость ПЕОМ IBM Sempron LE1150(AM2)/1GB/TFT |
Втз |
грн. |
3200,00 |
| 9 |
Тариф на электроэнергию |
Це/е |
грн. |
0,56 |
| 10 |
Норма дополнительной зарплаты |
Нд |
% |
15,0 |
| 11 |
Отчисление на социальные расходы |
Нсоц |
% |
37,2 |
| 12 |
Транспортно-заготовительные расходы |
Нтр |
% |
4,0 |
| Эксплуатация П0 |
||||
| 13 |
Численность обслуживающего персонала |
Чо |
чел |
1 |
| 14 |
Часовая тарифная ставка обслуживающего персонала |
Зперс |
грн. |
6,00 |
| 15 |
Время обслуживания систем |
То |
час/г |
150 |
| 16 |
Стоимость ПЕОМ |
Втз |
грн. |
3200,00 |
| 17 |
Норма амортизационных отчислений на ПЕОМ |
На |
% |
10,0 |
| 18 |
Норма амортизационных отчислений на ПЗ |
НаП |
% |
10,0 |
| 19 |
Накладные расходы |
Рнак |
% |
25,0 |
| 20 |
Отчисление на содержание и ремонт ПЕОМ и ПО |
Нр |
% |
10,0 |
| 21 |
Стоимость работы одного часа ПЕОМ |
Вг |
грн. |
6,5 |
Первичными исходными данными для определения себестоимости ПО является количество исходных команд (операторов) конечного программного продукта. Условное количество операторов Q в программе задания может быть оценено по формуле:
|
|
(3.1) |
где у – расчетное количество операторов в программе, что разрабатывается (единиц);
с – коэффициент сложности программы;
р – коэффициент коррекции программы в ходе ее разработки.
Рассчитанное количество операторов в разработанной программе – 500.
Коэффициент с – относительная сложность задания относительно отношения к типичной задаче, сложность которой принята более 1, лежит в границах от 1,25 до 2,0 и выбирается равным 1,30.
Коэффициент коррекции программы р – увеличение объема работ за счет внесения изменений в программу лежит в границах от 0,05 до 0,1 и выбирается равным 0,05.
Подставим выбранные значения в формулу (3.1) и определим величину Q:
Q = 500∙1,3 (1 + 0,05) = 683.
3.2 Расчет расходов на создание ПО
Расчет расходов на ПО проводится методом калькуляции расходов, в основу которого положена трудоемкость и заработная плата програмистов. Трудоемкость разработки ПЗ рассчитывается по формуле:
|
|
(3.2) |
где То – расходы труда на описание задания;
Ти – расходы труда на изучение описания задания;
Та – расходы труда на разработку алгоритма решения задания;
Тп – расходы труда на составление программы по готовой блок-схеме;
Тотл – расходы труда на отладку программы на ЭВМ;
Тд – расходы труда на подготовку документации.
Составные расходы труда, в свою очередь, можно определить по числу операторов Q для ПО, что разрабатывается. При оценке составных расходов труда используются:
– коэффициенты квалификации разработчика алгоритмов и программ – к;
– увеличение расходов труда в результате недостаточного описания задания – Z.
Коэффициент квалификации разработчика характеризует меру подготовленности исполнителя к порученной ему работе (он задается в зависимости от стажа работы), к = 1,0.
Коэффициент увеличения расходов труда в результате недостаточного описания задания характеризует качество постановки задания, выданной для разработки программы, в связи с тем, что задание требовало уточнения и некоторой доработки. Этот коэффициент принимается равным 1,3.
Все исходные данные приведенные в таблице 3.1.
а) Трудоемкость разработки П0 составляет:
Расходы труда на подготовку описания задания То принимаются равными 18 чел/час, исходя из опыта работы.
Расходы труда на изучение описания задания Те с учетом уточнения описания и квалификации программиста могут быть определены по формуле:
|
|
(3.3) |
| Ти = 683∙1,3/80∙1 = 11(чел/час) |
Расходы труда на разработку алгоритма решения задачи рассчитываются по формуле:
|
|
(3.4) |
| Та=683/25∙1 = 27 (чел/час) |
Расходы труда на составление программы по готовой блок-схеме Тп рассчитываются по формуле:
|
|
(3.5) |
|
|
Расходы труда на отладку программы на ПЕОМ Тотл рассчитываются по формуле:
- при автономной отладке одного задания:
|
|
(3.6) |
|
|
- при комплексной отладке задания:
|
|
(3.7) |
|
|
Расходы труда на подготовку документации по заданию Тд определяются по формуле:
|
|
(3.8) |
где Тдр – расходы труда на подготовку материалов в рукописи:
|
|
(3.9) |
|
|
Тдо – расходы труда на редактирование, печать и оформление документации:
|
|
(3.10) |
|
|
Подставляя приобретенных значений в формулу (3.8), получим:
|
|
Определим трудоемкость разработки ПО, подставив полученные значения составляющих в формулу (3.2):
|
|
Расчет трудоемкости и зарплаты приведен в таблице 3.2.
б) Расчет материальных расходов на разработку ПЗ
Материальные расходы Мз, которые необходимы для использования ПО приведенные в таблице 3.3.
Таблица 3.2 – Трудоемкость и зарплата программистов использующихПО
| Наименование этапов разработки |
Трудоемкость чел/часов |
Почасовая тарифная ставка программиста, грн. |
Сумма зарплаты, грн. |
| Описание задания |
11 |
6,00 |
66,00 |
| Изучение задания |
27 |
6,00 |
162,00 |
| Составление алгоритма решения задачи |
31 |
6,00 |
186,00 |
| Программирование |
136 |
6,00 |
816,00 |
| Отладка программы |
60 |
6,00 |
360,00 |
| Оформление документации |
204 |
6,00 |
1224,00 |
| Всего: |
469 |
6,00 |
2814,00 |
Таблица 3.3 – Расчет материальных расходов на использование ПО
| Материал |
Фактическое количество |
Цена за единицу, грн. |
Сумма, грн. |
| 1. DVD |
1 |
3,00 |
6,00 |
| 2. Бумага |
500 |
0,10 |
50,00 |
| ВСЕГО: |
56,00 |
||
| ТЗР (4%) |
2,24 |
||
| ИТОГО: |
57,24 |
в) Расходы на использование ЭВМ при использовании ПО
Расходы на использование ЭВМ рассчитываются, исходя из расходов одного часа, по формуле:
|
|
(3.12) |
где Вг – стоимость работы одного часа ЭВМ, грн.;
Тотл – расходы труда на наладку программы на ЭВМ, чел./час.;
Тд – расходы труда на подготовку документации, чел./час.; Тп – расходы труда на составление программы по готовой блок-схеме, чел./час.
|
|
г) Расчет технологической себестоимости использования программы
Расчет технологической себестоимости использования программы (ПО) проводится методом калькуляции расходов (таблица 3.4).
Таблица 3.4 – Калькуляция технологических расходов на использование ПО
| Наименование |
Расходы, грн. |
|
| 1 |
Материальные расходы |
57,24 |
| 2 |
Основная зарплата |
2814,00 |
| 3 |
Дополнительная зарплата (15,0 %) |
422,10 |
| 4 |
Отчисление на социальные мероприятия (37,2 %) |
1203,83 |
| 5 |
Накладные расходы (25,0 %) |
703,50 |
| 6 |
Расходы на использование ЭВМ составлении программного обеспечения ПО |
448,50 |
| 7 |
Себестоимость программного обеспечения |
5649,17 |
В таблице 3.4 величина материальных расходов Мз рассчитана в таблице 3.3, основная зарплата С берется из таблицы 3.2, дополнительная зарплата составляет 15% от основной зарплаты, отчисление на социальные потребности – 37,2% от основной и дополнительной зарплат (вместе), накладные расходы – 25% от основной зарплаты.
Затраты на использование ПО для тестирования интерфейсов составляют 5649,17 грн.
4. ОХРАНА ТРУДА
Научно-технический прогресс внес серьезные изменения в условия производственной деятельности работников умственного труда. Их труд стал более интенсивным, напряженным, требующим значительных затрат умственной, эмоциональной и физической энергии. Это потребовало комплексного решения проблем эргономики, гигиены и организации труда, регламентации режимов труда и отдыха.
В настоящее время компьютерная техника широко применяется во всех областях деятельности человека. При работе с компьютером человек подвергается воздействию ряда опасных и вредных производственных факторов: электромагнитных полей (диапазон радиочастот: ВЧ, УВЧ и СВЧ), инфракрасного и ионизирующего излучений, шума и вибрации, статического электричества и др..
Работа с компьютером характеризуется значительным умственным напряжением и нервно-эмоциональной нагрузкой операторов, высокой напряженностью зрительной работы и достаточно большой нагрузкой на мышцы рук при работе с клавиатурой ЭВМ. Большое значение имеет рациональная конструкция и расположение элементов рабочего места, что важно для поддержания оптимальной рабочей позы человека-оператора.
В процессе работы с компьютером необходимо соблюдать правильный режим труда и отдыха. В противном случае у персонала отмечаются значительное напряжение зрительного аппарата с появлением жалоб на неудовлетворенность работой, головные боли, раздражительность, нарушение сна, усталость и болезненные ощущения в глазах, в пояснице, в области шеи и руках.
4.1 Требования к производственным помещениям
4.1.1 Окраска и коэффициенты отражения
Окраска помещений и мебели должна способствовать созданию благоприятных условий для зрительного восприятия, хорошего настроения.
Источники света, такие как светильники и окна, которые дают отражение от поверхности экрана, значительно ухудшают точность знаков и влекут за собой помехи физиологического характера, которые могут выразиться в значительном напряжении, особенно при продолжительной работе. Отражение, включая отражения от вторичных источников света, должно быть сведено к минимуму.
Для защиты от избыточной яркости окон могут быть применены шторы и экраны.
В зависимости от ориентации окон рекомендуется следующая окраска стен и пола:
- окна ориентированы на юг: - стены зеленовато-голубого или светло-голубого цвета; пол - зеленый;
- окна ориентированы на север: - стены светло-оранжевого или оранжево-желтого цвета; пол - красновато-оранжевый;
- окна ориентированы на восток: - стены желто-зеленого цвета; пол зеленый или красновато-оранжевый;
- окна ориентированы на запад: - стены желто-зеленого или голубовато-зеленого цвета; пол зеленый или красновато-оранжевый.
В помещениях, где находится компьютер, необходимо обеспечить следующие величины коэффициента отражения: для потолка: 60-70%, для стен: 40-50%, для пола: около 30%. Для других поверхностей и рабочей мебели: 30-40% (Приложение А).
4.1.2 Освещение
Правильно спроектированное и выполненное производственное освещение улучшает условия зрительной работы, снижает утомляемость, способствует повышению производительности труда, благотворно влияет на производственную среду, оказывая положительное психологическое воздействие на работающего, повышает безопасность труда и снижает травматизм.
Недостаточность освещения приводит к напряжению зрения, ослабляет внимание, приводит к наступлению преждевременной утомленности. Чрезмерно яркое освещение вызывает ослепление, раздражение и резь в глазах.
Неправильное направление света на рабочем месте может создавать резкие тени, блики, дезориентировать работающего. Все эти причины могут привести к несчастному случаю или профзаболеваниям, поэтому столь важен правильный расчет освещенности.
Существует три вида освещения - естественное, искусственное и совмещенное (естественное и искусственное вместе).
Естественное освещение - освещение помещений дневным светом, проникающим через световые проемы в наружных ограждающих конструкциях помещений.
Естественное освещение характеризуется тем, что меняется в широких пределах в зависимости от времени дня, времени года, характера области и ряда других факторов.
Искусственное освещение применяется при работе в темное время суток и днем, когда не удается обеспечить нормированные значения коэффициента естественного освещения (пасмурная погода, короткий световой день).
Освещение, при котором недостаточное по нормам естественное освещение дополняется искусственным, называется совмещенным освещением.
Искусственное освещение подразделяется на рабочее, аварийное, эвакуационное, охранное. Рабочее освещение, в свою очередь, может быть общим или комбинированным. Общее - освещение, при котором светильники размещаются в верхней зоне помещения равномерно или применительно к расположению оборудования. Комбинированное - освещение, при котором к общему добавляется местное освещение.
Согласно СНиП II-4-79 в помещений вычислительных центров необходимо применить систему комбинированного освещения (Приложение Б).
При выполнении работ категории высокой зрительной точности (наименьший размер объекта различения 0,3…0,5мм) величина коэффициента естественного освещения (КЕО) должна быть не ниже 1,5%, а при зрительной работе средней точности (наименьший размер объекта различения 0,5…1,0 мм) КЕО должен быть не ниже 1,0%. В качестве источников искусственного освещения обычно используются люминесцентные лампы типа ЛБ или ДРЛ, которые попарно объединяются в светильники, которые должны располагаться над рабочими поверхностями равномерно.
Требования к освещенности в помещениях, где установлены компьютеры, следующие: при выполнении зрительных работ высокой точности общая освещенность должна составлять 300лк, а комбинированная - 750лк; аналогичные требования при выполнении работ средней точности - 200 и 300лк соответственно.
Кроме того все поле зрения должно быть освещено достаточно равномерно – это основное гигиеническое требование. Иными словами, степень освещения помещения и яркость экрана компьютера должны быть примерно одинаковыми, т.к. яркий свет в районе периферийного зрения значительно увеличивает напряженность глаз и, как следствие, приводит к их быстрой утомляемости.
4.1.3 Параметры микроклимата
Параметры микроклимата могут меняться в широких пределах, в то время как необходимым условием жизнедеятельности человека является поддержание постоянства температуры тела благодаря терморегуляции, т.е. способности организма регулировать отдачу тепла в окружающую среду. Принцип нормирования микроклимата – создание оптимальных условий для теплообмена тела человека с окружающей средой.
Вычислительная техника является источником существенных тепловыделений, что может привести к повышению температуры и снижению относительной влажности в помещении. В помещениях, где установлены компьютеры, должны соблюдаться определенные параметры микроклимата. В санитарных нормах СН-245-71 установлены величины параметров микроклимата, создающие комфортные условия. Эти нормы устанавливаются в зависимости от времени года, характера трудового процесса и характера производственного помещения (см. табл. 4.1)
Объем помещений, в которых размещены работники вычислительных центров, не должен быть меньше 19,5м3 /человека с учетом максимального числа одновременно работающих в смену. Нормы подачи свежего воздуха в помещения, где расположены компьютеры, приведены в табл. 4.2.
Для обеспечения комфортных условий используются как организационные методы (рациональная организация проведения работ в зависимости от времени года и суток, чередование труда и отдыха), так и технические средства (вентиляция, кондиционирование воздуха, отопительная система).
Таблица 4.1- Параметры микроклимата для помещений с компьютерами
| Период года |
Параметр микроклимата |
Величина |
| Холодный |
Температура воздуха в помещении |
22…24°С |
| Относительная влажность |
40…60% |
|
| Скорость движения воздуха |
до 0,1м/с |
|
| Теплый |
Температура воздуха в помещении |
23…25°С |
| Относительная влажность |
40…60% |
|
| Скорость движения воздуха |
0,1…0,2м/с |
Таблица 4.2 - Нормы подачи свежего воздуха в помещения, где расположены компьютеры
| Характеристика помещения |
Объемный расход подаваемого в помещение свежего воздуха, м3 /на одного человека в час |
| Объем до 20м3 на человека |
Не менее 30 |
| 20…40м3 на человека |
Не менее 20 |
| Более 40м3 на человека |
Естественная вентиляция |
4.1.4 Шум и вибрация
Шум ухудшает условия труда оказывая вредное действие на организм человека. Работающие в условиях длительного шумового воздействия испытывают раздражительность, головные боли, головокружение, снижение памяти, повышенную утомляемость, понижение аппетита, боли в ушах и т. д. Такие нарушения в работе ряда органов и систем организма человека могут вызвать негативные изменения в эмоциональном состоянии человека вплоть до стрессовых. Под воздействием шума снижается концентрация внимания, нарушаются физиологические функции, появляется усталость в связи с повышенными энергетическими затратами и нервно-психическим напряжением, ухудшается речевая коммутация. Все это снижает работоспособность человека и его производительность, качество и безопасность труда. Длительное воздействие интенсивного шума [выше 80 дБ(А)] на слух человека приводит к его частичной или полной потере.
В табл. 4.3 указаны предельные уровни звука в зависимости от категории тяжести и напряженности труда, являющиеся безопасными в отношении сохранения здоровья и работоспособности.
Таблица 4.3 - Предельные уровни звука, дБ, на рабочих местах
| Категория напряженности труда |
Категория тяжести труда |
|||
| Легкая |
Средняя |
Тяжелая |
Очень тяжелая |
|
| I. Мало напряженный |
80 |
80 |
75 |
75 |
| II. Умеренно напряженный |
70 |
70 |
65 |
65 |
| III. Напряженный |
60 |
60 |
- |
- |
| IV. Очень напряженный |
50 |
50 |
- |
- |
Уровень шума на рабочем месте математиков-программистов и операторов видеоматериалов не должен превышать 50дБА, а в залах обработки информации на вычислительных машинах - 65дБА. Для снижения уровня шума стены и потолок помещений, где установлены компьютеры, могут быть облицованы звукопоглощающими материалами. Уровень вибрации в помещениях вычислительных центров может быть снижен путем установки оборудования на специальные виброизоляторы.
4.1.5 Электромагнитное и ионизирующее излучения
Большинство ученых считают, что как кратковременное, так и длительное воздействие всех видов излучения от экрана монитора не опасно для здоровья персонала, обслуживающего компьютеры. Однако исчерпывающих данных относительно опасности воздействия излучения от мониторов на работающих с компьютерами не существует и исследования в этом направлении продолжаются.
Допустимые значения параметров неионизирующих электромагнитных излучений от монитора компьютера представлены в табл. 4.4.
Максимальный уровень рентгеновского излучения на рабочем месте оператора компьютера обычно не превышает 10мкбэр/ч, а интенсивность ультрафиолетового и инфракрасного излучений от экрана монитора лежит в пределах 10-100мВт/м2 .
Для снижения воздействия этих видов излучения рекомендуется применять мониторы с пониженным уровнем излучения (MPR-II, TCO-92, TCO-99), устанавливать защитные экраны, а также соблюдать регламентированные режимы труда и отдыха.
Таблица 4.4 - Допустимые значения параметров неионизирующих электромагнитных излучений (в соответствии с СанПиН 2.2.2.542-96)
| Наименование параметра |
Допустимые значения |
| Напряженность электрической составляющей электромагнитного поля на расстоянии 50см от поверхности видеомонитора |
10В/м |
| Напряженность магнитной составляющей электромагнитного поля на расстоянии 50см от поверхности видеомонитора |
0,3А/м |
| Напряженность электростатического поля не должна превышать: для взрослых пользователей для детей дошкольных учреждений и учащихся средних специальных и высших учебных заведений |
20кВ/м 15кВ/м |
4.2 Эргономические требования к рабочему месту
Проектирование рабочих мест, снабженных видеотерминалами, относится к числу важных проблем эргономического проектирования в области вычислительной техники.
Рабочее место и взаимное расположение всех его элементов должно соответствовать антропометрическим, физическим и психологическим требованиям. Большое значение имеет также характер работы. В частности, при организации рабочего места программиста должны быть соблюдены следующие основные условия: оптимальное размещение оборудования, входящего в состав рабочего места и достаточное рабочее пространство, позволяющее осуществлять все необходимые движения и перемещения.
Эргономическими аспектами проектирования видеотерминальных рабочих мест, в частности, являются: высота рабочей поверхности, размеры пространства для ног, требования к расположению документов на рабочем месте (наличие и размеры подставки для документов, возможность различного размещения документов, расстояние от глаз пользователя до экрана, документа, клавиатуры и т.д.), характеристики рабочего кресла, требования к поверхности рабочего стола, регулируемость элементов рабочего места.
Главными элементами рабочего места программиста являются стол и кресло.
Основным рабочим положением является положение сидя.
Рабочая поза сидя вызывает минимальное утомление программиста.
Рациональная планировка рабочего места предусматривает четкий порядок и постоянство размещения предметов, средств труда и документации. То, что требуется для выполнения работ чаще, расположено в зоне легкой досягаемости рабочего пространства.
Моторное поле - пространство рабочего места, в котором могут осуществляться двигательные действия человека.
Максимальная зона досягаемости рук - это часть моторного поля рабочего места, ограниченного дугами, описываемыми максимально вытянутыми руками при движении их в плечевом суставе.
Оптимальная зона - часть моторного поля рабочего места, ограниченного дугами, описываемыми предплечьями при движении в локтевых суставах с опорой в точке локтя и с относительно неподвижным плечом.
Оптимальное размещение предметов труда и документации в зонах досягаемости:
ДИСПЛЕЙ размещается в зоне а (в центре);
СИСТЕМНЫЙ БЛОК размещается в предусмотренной нише стола;
КЛАВИАТУРА - в зоне г/д;
"МЫШЬ" - в зоне в/д ;
СКАНЕР в зоне а/б (слева);
ПРИНТЕР находится в зоне а/в (справа);
ДОКУМЕНТАЦИЯ: необходимая при работе - в зоне легкой досягаемости ладони – в, а в выдвижных ящиках стола - литература, неиспользуемая постоянно (Рис.4.1).

Рисунок 4.1 - Разбивка рабочего стола программиста по зонам
На рис. 4.2 показан пример размещения основных и периферийных составляющих ПК на рабочем столе программиста.
Для комфортной работы стол должен удовлетворять следующим условиям:
- высота стола должна быть выбрана с учетом возможности сидеть свободно, в удобной позе, при необходимости опираясь на подлокотники;
- нижняя часть стола должна быть сконструирована так, чтобы программист мог удобно сидеть, не был вынужден поджимать ноги;
- поверхность стола должна обладать свойствами, исключающими появление бликов в поле зрения программиста;
- конструкция стола должна предусматривать наличие выдвижных ящиков (не менее 3 для хранения документации, листингов, канцелярских принадлежностей);
- высота рабочей поверхности рекомендуется в пределах 680-760мм;
- высота поверхности, на которую устанавливается клавиатура, должна быть около 650мм.
![]()
Рисунок 4.2- Размещения основных и периферийных составляющих ПК на рабочем столе программиста:
1 – сканер, 2 – монитор, 3 – принтер, 4 – поверхность рабочего стола, 5 – клавиатура, 6 – манипулятор типа "мышь".
Большое значение придается характеристикам рабочего кресла. Так, рекомендуемая высота сиденья над уровнем пола находится в пределах 420-
550мм. Поверхность сиденья мягкая, передний край закругленный, а угол наклона спинки - регулируемый.
Необходимо предусматривать при проектировании возможность различного размещения документов: сбоку от видеотерминала, между монитором и клавиатурой и т.п. Кроме того, в случаях, когда видеотерминал имеет низкое качество изображения, например заметны мелькания, расстояние от глаз до экрана делают больше (около 700мм), чем расстояние от глаза до документа (300-450мм). Вообще при высоком качестве изображения на видеотерминале расстояние от глаз пользователя до экрана, документа и клавиатуры может быть равным.
Положение экрана определяется:
- расстоянием считывания (0,6 - 0,7м);
- углом считывания, направлением взгляда на 20˚ ниже горизонтали к центру экрана, причем экран перпендикулярен этому направлению.
Должна также предусматриваться возможность регулирования экрана:
- по высоте +3 см;
- по наклону от -10˚ до +20˚ относительно вертикали;
- в левом и правом направлениях.
Большое значение также придается правильной рабочей позе пользователя.
При неудобной рабочей позе могут появиться боли в мышцах, суставах и сухожилиях. Требования к рабочей позе пользователя видеотерминала следующие:
- голова не должна быть наклонена более чем на 20˚,
- плечи должны быть расслаблены,
- локти - под углом 80˚-100˚,
- предплечья и кисти рук - в горизонтальном положении.
Причина неправильной позы пользователей обусловлена следующими факторами: нет хорошей подставки для документов, клавиатура находится слишком высоко, а документы - низко, некуда положить руки и кисти, недостаточно пространство для ног.
В целях преодоления указанных недостатков даются общие рекомендации: лучше передвижная клавиатура; должны быть предусмотрены специальные приспособления для регулирования высоты стола, клавиатуры и экрана, а также подставка для рук.
Существенное значение для производительной и качественной работы на компьютере имеют размеры знаков, плотность их размещения, контраст и соотношение яркостей символов и фона экрана. Если расстояние от глаз оператора до экрана дисплея составляет 60-80 см, то высота знака должна быть не менее 3мм, оптимальное соотношение ширины и высоты знака составляет
3:4, а расстояние между знаками – 15-20% их высоты. Соотношение яркости фона экрана и символов - от 1:2 до 1:15.
Во время пользования компьютером медики советуют устанавливать монитор на расстоянии 50-60 см от глаз. Специалисты также считают, что верхняя часть видеодисплея должна быть на уровне глаз или чуть ниже. Когда человек смотрит прямо перед собой, его глаза открываются шире, чем когда он смотрит вниз. За счет этого площадь обзора значительно увеличивается, вызывая обезвоживание глаз. К тому же если экран установлен высоко, а глаза широко открыты, нарушается функция моргания. Это значит, что глаза не закрываются полностью, не омываются слезной жидкостью, не получают достаточного увлажнения, что приводит к их быстрой утомляемости.
Создание благоприятных условий труда и правильное эстетическое оформление рабочих мест на производстве имеет большое значение, как для облегчения труда, так и для повышения его привлекательности, положительно влияющей на производительность труда.
4.3 Режим труда
Как уже было неоднократно отмечено, при работе с персональным компьютером очень важную роль играет соблюдение правильного режима труда и отдыха. В противном случае у персонала отмечаются значительное напряжение зрительного аппарата с появлением жалоб на неудовлетворенность работой, головные боли, раздражительность, нарушение сна, усталость и болезненные ощущения в глазах, в пояснице, в области шеи и руках. В табл. 4.5 представлены сведения о регламентированных перерывах, которые необходимо делать при работе на компьютере, в зависимости от продолжительности рабочей смены, видов и категорий трудовой деятельности с ВДТ (видеодисплейный терминал) и ПЭВМ (в соответствии с САнНиП 2.2.2 542-96 "Гигиенические требования к видеодисплейным терминалам, персональным электронно-вычислительным машинам и организации работ"). соответствии со САнНиП 2.2.2 546-96 все виды трудовой деятельности, связанные с использованием компьютера, разделяются на три группы: группа А: работа по считыванию информации с экрана ВДТ или ПЭВМ с предварительным запросом; группа Б: работа по вводу информации; группа В: творческая работа в режиме диалога с ЭВМ.
Эффективность перерывов повышается при сочетании с производственной гимнастикой или организации специального помещения для отдыха персонала с удобной мягкой мебелью, аквариумом, зеленой зоной и т.п.
Таблица 4.5 - Время регламентированных перерывов при работе на компьютере
| Категория работы с ВДТ или ПЭВМ |
Уровень нагрузки за рабочую смену при видах работы с ВДТ, количество знаков |
Суммарное время регламентированных перерывов, мин |
|
| При 8-часовой смене |
При 12-часовой смене |
||
| Группа А |
до 20000 |
30 |
70 |
| Группа Б |
до 40000 |
50 |
90 |
| Группа В |
до 60000 |
70 |
120 |
Примечание. Время перерывов дано при соблюдении указанных Санитарных правил и норм. При несоответствии фактических условий труда требованиям Санитарных правил и норм время регламентированных перерывов следует увеличить на 30%.
4.4 Расчет освещенности
Задачей оценки является определение соответствия осветительной установки для выполнения нормативных требований по освещенности в производственном помещении. Для контроля и при проектировании систем искусственного освещения применяются следующие методы:
- точечный, используемый для оценки и расчета местного и комбинированного освещения:
- светового потока (коэффициента использования), применяемый для оценки и расчета общего равномерного освещения;
- удельной мощности, применяемый при ориентировочных расчетах.
4.4.1 Оценка искусственного освещения по точечному методу
1. Освещённость (Еф , лк) при местном освещении помещения рассчитывается по следующей формуле:
Еф
=
(4.1)
где Fл - световой поток заданного типа ламп, (лм); α - угол падения светового потока, который определяется через тангенс утла, далее: tgα =L/2h,
где L - расстояние между лампами или рядами ламп (м);
h - высота подвеса ламп над рабочей поверхностью, (м);
cos3 α - в зависимости от найденного угла падения светового потока;
Iα - сила света под углом а для заданного типа светильника и типа кривой силы света КСС (кд);
n - количество ламп;
kз - коэффициент запаса.
2. Для оценки достаточности искусственного освещения необходимо определить нормируемую величину освещённости (Eн ) при общем искусственном освещении для заданного разряда и подразряда зрительных работ и соответствующего типа ламп (Приложение Д).
3. Найти отклонение (∆Е) фактической величины освещённости от нормы:
∆Е =
(4.2)
По требованиям СНиП II -4 - 79 отклонение ∆Е допускается в пределах от (-10%) до (+20%).
4. Сделать вывод о достаточности искусственного освещения.
4.4.2 Оценки искусственного освещения по коэффициенту использования светового потока
1.Общая освещенность производственного помещения, создаваемая светильниками, определяется по формуле:
Е =
(4.3)
где Е - освещенность, лк;
F - световой поток одной лампы заданного типа, лм;
η - коэффициент использования осветительной установки, %;
N - число светильников общего освещения;
z - коэффициент минимальной освещенности (для ламп накаливания и ДРЛ : z =1,15, для люминесцентных ламп z =1,1);
Sн - площадь помещения, м2 ;
kз - коэффициент запаса;
n - число ламп в каждом светильнике (для люминесцентных ламп).
В порядок расчета входит определение индекса помещения (i), значение которого наряду с величинами коэффициентов отражения потолка, стен и пола, влияет на выбор соответствующего данному типу светильника (по типу КСС) коэффициента использования светового потока (η). Индекс помещения (i) определяется по формуле:
i =
(4.4)
где А и В - длина и ширина помещения, м;
h - расчетная высота подвеса светильника над рабочей поверхностью, м.
На величину коэффициента использования светового потока при прочих равных условиях оказывает влияние отражающая способность потолка, стен, рабочей поверхности или пола, характеризуемая соответствующими коэффициентами отражения. Фактическое значение этих коэффициентов определять трудно, поэтому рекомендуется применять ориентировочные значения (Приложение В).
2. Для оценки достаточности светового потока источника света по нормируемой освещенности необходимо определить нормируемую величину освещённости (Ен .) при общем искусственном освещении для заданного разряда и подразряда зрительных работ (Приложение Д).
3. Найти отклонение (∆Е ) фактической величины освещённости от нормы.
4.4.3. Оценка искусственного освещения по удельной мощности
Метод удельной мощности является наиболее простым, но и наименее точным, поэтому его применяют только при ориентировочных расчётах. Этот метод позволяет определить мощность каждой лампы Рл (Вт) для создания в помещении нормируемой освещённости;
Рл =p∙S/n, (4.5)
где p - удельная мощность, (Вт/м2 );
S- площадь помещения;
п - число ламп в осветительной установке.
Значения удельной мощности приводят в соответствующих таблицах в зависимости от уровня освещённости, площади помещения, высоты подвеса и типа светильников.
4.4.4 Практический расчет освещенности
Расчет освещенности рабочего места сводится к выбору системы освещения, определению необходимого числа светильников, их типа и размещения. Исходя из этого, рассчитаем параметры искусственного освещения.
Обычно искусственное освещение выполняется посредством электрических источников света двух видов: ламп накаливания и люминесцентных ламп. Будем использовать люминесцентные лампы, которые по сравнению с лампами накаливания имеют ряд существенных преимуществ:
- по спектральному составу света они близки к дневному, естественному свету;
- обладают более высоким КПД (в 1,5-2 раза выше, чем КПД ламп накаливания);
- обладают повышенной светоотдачей (в 3-4 раза выше, чем у ламп накаливания);
- более длительный срок службы.
Расчет освещения произведем для комнаты площадью 15м2 , ширина которой - 5м, высота - 3 м. Воспользуемся методом светового потока.
Для определения количества светильников определим световой поток, падающий на поверхность по формуле:
F =
, (4.6)
гдеF - рассчитываемый световой поток, Лм;
Е - нормированная минимальная освещенность, Лк (определяется по таблице). Работу программиста, в соответствии с этой таблицей, можно отнести к разряду точных работ, следовательно, минимальная освещенность будет Е = 300Лк;
S - площадь освещаемого помещения (в нашем случае S = 15м2 );
Z - отношение средней освещенности к минимальной (обычно принимается равным 1,1-1,15 , пусть Z = 1,1);
К - коэффициент запаса, учитывающий уменьшение светового потока лампы в результате загрязнения светильников в процессе эксплуатации (его значение зависит от типа помещения и характера проводимых в нем работ и в нашем случае К = 1,5);
n - коэффициент использования, (выражается отношением светового потока, падающего на расчетную поверхность, к суммарному потоку всех ламп и исчисляется в долях единицы; зависит от характеристик светильника, размеров помещения, окраски стен и потолка, характеризуемых коэффициентами отражения от стен (РС) и потолка (РП)), значение коэффициентов РС и РП были указаны выше: РС=40%, РП=60%. Значение n определим по таблице коэффициентов использования различных светильников.
Для этого вычислим индекс помещения по формуле (4.4).
Где h = 2,92 м; А = 3 м; В = 5 м.
Подставив значения получим:
i = 0,642.
Зная индекс помещения i, находим n = 0,22.
Подставим все значения в формулу (4.6) для определения светового потока F, получаем F = 33750 Лм.
Для освещения выбираем люминесцентные лампы типа ЛБ40-1, световой поток которых Fл = 4320 Лк (Приложение И).
Рассчитаем необходимое количество ламп по формуле:
N = F / Fл , (4.7)
где N - определяемое число ламп;
F - световой поток, F = 33750 Лм;
Fл - световой поток лампы, Fл = 4320 Лм.
N = 8 ламп.
При выборе осветительных приборов используем светильники типа ОД. Каждый светильник комплектуется двумя лампами (Приложение Ж).
Значит требуется для помещения площадью S = 15 м2 четыре светильника типа ОД.
Расчет естественного освещения помещений
Организация правильного освещения рабочих мест, зон обработки и производственных помещений имеет большое санитарно-гигиеническое значение, способствует повышению продуктивности работы, снижения травматизма, улучшения качества продукции. И наоборот, недостаточное освещение усложняет исполнения технологического процесса и может быть причиной несчастного случая и заболевания органов зрения.
Освещение должно удовлетворять такие основные требования:
- быть равномерным и довольно сильным;
- не создавать различных теней на местах работы, контрастов между освещенным рабочем местом и окружающей обстановкой;
- не создавать ненужной яркости и блеска в поле взора работников;
- давать правильное направление светового потока;
Все производственные помещения необходимо иметь светлопрорезы, которые дают достаточное природное освещение. Без природного освещения могут быть конференц-залы заседаний, выставочные залы, раздевалки, санитарно-бытовые помещения, помещения ожидания медицинских учреждений, помещений личной гигиены, коридоры и проходы.
Коэфициент естественного освещения в соответствии с ДНБ В 25.28.2006, для нашого III пояса светового климата составляет 1,5.
Исходя из этого произведем расчет необходимой площади оконных проемов.
Расчет площади окон при боковом освещении определяется, по формуле:
Sо = (Ln *Кз. *N0 *Sn *Кзд. )/(100 *T0 *r1) (4.8)
где:Ln – нормированное значение КЕО
Кз – коэффициент запаса (равен 1,2)
N0 – световая характеристика окон
Sn – площадь достаточного естественного освещения
Кзд. – коэффициент, учитывающий затенение окон противостоящими зданиями
r1 – коэффициент, учитывающий повышение КЕО при боковом освещении
T0 – общий коэффициент светопропускания, который рассчитывается по формуле:
T0 = T1 * T2 * T3 * T4 * T5, (4.9)
где T1 – коэффициент светопропускания материала;
T2 – коэффициент, учитывающий потери света в переплетах светопроема;
T3 – коэффициент, учитывающий потери света в несущих конструкциях;
T4 – коэффициент, учитывающий потери света в солнцезащитный устройствах;
T5 – коэффициент, учитывающий потери света в защитной сетке, устанавливаемой под фонарями, принимается равным 1;
Теперь следует рассчитать боковое освещение для зоны, примыкающей к наружной стене. По разряду зрительной работы нужно определить значение КЕО. КЕО = 1,5 нормированное значение КЕО с учетом светового климата необходимо вычислить по формуле:
Ln =l*m*c, (4.10)
где l – значение КЕО (l=1.5);
m – коэффициент светового климата (m=1);
c – коэффициент солнечности климата (c=1)
Ln =1,5
Теперь следует определить отношение длины помещения Ln к глубине помещения B:
Ln /B=3/5 =0,6;
Отношение глубины помещения В к высоте от уровня условной рабочей поверхности до верха окна h1 (в данном случае h1 =1,8) :
B/h1 =5/1,8 = 2,77.
Световая характеристика световых проемов N0 =9.
Кзд =1
Значение T0 =0,8*0,7*1*1*1=0,56.
Ln для 4 разряда зрительных работ равен 1,5 при мытье окон два раза в год.
Определяем r1,
r1=1,5.
Кз. =1,2.
Теперь следует определить значение Sп :
Sп =Ln *В=3*10=30 м2 .
Кзд. =1.
На данном этапе следует рассчитать необходимую площадь оконных проемов:
(Ln * Кз. *N0 *Sn *Кзд. ) / (100*T0 *r1)
Sо = (1,5*1,2*9*30*1)/(100*0,56*1,5)=486/84= 5,78 м2 ;
Принимаем количество окон 1 штука:
S1 =5,78 м2 площадь одного окна
Высота одного окна составляет – 2,5 м, ширина 2,5 м.
4.5 Расчет уровня шума
Одним из неблагоприятных факторов производственной среды в ИВЦ является высокий уровень шума, создаваемый печатными устройствами, оборудованием для кондиционирования воздуха, вентиляторами систем охлаждения в самих ЭВМ. Для решения вопросов о необходимости и целесообразности снижения шума необходимо знать уровни шума на рабочем месте оператора. Уровень шума, возникающий от нескольких некогерентных источников, работающих одновременно, подсчитывается на основании принципа энергетического суммирования излучений отдельных источников:
∑L = 10·lg (Li∙n), (4.11)
где Li – уровень звукового давления i-го источника шума;
n – количество источников шума.
Полученные результаты расчета сравнивается с допустимым значением уровня шума для данного рабочего места. Если результаты расчета выше допустимого значения уровня шума, то необходимы специальные меры по снижению шума. К ним относятся: облицовка стен и потолка зала звукопоглощающими материалами, снижение шума в источнике, правильная планировка оборудования и рациональная организация рабочего места оператора. Уровни звукового давления источников шума, действующих на оператора на его рабочем месте представлены в табл. 4.6.
Обычно рабочее место оператора оснащено следующим оборудованием: винчестер в системном блоке, вентилятор(ы) систем охлаждения ПК, монитор, клавиатура, принтер и сканер.
Подставив значения уровня звукового давления для каждого вида оборудования в формулу (4.8) , получим:
∑L=10·lg(104+104,5+101,7+101+104,5+104,2)=49,5 дБ
Таблица 4.6 – Уровни звукового давления различных источников
| Источник шума |
Уровень шума, дБ |
| Жесткий диск |
40 |
| Вентилятор |
45 |
| Монитор |
17 |
| Клавиатура |
10 |
| Принтер |
45 |
| Сканер |
42 |
Полученное значение не превышает допустимый уровень шума для рабочего места оператора, равный 65 дБ (ГОСТ 12.1.003-83). И если учесть, что вряд ли такие периферийные устройства как сканер и принтер будут использоваться одновременно, то эта цифра будет еще ниже. Кроме того при работе принтера непосредственное присутствие оператора необязательно, т.к. принтер снабжен механизмом автоподачи листов.
4.6 Расчет вентиляции
В зависимости от способа перемещения воздуха вентиляция бывает естественная и принудительная.
Параметры воздуха, поступающего в приемные отверстия и проемы местных отсосов технологических и других устройств, которые расположены в рабочей зоне, следует принимать в соответствии с ГОСТ 12.1.005-76. При размерах помещения 3 на 5 метров и высоте 3 метра, его объем 45 куб.м. Следовательно, вентиляция должна обеспечивать расход воздуха в 90 куб.м/час. В летнее время следует предусмотреть установку кондиционера с целью избежания превышения температуры в помещении для устойчивой работы оборудования. Необходимо уделить должное внимание количеству пыли в воздухе, так как это непосредственно влияет на надежность и ресурс эксплуатации ЭВМ.
Мощность (точнее мощность охлаждения) кондиционера является главной его характеристикой, от неё зависит на какой объем помещения он рассчитан. Для ориентировочных расчетов берется 1 кВт на 10 м2 при высоте потолков 2,8 – 3 м (в соответствии со СНиП 2.04.05-86 "Отопление, вентиляция и кондиционирование").
Для расчета теплопритоков данного помещения использована упрощенная методика:
Q=S·h·q (4.12)
где:Q – Теплопритоки
S – Площадь помещения
h – Высота помещения
q – Коэффициент равный 30-40 вт/м3 (в данном случае 35 вт/м3 )
Для помещения 15 м2 и высотой 3 м теплопритоки будут составлять:
Q=15·3·35=1575 вт
Кроме этого следует учитывать тепловыделение от оргтехники и людей, считается (в соответствии со СНиП 2.04.05-86 "Отопление, вентиляция и кондиционирование") что в спокойном состоянии человек выделяет 0,1 кВт тепла, компьютер или копировальный аппарат 0,3 кВт, прибавив эти значения к общим теплопритокам можно получить необходимую мощность охлаждения.
Qдоп =(H·Sопер )+(С·Sкомп )+(P·Sпринт ) (4.13)
где:Qдоп – Сумма дополнительных теплопритоков
C – Тепловыделение компьютера
H – Тепловыделение оператора
D – Тепловыделение принтера
Sкомп – Количество рабочих станций
Sпринт – Количество принтеров
Sопер – Количество операторов
Дополнительные теплопритоки помещения составят:
Qдоп1 =(0,1·2)+(0,3·2)+(0,3·1)=1,1(кВт)
Итого сумма теплопритоков равна:
Qобщ1 =1575+1100=2675 (Вт)
В соответствии с данными расчетами необходимо выбрать целесообразную мощность и количество кондиционеров.
Для помещения, для которого ведется расчет, следует использовать кондиционеры с номинальной мощностью 3,0 кВт.
В данном разделе дипломной работы были изложены требования к рабочему месту инженера – программиста. Созданные условия должны обеспечивать комфортную работу. На основании изученной литературы по данной проблеме, были указаны оптимальные размеры рабочего стола и кресла, рабочей поверхности, а также проведен выбор системы и расчет оптимального освещения производственного помещения, а также расчет уровня шума на рабочем месте, рассчитана система вентиляции. Соблюдение условий, определяющих оптимальную организацию рабочего места, позволит сохранить хорошую работоспособность в течение всего рабочего дня, повысит как в количественном, так и в качественном отношениях производительность труда программиста.
ВЫВОДЫ
В процессе выполнения дипломной работы мы ознакомились с интерфейсами ввода-вывода компьютерных систем. Интерфейсы являются неотъемлимой частью любого компьютера.
В первой части работы были рассмотрены теоретические аспекты паралельных и последовательных портов ввода-вывода. Любой компьютер имеет соединение с видеомонитором, клавиатурой, мышкой, принтером и даже Интернетом. Чтобы их взаимодействие происходило верно, существуют интерфейсы ввода-вывода.
Во второй части были исследованы основные методы тестирования паралельных и последовательных портов, выявление неисправностей этих портов и методы их проявления и устранения.
В третьей части производится технико-экономическое обоснование по тестированию интерфейсов ввода-вывода, используя встроенные программы.
В последней части работы проводится анализ охраны труда программиста на рабочем месте, производится расчет искусственного и естественного освещения рабочего места различными методами, уровня шума, вентиляции.
В процессе работы производился анализ технической диагностики интерфейсов ввода-вывода компьютерных систем, которые нужны каждому компьютеру для нормального функционирования.
СПИСОК ССЫЛОК
1. Тук М. Аппаратные средства IBM PC: Энциклопедия. 2-е изд. — СПб.: ПитерКом, 2001.
2. Тук М. Аппаратные средства IBM PC: Энциклопедия. — СПб.: Питер Ком, 1998.
3. Тук М. Аппаратные средства локальных сетей: Энциклопедия. — СПб.: Питер,2000.
4. Тук М. Дисковая подсистема ПК. — СПб.: Питер, 2001.
5. Тук М. Интерфейсы ПК: Справочник. — СПб.: Питер Ком, 1999.
6. Тук М., Юров В. Процессоры Pentium 4, Athlon и другие. — СПб.: Питер, 2001.
7. Тук М., Юров В. Процессоры Pentium III, Athlon и другие. — СПб.: Питер, 2000.
8. Кулаков В. Программирование на аппаратном уровне: Специальный справочник. - СПб.: Питер, 2001.
9. Кулаков В. Программирование дисковых подсистем. — СПб.: Питер, 2002.
10.ГукМ. Аппаратные интерфейсы ПК. Энциклопедия. — СПб.: Питер, 2002. — 528 с.: ил.
11.ГОСТ 12.3.002-75-ССБТ. Процессы производственные. Общие требования безопасности (с изменениями по И-1-V-80; И-2-II-91).
12.Минаев И.Я. Локальная сеть своими руками. 100% Самоучитель – М., ТЕХНОЛОГИИ- 3000, 2004 – 368 с.
13.ГОСТ 12.1.005-88-ССБТ. Общие санитарно-гигиенические требования к воздуху рабочей зоны.
14.СНиП 2.04.05 – 91 – Отопление, вентиляция, кондиционирование (с изменениями по И-1-94).
15.ГОСТ 12.1.003 – 88 – ССБТ. Общие санитарно-гигиенические требования к воздуху рабочей зоны.
16.СНиП 23-05-95. Естественное и искусственное освещение. – К.: Держстандарт, 2005 – 129с.
17.СанПин 2.2.2.542-96. Гигиенические требования к видеодисплейным терминалам, персональным электронно–вычислительным машинам и организация работы (Постановление Держнагляду от 14.07.1996г. №14). Санитарные правила и нормы. – К.: Информационно-издательский центр Дерстандарт, 1996.
18.Холмогоров В. Компьютерная сеть своими руками. Самоучитель – СПб, Питер, 2009 – 171с.
ПРИЛОЖЕНИЕ А
Приближённые значения коэффициентов отражения
| Характеристика помещения |
Значение |
| Побеленный потолок и побеленные стены с окнами, закрытыми белыми шторами |
70% |
| Побеленные стены при незатемненных окнах, побеленный потолок в сырых помещениях, а также чистый бетонный и светлый деревянный потолки |
50% |
| Бетонный потолок в грязных помещениях, деревянный потолок, бетонные стены с окнами, а также стены, оклеенные светлыми обоями |
30% |
| Стены и потолки в помещениях с большим количеством темной пыли, сплошное остекление без штор, красный неоштукатуренный кирпич, стены е темными обоями |
30% |
| Темная рабочая поверхность или темный пол |
10% |
ПРИЛОЖЕНИЕ Б
Нормируемые значения освещенности КЕО и для производственных помещений (СниП II-479)
![]()
ПРИЛОЖЕНИЕ В

ПРИЛОЖЕНИЕ Г

ПРИЛОЖЕНИЕ Д
ИНСТРУКЦИЯ
по охране труда для работающих на компьютере
(Типовая)
I.ОБЩИЕ ТРЕБОВАНИЯ БЕЗОПАСНОСТИ
1.1. К самостоятельной работе на клавишных вычислительных машинах и персональных компьютерах может быть допущен работник, прошедший обучение и первичный инструктаж по технике безопасности на рабочем месте, ознакомленный с инструкцией по эксплуатации, знающий порядок включения и отключения машины (компьютера).
1.2. Основными опасными и вредными производственными факторами, сопутствующими проведению работ являются:
- высокое напряжение, питающее вычислительные машины или персональные компьютеры;
- повышенный уровень статического электричества;
1.3. Рабочее место должно быть удобным и безопасным при выполнении работ, а также иметь достаточное естественное или искусственное освещение.
1.4. Если произойдет несчастный случай с Вами или с вашим товарищем, немедленно вызывайте скорую помощь по тел.103 и приступайте к оказанию первой медицинской помощи. О случившемся сообщите руководству.
В случае возникновения пожара, немедленно сообщите в пожарную часть (охрану) по тел.101, также руководству предприятия и приступайте к тушению пожара подручными средствами.
Во избежание поражения - выключите напряжение в электросети. Возгорание в электроустановках гасите углекислотными или порошковыми огнетушителями, в остальных случаях пенными огнетушителями ОХП-10.
Во избежание производственного травматизма, не облокачивайтесь на электроустановки, не устраняйте сами появившуюся неисправность. Заметив нарушение инструкции другими работниками, предупредите нарушителя о необходимости соблюдения мер безопасности.
II.ТРЕБОВАНИЯ БЕЗОПАСНОСТИ ПЕРЕД НАЧАЛОМ РАБОТЫ
2.1. Осмотрите и приведите рабочее место в порядок, проверьте исправность оборудования, розетки, штепсельные вилки и электрошнур, защитное заземление. При обнаружении каких-либо неисправностей, заявите об этом администрации и до их устранения к работе не приступайте.
2.2. Для включения питания, подключите оборудование с помощью вилки к сети питания (220В). При этом корпус вилки электрошнура берите так, чтобы руки не касались вилки, гнезда розетки.
III.ТРЕБОВАНИЯ БЕЗОПАСНОСТИ ВО ВРЕМЯ РАБОТЫ
3.1. Работу производите согласно требований инструкции по эксплуатации машины (компьютера) и настоящей инструкции, будьте внимательны, не оставляйте оборудование без присмотра, не отвлекайтесь сами и не отвлекайте других от работы.
3.2. При вводе данных, редактировании программ, чтении информации с экрана, непрерывная продолжительность работы с видеотерминалом не должна превышать четырех часов (при 8-ми часовом рабочем дне) через каждый час работы положен перерыв на 5-10 мин., а через 2 часа - на 15 минут.
3.3. Во избежание травматизма, не касайтесь находящихся в движении частей механизмов, оголенных проводов, а также электроустановок и заземленных металлоконструкций (батарей и трубопроводов отопления).
3.4. На период перерыва в работе обесточьте оборудование.
IV.ТРЕБОВАНИЯ БЕЗОПАСНОСТИ В АВАРИЙНЫХ СИТУАЦИЯХ
4.1. При обнаружении каких-либо неисправностей оборудования своевременно обесточьте его, заявите об этом администрации и до их устранения к работе не приступайте.
V.ТРЕБОВАНИЯ БЕЗОПАСНОСТИ ПО ОКОНЧАНИИ РАБОТЫ
5.1. Отключите оборудование от электросети, выключите сначала выключатель на машине (компьютере), а затем ее вилку из розетки. Приведите рабочее место в порядок.
VI.ОТВЕТСТВЕННОСТЬ РАБОТНИКА ЗА НЕВЫПОЛНЕНИЕ ТРЕБОВАНИЙ ИНСТРУКЦИИ ПО ОХРАНЕ ТРУДА
6.1. Нарушение инструкции или правил по охране труда, является нарушением производственной дисциплины, а следовательно, трудовой дисциплины, и влечет за собой наложение дисциплинарного взыскания или мер общественного воздействия: замечание, выговор, строгий выговор, перевод на ниже оплачиваемую работу на срок до трех месяцев, увольнение с работы, лишение премии, товарищеский суд.
6.2. За причинение материального ущерба организации в результате нарушения инструкции по охране труда работник, независимо от привлечения его к дисциплинарной ответственности, может быть привлечен к материальной ответственности.



