| Скачать .docx |
Реферат: Идентификация и моделирование систем управления
СОДЕРЖАНИЕ
1. Задание 3
2. Построение аналитической модели и ее анализ.
2.1 Построение аналитической модели 4
2.2 Анализ динамических процессов в системе на основе использования построенной аналитической модели 11
2.3. Моделирование с использованием солверов 18
2.4. Моделирование с использованием пакета расширения Symbolic Math Tolbox 21
2.5. Моделирование с использованием имитационного пакета моделирования динамических систем Simulink 25
1. Задание
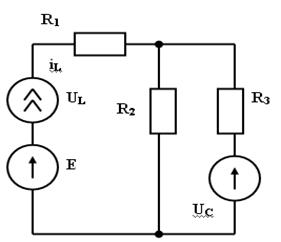
Построить аналитическую модель электрической цепи и выполнить анализ динамического процесса после замыкания ключа К .
Схема электрической цепи и параметры составляющих ее компонент:
| R1 , Ом |
R2 , Ом |
R3, Ом |
R4, Ом |
C1 , Ф |
L,Гн |
В |
| 4 |
4 |
4 |
6 |
1/25 |
1/7 |
30 |

Рис. 1. Электрическая RLC - цепь
2. Построение аналитической модели и ее анализ.
2 .1 Построение аналитической модели
Решение задачи идентификации с последующим анализом динамических процессов в физической системе на основе модели предполагает построение системы дифференциальных или алгебраических уравнений. При решении многомерных задач с помощью ЭВМ наиболее используемыми прикладными программами являются пакеты программ, позволяющие анализировать системы на основе матричной записи дифференциальных уравнений в нормальной форме (форма Коши или метод переменных состояния или метод пространства состояний). Прежде чем выполнять анализ динамических процессов в системе, необходимо записать систему дифференциальных уравнений в форме Коши, наиболее удобной при использовании ЭВМ.
Известно несколько способов составления уравнений состояния. Рассмотрим наиболее целесообразный способ, основанный на сведении послекоммутационной схемы к резистивной с источниками э.д.с. и тока. С этой целью индуктивные элементы в послекоммутационной схеме заменяют на источники тока, которые возбуждают ток в том же направлении, что и в исходной схеме, а конденсатор на источник э.д.с. с э.д.с. направленной встречно току в ветви с конденсатором, т. е. встречно uc . В результате схема окажется без реактивных элементов (резистивной), но с дополнительными источниками тока и э.д.с.
В полученной резистивной схеме один из узлов заземляют и составляют уравнения по методу узловых потенциалов. По найденным потенциалам узлов рассчитывают напряжения на источниках тока, эквивалентных индуктивным элементам и токи через источники э.д.с., эквивалентные емкостным элементам. Далее разрешают уравнения цепи относительно производных diL /dt и duC /dt и получают запись системы дифференциальных уравнений в нормальной форме (форма Коши).
Для составления уравнений в нормальной форме по полученной резистивной схеме, можно использовать также принцип наложения, справедливый для линейных систем и их линейных уравнений. Суть принципа наложения состоит в том, что контурный ток в любом контуре равен сумме токов, вызываемых в этом контуре каждой из э.д.с. в отдельности, и соответственно узловое напряжение между любым узлом и опорным равно сумме узловых напряжений, созданных между этим узлом и опорным каждым в отдельности источником тока.
Принцип наложения позволяет разложить сложную задачу на ряд более простых, в каждой из которых в рассматриваемой сложной цепи действует только одна э.д.с. или один источник тока, а все остальные источники энергии предполагаются отсутствующими. При этом эти другие источники э.д.с. должны быть замкнуты накоротко с сохранением в ветвях их внутренних сопротивлений, а все другие источники тока должны быть разомкнуты, но в соответствующих ветвях должны быть сохранены их внутренние проводимости.
Рассмотрим модель электрической цепи (Рис. 1).
Для построения модели выбираем вектор переменных состояния
![]()
т. е. x
1
=
uc
;
x
2
=
iL
. Так как uL
=
L
(
diL
/
dt
), то
dx
2
/
dt
=
diL
/
dt
=
uL
/
L
, а
uc
= 1/
C
ic
dt
, то
dx
1
/
dt
=
duc
/
dt
=
ic
/
C
.
Уравнения состояния в матричной форме в общем виде для
приведенной электрической цепи можно записать так:
( 2.1)
Коэффициенты матриц будем определять методом наложения при рассмотрении эквивалентной резистивной схемы (Рис. 2).

Рис. 2. Эквивалентная резистивная схема.
Запишем систему (2.1) в координатной форме, из которой определим коэффициенты матриц A и B .
![]()
![]()
Система (2.2)
Для определения коэффициентов матрицы A ( коэффициенты матрицы A определяются только топологией электрической цепи и параметрами ее компонент) полагаем внешнее воздействие равное нулю, т.е. все процессы в цепи будут протекать за счет энергии, запасенной в электрическом поле конденсатора и магнитном поле катушки. Для

моделирования такого режима необходимо в эквивалентной резистивной схеме закоротить источник э.д.с. u 1 = E = 0. А для определения коэффициента a 11 матрицы A исключить источник тока x 2 = iL = 0 . Соответственно из первого уравнения системы (2. 2) получим:
При условии: E = 0; iL = 0 .
Для измененной схемы определяем ic = - uc / ( R 2 + R 3 ) и подставляем в выражение для a 11 . В результате получим:
![]()
Для определения коэффициента a 12 матрицы A восстанавливаем источник тока, но замыкаем источник э. д. с.: x 1 = uc = 0. Соответственно из первого уравнения системы (2. 2) получим:

При условии: E = 0; uc = 0 .
Для измененной схемы определяем ic =( R 2 /( R 2 + R 3 )) iL
и подставляем в выражение для a 12 . В результате получим:
![]()
Для определения коэффициента a 21 матрицы A в эквивалентной резистивной схеме закоротить источник э.д.с. u 1 = E = 0 и исключаем источник тока x 2 = iL = 0 .
Соответственно из второго уравнения системы получим:

При условии: E = 0; iL = 0 .
Для измененной схемы определяем uL = ic R 2 , для этого находим ic = - uc / ( R 2 + R 3 ) и подставляем в uL = ic R 2 . Получим: uL =( - uc / ( R 2 + R 3 )) R 2 . Тогда

Для определения коэффициента a 22 матрицы A в эквивалентной резистивной схеме закоротить источник э.д.с. u 1 = E = 0, восстанавливаем источник тока, но замыкаем источник э. д. с.: x 1 = uc = 0. Соответственно из второго уравнения системы получим:

Для измененной схемы определяем: uL = - (R1 + (R2 R3 / R2 + R3 )) iL . Тогда a 22 = -(1/ L )( R1 + (R2 R3 / R2 + R3 )).
Определение коэффициентов матрицы B (коэффициенты матрицы B определяют вклад входных величин в баланс токов и напряжений) предполагает исключение источника тока x 2 = iL = 0 , замыкание источника э. д. с. x 1 = uc = 0 и сохранение источника u 1 = E . Тогда для определения коэффициента b 11 матрицы B в первом уравнении системы полагаем x 1 = uc = 0, x 2 = iL = 0. Получим:

но ic =0 при любом Е, т. к. ветвь с источником тока разомкнута, то b 11 =0.
Для определения коэффициента b 21 матрицы B во втором уравнении системы (4. 2) полагаем x 1 = uc = 0, x 2 = iL = 0, что предполагает исключение источника тока x 2 = iL = 0 , замыкание источника э. д. с. x 1 = uc = 0 и сохранение источника u 1 = E . Получим:

Напряжение на участке исключенного источника тока uL =Е, т. к. тока в разомкнутой цепи нет, то следовательно нет падения напряжения на активных сопротивлениях.
![]()
После получения всех коэффициентов матриц A и B можно записать систему (2. 2) для полученных коэффициентов: a 11 = (- 1 / C )(1/ ( R 2 + R 3 )); a 12 = (1 / C )( R 2 / ( R 2 + R 3 )); a 21 = - R 2 / L ( R 2 + R 3 ); a 22 = -(1/ L )( R1 + (R2 R3 / R2 + R3 )); b 11 =0; b 21 = 1/ L .

Подставляя в полученную систему численные значения параметров компонент, согласно исходной схеме, получим.



В координатной форме полученная система имеет вид
![]()
![]()
Возвращаясь к первоначальным переменным x 1 = uc ; x 2 = iL , можно записать в общем виде для заданной электрической цепи следующую систему уравнений в форме Коши, которую необходимо решить и выполнить анализ динамического процесса с помощью средств система автоматизации математических расчетов MATLAB и пакета динамических систем Simulink, входящего в состав расширенных версий MATLAB, а также вручную и сравнить полученные результаты, которые должны совпасть.
![]()
![]()
Система (2.3)
2.2 Анализ динамических процессов в системе на основе использования построенной аналитической модели
После получения динамической модели изучаемой системы в виде системы дифференциальных уравнений, записанных в форме пространства состояний, необходимо выполнить анализ динамических процессов протекающих в системе. Для выполнения этой задачи следует найти решение системы уравнений, т.е. найти аналитическое выражение – функцию, отражающую закон, согласно которому изменяются переменные состояния во времени. Получив закон, можно определить характер динамических процессов, протекающих в системе.
Для нахождения решения системы (2.3):
![]()
![]()
используем матрично-векторное соотношение
x ( t )= А-1 ( exp (А t ) - 1 ) f 0 , (2.4)
имеющее место при нулевых начальных условиях и внешнем воздействии f 0 в виде вектора с постоянными компонентами.
Сначала находим А-1 по известной А (в МatLab).
>> A=[-1.79 7.14;-2 -168];
>> inv(A)
ans = -0.5333 -0.0227
0.0063 -0.0057
Далее находим матричную экспоненту exp (А t ) , составив предварительно характеристическое уравнение системы (2.3) и найдя его корни
>> poly(A)
ans = 1.0000 169.7900 315.0000
Полученный полином будет определяться выражением
λ2 + 169.79λ + 315.
Соответственно, его корни:
>> A=[-1.79 7.14;-2 -168];
>> [D]=eig(A)
D = -1.8760
-167.9140
Следовательно: λ1 =--1.8760; λ2 = -167.914
Результат вычислений позволяет сделать вывод о апериодическом характере переходного процесса и устойчивости системы, необходимым и достаточным условием которой является отрицательность корней характеристического уравнения.
Для вычисления матричной экспоненты используется формула Сильвестра, согласно которой

Для системы (2.4) можно записать экспоненту:

Подставляя все полученные данные в соотношение (2.4) приходим к следующему выражению:

После выполнения действий над матрицами получим следующее решение системы (1):
x1 (t) =-16621/400*(-3260759/82705932300*275686441^(1/2)+179/300)*exp((-16979/200+1/200*275686441^(1/2))*t)-1/400*(-3260759/82705932300*275686441^(1/2)+179/300)*275686441^(1/2)*exp((-16979/200+1/200*275686441^(1/2))*t)-16621/400*(3260759/82705932300*275686441^(1/2)+179/300)*exp((-16979/200-1/200*275686441^(1/2))*t)+1/400*(3260759/82705932300*275686441^(1/2)+179/300)*275686441^(1/2)*exp((-16979/200-1/200*275686441^(1/2))*t)-119/25
x2 (t)= (-3260759/82705932300*275686441^(1/2)+179/300)*exp((-16979/200+1/200*275686441^(1/2))*t)+(3260759/82705932300*275686441^(1/2)+179/300)*exp((-16979/200-1/200*275686441^(1/2))*t)-179/150
Для построения графиков функций x 1 ( t ) и x 2 ( t ) выполним команду plot в режиме командной строки. Программы приведены ниже.
>> t=0:0.1:12.54;
>>x=-16621/400*(-3260759/82705932300*275686441^(1/2)+179/300)*exp((-16979/200+1/200*275686441^(1/2))*t)-1/400*(-3260759/82705932300*275686441^(1/2)+179/300)*275686441^(1/2)*exp((-16979/200+1/200*275686441^(1/2))*t)-16621/400*(3260759/82705932300*275686441^(1/2)+179/300)*exp((-16979/200-1/200*275686441^(1/2))*t)+1/400*(3260759/82705932300*275686441^(1/2)+179/300)*275686441^(1/2)*exp((-16979/200-1/200*275686441^(1/2))*t)-119/25;
>> plot(t,x)

Рис 3
>> t=0:0.02:5;
>>x=-(-3260759/82705932300*275686441^(1/2)+179/300)*exp((-16979/200+1/200*275686441^(1/2))*t)+(3260759/82705932300*275686441^(1/2)+179/300)*exp((-16979/200-1/200*275686441^(1/2))*t)-179/150;
>> plot(t,x)

Рис 4
Результат моделирования, отражающий динамический процесс представлен на рис. 3 и рис. 4 (изменения во времени переменных состояния системы x 1 ( t ) и x 2 ( t ) носят апериодический характер). На рис. 3 приведена распечатка графика функции
x 1 ( t ) =-16621/400*(-3260759/82705932300*275686441^(1/2)+179/300)*exp((-16979/200+1/200*275686441^(1/2))*t)-1/400*(-3260759/82705932300*275686441^(1/2)+179/300)*275686441^(1/2)*exp((-16979/200+1/200*275686441^(1/2))*t)-16621/400*(3260759/82705932300*275686441^(1/2)+179/300)*exp((-16979/200-1/200*275686441^(1/2))*t)+1/400*(3260759/82705932300*275686441^(1/2)+179/300)*275686441^(1/2)*exp((-16979/200-1/200*275686441^(1/2))*t)-119/25
при начальном условии x 1 (0) = 0 (график начинается с ординаты x1 = 0).
На рис. 4 приведена распечатка графика функции
x2 (t)= (-3260759/82705932300*275686441^(1/2)+179/300)*exp((-16979/200+1/200*275686441^(1/2))*t)+(3260759/82705932300*275686441^(1/2)+179/300)*exp((-16979/200-1/200*275686441^(1/2))*t)-179/150
при начальном условии x 2 (0) = 0 (график начинается с ординаты x2 = 0).
Полученные графики демонстрируют апериодический переходный процесс, возникающий в электрической цепи при подключении источника постоянной э.д.с. При этом напряжение на конденсаторе x 1 = uc и ток через катушку индуктивности x 2 = iL изменяются согласно найденных соотношений:
x1 (t)= -16621/400*(-3260759/82705932300*275686441^(1/2)+179/300)*exp((-16979/200+1/200*275686441^(1/2))*t)-1/400*(-3260759/82705932300*275686441^(1/2)+179/300)*275686441^(1/2)*exp((-16979/200+1/200*275686441^(1/2))*t)-16621/400*(3260759/82705932300*275686441^(1/2)+179/300)*exp((-16979/200-1/200*275686441^(1/2))*t)+1/400*(3260759/82705932300*275686441^(1/2)+179/300)*275686441^(1/2)*exp((-16979/200-1/200*275686441^(1/2))*t)-119/25
и
x2 (t)= (-3260759/82705932300*275686441^(1/2)+179/300)*exp((-16979/200+1/200*275686441^(1/2))*t)+(3260759/82705932300*275686441^(1/2)+179/300)*exp((-16979/200-1/200*275686441^(1/2))*t)-179/150,
соответственно.
Как видно из графиков временных зависимостей, процесс асимптотически приближается к установившемуся состоянию с принужденной составляющей x 1 ( t )= x 1 =-4.7 и x 2 ( t )= x 2 = -1.2.
На этом расчет вручную, с частичным использованием моделирования в режиме командной строки, заканчивается.
2.3. Моделирование с использованием солверов
Следующий этап моделирования состоит в нахождении решений исходной системы (2.3), используя встроенные средства для решения дифференциальных уравнений и их систем. Система MATLAB выполняет численное решение обыкновенных дифференциальных уравнений произвольного порядка и систем с начальными условиями. В MATLAB имеется целый ряд встроенных функций, предназначенных для решения задачи Коши для обыкновенных дифференциальных уравнений. Библиотека включает несколько функций, реализующих различные методы решения задачи Коши ode (ordinary differential equations ).
Начнем с составления файл-функции для вычисления правых частей системы дифференциальных уравнений (2.3). Она должна содержать два входных аргумента (переменную t, по которой производится дифференцирование, и вектор с числом элементов, равным числу неизвестных функций системы) и один выходной аргумент (вектор правой части системы).
Для системы (2. 3) напишем текст программы, для этого в меню File окна системы MATLAB выполним команду New m-file и в открывшемся окне редактора/отладчика m-файлов наберем текст файл-функции, который будет таким.
function F=difur(t,x)
F=[-1.79*x(1)+7.14*x(2);-2*x(1)-168*x(2)-210];
Сохраним его в файле difur.m в текущем каталоге.
Для вычисления решения системы на интервале [0, 10] используем командную строку. С учетом начальных условий, обращение к функции ode 45 будет иметь следующий вид. Начальные условия: x 1 (0) = 0; x 2 (0) = 0.
>> [t, x]=ode45('difur',[0 10],[0;0])
Решение исходной системы (2.3) в виде числовых массивов сохраняются в папке work в виде бинарного файла с расширением .mat. Для этого служит команда Save Workspace As…. в меню File. При необходимости сохраненный файл можно загрузить в рабочую область Workspace (командой load).
После выполнения сеанса работы (сессии) в окне команд Command Window появятся результаты решения системы (1) в виде массивов аргумента t и искомых функций x, которые можно сохранить в папке work под именем rech1. mat.
Для отображения графика исходной системы дифференциальных уравнений (2.3) необходимо в режиме командной строки выполнить команду plot:
>> plot(t,x(:,1),'r',t,x(:,2),'k--')

Рис 5
На рис. 5 приведена экранная форма графика решения заданной системы уравнений (2. 3) x1 (t), x2 (t).
Графики интерпретируют изменение во времени величины функции:
x1 (t)= -16621/400*(-3260759/82705932300*275686441^(1/2)+179/300)*exp((-16979/200+1/200*275686441^(1/2))*t)-1/400*(-3260759/82705932300*275686441^(1/2)+179/300)*275686441^(1/2)*exp((-16979/200+1/200*275686441^(1/2))*t)-16621/400*(3260759/82705932300*275686441^(1/2)+179/300)*exp((-16979/200-1/200*275686441^(1/2))*t)+1/400*(3260759/82705932300*275686441^(1/2)+179/300)*275686441^(1/2)*exp((-16979/200-1/200*275686441^(1/2))*t)-119/25 и
x 2 ( t )= (-3260759/82705932300*275686441^(1/2)+179/300)*exp((-16979/200+1/200*275686441^(1/2))*t)+(3260759/82705932300*275686441^(1/2)+179/300)*exp((-16979/200-1/200*275686441^(1/2))*t)-179/150, соответственно.
Как видно из графиков временных зависимостей, процесс асимптотически приближается к установившемуся состоянию с принужденной составляющей x 1 ( t )= x 1 =-4.7 и x 2 ( t )= x 2 = -1.2.
Сравнение полученных графиков с ранее построенными x 1 ( t ) x 2 ( t ) (Рис. 5 ) при моделировании в режиме командной строки свидетельствует о идентичности результатов, полученных при использовании различных способов взаимодействия с программой при реализации ее широких возможностей.
2.4. Моделирование с использованием пакета расширения Symbolic Math Tolbox
Возможности пакета расширения Symbolic Math Tolbox позволяют в рамках системы MATLAB осуществлять аналитические вычисления и аналитические преобразования выражений. Помимо выполнения аналитических преобразований, пакет Symbolic Math Tolbox позволяет выполнять арифметические вычисления с контролируемой точностью, которую можно задать заранее. Этот пакет осуществляет алгебраические операции над объектами нового типа – sym – объектами. Такие объекты получаются после вызова одноименной функции конструктора таких объектов. Над объектами типа sym производятся манипуляции в соответствии с правилами алгебры и математического анализа.
Для решения дифференциальных уравнений в форме Коши MATLAB имеет следующую функцию:
dsolve(‘eqn1’,’eqn2’,….) – возвращает аналитическое решение системы дифференциальных уравнений с начальными условиями. Сначала задаются уравнения, затем начальные условия (равенствами eqn).
По умолчанию в качестве независимой переменной задается переменная ‘t’. Можно использовать и другую переменную, добавив ее в конце списка параметров функции dsolve. Символ D обозначает производную по независимой переменной, D2 означает вторую производную и т. д.
Начальные условия задаются в виде равенств ‘y(a)=b’, ‘Dy(a)=b’ , где y – независимая переменная, a и b – константы. Если число начальных условий меньше, чем число дифференциальных уравнений, то в решении будут присутствовать произвольные постоянные С1, С2,…и т. д.
Выполним функцию dsolve для системы (1):
S=dsolve('Df=-1.79*f+7.14*g','Dg=-2*f-168*g-210','f(0)=0','g(0)=0')
S = f: [1x1 sym]
g: [1x1 sym]
>> S.f
ans =-16621/400*(-3260759/82705932300*275686441^(1/2)+179/300)*exp((-16979/200+1/200*275686441^(1/2))*t)-1/400*(-3260759/82705932300*275686441^(1/2)+179/300)*275686441^(1/2)*exp((-16979/200+1/200*275686441^(1/2))*t)-16621/400*(3260759/82705932300*275686441^(1/2)+179/300)*exp((-16979/200-1/200*275686441^(1/2))*t)+1/400*(3260759/82705932300*275686441^(1/2)+179/300)*275686441^(1/2)*exp((-16979/200-1/200*275686441^(1/2))*t)-119/25
>> S.g
ans = (-3260759/82705932300*275686441^(1/2)+179/300)*exp((-16979/200+1/200*275686441^(1/2))*t)+(3260759/82705932300*275686441^(1/2)+179/300)*exp((-16979/200-1/200*275686441^(1/2))*t)-179/150
Окончательно будем иметь следующее решение:
x1 (t) = -16621/400*(-3260759/82705932300*275686441^(1/2)+179/300)*exp((-16979/200+1/200*275686441^(1/2))*t)-1/400*(-3260759/82705932300*275686441^(1/2)+179/300)*275686441^(1/2)*exp((-16979/200+1/200*275686441^(1/2))*t)-16621/400*(3260759/82705932300*275686441^(1/2)+179/300)*exp((-16979/200-1/200*275686441^(1/2))*t)+1/400*(3260759/82705932300*275686441^(1/2)+179/300)*275686441^(1/2)*exp((-16979/200-1/200*275686441^(1/2))*t)-119/25
x2 (t)= (-3260759/82705932300*275686441^(1/2)+179/300)*exp((-16979/200+1/200*275686441^(1/2))*t)+(3260759/82705932300*275686441^(1/2)+179/300)*exp((-16979/200-1/200*275686441^(1/2))*t)-179/150
Для построения графиков функций x 1 ( t ) и x 2 ( t ) выполним команду plot в режиме командной строки (рис. 6, 7)
>> t=0:0.02:5;
>>x=-16621/400*(-3260759/82705932300*275686441^(1/2)+179/300)*exp((-16979/200+1/200*275686441^(1/2))*t)-1/400*(-3260759/82705932300*275686441^(1/2)+179/300)*275686441^(1/2)*exp((-16979/200+1/200*275686441^(1/2))*t)-16621/400*(3260759/82705932300*275686441^(1/2)+179/300)*exp((-16979/200-1/200*275686441^(1/2))*t)+1/400*(3260759/82705932300*275686441^(1/2)+179/300)*275686441^(1/2)*exp((-16979/200-1/200*275686441^(1/2))*t)-119/25;
>> plot(t,x)

Рис 6
>> t=0:0.02:5;
>>x=(-3260759/82705932300*275686441^(1/2)+179/300)*exp((-16979/200+1/200*275686441^(1/2))*t)+(3260759/82705932300*275686441^(1/2)+179/300)*exp((-16979/200-1/200*275686441^(1/2))*t)-179/150;
>> plot(t,x)

Рис 7
Полученные графики полностью совпадают с графиками, полученными моделированием в режиме командной строки и с использованием встроенных средств.
2.5. Моделирование с использованием имитационного пакета моделирования динамических систем Simulink
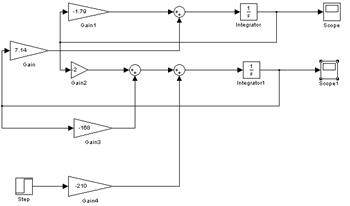
Для построения Simulink -модели системы (2. 3) нам необходимы следующие библиотеки:
· Continuous , содержащую блок интегрирования Integrator ;
· Math , содержащую блоки масштабирования и суммирования Gain и Sum ;
· Sinks , содержащую блоки виртуальных регистраторов Scope (осциллограф для наблюдения временных и иных зависимостей).
· Sources , содержащую блоки единичного скачка Step .
В окне Simulink Library Browser на панели инструментов нажимаем кнопку Greate a new model (создание S -модели), и в открывшемся окне подготовки и редактирования функциональных схем выполняем построение структурной схемы (Рис. 8).
Далее необходимо выполнить редактирование параметров блоков. При вызове окон параметров путем активизации графических элементов в окнах библиотек отображаются установки параметров по умолчанию. Возможность изменения параметров появляется после переноса графических элементов в окно подготовки и редактирования функциональных схем.
В окне установки параметров первого интегратора Integrator в поле начальных значений Initial condition устанавливаем начальное условие: x 1 (0) =0. Остальные параметры принимают значения по умолчанию. В окне установки параметров второго интегратора Integrator 1 в поле начальных значений Initial condition устанавливаем начальное условие: x 2 (0) = 0. Остальные параметры имеют значения по умолчанию.
В окне установки параметров первого и второго источника одиночного перепада Step устанавливаем следующие параметры:
· Step time – время появления перепада – устанавливаем 0 ;
· Initial value – начальное значение воздействия 0 (по умолчанию);
· Final value – конечное значение воздействия 1 (по умолчанию);
· Sample time – эталонное время 0 (по умолчанию).

Рис 8
Блоки масштабирования Gain служат для масштабирования данных, т. е. умножения их на заданную коэффициент – константу. В окнах установки параметров всех четырех блоков в поле численных значений Gain установить соответствующие множители -1,79; 7,14; -2; -168 . Значение параметра Gain выводится внутри блока. Если входной сигнал и множитель относятся к разным типам, то Simulin k пытается преобразовать тип множителя к типу входного сигнала, а когда это сделать не удается, выдает сообщение об ошибке. Флажок Saturate on integer overflow (подавлять переполнение для целых) дает возможность задать необходимость «урезания» результата умножения, если он превышает диапазон, установленный для целочисленных значений. Остальные параметры принимают значения по умолчанию (в частности в поле Multiplication выводится Element - wise [ K * u ] ).
Окно настройки блока сложения/вычитания предполагает вид представления блока round (круглый), rectangular (квадратный) и число входов с выполняемыми по ним операциями. Число входов и операций задаются шаблоном List of signs . Например, шаблон | + + означает, что блок имеет два суммирующих входа, а | + - + означает, что он имеет три входа, причем, средний вычитающий, а крайние суммирующие.
Окно параметров виртуального осциллографа с открытой вкладкой General содержит следующие параметры: Number of axes – количество каналов, позволяющий преобразовать одноканальный осциллограф в многоканальный; Time range – пределы временного интервала; Tick labels – вывод/скрытие отметок по осям; Sampling – установка временных соотношений (Decimation – в десятичных долях времени со значением по умолчанию 1 или Simple Time – в тактах эталонного времени, по умолчанию 0). Окно параметров виртуального осциллографа с открытой вкладкой Data history позволяет задать максимальное число точек осциллограмм для хранения и задать параметры хранения осциллограмм в рабочем пространстве системы MATLAB .
Назначение кнопок панели инструментов виртуального осциллографа представлено на рис. 9.
![]() |
Рис 9
Удобной является кнопка «Автомасштабирование», которая позволяет установить такой масштаб, при котором изображение осциллограммы имеет максимально возможный размер по вертикали и отражает весь временной интервал моделирования.
После редактирования параметров блоков выполняется запуск процесса моделирования нажатие кнопки Start simulation на панели инструментов окна модели пакета Simulink. Результат моделирования, отражающий движение системы, представлен на рис. 10, 11.(изменения во времени переменных состояния системы x1 (t) и x2 (t)).


Рис 10 рис 11
Полученные графики полностью совпадают с графиками, полученными моделированием в режиме командной строки, с использованием встроенных средств и с использованием пакета расширения Symbolic Math Tolbox .
