| Скачать .docx |
Реферат: Понятие цифрового таймера
Содержание:
Введение - 3
Часть I. Принципы построения - 4
Часть II. Разработка схемы устройства - 5
2.1 Функциональная схема проектируемого устройства - 5
2.2 Внутренняя структура селектора импульсов - 6
2.3 Результат машинного моделирования - 8
Часть III. ПЛИС - 9
Часть IV. Разработка принципиальной электрической схемы устройства - 11
4.1 Выбор элементной базы - 11
4.2 Кварцевый генератор - 12
4.3 Разъем - 13
4.4 Буферные элементы - 14
Часть V. Экономическая часть - 15
Заключение - 16
Список используемой литературы - 17
Введение:
В данном КП разрабатывается устройство «Цифровой таймер», формирующее заданные интервалы времени со следующими параметрами:
Максимально формируемый интервал времени, с - 5х10-4;
Точность воспроизведения интервала времени, с - 10-7;
τзад, с - 10-7;
Длительность выходного импульса, с - 5х10-7.
Цифровые таймеры используются для автоматического включения/отключения электротехнического оборудования через заданный промежуток времени.
Они применяются для управления различными технологическими процессами. Стандартный таймер может использоваться в промышленных и бытовых электроустановках (в таких случаях должен устанавливаться в распределительных щитках).
Возможно использовать цифровые таймеры для временного включения освещения на лестничных площадках, в гаражах или подвалах. Таким образом, цифровые таймеры позволяют экономить электроэнергию, отключая освещение через установленный промежуток времени.
Надоело просыпаться под неприятный звон будильника? Теперь Вас может разбудить любой прибор, снабженный таймером, например, музыкальный центр или светильник.
Есть еще множество других предназначений цифрового таймера, но во всех случаях он используется для автоматического управления электроприборами в заданное время.
Часть I . Принципы построения.
Для формирования задержек необходимой длительности, требуется отсчитывать нужное количество эталонных импульсов и сравнивать его с числом, задающимся входным кодом. Если числа совпадают, то на выходе устройства появляется калиброванный импульс.
Число вариантов длительности задержки выхода импульса можно рассчитать, учитывая максимальный формируемый интервал времени и длительность выходного импульса:
Х= (Тmax – Тmin) /Тmin= (5*10-4 с - 10-7 с) / (10-7 с) = 999
При этом длительность задержки выхода импульса будет рассчитываться по формуле (10-7 с)*Х, где Х – число от 0 до 999, записанное двоичным кодом. Чтобы подавать такое число, нам понадобится 10 входов, через которые будет поступать двоичный код, и десятиразрядный регистр, в котором это число будет храниться.
Для подсчёта эталонных импульсов используется десятиразрядный счётчик, для сравнения с заданным кодом используется устройство сравнения (компаратор) той же разрядности.
Необходимая длительность выходного импульса получается с помощью формирователя выходных импульсов.

Рис. 1 Структурная схема селектора импульсов.
Часть II . Разработка схемы устройства.
2.1 Функциональная схема проектируемого устройства.
В данной главе будет рассмотрен вопрос о функциональном устройстве проектируемого прибора и приведена внутренняя структура программируемой логической интегральной схемы, которая является основой рассматриваемого здесь цифрового таймера, а так же будут приведены результаты машинного моделирования. В качестве среды проектирования ПЛИС Altera мы берём MAX+PLUS II. Назначение семейства ПЛИС для реализации проекта предоставили компилятору для того, чтобы оценить требуемые ресурсы. На рис.3 приведена функциональная схема селектора импульсов.

Рис. 2. Функциональная схема таймера
Вся схема тактируется от кварцевого импульсного генератора частотой 10 МГц .
2.2 Внутренняя структура селектора импульсов.
На рис. 3 приведена внутренняя структура цифрового таймера. В начале разработки схемы мы выбрали, как среду разработки MAX+PLUS II. Запустив пакет САПР AlteraMax + PLUSII, в графическом редакторе Graphic Editor, мы создали новый файл(file, new…), выбрали из базы данных нужные нам элементы. С помощью редактора MegaWizardPlug-InManager, встроенного в Max+ PLUSII, были сделаны десятиразрядные регистр, счётчик и компаратор.
После того, как схема была полностью спроектирована, мы проверили её на наличие ошибок с помощью компилятора системы (Compiler).
Работа схемы :
Наша схема тактируется ГТИ, который на схеме изображен как вход «gti». На входы a[9..0] подается десятиразрядный двоичный код, управляющий временем задержки выходного импульса. Под действием импульса запуска, поступающего на вход «zap», управляющий код запишется в регистр. Этим же импульсом переведётся в единичное состояние первый триггер. Снятие импульса запуска блокирует запись в регистр до следующего сигнала записи, предотвращая случайную запись управляющего кода во время работы схемы, для избежания возникновения ошибок.
Каскад из двух инверторов и элемента «2И», стоящий перед триггером, необходим в схеме для предотвращения ошибки, возникающей, если фронт импульса запуска совпадёт с фронтом синхроимпульса, в результате которой на выходе схемы установилась бы логическая единица вне зависимости от кода управления.
Логическая единица, установившаяся на выходе первого триггера, откроет ключ, представленный элементом «2И», и даст возможность синхроимпульсам с входа «gti» поступать на счётчик. Число вошедших в счётчик импульсов будет постоянно сравниваться с числом, записанным в регистре, и при их совпадении компаратор выдаст импульс, которым на выходе второго триггера установится логическая единица. В то же время обнулятся регистр и счётчик, и сбросится первый триггер, в свою очередь закрывающий ключ «2И», прекращая трансляцию синхроимпульсов на вход таймера.
Чтобы задать необходимую длительность выходного импульса, схема устроена так, чтобы второй триггер изменил своё состояние (1 > 0) с помощью входа «/С» только с приходом синхроимпульса. Таким образом, логическая единица на выходе будет держаться один период синхроимпульса. Учитывая, что частота СИ =10МГц, т.е. его период =10-7 с, длина выходного импульса будет соответствующей.

Рис. 3 Внутренняя структура цифрового таймера.
2.3 Результат машинного моделирования.
В данной части приведены результаты проведённых машинных экспериментов. Моделирование проводилось в программном приложении MAX+ PLUSIIс помощью симулятора, который позволяет тестировать логические операции и внутреннюю синхронизацию проектируемой логической схемы.
На рисунке 4 приведён результат моделирования работы таймера. Для примера на устройство был подан код числа 17. Как видно из графика, управляющий код записывается по фронту импульса «запуск» и спустя 17 тактовых импульсов после запуска, схема выдаёт импульс длительностью 5*10-7 с.

Рис. 4 Временная диаграмма работы цифрового таймера.
Часть III . ПЛИС.
За основу проектируемого цифрового таймера в данной работе была взята ПЛИС фирмы ALTERA семейства MAX7000S. В настоящее время это достаточно устаревшее семейство ПЛИС, но до сих пор достаточно популярное среди разработчиков. Это связано с тем, что для работы с ним не требуется никаких серьезных затрат, поскольку пакет MAX+PLUS II BASELINE полностью поддерживает всех представителей этого семейства ПЛИС, а для программирования и загрузки конфигурации устройств опубликована схема загрузочного кабеля ByteBlaster и ByteBlasteMV . Данная фирма является одним из мировых лидеров по производству ПЛИС в мире. Выбор в пользу ПЛИС Altera был сделан исходя из следующих критериев:
1) широкая распространённость на рынке
2) относительно низкая стоимость продукции
3) доступность программного обеспечения для разработки устройств на базе ПЛИС данной фирмы.
Разработка структуры ПЛИС производится в графическом редакторе программного приложения MAX+plusII.
Ядром цифрового таймера в данном проекте является программируемая логическая интегральная схема фирмы ALTERA. На рис. 5 приведено расположение выводов для ПЛИС, использованной в данном проекте. На рис 6 изображена уже запрограммированная для данного проекта ПЛИС и указаны её выводы.

Рис. 5

Рис. 6
Часть IV . Разработка принципиальной электрической
схемы устройства.
4.1 Выбор элементной базы.
В данной главе будет рассмотрено назначение выводов каждого блока, входящего в состав принципиальной электрической схемы устройства. Всё устройство построено на основе программируемой логической интегральной схемы, так как это одна из наиболее распространённых составляющих современных устройств выполняющих какое-либо логические операции, но для создания работоспособного прототипа её одной не достаточно, поэтому далее будут более подробно рассмотрены остальные элементы, входящие в состав принципиальной электрической схемы. Для работы цифрового таймера необходимы синхроимпульсы прямоугольной формы, к которым предъявляются повышенные требования, поэтому в состав устройства вошёл кварцевый генератор, обеспечивающий требуемые параметры выходного сигнала.
Так как для подачи управляющего кода и сигнала запуска используется параллельный порт, то в состав вошёл разъём для обеспечения возможности подключения к устройству периферии.
На сегодняшний день никто не застрахован от возможных перепадов в подаче питания к устройству, поэтому для уменьшения вероятности выхода из строя устройства в такой ситуации было предусмотрено включение в состав схемы буферных элементов.
Для страховки от возможной переполюсовки, на входы питания был поставлен диод, обладающий свойством односторонней проводимости.
4.2 Кварцевый генератор.
Так как цифровой таймер не может работать без подачи на его вход синхронизирующего прямоугольного сигнала, требуется включить в состав схемы устройство, способное такой сигнал генерировать. В данной работе в качестве такого устройства выступает кварцевый генератор.
В данном проекте для удобства формирования длительности выходного импульса и длительности его задержки, был выбран тактовый генератор фирмы GeyerElectronicмодель КХО-97 с частотой 10 МГц.

Рис. 7Габаритные размеры генератора
| Модель | Диапазон частот, МГц | Температурная стабильность, ppm | Напряжениепитания, В |
Потребляемый ток, мА | Размеры Д/Ш/В, мм |
Особенности |
| KXO97 | 1,0...100,0 | +50 (-20...70°С) +100 (-40...85°С) |
5,0 ±5% | 15...40 | 7,0 5,08 1,8 |
Входразрешения |
4.3 Разъем.
Для связи внешним устройством на плате необходим разъём для подключения. В данном проекте используется следующий разъём и вилка к нему:

| No. Pos. |
Plug / Socket |
Dimension (mm) | ||||
| A | B | C | D | E | ||
| 25 | Plug | 53.04 | 47.04 | 38.96 | 41.30 | 8.36 |
| Socket | 38.38 | 7.90 | ||||
Рис. 8 Габаритные размеры разъёма
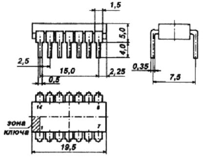
4.4 Буферные элементы.
Для защиты устройства от перепадов напряжения питания, в схему были включены буферные элементы. В схему установлены 2 микросхемы SN7407N, являющиеся аналогом отечественной микросхемы К155ЛН4.
Микросхема представляет собой шесть буферов без инверсии с открытым коллектором.

Рис. 9 Габаритные размеры буферного элемента
Условное графическое обозначение:

Часть V. Экономическая часть.
В данной части мы рассмотрим финансовую сторону нашей схемы. Для этого нам будет необходимо узнать цену каждого элемента, используемого нами для построения. Это требуется для создания устройства. Все цены приведены ниже, в таблице:
| Наименование товара | Среднегородская цена за 1шт. | Кол-во |
| ПЛИС (EPM7032SLC44-5) | 336.57 руб. | 1шт. |
| Кварцевый генератор | 151.91 руб. | 1шт. |
| Конденсаторы керамические | 30 коп. | 6 шт. |
| Конденсатор электролитический | 9.15 руб. | 1 шт. |
| Разъём DB25M | 77 руб. | 1 шт. |
| Буферные элементы | 9.65 руб. | 2 шт. |
| Диод | 1.30 руб. | 1шт |
Итого:
336.57+151.91+(0.30)*6+9.15+77+(9.65)*2+1.30= 597.03 рублей.
Заключение :
В результате данной курсовой работы, было спроектировано устройство, а именно – цифровой таймер на основе ПЛИС фирмы ALTERA. Выбор элементной базы был сделан не случайно, т. к. на сегодняшний день ПЛИС приобрели широкую популярность среди разработчиков электронной техники
В данной работе было произведено проектирование на всех его этапах: построена функциональная схема, разработана внутренняя структура программируемой логической интегральной схемы, построена принципиальная электрическая схема самого устройства, рассмотрели полученную схему с экономической точки зрения. Устройство получилось относительно дорогим, зато надёжным и простым в изготовлении, также учтена возможность сопряжения устройства с любым другим внешним через разъём СНП101-25РП32. Получившееся устройство просто в эксплуатации.
Список используемой литературы:
- http://www.geyer-electronic.de
- http://www.zip-2002.ru/?z=164
- http://www.alldatasheet.com
- http://electronix.ru/forum/