| Скачать .docx |
Реферат: Replacement Housing (Помещения для ремонтного молодняка)
Replacement Housing (Помещения для ремонтного молодняка)
Кубанский государственный аграрный университет
Кафедра иностранных языков
Реферат
на тему:
«Replacement Housing.»
(«Помещения для ремонтного молодняка»)
Подготовил: студент группы СТ-21
Деревенец Ф. Н.
Краснодар, 1998
Contents
Management factors. Affecting design................................................................... 4
Facility management............................................................................................... 5
Herd size and makeup.............................................................................................. 5
Management groups................................................................................................. 6
Resting space........................................................................................................... 7
Feeding and watering space..................................................................................... 7
Handling and treatment facilities............................................................................ 8
Prep room................................................................................................................. 8
Feed and bedding storage........................................................................................ 8
Cold housing.......................................................................................................... 11
Warm housing........................................................................................................ 11
Calf housing (up to weaning)................................................................................ 11
Hutches in Cold Housing......................................................................................... 12
Hutch management............................................................................................................................ 13
Individual Pen in Cold Housing............................................................................... 13
Individual Stall in Warm Housing........................................................................... 13
Transition housing (3-5 months)............................................................................. 15
Calf Shelter or Super Hutch.................................................................................... 17
Transition Barn.................................................................................................................................. 17
Calf Barn............................................................................................................................................. 18
Heifer housing (6-24 months)............................................................................... 19
Freestall Housing..................................................................................................... 20
Two-row freestall barn..................................................................................................................... 20
Two-row graduated freestall barn................................................................................................... 21
Two-row gated freestall.................................................................................................................... 22
Drive-through gated freestall........................................................................................................... 24
Bedded Pack........................................................................................................... 24
Counter-sloped barn............................................................................................... 24
Optional outside lots.............................................................................................. 25
Факторы управления. Воздействие на проект.................................................. 27
Средства управления.......................................................................................... 28
Размеры и структура стада.................................................................................. 28
Управление группами.......................................................................................... 30
Помещения для отдыха........................................................................................ 31
Пространство для кормления.............................................................................. 31
Обработка и средства обработки........................................................................ 32
Подготовительное помещение............................................................................ 32
Хранение корма и подстилок............................................................................. 32
Холодное помещение.......................................................................................... 34
Теплое помещение............................................................................................... 35
Помещения для телят (вплоть до отлучения)................................................... 36
Клетки в холодном помещении............................................................................. 36
Управление клетками...................................................................................................................... 36
Индивидуальные загоны в холодном помещении................................................ 37
Индивидуальное стойло в теплом помещении..................................................... 37
Переходное помещение (3-5 месяцев)................................................................... 39
Укрытие для теленка или первоклассная клетка.................................................. 41
Переходный сарай................................................................................................. 42
Сарай для телят...................................................................................................... 44
Помещение для нетелей (6-24 месяцев)................................................................. 44
Боксовые помещения........................................................................................... 45
Двухрядный боксовый сарай............................................................................... 45
Двухрядный дифференцированный боксовый сарай........................................... 46
Двухрядный закрываемый бокс............................................................................ 47
Сквозной закрываемый бокс................................................................................. 48
Подстилочный узел.............................................................................................. 48
Встречно-наклонный сарай................................................................................ 49
Дополнительный внешний участок................................................................... 51
As replacement heifers grow, their needs change. This includes a change in needed physical environment. When a heifer is young, it is physically separated from other animals to minimize the risk of disease. As it grows, it is grouped with other animals to increase resistance to disease and prepare the animal for the breeding herd. Eventually the animal enters the breeding herd and finally the milking herd.
Each stage of production requires housing to meet the physical needs of the animal.
Management factors. Affecting design
House replacement animals in separate facilities away from the milking herd to foster a healthy environment for each group. Well-designed and properly-managed replacement animal housing allows the ability to adopt the best management practices currently recommended. Plan space, equipment, environment, rations and care to meet the needs of each group. Manage replacements in groups according to their specific requirements. Facility design should allow for easy implementation of the management plan for each group. When planning replacement animal housing, provide:
Ø Adequate resting and exercise space.
Ø Covered, dry and draft-free resting area.
Ø Good quality fresh air.
Ø Adequate space for feed and water.
Ø Space to group animals by size or age.
Ø Clean lots to maintain sanitary conditions.
Ø Isolation area for sick animals.
Ø Observation area for animals.
Ø Treatment facilities.
Ø Space for handling and restraint of animals.
Poorly planned or improperly managed animal housing increases the risk of disease or injury. High humidities are especially detrimental to animal health. Pneumonia, scours and other diseases can permanently damage vital body organs and reduce milk producing potential of an animal. Calves and heifers raised in a poor environment may never reach their full genetic potential for milk production.
For healthy, high producing replacement animals, provide high quality housing and a management plan that addresses animals' needs. Good management, understanding what to do and then doing it on schedule, is important to the success of any housing system. Sanitation, stall maintenance, bedding, ventilation control, feeding, herd health, treatment and close observation are all important management practices. Young animals may need training and/or time to get accustomed to using freestalls. Daily or routine chores such as feeding, stall maintenance or manure removal should be made as convenient as possible to make sure they are accomplished in a timely manner.
Herd size can mean either the number of cows actually milking or mature cows both dry and milking. In this handbook, the herd size is the number of mature cows.
Typical herd makeup, assuming uniform calving year-round, is given in Table 1. The numbers in the table reflect no culling of heifers or calves. Use this table to determine housing needed for each management group. Provide:
Ø Calf housing (0-2 months).
Ø Transition housing (3-5 months).
Ø Heifer housing:
ü 6-8 months
ü 9-12 months
ü 13-15 months (breeding age)
ü 16-24 months
The number of replacement animals to be housed depends on the number of milking cows and bred heifers. As herd size increases, so does number of replacements. Increasing herd size without expanding facilities for replacements results in crowding which can increase injury, disease transmission, and lower growth rates.
Table 1. Typical management categories of a herd. [1]
This table is only a management guideline. These are categories and not group size
| Herd size = total cows |
75 |
100 |
250 |
400 |
| Calves and heifers 0-2 months, 150 lb 3-5 months, 250 lb 6-8 months, 400 lb 9-12 months, 600 lb 13-15 months, 800 lb 16-24 months, 1,000 lb |
75 6 9 9 14 9 29 |
100 8 12 12 18 12 38 |
250 20 30 30 45 30 95 |
400 32 48 48 72 48 152 |
| Dry cows Transition (first 4-14 days) Next 40 days (Divide in 2 groups) Close-up (2-3 weeks prepartum) |
13 0-4 8-9 2-5 |
17 1-5 11-12 3-6 |
43 4-9 28-30 8-15 |
68 5-16 45-48 16-24 |
| Maternity (individual pens) |
3-5 |
4-6 |
10-16 |
16-24 |
| Fresh cows (from 0-7 days postpartum) |
1-3 |
1-4 |
3-10 |
4-12 |
| Two-years-old (305 days) [2] |
18-24 |
26-30 |
65-75 |
104-120 |
| Three years and older (305 days) b High producers (120 days or less) Medium producers Low producers |
44 15-18 12-15 12-15 |
58 20-24 16-20 16-20 |
145 50-60 40-50 40-50 |
232 80-96 60-72 60-72 |
| Sick cows |
0-4 |
0-5 |
0-13 |
0-20 |
Separating replacement animals into groups according to age, size or special management needs allows each group to be treated according to its needs. Plan building space and layout for these groups of animals using Tables 2 and 3. More than one group can be housed in the same building, but allow for managing each group separately. In larger herds, separate facilities may be provided for each group. Some of the benefits of managing animals in groups are:
Ø Healthier animals by minimizing the risk of transmitting disease to younger animals.
Ø Good feed efficiency by reducing competition for feed.
Ø Calving at proper weight and size at 24 months.
Ø Feed handling ease, and proper diets according to age.
Ø Manure handling ease.
Ø Animal observation and handling ease for breeding, treatment and grouping.
Ø Proper ventilation and environment.
Ø Proper resting space or freestall size.
Space requirements for a particular operation depend on the housing system chosen and how replacements move from the resting area to feed and to water and back again. Herd size and makeup are guides to estimating the space needed for resting, but alley size, water space and bunk space must also be considered to accommodate the animals and provide an animal friendly environment.
Provide separate areas for resting and feeding. Feeding in resting areas increases manure accumulation and more bedding is required to keep animals clean and dry.
Adequate resting space for management groups is a key factor in efficient growth. Required space for different housing alternatives including bedded resting areas, self-cleaning resting areas (solid, sloped floors) and freestalls are shown in Tables 3 and 4.
Provide adequate feeding space, so young stock do not have to compete for feed. Optimum feeding space varies with type of feed, feeding schedule and animal size, Fig 1 and Tables 5 and 6.
Water is essential at all times. Provide at least one watering space per 20 animals. Dairy heifers need 1-1,5 gal of water daily per 100 lb body weight. Select waterers that are easy to clean; protect them from freezing. Locate waterers on elevated curbs and in a location that allows easy manure removal around them. Adjust waterer height to allow small animal access.
Handling and treatment facilities
Animal treatment areas are a necessary part of the replacement housing system. Vaccinations, artificial insemination, pregnancy checking, deworming, dehorning and examinations are done easily and safely for animals and workers when animals can be separated and restrained easily. Equipment that eases labor and saves time in handling animals are:
Ø Scales.
Ø Self-locking feed stanchions.
Ø Gating/fencing.
Ø Squeeze chute/breeding chute.
Locate a work room near calf housing for feed storage, a refrigerator/freezer, hot water heater, cleaning sink, health records and supplies. This area can be used to prepare milk replacer and clean feeding equipment.
Store bedding and feed in the building or nearby. Reduce daily hauling and feeding time by storing a one to two weeks supply. Storage space depends on animal density, feeding frequency and feed availability.
Table 2. Calf and transition housing.
| Housing type |
Pen size |
| 0—2 months (individual pens) |
|
| Calf hutch (plus 4'x6' outdoor run) Bedded pen Tie stall (warm housing only) |
4'x8' 4'x7' 2'x4' |
| 3-5 months (groups up to 6 head) |
|
| Super calf hutch Bedded pen |
25-30 ft2 /hd 25-30 ft2 /hd |
Table 3. Replacement heifer resting area space requirements.
| Age, months |
Weight, lb |
Self-cleaning resting area [3] ,ft2 |
Bedded resting area [4] , ft2 |
Slotted floor, ft2 |
Paved outside lot, ft2 |
| 0-2 [5] 3-5 6-8 9-12 13-15 16-24 Dry cow |
100-190 190-350 350-500 500-650 650-800 800-1,200 > 1,300 |
Do not use Do not use 10 12 15 18 [6] 20d |
32 (4'x8' hutch) 28(4'x7' pen) 28 25 28 32 40 50 |
Do not use Do not use 12 13 17 25 35 |
Do not use Do not use 35 40 45 50 55 |
Table 4. Heifer freestall dimensions.
Stall width measured o. c. of 2" pipe stall dividers.
Stall length measured from alley side of curb to front of stall.
| Age, months |
Weight, lb |
Freestall size |
Neck rail |
||
| Width, in |
Length, in |
Height above stall bed, in |
Distance from back curb, in |
||
| 6-8 9-12 13-15 16-24 Dry cow |
350-500 500-650 650-800 800-1,200 > 1,300 |
30 33 37 42 45 |
60 64 72 78 84 |
28 30 34 37 40 |
46 49 57 62 66 |
Table 5. Suggested dimensions for post and rail feeding fences.
| Age, months |
Weight, lb |
Throat height, in |
Neck rail height, in |
| 6-8 [7] 9-12 13-15 16-24 Cows |
360-490 490-650 650-780 780-1,200 1,200-1,500 |
14 16 17 19 21 |
28 30 34 41 48 |
Table 6. Feed space requirements.
| Type |
Age, months |
Mature cow |
||||
| 3-4 |
5-8 |
9-12 |
13-15 |
16-24 |
||
| in/animal |
||||||
| Self feeder Hay or silage Mixed ration or grain Once-a-day feeding Hay, silage, or ration |
4 12 12 |
4 12 18 |
5 15 22 |
6 18 26 |
6 18 26 |
6 18 26-30 |
Cold housing is the recommended system for raising replacement animals. Cold housing building systems provide a dry and draft-free environment in winter, and wind ventilation and shade in summer. The building is usually uninsulated and has natural ventilation designed as an integral part of the building. Indoor temperature follows outside temperature very closely.
Advantages of a cold housing are:
Ø Less expensive to build.
Ø Less expensive to ventilate and heat.
Ø Better disease control.
Ø During cold weather, disadvantages of a cold housing are:
Ø Freezing can make manure handling difficult.
Ø Waterers must be protected from freezing.
Ø Frostbite of calves ears may be a problem.
Ø Increased feed required to maintain body heat.
A warm housing system is less desirable for raising replacements. Typically environmentally controlled systems are improperly managed resulting in health and growth problems. The buildings are typically insulated heavily and a controlled mechanical ventilation system delivers fresh outside air. Properly designed inlets allow fresh outside air to be evenly distributed throughout the entire structure.
Design mechanical ventilation systems in calf barns to provide minimum continuous exchange of air, Table 7. Because the number of calves and young heifers in a facility vary, design mechanical ventilation systems for a range of stocking rates.
Calves and young heifers are very susceptible to respiratory illness and other diseases. Keep calves less than two months old in clean, dry, draft-free facilities with adequate space, bedding and fresh air. Separate calves to reduce disease transfer from nose-to-nose contact. Separate calf groups from older animals to minimize exposure to disease organisms. Keep calves in individual pens in an enclosed building or individual hutches until weaning. After weaning they can be moved to small group pens.
|
|
Calf hutches have proven to be an excellent way to house calves. Only one calf occupies each hutch. Typical hutches are 4'x8'x 4'. Fig 2 illustrates plywood construction. Leave one end of the hutch open and provide a wire fence enclosure so the calf can move outside. Optional tethers can be used where predators are not a problem. Seal tightly all other sections of the hutch, except for the front and bottom, to reduce the wind blowing through the hutch in winter. During summer, the rear of the hutch can be blocked up 6" to allow for cross ventilation or design an opening in the rear of the hutch with a tight fitting door.
There are also a variety of prefabricated plastic/fiberglass hutches on the market. Hutches made of a translucent material require shade in summer. Summer shade reduces heat stress on all types of hutches. Provide enough shade to allow hutches to be moved.
Face hutch fronts south or east to provide draft protection during winter and sun exposure during the day. Provide enough hutches to allow a minimum of two weeks resting period after a calf is removed. Locate hutches on a well drained area. Crushed rock or sand base provide a solid base for bedding and lessen the possibility the hutch will freeze to the ground in winter. After removing the calf, move the hutch to a clean site to break disease cycles. Use enough bedding to keep calves clean and dry and to insulate calves from the ground. To provide operator comfort, hutches may be placed inside a well ventilated shed or structure, in effect providing a cold housing environment in winter and shade in the summer, Fig 3.
Individual Pen in Cold Housing
Individual calf pens, Fig 4, can be used inside a cold housing building. Pens are typically 4'x7' and removable. They provide isolation for each calf. Solid partitions between pens and beyond the front of the pen prevent nose-to-nose contact. A hover or cover on the back half of the pen gives the calf additional protection in especially drafty locations. Pens use building space more efficiently than do calf hutches, although increasing animal density increases ventilation requirements. Place pens on a crushed rock base or concrete floor to provide a base for bedding. Individual pens require the same type of management as calf hutches.
Individual Stall in Warm Housing
Use individual 2'x4' stalls only in warm housing. This system requires the least space per calf, but must be used in insulated, environmentally controlled buildings with mechanical ventilation and supplemental heat.
|
|
Drafts, which occur in elevated stalls with open floors for drainage, are detrimental to calf health. The incidence of calf disorders increases in warm housing facilities after several years, due in part to warm temperatures. Warm temperatures increase viability of disease organisms. The facility must be adequately ventilated and sanitized on a routine basis. Good ventilation, proper sanitation and careful observation of calves are especially essential in warm housing systems to reduce disease.
Table 7. Dairy ventilating rates. Size the system based on total building capacity.
| Ventilating rates |
|||
| Animal |
Cold Weather [8] |
Mild Weather |
Hot weather |
| cfm/animal |
|||
| Calves 0-2 months Heifers 2-12 months 12-24 months Cow 1,400 lb |
15 20 30 50 |
50 60 80 170 |
100 130 180 470 |
| Room |
Cfm |
||
| Milkroom Milking parlor, cfm/stall |
— — |
— 100 |
600 400 |
Transition housing (3-5 months)
Moving a newly weaned calf from an individual pen to a small group environment is an abrupt change or transition. The combination of stresses due to new social interactions with other calves, competition for feed and water, and a new housing system can seriously affect calf growth and performance.
Giving special consideration to the calf's environment can make this transition less stressful as the calf adjusts to group living and learns to compete. Monitor calves for adequate dry feed and water intake and make sure calves are disease free before moving them into a group pen.
Provide transition housing for calves from weaning to 5 months of age. Maintain small groups of 4-5 calves per group with a small range in size or age (I month maximum). Provide
well bedded pens that allow 25-30 ft2
of resting space per calf. Have fresh water available at all times. Transition housing should provide an environment similar to calf hutches only in a group setting. Depending on herd size and the ability to observe an individual calf, the maximum group size would be 20 calves.
Calf Shelter or Super Hutch
Portable shelters or super hutches can provide transition housing for calves from cold housing. A super calf hutch is designed for up to six calves, Fig 5. An optional paved lot and addition of a fenced area can be used with the super hutches, Fig 6. Keep the shelter well bedded and alternate the hutch site between groups of calves. In a pasture system the super hutch can be rotated on the pasture, Fig 7. Waterers can be centrally located or moved with the hutch site.
For herds greater than 100 milking cows, a series of 10'x24' pens can be used in a «transition barn» for calves up to six months old, Fig 8. Capacity for this arrangement is six animals if the feed alley is scraped and eight animals if the entire pen is bedded.
Transition barns commonly have a 3:12 single slope roof with no insulation. The barns should open to the south or east to take advantage of the sunlight. The eave in the back wall is open to aid in moisture control in the winter. During summer remove fabric or other coverings on the back and endwalls for natural ventilation. Extend both ends of the barn 4' beyond the pen fronts to minimize wind effects at the corners of the barn during cold weather. Locate waterers in the feed manger line to minimize splashed water in the bedded area.
To minimize excessive drafts in long barns, attach plywood to gates and hang fabric from the underside of the roof down to the gate between alternate pens. During cold weather, place straw bales along the bottom edge of the gates to stop drafts. Remove bales during warm weather.
Calf barns combine individual pens, Fig 4, and transition group pens for calves into one building design, Fig 9. A full open sidewall with curtain provides cross ventilation in summer and draft protection in the winter. The upper half of the building can be a pivot door or curtain for draft protection in winter. The lower part of the wall can have removable panels for better summer ventilation. Air movement through the building should be sufficient to maintain inside temperature only slightly above outside temperature in the winter and slightly below outside temperature in summer.
Use solid partitions between calves to prevent nose to nose contact. Wire fences on fronts and backs of pens allow better air circulation during warm weather, but arrange pens to keep calves from contacting each other. In winter, use solid pen backs to provide draft protection. Hovers may be needed in winter. Choose or construct pens that are easily dismantled for manure removal.
Heifer housing (6-24 months)
There are several options for housing heifers after transition housing. Regardless of housing type, group animals according to a management plan considering nutritional, health and reproductive needs of each group. At a minimum, a logical break in grouping is a breeding age group and a bred heifer group.
The primary functions of heifer housing are to:
Ø Minimize animal handling for treatment.
Ø Allow for animal breeding.
Ø Allow for animal observation.
Even though heifers can tolerate more stress as they grow older, they still must be protected from wet conditions, drafts, and poor environment. In open front housing, provide group pens of sufficient depth to protect heifers from winter winds. Solid pen partitions help reduce drafts.
Young heifers are grouped in freestall housing with stalls sized according to age or size of heifer, Table 4. Freestall housing requires considerably less bedding than bedded pack housing. Frequent manure removal is required (once or twice a week), unless floors are slotted. Frozen manure can be a problem in cold barns, but is manageable.
There are several different layouts that can be used in freestall housing. Each alternative is suited to particular feeding and manure handling situations. Each alternative has adequate feedbunk space, Table 6. Freestalls can be inside with outside lots for exercise and feeding. The trend is having freestalls and feeding included under the building roof or confined area. Outside exercise lots may still be provided for use during periods of good weather.
|
|
Two-row freestall barns are typically used for up to 100 heifers, Fig 10. Freestall length for each group in Table 4 is sized to provide maximum comfort for the size of animal in the group. Heifers are grouped in pens around the perimeter of the building.
|
|
Manure is either scraped automatically, the alley is slotted or flushed, because it is not possible to move animals during tractor scraping. When animals have access to outside runs, tractor scraping can be accomplished. Build an 8' alley when a feed cart is used. For drive-through feeding, a 16'-18' alley is required.
Two-row graduated freestall barn
A two-row graduated freestall barn changes the length of the freestall in the pen by placing the curb at an angle to the side of the building. Stalls at one end of the building are shorter than at the other end of the building. The alley floor is sloped toward the freestall where a grated gutter is used to remove manure. The floor slope provides a self-cleaning floor. Stalls are bedded with chopped bedding to allow movement of the manure and bedding through the grate. Gravity gutter, flush gutter or barn cleaner can be used to remove manure. Building temperatures must remain above freezing most of the time to prevent frozen manure in gutters. This type of building requires a controlled natural ventilation system.
|
|
A two-row gated freestall barn can provide good housing, Fig 11. Two rows of freestalls along one side of a single bunk, all under roof, provides flexibility in feeding system design. Depending on the particular layout, feeding may be accomplished with a feed cart, mechanical bunk or mobile scale mixer. In three-row barns, there is limited bunk space; when feed is always available, competition for feed can be managed.
Two-row gated freestalls with optional outside exercise lots, can be used in good weather, Fig 12. Manure in the gated freestall system is easily removed by a tractor-mounted scraper. Cows are fenced in one alley while the other alley is cleaned. When the feed bunk is located on the south or east side in a cold barn, the bunk side of the building may be left open. In warm housing, 4"-8" wide slats are an alternative for manure handling. Slats could be placed over gravity channels to separate manure from animals.
Gated freestall barns can be expanded for larger herds by using a common center feed alley. Stall rows are located on both sides of the feed alley. Feeding can be accomplished with drive-through feeding alleys sized for a feed wagon or feed cart.
Bedded pack housing is commonly used in conjunction with an outside feeding and exercise area, Fig 13. However, there are advantages of roofing the entire area including the scrape and feeding alley. Provide enough space for each group of animals in the bedded resting area, Table 3. The bedded area is roofed and provides a warm, draft-free resting surface. Bedded pack barns are often sized to allow installation of a scrape alley and freestalls at a later date.
Macadam or crushed rock surface can be used under the resting area pack. If concrete is used, provide drainage by sloping to the scraped manure alley. Add bedding to the upper end of the resting area pack as needed. Remove manure and bedding as a solid 2-4 times a year. A substantial amount of bedding is required to keep animals clean and dry.
Paved feeding alleys are typically scraped 2-3 times per week. Extending the roof over this area reduces runoff. To provide for a system with an outside lot, the feeding alley is extended away from the building and is generally not roofed. Runoff must be controlled to prevent surface water and groundwater contamination.
Outside drive-by feeding can be done or the feed platform can be roofed under the same building when a scrape alley is used. The bunk can be roofed separately when an outside lot is used. Bunk space may be limited in this type of housing so feed should be available at all times to limit competition.
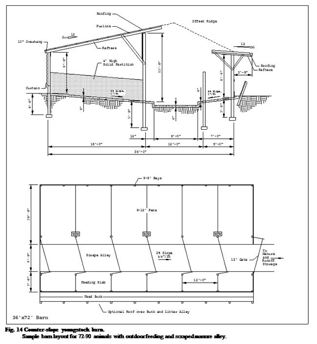
The counter-sloped barn, a relatively low cost facility, is based on a sloped resting and feeding floor separated by a tractor scraped alley, Fig 14. The resting floor and feeding floor are sloped 8% (l"/ft) toward the center scrape alley and are self-cleaning. Size the resting area of the pens to allow for a self-cleaning resting area. Table 3.
Runoff from uncovered alleys must be controlled to prevent stream and groundwater pollution. The building can also be designed to be completely under roof to control water entry. This system is not recommended for heifers younger than six months or bred heifers during the last three months of pregnancy because of bedding and the larger group sizes.
|
|
Optional outside lots can sometimes be incorporated into building design when desired. Outside lots can help reduce manure accumulation in the building, but must be cleaned and managed properly. Outside lots may be of some benefit in reducing foot and leg problems in dry cows. Pasture is sometimes used as part of the feed ration. Animal density is low to allow the pasture to recover after grazing. Pasture can be rotated to provide rest and recovery of vegetation. Pasture that is too heavily grazed becomes a dirt lot over time and can cause problems when not managed properly.
Dirt exercise lots tend to have a high animal density and typically have little or no vegetative cover. They become muddy in wet weather and can cause environmental mastitis in heifers before they enter the milking herd. Use dirt lots only when weather permits.
Concrete paved exercise lots can be incorporated into building designs either as an exercise area or an integral part of the building design. Runoff from lots must be controlled and handled as part of the manure handling and storage system. Additional labor is required to scrape lots and dispose of manure. Consider the cost of a runoff control system in the total system cost. Also consider water quality issues in the overall design of the housing option.
По мере того как подрастает ремонтный молодняк, изменяются его потребности. Под этим подразумевается необходимые изменения в среде обитания животного. Когда телки подрастают, они изолируются от других животных для уменьшения риска заболевания. По мере того как телка растет, она группируется с другими животными, чтобы повысить сопротивляемость болезням и подготовить животного к введению в стадо. В конечном счете, животное вводится в стадо, а затем и в дойное стадо.
Каждый из этих этапов требует строго соответствия жилья физическим потребностям животного.
Факторы управления. Воздействие на проект.
Помещения ремонтных животных размещаются в отдельных объектах, изолированно от дойных стад, чтобы способствовать здоровой среде для каждой группы. Хорошо разработанное и правильно управляемое помещение для ремонтного животного позволяет применить наилучшую практику управления, в настоящее время рекомендуемую. Проектируйте пространство, оборудование, окружающую среду, продовольствие, и старайтесь удовлетворить потребности каждой группы. Управляйте ремонтом в группах согласно их специфическим требованиям. Проект объекта должен предусмотреть наиболее простое воплощение плана управления для каждой группы. При проектировании помещения для ремонтных животных, обеспечьте:
Ø Требуемый отдых и выгульную площадку.
Ø Покрытую, сухую и проветриваемую область отдыха.
Ø Хороший и свежий воздух.
Ø Необходимое пространство для кормления и поения.
Ø Пространство для группировки животных по размерам или возрастным признакам.
Ø Чистые участки для поддержки соответствующих санитарных условий.
Ø Помещения для изоляции больных животных.
Ø Помещения для осмотра животных.
Ø Средства обработки.
Ø Пространство для обработки и ограничения животных.
Плохо запланированное или неправильно управляемое помещение для животных увеличивает риск заболеваний или травм. Высокая влажность особенно вредна для здоровья животного. Пневмония, понос и другие болезни могут постоянно травмировать жизненно важные органы и уменьшать потенциальную молочную продуктивность животного. Телята и нетели находящиеся в неблагоприятной окружающей среде, никогда не смогут достигнуть их полного генетического потенциала молочной продуктивности.
Средства управления
Для здорового, высокопродуктивного ремонтного молодняка, обеспечивают помещение высокого качества и план управления, который обеспечивает потребности животных. Хорошее управление, понимание производимых операций и последовательное их воплощение по графику, является важным ключом к успеху любой системы размещения. Санитария, обслуживание стойла, подстилка, управление вентиляцией, кормление, оздоровление стада, обработка, тщательное наблюдение являются крайне важными методами управления. Молодым животным может понадобиться подготовка и/или время, чтобы привыкнуть к использованию боксов. Ежедневные или обычные хозяйственные работы, такие как, например кормление, обслуживание стойла или удаление навоза должно быть сделано по возможности удобным, чтобы убедиться, что они были выполнены качественно и своевременно.
Размеры и структура стада.
В стадо может входить любое количество дойных или стельных коров, как сухостойных, так и дойных. В этом руководстве, размер стада определяется числом взрослого скота.
Типичная структура стада, принимая во внимание постоянный круглогодичный отел, дана в Таблице 1. Числа в таблице не отражают определенного состава нетелей или телят. Используйте эту таблицу, чтобы определить помещение, необходимое для каждой группы управления. Обеспечьте:
Ø Размещение теленка (0-2 месяца).
Ø Переходное помещение (3-5 месяцев).
Ø Размещение нетелей:
ü 6-8 месяцев
ü 9-12 месяцев
ü 13-15 месяцев (возраст размножения)
ü 16-24 месяцев
Таблица 1. Типичные категории управления стадом. [9]
Эта таблица указывает лишь общее направление управления. Она указывает лишь категории, а не конкретные размеры групп.
| Размер стада = общее количество коров |
75 |
100 |
250 |
400 |
| Телята и нетели 0-2 месяцев, 68 кг 3-5 месяцев, 113 кг 6-8 месяцев, 181 кг 9-12 месяцев, 272 кг 13-15 месяцев, 363 кг 16-24 месяцев, 454 кг |
75 6 9 9 14 9 29 |
100 8 12 12 18 12 38 |
250 20 30 30 45 30 95 |
400 32 48 48 72 48 152 |
| Сухостойные коровы Переход (первые 4-14 дней) Последующие 40 дней (Делите на 2 группы) Стельные коровы (2-3 предродовых недели) |
13 0-4 8-9 2-5 |
17 1-5 11-12 3-6 |
43 4-9 28-30 8-15 |
68 5-16 45-48 16-24 |
| Материнство (Индивидуальные загоны) |
3-5 |
4-6 |
10-16 |
16-24 |
| Отелившиеся коровы (из 0-7 послеродовых дней) |
1-3 |
1-4 |
3-10 |
4-12 |
| Двухлетки (305 дней) [10] |
18-24 |
26-30 |
65-75 |
104-120 |
| Трехлетние и старше (305 дней) 10 Элитные производители (120 дней и менее) Средние производители Плохие производители |
44 15-18 12-15 12-15 |
58 20-24 16-20 16-20 |
145 50-60 40-50 40-50 |
232 80-96 60-72 60-72 |
| Больные коровы |
0-4 |
0-5 |
0-13 |
0-20 |
Число ремонтных животных, которые будут размещены, зависит от числа дойных коров и разводимых телок. По мере того как размер стада увеличивается, тоже происходит с количеством ремонтного молодняка. Увеличение размера стада без расширения средств для его ремонта, в результате уплотнения может привести к увеличению количества травм, передачи болезни, и снизиться темпы прироста.
Управление группами
Деление ремонтных животных на группы по возрасту, размерам или другим, специфическим признакам, позволяет каждой группе обрабатываться согласно ее потребностям. Планируйте пространство здания и размещение для этих групп животных, с использованием Таблиц 2 и 3. В одном здании может быть помещено более одной группы, но при этом необходимо принимать во внимание тот факт, что управление каждой группой должно быть независимым от других групп. В больших стадах, отдельные средства могут быть предусмотрены для каждой группы. Вот некоторые из преимуществ управления животными в группах:
Ø Оздоровление животных, уменьшение риска передачи болезни молодым животным.
Ø Высокая эффективность кормления, уменьшение конкуренции при кормлении.
Ø Отел при собственной массе и размере животного в 24 месяца.
Ø Легкость осуществления кормления, и соответствие рационов возрасту животного.
Ø Легкость уборки навоза.
Ø Наблюдение за животными и легкость обработки для размножения, обращения и группировки животных.
Ø Соответствующая вентиляция и окружающая среда.
Ø Необходимый размер выгульной площадки и бокса.
Требования к пространству для конкретных операций зависит от выбранной системы размещения, и того, как ремонтный молодняк перемещается из области отдыха, на кормление и возвращается обратно. Структура и размер стада - руководство к оценке не только пространства, необходимого для отдыха. Кроме этого должны рассматриваться и размер прохода и поилок, и площади спального места, чтобы разместить животных и обеспечить наиболее благоприятную для животного окружающую среду.
Обеспечьте отдельные области для кормления и отдыха. Кормление в области отдыха животного приводит к скоплению в ней навоза и необходимости увеличения количества подстилки для того, чтобы сохранить животных чистыми и сухими.
Помещения для отдыха
Соблюдение требований к пространству для отдыха групп управления является главным фактором эффективного роста. Требования к пространству для различных вариантов размещения включают спальные области отдыха, самоочищающиеся области отдыха (твердые, наклонные настилы) и боксы, указывается в Таблицах 3 и 4.
Пространство для кормления
Обеспечьте необходимое пространство для кормления, такое чтобы молодой скот не конкурировал за корм. Оптимальное пространство изменяется в зависимости от типа корма, специфики кормления и размеров животного, Рис. 1 и Таблицы 5 и 6.
Вода необходима всегда. Поэтому, обеспечьте, по крайней мере, одну емкость для содержания воды на 20 животных. Молочным телкам, на 45 кг живого веса необходимо 4-6 литров воды ежедневно. Выберите тип поилки, который являются наиболее простыми, чтобы их легко было очищать; защитите их от замораживания. Поместите поилки на поднятых ограждениях и в таком положении, которое обеспечивает легкое удаление навоза вокруг них. Проектируйте поилки такой высоты, чтобы обеспечить легкий доступ животного.
Обработка и средства обработки
Помещения для обработки животного являются важным элементом системы размещения ремонтного молодняка. Прививки, искусственное оплодотворение, проверка беременности, дегельминтизация, удаление рогов и различные обследования будут выполнены легко и безопасно для животных и рабочих лишь тогда, когда животные могут легко разделяться и удерживаться. Существует следующее оборудование, позволяющее выполнять работу удобно и экономить время обработки животных:
Ø Весы.
Ø Само фиксирующиеся опоры кормушки.
Ø Ворота / ограждения.
Ø Сжимающий загон / разводящий загон
Подготовительное помещение
Расположите рабочую комнату около телятника для хранения корма, холодильника/морозильника, горячий водный обогреватель, очистку раковины, записи здоровья и запасов. Эта область может использоваться для подготовки замены молока и очистки оборудования для кормления.
Хранение корма и подстилок
Храните подстилки и корм в том же здании либо в соседнем. Регулируйте ежедневную доставку и время кормления, сводя поставки к двухнедельным. Пространство Хранилища зависит от плотности размещения животных, частоты кормления и доступности корма.
Таблица 2. Теленок и переходное помещение.
| Тип размещения |
Размер загона, мм |
| 0 — 2 месяца (индивидуальные загоны) |
|
| Клетка теленка (плюс 4'x6' для наружной части) Загон с подстилкой Привязное стойло (только теплое помещение) |
1200x2400 1200x2100 600x1200 |
| 3-5 месяцев (группируют до 6 голов) |
|
| Первоклассная клетка теленка Загон с подстилкой |
2,25-2,7 м2 /гол. 2,25-2,7 м2 /гол. |
Таблица 3. Необходимые площади для отдыха ремонтных телок.
| Возраст, мес. |
Вес, кг |
Самоочищающаяся область [11] , м2 |
Площадь отдыха с подстилкой [12] , м2 |
Щелевой пол, м2 |
Вымощенный внешний участок, м2 |
| 0-2 [13] |
45-86 |
— |
2,88 (клетка 1200x2400) 2,52 (загон 1200x2100) |
— |
— |
| 3-5 6-8 9-12 13-15 16-24 Сухостойная корова |
86-159 159-227 227-295 295-363 363-544 > 590 |
— 0,9 1,08 1,35 1,62 [14] 1,8d |
2,52 2,25 2,52 2,88 3,6 4,5 |
— 1,08 1,17 1,53 2,25 3,15 |
— 3,15 3,6 4,05 4,5 4,95 |
Таблица 4. Размеры бокса для телок.
Пролет стойл измерен между центрами труб (диаметром 50 мм) разметочным циркулем.
Длина стойла измерялась со стороны прохода ограждения к фасаду стойла.
| Возраст, мес. |
Вес, кг |
Размеры бокса |
Сужение рейки, дюйм |
||
| Пролет, мм |
Длина, мм |
Высота стойла выше основания, мм |
Расстояние от заднего ограждения, мм |
||
| 6-8 9-12 13-15 16-24 Сухостойная корова |
159-227 227-295 295-363 363-544 > 590 |
750 825 925 1050 1125 |
1500 1600 1800 1950 2100 |
700 750 850 925 1000 |
1150 1125 1425 1550 1650 |
Таблица 5. Предлагаемые размеры для стержней и реек, составляющих ограждения.
| Возраст, мес. |
Вес, кг |
Высота сужения, мм |
Высота перекладин оград, мм |
| 6-8 [15] 9-12 13-15 16-24 Коровы |
163-222 222-295 295-354 354-544 544-680 |
350 400 425 475 525 |
700 750 850 1025 1200 |
Таблица 6. Необходимые площади для кормления.
| Тип |
Возраст, месяцы |
Зрелая корова |
||||
| 3-4 |
5-8 |
9-12 |
13-15 |
16-24 |
||
| мм/животное |
||||||
| Самодозирование Сено или силос Смешанная порция или зерно Кормление один раз в день Сено, силос, или порция |
100 300 300 |
100 300 450 |
125 375 550 |
150 450 650 |
150 450 650 |
150 450 650-750 |
Холодное помещение
Холодное жилье является рекомендуемой системой для выращивания ремонтных животных. Строительство систем холодного жилья обеспечивает сухую и проветриваемую окружающую среду зимой, и ветровую вентиляцию и тень летом. Здание обычно не изолируется и имеет естественную вентиляцию, разработанную как неотъемлемую часть здания. Комнатная температура изменяется вместе с температурой наружного воздуха.
Преимущества холодного жилья:
Ø Малые затраты на строительство.
Ø Малые затраты на вентиляцию и нагрев помещения.
Ø Лучший контроль болезней.
Недостатки холодного жилья в холодные периоды года:
Ø Заморозки могут затруднить обработку навоза.
Ø Поилки необходимо защищать от замораживания.
Ø Может встать проблема обморожения ушей телят.
Ø Требуется увеличение количества корма для поддержания высокой температуры тела.
|
|
Теплое помещение
Теплая система жилья менее желательна для выращивания ремонтного молодняка. Обычно экологически контролируемые системы неправильно управляются, что приводит к проблемам роста и здоровья. Здания обычно полностью изолированы и свежий внешний воздух поставляется управляемой системой принудительной вентиляции. Правильно разработанные входные отверстия позволяют свежему внешнему воздуху равномерно распределяться по всему помещению.
Разработайте автоматические системы вентиляции в телятниках, чтобы обеспечить минимальный непрерывный обмен воздуха, Таблица 7. Так как число телят и молодых нетелей в объекте изменяется, проектируйте системы принудительной вентиляции в расчете на определенный диапазон концентрации скота.
Помещения для телят (вплоть до отлучения)
Телята и молодые нетели очень подвержены респираторным и другим заболеваниям. Поэтому телят моложе двух месяцев необходимо держать в чистом, сухом, проветриваемом с достаточной площадью помещении, обеспечивая подстилку и приток свежего воздуха. Разделяйте телят, чтобы уменьшить риск переноса болезни путем контакта нос-нос. Отдельный теленок отделяется от старших животных, чтобы уменьшить выделение болезнетворных организмов. Держите телят в индивидуальных загонах в закрытом здании или индивидуальных клетках до отлучения. После отлучения они могут быть перемещены в небольшие групповые загоны.
Как оказалось, клетки для телят являются отличным способом для размещения телят. Каждую клетку занимает только один теленок. Типичные клетки - 1200x2400x1200. Рис. 2 иллюстрирует фанерную конструкцию. Оставьте один торец клетки открытым и обеспечьте ограждение из проволочной сетки, так чтобы теленок мог свободно перемещаться в его пределах. Беспривязное содержание может использоваться в местности, где отсутствуют хищники. Уплотните все части клетки, кроме фасада и фундамента, чтобы уменьшить продувание ветром клетки зимой. В летний период, задняя сторона клетки может быть приподнята на 150 мм чтобы обеспечить сквозную вентиляцию или иметь отверстие для вентиляции.
На мировом рынке имеется также ряд изготовленных заводским способом пластиковых / стекловолоконных клеток. Клетки, сделанные из полупрозрачного материала требуют тени летом, т.к. в тени уменьшается термическое напряжение во всех типах клеток. Обеспечьте достаточную область затенения.
Разместите фасады клеток в южной или восточной ориентации, чтобы обеспечить защиту объекта в течение зимы и от солнечной радиации в течение дня. Обеспечьте достаточно клеток, чтобы обеспечить период минимум две недели после того, как теленок будет удален. Для размещения клетки выберайте достаточно сухое место. Щебень или песчаное основание обеспечит твердую базу для подстилки и уменьшит вероятность примерзания клетки к земле зимой. После удаления теленка, переместите клетку на чистое место, чтобы нарушить циклы болезни. Используйте достаточно подстилки, чтобы сохранить телят чистыми и сухими и изолируйте телят земли. Чтобы обеспечивать комфорт оператора, клетки могут быть помещены под хорошо вентилируемый навес или структуру, которая действительно обеспечивала бы прохладу в среде помещения зимой и тень летом, Рис. 3.
Индивидуальные загоны в холодном помещении
Индивидуальные загоны для телят, Рис. 4, могут использоваться внутри здания холодного жилья. Загоны обычно бывают размера 1200x2100 и переносные. Они обеспечивают изоляцию каждого теленка. Сплошные перегородки между загонами и вне фасада загона предотвращают контакт типа нос-нос. Навес, размещенный в задней половине загона, обеспечивает теленку дополнительную защиту в особенно доступных для сквозняков положениях. Загоны используют строительное пространство более эффективно, чем клетки для телят, хотя увеличение концентрации животных приводит к повышению требований вентиляции. Поместите загоны на щебеночную или бетонную основу, чтобы обеспечить основу для подстилки. Индивидуальные загоны требуют такого же типа управления, что и клетки для телят.
Индивидуальное стойло в теплом помещении
Используйте индивидуальное, 600x1200, стойло только в теплом жилье. Подобная система требует менее других пространства для теленка, но должна использоваться в изолированном, экологически управляемом здании с принудительной вентиляцией и дополнительным подогревом.
|
|
Проекты, в которых используются стойла со щелевыми полами (для дренажа), являются вредными для здоровья телят. Область действия травм телят увеличивается в теплых условиях помещения после нескольких лет, что частично обусловлено температурой. Высокие температуры повышают жизнеспособность болезнетворных организмов. Объект должен соответствующе вентилироваться и очищаться на обычном основании. Хорошая вентиляция, соответствующая санитария и тщательное наблюдение за телятами особенно необходима в теплых системах жилища, чтобы уменьшить опасность заболевания.
Таблица 7. Молочные вентиляционные нормы.
Размеры системы, основанной на общей строительной способности.
| Животное |
Нормы вентилирования |
||
| Холодная Погода [16] |
Мягкая Погода |
Жаркая Погода |
|
|
|
|||
| Телята 0-2 месяцев Телки 2-12 месяцев 12-24 месяцев Корова 1,400 фунтов |
15 20 30 50 |
50 60 80 170 |
100 130 180 470 |
| Помещения |
|
||
| Помещение для хранения молока Помещение для дойки, |
— — |
— 100 |
600 400 |
Переходное помещение (3-5 месяцев)
Перемещение недавно отлученного теленка из индивидуального загона в небольшую группу является резким изменением среды обитания. Сочетание потрясений из-за новых социальных взаимодействий с другими телятами, конкуренция за корм и воду, и новая система размещения может серьезно влиять на прирост теленка и его производительность.
|
|
Специальное рассмотрение окружающей среды теленка может сделать это перемещение менее напряженный, поскольку теленок приспособится к проживанию в группе и научится конкурировать. Обследование телят проводится для определения требуемого количества сухого корма и водозабора.
Обеспечьте переходное помещение для телят в возрасте от отлучения до 5 месяцев. Создавайте немногочисленные группы из 4-5 телят на группу с небольшой разницей по размерам или возрасту (максимум около месяца). Обеспечьте хорошие подстилки в загонах, обеспечивающие 2,25-2,7 м2 площади для отдыха на одного теленка. Пресная вода должна быть всегда доступна. Переходное помещение должно обеспечить среду, подобную клеткам для телят только в групповой установке. В зависимости от размера стада и способности наблюдать отдельного теленка, максимальный размер группы должен быть около 20 телят.
Укрытие для теленка или первоклассная клетка
Портативные убежища или первоклассные клетки могут обеспечивать переходное помещение для телят из холодного жилья. Первоклассная клетка теленка разработана для телят количеством до шести, Рис. 5. Вымощенный участок и дополнительно обнесенная оградой область может использоваться с первоклассными клетками, Рис. 6. Обеспечивайте хорошую подстилку, и чередуйте участок клетки между группами телят. В системе пастбища первоклассная клетка может размещаться на пастбище, Рис. 7. Поилки могут располагаться в центре или совмещаться с участком клетки.
Для стад дойных коров, числом более 100, серия загонов 3000x7200 может использоваться в качестве «переходных сараев» для телят в возрасте до шести месяцев, Рис. 8. Вместимость такого строения - шесть животных, если проход для кормления очищается и восемь животных, если загон полностью застелен подстилкой.
Сараи перемещения обычно имеют наклонную односкатную крышу без изоляции, с уклоном 3:12. Сараи должны быть открытыми с юга или востока для освещения преимущественно солнечным светом. Козырек на обратной стене открыт. Это обеспечивает регулировку уровня влажности зимой. В летний период года для естественной вентиляции с задней стены, верхней ее части устраняют ткань или другие покрытия. Расширьте оба края сарая на 1200 мм вне фасадов загона, чтобы уменьшить ветровой эффект в углах сарая в течение холодного периода года. Расположите поилки на одной линии с кормушками, чтобы уменьшить количество разбрызгиваемой воды в области отдыха.
|
|
Для уменьшения чрезмерного продувания в длинных сараях, присоедините фанеру к воротам, и повесьте ткань от днища крыши до ворот между дополнительными загонами. В течение холодного периода, поместите соломенные связки вдоль нижнего края ворот, чтобы предотвратить появление сквозняков. В теплый период года, связки соломы можно убрать.
Сараи телят объединяют индивидуальные загоны, Рис. 4, и загоны группы перемещения для телят в единый проект здания, Рис. 9. Полностью открытая боковая стенка с завесой обеспечивает сквозную вентиляцию летом и защиту от сквозняка зимой. Верхняя половина здания может быть в виде двери на шарнире или занавеси для защиты от сквозняков зимой. Нижняя часть стены может иметь съемные панели для лучшей летней вентиляции. Воздушные потоки через здание должны быть достаточными для поддержания внутренней температуры только чуть выше температуры наружного воздуха зимой и немного ниже - летом.
Используйте твердые перегородки между телятами, чтобы предотвратить их от контакта типа нос-нос. Заборы из проволочной сетки на фасадах и задних сторонах загонов позволяют лучшую циркуляцию воздуха в течение теплой погоды, но устраивайте загоны так, чтобы предохранить телят от контактов между собой. Зимой, используйте твердые задние стороны загона, чтобы обеспечить защиту от сквозняков. Навес может быть необходим зимой. Выбирайте или конструируйте загоны, которые могут быть легко демонтированы для уборки навоза.
Помещение для нетелей (6-24 месяцев)
Существуют различные варианты помещений для нетелей после переходного размещения. Независимо от типа жилья, группируйте животных согласно плану управления, принимая во внимание здоровье, пищевые и воспроизводительные потребности каждой группы. Как минимум, логическое деление на группировки - разведение возрастной группа и выведение группы телок.
Основные функции помещения для нетелей:
Ø Уменьшение обработки животного для лечения.
Ø Учет размножения животного.
Ø Учет наблюдения за животным.
Даже если нетели могут выносить большие неудобства, когда они становятся старше, они все еще должны быть защищены от влажности, сквозняков и неблагоприятной окружающей среды. В помещении с открытым фасадом, обеспечьте групповые загоны достаточной глубины, чтобы защитить телок от зимних ветров. Твердые перегородки загонов уменьшают сквозняки.
Молодые нетели группируются в помещении для боксов со стойлами, установленными по размеру согласно возрасту или размеру телки, Таблица 4. Такое помещение требует значительно меньшего количества подстилки чем блок помещений. Если только полы не щелевые, является необходимым частое удаление навоза (один или два раза в неделю). Замороженный навоз может стать проблемой в холодных сараях, но это поправимо.
Существует несколько различных схем, которые могут использоваться в помещении для боксов. Каждый вариант подходит для конкретного типа кормления и ситуации обработки навоза. Каждый вариант имеет необходимое пространство для кормушек, Таблица 6. Бокс может быть внутри с внешним участком для выгула и кормления. Существует тенденция к укрытию боксов пространства для кормления под единой крышей здания или ограничивать эту область. Внешний выгул большое количество может все еще предусматриваться для использования в течение периодов хорошей погоды.
|
|
Двухрядные боксовые сараи обычно используются для количества нетелей до 100, Рис.10. Длина бокса для каждой группы в Таблице 4 установлена по размеру, чтобы обеспечить максимальный комфорт для животного в размерной группе. Телки сгруппированы в загонах вдоль периметра здания.
Навоз или автоматически удаляется под щелевой пол или смывается струей. Это происходит из-за невозможности перемещения животных на время вычищения трактором. Вычищение трактором может быть выполнено, когда животные имеют доступ за пределами прогонов. Если используется повозка для корма, оставьте для прохода 2,4 м. Для сквозного кормления требуется проход 4,8-5,4 м.
|
|
Двухрядный дифференцированный боксовый сарай
Двухрядный дифференцированный боксовый сарай изменяет длину бокса в загоне, перемещая ограждение из угла к стенке здания. Стойла в одном конце здания более короткие, чем в другом. Пол прохода является наклонный к свободному выпасу, где решетчатый желоб используется, чтобы устранять навоз. Наклон пола обеспечивает его самоочистку. Стойла застелены кусками подстилки, чтобы допускать перемещение навоза и подстилки через решетку. Гравитационный желоб, утопленный желоб или очиститель сарая может использоваться для удаления навоз. Температура в здании должна оставаться выше температуры замерзания воды большинство времени, чтобы предотвратить замораживание навоза в желобах. Этот тип здания требует управляемой системы естественной вентиляции.
|
|
Двухрядный закрываемый бокс может обеспечивать хорошее размещение, Рис. 11. Два ряда боксов вдоль одной стороны отдельного места, все под крышей, обеспечивает гибкость в проектирования систем кормления. В зависимости от специфики компоновки, кормление может быть выполнено с тележки для корма, механической кормушкой или передвижным смесителем корма. В трех рядных сараях имеется ограниченное пространство спального места; когда корм всегда доступен, конкуренция за корм может контролироваться.
Двухрядный закрываемый бокс со свободным внешним выгулом может использоваться при хорошей погоде, Рис. 12. Навоз в системе двухрядного закрываемого бокса легко удаляется трактором, с установленным на нем скребком. Коровы отгорожены ограждением одного прохода, в то время как другой проход очищается. Когда кормушка расположена на южной или восточной стороне в холодном сарае, сторона спального места здания может быть оставлена открытой. В теплом размещении, вариантом обработки навоза являются рейки шириной 100-200 мм. Рейки могут быть помещены поверх гравитационных каналов, чтобы отделить навоз от животных.
Закрываемые боксовые сараи могут быть расширены для больших стад, путем использования центра общего прохода кормления. Ряды стойл расположены с обеих сторон от прохода для кормления. Кормление может быть выполнена с проезжающей по проходу, установленному по размеру для фургона или телеги кормления.
Размещение подстилочного узла обычно используется вместе с внешним кормлением и областью выгула, Рис. 13. Однако, имеются преимущества укрытия всей области, включая очищаемую область, и проход для кормления. Обеспечьте достаточно пространства для каждой группы животных на застеленной площади для отдыха, Таблица 3. Застеленная область укрывает и обеспечивает теплую, свободную от сквозняков поверхность пола. Застеленные узлы сараев часто имеют такие размеры, которые позволили бы установку очистителя прохода и боксов позднее.
Покрытие типа «Макадам» или щебеночное покрытие может использоваться под узлом области отдыха. Если используется бетон, обеспечьте дренажный уклон к выбрасываемому проходу навоза. Добавьте подстилку к верхнему краю узла области отдыха как необходимую. Удалите навоз и меняйте подстилку как минимум 2-4 раза в год. Реальное количество подстилки требуется, чтобы сохранить животных чистыми и сухими.
Вымощенные проходы кормления обычно очищаются 2-3 раза в неделю. Укрытие этой области под крышей приводит к уменьшению стоков. Чтобы обеспечивать систему с внешним участком, проход для кормления расширен далеко от здания и обычно не укрывается. Стоки должны контролироваться, чтобы предотвратить загрязнение грунтовых вод и поверхностную воду.
|
|
Наружная часть сквозного кормления может быть выполнена, или платформа для корма можно покрывать под тем же самым зданием, когда очистной проход используется. Спальное место можно покрывать отдельно, когда внешний участок используется. Площадь спального места может быть ограничена этим типом размещения, так что корм должен быть доступен всегда, чтобы ограничить конкуренцию.
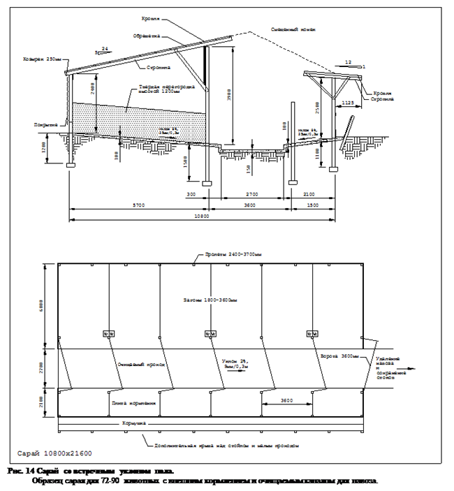
Встречно-наклонный сарай, относительно дешевый объект. Он основан на наклонном поле отдыха и кормления, отделенном трактором чистящим проход, Рис. 14. Отдыха пол и пол кормления имеют наклон 8 % (25мм /0,3м) к центру очищаемого прохода и являются самоочищающимися. Размечайте площади загонов для отдыха, чтобы учесть область отдыха самоочищения. Таблица 3.
|
|
Стоки из непокрытых проходов должны управляться, чтобы предотвратить загрязнение поверхностных и грунтовых вод. Здание может также быть разработано, чтобы быть полностью под крышей, чтобы управлять водным поступлением. Эта система не рекомендуется для нетелей возрастом менее шести месяцев или разводимых телок в течение последних трех месяцев беременности из-за подстилки и больших размеров групп.
Дополнительный внешний участок
При необходимости, дополнительный внешний участок может иногда соединяться с проектируемым зданием. Внешний участок может помочь уменьшить накопление навоза в здании, но он должен быть очищен и управляем должным образом. Также он может принести некоторую пользу для профилактики от ослабления ног у сухостойных коровах. Пастбище иногда используется как часть кормового рациона. Плотность животных должна быть низкой, чтобы пастбище восстанавливалось после пребывания животных на нем. Пастбища должны чередоваться, чтобы обеспечить отдых и восстановление растительности. Пастбище, на котором пасли животных слишком часто, становится через какое-то время просто вытоптанным участком и может вызвать проблемы, если не управляется должным образом.
Длительный выгул на почве имеет тенденцию к высокой животной плотности и обычно, имеет маленькое или никакое вегетативное покрытие. Они будут грязными в течение влажной погоды и могут вызвать относящийся к окружающей среде мастит в телках прежде, чем они поступят в дойное стадо. Используйте выгул на пастбище только тогда, когда позволяют погодные условия.
Бетонное покрытие выгульной площадки может быть включено в проект здания или как область выгула или как неотъемлемая часть проекта здания. Стоки с площадки должны контролироваться и обрабатываться как часть обработки навоза и системы хранения. Чтобы убрать площадку и распорядиться навозом, требуются дополнительная рабочая сила. Рассмотрите стоимость системы управления стоков в общей стоимости системы. Также рассмотрите вопросы водного качество в общем проекте выбора размещения.
Реферат подготовлен по материалам ежедневника «MWPS-7 Dairy Freestall Housing and Equipment», 5-е издание, 1995
[1] Numbers assume uniform calving year-round, 12 months calving interval, first calving at 24 months of age, all males sold at birth, a 30% culling rate, 0% mortality and a stable herd size.
[2] Number of days of lactation.
[3] 8% slope (l'/ft).
[4] Assumes access to 10' wide scraped feed alley.
[5] Use hutch or individual pens.
[6] Heifers and dry cows in late pregnancy may have difficulty breathing if they lie facing downhill on self-cleaning floors.
[7] A diagonal bar feeding fence is recommended for this group to prevent calves from escaping. Leave 7″ spaces between adjacent bars for calves.
[8] An alternative cold weather rate can be calculated by dividing the room or building volume in ft3 by 15. The hot weather ventilating rate can be calculated by dividing the volume by 1,5.
[9] Числа соответствуют постоянному круглогодичному отелу, с интервалом в 12 месяцев, первый отел в возрасте 24 месяцев, норма отбора 30%, 0% выход из строя и стабильность размера стада.
[10] Количество дней лактации.
[11] 8% наклона (25/300).
[12] Принимать 3м ширины выбрасываемый проход кормления.
[13] Используйте клетку или индивидуальные загоны.
[14] Нетели и сухие коровы в последней стадии беременности могут иметь осложнение дыхания, если они лежат, навстречу под гору на полах самоочистки.
[15] Диагональный стержень, входящий в состав ограждения рекомендуется для этой группы, чтобы предотвратить телят от возможности сбежать. Оставьте 175мм пространства между соседними стержнями для телят.
[16] Как альтернатива этому, норма для холодной погоды может быть получена путем деления объема в 0,027 м3 помещения или здания на 15. Вентиляционная норма для жаркой погоды может быть рассчитана, делением объема на 1,5.














