| Похожие рефераты | Скачать .docx | Скачать .pdf |
Курсовая работа: Аппаратура спектрометрического каротажа СГК-1024
Введение
Туймазинская площадь расположена в западной части Башкортостана и в административном отношении находится на территории Туймазинского района РБ и Бавлинского района Республики Татарстан.
В регионально-тектоническом плане Туймазинская площадь расположена на южной вершине Татарского свода.
Месторождение открыто в 1937 году по карбону, а в 1944 году получен первый промышленный приток нефти из терригенных отложений девона. На месторождении пробурено большое количество скважин.
На Туймазинском месторождении скважинами вскрыты пермские, каменноугольные, девонские, бавлинские отложения и породы кристаллического фундамента.
Признаки нефти выявлены в разрезе от девонских до пермских отложений включительно. Самым нижним нефтеносным горизонтом является песчаный пласт Д-IV, в котором обнаружена небольшая залежь нефти на
Александровской площади. Следующим нефтеносным горизонтом выше по разрезу является песчаный пласт Д-III, в котором небольшие залежи обнаружены в наиболее повышенных участках структуры на Туймазинской площади.
Одним из основных нефтеносных горизонтов являются песчаники пласта Д-II, которые на Туймазинской площади содержат крупную залежь нефти (12*8 км).
Основной объект разработки Туймазинского месторождения приурочен к песчаникам, пласта Д-I пашийского горизонта, нефтенасыщенным на Туймазинском и Александровском площадях.
Нефтепроявления промышленного значения выявлены в карбонатных осадках фаменского яруса, в основном в отложениях верхне-фаменского подъяруса.
Промышленная нефть имеется в верхней части пористых известняков турнейского яруса. Нефть турнейского яруса удельного веса 0,894 г./см3
содержание серы – 3%.
К песчаникам бобриковского горизонта на Туймазинской и Александровской площадях приурочены залежи нефти, которые являются самостоятельными объектами разработки. Песчаники этого горизонта имеют линзовидное распространение. Нефть имеет удельный вес 0,885 г./см3 , содержание серы до 3,81%.
Признаки нефти обнаружены в верхней части турнейских тонкопористых и кавернозных известняков, в артинских отложениях тонкозернистых и кавернозных известняков, местами содержится газ. Залежи газа имеют локальный характер, отличаются небольшим дебитом и весьма ограниченными запасами.
В основании кунгурского яруса залегают оолитовые известняки, насыщенные жидкой газированной нефтью. Однако, получить промышленный приток нефти из этих известняков не удалось.
Следует отметить, что нефтеносность карбонатных отложений, мощность которых составляет почти 80% разреза осадочной толщи палеозоя, изучена слабо.
В настоящее время эксплуатируются пласты Д-I, Д-II, Д-III, Д-IV, песчаники бобриковского горизонта, известняки верхне-фаменского подъяруса и турнейского яруса.
Водоносные горизонты в девонских отложениях приурочены к живетскому, франскому, фаменскому ярусам.
Воды всех девонских пластов от Д-V до Д-I характеризуются одним и тем же составом. Воды хлоркальциевые сильно минерализованные, практически бессульфатные. Характерной особенностью девонских вод является значительное содержание в них окисного железа и повышенное содержание брома.
Условия работы
Климат района континентальный, с коротким, то сухим, то дождливым летом и продолжительной, с большими снежными заносами и метелью зимой.
Снежный покров держится с ноября до апреля месяца включительно и в среднем равен 1,5 м. Преобладают западные и северо-западные ветры. Верхний слой земли промерзает на 1,5–2 м. в зависимости от суровости зимы и толщины снежного покрова. Средняя продолжительность отопительного сезона составляет 198 дней. Максимальное среднегодовое количество осадков 480 мм. Температура воздуха летом достигает 25–400 С тепла, а зимой 20–350 С, а иногда и 400 С мороза.
Состав партии
в состав геофизической партии входят 5 человек:
– начальник партии
– инженер
– каротажник-взрывник
– машинист подъемника
– машинист лаборатории
Применяемая станция
Аппаратура работает в комплексе с регистрирующим оборудованием, обеспечивающим прием-передачу информации в коде Манчестер-2 и управление режимами работы прибора в процессе каротажа, каротажной станцией с трехжильным грузонесущим кабелем длиной до 8000 м.
1. Назначение и краткая техническая характеристика аппаратуры СГК-1024
1.1 Назначение аппаратуры СГК-1024
Аппаратура СГК-1024 предназначена для проведения спектрометрического гамма-каротажа естественной радиоактивности породы с получением массовых содержаний тория СTh , урана СU и калия СK . Аппаратура выпускается в обычном (120°С, 80 МПа, СГК-1024Т) и термобаростойком (175 °С, 140 МПа, СГК-1024Т-2Т) исполнениях. В зависимости от условий применения и требований к точности измерений допустимая скорость каротажа изменяется в пределах 50¸200 м/час. Аппаратура СГК-1024 предназначена для исследования необсаженных и обсаженных нефтяных и газовых скважин.
Спектрометрический гамма-каротаж (СГК) основан на регистрации гамма-излучения естественных радиоактивных элементов (ЕРЭ), содержащихся в горных породах. Поток и энергетический спектр регистрируемого гамма-излучения определяются массовой концентрацией, составом и пространственным распределением ЕРЭ, плотностью породы и ее эффективным атомным номером Zэф . В формировании энергетического спектра СГК в основном участвуют гамма-излучения изотопов уранового и ториевого рядов, а также изотопа калий-40.
Возможность определения массовых содержаний тория, урана и калия по данным СГК основана на индивидуальных особенностях спектров гамма-излучения этих элементов, при этом считается, что торий и уран находятся в равновесном состоянии с продуктами распада. Спектры гамма-излучения естественных радиоактивных элементов характеризуются набором линий определенной энергии и интенсивности. В табл. 1 приведены основные линии гамма-излучения тория, урана и калия [1, 2].
Таблица 1 – основные линии гамма-излучения тория, урана и калия
| Элемент | Энергия гамма-квантов, КэВ | Интенсивность линии, отн. ед. |
| Калий | 1460 | 1.00 |
| Уран | 2198 | 0.28 |
| 1762 | 1.00 | |
| 609 | 2.56 | |
| 350 | 1.74 | |
| Торий | 2620 | 1.00 |
| 907 | 0.74 | |
| 582 | 0.80 | |
| 238 | 1.31 |
Проходя через породу, скважину и охранный кожух прибора гамма-кванты частично поглощаются, частично рассеиваются с потерей энергии. В результате на детектор поступает спектр гамма-излучения, существенно отличающийся от первичного спектра. Энергия, оставленная гамма-квантом в детекторе, преобразуется блоком детектирования в электрический импульс, заряд которого пропорционален суммарной энергии, оставленной гамма-квантом в детекторе. Спектр (распределение по амплитуде) электрических импульсов, регистрируемых прибором, называется аппаратурным спектром. Примеры таких спектров в моделях с преимущественно ториевой, урановой и калиевой активностью приведены на рис. 1.
Из приведенных рисунков видна ярко выраженная индивидуальность спектров Th, U и K. Это их свойство используется при разложении зарегистрированных в процессе каротажа спектров на три составляющие. Коэффициентами этого разложения являются массовые содержания тория, урана и калия в породе при совпадении скважинных условий проведения каротажа с условиями регистрации опорных (калибровочных) спектров. В противном случае для правильного определения массовых содержаний Th, U и K необходимо учитывать влияние скважинных условий измерений.

Рис. 1. Аппаратурные спектры в моделях с ториевой, урановой и калиевой активностью
1 – урановый спектр (уран – линия урана 1762 КэВ), 2 – ториевый спектр (торий – линия тория 2620 КэВ), 3 – калиевый спектр (калий – линия калия 1460 КэВ). B – «мягкая» часть спектров (первые 128 каналов 1024 канальных спектров).
Связь массовых содержаний Th, U и K и исправленных за влияние скважинных условий измерений показаний интегрального ГК JГК выражается соотношением
JГК = (СTh ´РTh +СU ´PU +СK ´PK )´PSRS ,
где СTh , СU , СK – массовые доли тория, урана и калия, РTh , PU , PK – коэффициенты, выражающие эту связь. Для аппаратуры СГК-1024Т значения этих коэффициентов равны
РTh = 0.43 мкР/час/10-4 %,
РU = 1.00 мкР/час/10-4 %,
РK = 1.99 мкР/час/%,
для аппаратуры СГК-1024Т-2Т
РTh = 0.45 мкР/час/10-4 %,
РU = 1.16 мкР/час/10-4 %,
РK = 2.44 мкР/час/%.
PSRS – множитель, учитывающий условия калибровки интегрального канала ГК. Его значение равно 0.9 для калибровочных источников типа С-41 и 1.0 для источников типа ЕР.
В табл. 2 приведены некоторые области применения СГК по данным источников [2, 3, 4].
Таблица 2 - применение спектрометрии естественной гамма-активности пород
| Объекты | Область применения |
Терригенные отложения |
Корреляции разрезов скважин. Детальное литологическое расчленение. Стратиграфические исследования. Определение/уточнение фильтрационно-емкостных свойств. Определение/уточнение минерального состава пород. Контроль обводнения. |
Карбонатные отложения |
Корреляции литологических изменений. Выделение проницаемых интервалов, зон трещиноватости. Определение/уточнение минерального состава пород. Контроль обводнения. |
Основой использования массовых содержаний Th, U и Kв породах для решения перечисленных в табл. 2 задач является широкий диапазон изменения их содержаний, с одной стороны, и приуроченность определенных концентрационных конфигураций массовых содержанийTh, U, K к конкретным породам, условиям осадконакопления, вторичным процессам и др., с другой стороны. Причиной всему этому является геохимия этих элементов и их подвижность. В табл. 3 приведены содержания тория, урана и калия в некоторых породах и минералах [3].
Таблица 3 - содержание калия, урана и тория в некоторых породах (по В. Фертлу, 1979 г.)
| Породы, минерал | К,% | U, ppm | Th, ppm | |||
| Акцессорные минералы: | ||||||
| алланит | - | 30¸700 | 500¸5000 | |||
| апатит | - | 5¸150 | 20¸150 | |||
| эпидот | - | 20¸50 | 50¸500 | |||
| монацит | - | 500¸3000 | 2500¸20000 | |||
| сфен | - | 100¸700 | 100¸600 | |||
| ксенотим | - | 500¸34000 | Низкое | |||
| циркон | - | 300¸3000 | 100¸2500 | |||
| Базальты: | ||||||
| щелочной базальт | 0.61 | 0.99 | 4.6 | |||
| платобазальт | 0.61 | 0.53 | 1.96 | |||
| щелочной оливиновый базальт | <1.4 | <1.4 | 3.9 | |||
| толеит орогенный | <0.6 | <0.25 | <0.05 | |||
| толеит неорогенный | <1.3 | <0.5 | <2 | |||
| Карбонаты (чистые): | ||||||
| кальцит, мел, известняк, доломит | <0.1 | <1 | <0.5 | |||
| диапазоны изменения (средние значения) | 0.0¸2.0 (0.3) | 0.1¸9 (2.2) | 0.1¸7 (1.7) | |||
| Глинистые минералы: | ||||||
| боксит | - | 3¸30 | 10¸130 | |||
| глауконит | 5.08¸5.30 | - | - | |||
| бентонит | <0.5 | 1¸20 | 6¸-50 | |||
| монтмориллонит | 0.16 | 2¸5 | 14¸24 | |||
| каолинит | 0.42 | 1.5¸3 | 6¸19 | |||
| иллит | 4.5 | 1.5 | - | |||
| Группа слюд: | ||||||
| биотит | 6.7¸8.3 | - | <0.01 | |||
| мусковит | 7.9¸9.8 | - | <0.01 | |||
| Полевые шпаты: | ||||||
| плагиоклаз | 0.54 | - | <0.01 | |||
| ортоклаз | 11.8 | - | <0.01 | |||
| микроклин | 10.9 | - | <0.01 | |||
Габбро (железомагнезиальная изверженная порода) Граниты (кислая магнетическая порода): |
0.46¸0.58 2.75¸4.26 |
0.84¸0.9 3.6¸4.7 |
2.7¸3.85 19¸20 |
|||
| Гранодиориты | 2¸2.5 | 2.6 | 9.3¸11 | |||
| Битуминозные сланцы | <4.0 | 500 | 1–30 | |||
| Перидодит | 0.2 | 0.01 | 0.05 | |||
| Фосфаты | - | 100¸350 | 1¸5 | |||
| Липарит | 4.2 | 5 | - | |||
| Песчаники | 0.7–3.8 (1.1) | <0.4 | <0.2 | |||
| Кремнезем, кварц, кварцит (чистые) | <0.15 | <0.4 | <0.2 | |||
| Глинистые сланцы обычные (средние значения) | 1.6¸4.2 (2.7) | 1.5¸5.5 (3.7) | 8¸18 (12) | |||
| Кристаллический сланец (биотит) | - | 2.4¸4.7 | 13¸25 | |||
| Сиенит | 2.7 | 2500 | 1300 | |||
| Туф (полевошпатовый) | 2.04 | 5.96 | 1.57 | |||
Калий . Средняя массовая концентрация калия в земной коре равна 2.59% [4]. Источником калия являются силикатные магматические породы, а именно: граниты, сиениты, риолиты и др. Калий в эти породы входит в составе калиевых полевых шпатов (ортоклаз, микроклин), слюд (мусковит, биотит, иллит и др.) и некоторых других глинистых минералов (монтмориллонит, хлорит, каолинит) [4]. Содержание калия в некоторых породообразующих минералах приведено в табл. 4.
Таблица 4 - содержание калия в кристаллической решетке породообразующих минералов осадочных пород
| Минерал | Химическая формула | Содержание калия, % |
| Мусковит | KAl2 [AlSi3 O10 ] (OH)2 | 9.8 |
| Биотит | K (Mg, Fe)3 [AlSi3 O10 ] (OH)2 | 8.7 |
| Флогопит | KMg2 [AlSi3 O10 ] (OH)2 | 9.3¸9.4 |
| Ортоклаз | K[AlSi3 O8 ] | 14.0 |
| Сильвин | KCl | 52.4 |
В процессе химического преобразования основная часть калия, входящая в состав магматических пород, растворяется в воде. Имея слабый ионный потенциал, калий долго остается в растворе и в процессе переноса в значительной своей части абсорбируется на глинистых минералах.
Торий . Среднее содержание тория в земной коре составляет 12 ppm [4]. Источником тория также являются магматические силикатные породы. В процессе химического преобразования торий легко гидролизуется и поэтому обладает ограниченной подвижностью. Кроме того, торий имеет тенденцию концентрироваться в глинистых минералах. Из-за своего большого ионного радиуса торий хорошо фиксируется между слоями при абсорбции глинистыми минералами. Его количество зависит от pH и относительного содержания других катионов. Из-за своей нерастворимости торий всегда транспортируется в виде суспензий, где концентрируется в тонкодисперсных частицах в виде ториевых минералов или торийнесущих акцессорных минералов.
Уран . Среднее содержание урана в земной коре около 3 ppm. Материнскими породами урана являются силикатные магматические горные породы, в которых уран содержится в ограниченном количестве акцессорных минералов [4]. Основой геохимии урана является его легкое окисление и переход в растворимое состояние. Как следствие этого – высокая подвижность урана. Уран ассоциируется и с обломками пород и с хемогенными осадками.
Содержание тория и урана в некоторых акцессорных минералах приведено в табл. 5.
Таблица 5 - содержание тория и урана в акцессорных минералах
| Минерал | Торий, ppm | Уран, ppm |
| Циркон | 100¸2500 | 300¸3000 |
| Монацит | 2500¸20000 | 500¸3000 |
| Сфен | 100¸600 | 100¸700 |
| Апатит | 20¸150 | 5¸150 |
| Епидот | 50¸500 | 20¸50 |
| Алланит | 500¸5000 | 30¸700 |
Таким образом, в осадочных породах калий в основном встречается в глинистых минералах, калиевых полевых шпатах и слюдах. Торий, кроме глинистых минералов, в большом количестве может содержаться в тяжелых минералах. Поведение урана зависит от большого числа факторов и напрямую не контролируется глинистыми частицами. Из сказанного следует, что для интерпретации данных спектрометрического гамма-каротажа важной составляющей являются построение интерпретационной модели объекта исследования и установление / уточнение петрофизических связей СTh , СU , СK в рамках этой модели.
1.2 Краткая техническая характеристика
Состав аппаратуры.
В состав аппаратуры СГК-1024 входят:
- скважинный прибор;
- техническое описание (ТО);
- формуляр;
- интерпретационное обеспечение метода СГК;
- программно-методическое обеспечение первичной обработки данных СГК (получение исправленных за влияние скважинных условий измерений геофизических параметров - массовых содержаний тория СTh , урана СU и калия СK в породе), инструкция по ее проведению;
- программное обеспечение настройки и тестирования прибора на базе (для ремонтных служб предприятия);
- программное обеспечение тестирование прибора перед каротажем (для операторского состава);
- программное обеспечение полевой калибровки и инструкция по ее проведению;
- технические средства и программное обеспечение базовой калибровки, инструкция по ее проведению;
- программное обеспечение проведения каротажа аппаратурой СГК-1024.
Аппаратура работает в комплексе с регистрирующим оборудованием, обеспечивающим прием-передачу информации в коде Манчестер-2 и управление режимами работы прибора в процессе каротажа, каротажной станцией с трехжильным грузонесущим кабелем длиной до 8000 м.
Программные средства настройки, тестирования, калибровки и регистрации данных аппаратуры СГК-1024 функционируют в составе регистратора «КАРАТ» либо модема, обеспечивающих связь прибора с компьютером.
Комплектность поставки технических и программных средств определяется требованиями заказчика.
Подробные сведения об аппаратуре приведены в техническом описании и инструкции по эксплуатации.
Техническая характеристика аппаратуры
Аппаратура СГК-1024 характеризуется следующими параметрами:
| - длина, мм | 1550 (2290) |
| - максимальный диаметр, мм | 73 (76) |
| - масса, кг | 25 (50) |
| - диапазон диаметров исследуемых скважин, мм | ³ 100 |
| - скорость каротажа, м/ч | до 200 |
| - телеметрия | Манчестер-2, 22 кбод |
| - диапазон энергий, КэВ | 40¸3000 |
| - тип детектора | CsJ, NaJ |
| - число регистрируемых каналов | 2´128+16 (17) |
| - число измеряемых параметров | 10 |
| - диапазон измерений массовых содержаний | |
| тория, ppm | 0.5¸200 |
| урана, ppm | 0.5¸200 |
| калия, % | 0.1¸20 |
| - погрешность измерений массовых содержаний | |
| тория, ppm | 1.5 (10% отн.) |
| уран, ppm | 1.5 (10% отн.) |
| калия, % | 0.3 (10% отн.) |
| - канал интегрального ГК, мкР/ч | 0.1¸250 |
| - основная относительная погрешность измерений ГК, % | 15 |
| - канал акселерометра | не нормирован |
| - канал внутренней температуры прибора | не нормирован |
| - 4 технологических канала | не нормированы |
| - диапазон рабочих температур, °С | -10¸120 (-10¸175) |
- верхнее значение рабочего гидростатического давления, МПа - применяемый геофизический кабель |
80 (140) трёхжильный геофизический кабель длинной до 8000 м. (КГ3–60–120 (175)) |
Конструкция скважинного прибора
Общий вид скважинного прибора в модификации СГК-1024Т приведен на рис. 2, основными элементами которого являются: приборная головка (1), охранный кожух (2), блок детектирования СГК (3), блок электроники (4) и проходная головка с накидной гайкой и пробкой. В приборной головке установлены геофизический разъем и переходной мост с электровводами. В проходной головке установлен стандартный геофизический разъем. В термобаростойкой модификации аппаратуры блоки детектирования и электроники размещаются в металлическом сосуде Дьюара.
2. Устройство аппаратуры СГК-1024
2.1 Устройство скважинного прибора. Размещение плат в приборе
Скважинный прибор содержит электронный блок, телесистему и сцинтилляционный детектор гамма-излучения с фотоэлектронным умножителем. Работа спектрометрической схемы стабилизируется по опорному калибровочному спектру.


2.2 Устройство датчиков. Устройство сцинтилляционного детектора гамма-излучения с фотоэлектронным умножителем
![]() |
Сцинтилляционный детектор (счетчик) включает в себя собственно сцинтиллятор, в качестве которого используется кристалл NaJ (или CsJ) активированный кадмием, и фотоэлектронный умножитель (ФЭУ). Последний состоит из стеклянный колбы с расположенными в ней фотокатодом, к которой приложена разность потенциалов U порядка 1500B. Напряжение на диоды подают с делителя.
Рис. 3. Сцинтилляционный детектор
При попадании частицы радиоактивного излучения в сцинтиллятор в нём возникает световая вспышка, под воздействием которой фотокатод излучает электроны. Ускоряясь в электрическом поле ФЭУ, каждый электрон из первого динода несколько вторичных электронов. Процесс повторяется на последующих динодах, что приводит в возникновению электронной лавины; резко увеличивается проводимость ФЭУ. В цепи питания ФЭУ возникает импульс тока, вызывающий падение напряжения на резисторе, которое подаётся на измеритель скорости.
3. Принцип действия аппаратуры
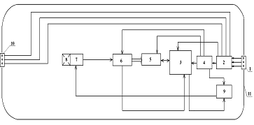
Блок-схема скважинного прибора СГК-1024Т приведена на рис. 3. Прибор состоит из следующих блоков:
1 – разъем головки скважинного прибора (к нему происходит подсоединение трех жил и брони каротажного геофизического кабеля);
2 – блок коммутации (предназначен для подключения прибора к первой и второй жилам кабеля в случае подачи 24 В по третьей жиле);
3 – блок центрального процессора (служит для связи скважинного прибора с бортовым компьютером и одновременно буферизирует данные для передачи по кабелю);
4 – блок преобразования вторичных напряжений (предназначен для получения внутри скважинного прибора требуемых вторичных напряжений, ±5 В, ±12 В, +24 В);
5 – блок накопления амплитудных спектров;
6 – блок преобразования «аналог-код» (предназначен для оцифровки входных импульсов с системы «ФЭУ+детектор»);
7 – фотоэлектронный умножитель;
8 – детектор гамма-излучения;
9 – блок питания высокого напряжения (предназначен для питания ФЭУ);
10 – проходной разъем (к нему происходит подсоединение последующих модулей);
11 – охранный кожух скважинного прибора.

Рис. 4. Блок-схема скважинного прибора СГК-1024Т
Скважинный прибор работает следующим образом. К каротажной станции скважинный прибор подключается через геофизический каротажный кабель, сочлененный с головкой скважинного прибора (1). В положении «по умолчанию» первая и вторая жилы кабеля проходят транзитом на проходной разъем (10) и не имеют гальванической связи с электронными блоками спектрометра. Это предназначено для возможности подключения этих жил к другим устройствам, например, к электродвигателю. Подача на третью жилу каротажного кабеля +24 В относительно брони коммутирует 1 и 2 жилы к электронному блоку спектрометра. При подаче питания скважинного прибора начинает работать блок преобразования вторичных напряжений (4) и блок питания высокого напряжения (9). При появлении вторичных напряжений внутри скважинного прибора блок центрального процессора (3) сбрасывает в состояние «по умолчанию» блок накопления амплитудно-временных спектров (5), блок преобразования «аналог-код» (6) и блок питания высокого напряжения (9). Блок питания высокого напряжения программно-управляемый – т.е. его выходным напряжением, которое запитывает ФЭУ (7), можно управлять по командам с наземного компьютера, изменяя тем самым коэффициент усиления информационного сигнала. При установке «по умолчанию» напряжение питания ФЭУ (7) устанавливается блоком питания высокого напряжения (9) на значение, полученное по результатам настройки скважинного прибора. Обычно при температуре 20°С состояние «по умолчанию» обеспечивает положение энергетической шкалы скважинного прибора в заданной рабочей области.
В результате взаимодействия гамма-квантов с люминофором сцинтилляционного детектора (8) последний преобразует энергию гамма-излучения в световые вспышки - сцинтилляции. При этом суммарная энергия испускаемых фотонов пропорциональна энергии, оставленной гамма-квантом в детекторе. Далее фотоэлектронный умножитель (7) конвертирует световой импульс в импульс электрический. Заряд, собираемый с выхода ФЭУ (7), при прочих равных условиях, пропорционален суммарной энергии сцинтилляций люминофора детектора (8), и, следовательно, энергии, оставленной гамма-квантом в детекторе. В традиционных схемах включения ФЭУ являются источниками тока, на выход которых подключены преобразователи «ток-напряжение». В силу конечного значения времени высвечивания сцинтиллятора и пролета электронов между электродами ФЭУ, наличия паразитных емкостей в конструкции ФЭУ и входных каскадов усилителей, импульс напряжения, получаемый с системы «детектор+ФЭУ+усилитель» может быть описан некоторой функцией (в первом приближении гауссоидой). Амплитуда этого импульса, при сохранении неизменности вышеперечисленных параметров, будет пропорциональна энергии зарегистрированного гамма-кванта.
Токовый импульс с анода ФЭУ (7) поступает на вход преобразователя «ток-напряжение», с выхода импульс напряжения подается на соответствующие входы аналого-цифрового преобразователя. В результате преобразования на выходе блока преобразования «аналог-код» (6) появляется цифровой код, пропорциональный энергии, оставленной гамма-квантом в сцинтилляционном детекторе.
С выхода блока преобразования «аналог-код» (6) данные поступают на вход блока накопления амплитудно-временных спектров (5). Режим работы блока накопления спектров (6) определяется процессором блока памяти.
Таким образом, в приборе происходит накопление амплитудных спектров. Причем весь спектр занимает 256 ячеек памяти – 128 для «мягкой» области (каждый из первых 128 каналов 1024 канального спектра) и 128 для «жесткой» области. Каждый из 128 каналов спектра «жесткой» области содержит 8 каналов первичного 1024-канального спектра.
Передача накопленных спектров осуществляется по командам с блока центрального процессора (3), поступающим по линии последовательного интерфейса в блок накопления спектров (5). Связь скважинного прибора с бортовым компьютером поддерживает блок центрального процессора (3), выполненный традиционным образом, который по команде от наземного измерительного комплекса осуществляет выдачу в линию связи следующих информационных сигналов:
- количество зарегистрированных импульсов в каждом из 128 каналах мягкой части спектра СГК (128 слов),
- количество зарегистрированных импульсов в каждом из 128 каналов жесткой части спектра СГК (128 слов),
- температуру в блоке электроники скважинного модуля (два слова),
- температуру в блоке детектирования скважинного модуля либо показания одноосного акселерометра (одно слово),
- технологические параметры канала СГК (4 слова).
По отдельному запросу дополнительно выдается «электронный» номер прибора, дата прошивки программного обеспечения и его версия.
4. Подготовка аппаратуры к работе
4.1 Методика калибровки
Калибровка аппаратуры СГК-1024 осуществляется аккредитованными метрологическими службами геофизического предприятия в соответствии с прилагаемой к комплекту аппаратуры инструкцией, в которой регламентированы условия, средства и операции калибровки, описана методика определения метрологических параметров аппаратуры.
Калибровка осуществляется при вводе аппаратуры в эксплуатацию и периодически один раз в квартал в процессе эксплуатации, а также после смены детектора гамма-излучения или ремонта механических узлов зондового устройства аппаратуры. Данные калибровки являются основанием для оценки качества и проведения количественной интерпретации результатов каротажа.
Сопроводительная документация на аппаратуру СГК-1024 должна содержать сведения о первичной калибровке.
Базовая калибровка аппаратуры
Базовая калибровка аппаратуры выполняется с целью:
- контроля параметров аппаратуры;
- выставления энергетической шкалы;
- определения метрологических характеристик аппаратуры;
- проверки диапазона измерений и определения относительной основной погрешности, вносимой аппаратурой при измерении массовых содержаний тория, урана и калия;
- записи калибровочных данных в файл базовой калибровки для использования на этапах полевой калибровки, регистрации и обработки результатов измерений.
Базовая калибровка аппаратуры СГК-1024 выполняется на ГСО-ЕРЭ либо аттестованных калибровочных устройствах (УК-СГК) [6], обеспечивающих подобие регистрируемых в них спектров спектрам, регистрируемым в скважинных условиях. Калибровка выполняется в соответствии с инструкцией по калибровке, а также документацией на программу базовой калибровки аппаратуры.
В качестве образцовых средств массовых содержаний тория СTh , урана СU и калия СK в установке УК-СГК используются пять калибровочных емкостей специальной конструкции. Значения воспроизводимых ими массовых содержаний тория, урана и калия должны обеспечивать получение калибровочных спектров, пригодных для использования в программах обработки, а также проверку диапазона измерений и определения систематической (DСTh , DСU , DСK либо dСTh , dСU , dСK ) и среднеквадратической случайной (dС СTh , dС СU , dС СK ) погрешностей:
![]()
![]()
![]()



где
,
и
средние значения параметров СTh
, СU
и СK
равные, соответственно, ![]()
и
К0
– число отсчетов, СTh
пасп
, СU
пасп
и СКпасп
– паспортные значения массовых концентраций тория, урана и калия в калибровочном устройстве.
В табл. 6 приведены требования к метрологическим характеристикам аппаратуры СГК-1024.
Результат базовой калибровки записывается в файл базовой калибровки с указанием даты ее проведения и параметров использованного оборудования (номера прибора, типа и номера калибровочной установки и др.).
Кроме того, создается протокол базовой калибровки прибора, рекомендуемая форма которого приведена в Приложении 1.
Таблица 6 – метрологические характеристики аппаратурно-измерительного комплекса СГК-1024 и требования к их значениям
| Наименование характеристик | Требования к характеристикам |
| 1. Систематическая составляющая погрешности измерений: | |
DСTh , ppm(при СTh ³20 ppm, % отн.) DСU , ppm(при СU ³20 ppm, % отн.) DСК , % абс (при СK ³5%, % отн.) |
не более 2 (не более 10) не более 2 (не более 10) не более 0.3 (не более 10) |
| 2. Среднеквадратическая случайная составляющая погрешности измерений | |
dС СTh , % отн. при СTh ³20 ppm DС СTh , ppm при СTh < 20 ppm dС СU , % отн. при СU ³20 ppm DС СU , ppm при СU < 20 ppm dС СК , % отн. при СК ³5.0% DС СК , % абс. при СК < 5.0% |
не более 5 не более 1.0 не более 5 не более 1.0 не более 5 не более 0.25 |
Для расчета погрешностей определения массовых содержаний ЕРЭ на нижней границе диапазона измерений используются результаты измерений в ПКУ-ЕРЭфон.
Для расчета погрешностей определения массовых содержаний ЕРЭ на середине диапазона измерений используются результаты измерений в ПКУ-ЕРЭсмесь.
Полевая калибровка аппаратуры
Полевая калибровка аппаратуры выполняется перед проведением каротажа в скважине в интервале с повышенной гамма-активностью породы с целью:
- установления ее работоспособности;
- контроля (либо выставления) энергетической шкалы аппаратуры в соответствии с энергетической шкалой при базовой калибровке;
- регистрации опорного спектра для последующего использования его при автоматической привязке энергетической шкалы спектрометра в процессе каротажа.
Полевая калибровка аппаратуры СГК-1024 является обязательным этапом при выполнении каротажа. Полевая калибровка выполняется в соответствии с инструкцией на аппаратуру, а также документацией на программу полевой калибровки аппаратуры.
Данные полевой калибровки должны быть доступны при обработке материалов каротажа.
4.2 Характеристика программного обеспечения аппаратуры
В состав аппаратуры СГК-1024 входит набор программных средств, поддерживающий всю технологическую цепочку эксплуатации аппаратуры от ее первичной настройки при ремонте и изготовлении до получения исправленных за влияние скважинных условий измерений геофизических параметров – массовых содержаний тория СTh , урана СU и калия СK в породе. Характеристика программных средств первичной обработки данных СГК-1024 приведена в разделе 6. Программные средства настройки, тестирования, калибровки и регистрации данных аппаратуры СГК-1024 привязаны к регистрирующему оборудованию. Комплектность и тип поставляемого программного продукта настройки, тестирования и др. определяются заказчиком.
Программное обеспечение настройки аппаратуры СГК-1024Т используется при выполнении ремонтных работ на базе и предназначено для проведения:
- настройки спектрометрического тракта аппаратуры;
- настройки приема сигналов и параметров опроса прибора;
- цифрового и графического просмотра принимаемой информации;
- настройки и записи технологических параметров канала СГК;
- чтения и просмотра «электронного» номера прибора, версии программного продукта и даты его прошивки в прибор;
- записи регистрируемой информации в файл (например, при испытаниях аппаратуры на термостабильность).
Программное обеспечение тестирования, полевой калибровки и регистрации данных аппаратуры СГК-1024 предназначено для операторского состава и эксплуатируется при проведении каротажных работ, обеспечивая:
- настройку приема сигналов и параметров опроса прибора;
- цифровой и графический просмотр принимаемой информации;
- чтение и просмотр «электронного» номера прибора, версии программного продукта и даты его прошивки в прибор;
- проведение полевой калибровки аппаратуры с целью установления ее работоспособности и выставления энергетической шкалы; результат полевой калибровки документируется в файл и доступен для анализа при обработке и контроле качества выполненного каротажа;
- проведение каротажа с автоматической корректировкой энергетической шкалы аппаратуры и расчетом геофизических параметров в реальном масштабе времен.
Подробное описание этих программных продуктов поставляется вместе с технической документацией на аппаратуру в соответствии с условиями ее эксплуатации (с используемыми регистрирующими средствами).
5. Подготовительные работы партии на базе и на скважине
скважинный прибор плата аппаратура
Подготовительные работы перед проведением ГИС проводят на базе геофизического предприятия и непосредственно на скважине. Перечень работ каротажной партии, проводимых на базе, включает:
А) получение наряд заказа на ГИС
Б) ознакомление с геофизическими и геологическими материалами по скважине, получение твердых копий или файлов данных, необходимых для выполнения ряда работ при ГИС.
В) получение скважинных приборов расходных деталей, материалов, проверка комплектности и исправности.
Г) запись файлов периодических калибровок и сведений об исследуемом объекте в базу данных каротажного регистратора.
Д) оформление необходимой документации на водителей, технику
Е) проверка исправности спускоподъемного оборудования
По прибытию на скважину каротажная партия выполняет следующие подготовительные операции:
1) Производит проверку готовности скважины к ГИС согласно техническим условиям на их подготовку, и подписывают акт готовности скважины к проведению ГИС
2) Проверяют правильность задания, указанного в наряд заказе, и при необходимости уточняют его у с представителем заказчика
3) Устанавливают каротажный подъёмник в 25–40 метрах от устья скважины так, чтобы ось лебёдки была горизонтальной и перпендикулярной направлению на устье скважины, затормаживают и надёжно закрепляют подъёмник, путём подкладывания под колёса тормозных колодок (башмаков), крепят датчики натяжения, глубины, устанавливают направляющие и подвесные ролики, заземляют каротажный подъёмник, производят размотку кабеля, выполняют подключение станции к сети переменного тока.
4) Сматывают с барабана лебёдки первые витки кабеля так, чтобы его хватило для подключения к прибору, переносят скважинные приборы к устью скважины, заводят кабель в направляющий и подвесной ролики, устанавливают на направляющий ролик сельсин-датчик (датчик глубины);
5) Подсоединяют к кабельному наконечнику первый скважинный прибор, проверяют его работоспособность и производят спуск на заданную глубину. Перед спуском устанавливают на счётчиках регистратора и панели контроля каротажа нулевые показания глубин.
6. Проведение геофизических исследований и работ
Регистрируемые параметры
Аппаратура СГК-1024 обеспечивает регистрацию следующих параметров:
- поток гамма-излучения естественной активности пород на детекторе канала СГК (скоростей счета в энергетических окнах);
- температура внутри прибора;
- показания одноосного акселерометра;
- технологические параметры канала СГК.
Расчетными параметрами являются естественная гамма-активность пород в единицах МЭД либо ЭМДУ и массовые содержания тория, урана и калия в породе.
Дискретность данных по глубине, скорость каротажа
Дискретность записи данных по глубине и скорость каротажа определяются мощностью пласта hmin , подлежащего количественной обработке [5].
Дискретность регистрации данных по глубине должна обеспечивать не менее 5 точек на пласт, подлежащий количественной обработке.
Скорость каротажа должна обеспечивать величину случайной погрешности, приведенной к пласту регламентированной мощности, не более 6% при общих (hmin =3¸4 м) исследованиях и не более 5% при детальных (hmin =1¸2 м) исследованиях по каналу интегрального ГК и не более величины основной относительной погрешности по каналам тория, урана и калия. Для выполнения этих требований скорость каротажа при общих исследованиях не должна превышать 140¸180 м/ч в активном (терригенном) разрезе (JГК >4¸5 мкР/ч) и 110¸150 м/ч в низкоактивном (карбонатном) разрезе (JГК <4¸5 мкР/ч). При детальных исследованиях скорость не должна превышать, соответственно, 80¸120 м/ч и 60¸100 м/ч.
Повышение детальности исследований достигается уменьшением шага дискретизации по глубине при одновременном пропорциональном снижении скорости каротажа. Рекомендуемые значения выбираются из ряда 5, 10, 20 см.
Порядок работы на скважине
Измерения на скважине проводятся в соответствии с технологической схемой, обеспечиваемой используемым регистратором, при выполнении следующих операций:
- развертывание аппаратуры, ее включение, настройка и проверка работоспособности;
- прогрев аппаратуры в течение 10¸15 минут (эта операция обычно совмещается со спуском в скважину);
- спуск прибора в скважину в интервал с повышенной активностью; скорость спуска не должна превышать 5000 м/час;
- проведение полевой калибровки канала СГК; при работе в связке с аппаратурой нейтронного каротажа следует учитывать возможность активации породы и элементов конструкции скважины нейтронами, а потому полевая калибровка должна в этом случае выполняться вне интервала записи;
- доставка прибора в интервал каротажа;
- проведение каротажа с повторением интервала (не менее 50 м) с наибольшей дифференциацией либо интервала, представляющего наибольший интерес; скорость записи при проведении повторного замера должна соответствовать скорости записи основного замера;
- редактирование записи (при выявлении брака записи исследования выполняются повторно);
- выключение прибора, подъём и извлечение прибора из скважины; подъем прибора вне интервала исследования ведется со скоростью не более 5000 м/час;
- свертывание аппаратуры.
При спуске прибора в скважину и проведении каротажа обязательному контролю (дополнительно к [5]) подлежат стабильность приема данных (количество сбоев по приему данных не должно превышать 1 на 10 метров записи) и параметров питания аппаратуры. При проведении каротажа дополнительно следует визуально контролировать качество стабилизации энергетической шкалы – характерные пики текущего регистрируемого спектра и спектра полевой калибровки не должны расходиться более чем на 4¸6 каналов (см. рис. 4).
а)

б)

Рис. 5. Аппаратура СГК-1024Т – визуализация режима измерений
a) – пример правильной настройки энергетической шкалы спектрометра; б) – пример неправильной настройки энергетической шкалы спектрометра.
Красным цветом показан спектр базовой калибровки, синим – текущий зарегистрированный спектр.
Оформление и контроль качества измерений
Редактирование результатов каротажа является обязательным этапом, выполняемым оператором на скважине после завершения измерений данным (очередным) прибором. Этап редактирования обеспечивает увязку данных по магнитным меткам и точкам записи, а также подготовку файла для проведения контроля качества каротажа. Основные положения контроля качества измерений регламентируются технической инструкцией [5], в соответствии с которой качество характеризуется тремя оценками – «хорошо», «удовлетворительно», «брак». Бракованные материалы к обработке не допускаются.
Кроме общих положений инструкции [5] дополнительно контролируются следующие параметры. В интервале перекрытия проводится расчет относительных систематической d и полной случайной dсл
погрешностей, приведенных к пласту регламентированной толщины
:
, ![]()
![]()
![]()
,
![]()
Рекомендуется рассчитываемые значения d и dсл
приводить к пласту толщиной H=2, 5 или 10 м. При этом должны выполняться следующие требования. Расхождение между массовыми содержаниями, определенными по основному и повторному замерами (систематические погрешности
), для урана и тория по интервалам не менее 5 м не должно превышать ±2 ppm для общих и ±1.5 ppm для детальных исследований. Соответствующая погрешность определения калия не должна превышать 0.3% для общих исследований и 0.2% для детальных. Полные случайные погрешности определения урана и тория в тех же условиях не должны превышать ±2.5 ppmи ±1.5 ppm, соответственно [5, 7], а калия – ±0.2%.
В интервале контрольных измерений СГК толщины и конфигурации пластов должны соответствовать значениям ранее выполненных исследований.
Общие требования к составу и форматам передаваемой заказчику документации определяются [5], дополнительные – соответствующими соглашениями заказчика и исполнителя работ.
Рекомендуемые форматы вывода калибровочных данных и результатов каротажа на твердых копиях для аппаратуры СГК-1024 приведены в табл. 1, 2 и на рис. 5.

Рис. 6. Рекомендуемый формат вывода результатов каротажа на твердую копию для аппаратуры СГК-1024
Заключение
В данной курсовой работе рассмотрена методика выполнения измерений и обработку результатов измерений при проведении спектрометрического гамма каротажа аппаратурой СГК-1024Т и СГК-1024Т-2Т. Под аппаратурой СГК понимается информационно-измерительный комплекс, обеспечивающий измерение массовых содержаний тория СTh , урана СU и калия СK , а также естественной активности пород методом спектрометрического гамма-каротажа. Аппаратура СГК-1024 предназначена для исследования необсаженных и обсаженных нефтяных и газовых скважин.
В курсовой работе приведены физические основы метода, технические характеристики аппаратуры, изложены методики калибровки, проведения каротажа и обработки результатов измерений.
Аппаратура СГК-1024 предназначена для проведения спектрометрического гамма-каротажа естественной радиоактивности породы с получением массовых содержаний тория СTh , урана СU и калия СK . Аппаратура выпускается в обычном (120°С, 80 МПа, СГК-1024Т) и термобаростойком (175 °С, 140 МПа, СГК-1024Т-2Т) исполнениях. В зависимости от условий применения и требований к точности измерений допустимая скорость каротажа изменяется в пределах 50¸200 м/час.
Курсовая работа написана по данным научно-исследовательских и опытно-методических работ и содержит сведения, необходимые для ознакомления с технологией производства работ аппаратурой СГК-1024, а именно: проведения базовой и полевой калибровок, настройки аппаратуры перед каротажем, выполнения работ в скважине. Подробное описание перечисленных выше элементов технологии работ с аппаратурой СГК-1024 поставляется вместе с программным обеспечением, реализующим соответствующий технологический этап.
Список использованной литературы
1. Справочник по радиометрии. – Госгеолтехиздат, M., 1957.
2. Фертл В.Х. Cпектрометрия гамма-излучения в скважине. – Нефть, газ и нефтехимия за рубежом, 1983, №3, 4, 5, 6, 8, 10, 11.
3. Кожевников Д.А. Гамма-спектрометрия в комплексе геофизических исследований нефтегазовых скважин. – Методическое пособие. M.: ГАНГ, 1996.
4. O. Serra, J. Baldwin, J. Quirein – Theory, interpretation and practical applications of natural gamma ray spectroscopy. SPWLATwenty-FirstAnnualLoggingSymposium, July 8–11, 1.
5. Техническая инструкция по проведению геофизических исследований и работ приборами на кабеле в нефтяных и газовых скважинах. – М., 2001 г.
6. Велижанин В.А., Головацкий С.Ю., Саранцев С.Н., Черменский В.Г. и др. Cпектрометрический гамма-каротаж естественной активности пород: аппаратура, метрология, интерпретационно-методическое и программное обеспечения. – Каротажник, №93, г. Тверь, 2002 г.
7. Аппаратура спектрометрического гамма-каротажа. Параметры, характеристики, требования. Методы контроля и испытаний. СТ ЕАГО-086–01. М., 2002.
8. Пакет программ первичной обработки каротажных данных – LogPwin. Руководство пользователя. ООО «Нефтегазгеофизика», Тверь, 2003.
9. Черменский В.Г., Велижанин В.А., Хаматдинов Р.Т., Саранцев С.Н. Способ спектрометрического гамма-каротажа и устройство для его проведения - патент RU 219413 C1
Похожие рефераты:
Анализ методики проведения санитарно-экологического состояния объекта
Обработка результатов по данным геофизических исследований скважин
Гамма – каротаж. Физические основы метода
Ядерно-магнитный томографический каротаж
Гамма-Гамма каротаж в плотностной и селективной модификациях
Флюидная экстракция комплексов урана из техногенных месторождений
Радиационная безопасность при эксплуатации и ремонте оборудования Курской АЭС
