| Скачать .docx | Скачать .pdf |
Дипломная работа: Сооружение штольни в горной местности
ПРОЕКТ ПОДЗЕМНОЙ ГОРНОЙ ВЫРАБОТКИ
ИСХОДНЫЕ ДАННЫЕ
Наименование выработки штольня
Глубина заложения выработки м 300
Длина выработки м 700
Плотность вышележащей толщи, кг/куб.м 2500
Горные породы: диориты окварцованные
плотность, кг/куб.м 2720
категироия буримости XVII
коэффициент крепости 16
категория трещеноватости III
коэффициент Пуассона 0,2
Водоприток нет
Рекомендуется применить:
· вагоноперестановщик
Время на проходку месяц 3
ПЛАН КУРСОВОГО ПРОЕКТА
1. Обоснование выбора комплекса основного проходческого оборудования.
2. Оценка устойчивости пород на контуре сечения выработки, обоснование формы сечения и конструкции крепи, расчёт сечения выработки в свету.
3. Расчёт прочных размеров крепи, составление паспорта крепления.
4. Разработка паспорта буро-взрывных работ.
5. Разработка паспорта проветривания.
6. Расчёт параметров процесса уборки и транспортировки породы.
7. Обоснование и расчёт параметров вспомогательных процессов (настилка рельсового пути, освещение, водоотлив, прокладка вентиляционных труб)
8. Разработка графика цикличной организации работ.
9. Составление таблицы технико-экономических показателей по проекту.
1. Обоснование выбора комплекса основного проходческого оборудования
Проходческие процессы проведения горных выработок делят на основные и вспомогательные.
Основными технологическими процессами являются разрушение и отбойка породы или полезного ископаемого от массива в забое, погрузка и транспортировка породы (полезного ископаемого) и возведение постоянной крепи. Они выполняются непосредственно в забое или вблизи него.
Основные средства повышения производительности горнопроходческих работ – оснащение организации высокоэффективной техникой и обеспечение условий для её нормальной эксплуатации.
Практика показывает, что для проходки геологоразведочных выработок, относительно небольшого сечения, целесообразно применять лёгкое, мобильное горнопроходческое оборудование.
Выбор комплекта оборудования для проведения горизонтальной подземной горной выработки зависит от горнотехнических условий, объёмов работ и объективных возможностей предприятия по приобретению требующихся машин и механизмов.
Штольня - горизонтальная выработка, имеющая непосредственный выход на земную поверхность и предназначенная для обслуживания подземных работ. Штольни бывают разведочные и эксплуатационные, а также откачные, вентиляционные и водоотливные. Штольни проходят в сильно пересечённой или гористой местности. В зависимости от рельефа поверхности и условий залегания горных пород штольни могут располагаться по простиранию, вкрест простирания или под некоторым углом к простиранию пласта или жилы.
Проектируемая горная выработка является разведочной штольней. Длина разведочных штолен составляет от 100 до 4000 м (в нашем случае длина составляет 700 м), а площадь поперченного сечения в основном от 5,8 до 9 м2 .
Рекомендуемый способ отбойки пород по СНиП при коэффициенте крепости по шкале М.М. Протодьяконова
– взрывание. Взрывная отбойка – отделение руды от массива с помощью зарядов расположенных в шпуре.
Шпур – горная выработка или полость длиной до 5м и диаметром от 36-72мм.
Исходя из горнотехнических условий задания (коэффициент крепости по шкале профессора Протодъяконова f =16), мы будем применять буровзрывной способ проведения выработки.
При проходке штольни бурение шпуров является одной из основных технологических операций проходческого цикла, во многом определяющей технико-экономические показатели проходки и безопасность ведения горных работ.
Бурение шпуров следует выполнять в строгом соответствии с паспортом буровзрывных работ. Шпуры в зависимости от назначения подразделяют на врубовые (наклонные или клиновые — отрывающего действия; прямые — дробящего действия), вспомогательные и оконтуривающие.
Диаметр шпуров, и, следовательно, буровой инструмент принимаем исходя из сравнения:
1. экономической и технической целесообразности бурения шпуров в проектируемой выработке небольшого сечения;
2. незначительного отклонения необходимого числа шпуров для обуривания забоя при бурении шпуров малым диаметром 32-43 мм;
3. скорости бурения шпуров средним диаметром 32-43 мм;
4. формы выпуска принятых патронированных ВВ,
а также оптимального соотношения диаметра шпура и патронов ВВ (учитывая то обстоятельство, что коронки и резцы при бурении изнашиваются не только по высоте, но и по диаметру):
.
Бурение шпуров будем производить пневматическими переносными перфораторами типа ПП-54В1 с пневмоподдержкой П-1. Переключение подачи воздуха автоматическое, золотниковым устройством. Пуск перфоратора в работу производится рукояткой воздушного крана. Для снижения воздействия вибрации, работающий перфоратор снабжён виброгасящим устройством и глушителем шума. Перфораторы типа ПП серийно изготавливаются Ленинградским заводом «Пневматика».
Техническая характеристика перфоратора ПП-54В1.
Глубина бурения, м – 4
Диаметр шпуров, мм - 40-46
Энергия удара поршня ударника, Дж - 55,5
Номинальное давление сжатого воздуха, МПа - 0,5
Число ударов в мин 2350
Удельный расход воздуха, (м3 /мин)/кВт 0,029
Масса с виброгасящим устройством и глушителем, кг 31,5
Крутящий момент, Н*м 29,43
Размеры хвостовика инструмента, мм 25х108
Длина перфоратора, мм 775
Пневматическая поддержка 1 типа П-1 предназначена для создания усилия подачи при бурении шпуров ручными пневматическими перфораторами и поддержки их на определённой высоте.
Для главного регулирования подачи перфоратора 1 пневматические поддержки 3 (см. рис стр. 4) имеют регулировочный кран 2 .

Основные параметры и размеры пневмоподдержки П-1.
| Ход подачи |
мм |
800 |
| Длина в сжатом состоянии |
мм |
1200 |
| Раздвижное усилие |
Н |
1500 |
| Номинальное давление воздуха |
МПа |
50 |
| Масса поддержки |
кг |
15 |
Подбор наиболее эффективных ВВ можно осуществлять в соответствии с рекомендациями. Взрывчатые вещества, рекомендуемые к применению на проходческих работах, в условиях, не опасных по взрыву газа или пыли в породах
: детонит М; аммонит «Скальный №1», аммонал «Скальный №3». Для нашего случая мы выбираем ВВ аммонал «Скальный №3» в бумажной оболочке. Способ взрывания - электрический.
Техническая характеристика ВВ аммонал «Скальный №3»
| Показатель |
Ед. изм |
Значение |
| Работоспособность |
см3 |
450 |
| Плотность |
г/см3 |
1 |
| Материал оболочки патрона |
Бумага |
|
| Диаметр |
мм |
36 |
| Масса |
грамм |
250 |
| Длина |
мм |
250 |
Погрузочные машины предназначены для механизации погрузки горной массы в вагонетки при проведении горных выработок.
Для погрузки разрыхлённой взрывом породы, мы будем применять погрузочные машины ковшового типа, на колёсно-рельсовам ходу, и имеющие сравнительно небольшие размеры и специально приспособленные для работы в стеснённых условиях подземной выработки. Машины на колёсно-рельсовом ходу имеют хорошую маневренность, но требуют непрерывного наращивания рельсовых путей.
Погрузка породы будет производится породопогрузочной машиной ковшового типа ППН-2.

Техническая характеристика породопогрузочной машины ППН – 2
| Техническая производительность |
м3 /мин |
1,2 |
| Вместимость ковша |
м3 |
0,32 |
| Мощность двигателя |
кВт |
26,5 |
| Фронт погрузки |
м |
2,5 |
| Габариты: |
мм |
|
| ширина с подножкой |
1320 |
|
| высота рабочая |
2350 |
|
| высота в транспортном положении |
1600 |
|
| длина с опущенным ковшом |
2550 |
|
| длина с поднятым ковшом |
1730 |
|
| Скорость |
м/с |
1,8 |
| Масса машины |
тонн |
4,7 |
Учитывая длину выработки, процесс обмена гружёных вагонеток на порожние будет осуществлятся вагоноперестановщиком. Вагоноперестановщик распологаем на расстоянии от погрузмашины не менее длины поезда. Для установки вагонопестановщика в выработке сооружаем нишу. В нише размещается порожняя вагонетка, которая подается к погрузмашине после загрузки и удаления предыдущей. Переносим эти обменные средства через 50м
Техническая характеристика рудничной вагонетки ВГ – 1,3
| Вместимость кузова, м3 |
1,3 |
| Допустимая нагрузка, кН |
23 |
| Колея , мм |
600 |
| Жёсткая база, мм |
550 |
| Габариты: мм |
|
| · длина |
2000 |
| · ширина |
880 |
| · высота |
1300 |
| Тип сцепки |
звеньевая |
| Диаметр колеса, мм |
300 |
| Масса порожней вагонетки, т |
0,62 |
Для откатки породы принимаем аккумуляторный электровоз 4,5АРП2М.
Техническая характеристика аккумуляторного электровоза 4,5АРП2М.
| Масса |
т |
4,5 |
| Сцепной вес |
кН |
45 |
| Ширина колеи |
мм |
600 |
| Двигатель: |
||
| тип |
ЭДР-7 |
|
| число |
шт |
2 |
| мощность |
кВт |
12 |
| напряжение |
В |
80 |
| Тяговое усилие в режиме |
кН |
7,5 |
| Скорость движения |
км/час |
6,4 |
| Жёсткая база |
м |
0,9 |
| Размеры: |
мм |
|
| длина по буферам |
330 |
|
| ширина |
1000 |
|
| высота |
1300 |
|
| Тип аккумуляторной батареи |
66ТНЖШ-300 |
|
| Энергоемкость батареи |
кВт*ч |
24,5 |
Тип рельса определяется округлённой до целого значения массой 1 м рельса. Промышленностью выпускаются рельсы с массой от 8 до 75 кг. Для откатки вагонеток вместимостью до 2 м3 применяются рельсы типа Р18 или Р24. В нашем случае мы будем применять рельсы Р24.
Техническая характеристика рельсов Р24.
| Высота |
мм |
107 |
| Ширина подошвы |
мм |
92 |
| Ширина головки |
мм |
51 |
| Толщина шейки |
мм |
10,5 |
| Теоретическая масса 1 метра |
кг |
24,14 |
| Площадь поперечного сечения |
см2 |
30,75 |
| Длина рельса |
м |
8; 12; |
| Масса 1 метра |
кг |
24,10 |
Друг с другом рельсы соединяют накладками с болтами или сваркой. Сваривают рельсы на путях со сроком службы не менее 5 лет. Рельсы укладывают на шпалы через прокладки, чем обеспечивается увеличение опорной поверхности рельсов. В нашем случае мы будем применять деревянные шпалы, сосновые, пропитанные антисептиком – фтористым натрием или хлористым цинком. Расстояние между осями шпал при электровозной откатке должно быть не более 0,7 м.
Для укладки стрелочных переводов применяют не шпалы, а брусья. Для рельсовой колеи 600 мм длина шпал составляет 1200 мм.
Балластный слой обеспечивает равномерную передачу нагрузки на нижнее основание, сглаживает неровности почвы выработки, динамические нагрузки на колёса и рельсы. Материалом для балласта служит щебень крепких и средней крепости пород с крупностью кусков 20 – 70 мм. Толщина балластного слоя под шпалой – не менее 100 мм, пространство между шпалами засыпают балластом на 2/3 толщины шпалы.
Размеры шпал.
| Толщина |
мм |
130 |
| Ширина по верхней постели |
мм |
110 |
| Ширина по нижней постели |
мм |
210 |
| Длина |
мм |
1200 |
С одной стороны выработки на уровне балластного слоя настилается пешеходный трап для передвижения людей, с этой же стороны под трапом устраивается дренажная канавка. Размеры поперечного сечения канавки зависят от величины суммарного водопритока в выработку. В нашем случае водоприток отсутствует.
2. Оценка устойчивости пород на контуре сечения выработки, обоснование формы сечения и конструкции крепи, расчёт сечения выработки в свету
Форму поперечного сечения выработки выбирают в зависимости от свойств горных пород, величины горного давления и его проявления, типа и конструкции крепи, назначения и срока службы выработки, а также способа её проведения. При выборе формы поперечного сечения горной выработки необходимо руководствоваться следующими основными технико-экономическими требованиями: высокая устойчивость формы при воздействии на неё горного давления, максимум полезной площади сечения, экономичность и удобство эксплуатации. Необходимыми исходными данными для оценки устойчивости контура поперечного сечения являются:
f=16- коэффициент крепости пород по М.М. Протодьяконову;
р=2500 кг/куб.м- плотность вышележащей толщи пород;
Н=300- глубина заложения выработки;
m=0,2- коэффициент Пуассона.
До проведения выработки породный массив находится в равновесном силовом состоянии. При проведении выработки равновесное состояние массива горных пород нарушается, поэтому необходимо рассчитать, прочностную характеристику горной породы.
Ориентировочно определяется прочностная характеристика горной породы – предел прочности на одноосное сжатие горных пород по которым производится выработка:
sСЖ = f*107 = 16*107
Вычисляется показатель устойчивости контура горной выработки:
ПУ = (р*g*Н)/ sСЖ =(2500*9,81*300)/(16*107 ) = 0,045
По значению показателя устойчивости выбирается материал для крепления:
,
Это означает, что выработка может проходиться без крепления, но окончательно этот вопрос может быть решён лишь после определения коэффициентов запаса устойчивости в боках и кровле выработки.
Для боков проектируемой горизонтальной выработки запас прочности рассчитаем по формуле:
nб = (sСЖ * КС *К∞ )/ (р*g*Н*К1 ) = (16*107 *0,8*1,0)/(2500*9,81*300*2,7) = 6,5
sСЖ - предел прочности горных пород на одноосное сжатие;
КС - коэффициент структурного ослабления пород, зависящий от степени трещиноватости;
К∞ - коэффициент длительной прочности, учитывающий уменьшение прочности пород во времени.
К1 - коэффициент концентрации напряжений в боках выработки.
Оценка запаса прочности пород в кровле выработки (причём на этом этапе оценок кровля выработки принимается плоской):
nб = (sСЖ * Кр *КС *К∞ )/ (р*g*Н*К2 *λ) = (16*107 *0,1*0,8*1,0)/(2500*9,81*300*1*0,25) = 7
- предел прочности массива пород на одноосное растяжение;
- растягивающее напряжение, действующее по кровле в наиболее опасном сечении (середина пролета выработки);
Кр - коэффициент, учитывающий соотношение между пределами прочности породы на растяжение и сжатие;
- коэффициент концентрации напряжений в плоской кровле;
- коэффициент бокового давления (горизонтального распора) рассчитывается по значению коэффициента Пуассона:
λ = μ/ (1 – μ) = 0,2/(1-0,2) = 0,25
По расчётной оценке запаса прочности
и
принимаем прямоугольно-сводчатое сечение проектируемой выработки.
Вывод: проектируемая выработка проходится без крепления прямоугольно-сводчатой формой поперечного сечения.
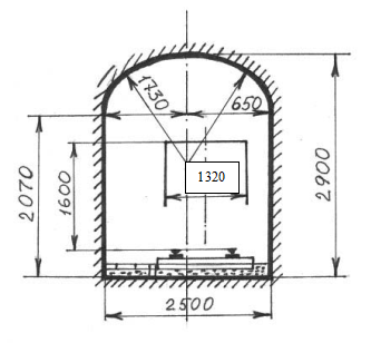
3. Расчёт сечения выработки в свету:
Размеры поперечного сечения горизонтальных горных выработок в свету зависят от её назначения и определяются, исходя из габаритов подвижного состава и располагаемого в выработке оборудования, обеспечение пропуска требуемого количества воздуха, зазоров между выступающими частями подвижного состава и крепью, предусмотренные Правилами безопасности, числа прокладываемых в выработке рельсовых путей и способа передвижения людей.
В нашем случае мы проектируем горизонтальную выработку с рельсовым видом транспорта, поэтому в соответствии с Правилами безопасности при геологоразведочных работах, минимальная величина прохода 0,7 м, а минимальная величина зазора 0,25 метров.
Указанная ширина свободного прохода для людей и зазоров должна быть выдержана по высоте выработки не менее 1,8 м от почвы (тротуара). Проходы для людей на всём протяжении выработок должны устраиваться с одной и той же стороны.
Прямоугольно-сводчатые сечения используются при проходке выработок без крепи или с возведением облегчённых конструкций крепи. Высота свода в сечениях от 2 до 6,8 м2
(однопутные выработки) составляет
.
Площадь поперечного сечения в свету – это площадь по внутреннему контуру установленной в выработке крепи и верху балластного слоя (проезжей части).
Расчёты размеров и площади сечения в свету горизонтальной выработки с использованием рельсового вида транспорта при прямоугольно-сводчатой форме сечения выполняются по следующей схеме:
Рассчитаем расстояние от почвы до головки рельса:
, где
- толщина балластного слоя под шпалой;
- толщина шпалы;
- высота рельсов марки Р – 24.
Рассчитаем расстояние от почвы до уровня пешеходного трапа:

Рассчитаем высоту вертикальной стенки выработки (в свету):
![]()
- высота погрузочной машины ППН – 2 в транспортном положении;
- ориентировочный диаметр вентиляционных труб.
Вентиляционные трубы подвешиваются к стенкам или кровле выработок обычно со стороны, противоположной пешеходному трапу с таким расчётом, чтобы расстояние от них до наиболее выступающей части подвижного состава было не менее 200 мм. В нашем случае вентиляционные трубы подвешиваются на спряжении свода выработки с вертикальной стенкой.
, что соответствует требованиям правил безопасности.
Рассчитаем ширину выработки
:
bmin = bn + mk + nk =1,32 + 0,7 + 0,43 = 2,45м, где
bn = 1320мм = 1,32м- ширина ППН-2;
- ширина свободного прохода для людей;
nк = 0,25+0,18=0,43м- зазор между оборудованием и боком выработки, с учетом става воды и воздуха.
Определим необходимую высоту выработки по боку (до пяты свода)
и полную высоту выработки
:
, где
- минимальная высота свободного прохода шириной 0,7 м;
- высота настила из досок (высота трапа).
Высота погрузмашины с поднятым ковшом
.
Минимальная высота выработки в свету
:
,
- расстояние от почвы до уровня пешеходного трапа;
- высота вертикальной стенки выработки;
- высота свода;
- высота рельсов марки Р – 24.
Учитывая, что в призабойном пространстве временные рельсовые пути укладываются без балластного слоя на металлических быстросъёмных шпалах диаметром 50 мм, расстояние от головки рельса до кровли составит:
![]()
Теперь рассчитаем площадь сечения в свету :
Для однопутной выработки:
![]()
По рассчитанной площади сечения в свету далее следует принять ближайшее большее из стандартных сечений (ГОСТ 22940-85) и по его размерам с учётом размеров крепи определить проектную площадь сечения выработки (площадь вчерне).
Принимаем типоразмер сечения ПС – 6,8:
Характеристика выработки:
| Показатель |
Единицы измерения |
Значение |
| Форма поперечного сечения |
ПС |
|
| Ширина выработки |
мм |
2500 |
| Высота стен выработки |
мм |
2070 |
| Высота свободного прохода |
мм |
2900 |
| Радиус осевой дуги свода, R |
мм |
1730 |
| Радиус боковой дуги свода, r |
мм |
650 |
| Площадь сечения выработки в свету |
м2 |
6,8 |
Для сохранения регламентированных зазоров Правилами безопасности в течение срока службы выработки размеры сечения в свету должны быть приняты с запасом на величину ожидаемых смещений пород и крепи вследствие проявлений горного давления. Ширину выработок также увеличивают на криволинейных участках.
Площадь поперечного сечения вчерне – это площадь по наружному контуру крепи и почве выработки. Площадь поперечного сечения вчерне мы принимаем равным площади поперечного сечения в свету, так как выработка прямоугольно-сводчатой формы, не требующая возведение крепи. Итак :
.

Рис. Типовое сечение однопутной прямоугольно-сводчатой формой с локомотивной откаткой породы
Далее полученные данные вносятся в паспорт крепления разведочной выработки, который наряду с другими важнейшими документами, является документом в соответствии с которым осуществляется проходка выработки. Он содержит все необходимые сведения о конструкции крепи и материалах, из которых она изготавливается, способе её возведения и оборудовании, которое при этом применяется.
4. Разработка паспорта буровзрывных работ
Взрывчатыми веществами (ВВ) называются взрывчатые химические соединения или механические смеси ряда химических компонентов, которые в своём составе содержат все необходимые химические элементы для реакции взрывного окисления без притока кислорода извне.
Рекомендуемый способ отбойки пород по СНиП при коэффициенте крепости по шкале М.М. Протодьяконова
– взрывание.
Взрывание – процесс детонирования зарядов ВВ в заданной последовательности и в заданный момент времени способами, обеспечивающими безопасность взрыва. Для этой цели используют средства взрывания, с помощью которых начальный импульс передаётся заряду ВВ и, таким образом, возбуждается его детонация.
Взрывные работы при проведении горных выработок выполняются в соответствии с паспортом буровзрывных работ, который состоит из схемы расположения шпуров в забое, табличных показателей по шпурам, технико-экономических показателей взрыва и мероприятий по технике безопасности.
Исходными параметрами для составления паспорта БВР является площадь поперечного сечения выработки и глубина шпуров в комплекте.
Одним из критериев эффективности БВР является величина коэффициента использования шпуров (КИШ). Удовлетворительными значениями КИШ можно считать для монолитных скальных пород ХVI-ХХ категорий – 0,75-0,8. При реализации паспорта БВР, совершенствуя схему расположения шпуров и некоторые другие параметры, добиваются, чтобы фактическое значение КИШ было бы не ниже принятого при проектировании.
Исходным параметром при составлении паспорта БВР является глубина шпуров в комплекте. Определим глубину шпуров исходя из заданной скорости проходки:
l = L /( T * n *к* m * η ) =700/(3*30*1*4*0,8) » 2,5, где
L=700м- проектная длина штольни;
T= 3 мес- время, отводимое на проходку выработки;
m
= 4 - число рабочих смен в сутки;
n = 30 - число рабочих дней в месяц
- число циклов в каждой смене;
η - коэффициент использования шпуров.
В связи с малой площадью поперечного сечения выработки бурение шпуров в забои осуществляется с помощью переносного перфоратора типа ПП-54В1. В качестве установочных приспособлений для переносных перфораторов используются пневмоподдержки П-1. Для патронов диаметром 36 мм следует применять в качестве породоразрушающего инструмента съёмные коронки КДП-40-25. Марка твёрдого сплава ВК – 15 или ВК – 11В.
Основные параметры буровой коронки КДП 40-25
Типоразмер коронки КДП-40-25
Диаметр, мм 40
Размеры посадочного конуса, мм 25
Высота коронки, мм 77
Масса коронки, кг 0,5
Буровые коронки КДП-40-25 предназначены для бурения шпуров перфораторами ПП-54В1 в горных породах с коэффициентом крепости f=6÷20 по шкале проф. Протодъяконова. Тип соединения со штангой – конусное. Рекомендуемая область применения: бурение вязких, трещиноватых и абразивных пород.
Буровые штанги предназначены для передачи буровой коронке энергию удара, крутящего момента и осевого усилия подачи. Буровая штанга для перфораторов с боковой промывкой отличается тем, что её хвостовик удлинён для монтажа муфты боковой промывки.
Буровую штангу для перфораторов изготавливают из шестигранной стали марки 55С2 по ТУ 14-1-681-73 с конусным соединением с коронкой.

Диаметр вписанной в шестигранник окружности составляет 25 мм. Буровые штанги с боковой промывкой имеют длину 1,5-5 м с интервалом 0,5 м.
Максимальная длина штанги в комплекте должна быть не менее, максимальной глубины шпуров. Для переносных перфораторов применяются шестигранные штанги с осевым отверстием для промывки. Буровой комплект состоит из 2-4 штанг. Мы выбираем буровой комплект, состоящий из 4-х штанг БШ25-700, БШ25-1600, БШ25-2500, БШ25-3400 длиной 700,1600, 2500, 3400 мм массой соответственно 2,8; 6,3; 9,9; 13,1 кг.
Рассчитаем подвигание забоя за цикл (длина уходки):
![]()
Проверочный расчёт: l = l ух *к*Т * n * m = 2,0*1*3*30*4 = 720м
Длина наклонных шпуров в комплекте:
![]()
Врубовые шпуры перезаряжаются на один патрон и их длина: ![]()
Итак, длину врубовых шпуров принимаем равной
(на 10% больше
).
Определим коэффициент крепости горных пород с поправкой профессора Л.И. Барона на их разрушаемость взрывом
f Б = f /3 + [10 f /3] 1/2 = 12,6
Рассчитаем коэффициенты относительной работоспособности ВВ и учитывающий влияние зажима пород, учитывая, что работоспособность принятого ВВ (аммонал «Скальный №3»)
:
; 
Определяется удельный расход эталонного ВВ на разрушение породы в контурах воронки нормального выброса:
Удельный расход эталонного ВВ по формуле М.М. Протодьяконова:
q0 = 1.6 e (f/S)1/2 = 2,0 кг/куб.м
e - коэффициент работоспособности ВВ.
Определяется удельный расчётный расход ВВ:
, где
- коэффициент структуры породы (практически монолитные).
По формуле Н.М. Покровского определяется количество шпуров в забое:
, где
- диаметр шпура;
- плотность ВВ в патроне;
- коэффициент заполнения шпура взрывчатым веществом.

Принимаем 34 шпура. В связи с тем, что бурение шпуров осуществляется переносными перфораторами в выработке с площадью поперечного сечения более 6 м2 и согласно рекомендациям, в породах с f=14÷20 и более, эффективнее всего применить вертикально-клиновый вруб, который состоит из 4-10 шпуров, попарно расположенных по двум вертикальным линиям и образующим в пространстве клин. Для уменьшения развала породы и повышения эффективности взрыва по оси вруба бурят 2-4 дополнительных незаряжаемых шпура глубиной в 2 раза меньшей глубины врубовых шпуров.
Рекомендуемое ориентировочное соотношение между врубовыми, отбойными и оконтуривающими шпурами: ![]()
В связи с этим принимаем следующее число шпуров в комплекте: врубовых – 8; отбойных – 4; оконтуривающих – 22.

Конструкция зарядов врубовых шпуров

Конструкция зарядов оконтуривающих шпуров
Расчёт ВВ Аммонал Скальный №3 на один цикл:
![]()
Средняя масса одного шпурового заряда будет равна:

Расчётная масса заряда врубового шпура должна быть не менее:
![]()
Масса зарядов всех врубовых шпуров:
![]()
Общая масса зарядов отбойных и оконтуривающих шпуров:
![]()
Средняя масса отбойного и оконтуривающего шпуров:

Из условия размещения в шпуре целого числа патронов, количество патронов в каждом шпуре принимаем:
Во врубовом шпуре: 
В отбойном шпуре: 
В оконтуривающем: 
Фактическая масса заряда каждого шпура будет равна:
![]()
![]()
![]()
Длина шпурового заряда (с учётом того, что ВВ занимает всю площадь шпура) составит:



Найдём фактический коэффициент заполнения шпуров взрывчатым веществом:
Для врубовых шпуров: 
Для отбойных шпуров: 
Для оконтуривающих: 
Длина забойки в каждом шпуре составит:
![]()
![]()
![]()
Фактический расход ВВ на цикл составит:
![]()
Фактический удельный расход ВВ будет равен:

Объём бурения в цикле составит:
![]()
Объём отбиваемой породы за взрыв составит:
![]()
Расход ВВ на 1 п.м. выработки:

При выборе схемы расположения шпуров необходимо придерживаться следующих основных положений. В забоях с одной плоскостью обнажения должны предусматриваться врубовые, отбойные и оконтуривающие шпуры.
В горизонтальных выработках из-за удобства бурения предпочтение отдаётся вертикальному клиновому врубу, который применяется в породах однородного строения, а также при наличие вертикальной трещиноватости.
Врубовые шпуры располагаются под углом 600 -700 к плоскости забоя, отбойные под углом 800 -900 и оконтуривающие – под углом 850 -870 с наклоном в сторону проектного контура поперечного сечения выработки.
Площадь, на которой в забое размещаются устья врубовых шпуров, можно принимать равной 5-15% площади поперечного сечения выработки, причём чем крепче порода, тем ближе друг к другу должны быть расположены врубовые шпуры и тем меньше относительный объём врубовой полости. Расстояние между парами врубовых шпуров при диаметре патрона 36 мм и работоспособности 450 см3 40÷42 см.



Расстояние между устьями врубовых шпуров, сходящихся на клин, определяются из условия расположения в забое бурового оборудования и инструмента (т.е. чтобы ширина выработки позволяла бы пробурить наклонные врубовые шпуры требуемой глубины).
Расстояние между забоями врубовых шпуров, сходящихся на клин, принимается равным 5÷15 см. Расстояние между отбойными шпурами, оконтуривающими и врубовыми, должны быть, не более, преодолеваемой взрывом ЛНС (линии наименьшего сопротивления W – кратчайшего расстояния от заряда до свободной поверхности, образованной взрывом предыдущих зарядов).
По таблице 12 принимаем линию наименьшего сопротивления для данного взрывчатого вещества аммонал «Скальный №3» равной 0,60 м.
У почвы выработки расстояние между шпурами может быть несколько уменьшено, а у кровли, соответственно, несколько увеличено.
Расстояние от контура выработки до устьев оконтуривающих шпуров принимается равным 15÷20 см.
Забои оконтуривающих шпуров, пробуренных вдоль боковых стенок и кровли выработки, должны выступать за контур проектного сечения на 5÷10 см, так как коэффициент крепости по М.М. Протодъяконову f=16.
Оконтуривающие шпуры вдоль почвы выработки всегда заглубляются ниже контура проектного сечения (на 5÷10 см), так как в выработке предполагается настилка рельсовых путей. Врубовые шпуры бурятся длиннее отбойных и оконтуривающих на 10÷15 % (т.е. на 20÷30 см).
Расчёт взрывной сети.
Для производства взрывных работ принимаем электрический способ взрывания с последовательным соединением электродетонаторов с семью степенями замедления. Принятый способ взрывания максимально безопасен для взрывного персонала, а принятая схема взрывания не только проста, но и надёжна т.к. легко позволяет проверить правильность коммутации взрывной сети. В качестве средств взрывания будем применять электродетонаторы марки ЭД-8-Э с жёстким креплением мостика, нормальной мощности, предназначенные для мгновенного взрывания врубовых шпуров, и электродетонаторы короткозамедленного действия марки ЭДКЗ для отбойных и оконтуривающих шпуров (штольня не опасна по газу и пыли).
Техническая характеристика электродетонаторов.
Марка ЭД |
ЭД-8-Э |
ЭДКЗ |
| Безопасный ток, А |
0,18 |
0,18 |
| Сопротивление, Ом. |
3,5 |
3,5 |
| Наружный диаметр, мм |
7,2 |
7,7 |
| Длина, мм |
60 |
72 |
| Длина провода ЭД, м |
2,0 |
2,0 |
Число серий |
- |
6 |
| Интервал, мс. |
0 |
25;50;75;100;150;250. |
В качестве источника тока для инициирования электродетонатора применяем конденсаторный взрывной прибор КВП-1/100М , который предназначен для инициирования до 100 последовательно соединённых и одиночных электродетонаторов с нихромовым мостиком накаливания нормальной чувствительности при внешнем сопротивлении взрывной сети до 320 Ом. После производства взрыва ключ из прибора извлекают и гнездо для него закрывают заглушкой.
Техническая характеристика КВП-1/100м [4 табл.37]
| Показатель |
Ед изм |
Значение |
| Исполнение |
РВ (для подземных работ в рудниках и шахтах) |
|
| Источник питания |
сухие элементы |
|
| Напряжение на конденсаторе |
В |
600-650 |
| Максимальное сопротивление взрывной сети |
Ом |
320 |
| Емкость конденсатора-накопителя |
мкФ |
10 |
| Время заряжения конденсатора |
мс |
не более 8 |
| Время подачи импульса |
мс |
2 4 |
| Размеры |
мм |
152х122х100 |
| Масса |
кг |
2,0 |
Расчет электровзрывной сети.
Шпуры в комплекте взрываются в определённой последовательности (врубовые, отбойные, оконтуривающие вдоль боковых стенок и кровли выработки и нижние оконтуривающие. Минимальное число ступеней замедления – 4, оптимальное – 6.
Независимо от способа соединения электродетонаторов в цепь (последовательное, параллельное и параллельно-последовательное) для безотказного взрывания необходимо, чтобы в каждый из них поступал ток величиной не менее гарантийного, значение которого приводятся в характеристике электродетонатора. Сечение жилы магистральных проводов должно быть не менее 0,75мм2 , а участковых и соединительных проводов–0,5мм2 .
В качестве соединительных проводов применяем провод ВМП. В качестве магистральных проводов применяем провод марки ВМВЖ:
| Параметр |
ВМП |
ВМВЖ |
| Диаметр жил |
0,8 |
1,2 |
| Площадь поперечного сечения, мм |
0,5 |
1,13 |
| Число проволочек: - медных, стальных |
1 |
1 |
| Сопротивление, Ом/м |
0,04 |
0,14 |
| Материал изоляции жилы |
полиэтилен |
полиэтилен |
| Наружный диаметр провода, мм |
2,3 |
2,7 |
Длину магистрального провода (с учётом запаса на катушке) принимаем равной 0,15 км. Сопротивление магистрального провода мы можем найти по следующей формуле:
![]()
Длину соединительных проводов принимаем равной 20 метров. Сопротивление соединительного провода мы можем найти по следующей формуле:
![]()
Принимая последовательное соединение 34 электродетонаторов (n=18), определим ток, проходящий через каждый электродетонатор:
, где
- число электродетонаторов;
- сопротивление одного электродетонатора;
- напряжение источника тока.
По правилам безопасности, при последовательном соединении до 300 электродетонаторов, гарантийный ток должен быть не менее 1,3 А.
![]()
Условие безотказности взрыва:
, где
- сопротивление последовательно соединённой взрывной сети, Ом;
- сопротивление взрывного прибора.
, где
- число электродетонаторов;
- сопротивление одного электродетонатора;
- длина соединительных проводов;
- длина магистральных проводов;
,
- сопротивление проводов соединительных и магистральных соответственно.
![]()
следовательно, условие безотказности взрыва соблюдено.
Из расчёта видно, что принятая схема электровзрывания удовлетворяет всем требованиям безотказности взрывания.


Параметры буровзрывных работ.
| Номер шпуров одной ступени |
Наименование шпуров |
Глубина шпура, м |
Масса шпурового заряда, кг |
Длина заряда, м |
Очередность взрывания |
Тип ЭД интервал замедления, мс |
| 1-8 |
Врубовые |
2,75 |
2,5 |
1,99 |
1 |
ЭД-8-Э |
| 9-12 |
Отбойные |
2,5 |
2,25 |
1,79 |
2 |
ЭДКЗ-25 |
| 13-17 |
Оконтуривающие |
2,5 |
2,25 |
1,79 |
3 |
ЭДКЗ-50 |
| 23-27 |
Оконтуривающие |
2,5 |
2,25 |
1,79 |
4 |
ЭДКЗ-75 |
| 18-22 |
Оконтуривающие |
2,5 |
2,25 |
1,79 |
5 |
ЭДКЗ-100 |
| 28-34 |
Оконтуривающие |
2,5 |
2,25 |
1,79 |
6 |
ЭДКЗ-150 |
Основные показатели буровзрывных работ .
| № |
Показатели |
Единицы измерения |
Кол-во |
| 1. |
Количество шпуров за цикл |
шт. |
34 |
| 2. |
Общая длина шпуров |
м |
91,05 |
|
|
Из них заряжаемые |
м |
87 |
| 3. |
Уходка забоя за цикл |
м |
2,0 |
| 4. |
Коэффициент использования шпуров |
0,8 |
|
| 5. |
Объём горной массы оторванной за цикл |
м3 |
13,6 |
| 6. |
Расход Аммонала Скальный №3 за цикл |
кг |
78,5 |
| 7. |
Удельный расход ВВ на 1м3 породы |
кг/м3 |
5,77 |
| 8. |
Удельный расход ВВ на 1п.м. проходки |
кг/м |
39,25 |

5. Разработка паспорта проветривания
Выбор схемы проветривания:
Основной задачей проветривания тупиковых выработок является поддерживание установленных Правилами безопасности параметров рудничной атмосферы. Исходя из горнотехнических и горно-геологических условий данной выработки, наиболее приемлемым будет является комбинированный способ проветривания (выработка не опасна по газу и пыли). Комбинированный способ проветривания рекомендуется Правилами безопасности как основной. Его используют в выработках протяжённостью более 300 м. Комбинированный способ проветривания тупиковых выработок представляет собой сочетание нагнетательного и всасывающего способов. Он позволяет до максимума сократить время удаления газов и особенно целесообразен для проветривания протяжённых выработок большой площадью сечения, а также при скоростных проходках.
Основным недостатком этого способа в обычных условиях является наличие двух вентиляторных установок. Необходимость регулирования режимов их работы и увеличение эксплуатационных затрат.
Учитывая то, что заданная горная выработка имеет большую протяжённость 700м, площадь поперечного сечения – 6,8 м2 , и неопасна по газу и пыли, принимаем комбинированный способ проветривания. При его использовании по всей длине трубопровода прокладывается только всасывающий трубопровод, а в призабойной части выработки – трубопровод, по которому в рабочую зону подается воздух из незагрязненной части выработки.
Нагнетательный вентилятор устанавливаемый в выработке должен располагаться от забоя выработки на расстоянии не менее длины зоны отброса газов L з.о . .
Найдём длину зоны отброса газов по формуле:
, где
- количество одновременно взрываемого ВВ, кг (78,5 кг);
- площадь поперечного сечения выработки в свету, м2
(6,8 м2
);
- подвигание забоя за один цикл, м (2,0 м);
- плотность горной породы, кг/м3
(2720 кг/м3
).

L з.о. = 110м
По Правилам безопасности отставание трубопровода от забоя допускается в горизонтальной выработке не более чем на 10 м. Исходя из этого, длина нагнетательного трубопровода будет равна. L Т = 110 – 10 = 100м
Принимаем длину всасывающего трубопровода 700 м, так как всасывающий трубопровод устанавливается на расстоянии не менее 18÷20 м от забоя, а всасывающий вентилятор должен располагаться не ближе чем в 20 м от устья штольни во избежание подсасывания загрязнённого воздуха.
Расчёт подачи свежего воздуха для разжижения вредных газов от взрывных работ при комбинированном способе проветривания:
Количество воздуха необходимого для проветривания (подаваемое в забой), исходя из разбавления газов после взрывных работ по сухим породам, по формуле В.И. Воронина для нагнетательного вентилятора:
QЗ = 2,3*(А*S2 * L2 з.о. *bф )1/3 /t =
= 2.3*(78.5*6.82 * 1102 * 40)1/3 /1800 = 1.54 м3 /сек = 92,4 м3 /мин
- длина зоны отброса газов при взрыве, равная 110 м;
- фактическая величина газовости ВВ, т.е. объём условной окиси углерода, выделяемой при взрыве 1 кг ВВ, л/кг (40 л/кг);
- продолжительность проветривания, мин (в соответствии с ПБ
,
).
- масса ВВ, взрываемого в одном цикле проходки;
- площадь поперечного сечения выработки в свету.
Количество воздуха, удаляемого из забоя всасывающим вентилятором при отсутствие перемычки на границе зоны отброса газов:
QЗ.ВС = 1,3* QЗ = 1,3*1,54 = 2,002 м3 /сек = 120,12 м3 /мин
Проверяем полученное значение
на допустимую скорость движения воздушной струи по выработке:
Vd = QЗ.ВС /S = 2,002/6.8 = 0,3м/сек
Для эффективного выноса пыли из проектируемой выработки, скорость движения воздушной струи по штольне лежит в допустимых пределах
Определим количество воздуха исходя из минимальной скорости движения воздуха.
![]()
Количество воздуха по числу людей одновременно работающих в забое.
Если в выработке не ведутся работы, связанные с пылеобразованием и отсутствуют другие вредные вещества, подача воздуха должна составлять не менее 6 м3 /мин на каждого человека, считая по наибольшему числу людей в выработке:
,
- количество людей в забое.
Таким образом, для дальнейших расчётов принимаем количество воздуха на забой, исходя из условия минимальной скорости движения воздуха
![]()
Количество воздуха, удаляемого из забоя всасывающим вентилятором, при отсутствии перемычки на границе зоны отброса газов (во избежание рециркуляции воздуха):
![]()
Выбор типа и диаметра вентиляционного трубопровода.
Тип вентиляционных труб должен соответствовать площади поперечного сечения и длине выработки. Диаметр вентиляционных труб выбирается из расчёта, чтобы скорость движения воздушной струи по трубопроводу не превышала 20 м/с. Для нагнетательного вентилятора принимаем текстовинитовые гибкие вентиляционные трубы. Их главное достоинство – небольшая масса и невысокое аэродинамическое сопротивление.
Принимаем для нагнетательного вентилятора трубы из прорезиненной ткани (тип МУ) диаметром 0,4 м. У гибкого трубопровода в один из швов вмонтированы специальные крючки, с помощью которых он подвешивается к протянутому вдоль выработки тросу.

Скорость движения воздуха по трубопроводам удовлетворяет требованиям безопасности ![]()
Техническая характеристика гибких труб
| Диаметр, м |
0,4 |
| Тип |
МУ |
| Тканевая основа |
Чефер |
| Покрытие двустороннее |
негорючей резиной |
| Масса 1 м трубы, кг |
1,6 |
| Длина, м |
10 |
| Коэффициент аэродинамического сопротивления, Нс2 /м4 |
0,0025 |
Для всасывающего вентилятора принимаем металлические вентиляционные трубы. Учитывая длину всасывающего трубопровода, для приведения аэродинамического сопротивления в оптимальный предел значений принимаем диаметр всасывающего трубопровода равным 0,6 м.

Скорость движения воздуха по трубопроводам удовлетворяет требованиям безопасности ![]()
Расстояние от конца нагнетательного трубопровода до забоя должно быть не более:
![]()
Расстояние от конца всасывающего трубопровода принимаем: ![]()
Техническая характеристика металлических труб
| Диаметр, м |
0,6 |
| Материал |
металл |
| Длина звена, м |
4 |
| Масса 1 м трубы, кг |
35,7 |
| Коэффициент аэродинамического сопротивления, Н*с2 /м4 |
0,0030 |
Для стыковки гибких труб друг с другом в их концы вмонтированы стальные разрезные пружинящие кольца. Для соединения соседних звеньев пружинное кольцо одного звена сжимают и вводят внутрь другого. При включении вентилятора стык самоуплотняется.
Расчёт аэродинамических параметров трубопроводов.
Проветривание проектируемой горной выработки при её проведении осуществляется с помощью вентиляторов местного проветривания.
Аэродинамическими параметрами трубопровода являются аэродинамическое сопротивление, воздухопроницаемость и депрессия. По трубам воздух движется за счет разности давлений у их концов, которая затрачивается на преодоление сопротивлений, оказываемых ими. Аэродинамическое сопротивление трубопровода при любой форме его сечения определяется по формуле:
, где
- коэффициент аэродинамического сопротивления,
;
- длина трубопровода, м;
- диаметр трубопровода, м.
Найдём аэродинамическое сопротивление трубопровода:
- для всасывающего вентилятора:
RT 1 = (6.48*a*LT )/dT 5 = (6.48*0.003*700)/0,65 = 175 H*c2 /м2 , где
- коэффициент аэродинамического сопротивления;
- диаметр вентиляционной трубы для всасывающего вентилятора.
- для нагнетательного вентилятора:
RT 2 = (6.48*a*LT )/dT 5 = (6.48*0.0025*100)/0,45 = 158 H*c2 /м2 , где
- коэффициент аэродинамического сопротивления;
- диаметр вентиляционной трубы для нагнетательного вентилятора.
Найдём воздухопроницаемость трубопроводов:
- коэффициент подсосов для всасывающего трубопровода:
к у = (0,1* к п *dт *[LТ *R1/2 ]/l + 1)2 = (0,1*0,002*0,6*[700*1751/2 ]/4 + 1)2 = 1,63
- коэффициент, характеризующий плотность соединения звеньев трубопровода (при хорошем качестве сборки).
- длина одной трубы, м;
LТ =700м- длина всасывающего трубопровода, м;
- диаметр труб, м;
RT
1
=175 - аэродинамическое сопротивление всасывающего трубопровода
;
- коэффициент утечек для нагнетательного трубопровода:
к у = (0,1* к п *dт *[LТ *R1/2 ]/l + 1)2 = (0,1*0,0016*0,4*[100*1581/2 ]/10 + 1)2 = 1,016
- коэффициент, характеризующий плотность соединения звеньев трубопровода.
- длина одной трубы, м;
LТ =100м- длина нагнетательного трубопровода, м;
- диаметр труб, м;
RT
2
=158 - аэродинамическое сопротивление нагнетательного трубопровода
;
Депрессия вентиляционных трубопроводов:
Общая депрессия, которую должен преодолеть вентилятор:
, где
- статическая депрессия, Па;
- депрессия за счёт местных сопротивлений (уменьшение диаметра, повороты трубопровода), Па;
- динамическая депрессия, Па.
Под депрессией вентиляционного трубопровода понимаются потери напора.
Статическая депрессия трубопровода (статистический напор вентиляторов):
, где
- коэффициент воздухопроницаемости трубопровода;
- необходимая подача свежего воздуха, м3
/с.
- аэродинамическое сопротивление трубопровода.
Депрессия вентилятора, необходимая для преодоления сопротивления трубопровода определяется по формуле:
- для всасывающего трубопровода
hвс ст = 1,63*2,652 *175 = 2003 Па
- для нагнетательного трубопровода
hН ст = 1,016*2,02 *158 = 642 Па
В действительности, в трубопроводе из-за утечек расход воздуха по длине трубопровода непостоянен, поэтому при расчёте мы пользовались среднегеометрическим значением.
Депрессия на преодоление местных сопротивлений в гибком трубопроводе – зависит от степени турбулентности воздушного потока и количества стыков между отдельными звеньями:
, где
- число стыков по всей длине трубопровода;
- коэффициент местного сопротивления одного стыка;
- скорость движения воздуха в трубопроводе, м/с;
- плотность воздуха, кг/м3
.
Приближённо депрессия на преодоление местных сопротивлений в гибком трубопроводе может приниматься равной 20% от статической депрессии:
hМ = 0,2* hН ст = 0,2*642 = 129 Па
В металлическом трубопроводе депрессия на преодоление сопротивлений на стыках невелика, и ею можно пренебречь.
Динамическая депрессия гибких трубопроводов:
, где
- средняя скорость движения воздуха в трубопроводе на прямолинейном участке;
- плотность воздуха, кг/м3
.
- для всасывающего трубопровода:
hд = 9,372 * 1,222/2 = 54 Па
- для нагнетательного трубопровода:
hд = 15,92 * 1,222/2 = 155 Па
Теперь подсчитаем общую депрессию для всасывающего и нагнетательного трубопровода:
- для всасывающего трубопровода:
hТ.ВС = 2003 +54 = 2057 Па
- для нагнетательного трубопровода:
hТ.Н = 642 + 129 + 155 = 926 Па
Необходимая производительность вентиляторов:
- для всасывающего трубопровода
QВС = КУ *QЗ.ВС = 1,63*2,65 = 4,32 м3 /сек = 259,2 м3 /мин
КУ - коэффициент воздухопроницаемости всасывающего трубопровода;
QЗ.ВС - наибольшая расход воздуха в забой, с учётом различных факторов.
- для нагнетательного трубопровода
QН = КУ *QЗ = 1,016*2,0 = 2,03 м3 /сек = 121,8 м3 /мин
КУ - коэффициент воздухопроницаемости нагнетательного трубопровода;
QЗ - наибольшая подача воздуха в забой, с учётом различных факторов.
Выбор типа вентиляторов.
Производительность вентиляторов определяем с учётом количества воздуха, необходимого для проветривания выработок, и коэффициента воздухопроницаемости.
Выбор типа нагнетательного вентилятора.

2 – характеристики вентилятора ВМ-4М
Нагнетательный вентилятор располагается не ближе 110 метров от забоя проектируемой штольни. Длина нагнета-тельного трубопровода 100 метров.
Депрессия нагнетательного трубопровода 926 Па.
Необходимая производительность вентилятора 121,8 м3 /мин. Поэтому принимаем осевой вентилятор местного проветривания с электроприводом ВМ-4М.
Это означает, что вентилятор ВМ-4М способный создавать максимальную подачу равную 156 м3 /мин при максимальной депрессии 1450 Па, обеспечивает требуемую подачу необходимого количества воздуха 121,8 м3 /мин, при депрессии 926 Па и КПД (0,7) лежащим в оптимальной зоне.
| Показатель |
Ед. изм |
Значение |
| Номинальный диаметр трубопровода |
мм |
400 |
| Диаметр рабочего колеса |
мм |
398 |
| Подача: |
м3 /мин |
|
| - оптимальная |
114 |
|
| - в рабочей зоне |
48 - 156 |
|
| Полное давление: |
Па |
|
| - оптимальное |
1300 |
|
| - в рабочей зоне |
700 - 1450 |
|
| Максимальный полный К.П.Д |
||
| - вентилятора |
0,72 |
|
| - агрегата |
0,61 |
|
| Потребляемая мощность в рабочей области |
кВт |
2,8 – 3,8 |
| Масса агрегата |
кг |
140 |
| Размеры: |
мм |
|
| - длина |
740 |
|
| - ширина |
550 |
|
| - высота |
560 |
|
| Электродвигатель |
ВАОМ32-2 |
|
| Напряжение |
В |
380/660 |
Выбор типа всасывающего вентилятора.
Всасывающий вентилятор располагается не ближе 720 метров от забоя. Длина всасывающего трубопровода 700 метров. Депрессия всасывающего трубопровода 2057 Па. Необходимая производительность вентилятора 259,2 м3 /мин. Поэтому принимаем осевой вентилятор с электроприводом ВМ-8М.
Это означает, что вентилятор ВМ-8М способный создавать максимальную подачу равную 600 м3 /мин при максимальной депрессии 4200 Па, обеспечивает требуемую подачу необходимого количества воздуха 259,2 м3 /мин, при депрессии 2057 Па и КПД (0,65) лежащим в оптимальной зоне.
Техническая характеристика вентилятора ВМ – 8М.
Сечение проветриваемых выработок; м2 не более |
20 |
| Длина проветриваемых выработок; м не более При работе одного вентилятора При последовательной работе вентиляторов |
1000 1600 |
Диаметр рабочего колеса; мм |
800 |
Частота вращения колеса; об/мин |
2960 |
| Производительность; м3 /мин |
600 |
| Давление; кгс/м3 |
320 |
Полный КПДВентилятора Вентиляторного агрегата |
0,80 0,72 |
| Мощность электродвигателя; кВт |
55 |
| Длина; мм |
1460 |
| Ширина; мм |
880 |
| Высота; мм |
1000 |
| Масса; кг |
650 |
Определение необходимого числа вентиляторов.
Потребное количество вентиляторов для проветривания всей выработки рассчитывается по уравнению:
- всасывающий вентилятор:
n = hТ.ВС /0,85* hВЕН = 2057/0,85*4200 =0,6 » 1шт
где hТ.ВС - депрессия всасывающего трубопровода;
hВЕН - оптимальное давление вентилятора, Па.
- нагнетательный вентилятор:
n = hТ.Н /0,85* hВЕН = 926/0,85*1300 =0,84 » 1шт
где hТ.Н - депрессия нагнетающего трубопровода;
hВЕН - оптимальное давление вентилятора, Па.
Коэффициент 0,85 в формуле вводится для того, чтобы исключить возможность образования зон разрежения в трубопроводе.
Проверочный расчёт мощности потребляемой электродвигателем привода вентилятора ВМ-8М:
Р = (QВС * hТ.ВС )/1000h = (4,32*2057)/1000*0,65 = 14 кВт
Проверочный расчёт мощности потребляемой электродвигателем привода вентилятора ВМ-4М
Р = (QН * hТ.Н )/1000h = (2,03*926)/1000*0,7 = 2,7 кВт
По произведенным расчётам мощности видно, что тип и марка вентилятора выбраны правильно, а установленные на вентиляторах двигатели обеспечивают их нормальную работу.
Составление паспорта проветривания.
Проветривание горизонтальных горных выработок, их проведение осуществляется в соответствии с паспортом проветривания. Паспорт проветривания составляется руководителем горных работ и утверждается главным инженером экспедиции или партии. Все работающие в выработке должны быть ознакомлены с паспортом под роспись.
В текстовой части паспорта 6 разделов:
Первый раздел: Характеристика выработки.
- наименование выработки………… штольня
- глубина заложения от поверхности……. 300 м
- площадь поперечного сечения в свету 6,8 м2
- длина проветриваемой выработки……700м
Второй раздел: Характеристика системы проветривания.
1. Способ проветривания – комбинированный.
2. Расход воздуха поступающего к забою (м3 /с)
Q ³ 1,43*QВС = 1,43*4,32 = 6,2 м3 /с
3. Производительность вентилятора, работающего на нагнетание (м3 /с)
QН = 2,03 м3 /с
4. Производительность вентилятора, работающего на всасывание (м3 /с):
QВС = 4,32 м3 /с
5. Средняя скорость воздушного потока в выработке в 25 метрах от забоя (м3 /с). Количество воздуха, проходящего по выработке в 25 метрах от забоя (м3 /с):
QВП = Q – QН = 6,2 – 2,03 = 4,17
Скорость движения воздуха в 25 метрах от забоя:
n = QВП /S = 4,17/6,8 = 0,6 м/с
6. Количество вентиляторов в системе проветривания – 2 шт.
7. Общая мощность вентиляторов, кВт: 16,7
8. Максимальный расход взрывчатых веществ (кг/м3 ):
q = qц /V = 78,5/13,6 = 5,77
qц = 78,5кг - расход ВВ на один цикл;
V = 6,8*2 = 13,6 м3 - объём взорванной породы за цикл.
Третий раздел: Характеристика вентиляционных трубопроводов.
1. Назначение трубопровода:
- для подачи воздуха нагнетательным вентилятором;
- для подачи воздуха всасывающим вентилятором.
2. Материал вентиляционных труб:
- для нагнетательного трубопровода - МУ;
- для всасывающего трубопровода - листовая сталь.
3. Диаметр вентиляционных труб, м:
- гибкие - 400 мм;
- металлические - 600 мм.
4. Способ соединения звеньев:
- гибкие - пружинящими стальными кольцами;
- металлические - фланцевым болтовым соединением с прокладкой в стыке.
5. Способ подвески трубопроводов в выработке:
- гибкие к тросу, протянутому по выработке;
- металлические - при помощи подвесок.
Четвёртый раздел: Характеристика вентиляторов.
1. Марка вентиляторов:
- работающего на нагнетание - ВМ-4М;
- работающего на всас - ВМ-8М.
2. Производительность (при проектной протяжённости), м3 /с:
- работающего на нагнетание - 2,03 м3 /с;
- работающего на всас – 4,32 м3 /с.
3. Депрессия при проектной протяжённости (Па)
- работающего на нагнетание - 926 Па;
- работающего на всас - 2057 Па.
4. Диаметр рабочего колеса, мм:
- ВМ – 4М – 398 мм;
- ВМ – 6М – 800 мм.
5. Мощность электродвигателя:
- ВМ – 4М – 4 кВт;
- ВМ – 8М – 55 кВт.
Пятый раздел: Режим работы системы в случае пожара.
(излагаются мероприятия согласно плану ликвидации аварии)
Шестой раздел: Дополнительные сведения о средствах и способах проветривания и борьбы с запылённостью воздуха в призабойном пространстве.
1. Интенсивная вентиляция.
2. Бурение шпуров с промывкой водой.
3. Орошение водой поверхности призабойного пространства выработки (длиной 20 метров) перед выниманием. Поверхность выработки орошать за 30 минут до взрывания. Расход воды на 1 м2 выработки 1,5 – 1,8 л.
4. Для подавления пылегазового облака при ведении взрывных работ устанавливать водяные завесы в 20 м от забоя. Для создания водяных завес используются два конусных туманообразователя ТК – 1.
Техническая характеристика ТК – 1
Расход воды, л/мин……………………………23÷43
Расход воздуха, м3 /мин………………… .1,2÷3,4
Диаметр оросительного факела, м ……… ...2,5
Угол раствора факела, градус …… ……90
Дальнобойность, м
- активная………………… …………….8
- максимальная………………… ………...13
- масса, кг ………………… ………… …0,72
5. Орошение водой взорванной породы до и во время погрузки при помощи механических разбрызгивателей.
6. Использование средств индивидуальной защиты – респираторов.
В графической части паспорта проветривания схемой проветривания на плане выработки в масштабе 1:100 и поперечный разрез выработки в масштабе 1:50.
Даются также эскизы монтажа вентилятора и способы подвески трубопроводов.

6. Расчёт параметров процесса уборки и транспортировки породы
Расчёт складывается из определения эксплуатационной производительности уборки и продолжительности уборки.
Эксплуатационная производительность ковшовой машины при собственно погрузке породы с использованием перегружателя, снижающего простои из-за маневров.
Коэффициент разрыхления породы ориентировочно определим из выражения:
КР = 0,16*f1/2 + 1,34 = 1,99
Объём породы, подлежащей уборке в цикле, составит:
![]()
При буровзрывном способе проведения выработок уборка породы занимает до 30 % времени проходческого цикла и на него приходится значительная часть всех трудовых затрат.
Определим эксплуатационную производительность породопогрузочной машины в данных условиях:
, где
- коэффициент, учитывающий крупность кусков породы (менее 300 мм);
- техническая производительность породопогрузочной машины;
- скорость при замене гружёных вагонеток на порожние с помощью электровоза;
- вместимость кузова вагонетки;
- коэффициент заполнения вагонетки;
n в =- число вагонеток под погрузкой;
l =50м- среднее расстояние от забоя выработки до пункта обмена вагонеток;
.
QЭ = 60/[1/1,2 + 2 + 2*50/(85*1,3*0,9*1)] = 15,6
Продолжительность уборки породы в цикле составит:
ТУ = Vп /QЭ + t п.з. = 13,6/15,6 + 0,1 = 0,97ч
t п.з. = 0,1ч - затраты времени на выполнение подготовительно-заключительных операций при погрузке породы.
Расчёт локомотивной откатки:
Максимальная сила тяги электровоза не может быть больше силы сцепления ведущих колёс с рельсами:
, где
- коэффициент сцепления с подсыпкой песка при условии, что рельсы чистые и сухие;
Рсц = 45кН - сцепной вес аккумуляторного электровоза
F = 1000* Y * Рсц = 1000*0,24*45 = 10800кН
Допустимый вес гружённого состава определяется путём сравнения силы тяги электровоза с сопротивлениями движению при различных режимах – трогание с места (по сцеплению колёс с рельсами), равномерное движение, торможение на среднем уклоне (по тормозным средствам поезда). По наименьшему из трёх полученных значений рассчитывают число вагонеток в составе.
Вес порожнего состава (кН) из условия сцепления колёс с рельсами при трогании с места:
, где
F = 10800кН- сила сцепления ведущих колёс с рельсами;
- сопротивление движению за счёт уклона – 4%;
- удельное сопротивление движению порожней вагонетки;
- пусковое ускорение (ускорение при трогании);
Qп = 560 кН
Вес гружёного состава (кН) по условию торможения на среднем уклоне:
где
- коэффициент сцепления при торможении с подсыпкой песка при условии, что рельсы чистые и сухие;
Рт =Рсц - тормозной вес электровоза
- сопротивление движению за счёт уклона – 4%;
- удельное сопротивление движению вагонеток;
- скорость при длительном режиме работы электровоза;
В соответствии с ПБ тормозной путь на преобладающем уклоне при перевозке грузов 40 м. Отсюда, приняв, что на участке торможения режим движения поезда равнозамедленный:
- замедление при торможении.
Qгр = 1012 кН
Вес поезда по условию сцепления колёс с рельсами, при установившемся движении с равномерной скоростью
:
на расчётном прямолинейном подъёме:
Qгр =1000*Y * Рсц /(w гр + ic ) = 1000*0,24*45/(12+4)=675 кН
на расчётном прямолинейном спуске:
Qгр =1000*Y * Рсц /(w гр - ic ) = 1000*0,17*45/(7-4)=2550 кН
Допустимый вес поезда принимается по рассчитанным выше минимальным значениям
Qп min = 560кН – минимальное значение веса порожнего состава,
Qг min = 1012кН – минимальное значение веса груженого состава.
- вес порожней вагонетки;
Максимальное число вагонеток в составе:
- порожнем: nп = (Qп min – P )/G0 = (560 – 45)/6.2 = 80 шт
- гружёном: nг = (Qг min – P )/( G + G0 )= (1012 – 45)/(19,89+6,2) = 37 шт
Вес породы в вагонетке (кН) определяется по формуле:
, где
- коэффициент заполнения вагонетки;
- ускорение свободного падения;
- вместимость вагонетки;
- насыпная плотность транспортируемого материала;
k р – коэффициент разрыхления породы при разгрузке (1,99 при f=16).
ρн = ρ / k р = 2720/1,99 = 1367кг/м3
G = k з * ρн *g*V*10-3 = 0.9*1367*9.81*1.3*10-3 = 15,7кН
Найдём относительную продолжительность движения:
τ = Тдв /( Тдв + Тман ) = 0,8/(0,8+2) = 0,29мин
Тдв = 2*L/(60*0,75*υдв ) = 2*50/(60*0,75*2,77) = 0,8мин
- скорость при длительном режиме работы электровоза;
L = 50м- среднее расстояние от забоя выработки до пункта обмена вагонеток;
- коэффициент, учитывающий уменьшение скорости на закруглениях пути.
Тман = 2мин- продолжительность манёвров за один рейс.
Число рейсов электровоза, необходимое для откатки всей породы в одном цикле проходки выработки:
np = (S * L ух * K p * K ис )/(Vв * K з )= (6,8*2,0*1,5*1,15)/(1,3*0,9) = 20рейсов
- площадь поперечного сечения вчерне;
5 - коэффициент излишков сечения выработки;
- длина уходки за цикл;
Для нахождения скоростей движения, необходимо рассчитать силы тяги в период установившегося движения:
- для гружёного состава:
Fгр = (Р+n*Gгр )*(w гр - ic ) = (45+20*21,9)*(7-4) = 1449 кН
Gгр = 15,7 + 6,2 = 21,9- вес гружёной вагонетки.
- для порожнего состава:
Fпор = (Р+n*G0 )*(w гр + ic ) = (45+20*6,2)*(12+4) = 2700 кН

Сила тяги, приходящаяся на один двигатель электрооза:
F1гр = F1гр / nдв = 1449/2 = 724,5 кН
- число двигателей на электровозе.
F1пор = F1пор / nдв = 2700/2 = 1350 кН
Для нормальной работы электровоза необходимо, чтобы:
![]()
![]()
Условие соблюдается.
7. Обоснование и расчёт параметров вспомогательных процессов
Освещение.
Для обеспечения необходимого уровня для освещенности (Согласно ПБ освещенность по почве выработки должна составлять не менее 15лк в вертикальной плоскости – не менее 10лк ) используются светильники нормального рудничного исполнения РН-100. Расстояние между светильниками 5м, так как необходимый уровень освещённости в призабойной зоне обеспечивается при использовании светильников мощностью 100 Вт при расстоянии между светильниками 4-6 м.
Допускаемое напряжение для питания стационарных светильников в подземных выработках – 127 В.
Техническая характеристика светильника нормального исполнения РН-100
Масса, кг………………………………………………2,45
Мощность, Вт………………… …………………...100
Напряжение, В…………..……… ….120/250
Основные размеры, мм
- высота……………………… …………..265мм
- диаметр………………………………………195мм
Для питания осветительных установок применяется осветительный трансформатор типа ТСШ-2,5/0,5, который присоединяется к сети при помощи магнитного пускателя и реле утечки УАКИ-127.
По ПБ находящийся в подземных горных выработках человек должен иметь индивидуальный аккумуляторный светильник, который имеет продолжительность нормального непрерывного горения не менее 10 часов.
Прокладка трубопроводов и кабелей.
Трубопроводы, прокладываемые в нашей выработке, предназначены для обеспечения вентиляции, подачи в забой сжатого воздуха, воды, по силовым кабелям подаётся напряжение для питания горнопроходческого оборудования, с помощью слаботочных кабелей обеспечивается связь с забоем выработки и сигнализация при возникновении аварийной ситуации.
Кабели связи и сигнализации прокладываются по стороне выработки, свободной от силовых кабелей. Кабели всех видов подвешиваются непосредственно к горной породе выше габарита подвижного состава (штрек в наших условиях не требует крепления).
Трубопроводы сжатого воздуха и воды прокладываются по почве выработки у одного из боков. Вентиляционный трубопровод подвешивается на тросу натянутого вдоль борта выработки, с противоположной стороны от свободного прохода , на высоте выше габарита подвижного состава.
Определение трубопровода для подачи сжатого воздуха:
,
где
– расход сжатого воздуха на участке трубопровода.
, где
ψ – коэффициент, учитывающий износ оборудования;
mi - число однотипных приемников сжатого воздуха i-го типа, работающих в смену;
ξi - расход воздуха для однотипных приемников сжатого воздуха, м3 /мин;
εi - коэффициент одновременности работы – отношение работающих в данный момент приемников i-го типа к общему их числу, которые должны работать;
n - число однотипных групп приемников;
i – любое число (номер); Vут =3м3 /мин – утечка воздуха на 1000 м длины труб;
Lр – расчётная длина участка, м
![]()
Принимаем диаметр трубопровода…………………….121 мм
Условный проход……………………………………….117 мм
Наружный диаметр………………………………… ...121 мм
Толщина стенки…………………………………….…….4 мм
Масса 1м………………………………………………...11,54 кг
Допустимое давление при гидравлическом испытании 1,6 МПа
Определение диаметра трубопровода, предназначенного для подачи воды в забой.
Расход воды на смену:
, где
Q1 , Q2 , Q3 , Q4 – расход воды (л) на промывку при бурении шпуров на одну бурильную машину, на обеспыливание при взрывных работах, погрузке горной массы, при производстве геологической документации;
q1 q2 q3 q4 – удельный расход воды соответственно, на одну бурильную машину (л/мин); на один туманообразователь при взрывных работах (л/мин); на орошение при погрузке горной массы (л/м3 ) на орошение перед геологической документацией (л/м2 );
t2 – продолжительность работы туманообразователя, мин;
n1 – число работающих бурильных машин, шт;
n2 – число работающих туманообразователей в забое, шт;
S – площадь поперечного сечения выработки, м2 ;
Lсм - подвигание выработки за смену, м;
Kр – коэффициент разрыхления;
Sв – поверхность орошения, м2 .
![]()
Трубопроводы для сжатого воздуха и воды подвешиваются к боку вырубки при помощи проволоки 6мм через 5 метров.
Кабели освещения подвешиваются в верхней части бока вырубки через 3 метра.
Трудоёмкость вспомогательных процессов - навеска вентиляционных труб, наращивание трубопровода для сжатого воздуха и воды, такелажно-доставочные работы.
Прокладка рельсовых путей.
Основным параметром рельсовых путей является ширина колеи. Учитывая тип принятого горнопроходческого оборудования, ширина колеи равна 600 мм. Выработка проводится с уклоном в сторону устья выработки. Уклон выбирается таким образом , чтобы сопротивление движению гружёного состава к устью выработки был равен сопротивлению движения порожнего состава в обратном направлении. Для выработок горизонтальных, с электровозной откаткой по ПБ уклон составляет 3-5 %. Тип рельса определяется округлённой до целого значения массой 1м рельса. Промышленностью выпускаются рельсы с массой от 8 до 75 кг. Для откатки вагонеток вместимостью до 2 куб.м. применяются рельсы типа Р18 и Р24 . Применяем в нашем случае рельсы типа Р24.
Рельсы соединяются между собой накладками и четырьмя болтами. Для безударного перехода колеса с рельсы на рельсу, стык располагается между шпалами. Последние укладываются на шпалы через подкладки, чем обеспечивается увеличение опорной поверхности рельсов. В нашем случае мы будем применять деревянные шпалы, сосновые, пропитанные антисептиком – фтористым натрием или хлористым цинком для увеличения срока службы.
К шпалам рельсы прикрепляются костылями. Для равномерной передачи нагрузки на рельсовый путь, применяется балласт из щебня, с крупностью кусков 20-60мм. Толщина балластного слоя под шпалой не менее 100 мм, пространство между шпалами засыпается на 2/3 толщины шпалы.

8. Разработка графика цикличной организации работ
График организации работ отображает последовательность и длительность рабочих процессов при установленном режиме работы и принятой организации труда, когда обеспечивается выполнение запланированных объемов производства.
Проведение выработок организуется по графикам цикличности, исходя из проходческого цикла (совокупность проходческих процессов и операций, повторяющихся в течение одинакового промежутка времени, за который забой выработки подвигается на одинаковую величину).
График цикличности дает графическое изображение работ проходческого цикла: выполнение всех работ цикла от начальной до конечной – во времени и в пространстве.
При проведении проектируемой горизонтальной выработки буровзрывным способом проходческий цикл включает в себя следующие операции:
а) бурение шпуров;
б) заряжание, взрывание зарядов;
в) проветривание;
г) приведение забоя в безопасное состояние;
д) погрузку и транспортировку отбитой породы;
е) настилка рельсового пути;
ж) сооружение водоотводной канавки;
з) наращивание трубопроводов, кабелей
Исходные данные для построения графика цикличности для проведения проектируемой геологоразведочной штольни:
Штольня площадью поперечного сечения 6,8 м2 , длиной 700 м, проходят в породах ХVII категории по буримости. Проектная глубина шпуров 2,5 м, количество шпуров по паспорту буровзрывных работ 34, коэффициент использования шпуров 0,8. Подвигание выработки за цикл – 2,0 м.
Проектом предусмотрено серийное оборудование: перфораторы ПР-54В1 на пневмоподдержках, погрузочная машина типа ППН-2, вагонетки ВГ-1,3 и аккумуляторный электровоз 4,5АРП 2М.
Режим проходческих работ: продолжительность рабочей смены 6 часа, число смен в сутки – 4, число циклов в смену – 1.
Выработку проводят без крепи – породы устойчивые.
Расчёт основных параметров проходческого цикла производится в соответствии с «Методика определения параметров проходческого цикла скоростных проходок горизонтальных разведочных выработок».
- для 1 группы выработок при объёмах проходки (180 м/месяц);
- время на проходку 3мес
- при числе рабочих дней в месяц – 30;
- при количестве смен в сутки – 4.
Определяем объёмы работ по каждому из процессов проходческого цикла:
- по бурению шпуров: Vбур = Vбвр + Vп = 87 + 4,05 = 91,05м;
- по уборке породы:Vпор = 13,6м3 ;
- по настилке рельсовых путей и монтажу трубопроводов:
;
- по заряжанию шпуров: Vбур = Vбвр = 87м;
По сборнику ЕВН-1984г. определяем трудозатраты на выполнение единицы работ по каждому процессу цикла.
Трудозатраты принимаются с учётом поправочных коэффициентов на условия работы. Результаты сводим в таблицу.
Нормы времени на операции проходческого цикла в проектируемой выработке.
| Операции |
№ таб-лицы |
№ нормы |
Ед. изм. |
Норма по ЕВН |
Попра-вочный коэфф. |
Норма |
| Бурение шпуров (комплект) |
39 |
Л-10 |
Чел-ч. на 10м. |
1.45 |
1/1.2 |
1.260 |
| Бурение шпуров (под штанги) |
40 |
Н-10 |
Чел-ч. на 10м. |
1.16 |
- |
1.160 |
| Заряжение шпуров |
52 |
В-4 |
Чел-ч. на 10м |
0.307 |
1/0.7 1/0.83 |
0.528 |
| Настилка рельсовых путей |
169 |
Б-1 |
Чел-ч/м. |
0.638 |
1/1.35 1/0.9 |
0.775 |
| Навеска прорезинен-ных вентиляционных труб. |
147 |
А-1 |
Чел-ч/м. |
0. 36 |
1/0.9 |
0.040 |
| Навеска жёстких вентиляционных труб |
148 |
11 |
Чел-ч/м. |
0.33 |
- |
0.330 |
| Монтаж трубопровода сжатоговоздуха. |
148 |
3 |
Чел-ч/м. |
0.47 |
- |
0.470 |
| Монтаж водопровода. |
148 |
2 |
Чел-ч/м. |
0.28 |
- |
0.280 |
Определяем трудоёмкость каждого технологического процесса в цикле:
, где
- объём работ по каждому процессу;
- норма времени на выполнение единицы объёма работ.
· по бурению шпуров :
Nбур = Vбур *Нвр /10 = 91,05*1,26/10 = 11,47 чел-ч
· по заряжанию шпуров :
Nзар = Vбвр *Нвр /10 = 87*0,528/10 = 4,59 чел-ч
· по настилке путей :
;
· по навеске вентиляционных труб :
- прорезиненных:
;
- жёстких:
;
- всего: ![]()
· по монтажу трубопроводов :
- для воды:
;
- для сжатого воздуха:
;
- всего: ![]()
Общая трудоёмкость работ в цикле без учёта уборки породы составит:
Nобщ = Nбур + Nзар + Nр + Nв + Nтр = 11,47+4,59+1,55+0,74+1,501 = 19,85чел-ч
Явочный состав проходческого звена:
n зв = Nобщ /(Тсм - Туб ) = 19,85/(6 - 0,97) = 3,95 » 4чел, где
Тсм = 6ч- планируемая продолжительность смены;
Туб = 0,97ч - продолжительность уборки породы.
Принимаем численный состав проходческого звена
, так как учитываем, что остальная трудоёмкость работ будет приходится на прочие работы.
Суммарная трудоёмкость прочих работ (дополнительных в цикле):
Nпр = n зв (Тсм - Туб ) - Nобщ =4(6 - 0,97) – 19,85 =0,27чел-ч
Явочный состав проходческой бригады:
n
бр
= m
*
n
=
4*4 =
16чел , где
- число рабочих смен в сутки.
Определяем продолжительность каждой производственной операции и строим график цикличности.
| Наименование операции |
Кол-во исполнителей чел. |
Длительность операции , час |
| Бурение шпуров |
4 |
11.47/4=2,87 |
| Заряжение шпуров |
4 |
4.59/4=1.14 |
| Уборка породы |
3 |
0.97 |
| Настилка рельсовых путей. |
4 |
1.55/4=0.3875 |
| Навеска прорезиненных вентиляционных труб |
4 |
0.08/4=0,02 |
| Навеска жёстких вентиляционных труб |
4 |
0.66/4=0.165 |
| Монтаж трубопровода для воды |
4 |
0.561/4=0.14 |
Монтаж трубопровода для сжатого воздуха |
4 |
0.94/4=0.235 |
| Прочие работы |
4 |
0.27/4=0.07 |
9. Составление таблицы технико-экономических показателей по проекту
Расчёт сжатого воздуха на 1 п.м. выработки
Количества сжатого воздуха для проходки штольни S = 6,8 м2 исходит из работы перфоратора ПП-54B1.
Расход сжатого воздуха на бурение шпуров в забое перфоратором ПП54В1
, где
где
- удельный расход воздуха ПП-54В1;
- время работы ПП-54В1
![]()
Расход электроэнергии на проходку 1 п.м. выработки.
1. Применяемое электрооборудование при проходке выработки.
· Породопогрузочная машина ППН-2 - электродвигатель мощностью 26,5кВт
· Освещение - светильники с эл. лампами V=127В W=100Вт -180 шт
· Вентилятор ВМ - 4М – электродвигатель мощностью 2,7 кВт.
· Вентилятор ВМ - 8М – электродвигатель мощностью 14 кВт.
Расход электроэнергии на проходку 1п.м. выработки:
![]()
где
- коэффициент загрузки потребителей - 0,9;
- относительная мощность двигателей, находящихся в работе - 0,3;
- суммарное время работы потребителей – 9,5ч;
- КПД электродвигателя - 0,85;
- КПД передачи - 0,8;
- КПД сети - 0,95;
- суммарная мощность потребителей – 61,2кВт.
Расчёт стоимости амортизационных отчислений
| № пп |
Наименование оборудования |
Кол-во |
Балансо-вая стоимость, сум |
Годовая норма амортизации, % |
Отчисле-ния на амортиза-цию, сум |
Отчисле-ния на амортиза-цию в у.е. |
| 1 |
Машина ППН-2 |
1 |
3105000 |
15 |
194-05 |
0-19 |
| 2 |
Перегружатель |
1 |
2705150 |
15 |
2137-46 |
2-14 |
| 2 |
Электровоз 2 АРП |
1 |
42156200 |
15 |
2634-75 |
2-64 |
| 3 |
Вагонетка ВГ-1,3 |
40 |
3559900 |
15 |
1779-93 |
1-78 |
| 4 |
Вентилятор ВМ-4М |
1 |
3292610 |
15 |
205-78 |
0-21 |
| 5 |
Вентилятор ВМ-6М |
1 |
3372610 |
15 |
226-67 |
0-23 |
|
|
ИТОГО: |
5041-18 |
5-05 |
Расчёт стоимости необходимых материалов
| № пп |
Наименование материалов |
Ед. изм. |
Норма расх. на 1 п.м. |
Норма расх. на 1м3 |
Цена за единицу сум |
Сумма затрат на 1м, сум |
Сумма затрат на 1м в у.е. |
| 1 |
Коронки КДП-40-25 |
шт |
0,39 |
0,14 |
22407-06 |
8738-75 |
8-75 |
| 2 |
Трубы стальные 121мм |
м |
2,0 |
0,74 |
6696-80 |
133-94 |
0-13 |
| 3 |
Трубы стальные 600мм |
м |
2,0 |
0,74 |
9876-73 |
193-56 |
0-19 |
| 4 |
Трубы МУ 400 мм |
м |
2,0 |
0,74 |
8786-23 |
175-72 |
0-18 |
| 5 |
Проволока 6мм |
кг |
0,189 |
0,069 |
345-77 |
65-35 |
0-07 |
| 6 |
Проволока 4мм |
кг |
0,085 |
0,031 |
392-67 |
33-48 |
0-03 |
| 7 |
Чиферный рукав (вентяляционный рукав) |
м |
0,85 |
0,308 |
12585-00 |
10659-50 |
10-68 |
| 8 |
Канат стальной 12,5мм |
м |
0,182 |
0,067 |
765-62 |
138-57 |
0-14 |
| 9 |
Респиратор «Лепесток» |
шт |
2 |
0,74 |
92-63 |
185-26 |
0-19 |
| 10 |
Взрывчатые вещества Аммонал «Скальный №3» |
кг |
6,77 |
2,46 |
837-64 |
5670-82 |
5-68 |
| 11 |
Электродетонатор ЭД-8-Ж |
кг |
9,24 |
3,36 |
632-30 |
5842-45 |
5-85 |
| 12 |
Шланги водяные 12мм |
м |
0,1 |
0,0366 |
632-30 |
63-64 |
0-06 |
| 13 |
Шланги воздушные 25мм |
м |
0,1 |
0,0366 |
2100-20 |
210-02 |
0-21 |
| 14 |
Светильники РН-100 |
шт |
0,2 |
0,074 |
1662-50 |
332-50 |
0-33 |
| 15 |
Муфта ТМ-10 |
шт |
0,2 |
0,074 |
4112-50 |
822-50 |
0-82 |
| 16 |
Кабель КГ 3х35 |
м |
1,0 |
0,37 |
5124-74 |
5124-74 |
5-14 |
| 17 |
Кабель ВМП |
м |
40 |
15,6 |
4988-27 |
1995-31 |
1-99 |
| 18 |
Кабель ВМВЖ |
м |
1,5 |
0,44 |
5349-05 |
802-35 |
0-80 |
| 19 |
Электролампы 127В |
шт |
0,22 |
0,08 |
117-06 |
25-75 |
0-03 |
| Итого: |
41214-21 |
41-21 |
Расчёт стоимости электроэнергии и сжатого воздуха на 1 п.м. выработки
| № пп |
Наименование энергии |
Ед.изм. |
Норма расхода на 1 п.м. |
Цена за единицу, сум |
Сумма затрат на 1 п.м., сум |
Сумма затрат на 1 п.м. в у.е. |
| 1 |
Электроэнергия |
кВт/час |
862 |
19-550 |
16852-10 |
16-85 |
| 2 |
Сжатый воздух |
(м3 /мин)/кВт |
1,1 |
4-20 |
277-62 |
0-27 |
| 3 |
ИТОГО: |
17129-72 |
17-12 |
Технико-экономические показатели проведения выработки
| № п.п. |
Наименование показателей |
Ед. изм. |
Кол-во (сумма) |
| 1 |
Наименование выработки |
штольня |
|
| 2 |
Протяженность горной выработки |
м |
700 |
| 3 |
Численность |
чел |
16 |
| 4 |
Фонд заработной платы |
у.е. |
752,0 |
| 5 |
Производительность труда |
м3 /чел. смен |
3,4 |
| 6 |
Себестоимость 1 м выработки |
у.е. |
65-87 |
| в т.ч. заработная плата |
у.е. |
1,88 |
|
| - отчисления на соц.страх, 33 % |
у.е. |
0,62 |
|
| - материалы |
у.е. |
41,21 |
|
| - электроэнергия |
у.е. |
16,84 |
|
| - сжатый воздух |
у.е. |
0,27 |
|
| - амортизация |
у.е. |
5-05 |