| Похожие рефераты | Скачать .docx | Скачать .pdf |
Дипломная работа: Подземная разработка месторождений полезных ископаемых
ДИПЛОМНЫЙ ПРОЕКТ
«Подземная разработка месторождений полезных ископаемых»
Чита 2010
Аннотация
Дипломный проект содержит стр. 62, рис. 8, табл. 20,8 источников литературы.
Объектом разработки является блок 1–406 рудника №4 (Шахта 6Р, месторождение «Тулукуевское»). Расположен между разведочными линиями 47 – 50 по простиранию, между III и IV горизонтами.
Основная цель проекта – отработка балансовых руд с максимальным извлечением металла из недр традиционным способом отработки при использовании высокопроизводительного самоходного забойного и вспомогательного оборудования, а также создания безопасных условий труда для работающих в данном блоке.
Применяемая система разработки: «Горизонтальные слои с твердеющей закладкой», вариант отработки «сверху-вниз».
Проветривание блока осуществляется за счет общешахтной депрессии. Свежий воздух подается на IV горизонт с V горизонта через вентиляционные восстающие 5–4 от ствола 6Р с помощью вентиляторной установки ВОД -30 производительностью 180 м3 /сек.
От ствола 6Р свежая струя воздуха поступает до блока 1–406 по следующим горным выработкам: штреку1–402, квершлагу 11К-400, штреку 1–419.
На рабочие слои блока свежая струя воздуха поступает по восстающему 1–406/1 и 1–406/2, а так же по транспортному уклону №1 на подэтаж с последующим её разводом на рабочие слои блока.
Исходящая струя воздуха, с отрабатываемых слоёв блока, выдаётся в квершлаг 11К-300 с последующим её отводом на ствол 11К и далее на поверхность.
Подача твердеющей закладки осуществляется с закладочного комплекса «Мартовский» рудника №2 путём транспортирования автобетоновозами до закладочных скважин блока, пробуренных с поверхности. От закладочных скважин закладочная смесь подаётся по трубопроводам в отработанные заходки слоя.
Породы и руды из-за большого преобладания глинистых минералов склонны к слёживаемости. В связи с этим погрузка горной массы в вагонетки осуществляется путём погрузки из под рудоспусков 1–406/1,2 , с помощью TORO-151D по транспортны м ортам №№1, 2 через эстакады которые расположены на квершлаге 11К-400 и штреке 1–419.
Откатка горнорудной массы с рабочих слоёв проектируемого блока производится по IV горизонту с транспортированием горной массы на ствол 11К.
Проектируемый блок расположен вне охранных зон наземных зданий и сооружений.
Введение
Месторождение «Тулукуевское» входит в состав Стрельцовской группы месторождений.
Для месторождения «Тулукуевское» вопрос изыскания эффективных методов механизации работ на основных процессах имеет решающие значение, так как на руднике в настоящие время традиционные средства механизации работ и практически не имеют опыта применения современных высокопроизводительных средств механизации очистных и проходческих работ на базе самоходного оборудования, что является сдерживающим фактором роста производственной мощности предприятия и его технико-экономических показателей.
Средства механизации на очистных и проходческих работах должны обеспечивать снижение трудозатрат на буровзрывных работах, погрузке и доставке руды, а также при выполнении различного рода вспомогательных работ.
Наиболее резкое повышение производительности труда происходит при внедрении самоходных буровых установок.
В отечественной горнорудной промышленности и за рубежом в настоящее время большое распространение получили погрузочно-доставочные машины, которые комплексно выполняют операции погрузки, транспортировки и разгрузки горной массы.
Погрузочно-доставочные машины требуют меньшего числа обслуживающего персонала, имеют большую маневренность, позволяют убирать горную массу в течении смены из нескольких забоев, транспортировать её по выработкам малого сечения с небольшим радиусом закругления, повышают интенсивность очистных и проходческих работ, их безопасность, сокращают время подготовительно-заключительных операций.
Из вспомогательных машин необходимо применение всего парка машин, выпускаемого как отечественными, так и зарубежными предприятиями, что обеспечивает более эффективное использование основного самоходного оборудования и повысить уровень механизации труда на основных операциях забойного цикла до 90…98%.
1. Общие и геологические сведения о месторождении
1.1 Общие сведен ия о районе месторождения
Месторождение «Тулукуевское» находится в Юго-Восточном Забайкалье, в пределах Краснокаменского района Читинской области, в 35 км севернее государственной границы России и КНР, проходящей по реке Аргунь.
Район расположения, в благоприятных экономических условиях. Он связан железной дорогой с транссибирский магистралью, густой сетью улучшенных и грунтовых дорог с соседними населёнными пунктами. Ведущими отраслями народного хозяйства в районе являются, горнодобывающая промышленность и сельское хозяйство.
В районе известны крупные месторождения высококачественных песков, гравия, известняков, угля, флюорита.
1.2 Горно-геологическая характеристика месторождения
1.2.1 Основные горно-геологические данные
Основные горно-геологические данные по подготовке и отработке блока 1–406 представлены в таблице 1.
Таблица 1
| № п/п | Наименование | Един. измерения | Величина показателей |
| 1 | Балансовые запасы руд | ||
| -руда | т.т | 41,8 | |
| -содержание | % | 0,282 | |
| -металл | т | 117,9 | |
| 2 | Потери: | ||
| -руда | % | 5 | |
| -металл | % | 4.6 | |
| 3 | Разубоживание | % | 36.7 |
| 4 | Эксплуатационные запасы | ||
| -руда | т.т | 62.9 | |
| -содержание | % | 0,179 | |
| -металл | т | 112. | |
| 5 | Объём ГПР: – Вертикальные – Горизонтальные – Наклонные – Кубажные |
м/м3 м/м3 м/м3 м3 |
86/367 140/1200 540/5132 60 |
| 5 | Производительность слоя | т/мес | 5000 |
| 6 | Годовая производительность блока | т/год | 60000 |
1.2.2 Геологическая характеристика
Месторождение «Тулукуевское» расположено в юго-восточной части Стрельцовского рудного поля.
Блок 1–406 расположен в южной части месторождения «Тулукуевское», между разведочными линиями 47–50, по падению – между III и IV горизонтами.
Вмещающие породы : в блоке представлены трахидацитами верхнего покрова (залегающих в юго-западной части блока), базальты среднего покрова, лавобрекчии базальтов, пачкой разногалечных конгломератов составляющих до 50% пород блока, перекрывающими их горизонтами песчаников, туфов и туфолав фельзитов.
Трахидациты верхнего покрова залегают в юго-западной части блока и ограниченные с северо-восточной стороны тектоническим швом. Северо-восточную часть занимают базальты среднего покрова и лавобрекчии базальтов составляющих до 10% объёма пород блока. Разногалечные конгломераты вскрываются в нижней части блока на отметках блока 480–535 м., они имеют галечную структуру, грубослоистую текстуру и состоят из окатанной гальки дацитов, базальтов и других типов подстилающих пород, размером от 1 до 15 см., составляющих до 70–80% объёмы породы.
Песчаники мелкозернистые полимиктового состава, моноклинально (под углом 5–200 ) залегают на конгломератах, образуя тектонический контакт, в виде послойного срыва. На песчаниках согласно залегают туфы фельзитов.
Характеристика рудных тел : В блоке выделяются два основных типа оруденения – крутопадающие рудные тела жилообразной и линзообразной формы, имеют мощность от 1 до 10 метров, прерывистые как по падению, так и по простиранию. Ко второму типу относятся пластообразной формы оруденения, мощность пласта достигает 6 метров.
Горнотехнические условия : Согласно классификации пород месторождений Стрельцовского рудного поля, крепость вмещающих пород по шкале П.П. Протодьяконова, отображены в таблице №2
Таблица 2. Крепость пород и руд по шкале П.П. Протодьяконова
| Наименование | Вмещающие породы | Руда |
| Трахидациты | f=10–14 | |
| Базальты | f=11–15 | |
| Лавобрекчии базальтов | f=10–12 | |
| Конгломераты | f=14–16 | f=12–14 |
| Песчаники | f=6–11 | f=6–8 |
| Туфы фельзитов | f=5–11 | f=5–10 |
| Туфолавы фельзитов | f=6–15 | f=6–10 |
Устойчивость пород и руд: Все вмещающие породы в зонах тектонических нарушений – неустойчивы. Руды, локализованные во всех разностях пород – неустойчивы. Контакт крутопадающих тектонических нарушений и пласта в процессе не продолжительного отстаивания выработок до 10 дней, в породах с интенсивной гидротермальной проработкой, слабым сцеплением обломков, возможно образование вывалов из кровли и бортов выработок. Вне зон тектонических нарушений и вне рудных зон, в трахидацитах, базальтах, конгломератов, породы средней устойчивости.
Существенного водопритока в горные выработки блока не ожидается. Возможен капёж воды по зонам тектонических нарушений.
Породы и руды из-за большого преобладания глинистых минералов склонны к слёживаемости.
1.3 Эксплоразведочные работы
В границах проектируемого к отработке блока 1–406 выполнена детальная горно-буровая разведка с IIIи IV горизонтов. На горизонтах были пройдены выработки, из которых производилось бурение разведочных скважин. На стадии детальной разведки были установлены формы и размеры основных рудных тел, их горно-геологические условия залегания. Проведённые разведочные работы позволяют выбрать систему отработки и составить проект подготовки блока 1–406 и планирование очистных работ. В результате проведённых разведочных работ удалось установить параметры рудных тел. Рудные тела имеют сложное строение, большую протяженность, при высокой изменчивости по мощности, прерывистости рудного контура по простиранию и падению, крайне не равномерном распределением полезного компонента. Балансовые запасы оценены по данным детальной разведки, выполненной Сосновской экспедицией ПГО Мингео и по доразведки геологической службы УГРУ. Разведанные запасы по категории С1 полностью вошли в проектный контур отработки блока, поэтому промышленные запасы равны балансовым и представлены в таблице 3.
Таблица 3. Распределение запасов в подсчётных блоках
| Подсчётный блок | Балансовые запасы | Тип залежи | ||
| Руда | Содержание | Уран | ||
| тыс. т | % | т. | ||
| 402-С1 | 14,6 | 0,201 | 29,3 | ПЛАСТ |
| 470-С1 | 3,0 | 0,267 | 8,0 | ПЛАСТ |
| 482К -С1 | 1,5 | 0,073 | 1,1 | ПЛАСТ |
| 403-С1 | 16,7 | 0,443 | 73,9 | ПЛАСТ |
| 422-С2 | 6,0 | 0,093 | 5,6 | ПЛАСТ |
| ВСЕГО | 41,8 | 0,282 | 117,9 | |
2. Специальная часть
2.1 Выбор системы разработки
В блоке выделяются два основных типа оруденения – крутопадающие рудные тела жилообразной и линзообразной формы, имеют мощность от 1 до 10 метров, прерывистые как по падению так и по простиранию. Ко второму типу относятся пластообразной формы оруденения, мощность пласта достигает 6 метров.
Основные запасы руды и урана сосредоточенны в рудных телах, имеющих пластообразные и жилообразные формы. Мощность рудных тел изменчива имеет прерывистый характер. Породы и руды в зонах тектонических швов характеризуется, в основном, как неустойчивые, склонные к интенсивному отслоению кусков из бортов и кровли горных выработок.
Одним из критериев выбора системы разработки при подготовке и отработке запасов является показатель полноты извлечения металла, который, в свою очередь, зависит от качества выдаваемой руды из блока.
Учитывая ценность руды и требования к максимальному снижению потерь и разубоживания, а так же нахождения рудных тел в зонах тектонических нарушений, наиболее полно этому требованию отвечает система разработки «Горизонтальные слои с твердеющей закладкой», вариант отработки – «сверху-вниз».
Недостатки системы:
– низкая производительность блока и труда забойного рабочего;
– высокая себестоимость очистных работ из-за значительных затрат на твердеющую закладку, 25–30% от общей себестоимости добычи по руднику;
– возможное отслоение закладки в кровле заходки, что увеличивает разубоживание руды и повышает опасность ведения горных работ;
– интенсивное проветривание тупикового очистного забоя вентиляторами местного проветривания, связанное с обеспечением нормативных уровней загрязненности атмосферы по спец. факторам.
Достоинства
– обеспечение высокой степени эксплуатационной доразведки запасов руды в блоке;
– низкие потери и разубоживание руды до 3…5%;
– обеспечение радиационной безопасности путем закладки выработанного пространства и снижения радоновыделения.
Система разработки нисходящих слоев с твердеющей закладкой, хотя и дорогостоящая, но дает возможность отрабатывать рудные тела со сложной морфологией с минимальными потерями и разубоживанием руд. Одновременно решается вопрос с погашением подземных пустот, труд горнорабочих становится более безопасным.
Параметры блока 1–406 (Рис. 1)
1. Длина, м …………………………………………220
2. Ширина, м………………………………………..150
3. Высота, м…………………………………………60
4. Высота рабочего слоя, м …………………………3
5. Угол наклона очистной заходки, град………….3
6. Средняя длина доставки по слою, м….………….100

Рис. 1. Параметры блока 1–406
2.2 Потери и разубоживание
Потери и разубоживания по блоку обоснованны с учётом принятой системы разработки, технологическими возможностями применяемого горного оборудования, условиями залегания и морфологическими особенностями рудных тел, состояния горного массива.
К потерям относятся:
– не вовлечение запасов руды и металла в отработку;
– оставление отбитой руды и метала по почве отрабатываемого слоя;
– просыпи руды и металла при её транспортировании;
– при сортировке руды на РКС.
Общий норматив потерь и разубоживания при отработке запасов проектируемого блока, данной системой разработки принят равным:
Потери:
– по руде – 5%;
– по металлу – 4,6%;
Разубоживание – 36,7%.
При разработке блока средние нормативы потерь и разубоживания по выемочным слоям блока должны уточнятся и утверждаться в установленном порядке.
Формулы расчёта для определения эксплуатационных запасов блока:

Эксплуатационные запасы руды и металла проектируемого блока представлены в таблице 4.
Таблица 4. Эксплуатационные запасы блока
| Балансовые | Потери | разубоживание, % | Эксплуатационные | |||||
Руда т.т |
Сод % |
Ме т |
Руда % |
Ме % |
Руда т.т |
Сод. % |
Ме т. |
|
| 41,8 | 0,282 | 117,9 | 5 | 4,6 | 36,7 | 62,9 | 0,179 | 112,5 |
2.3 Горно-подготовительные и нарезные работы
В связи с принятой классификацией к горно-подготовительным относятся горные выработки, обеспечивающие вскрытие рудных тел в пределах рудных залежей (орты, штреки, блоковые восстающие, транспортный уклон и т.д.).
Горно-подготовительные работы включают: проходку комплекса горных выработок, обеспечивающих ведение очистных работ в безопасных условиях; наличие запасных выходов; обеспечение горных работ свежей струёй воздуха, твердеющей закладкой и транспортной схемы электровозной откатки. Исходя из этой классификации, при разработке проекта к горно-подготовительным работам (ГПР) отнесены: горизонтальные горные выработки откаточного и вентиляционного горизонтов, транспортный уклон, материальные и вентиляционные ходовые восстающие, рудоспуски и камерные выработки, проходимые в границах проектируемого блока.
Блок 1–406 подготовлен следующими выработками (Рис. 2):
1. По горизонтали:
– III горизонт (+540,0 м) – штреком 1–301 и квершлагом 11К-300;
– IV горизонт (+480,0 м) – штреками 1–419 и 1–401, квершлагом 11К-400, откаточный орт №1, откаточный орт №2;
– камерные выработки: лесокамера, камера временного хранения ВМ. 2. По вертикали :
– вентиляционный восстающий 4–3;
– материально ходовой восстающий 1–406/1;
– восстающий 1–406/2 ;
– рудоспуски 1–406 1,2;
3. Наклонные :
– транспортный уклон №1 с IV горизонта (+480,0 м) до подэтажа (+503,5 м);
– съезд на откаточный орт №2;
– транспортный уклон №2 с подэтажа (+503,5) до рудных пластов.
Рис. 2. ГПР: 1 – штрек 1–301; 2 – квершлаг 11к-300; 3 – штрек 1–40; 4 – штрек 1–419; 5 – квершлаг 11к-400; 6 – откаточный орт №2; 7 – откаточный орт №1; 8 – вентиляционный В/с 4–3; 9 – материальный ходовой В/с 1–406/1; 10 – В/с 1–406/2; 11 – Р/с 1–406/2; 12 – Р/с 1 – 406/1; 13 – транспортный уклон №1 (на подэтаж); 14 – подэтаж; 15 – съезд на откаточный орт №1; 16 – транспортный уклон №2
Крепление подготовительных горных выработок, в зависимости от горно-геологических условий характеристики вмещающих пород, выполняется согласно паспортам, действующим на руднике и утвержденных главным инженером рудника. В неустойчивых породах (в зонах тектонических швов и их оперяющих) – крепление рамами СВП-22 с применением Ж/Б затяжки бортов и кровли выработок и забутовкой пустот за креплением. В среднеустойчивых породах (в зоне тектонических швов и их оперяющих) – крепление кровли, сталиполимерными анкерами (со штрипсами) с торкретированием бортов и кровли выработки.
Для обеспечения интенсивности отработки слоёв блока 1–406 и эффективного применения самоходного оборудования проектом предусматривается заложение транспортного уклона №2. Зарезка слоя и доставка технологического оборудования, производится с транспортного уклона №2. Транспортный уклон №2 проходится с подэтажа (+503,5 м) до рудных пластов под углом не превышая 120 связывая вертикальные горные выработки.
Наклон выработок уклона на прямолинейных участках – 60 , 120 , не криволинейных – 00 . Радиус поворота на криволинейных участках транспортного уклона – не менее 6 м. На период проходки уклона, а также врезки рабочих слоёв используются рудоспуски 1–406/1,2, которые служат для перепуска горной массы на откаточный горизонт. Проходка вертикальных горных выработок в этаже III–IV горизонтов производится с помощью проходческого комплекса КПВ – 4, сечением 4,6м2 , которые армируются согласно паспортам ПТО УГРУ.
Рудоспуски не оборудуются вибропитателями, в связи с высокой слёживаемости руд и пород. В связи с этим погрузка горной массы в вагонетки осуществляется путем перегрузки из под рудоспусков 1–406/1,2 , с помощью машины TORO– 151Dпо транспортным ортам №1 и №2 через эстакады, которые расположены на квершлаге 11К -400 и штреки 1–419.
Для доставки материалов и оборудования на рабочие слои блока проектом предусматриваются лесокамеры по линии штрека 1–302 в районе расположения материально – ходового восстающего 1–406/1 . Подъем и спуск материалов и оборудования на рабочие слои в проектируемом блоке осуществляются по материально ходовому восстающему 1–406/1 . Проходка горизонтальных и наклонных горных выработок (безрельсовых) осуществляется буро-взрывным способом, отгрузка горной массы производится погрузочной машиной TORO – 151D.
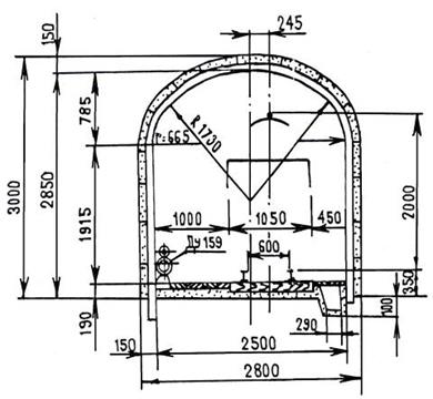
Проходка горизонтальных горных выработок (рельсовых) осуществляется машиной ППН-1С. Сечение горных выработок показано на Рис 3.
Рис. 3. Сечение горных выработок
Для обеспечения дизельных машин горюче-смазочными материалами предусматривается дополнительно включить в объёмы ГПР строительство склада ГСМ с топливозаправочным пунктом в штреке 1–401 IV горизонта со стороны квершлага 11К-400, служащий для заправки и обеспечения погрузо – доставочной машины TORO-151D.
Перечень горно – подготовительных выработок, сечения и объёмы проходки приведены в таблице 5.
Таблица 5. Объёмы горно-подготовительных выработок
№ п/п |
Наименование горных выработок | Длина, м | Сечение, м2 | Объём, м3 |
|
| в свету | вчерне | ||||
| III горизонт (+540,0 м) горизонтальные | |||||
| 1 | сбойка на вос. 1–406/2 | 5 | - | 7,8 | 39 |
| IV горизонт (+480,0 м) горизонтальные | |||||
| 2 | штрек 1–419 | 27 | - | 7,8 | 211 |
| 3 | откаточный орт №1 | 40 | перем | 9,5 | 380 |
| 4 | откаточный орт №2 | 23 | перем | 9,5 | 219 |
| 5 | штрек 1–401 | 45 | - | 7,8 | 351 |
| наклонные | |||||
| 6 | транспортный уклон №1 на подэтаж (+503,5 м) | 96 | перем | 9,5 | 912 |
| 7 | съезд на откат. орт №2 | 49 | перем | 9,5 | 466 |
| 8 | транспортный уклон №2 | 395 | перем | 9,5 | 3754 |
| вертикальные | |||||
| 9 | восстающий 1–406/2 | 45 | 4,5 | 203 | |
| 10 | рудоспуск 1–406/2 | 29 | 4 | 4 | 116 |
| 11 | рудоспуск 1–406/1 | 12 | 4 | 4 | 48 |
| кубажные | |||||
| лесокамера (2 шт.) | - | - | - | 24 | |
| камера временного хранения ВМ | - | - | - | 14 | |
| ИТОГО: | |||||
| горизонтальные | 140 | перем | перем | 1200 | |
| вертикальные | 86 | перем | перем | 367 | |
| наклонные | 540 | перем | 9.5 | 5132 | |
| кубажные | - | - | - | 60 | |
| ВСЕГО: | 766 | перем | перем | 6759 | |
В соответствии с принятой классификацией к нарезным работам относится система горных выработок, обеспечивающая непосредственно подготавливаемые рудные тела, в пределах эксплуатационного блока, к их отработке (слоевые, транспортные орты, камеры и т.д.)
Зарезка слоёв проектируемого блока осуществляется в два этапа:
I этап - с подэтажа (+503, 5 м) проходится транспортный уклон №2, который сбивается с вертикальными горными выработками по флангам блока.
II этап - с транспортного уклона №2 проходятся разрезные орта (№1–10) служащие для обеспечения ведения очистных работ твердеющей закладкой.
Транспортный уклон №2 и все разрезные орта проходятся по руде. Сечение транспортного уклона и разрезного орта показано на рис №4.
уклон орт


Рис 4. Сечение транспортного уклона и разрезного орта
Естественная кровля нарезных выработок крепится с учётом горно-геологических условий. Для неустойчивых и пород средней устойчивости – крепление рамами НДО.
Минимальная ширина разрезных ортов с креплением рамами НДО – 3,5 м, минимальная высота выработок вчерне 2,5 м.
В комплекс нарезных выработок по подготовке пластов к очистным работам входят следующие выработки:
– разрезные орта (с1 по 10)
– закладочные коллектора №№1,2
– закладочные дучки №№1,2
– камеры для ремонта оборудования и внутрисменного отдыха людей
– лесокамеры.
Бурение осуществляется с помощью буровой каретки Minibur 1F/E, а также перфораторами ПП-54 с распорной буровой колонкой ЛКР – 1У.
Горная масса доставляется погрузочно-доставочной машиной TORO-151 D в рудоспуски, оборудованные на уровнях каждого слоя грохотами.
Таблица 6
| Наименование горных выработок | Длина, м | Сечение, м2 (вчерне) | Объём м3 |
| Разрезной орт №1 | 63 | 8,7 | 548 |
| Разрезной орт №2 | 95 | 8,7 | 827 |
| Разрезной орт №3 | 33 | 8,7 | 287 |
| Разрезной орт №4 | 106 | 8,7 | 922 |
| Разрезной орт №5 | 99 | 8,7 | 861 |
| Разрезной орт №6 | 25 | 8,7 | 218 |
| Разрезной орт №7 | 66 | 8,7 | 574 |
| Разрезной орт №8 | 30 | 8,7 | 261 |
| Разрезной орт №9 | 76 | 8,7 | 661 |
| Разрезной орт №10 | 57 | 8,7 | 496 |
| Камера внутрисменного отдыха и ремонта оборудования (1 шт. на – подэтаже, 1 шт. – на уклоне) | 8 |
12 |
192 |
| Лесокамера (2 шт.) | 6 | 4,5 | 54 |
| Закладочный штрек №1 | 55 | 7,42 | 408 |
| Закладочный штрек №2 | 45 | 7,42 | 334 |
| Закладочная дучка №1 | 3 | 4,6 | 137 |
| Закладочная дучка №2 | 5 | 4,6 | 23 |
| ИТОГО: | 786 | перем | 6680 |
2.4 Очистные работы
Применяемая система разработки «Горизонтальные слои с твердеющей закладкой», вариант обработки – «сверху – вниз».
Очистные работы в блоке начинаются после проведения, предусмотренных проектом подготовительных работ по блоку и нарезных работ по пластам, обеспечивающих наличие: не менее двух запасных выходов на вентиляционный и откаточный горизонты; закладочных работ; транспортной схемы откатки, а также сдачи блока в эксплуатацию.
До начала ведения очистных работ на слое должна быть оборудована камера ремонта оборудования и внутрисменного отдыха людей.
Очистные работы в слоях ведутся по следующим технологическим схемам: «одиночная заходка», «заходка – целик» согласно стандарту СТП О106–120–2000.
Для неустойчивых руд и вмещающих пород.
1. В первую очередь с разрезного орта проходятся спаренные первичные заходки с оставлением рудного целика между ними (3–4 м).
2. Спаренные первичные заходки закладываются твердеющей закладкой.
3. Отрабатывается вторичная заходка. отработанное пространство, перекрывается глухой перемычкой без закладки, которая устанавливается на устье вторичной заходки.

Рис. 5. Технология выемки пластов для неустойчивых руд и вмещающих пород: 1, 3 – закладка, 2-крепление заходки
При отработки пластов мощностью более 3-х, погашается как первичная так вторичная заходка.
Смежные (вторичные) заходки отрабатываются при прочности твердеющей закладки в первичных заходках 0,5 МПа. Очистные работы под искусственной кровлей разрешается начинать при прочности закладочного массива более 1,5 МПа. Если прочность закладочного массива менее 1,5 МПа, то очистная выемка под ним ведётся по специальному проекту, утверждённому главным инженером рудника.
Параметры очистных заходок:
– высота очистных заходок слоя – 2,5–3 м (в зависимости от мощности пласта);
– ширина очистных заходок слоя – 3,0 м;
угол наклона заходок - 30
Технологические процессы очистных работ включают в себя:
– бурения шпуров
– заряжание и взрывание шпуровых зарядов (в конце рабочей смены);
– проведения рабочих забоев;
– уборка отбитой горной массы с последующей её доставкой до рудоспуска;
– крепление очистного пространства.
Отбойка горнорудной массы ведётся шпуровыми зарядами ВВ в соответствии с паспортом БВР. Способ взрывания зарядов – электрический с применением системы СИНВ-Ш.
Площадь допустимого обнажения при ведении очистных работ на каждом слое в блоке определяется в зависимости от коэффициента запаса устойчивости.
Перед началом очистных работ в блоке (слое) составляются паспорта крепления и управления кровлей, паспорта БВР и вентиляции. Искусственная кровля очистного массива должна быть закреплена с применением опорного (рамы НДО), предохранительного (сигнальные стойки и подвесная крепь) крепления.
При вскрытии недозаливов в первичных заходках, необходимо непогашенное пространство закрепить костровой крепью со стороны вторичных заходок согласно паспорту крепления, утверждённому главным инженером.
Проектная производительность каждого слоя по руде при полном развитии очистных работ в пределах границ блока составляет 5000 т/мес.
2.5 Расчет поперечного сечения
Размеры сечения очистной заходки определяются графическим способом исходя из размеров и габаритов, применяемого оборудования, с учётом зазоров, регламентированных «Едиными правилами безопасности при разработке – месторождений подземным способом». Для данных условий применяем машину TORO -151D
L – ширина машины 1480 мм.
H– высота машины 1740 мм.
Исходя из этих размеров рассчитываем ширины и высоту выработки. Данная выработка не предназначена для одновременного прохода людей и работы машины.
По Е.П.Б. ширина тех. зазора 500 мм с обеих сторон.
ВСВ – ширина выработки.
L– ширина машины.
h – тех. зазор.
ВСВ = L+2h = 1480+2 х 500 = 2480 мм, округлим и примем ширину выработки в свету 2500 мм.
Сечение выработки в свету.
Площадь выработки в свету:
SCB = BCB (H + 0.26B)
BCB – основание выработки (мм)
Н – Высота машины (мм)
SCB = 2,5 х (1,74 + 0,26 х 2,5)=5,9 м2, принимаем 6 м 2 .
Площадь выработки вчерне:
SЧ =SCB x КШИР
КШИР – коэффициент неровности 1,05–1,07
SЧ =6 х 1,06 = 6,36 м2
Принимаем высота очистных заходок слоя – 2,5–3 м (в зависимости от мощности пласта); ширина очистных заходок слоя – 3,0 м;
2.6 Расчёт горного давления и прочных элементов крепи
По гипотезе профессора Протодьяконова в породах над горизонтальной выработкой образуется свод естественного равновесия в форме параболы, которая воспринимает давление вышележащих пород. Высота свода определяется по формуле:
b = a/f
где a – половина ширины выработки в проходки, 1,5 м
f – Коэффициент крепости пород. 8
b = 1,5/8=0,18 м.
Величина вертикального горного давления равна массе породы заключённой в своде и определяется по формуле:

YK – плотность пород кровли 2.4 т/м3 .
![]()
Вертикальная составляющая выработки определяется по формуле:
![]()
H – глубина заложения выработки.
QZ =2,4 х 250 = 600 Н
Горную выработку проходим с креплением рамами НДО.
2.7 Расчёт буровзрывных работ
2.7.1 Выбор оборудования
Применяемое технологическое оборудование:
– бурение : буровая каретка Minibur 1F/E, бурении шпуров установкой ЛКР-1У с переносными перфораторами ПП-54.;
– погрузка горной массы: погрузочно-доставочная машина типа TORO-151D;
– крепление очистного пространства: немеханизированный способ установки крепи.
Minibur1Fявляется компактной, универсальной, электро – гидравлической установкой с одной стрелой, используемой для проходки горных выработок, бурения анкерных шпуров и проведения очистных работ при разработки маломощных жил.
Уникальная много целевая стрела имеет большую зону действия оптимальной формы. Двойной вращатель позволяет вертикальное позиционирование с обеих сторон, и позволяет осуществлять бурение в непосредственной близости как к кровле и почве горной выработки, так правого и левого бортов выработки.
Компоновка буровой установки такова, что обеспечивает хорошую видимость и баланс. Мощное шарнирно-сочлененное полноприводное шасси обеспечивает быстрое и безопасное маневрирование в выработках небольшого сечения.
Высокопроизводительная и надёжная буровая система позволяет добиться высокой скорости бурения при значительной экономии бурового инструмента.
Эргономичность рабочего места оператора и дополнительные автоматические функции, позволяют оператору полностью сконцентрироваться на безопасном, быстром и точном процессе бурения. Все точки обслуживания установки хорошо защищены, и при этом легко доступны.
Техническая характеристика Minibur 1F/E.
– Установка 1 х Minibur
– Перфоратор 1 xHL300
– Стрела 1 xB 14 NV (телескоп 800 мм)
– Податчик 1 х NVTF телескопический
– Длина 8470 мм
– Ширина 1200 мм
– Высота казырёк вниз 1850 мм
казырёк вверх2750 мм
– Радиус поворота 5100 / 3400 мм
– Скорость перемещения 3 км/ч
– Максимальный угол преодолеваемого уклона 300
– Уровень шума < 98dB (A)
– Вес 8000 кг.
Бурение шпуров, в очистных заходках, также производится установками ЛКР-1У с переносными перфораторами ПП-54.
2.7.2 Расчёт взрывных работ
Размеры очистных заходок определяем по техническим возможностям оборудования и оптимальным технико-экономическим показателям проведения заходок: ширина заходки – В3 = 3000 мм; высота заходки – Н3 = 3000 мм; площадь поперечного сечения – Sп = 9м2 . Отбойка горнорудной массы ведётся шпуровыми зарядами ВВ, принимаем патронированное ВВ – аммонал;
– плотность ρ = 1100 кг/м3 ,
– скорость детонации – 4,2 км/сек.
– работоспособность-400–430 см3
– диаметр патронов-32 мм
– масса патрона – 200г
Способ взрывания зарядов – электрический с применением системы СИНВ-Ш. Средняя глубина шпуров – lшп = 3 м.
Расчет показателей БВР производим для очистной заходки проводимой в целике.Удельный расход применяемого ВВ рассчитывается исходя из удельного расхода эталонного ВВ (аммонита №6ЖВ). При f=8, расход эталонного ВВ составляет 0,8 кг/м3 .
Удельный расход ВВ.
кг/м3
где q 0 – удельный расход эталонного ВВ, – 0,8 кг/м3 ;
Rсп – коэффициент структуры пород 1,1;
– коэффициент зажима пород;
e – коэффициент относительной работоспособности. 0,9
Необходимое количество ВВ на забой
кг,
где
– коэффициент использования шпура. 0,9
Средняя масса шпурового заряда
кг, примем 1,4 кг
где dn – диаметра патрона ВВ, м – 32 мм;
Rзш – коэффициент заполнения шпура 0,5;
– плотность ВВ в патроне, кг/м3
.
Количество шпуров на забой:
шт.
Принимаем вертикально-клиновый тип вруба, как наиболее применяемый при производстве взрывных работ на предприятии.
Количество шпуров по группам составляет:
– врубовых 4 шт.,
– отбойных 6 шт.,
– оконтуривающих 16 шт.
Определяем длину шпуров по группам:
– длина оконтуривающих шпуров
м,
– длина отбойных шпуров
м,
– длина врубовых шпуров
м.
Продвигание забоя за цикл (уходка) определяется по формуле:
м.
Линия наименьшего сопротивления определяется по формуле
м
где m – коэффициент сближения шпура, 0.8;
d – диаметр шпура, м.
Расстояние между шпурами:
– врубовыми
м,
где b – расстояния между концами шпуров, м;
– оконтуривающими
м;
– отбойными
м,
Расстояние между парами врубовых шпуров dn =0,6 м.
Схема расположения шпуров в забое приведена на рис. 6

Рис. 6. Схема расположения шпуров в забое: 1–4-врубовые; 5–8, 13, 14 – отбойные; 9–12, 15–26-оконтуривающие
Объем руды, отбиваемой за один взрыв:
м3
Распределение ВВ по шпурам :
– врубовым
кг.;
– отбойным
кг.;
– оконтуривающим
кг.
Количество патронов в шпурах:
– во врубовых
шт.;
– в отбойных
шт.;
– в оконтуривающих
шт.,
где q п – масса патрона, кг.
Фактический расход ВВ на взрыв:
,
кг
Общая длина шпуров :
м.
Удельный расход бурения на 1м3 руды:
м/м3
.
Удельный расход ВВ на 1м3 руды:
кг/м3
.
При производстве взрывных работприменяетсяэлектрическийспособ взрывания зарядов – с применением системы СИНВ-Ш. Устройство инициирующее с замедлением шпуровые СИНВ-Ш, предназначены для замедления инициирования боевиков шпуровых и скважинных зарядов. Устройство СИНВ-Ш обладает восприимчивостью к инициирующему импульсу, обеспечивающей подрыв от детонирующего шнура ДШ-А согласно схеме рис. 7 (подрывается до 20 устройств, волноводы которых соединяются в связку с помощью провода или изоляционной ленты)

Рис. 7.Схема инициирования устройств от ДШ: 1 - Волноводы инициируемых устройств; 2 – ДШ-А; 3 - изолента или проволока; 4 - капсюль детонатор или электродетонатор
При производстве взрывных работ, применяется обратное инициирование зарядов ВВ. Конструкция заряда показана на рис. 8

Рис. 8.Конструкция заряда: 1 - КД; 2 - патрон-боевик; 3 - патроны ВВ; 4 - волновод; 5 - ДШ-А; 6 - ЭД; 7 - концевые провода.
Очерёдность взрывания шпуров указанно в таблице 7.
Таблица 7. Очерёдность взрывания шпуров
| № шпура | наименование СИНВ-Ш-Д (мс) | Вес заряда ВВ, кг | Длина шпура, м. |
| 1–2 | СИНВ-Ш-Д-25 | 1,4 | 3,3 |
| 3–4 | СИНВ-Ш-Д-500 | 1,4 | 3,3 |
| 5–6 | СИНВ-Ш-Д-1000 | 1,4 | 3 |
| 7–8 | СИНВ-Ш-Д-2000 | 1,4 | 3 |
| 9–10 | СИНВ-Ш-Д-3000 | 1,4 | 3 |
| 11–12 | СИНВ-Ш-Д-4000 | 1,4 | 3 |
| 13–14 | СИНВ-Ш-Д-5000 | 1,4 | 3 |
| 15–16 | СИНВ-Ш-Д-6000 | 1,4 | 3 |
| 17–18 | СИНВ-Ш-Д-7000 | 1,4 | 3 |
| 19–20 | СИНВ-Ш-Д-8000 | 1,4 | 3 |
| 21–26 | СИНВ-Ш-Д-9000 | 1,4 | 3 |
Для инициирования электродетонаторов применяем конденсаторный взрывной прибор КВП-1/100. Показатели БВР приведены в таблице 8
Таблица 8. Показатели БВР
| № п/п | Наименования показателей | Ед. изм. | Кол-во |
| 1 | Число шпуров на цикл | шт. | 26 |
| 2 | Диаметр шпура | мм | 42 |
| 3 | Общая длина шпуров | м | 85,8 |
| 4 | Средняя длина шпура | м | 3 |
| 5 | КИШ | 0,9 | |
| 6 | Продвигание забоя за цикл | м | 2,7 |
| 7 | Объем отбитой породы за взрыв | м3 | 24,3 |
| 8 | Расход СВ на цикл: | ||
| электродетонатор | шт. | 2 | |
| ДШ-А | м | 5 | |
| СИНВ-Ш | шт | 26 | |
| 9 | Взрывной прибор – КВП1/100 | шт. | 1 |
| 10 | Расход ВВ на цикл | кг | 36,4 |
| 11 | Удельный расход шпурометров | м/м3 | 3,5 |
| 12 | Удельный расход ВВ | кг/м3 | 1,53 |
2.7.3 Расчёт вентиляции
Расчет параметров вентиляции сводится к определению необходимого количества воздуха, подаваемого в забой вентилятором.
Определяем количество воздуха по выносу пыли:
![]()
где V – минимальная скорость движения воздуха, обеспечивающей вынос летающей пыли, 0,25 м/сек.
S – сечение выработки.
![]()
По числу людей:
![]()
где N – число людей одновременно работающих в забое, принимаем 3 человека.
Z – Коэффициент запаса воздуха 1,4
![]()
По расходу ВВ при нагнетательном способе:
![]()
где t – расчетное время проветривания 30 мин.
А – количество ВВ – 36,2 кг
S – сечение выработки 9 м2 .
L – длина выработки (максимальная) – 100 м.

Дополнительно предусматривается выполнить расчёт воздухо-потребности по снижению концентрации вредных продуктов выхлопа от работы самоходных машин с двигателем внутреннего сгорания.

где N =98 л.с – номинальная мощность ПДМ TORО – 151D;
qСН = 5 м 3 /мин – количество свежего воздуха в блоке, обеспечивающее снижение концентрации вредных продуктов выхлопа в рудничной атмосфере до санитарных норм.;
Из приведённых расчётов воздухопотребность принимается QДВС =8,1 м 3 /сек. Выбор вентилятора производится по данному показателю. Выбираем вентилятор ВМ – 6 м, параметры вентилятора приведены в таблице №9.
Таблица 9. Параметры вентилятора
| Показатель | Ед.измер. | Параметры |
| Подача воздуха | м 3 /мин | 140 – 490 |
| Давление | Па | 24 |
| Мах. сечение выр-ки | м2 | 16 |
| Мах. длина выр-ки. | м | 600 |
| Масса вентилятора | кг | 350 |
2.8 Отгрузка горной массы
Отгрузка горной массы производится после проветривания забоя, орошения отпалки и оборки заколов. Отгрузка производится через рудоспуск с подэтажа на откаточный горизонт.
2.9 Организация работ в забое
При проведении горизонтальных выработок буровзрывным способом применяется циклическая организация работ. Продолжительность смены 6 часов, число смен в неделю 6. В состав цикла входят следующие производственные процессы:
– бурение шпуров в забое производится буровой установкой Minibur 1F/E.
– заряжание, монтаж сети СИНВ-Ш и взрывание
– проветривание.
– погрузка породы TORO – 151
– прочие операции. (крепление, ремонт оборудования и т.п.)
В общем виде выражение для расчета трудоемкости производственного процесса (qi ) выглядит следующим образом
qi = Vi / Hi вы p ,
где Vi – объем выполненных работ по I – тому процессу;
Hi вы p – норма выработки на выполнение процесса по (чел. смен.)
Продолжительность выполнения I – того производственного процесса (ti ), ч определяют по выражению:
ti = qi · Tсм / писп. ,
где Tсм – продолжительность смены, ч;
писп – количество исполнителей, чел.
Производим расчет трудоемкости по операциям:
1. Расчет трудоемкости на погрузку породы:
qпог = Vi / Hп вы p = 24,3 /18,6 = 1,3 чел. см
2. Расчет трудоемкости на бурение шпуров в забое
qбур = Vi / Hбур вы p = 85,8 /78 = 1,1 чел. см
3. Расчет трудоемкости на заряжание и взрывание шпуров
qзар = Vi / Hзар вы p =26/130= 0,2 чел. см.
4. Расчет прочих операций
qПРОЧ =10% от Σq=0,26
5. Общая трудоемкость работ в цикле
Σq= qпог + qбур + qвзар + qПРОЧ,
Σq=1,3+1,1+0,2+0,26=2.86 чел. см.
По целой части Σq принимаем явочный коэффициент = 2 чел.
Коэффициент выполнения нормы определяется по формуле:
k= Σq/Nраб =2,86/2=1,43
Производим расчет времени на проходческие операции:
1. Расчет времени на погрузку породы
tпог = (qпог · Tсм) /(k∙ Nраб. ) =(1,3 · 6)/(1,43∙ 2) = 2.7 ч.
2. Расчет времени на бурение шпуров в забое
tбур =(qбур · Tсм )/ (k∙ Nраб )= (1,1 ·6) / (1,43∙2) = 2,3 ч.
3. Расчет времени на заряжание и взрывание шпуров
tзар =(qзар · Tсм ) /(k∙ Nраб )= (0,2 ·6) / (1,43∙2) =0,4
4. Расчет времени на прочие операций
Ф=(qпроч · Tсм ) /(k∙ Nраб )= (0,26 ·6) / (1,43∙2) =0,5 ч
Общие время цикла:
ΣТ= tпог +tбур + tвзар + tпроч,
ΣТ= 2,3+2,7+0,4+0,5=5,9 ч.
График организации работ представлен в таблице 10.
2.10 Месячная скорость проходки очистной заходки
Месячная скорость проходки очистной заходки определяется по формуле:
м/мес.
Производительность труда ГРОЗ:
П=V / (N∙m∙n∙λ),
где V – скорость проходки очистной заходки, м/мес
N – число ГРОЗ в звене;
m – число рабочих дней в месяц;
n– число смен в сутки;
λ – коэффициент производительности труда;
П=218,7 / (2∙27∙3∙1,43)=0,94 п.м./чел. см или 8 м3 / чел. см.
Месячный план на бригаду =1296 м3 /мес
Месячная скорость проходки очистной заходки =218,7 п.м/мес
2.11 Циклограмма работ
Таблица 10. График организации работ в забое
| Наименование процессов | Ед. изм. | Объем работ | Трудоемкость, чел. смен | Кол-во рабочих | Продолжительность, час | Смена, час | ||||||||||
1 |
2 |
3 |
4 |
5 |
6 |
Перерыв | ||||||||||
| 1 | Погрузка горной массы | м3 | 24,3 | 1,3 | 2 | 2,7 | ||||||||||
| 2 | Прочие работы (крепление, навешивание вентиляционного рукава и т.д.) | - | 10% от Σq | 0,26 | 2 | 0,5 | ||||||||||
| 3 | Бурение шпуров | м | 85,8 | 1,1 | 2 | 2,3 | ||||||||||
| 4 | Заряжание и взрывание | м | 26 | 0,2 | 2 | 0,4 | ||||||||||
| 5 | Проветривание | 0,5 | ||||||||||||||
3. Охрана окружающей среды
3.1 Воздействие подземной разработки на окружающую среду
Добыча рудных полезных ископаемых как открытыми, так и подземными горными работами вызывает существенные изменения в окружающей среде, определяемые двумя группами факторов: нарушениями поверхности над отработанными площадями месторождений и формированием в районе горных работ породных отвалов и отвалов забалансовых руд. Все другие действующие факторы являются следствием этих двух главных факторов.
Разработка месторождений полезных ископаемых подземным способом, требуя существенно меньших территорий под горный отвод, не вызывает столь значительных изменений ландшафта и инфраструктуры, как открытые горные работы, но и ей способствует существенные изменения в окружающей среде. Эти изменения связанны главным образом с характером сдвижения массивов налегающих горных пород.
Подрабатываемые площади земли на долгие время исключаются из сельскохозяйственного оборота. Поверхность земли, подвергшаяся деформациям, может быть подтоплена и это обстоятельство потребует осушение, нарушенных горными работами, водоносных участков. Деформации горных пород непосредственно связанные с горными работами могут стать причиной деформации участков земной поверхности, прямо неподверженных влиянию подработки. На таких участках происходят оползни, обрушения, обвалы и даже пластические течения громадных породных массивов, представляющие большую опасность.
Подземные горные работы могут оказывать большое влияние и на гидрологию прилегающих на территорию. При извлечении больших объемов полезного ископаемого, в зону сдвижения вовлекаются и водоносные горизонты, часто на значительных площадях. Подсечные водоносы дренируются горными выработками, в результате чего водные ресурсы района горных работ в скором времени истощаются.
Второй основной фактор, вызывающий нежелательные изменения ландшафта, связан с необходимостью отсыпки выдаваемых на поверхность пустых пород.
Кроме того, производство горных пород вызывает ряд более мелких, но неприятных для людей неудобств, таких как загазованность, запыленность, пылеобразование, грязь на дорогах от самосвалов, шум от взрывных работ.
Таким образом, нарушение окружающей среды в процессе горнодобывающего производства прогнозируется достаточно точно. Современная задача заключается в разработке эффективных и надежных мер по предупреждению этих нарушений и восстановлению окружающей среды для будущих поколений. Достаточно глубокое осознание это необходимость является тем обязательным элементом, который может быть положен в основу всех проектных решений при строительстве новых и реконструкции действующих горнодобывающих предприятий.
Одними из важнейших показателей горнодобывающих и перерабатывающих производств в современных условиях являются оценки экологического состояния окружающей среды комплектности использования сырьевых ресурсов. Добыча и переработка урановых руд складывается из множества процессов, прохождение которых сопровождается выделением в атмосферу, гидрографическую сеть, хранилища и отвалы вредных химических веществ.
3.2 Мероприятия по охране земельных ресурсов
Под влиянием подземной разработки процесс движения работ постепенно распространяется снизу вверх до земной поверхности, в результате чего образуется мульда сдвижения.
Для определения границ мульда углы сдвижения принимаются по классификации ВНИМИ, приведенной во время «Временных правилах охраны сооружений и природных объектов от вредных влияний подземных разработок на рудных месторождениях с неизученным процессом сдвижения горных пород.»
При оценке влияния подземной разработки на окружающую среду учитывается безопасная глубина разработки. Под безопасной глубиной разработки понимается глубина, при которой подземные разработки не могут вызвать в охраняемых объектах разрушительных деформаций, влекущих за собой прекращение эксплуатации их и опасность для жизни людей.
Наибольшее количество твердых отходов на предприятиях ОАО ППГХО составляют отвалы пустой породы. Все забалансовые руды складируются и перерабатываются методом кучного выщелачивания. Твердые отходы ГИЗ, не пригодные по санитарным нормам к вторичному использованию, размещают в специальном хвостохранилеще с экранированным полиэтиленовыми пленками днищем.
3.3 Мероприятия по охране водных ресурсов
Вода на рудниках расходуется на орошение отбитой горной массы и бурение шпуров и скважин. На поверхностных комплексах вода расходуется на хозяйственно-бытовые нужды, для охлаждения компрессорного и другого оборудования, приготовления и транспортировки закладочных смесей и других целей.
Особое место в ряду источников загрязнения внешней среды занимают различные способы подземного выщелачивания.
На ОАО ППГХО предусмотрены две системы водоснабжения: хозяйственно-питьевая из артезианских скважин и технологическая.
По мере развития предприятия и увеличения мощностей горнодобывающих производств возрастал приток воды из подземных выработок. Ввод в эксплуатацию установки по очистки шахтных вод от естественных радионуклидов позволил значительно расширить сферу их применения. Очищенные воды служат в настоящее время не только для нужд урановой технологии, но и для вспомогательных производств.
На предприятиях работает оперативная система контроля за состоянием потребления воды промышленными объектами. Вся информация о её аварийных сбросах и различных отклонениях от установленного режима водопользования поступает к руководству объединения, что позволяет своевременно принимать меры по устранению возникших нарушений.
3.4 Мероприятия по охране атмосферы
Основные вредные химические вещества (ВХВ), выбрасываемые в атмосферу, – это спецгазы вентиляционных систем рудника, сернистый ангидрит, аммиак, оксиды азота и неорганическая пыль.
Для решения проблемы, связанной с уменьшением выбросов ВХВ, были проведены расчеты на ЭВМ, при которых учитывалось отдельно влияние каждого источника загрязнения воздушной среды, а также суммарный эффект вредных выбросов в приземном слое атмосферы при неблагоприятных метеорологических условиях.
Вентиляционные газы, отводимые из подземных рудников по добыче урановых руд, в настоящее время выбрасываются без очистки. Их главный вредный компонент – радон, который образуется в процессе естественного распада радионуклидов урановой руды. В незначительных количествах в вентиляционных газах присутствует также оксиды азота и углерода, появляющиеся в результате проведения буровзрывных работ.
Из-за низкой концентрации вредных компонентов в вентиляционных газах, отводимых из шахтных комплексов урановых рудников, до настоящего времени не создана достаточно эффективная схема очистки газов.
Наиболее перспективным методом снижения выбросов радона и в атмосферу является совершенствование технологии ведения горных работ, включающее научное обоснование выбора систем разработки и схем проветривание рудников.
Применение системы разработки нисходящими слоями с твердеющей закладкой за счет изоляции эманирущих поверхностей выработанного пространства обеспечивает многократное уменьшение выделения радона в горные выработки и соответственно его выбросы в атмосферу.
Вопросы пылеподавления на рудниках, с целью охраны атмосферного воздуха требуют меньшего внимания, так как, во-первых, на рабочих местах пыль достаточно эффективно подавляется оросителями, во-вторых, большая часть оставшейся в рудничной атмосфере пыли осаждается в процессе движения воздуха на элементах крепи горизонтальных выработок и на стенках и арматуре вентиляционных стволов. Кроме того, выдачные вентиляционные стволы размещаются вдали от населенных пунктов и имеют санитарные зоны. Также используется увлажнение автомобильных дорог на поверхности и озеленение прилегающих к предприятиям территориям.
4. Экономическая часть
4.1 Специальная часть
4.1.1 Организация оперативного управления
Оперативное управление производится через диспетчерскую службу, которая работает круглосуточно. Горные мастера в начале смены доводят до сведения диспетчера о составе наряда на бригаду и в конце за его выполнение.
Организацию и эффективное применение бригадного хозрасчёта обеспечивают – руководящий состав и специалисты.
4.1.2 Сведения по хозрасчёту
Совершенствование бригадной формы организации труда стали одним из главных направлений работы по научной организации труда, важным фактором повышения эффективности производства и привлечения рабочих к активному участию в управлении предприятием.
Бригадный хозрасчёт – это система планирования, учета и экономического планирования способствующая увеличению выпуска продукции при одновременном сокращении затрат на производство.
4.1.3 Бригадный подряд
Одной из форм бригадного хозрасчёта является бригадный подряд, – организация работ по полному или системному хозрасчёту с обязательным заключением договора о сроке выполнения работ. Работа по бригадному подряду организуется в соответствии с «Положением о сквозном бригадном подряде».
Хозрасчётной бригадой является та бригада, которой устанавливаются плановые задания по качеству продукции, трудовые и другие затраты на производство, и обладающая оперативно-производственной самостоятельностью в принятии решений обеспечивающих выполнение плановых заданий. Оперативно-производственная самостоятельность проявляется в рациональном ведении рабочего процесса, организации труда, использования оборудования, расходования материалов, энергоресурсов.
Оплата производится по наряд – заданию на договорный срок ежемесячно по фактически выполненным объёмам.
4.1.4 Премирование
Оплата и стимулирование труда рабочих в хозрасчётных бригадах обеспечивают коллективную и личную заинтересованность в достижении высоких конечных результатов труда, в повышении его производительности и качества продукции, в рациональном использовании производственных ресурсов.
Хозрасчётные бригады премируются в соответствии с положением о премировании.
Премия, за экономию материалов, выплачивается рабочим сверх предельных размеров премий, при этом общая сумма премий за экономию материалов не может превышать для одного работника 75% месячной тарифной ставки в расчёте на квартал. Так же комплексные бригады, занятые на проходке горных выработок за 100% выполненных показателей премия составит 70%, за каждый % перевыполнения плана по 5%.
Премиальное положение РС и С – за 100% выполнения показателей премия составит 50%, за каждый% снижения себестоимости 5% максимальная премия 60%
4.2 Организационная часть
4.2.1 Режим работы
Рабочие объединены в бригады. Отработка блока ведётся по совмещённой технологической схеме. Явочный состав ГРОЗ на смену составляет 2 (без учета вспомогательных рабочих). Рабочая неделя – шестидневная. С 6-ти часовой рабочей сменой. Продолжительность рабочей недели 36 часов.
4.2.3 Расчёт численности рабочих
При планировании численности необходимо различать явочный и списочный состав рабочих.
Явочный состав – это состав рабочих, которые ежесуточно должны быть на работе.
Списочный состав – это общий состав рабочих с учётом того, что кто-то находится в отпуске, т.е. отсутствует на рабочем месте.
Списочный коэффициент определяется.

где ТЭФ – эффективный фонд рабочего времени; ТН =ТКАЛ -Т-ТВЫХ
Среднегодовой баланс рабочего времени при 6-ти дневной недели составит -147,1 часов в месяц.
![]()
где ТВЫХ – количество выходных в году
Т К – календарный год
Т БОЛ – дни по болезни
Т ОТП – отпуски.
![]()
Явочный состав бригады
1. ГРОЗ– 2 2. крепильщики – 2
3. слесарь – 1
Явочный состав – 5 человек.
Списочный состав
NСП =NЯВ х КСС =5 х1,26=6 чел.
На 3 смены:
NЯВ =6 х 3=18 человека.
4.2.4 Организация работы
Работы по отработки блока проводит бригада в количестве 5–6 человек. В задачи рабочих входит выполненное наряд-задание, плановых заданий при соблюдении правил безопасности и профсанитарии в режиме максимальной экономии материалов и энергоресурсов.
Содержание работ: уборка породы с зачисткой забоя;возведение крепи (включая все виды работ); прочие работы (наращивание трубопровода и др.); подготовка к бурению, бурение; заряжание, взрывание; проветривание.
В задачи РС и С входит: круглосуточный контроль выполнения планового задания; соблюдение правил безопасности на данном участке; контроль за выдачей наряд-заданий и др.
4.3 Расчётная часть
4.3.1 Заработная плата рабочих. ФЗП рабочих
На основании справки заполняется наряд на выполненные объёмы. Табельная составляет табель учёта рабочего времени по бригаде. В наряде рассчитывается фактическая производительность труда и фактическая заработная плата по бригаде, которая распределяется среди членов бригады по установленным разрядам. При выполнении плановых заданий выплачивается премия, согласно действующему премиальному положению.
Таблица 12. Часовые тарифные ставки
| № п/п | Профессии | Разряды | |||
| V | VI | VII | VIII | ||
| 1 | ГРОЗ Крепильщик |
25–545 | 26–863 | 28–502 | |
| 2 | Слесарь | 24–321 | 25–461 | 26–100 | |
| 3 | Взрывник | 28–502 | 29–800 | ||
Заработная плата рабочих начисляется согласно тарифной ставке премий, доплата в ночное время и местного коэффициента.
Ночные 50% от тарифа в среднем 48 часов.
Расчёт ночных:
Т х 48 х 0,5 х 1,8;
Где Т – тариф по разряду:
1,8 – местный коэффициент:
Пример при VI – разряде
![]()
Расчет заработной платы приведен в таблице 13.
Таблица 13. Расчёт заработной платы в месяц
| № п/п | Профессия | Разряд | Часовая тарифная ставка | Тариф, Руб. |
Премия 70% от тарифа, Руб. |
Ночные 50% от тарифа, руб. | З/плата итого, руб. | Районный коэффициент | Баланс рабочего времени | З/плата всего | |
| Зарплата основных рабочих | 147,1 | ||||||||||
ГРОЗ (крепильщик) |
VI VII |
26.863 28,502 |
4351.8 4617.3 |
3046.2 3232.1 |
1161 1231,2 |
8559 9080,7 |
7833.24 8312.2 |
16392.2 17392,8 |
|||
Крепильщик (ГРОЗ) |
VI VII |
26.863 28,502 |
4351.8 4617.3 |
3046.2 3232.1 |
1161 1231,2 |
8559 9080,7 |
7833.24 8312.2 |
16392.2 17392,8 |
|||
Зарплата электрослесаря и взрывника учтена в «цеховых расходах» |
|||||||||||
| слесарь | VI | 25.461 | 4124.6 | 2887.3 | 1099,9 | 8111,8 | 7424.3 | 15536 | |||
| Взрывник | VII | 29,800 | 4827 | 3380 | 2059 | 10266 | 8688 | 18954 | |||
| ИТОГО: | 102061 | ||||||||||
Фонд заработной платы рабочих в год составит:
ФЗП =102061х 12 х1,26 = 1543162 – одной смены
Три смены – ФЗП РАБ =1543162х 3 =4629487 руб.
4.3.2 Заработная плата РС и С. ФЗП РС и С
Заработная плата РС и С начисляется согласно должностных окладов, доплат, премий и местного коэффициента.
Должностные оклады РС и С участка выведены в таблице 14.
Премия у РС и С на участке 60% от оклада.
Таблица 14. Оклады РС и С участка
| Должность | Количество | Оклад, руб. | |
| 1 | Начальник участка | 1 | 8000 |
| 2 | Зам. Начальника участка | 1 | 7500 |
| 3 | Электромеханик | 1 | 5800 |
| 4 | Подземный горный мастер | 1 | 5500 |
| 5 | Подземный горный мастер | 1 | 5500 |
| 6 | Подземный горный мастер | 1 | 5500 |
| 7 | Подземный горный мастер | 1 | 5500 |
| ИТОГО: | 7 | 43300 | |
Таблица 15. З / Плата РС и С (руб.)
| № п/п | Должность | Кол-во | Оклад | Премия 60% |
З / Плата Итого |
Местный Коэф-ент |
З / Плата всего |
| 1 | Начальник участка | 1 | 8000 | 4800 | 12800 | 14400 | 27200 |
| 2 | Зам. Начальника участка | 1 | 7500 | 4500 | 12000 | 13500 | 25500 |
| 3 | Электро механик | 1 | 5800 | 3480 | 9280 | 10440 | 19720 |
| 4 | Подземный горный мастер | 4 | 5500 | 3300 | 8800 | 9900 | 18700 х 4=74800 |
| ИТОГО: | 7 | 147220 | |||||
Фонд заработной платы РС и С в год.
ФЗП РС и С =147220 х 12=1766640 руб.
Общий фонд заработной платы
ФЗПР +ФЗПРС и С =4629487 +1766640 =6396126 руб.
4.3.3 Затраты на материалы
Расчёт необходимого количества материалов для блока.
Очистные работы -50508 м3 / год
ГПР – 6759 м 3
Нарезные работы – 6680 м 3
Таблица 16. Затраты на материалы
Итого сумма затрат на материалы за год составит 5873121 рубль.
4.3.4 Энергозатраты
Энергоресурсы, используемые при отработке блока; электроэнергия и сжатый воздух, расчёт приведен в таблице 17.
Таблица 17. Энергозатраты
| Вид энергоресурсов | Норма расхода | Объём на м3 (50508) | Цена руб. |
Сумма. руб. |
| Электроэнергия | 128 кВт м3 | 6465024 кВт | 0,5 | 3232512 |
| Сжатый воздух | 0,71 м3 /м | 35861 м3 | 90 | 3227462 |
| Вода техническая | 0,46 м3 /м | 23234 м3 | 2,5 | 58085 |
| Итого | 6518059 | |||
Затраты на энергоресурсы составили 6518059 рублей.
4.3.5 Амортизационные отчисления
Расчёт амортизационных отчислений, находим по формуле:
![]()
Где Бст – балансовая стоимость
На – норма амортизации
Таблица 18. Расчёт амортизационных отчислений
| Наименование | кол-во | Балансовая стоимость руб. | Нормы амортизации % | Сумма амортизации | |
| Единицы | Всех | ||||
| TORO – 151D | 2 | 9729000 | 19458000 | 38 | 7394040 |
| Minibur 1F/E | 1 | 16339000 | 16339000 | 38 | 6208820 |
| ВМ -6 м | 4 | 136000 | 544000 | 50 | 272000 |
| Перфораторы + колонки ЛКРу | 4 |
13766 | 55064 | 60 | 33038 |
| ППН-1С | 1 | 476000 | 476000 | 25 | 119000 |
| КПВ – 4 | 1 | 540000 | 540000 | 20 | 108000 |
| ИТОГО: | 14134699 | ||||
4.3.6 Цеховые расходы
К цеховым расходам относятся затраты на спецпитание, спец одежду, ремонт и стирку спецодежды, расходы по охране труда.
Затраты на спец питание рассчитываются следующим образом: 56 руб. – стоимость одного талона на спец питание в сутки для подземной группы трудящихся. Из состава горного участка к данной категории относятся РС и С, ГРОЗ, электрослесарная и ремонтная группы, взрывники.
Таблица 19. Расчёт цеховых затрат
| Наименование | Затраты | Сумма затрат, руб. |
| Заработная плата РС и С | - | 1766640 |
| Начисления на з/плату РС иС | 26,8% | 0,268 х 1766640 =473460 |
| Затраты на амортизацию | - | 14134699 |
| Расходы на содержание и ремонт оборудования | 10% от Аморт. отчисл | 14134699 х 0,1=1413470 |
| Охрана труда | 6–8% от ФЗП | 6396126 х 0,06=383767 |
| Талоны спецпитания | 56 руб./чел. |
56 х25 х305=427000 |
| Расходы на рационализацию и изобретение | 0,5 от ФЗП | 6396126 х 0,005 =31981 |
| Прочие расходы | 10% от ФЗП | 6396126 х 0,1=639613 |
| ИТОГО: | 19270630 | |
4.3.7 Расчет калькуляции себестоимости 1т руды
Расчёт калькуляция себестоимости добычи на 1 т руды при годовой производительности 60000 т /год приведена в таблице 20.
Таблица 20. Калькуляция себестоимости добычи 1 т руды
| № п/п | Наименование статьи затрат | Сумма затрат | Затраты на 1 т. | |
| руб | % | |||
| 1 | Энергозатраты | 6518059 | 108,6 | 17,3 |
| 2 | ФЗП основных рабочих | 4629487 | 77,1 | 12,3 |
| 3 | Начисления на з/пл основных рабочих. 26,8% | 0,268х4629487= =1240702,5 |
20,67 | 3,30 |
| 4 | Материалы | 5873121 | 97,9 | 15,6 |
| ИТОГО: | 18261369,5 | 304,27 | 48,6 | |
| 5 | Цеховые расходы | 19270630 | 321 | 51,36 |
| ВСЕГО: | 37531999 | 626 | 100 | |
себестоимость 1 т руды составит:
![]()
Трудоёмкость продукции показатель обратный производительности. Он представляет собой затраты рабочего времени на единицу продукции:
![]()
где Q – количество продукции
ТПР - затраты труда, произведенные на изготовление этого количества продукции.
![]()
Энергоёмкость определяется по формуле:
![]()
Материалоёмкость затрат составит:
![]()
Снижение себестоимости продукции и повышение рентабельности предприятия достигается, прежде всего, строжайшим режимом экономии. Снижение себестоимости есть повышение производительности труда, снижение нематериальных затрат, сокращение затрат на обслуживание производства и управление, ликвидация или уменьшение непроизводственных ресурсов, внедрение научно технического прогресса, изобретений, что способствует развитию производства.
При использовании влияния на себестоимость продукции природных условий и способов добычи полезных ископаемых выделяют следующие факторы: изменение содержание металла в руде, изменение объёма и способов добычи и обогащения полезных ископаемых, изменение норм погашения горно-подготовительных работ в результате пересмотра запасов сырья повышение извлечение металлов вследствие изменения качества руд.
Заключение
В дипломном проекте представлен расчёт очистных работ блока 1–406 рудника №4, годовая производительность блока составила 60 тыс. т/год. При выполнении дипломного проекта были рассмотрены вопросы, совершенствования проведения горно-подготовительных выработок, произведен выбор система разработки. Применяем систему нисходящих слоев с твердеющей закладкой. Система разработки нисходящих слоев с твердеющей закладкой, хотя и дорогостоящая, но дает возможность отрабатывать рудные тела со сложной морфологией с минимальными потерями и разубоживанием руд. Одновременно решается вопрос с погашением подземных пустот, труд горнорабочих становится более безопасным. В том числе в связи с проявлением горного давления на нижних горизонтах месторождения, при системе нисходящих слоев с твердеющей закладкой.
Применяемая система разработки имеет следующие параметры: высота блока – 60 м; длина блока – 220 м; ширина блока – 150 равна мощности рудной залежи; высота слоя – 3 м; ширина заходок – 3 м; угол наклона заходок – 3 °.
Блок отрабатывают горизонтальными слоями, начиная с верхнего под защитой искусственной кровли, которую для каждого очередного слоя образуют из твердеющей закладки по мере выемки вышележачего слоя. Выемка первого слоя блока, а также очистных заходок на других слоях, при несовпадении контуров рудных тел отрабатываемого слоя с контурами вышележачего слоя производится под естественной кровлей. Отработка запасов слоя производится одинарными или спаренными заходками высотой 3 м. Зарезку слоя осуществляют по уклону. Очистные работы включают отбойку рудного массива, уборку рудной массы в рудоспуски, проветривание и крепление очистного пространства, выпуск и погрузку рудной массы из рудоспусков, установку в отработанных заходках изолирующих перемычек и заполнение выработанного пространства твердеющей закладкой. Отработка слоевых заходок ведется буро-взрывным способом, бурение шпуров производится установками ЛКР-1У, а также буровой каретой Minibur 1F/E. Проветривание заходок осуществляется вентиляторами местного проветривания ВМ-6 м. Для доставки горной массы в блоках используется погрузочно-доставочные машины TORO-151D. Крепление очистного пространства в зависимости от прочности и структуры закладочного массива осуществляется рамами НДО. Погашение выработанного пространства в блоке производится твердеющей закладкой по мере отработки слоевых заходок. Закладку заходок производят секциями, длина секции для жестких и расслаивающихся смесей составляет 15 м (объем секции около 150…200 м3 ), секции отделяются изолирующими перемычками. Погашению подлежат все горизонтальные слоевые выработки, полнота закладки выработанного пространства должна быть не менее 85% по объему. Подача твердеющей закладки осуществляется с закладочного комплекса «Мартовский» рудника №2 путём транспортирования автобетоновозами до закладочных скважин блока, пробуренных с поверхности. От закладочных скважин закладочная смесь подаётся по трубопроводам в отработанные заходки слоя.
Достоинства:
- обеспечение высокой степени эксплуатационной доразведки запасов руды в блоке;
- низкие потери и разубоживание руды до 3…5%;
- обеспечение радиационной безопасности путем закладки выработанного пространства и снижения радоновыделения.
В спец. части проекта при проектировании системы разработки с нисходящей слоевой выемкой и твердеющей закладкой, предложена технология ведения очистных работ с учетом проявлений горного давления. Предложенная технология ведения очистных работ с использованием современного очистного оборудования и оптимизация параметров БВР позволили повысить производительность труда ГРОЗ, снизить себестоимость добычи 1 т руды обеспечить требуемую производительность блока при снижении срока отработки блока. Потери руды составили 5%, разубоживание 36.7%, месячная производительность слоя 5000 т/мес; месячный план на бригаду =1296 м3 /мес месячная скорость проходки очистной заходки =218,7 п.м/мес.
В результате проведенных расчетов параметров БВР с использованием ВВ – аммонал, повысило КИШ от 0,85 до 0,9. При производстве взрывных работприменяетсяэлектрическийспособ взрывания зарядов – с применением системы СИНВ-Ш. Устройство инициирующее с замедлением шпуровые СИНВ-Ш, предназначены для замедления инициирования боевиков шпуровых и скважинных зарядов.
В разделе охрана окружающей среды, рассказано о влиянии подземной системы разработки на окружающую среду.
В экономической части проекта произведен расчет затрат и калькуляции себестоимости добычи по руднику 1 т руды – 626 р/т.
Список использованной литературы
1. Единые правила безопасности при разработке рудных, нерудных и россыпных месторождений полезных ископаемых подземным способом. – М.: ГУП «НТЦ по безопасности в промышленности Госгортехнадзора России», 2004 –261 с.
2. Единые нормы выработки и времени на подземные очистные, горнопроходческие и нарезные горные работы. Часть 1. – М.: Недра, 1985. – 423 с.
3. Единые правела безопасности при ведении взрывных работ. - М.: Недра, 2003.
4. Поляков И.А. Справочник экономиста по труду. - М: Экономика, 1988,-240 с.
5. Гребенюк В.А. Справочник по горному делу. - М: Недра, 1983.-815 с.
6. Шехурдин В.К. Задачник по горным работам, проведению и креплению горных выработок. - М: Недра, 1970.-455 с.
7. Покровский НМ. Проектирование комплексов выработок подземных сооружений. - М.: Недра, 1986.-320 с.
8. Зыков Н.В. Стандарт СТП ЗабГК-01–08
Похожие рефераты:
Проект вскрытия и разработки Кадали-Макитской террасы
Физическая география СНГ (Азиатская часть)
Проект массового взрыва при отработке залежи "Центральная" Риддер-Сокольного рудника
Проект разработки Олимпиадинского золоторудного месторождения на примере участка Восточный
Основные технологические процессы на разрезе "Томусинский"
Разработка Мыковского карьера лабрадоритов
Расширение филиала "Шахта "Осинниковская" за счет ввода в отработку запасов филиала "Шахта "Тайжина"
Подготовка и организация массового взрыва в блоке
Особенности разведки и оценки месторождений никеля
Технология отработки пласта выемочного участка шахты
Рациональная отработка пласта k5 в условиях ГХК шахта Краснолиманская
Горно-геологическая характеристика рудника
Экономическая эффективность производства ферритовых стронциевых порошков на ОАО Олкон