| Скачать .docx |
Реферат: Способы автоматической защиты трехфазного двигателя при отключении фазы электрической сети
Способы автоматической защиты трехфазного двигателя при отключении фазы электрической сети
Трехфазные электродвигатели при случайном отключении одной из фаз быстро перегреваются и выходят из строя, если их вовремя не отключить от сети. Для этой цели разработаны различные системы автоматических защитных отключающих устройств, однако, они либо сложны, либо недостаточно чувствительны.
Устройства защиты можно условно разделить на релейные и диодно-транзисторные. Релейные в отличие от диодно-транзисторных более просты в изготовлении.
Рассмотрим несколько релейных схем автоматической защиты трехфазного двигателя при случайном отключении одной из фаз питания электрической сети.
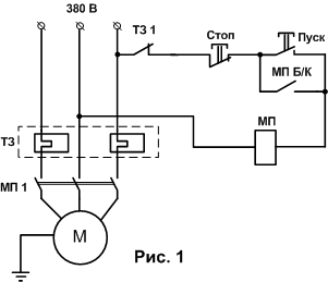
Первый способ (рис.1)

Это самый распространенный способ, проверенный временем. Защита двигателя от отключения одной фазы обеспечивается применением теплового реле ТЗ. Смысл этой защиты состоит в том, что постоянная нагревания теплового реле подбирается таким образом, что и постоянная нагревания электродвигателя. То есть проще говоря, реле нагревается так же, как и двигатель. И при превышении температуры выше допустимой реле отключает двигатель. При отключении одной фазы, ток через другие фазы резко возрастает, двигатель и тепловое реле начинают быстро нагреваться, что вызывает срабатывание теплового реле.
Способ хорош и тем, что обеспечивает и защиту двигателя от перегрузки и пробоя одной фазы на корпус. Но для надежной защиты от пробоя на корпус, двигатель обязательно должен быть заземлен или занулен.
Недостаток этого способа в том, что тепловые реле достаточно дороги (примерно столько же, сколько и пускатель) и для надежной защиты его нужно достаточно точно подбирать и настраивать. В идеале его номинальный ток должен быть такой же, как и у двигателя.
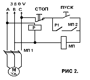
Второй способ (рис. 2).

В обычную систему запуска трехфазного двигателя введено дополнительное реле Р с нормально разомкнутыми контактами Р1. При наличии напряжения в трехфазной сети обмотка дополнительного реле Р постоянно находится под напряжением и контакты Р1 замкнуты. При нажатии кнопки "Пуск" через обмотку электромагнита магнитного пускателя МП проходит ток и системой контактов МП1 электродвигатель подключается к трехфазной сети. При случайном отключении от сети провода А реле Р будет обесточено, контакты Р1 разомкнутся, отключив от сети обмотку магнитного пускателя, который системой контактов МП1 отключит двигатель от сети. При отключении от сети проводов В и С обесточивается непосредственно обмотка магнитного пускателя. В качестве дополнительного реле Р используется реле переменного тока типа МКУ-48.
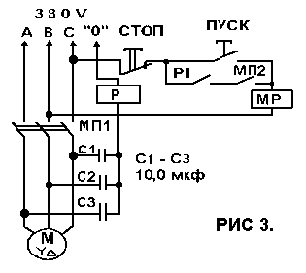
Третий способ (рис 3).

Защитное устройство основано на принципе создания искусственной нулевой точки (точка 1'), образованной тремя одинаковыми конденсаторами С1—СЗ. Между этой точкой и нулевым проводом 0' включено дополнительное реле Р с нормально замкнутыми контактами. При нормальной работе электродвигателя напряжение в точке 0' равно нулю и ток через обмотку реле не протекает. При отключении одного из линейных проводов сети нарушается электрическая симметрия трехфазной системы, в точке 0' появляется напряжение, реле Р срабатывает и контактами Р1 обесточивает обмотку магнитного пускателя—двигатель отключается. Это устройство обеспечивает более высокую надежность по сравнению с предыдущим. Реле типа МКУ, на рабочее напряжение 36 В. Конденсаторы С1—СЗ— бумажные, емкостью 4—10 мкф, на рабочее напряжение не ниже удвоенного фазного.
Чувствительность устройства настолько высока, что иногда двигатель может отключиться в результате нарушения электрической симметрии, вызванного подключением посторонних однофазных потребителей, питающихся от этой сети. Чувствительность можно понизить, применив конденсаторы меньшей емкости.
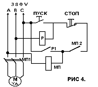
Четвертый способ (рис. 4).

Схема защитного устройства аналогична схеме, рассмотренной во втором способе. При нажатии кнопки "Пуск" включается реле Р, контактами Р1 замыкая цепь питания катушки магнитного пускателя МП.
Магнитный пускатель срабатывает и контактами МП1 включает электродвигатель. При обрыве линейных проводов В или С отключается реле Р, при обрыве провода А или С — магнитный пускатель МП.
В обоих случаях электродвигатель выключается контактами магнитного пускателя МП1.
По сравнению со схемой защитного устройства трехфазного двигателя, рассмотренной в первом способе, это устройство имеет преимущество: дополнительное реле Р при выключенном двигателе обесточено.