| Скачать .docx |
Реферат: О применении метода ССП для прогнозирования геодинамических явлений
Внезапные геодинамические явления уносят множество человеческих жизней и оставляют после себя массу разрушений. Будь то землетрясения, горные удары или внезапные выбросы пород на шахтах и рудниках - у них есть одно общее: они непрогнозируемы. Собственно говоря, указание на это содержится в их названии. Назвав явление внезапным, мы тем самым как раз и признаем его непрогнозируемым.
Прогнозировать то или иное явление – значит наблюдать процессы, которые его подготавливают, с тем, чтобы экстраполируя их в перспективу, оценивать вероятность возникновения этого явления. Само собой разумеется, что если физика явления неизвестна и неизвестны процессы, ему предшествующие, то о прогнозировании не может быть и речи.
Теоретические разработки в области геодинамических явлений базируются на том, что причиной их является повышенное напряженное состояние горных пород, что приводит к разного рода энергетическим дисбалансам. То есть речь идет о субстанциях, не подлежащих экспериментальному исследованию. Потому что как энергию, каким-то образом запасаемую в земной толще, так и напряженное состояние горных пород оценить ни прямыми, ни косвенными измерениями на сегодняшний день невозможно. Подробнее об этом в работе [1].
Теоретические построения на основе положений, экспериментально не регистрируемых, являются, по сути, построениями гипотетическими, и здесь очень важно, чтобы не повторилась история с теоретической акустикой. Ведь вся судьба этой области физики на более чем 150 лет определилась мысленными моделями великого математика Пуассона, а современная теория основным своим назначением имеет разработку обоснований запретов на любые экспериментальные исследования поля упругих колебаний. Поэтому все дальнейшие построения настоящей работы будут базироваться исключительно на экспериментальных данных.
Прорыв в прогнозировании геодинамических явлений возник в результате разработки метода и соответствующей аппаратуры для прогнозирования обрушения пород кровли в условиях угольных шахт [2]. Идея этого прогнозирования состоит в следующем. Прежде, чем обрушиться, породы кровли должны сначала отслоиться от вышележащего породного массива. Следовательно, вероятность обрушения пород кровли определяется наличием и местонахождением поверхностей потенциального и фактического расслоения пород. Или, иначе говоря, наличием и местонахождением поверхностей ослабленного механического контакта (ОМК) [3].
Как оказалось, в условиях слоистого массива угленосной толщи информация, получаемая с помощью спектрально-акустических (спектрально-сейсморазведочных) измерений в основном и состоит в выявлении местонахождения залегающих в угленосной толще поверхностей ОМК и степени ослабленности по этим поверхностям. В результате, этот подход к разработке методики оценки и прогнозирования устойчивости кровли оправдал себя полностью.
С позиций спектрально-акустических измерений, слоистый горный массив является не совокупностью отражающих поверхностей, а представляет собой совокупность колебательных систем. А любая колебательная система характеризуется значением собственной частоты f0 и величиной добротности Q. Применительно к горному массиву, при спектрально-акустических измерениях значения частоты f0i связаны по формуле (1) с расстояниями hi от обнажения кровли до соответствующих поверхностей ОМК.
(1)
где – скорость поперечных (сдвиговых) упругих колебаний. Для горных пород Vсдв
=2500м/с, с погрешностью, не превышающей
10%.
Величины же добротности Qi определяются уровнями ослабленности механического контакта по каждой из этих поверхностей. Чем слабее сцепление между породными слоями, тем более высокую добротность имеют колебания на соответствующей частоте.
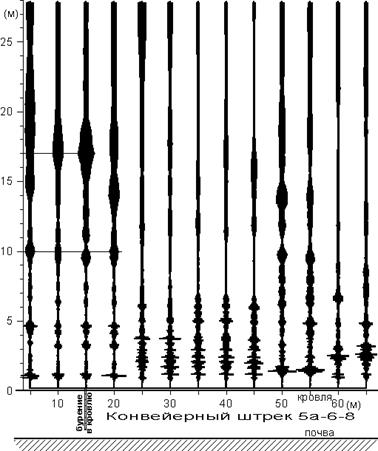
На рис.1 дается иллюстрация практического использования метода спектрально - сейсморазведочного профилирования (ССП) для оценки устойчивости кровли конвейерного штрека 5а-6-8 шахты "Распадская" (Южный Кузбасс). Согласно результатам бурения, осуществленного вблизи 15-го м профиля, кровля представлена монолитным песчаником 17-метровой мощности (толщины). Выше песчаника идет песчанистый сланец, и граница между этими двумя породами достаточно резкая. На высоте 10 м в песчанике залегает слой галечника. Такая кровля считается весьма устойчивой и не требующей сколько-нибудь серьезного крепления.
При проведении ССП обе эти границы подтвердились. Как на высоте 17 м1 , так и на высоте 10 м есть экстремумы, подтверждающие наличие выявленных бурением границ.
Экстремум на высоте 10 м имеет меньшую амплитуду (а амплитуды эти как раз и имеют смысл добротности), чем на высоте 17 м. Это естественно, так как галечник довольно слабо проявляется как граница. То есть прочность керна в зоне галечника выше, чем на границе между песчаником и песчанистым сланцем2 .

Рис. 1
Однако, как видим, на ССП-разрезе существует еще множество острых экстремумов на весьма незначительных высотах. Согласно этому, в песчанике начиная с высоты, меньшей, чем 1 м, присутствует множество резких границ, количество которых изменяется по длине профиля. Наличие этих границ, добротность которых весьма значительна, и достигает значения, равного 30, безусловно свидетельствует о том, что кровлю ни в коем случае нельзя относить к монолитной, а следовательно, устойчивой. В самом деле, метровый слой даже очень прочного песчаника – весьма ненадежного перекрытие. Особенно в условиях шахты, где постоянно идут промышленные взрывы и прочие динамические воздействия.
Естественно, не может не возникнуть вопрос, почему эти границы на малых, самых существенных для оценки устойчивости высотах, не были выявлены бурением. Как оказалось в дальнейшем, в результате анализа обрушившихся пород кровли, границы на малых высотах были обусловлены наличием углистых сверхтонких прослоев. С помощью бурения такие границы определить нельзя, так как керн при их пересечении ломается, а поскольку бурение идет с промывкой, то следы угля на изломах керна вымываются промывочной жидкостью.
Когда породы кровли такого типа, называемые труднообрушаемыми, все-таки обрушаются, это происходит, как правило, очень бурно, с мощными звуковыми эффектами. И поскольку происходит это всегда внезапно и неожиданно, то объясняется именно высвобождением энергии, запасенной в породах, находящихся в напряженном состоянии. Что выглядит особенно убедительно, если выработка находится на большой глубине. Однако если обладать информацией о том, что песчаник на самом деле не монолитен, а мелкослоист, с обилием углистых прослоев, то обрушение таких пород просто под собственным весом представляется совершенно логичным. А главное, прогнозируемым.
Однако сам факт слоистости пород кровли, обнаруженный с помощью метода ССП, позволяет лишь предположить механизм обрушения кровли, но не приближает нас к решению проблемы прогнозирования этого геодинамического явления. Поскольку прогнозирование – это процесс наблюдения развития событий, подготавливающих прогнозируемое явление, то в данном случае было необходимо осуществление мониторинга при наблюдении состояния кровли методом ССП.
Такой мониторинг был осуществлен [4] в одной из выработок шахты "Распадская", в течение двух лет, от момента ее проходки и до погашения. При этом в ходе мониторинга было видно, как процесс отслоения пород кровли под собственным весом распространялся снизу вверх, а затем, сверху вниз пошел процесс провисания породных слоев. Обрушение кровли произошло в тот момент, когда наибольшее отслоение пород было на высоте 10м, а нижние слои были прижаты друг к другу сильно провисшими верхними слоями.
Теперь, когда процесс подготовки обрушения кровли оказался прослеженным сначала до конца, и, таким образом, физика обрушения стала предельно ясна, уже нет необходимости в проведении мониторинга. В конце концов, когда речь идет о безопасности шахтеров, никого не интересует точное время обрушения пород кровли: главное заключается в том, чтобы оценить вероятный характер обрушения, и тем самым обосновать систему крепления выработки. А это мы получим и при единичном ССП-измерении.
Действительно, если породы кровли мелкослоисты, то обрушение их будет происходить в виде высыпания, и следовательно, в штреках такая кровля должна быть затянута сеткой, а в очистных забоях нужно следить, чтобы площадь обнажения кровли была нулевой. Если при высокой прочности пород кровли наличие ближайших к поверхности обнажения поверхностей ОМК наблюдается на глубинах, скажем, 2-3 метра, то это крайне опасный случай. Излом такой 2-3-метровой "доски" происходит всегда неожиданно и создает повышенные нагрузки на крепь. Применение методики прогноза устойчивости кровли3 , основанной на использовании метода ССП, позволяло осуществлять оптимальный выбор паспорта крепи, что является главным фактором при обеспечении безопасности в угольных шахтах.
Наблюдение за характером обрушения пород кровли в максимально широком диапазоне геологических и технологических условий, и при этом, во всех угольных регионах СССР, показало, что описанный выше подход к прогнозированию устойчивости подземной выработки является надежным и почти универсальным. Почти - потому что в некоторых, правда, очень редких случаях даже монолитные и очень прочные породы не являются устойчивыми. В этих случаях прочные породы кровли при обрушении бывают разрушены как бы на плиточки. Каждая плиточка – очень прочная, между ними нет никакого постороннего материала, и длительное время было непонятно, почему эти прочные породы оказываются разрушенными таким образом.
Разгадка пришла, когда мы научились выявлять зоны тектонических нарушений. Как оказалось, в зонах тектонических нарушений весь породный столб, находящийся непосредственно над разрывным тектоническим нарушением находится в состоянии повышенной нарушенности. Для слабых пород такая нарушенность проявляется тем, что они представляют собой как бы спрессованный песок. Прочные же песчаники разрушаются в совокупность таких вот плиточек.
Таким образом, полный надежный прогноз и оценка устойчивости пород кровли должны осуществляться с помощью двух исследований – определением слоистости пород и выявлением зон тектонических нарушений. Как то, так и другое осуществляется методом ССП. Однако если слоистость пород определяется из горных выработок, то зоны тектонических нарушений наиболее полно выявляются при работе на дневной поверхности.
Признаком тектонического нарушения является наличие воронкообразного объекта на ССП-разрезе.
Прежде чем перейти к другим геодинамическим явлениям, остановимся на физическом смысле добротности.
Вспомним классический пример разрушения моста в результате того, что проходившие по нему солдаты шли в ногу. При анализе этого происшествия прочность моста никого не интересует. Главное – в величине добротности моста как колебательной системы. Каждый удар каблуками вызывает собственные затухающие колебания моста. Если скорость затухания этих колебаний мала, то каждый последующий удар будет происходить в момент, когда уже возникшие колебания еще не затухли. И при соответствующем соотношении собственной частоты моста и частоты шагов может начаться рост амплитуды колебаний. Это явление резонанса (то есть совпадения собственной частоты с частотой воздействия) хорошо изучено, в частности, в электротехнике и легко моделируется. Чем меньше скорость затухания, тем острее резонанс, то есть тем быстрее идет наращивание амплитуды. Добротность Q обратно пропорциональна скорости затухания, и оперировать ею удобно потому, что она легко выявляется при спектральном изображении сигнала. Численное значение добротности показывает, во сколько раз увеличивается амплитуда колебаний на резонансе.
При проведении ССП по дневной поверхности было замечено, что наибольшая добротность сигнала наблюдается обычно в зонах тектонических нарушений, вблизи самого острия воронкообразного объекта [5]. На рис. 2а приведен ССП-разрез, полученный при профилировании вдоль западной границы территории, отведенной под Северные очистные сооружения в Ольгино (СПб). Здесь отчетливо виден воронкообразный объект, как известно [6], соответствующий наличию тектонического нарушения. По мере приближения к острию этого объекта добротность сейсмосигнала возрастает, достигая на 170-м метре профиля, на частоте, соответствующей глубине 180 м, значения, равного 60.

Рис. 2
На рис. 2б показан сейсмосигнал (на временной оси), полученный на 170-м метре профиля. Как видно из этого рисунка, в момент ударного воздействия (t0
) возбуждаются две колебательные системы. Наиболее из них высокочастотная, соответствующая глубине границы, примерно равной 100 м (см. рис.2а) , имеет небольшую добротность и перестает проявляться уже к моменту t1
. Колебательный процесс, соответствующий глубине 180 м (в соответствии с формулой (1), f
14 Гц), спадает по амплитуде очень медленно. При наличии вблизи с этой точкой измерения механизма, работающего на частоте 14 Гц, неизбежны резонансные явления.
И действительно, вблизи этого места наблюдается следующее резонансное явление.
В находящемся в этой зоне главном стакане аэрации время от времени возникают взрывоподобные эффекты, известные как горные удары. Горные удары – это техногенные микроземлетрясения, с которыми чаще всего приходится встречаться в различных горных выработках. Горные удары происходят во время работы механизмов. Они могут завершиться разрушением выработок и гибелью шахтеров. При остановке механизмов прекращаются и горные удары4 .
Как нам теперь стало ясно, физика возникновения горных ударов следующая. При работе механизма, создающего колебания, близкие по частоте к значению собственной частоты соответствующей геологической структуры, находящейся в зоне работы этого механизма, амплитуда упругих колебаний в породах увеличивается вплоть до значения, когда происходит резкое, удароподобное проседание этой структуры, что и воспринимается как горный удар.
Горные удары, которые я наблюдал в выработках шахты "Распадская", происходили в виде несильных, беззвучных толчков со стороны почвы. Амплитуда их время от времени увеличивалась настолько, что они заставляли подпрыгивать различные механизмы, находящиеся в шахте. Так, однажды был подброшен угольный комбайн, который при этом обратно упал мимо рельсовых направляющих, и придавил находящегося рядом с ним шахтера.
По свидетельству шахтеров шахты "Первомайская" (около Луганска, Украина), там горные удары сопровождаются мощным громом. При этом может происходить падение крепи и обрушение пород кровли. Там также горные удары прекращаются при остановке добычных механизмов.
Описанное здесь резонансное явление приводит к увеличению амплитуды колебаний не только в породном массиве, но и в сооружениях, стоящих на нем. И в частности, в железнодорожном полотне. Что, как оказалось, может вызвать крушение поезда.
На рис. 3а приведен 200-метровый отрезок ССП-разреза, полученного при профилировании в мае 1999 года вдоль железнодорожного полотна вблизи 1545 км участка Москва - Красное, вблизи г. Гагарина.
Разрез довольно сложный, характерный для ранее заболоченной, но осушенной местности. Заболоченная местность формируется, как известно, в зонах множественных пересекающихся мелких тектонических нарушений. На 80-м метре профиля видна граница на глубине около 250 м, сигнал по которой имеет добротность, равную 100, что многократно превышает добротности сигналов по всем остальным границам. На рис. 3б показан сейсмосигнал в этой точке измерений подобно тому, как это сделано на рис. 2.
Как и на рис.2б, сигнал содержит две гармонические составляющие. Составляющая, соответствующая границе, находящейся на глубине около 60 м (около 42 Гц) имеет добротность около 10, и затухает гораздо быстрее, чем составляющая, соответствующая границе, находящейся на глубине около 250 м (10 Гц).
При определенном сочетании скорости прохождения поезда и расстояний между осями вагонов периодичность воздействия колес на насыпь может оказаться такой, что момент прохождения каждого колеса через зону с высоким значением добротности сейсмосигнала будет соответствовать одной и той же фазе его низкочастотной составляющей. При этом от вагона к вагону будет нарастать амплитуда колебаний, что, при некоторых конструктивных особенностях полотна, может завершиться сходом с рельс последних вагонов.
Именно так и произошло в описываемой точке измерений. За 2 месяца до этих измерений в зоне 80-го метра профиля (ССП-разрез которого приведен на рис.3а) сошли с рельс последние 4 вагона товарного поезда. Надо сказать, что при проведении измерений на этом участке нам не было известно о том, что мы проходим через место крушения поезда. Увидев при контроле на мониторе компьютера аномально высокую добротность сигнала, я всего лишь высказал предположение о том, что данная зона является потенциально опасной для железнодорожных составов в связи с возможностью формирования геодинамического явления. И только после этого я узнал, что действительно, гипотеза эта оказалась правильной.
Таким образом, мы выяснили, что земная толща, будучи по акустическим свойствам совокупностью колебательных систем, становится опасной по горным ударам (то есть по техногенным микроземлетрясениям) в зонах высоких значений добротности этих колебательных систем. Но тогда и сходы поездов, которые происходят в соответствии с рассмотренной физикой, тоже следует относить к геодинамическим явлениям?..
Наличие современных средств микросейса в совокупности с возможностями метода ССП позволяют без проблем искусственным образом создавать горные удары с тем, чтобы более полно и, главное, экспериментально изучить их физику.

Рис. 3
Изучение удароопасных районов с помощью метода ССП позволило понять физику горных ударов и предложить гипотезу физики природных землетрясений [7].
К сожалению, мне довелось непосредственно наблюдать только слабые (меньше 4 по шкале Рихтера) землетрясения, в Нуреке. По ощущениям, это мало отличается от наблюдавшихся мною горных ударов. Пожалуй, только тем, что толчки были более плавными, чем горные удары. По существующим свидетельствам очевидцев, при сильных землетрясениях толчки чередуются с разрывами сплошности земной поверхности.
Мне представляется, что сильное землетрясение представляет собой как бы сумму двух явлений, одно из которых – горные удары, а второе – разрыв сплошности. То есть, процесс подготовки сильного землетрясения состоит в следующем. Слабые толчки (которые мы рассматриваем как аналог горных ударов) постепенно разрушают породы и ослабляют механические связи между отдельными породными блоками настолько, что очередной толчок может нарушить сплошность среды.
Происходить этот процесс может только в зонах тектонических нарушений. Во-первых, потому что именно в этих зонах добротность сейсмосигнала может достигать значений, при которых возникают горные удары. А во-вторых, породы в зонах тектонических нарушений с самого начала, еще до возникновения горных ударов находятся в состоянии, ослабленном повышенной микронарушенностью. И поэтому вероятность макроразрушений наиболее велика именно в этих зонах.
Единственно чего не хватает для того, чтобы придать завершенность гипотезе формирования условий, необходимых для развития землетрясений, это знания природы того механизма, который должен выступать в роли внешнего периодического усилия, вызывающего горные удары. Не вызывает сомнения, что дополнить наши представления о физике подготовки землетрясений могут только натурные исследования.
Таким образом, методика изучения физики подготовки природных землетрясений представляется как совокупность нескольких типов измерений. Во-первых, в сейсмоактивных районах следует осуществлять измерения методом ССП с тем, чтобы выявить наиболее мощные тектонические нарушения, а в этих выявленных зонах – участки с аномально высокими значениями добротности сейсмосигнала в инфразвуковом частотном диапазоне. Вторым этапом следует методом ССП осуществлять мониторинг выделенных зон, чтобы попытаться увидеть изменения, которые происходят с породной толщей в ходе подготовки землетрясения.
На основании изучения существующей научной литературы и после участия в Четвертых Геофизических Чтениях имени В.В.Федынского (март 2002 г., Москва, ГЕОН), я считаю, что к решению задачи прогнозирования землетрясений мы подошли гораздо ближе, чем другие научные коллективы. Отличие этой задачи от тех, которые мы уже решили, состоит в том, что если все они были решены за счет наших собственных средств, то эту задачу решить без соответствующих и достаточных инвестиций мы не сможем. И если существуют организации или отдельные люди, заинтересованные в решении задачи прогнозирования землетрясений, то мы готовы представить информацию, на основании которой может быть разработан план осуществления описанных выше научных исследований.
Список литературы
Гликман А.Г. Методологические аспекты применения сейсморазведки. Геология, геофизика и разработка нефтяных месторождений. N 10, 1999, с. 19-25.
Андреев В.П., Гликман А.Г. Геоакустический метод выявления поверхностей ослабленного механического контакта. // "Уголь".- 1985.- N 9.- с.52-54.
Симанский И.А., Стародубцев А.А. Методы определения строения кровли угольного пласта для оценки ее устойчивости./ Физические процессы горного производства. - Л.:ЛГИ.- 1989.- с.94-99.
Симанский И.А., Стародубцев А.А. Влияние геомеханических факторов на состояние кровли горных выработок./Механика горных пород. Записки ЛГИ, том 123.- Л.: ЛГИ.- 1990- с.66-71.
Гликман А.Г., Стародубцев А.А. О роли геофизических методов при решении инженерно-геологических задач. //Жизнь и безопасность. 1998, N 2-3, , с. 518-524.
Гликман А.Г., Стародубцев А.А. Опыт выявления тектонических нарушений методом спектрально-сейсморазведочного профилирования. Бюллетень РАН “Экологическая безопасность”, СПб, 1997, N 1-2, , с. 26-29.
Гликман А.Г., Стародубцев А.А. О проблеме прогнозирования внезапных геодинамических явлений.// "Геология, геофизика и разработка нефтяных месторождений".- 2001.- N 1.- с. 28-33.