| Скачать .docx |
Реферат: Контрольная работа: Расчет водоснабжения и выбор насоса для предприятий сельского хозяйства
ВГСХА
Кафедра технологического и энергетического оборудования
Контрольная работа
«Расчет водоснабжения и выбор насоса Расчет водоснабжения и выбор насоса для предприятий сельского хозяйства»
Вариант 22
Киров-2010
Исходные данные
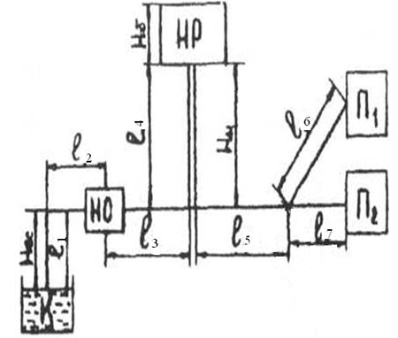
Схема водопровода (рисунок 1)

Рисунок 1 - Расчетная схема водопровода: К - колодец (источник воды); НС — насосная станция (водоподъемник); HP -напорно-регулирующее сооружение; П1, П2, П3 - потребители; ℓ1, ℓ2 - линия всасывающего трубопровода; ℓ3 - линия напорного трубопровода; ℓ5 ,ℓ6 ,ℓ7 - линия разводящего трубопровода; НВС - высота всасывания геометрическая (расстояние по вертикали между уровнем воды в источнике и осью насоса); Нб - высота бака; Нг - геометрическая разность нивелирных отметок земли у башни и наиболее высоко расположенной точки водопотреблення.
![]()
![]()
Источник имеет дебит Д=205м3/ч.
3. Напорно-регулирующее сооружение - башенная водокачка или резервуар Нб=2,8м.
4. Геометрическая разность нивелирных отметок НГ=О.
Время работы насосной станции Т=15 часов (работает с 5 до 20 часов).
Потребители:
а) П1 - кролики m1=5100 голов; утки m2=34600 голов);
б) П2 – лошади m3=620голов, жеребята m4=350 голов.
7. Линии водопровода,
а) ℓ1 =НВС=5м; ℓ2=73 м.
б) ℓ3 =49 м.
в) ℓ5=630 м; ℓ6=250 м.; ℓ7=3405м.
8. Величина свободного напора в конечной точке водоразбора Нсвн=8 м.
9. Насос центробежный (привод ременный).
10. Расход воды по часам суток в процентах от суточного:
| Часы, t | 24-1 | 1-2 | 2-3 | 3-4 | 4-5 | 5-6 | 6-7 | 7-8 | 8-9 | 9-10 | 10-11 | 11-12 | 12-13 | 13-14 | 14-15 | 15-16 | 16-17 | 17-18 | 18-19 | 19-20 | 20-21 | 21-22 | 22-23 | 23-24 |
| Процент от суточного, б | 1,5 | 1,0 | 2,5 | 3,0 | 3,0 | 4,0 | 4,0 | 5,0 | 6,5 | 6,0 | 8,0 | 4,0 | 8,0 | 4,0 | 4,0 | 5,5 | 2,5 | 5,0 | 6,0 | 7,0 | 3,5 | 3,5 | 1,0 | 1,5 |
Содержание работы и порядок ее выполнения
Под системой водоснабжения понимают весь комплекс сооружений и устройств на территории хозяйства, обеспечивающих все пункты потребления доброкачественной водой в требуемых количествах.
На животноводческих и птицеводческих фермах вода расходуется на поение животных и птицы, а также на технологические, гигиенические, хозяйственные и противопожарные нужды. Расход воды на ферме зависит от вида животных, от выполняемых работ в течение суток и от времени года.
Согласно существующим нормам потребления воды различными группами животных; и удовлетворения технологических нужд различных объектов фермы, рассчитывается средний суточный расход воды на ферме (комплексе) по формуле
Qcyт.cp =q1m1+ q2m2+… qnmn (1)
где Qcyт.cp - средний суточный расход dоды на ферме, м3/cyт.
q1, q2, …,qn- среднесуточная норма потребления воды одним
потребителем, м3/сут;
m1,m2,...,mn - число потребителей, имеющих одинаковую норму потребления (голов, единиц и далее);
1,2,..., n - число групп потребителей.
Согласно норм водопотребления (приложение А, таблица АЛ и таблица Л.2) принимаем:
для кроликов q1=3 л/сут,
для уток q2=1,25 л/сут,
для лошадей q3=60 л/сут;
для жеребят q4= 45 л/сут;
Тогда, имея число потребителей: для кроликов m1=5100 голов;
для уток m2=34600 голов;
для лошади m3=620 голов;
для жеребят m4=350 голов;
определяем по формуле (1) средний суточный расход воды
Qcyт.cp =3*5100+1,25*34600+60*620+45*350=111500 л/сут = 111,5 м3/сут.
Среднесуточный расход воды летом выше, чем зимой. Неравномерность суточного водопотребления выражают коэффициенты суточной неравномерности. Тогда максимальный суточный расход воды на ферме или комплексе определится по формуле
Qсут.max =Qсут.ср * К1, (2)
где Qсут.max - максимальный суточный расход, м3/сут;
К1-коэффициент суточной неравномерности; К1=1,3…1,5, принимаем К1=1,32
Тогда
Qсут.max=111,5*1,32=147,18 м3/сут,
Для определения разовой потребности в воде необходимо учитывать, что в течение суток расход воды колеблется: в дневные часы он достигает максимума, а в ночное - минимума. При расчете максимального часового расхода воды принимается коэффициент часовой неравномерности, определяемый по формуле
К2= Qч.max/ Qч.ср,
где Qч.max - максимальный суточный расход, м3/сут;
К2-коэффициент суточной неравномерности;
Qч.ср= Qсут.max/24
Qч.ср- средний часовой расход, м3/ч;
Qч.max = Qч.ср * К2
или
Qч.max = Qсут.max * К2/24 (3)
Принимаем К2=2,5
Qч.max =147,18 *2,5/24=15,33 м3/ч,
(Число 24- количество часов в сутках)
Максимальный секундный расход рассчитывается по формуле
Qс.max = Qч.max/3600, (4)
где Qс.max =15,33/3600=0,0043 м3/с.
(Число 3600- количество секунд в одном часе).
Расчет для каждого потребителя заносим в таблицу 1.
Расход воды на тушение пожара на ферме зависит от степени огнестойкости зданий и объема. В задание вода на тушение пожара не предусмотрена.
Таблица 1- Расчетные данные потребности в воде для схемы водопотребителя
| Наименование одинаковых потребителей | Количество потребителей, mi, | Суточная норма потребления воды, qi | Суточный расход воды Qсут.ср. м3 | Максимальный суточный расход воды, Qсут.max, м3 | Максимальный часовой расход воды, Qч.max, м3 | Максимальный секундный расход воды | |
| Qс.max, м3 | Qс.max, л | ||||||
П1 кролики утки |
5100 34600 |
3 1,25 |
58,55 |
77,286 |
8,05 |
0,0023 |
2,3 |
П2 лошади жеребята |
620 350 |
60 45 |
52,95 |
69,894 |
7,28 |
0,002 |
2 |
| Итого | 40670 | 109,25 | 111,5 | 147,18 | 15,33 | 0,0043 | 4,3 |
Для найденных Qч.max и Qс.max рассчитывают диаметры трубопроводов разводящей сети по формуле
Qс.max=π*d2*U/4,
где π*d2/4-площать круга, м2;
π=3,14;
d-диаметр трубы, м;
Тогда, проведя преобразования, получим
(5)
где U - скорость движения воды в трубе, м/с;
U =0,5... 1,25 м/с.
Принимаем U =0,95 м/с.
Расчет диаметров труб для различных участков определяется по формуле (5) и округляется до стандартных величин (практически всегда в большую сторону, если скорость движения воды принята максимально возможная).
Тогда а) для участка (труба ℓ5) определяется диаметр d5;
м. Принимаем d5=75мм
б) для участка (труба ℓ6) определяется диаметр d6;
м. Принимаем d6=50мм
в) для участка (труба ℓ7) определяется диаметр d7;
8м. Принимаем d7=50мм
Выбор водоподъемника
При выборе водоподъемника должно быть известно:
1.Источник воды с определенным дебитом Д=205м3/ч.
![]()
2. Напорно-регулирующее сооружение - башенная водокачка или резервуар Нб=2,8м.
3. Максимальный часовой расход воды Qч.max =15,33 м3/ч.
4. Величина свободного напора в конечной точке водоразбора Нсвн=8м.
5. Длина трассы всех участков водопроводной сети ℓ j, м.
Условия для выбора насоса (водоподъемника)
Суточная производительность насоса должна быть равна или больше максимального суточного расхода
Qсут. насоса ≥Qсут.max.
Часовая производительность насоса должна быть выбрана а зависимости от продолжительности работы водоподъемника и определяется по формуле
Q.ч насоса =Qсут.max/Т,
Т- продолжительность работы насосной станции, ч. (по исходным данным Т= 15 часов).
Тогда Q.ч насоса =147,18 /15=9,81 м3/ч.
Секундная производительность насоса определяется по формуле
Qс насоса = Q.ч насоса /3600
Тогда
Q.с насоса =9,81/3600=0,0027 м3/с или 2,7 л/с.
Диаметр трубопровода для всасывающей (ℓ1 и ℓ2) и нагнетательной (ℓ3) линии (условно, ввиду малого расстояния, принимаем их равными по диаметру) определяется как
![]()
Тогда
м
Принимаем диаметр трубопровода всасывающей (ℓ1 и ℓ2) и
нагнетательной (ℓ3) линии dнасоса =75мм. (При расчете скорость движения воды принята одинаковой во всасывающем и нагнетательном трубопроводах).
После определения часовой производительности насоса должно соблюдаться условие D ≥ Qч. насоса
4. Напор, создаваемый насосом, определяется по формуле
H насоса≥Нвс+Нн+Нб+∑h
где H насоса напор, создаваемый насосом, м;
Нвс - высота всасывания, м;
Нн - высота нагнетания, м;
Нб -высота бака, м;
∑h -сумма потерь напора на всасывающей и нагнетательной линиях, м;
∑h=∑h'+∑h'',
где ∑h'- сумма потерь напора по длине всасывающего и
нагнетательного трубопровода, м;
∑h''- местные потерн напора во всасывающем и нагнетательном трубопроводах, м.
5. Высота нагнетания водонапорного бака (резервуара) выбирается из расчета Нн≥Нсвн+∑h1±Нг, (7) где Нсвн величина свободного напора, м;
Нг - геометрическая разность нивелирных отметок, м;
∑h1- сумма потерь напора в разводящем трубопроводе, м;
∑h1=∑h'1+∑h''1,
где ∑h'1 -сумма потерь напора по длине разводящего трубопровода, м;
∑h''1-сумма местных потерь напора в разводящем трубопроводе, м.
Местные потери напора в сети составляют 5... 10% от величины потерь на трение по длине (эти данные используются в практических расчетах), а потери напора по длине определяются по формуле
h j=i* ℓ j,
где h j - потери напора на конкретном участке. м;
ℓ j - длина конкретного участка, м:
i - гидравлический уклон в метрах (потери капора на 1 м длины трубопровода).
Данные по i выбираем из таблицы (приложение Г, таблица Г.1).
Выбранные данные вместе с рассчитанным (принятым) диаметром трубопроводов и секундным расходом заносим в таблицу 2.
Таблица 2 - Значения диаметров, секундного расхода, 100 i и i для трубопроводов
| Трубопроводы | Диаметр трубопровода d,мм | Секундный расход Qc.max. Л/С | 100i. м | i, м |
| ℓ5 | 75 | 4,3 | 2,65 | 0,0265 |
| ℓ6 | 50 | 2,3 | 6,44 | 0,0644 |
| ℓ7 | 50 | 2,0 | 5,09 | 0,0509 |
| ℓ1, ℓ2, ℓ3 | 75 | 2,7 | 1,11 | 0,0111 |
Тогда величина потерь напора по длине определится по формуле (8), а местные потери напора в данном расчете принимаем 10% от потерь по длине
Величина потерь напора определяется по формуле
h5= i5* ℓ5
и будет равна h5= 0,0265*630=16,7 м
Местные потери напора, составляющие 10% от потерь напора по длине трубопровода ℓ5 будут равны 1,67 м (10% от 0,5 м). Для всех других трубопроводов расчеты аналогичны. Далее расчетные данные для всех трубопроводов записываем без дополнительных пояснений.
Потери по длине Местные потери
h5= 0,0265*630=16,7 м 10% (от 0,5 м) равно 1,67 м
h6=0,0644*250=16,1 м 10% (от 15 м) равно 1,61 м
h7=0,0509*340=17,3 м 10% (от 13,65 м) равно 1,73 м
Тогда сумма потерь напора в трубопроводах дм:
ℓ5 будет равна h5 =16,7+1,67=18,37 м,
ℓ6 будет равна h6 =16,1+1,61=17,71м,
ℓ7 будет равна h7 =17,3+1,73=19,03м
Тогда сумма потерь напора в разводящем трубопроводе определится из выражения
∑h1=h5 +h6=18,37+17,71=36,08м.
Принимаем ∑h1=36,08м.
Далее по формуле (7) находим высоту нагнетания (водонапорного бака, резервуара).
Нн=8+36,08+0=44,08м.
Это значит, что дно резервуара должно быть на высоте 44,08 м.
Далее общая длина ℓ обш всасывающего ℓ1 ,ℓ2 и нагнетательного ℓ3 трубопроводов определяется по формуле
ℓобщ =ℓ1 +ℓ2 +ℓ3
Тогда определяем
ℓобщ =5 + 73 + 49= 127 м.
Тогда величина потерь напора на всасывающем и нагнетательном трубопроводах по длине и местные потери определяются:
будут равны ℓобщ =0,0111*127=1,4 м и 10% (от 1,4) равно 0,14 м .
Тогда сумма потерь напора в трубопроводе ∑h будет равна
∑h =1,4+0,14=1,54м
Далее по формуле (6) определяем напор, который должен создавать насос
Ннасоса=5+44,08+2,8+1,54=53,42 м .
Имея расчетные данные: Ннасоса=53,42 м; Q.ч насоса =9,81 м3/ч
Q.с насоса =0,0027 м3/с или 2,7 л/с. производим энергетический расчет.
Расчетная мощность приводного двигателя к насосу определяется по формуле
![]()
где Ррасч-расчетная мощность приводного двигателя, кВт;
Р- плотность воды, кг/м3;
g - ускорение свободного падения, м/с2;
Q.с насоса – подача насоса, м3/с;
Ннасоса -полный напор насоса, м;
ηнасоса - коэффициент полезного действия насоса;
ηпередачи - коэффициент полезного действия передачи; Р =1000кг/м3; ηнасоса=0,4…0,64; ηпередачи=0,95.
Используя расчетные значения Q.с насоса , Ннасоса и принимая ηнасоса=0,4 определяем расчетную мощность
кВт
(Число 1000 в знаменателе - переводной коэффициент для получения результата в кВт).
С учетом коэффициента запаса, мощность двигателя определится по формуле;
Рдв = Ррасч *α ,
где α - коэффициент запаса мощности; α =1,1...2,0
Принимаем α=1,3;
Рдв - мощность двигателя с учетом всевозможных перегрузок, кВт.
ТогдаPдв= 3,63*1,3 = 4,72 кВт.
С учетом всех параметров выбираем насос центробежный 3К-6
Ннасоса=54,21м; Q.ч насоса =9,81 м3/ч; Нвс=5 м; n= 2900мин-1; р=16 кВт; η=50%
Расчет потребности емкости бака (резервуара) водопорной башни
Водонапорные башни служат для создания напора в разводящей сети и для хранения: запаса, воды, необходимого для уравнения разности между подачей воды насосной станцией и расходом ее потребителями. (Иногда в резервуаре хранится пожарный запас воды). Необходимая минимальная емкость напорного бака зависит от величины суточного расхода воды хозяйством, характера расходования ее по часам суток и времени работы насосной станции.
Расход воды по часам суток может быть установлен достаточно точно с учетом коэффициентов неравномерности и с учетом распорядка дня на ферме и выражаться в виде графика, представленного на рисунке 2. (График построен по исходным данным).
По известным данным Qcyт.max графика расходования воды в течение суток и режиме работы насосной станции, необходимая емкость бака определяется:
1. Методом составления расчетной таблицы.
ИЛИ
2.Методом построения интегрального графика.
1. Метод. Метод составления расчетной таблицы
Известные исходные данные:
1. Qcyт.mаx =147,18 м3/сут. Максимальный суточный расход считаем за 100%
2. График расходов по часам суток представлен на рисунке 2. Время работы насосной станции Т=15 часов в период с 5до 20 часов.
3. Qч насоса =9,81 м3/ч.
Как составляется расчетная таблица (в расчетном примере это таблица 3)
Графа 1 в таблице 3 - это часы суток, Тсуток
Графа 2 в таблице 3 - данные часового расхода в процентах от максимального суточного расхода (от Qcyт.mаx )
Графа 3 в таблице 3 - данные подачи воды насосом в процентах от максимального суточного расхода (от Qcyт.mаx )
Графа 4 в таблице 3 - алгебраическая сумма подачи воды насосом и расход воды потребителем за каждый час в процентах от максимального суточного расхода (от Qcyт.mаx ).
Насос работает 15 часов в сутки и подает в бак весь максимальный суточный расход, который обозначен за 100%. Значит, за каждый час работы насос подает 100%: 15 = 6,66%
По данным графы 4 не трудно определить, какое количество воды должно быть в баке к началу суток для обеспечения расхода в часы с 24 до 5 часов, когда насосная станция не работает.
Q0(количество воды на начало суток)=1,5+1,0+2,5+3,0+3,0=11%
Приняв на начало суток, количество воды в баке равным 11%, определяется остаток воды к концу каждого часа путем последовательного вычитания или прибавления данных графы 4. Полученные данные заносим в графу 5.
Таблица 3 –Данные к определению емкости бака
| Часы суток | Часовой расход в процентах от Qcyт.mаx | Подача воды насосной станцией в процентах от Qcyт.mаx | Алгебраическая сумма подачи и расход воды в процентах от Qcyт.mаx | Остаток воды в баке к концу каждого часа в процентах от Qcyт.mаx |
| 1 | 2 | 3 | 4 | 5 |
24-1 1-2 2-3 3-4 4-5 5-6 6-7 7-8 8-9 9-10 10-11 11-12 12-13 13-14 14-15 15-16 16-17 17-18 18-19 19-20 20-21 21-22 22-23 23-24 |
1,5 1,0 2,5 3,0 3,0 4,0 4,0 5,0 6,5 6,0 8,0 4,0 8,0 4,0 4,0 5,5 2,5 5,0 6,0 7,0 3,5 3,5 1,0 1,5 |
- - - - - 6,66 6,66 6,66 6,66 6,66 6,66 6,66 6,66 6,66 6,66 6,66 6,66 6,66 6,66 6,66 - - - - |
-1,5 -1,0 -2,5 -3,0 -3,0 +2,66 +2,66 +1,66 +0,16 +0,66 -1,34 +2,66 -1,34 +2,66 +2,66 +1,16 +4,16 +1,66 +0,66 -0,34 -3,5 -3,5 -1,0 -1,5 |
11-1,5=9,5 9,5-1,0=8,5 8,5-2,5=6,0 6,0-3,0=3,0 3,0-3,0=0 0+2,66=2,66 2,66+2,66=5,32 5,32+1,66=6,98 6,98+0,16=7,14 7,14+0,66=7,8 7,8-1,34=6,46 6,46+2,66=9,12 9,12-1,34=7,78 7,78+2,66=10,44 10,44+2,66=13,1 13,1+1,16=14,26 14,26+4,16=18,42 18,42+1,66=20,08 20,08+0,66=20,74 20,74-0,34=20,4 20,4-3,5=16,9 16,9-3,5=13,4 13,4-1,0=12,4 12,4-1,5=10,9 |
Максимальная величина остатка воды в баке определяет необходимую емкость бака Wб или резервуара. В данном случае она равна 20,74% или
Wб= Qcyт.mаx * 20,74/100=147,18 *20,74/100=30,5м3
2. Метод. Метод построения интегрального графика
Определение емкости бака по методу построения интегрального графика состоит в следующем. В выбранном масштабе по оси абцисс графика (рисунок 3) откладываем часы суток, а по оси ординат -суммарные часовые расходы воды в процентах от Qcyт.mаx . Нанеся точки и соединив их, получим интегральную кривую расхода воды. Так, например, для данного расчетного примера суммарные
часовые расходы воды в процентам от Qcyт.mаx будут равны
в точке 11 к концу 1 часа....1,5%
21 к концу 2 часа....1,5 + 1,0= 2,5%
З1 к концу 3 часа..2,5 +2,5 = 5%
41 к концу 4 часа.. 5,0 - 3,0 = 8,0%
51 к концу 5 часа8,0+ 3,0 = 11,0%
231 к концу 23 часа97,5+1,0 = 98,5%
241 к концу 24 часа98,5+1,5=100,0%
Далее наносим на график суммарную линию подачи воды насосом. За каждый час работы насос подает одинаковое количество воды и в данном расчетном примере работает с 7 до 19 часов. Интегральная кривая подачи воды насосом будет прямая линия (показана на графике 3).
Тогда объем бака Wб (резервуара) определится по формуле
Wб= Qcyт.mаx * (а+в)/100,
где Wб. объем бака, м3;
(а + в) - сумма двух отрезков - наибольших (определяющих расстояние по вертикали между общими кривыми), взятых по разные стороны кривой расхода воды, %. (Число 100) - проценты.
Тогда
Wб=147,18*(11+9,5)/100=30,5м3
В том случае, когда при построении интегрального графика кривые расхода и подачи не пересекаются, в формулу подставляется значение наибольшего расстояния по вертикали между кривыми расхода и подачи.
Обычно расчетную емкость Wб увеличивают на 2...3% с целью постоянного запаса воды. В том случае, если проектируется хозяйственно-пожарный водопровод, то емкость бака увеличивается на объем дополнительного пожарного запаса воды.