| Похожие рефераты | Скачать .docx |
Дипломная работа: Обзор и анализ технологий уборки зерновых культур различными способами
Содержание
Введение
1. Обзор и анализ технологий уборки зерновых культур
1.1 Комбайновая технология уборки
1.2 Некомбайновые технологии уборки зерновых культур
1.2.1 Трехфазная технология уборки зерновых
1.2.2 Полустационарная технология уборки зерновых культур
1.2.3 Стационарная технология уборки зерновых культур
1.2.4 Технология уборки зерновых культур методом очеса на корню
2. Конструкторская разработка
2.2 Обзор существующих конструкций
2.2.1 Рассмотрим первый привод режущего аппарата. Авторское свидетельство №1068065
2.2.2 Следующий привод разработан производственным объединением "Тульский комбайновый завод"
2.2.3 Другой привод разработанный тем же производственным объединением "Тульский комбайновый завод"
2.4 Предлагаемая конструкция
3. Конструкторско-технологические расчеты
3.1 Технологические расчеты
Выводы
Список используемой литературы
Дипломный проект предоставлен на ____ страницах машинописного текста, рисунков, таблицы, 24 источников и 5 листов графического материала.
РАСЧЕТЫ, ТЕХНОЛОГИЧЕСКИЙ ПРОЦЕСС, КОЭФИЦМЕНТ ТЕХНИЧЕСКОЙ ГОТОВНОСТИ, ОБЕМ РАБОТ, ЗАТРАТЫ ТРУДА, ЭКСПЛУАТАЦИНОННЫЕ РАСХОДЫ.
Объектом изучения является механизмы и устройство жатки сельскохозяйственных комбайнов.
В данной квалификационной работе проведен Обзор и анализ технологий уборки зерновых культур, различными способами. Комбайновая технология, некомбайновые технологии уборки зерновых культур: трехфазная технология уборки, полустационарная технология уборки, стационарная технология уборки зерновых культур, технология уборки методом очеса на корню, описал достоинства и недостатки каждой технологии.
Оценил состояния и перспективы механизации процессов уборки зерновых. Провел Анализ влияния конструктивно-кинематических параметров жатки на надёжность и качество выполнения технологического процесса. Сделал общий обзор существующих конструкций, рассмотрел существующие приводы режущих аппаратов.
Введение
В современном производстве продукции растениеводства широко используются машинные технологии. Под технологией в сельскохозяйственном производстве понимают систему производства, хранения, переработки и реализации продукции с конкретным количественными и качественными показателями при наименьших затратах труда, средств и энергии. Всякая технология - это результат многолетних научных исследований и полевых опытов. Технологии непрерывно совершенствуются и дополняются. Новые технологии могут быть рекомендованы к внедрению в производство после всесторонней проверки в хозяйственных условиях и получения положительного экономического эффекта.
Процесс создания машины состоит из нескольких этапов: зарождение идеи, воплощение идеи в техническое задание, разработка технического проекта, изготовление опытных образцов, их испытание, поставка на производство, массовое производство, старение, замена. Замена старой машины возможна лишь при появлении новых идей и научных разработок или модернизации старой.
Научно-технический процесс в механизации сельскохозяйственного производства направлен на снижение удельных затрат энергии, повышение производительности, улучшение показателей качества выполняемой работы и условий труда тракториста-машиниста, автоматизацию рабочего процесса машин, снижение техногенной нагрузки на природную среду.
1. Обзор и анализ технологий уборки зерновых культур
1.1 Комбайновая технология уборки
Зерновые, зернобобовые и крупяные культуры ежегодно высеваются на площади 60-80 млн. га, что более половины всех площадей в стране. Они возделываются в различных природно-климатических зонах, что определяет колебания урожайности, высоты и состояние стеблестоя, засоренности и влажности растений. Погодные условия также изменчивы и не всегда благоприятны в период уборки. Уборка - завершающий этап всех полевых работ. Убрать вовремя и без потерь то, что выращено - такова первая заповедь земледельца.
Основными и единственными средствами уборки зерновых культур служат комбайны, парк которых все время увеличивается.
Уборка хлебов в среднем по стране продолжается не менее 25-30 дней, что соответствует агротехническим требованиям. В связи с этим возрастают потери не зерновой части урожая - соломы и половы, так необходимых для нужд животноводства.
Зерновые комбайны могут нормально работать лишь при определенных погодных условиях, хорошем хлебостое и малой засоренностью полей. Допустимой влажности зерна и не зерновой части урожая, исправном техническом состоянии и соответствующей регулировке механизмов комбайнов. Комбайны не могут работать ночью, когда выпадает роса, сразу после дождя, пока не просохнет хлебостой и валки.
Существует три вида комбайновой технологии отличающихся способом сбора незерновой части урожая, с копнением, измельчением и валкованием.
Первый вид технологии широко применяется. Комбайн с навесными копнителями малой вместительности (9м3 ) для собора соломы половы оставляют на поле небольшие копны. При скашивании полей на проб поля теряется почти вся полова и значительная (до 35%) часть соломы, рассеиваются по полю семена сорняков. Во многих случаях копна остаются на поле длительное время в плоть до весны, что исключает своевременную и высококачественную подготовку поля под урожай будущего года. Негде в мире подобный вид уборки не применяется.
При использовании технологии второго вида вместо копнителя комбайн оборудуется измельчителем - устройством, которое измельчает солому подаёт её вместе с половой (или только полову) в прицепную тележку. Комбайн становится громоздким агрегатом, затрудняется выгрузка зерна на ходу.
При технологии третьего вида вместо копнителя или измельчителя комбайн оборудуется щитками для образования валка соломы с половой укладываемого на поле, в процессе уборки при подборе валков большая часть половы теряется, а общие потери с половой достигают 30%
Разработка новых технологий
Идёт по двум направлениям - это совершенствования технологии уборки с использованием зерно уборочных комбайнов и разработка совершенно новых и безкомбайновых технологий.
К совершенствованным комбайновым технологиям уборки зерновых культур обеспечивающим одновременную уборку всего биологического урожая можно отнести: комплекс УНИИМЭСХ (Украинский НИИ) и способ "невейка". Комплекс УНИИМЭСХ с различными его вариантами получил достаточно широкое распространение в южных районах Европейской части России. Это объясняется природно-климатическими особенностями возделывания (благоприятными) зерновых культур в этих районах и тем, что он базируется на серийно выпускаемых комбайнах. Этот способ базируется на однофазной и двухфазной технологии уборки и заключается в том, что комбайн вместо копнителя оборудуется измельчителем соломы, которая измельчается и подается в совместную с половой в прицепную ему тележку, либо подается в тележку только полова, а измельченная солома разбрасывается по полю. Существует и другие различные варианты в данной технологии.
Процесс уборки по этой технологии осуществляется следующим образом.
Комбайн, оборудованный режущим аппаратом или подборщиком, срезает массу или подбирает валок, обмолачивает, отделяет зерно от крупного и мелкого вороха, а солому измельчает. Измельчённая солома с половой подается, в тележку с ёмкостью 45м3 . По мере накопления тележки её отсоединяют от комбайна, а на её место подсоединяют новую. Заполненная тележка с измельченной незерновой частью транспортируется к месту хранения.
Основной недостаток рассмотренной технологии состоит в том, что он не согласуется с принципиальными положениями индустриальных технологий (основанными на упрощении мобильных машин и переносам сложных процессов на стационар), так как усложняется и без того сложный процесс и сам комбайновый агрегат. Затрудняется организация работ ибо комбайн оказывается связанным с транспортом по двум потокам - зерновому и незерновому. Бесперебойная работа комбайна возможна за счёт создания существенного избытка.
Многочисленными испытаниями комплекса в различных условиях установлена, что на веской измельчителя соломы на комбайн снижает его пропускную способность на 10-15%. С учётом этого и дополнительных затрат времени на смену тележек, эксплуатационная производительность комбайна снижается в среднем на 25%. Установлено, что срок служб комбайна с измельчителем ниже в среднем на 43%.
Для обеспечения поточного выполнения уборочного процесса и совершенствования технологий уборки незерновой части урожая при использовании высокопроизводительных комбайнов. УНИИМЭСХ обосновывая технологические параметры быстро разгружающегося универсального прицепа вместительностью кузова до 60м3 . На ряду с выполнением функции сменной ёмкости для сбора и транспортировки измельчённой соломы и половы при поточной уборке хлебов, новый прицеп может формировать и быстро выгружать на поле копна соломы равномерно смешанной с половой, массой 2т. Так же копны не будут замыкать при выпадении осадков. Складирование незерновой части при уборке хлебов будет осуществляться при помощи агрегата УСА-10. Оборудование зерноуборочных комбайнов совершенными конструкциями измельчителей ПУН - 6 расширили возможность организации уборки всего биологического урожая комплексом УНИИМЭСХ, но остались не устраненными перечисленные выше недостатки присущие данному комплексу.
Всесоюзный институт механизации - ВИМ, УНИИМЭСХ, СибИМЭ и другими организациями разрабатывается и проверяется технология обработки невеяного вороха на стационаре - "Невейка".
Технология уборки с получением "невейки" основана на применении упрощенной мобильной машины, в том числе комбайна или подборщик-молотилка настраивается на получение зернового вороха с содержанием 20-30% соломистых частиц и половы, а основная часть соломы разбрасывается по полю, либо укладывается в валок с последующей уборкой различными комплексами машин для незерновой части урожая. Зерновой ворох транспортируется автомобилями или транспортными тележками на зерноочистительный пункт, оборудованный дополнительной приставкой в виде ворохоочистителя, обеспечивающий получение зерна с чистотой 92-98%.
Комплекс машин для получения "невейки" включает волновую жатку, упрощенную конструкцию комбайна, имеющего возможность работать на срезе хлебной массы или подборе валков, самосвальный транспортный прицеп емкостью 45-70 м3 , ворохоочиститель ВН-12, производительностью 12 кг/с, вписанный в технологическую схему зерноочистительного пункта. Выделенный ворохоочистителем мелкий ворох, пневмотранспортом направляется в скирдооформитель половы.
Интересное решение по технологии "невейка" предложено челябинским институтом (ЧИМЭСХ). Оно заключается в использовании валковой жатки-накопителя, которая обеспечивает формирование хлебного валка шириной 4-5метров с полосы 6-ЮОметров. Это обеспечивается наличием у жатки платформы с транспортером, движущимся с малой скоростью в направлении, обратном движению жатки. По мере продвижения жатки (ширина захвата 4метра), скошенная масса непрерывно отводится транспортером от режущего аппарата, накапливаясь на платформе. Когда масса на платформе достигает противоположного края (платформа полностью заполняется хлебной массой), включается повышенная скорость транспортера и происходит разгрузка платформы с образованием поперечного валка. При следующем проходе, платформа разгружается хлебный валок перпендикулярно движущийся жатке. Благодаря формированию мощных валков предусматривается использовать молотилку с роторным молотильно-сенорежущим устройством двухфазного обмолота, позволяющий осуществлять дифференцированный сбор "невейки" с более ценным зерном, полученным при первой фазе обмолота и "невейки" с остатками зерна, выделенного из хлебной массы при жестком режиме второй фазы обмолота. Общая производительность полевой молотилки при ширине ее 4-5метров составляет 20-30кг/с. Молотилка имеет два бункера для раздельного сбора "невеек".
Обработка "невеек" обеих фракций осуществляется в конце гонов с помощью передвижного сепаратора. Длина гона выбирается с расчетом заполнения одного из бункеров полевой молотилки к концу гона. Сепаратор выполняется также двухпоточным для раздельной очистки семян обеих фракций. Очищенное сепаратором зерно первой фракции собирается раздельно в бункера-накопители сепаратора, из которых она отвозится на зерноочистительный пункт, для последующей обработки. Полова обеих фракций собирается в тележку или укладывается в бурты для последующей отвозки ее к месту хранения или потребления. Солома либо укладывается в валок, либо разбрасывается по полю.
Таким образом, комбайновая технология уборки зерновых культур не отвечает агротехническим и хозяйственным требованиям хозяйств.
Основные направления поисковых научно-исследовательских работ - разделение процесса уборки хлебов на скашивание и немедленную вывозку с поля хлебной массы и последующей обработкой на стационарных или полустационарных пунктах.
1.2 Некомбайновые технологии уборки зерновых культур
1.2.1 Трехфазная технология уборки зерновых
К не комбайновым технологиям уборки зерновых культур, обеспечивающим уборку всего биологического урожая можно отнести:
Трехфазную, полустационарную и стационарную.
Трехфазная технология, разработанная ВИМ предусматривает скашивание хлебной массы широковалковой жаткой с укладкой ее в валки для дозревание, подбор валков подборщиком-измельчителем, измельчение хлебной массы с погрузкой ее в транспортные средства (тракторные тележки большой емкости), перевозка на стационарный пункт измельченной массы, домолот ее молотилкой, оборудованной дозатором, обеспечивающим равномерную подачу массы в молотилку, очистку зерна на специальном ворохоочистителе и складирование соломы и половы с помощью скирдооформителей. Подача соломы и половы в скирдооформители осуществляется с использованием пневмотранспорта.
Этот способ предусматривает широкое использование электроэнергии, внедрение автоматизации технологического процесса, т.е. перевод процесса уборки на промышленную основу. Вместе с тем испытание комплекса машин для уборки трехфазным способом, проведенные на Северо-Кавказкой МИС, показали, что по сравнению с комбайновым, снижаются затраты рабочего времени и прямые издержки, расход топливосмазочные материалов при одновременном увеличении производительности на 25-30%. При этом обеспечивается полный сбор грубых кормов и поля очищаются от незерновой части урожая для подготовки и последующим почвообрабатывающим операциям.
Для уборки зерновых трехфазным способом выпускали комплекс машин, который включает полевой подборщик-измельчитель, тележку с кузовом вместимостью 42м3 и стационарный пункт. Транспортер-дозатор, молотилка-сеператор и устройство для отвода зерна и незерновой массы смонтированы на транспортном устройстве. Машины стационарного пункта обслуживает один рабочий, а полевого два. Производительность подборщика-измельчителя составляла - 25 кг/с, молотилки-сепаратора - не более 5.0 кг/с. Чтобы доставить весь биологический урожай для обработки на стационарный комплекс, необходимо большое число транспортных средств, т.к. плотность измельченной массы составляет 50 - 83,7 кг/м3 . исследования показали, что трехфазная технология наиболее эффективна в сочетании с комбайновой. Значительная неравномерность подачи массы в молотилку, а также неравномерное распределение вымолоченного зерна в кузове тележки снижает пропускную способность молотилки и повышает дробление зерна. Наличие в хлебной массе частично вымолоченного зерна приводит к дополнительной потери при транспортировке. Другим недостатком трехфазного способа уборки является меньшая, по сравнению с комбайновым способом, универсальность оборудования. Указанные недостатки в какой-то степени послужили причиной тому, что работы по всесторонней производственному проведению данной технологии были прекращены. Однако работы по созданию перспективных технологий уборки с учетом недостатков, отмечены при трехфазной технологии, продолжаются в настоящее время различными организациями.
уборка зерновая культура комбайновый
1.2.2 Полустационарная технология уборки зерновых культур
Полустационарная технология предложенная харьковской опытной станцией УНИИМЭСХ, предусматривает сокращение потребности в транспорте. По этой технологии хлебная масса виде розвязи вывозится на край поля и выгружается в емкость специального загрузного устройства молотилки. Отсюда она дозирующими устройствами равномерно подается на обмолот. Выходящая из молотилки солома скирдуется присоединенным к молотилке скирдооформителем. Убрав один участок, молотилка в месте с полевыми агрегатами переходит на следующий. В данной технологии должно четко соблюдаться равномерность поступления массы в загрузочное устройство молотилки, что очень трудно выполнить в связи с огромным количеством случайных факторов (урожайность, соломистость, влажность, метеоусловия).
Неравномерность поступления хлебной массы к месту переработки требует организации межоперационного накопителя. Причем его размеры необходимо выбрать как раз из условия предупреждения простоя транспортных средств из-за отсутствия места для выгрузки, так и простоев молотилки из-за несвоевременного подвоза. По расчетам, применительно к транспортным емкостям 45-50м3 и пропускной способностью молотилки 8кг/с. Бесперебойная работа будет обеспечиваться в случае, когда в накопителе может разместиться не менее 10-12 порций.
Для условий Казахстана и других районов страны со сходными природными условиями НПО совместно с ВИМ и другими организациями разработали новую технологию уборки зерновых культур.
По данной технологии предусматривается скашивание хлебостоя с одновременным сбором не обмолоченных стеблей в кузов, транспортировку их на край поля, обмолот с выделением зерна и одновременным или последующим сбором соломы и половы.
В качестве полевой машины предусматривается использовать самоходную жатку-стогообразователь, унифицированную на моторно-ходовой части трактора
Т-150К, кузова-стогооброзователя СПТ-60.
Технологический процесс работы самоходной жатки заключается в том, что скошенная или подобранная из валка хлебная масса наклонным транспортером и приемным битером подается в приемную часть пневмотранспорта, где она подхватывается воздушным потоком и по каналу подается в кузов. Дефлектор пневмотранспорта позволяет равномерно загрузить массу по длине и ширине кузова. После его заполнения, агрегат останавливается для уплотнения массы в кузове путем опускания его крышки. Затем она поднимается и агрегат продолжает работу. Для хорошо сформированного стога достаточно двух-трех уплотнений. Выгрузка стога осуществляется в ряд к торцу ранее выгруженного стога. После выгрузки стога машина возвращается в загон и начинается новый цикл.
Специальная разбивка поля на загоны позволяет сократить средний путь вывоза урожая до 250-ЗООм. В связи с этим отпадает необходимость применения других машин для транспортировки урожая к месту обмолота и исключается простои при взаимном простое полевых и транспортных средств. Жатка-стогообразователь универсальная, не требует специальных регулировок, даже с изменением погодных условий.
Обмолот стогов выполняется высокопроизводительной молотилкой по поточной и последовательным схемам. По первой схеме уборка и обмолот выполняется одновременно.
Двигаясь со скоростью 0,02-0,03 м/с вдоль ряда стогов, молотилка с помощью питателя дозатора, навешанного вместо жатки, забирает технологический материал из стога и равномерно подает его на обмолот. Очищенное зерно загружается в бункер, а солому и полову можно собирать различными способами, например, полову загружать в прицеп, а солому отводить транспортером и укладывать параллельно линии движения молотилки. Отвоз зерна можно осуществлять большегрузными автопоездами. Необходимо, чтобы одну молотилку обслуживали не менее трех полевых машин.
При последовательной схеме обмолота стогов по краю поля все процессы уборки выполняются с разрывом во времени уборка с поля в жатые сроки, а обмолот - в благоприятное для хозяйства время, когда нет дефицита кадров, транспортных средств.
В этом случае необходимо, чтобы стога, выгруженные жаткой-стогообразователем, были хорошо завершены, а выгрузка осуществлялась на подстилку из сухой соломы.
Многократными исследованиями было установлено. Что в условиях Казахстана естественная сушка урожая в стогах, сформированных из стеблей в фазе восковой спелости зерна, собранных во время рос и не полностью просохших после дождя вполне удовлетворительна.
К полустационарным технологиям относится и технология, разработанная в УНИИМЭСХ - ленточная технология уборки всего биологического урожая зерновых культур с обмолотом на краю поля и заключается в следующем.
При скашивании растений или их подборе хлебная масса со всей шириной два метра, которая перемещается по стерне в месте с жатвенным агрегатом. Достигнув края поля жатка специальным устройством подает хлебную массу на питающий транспортер стационарной молотилки, расчетная производительность которой 12-14 кг/с. Обмолоченное зерно автомобилями вывозят на пункт послеуборочной обработки, а не зерновую часть подают в передвижной стогообразователь, формирующий стога массой 8-Ют. для длительного хранения.
По данным УНИИМЭСХа в комплекс машин для реализации предложенной технологии должны входить две молотилки расположенные на противоположных краях загонки, шесть жаток с ленточными накопителями хлебной массы. Молотильные агрегаты должны перемещаться поперек загонок, вдоль которых движутся валковые жатки, обеспечивающие их бесперебойную работу.
Ленточная технология позволяет очистить поля от не зерновой части урожая одновременно с уборкой зерна, исключить использование сложных машин в поле, повысить качество уборочных работ.
1.2.3 Стационарная технология уборки зерновых культур
Развитие растений в Сибири отличается значительной неравномерностью созревания. Кроме того, в период уборочных работ, как правило, хлебная масса имеет повышенную влажность. Следовательно, для условий Сибири необходимо применять такую технологию уборки зерновых культур, которая бы учитывала эти особенности их возделывания. Все рассмотренные выше технологии требуют либо полного созревания хлебной массы и низкую влажность, либо фазу восковой спелости.
В связи с этим СибИМЭ предлагает технологию уборки зерновых с дозреванием и подсушкой хлебной массы на стационаре. Проведенные исследования говорят о возможности применения такой технологии в районах Сибири и Дальнего Востока.
Суть технологии заключается в том, что хлебная масса скашивается в период восковой спелости специальной жаткой-погрузчиком и подается в транспортные средства, которые доставляют ее на стационар. На стационарных площадях она складируется для дозревания и активного вентилирования. По мере готовности хлебной массы в скирдах, она обмолачивается передвижной молотилкой, оборудованной специальным дозатором. Солома и полова скирдуется, а зерно доставляется на пункт послеуборочной обработки. Данная технология находится лишь в стадии лабораторных исследований.
Кубанская индустриальная технология уборки зерновых культур на стационаре предусматривает скашивание хлебной массы с измельчением и транспортировкой, дозированную подачу в сушку, сушку с сепарацией, домолот массы, очистку зерна и транспортировку соломы и половы до места хранения, переработку их на корм. Комплекс машин для этой технологии включает насос-накопитель, две линии дозирования, до сушки, сепарации и домолота хлебной массы, линии транспортирования зерна, соломы и половы, бункер накопитель зерна емкостью 10т., склад половы, открытые склады соломы, пункт по переработке не зерновой части урожая на корм.
Для скашивания (подбора) хлебной массы используется переоборудованные комбайны типа "Нива" и "Енисей", а транспортировку измельченной массы герметизированные тракторные тележки емкостью 45-50м3 .
Рабочий процесс по данной технологии осуществляется следующим измельчается, подается в тележку транспортируется в склад-накопитель и дозирующим устройством, которые равномерно подают ее на две сушильно-сепарирующие машины. В процессе движения массы по сушильно-сепарирующим линиям вся масса при необходимости подсушивается горячим воздухом, подаваемым двумя теплогенераторами ТАУ - 1,5. При этом вымолоченное при измельчении зерно сепарируется и подается в бункер-накопитель, а оставшаяся масса с невымолоченным зерном подается в комбайн-молотилки, которые осуществляют домолот, отделяют зерно от крупного и мелкого вороха. Очищенное зерно также подается в бункер-накопитель или отводится транспортером на послеуборочную обработку. Пневматические линии транспортируют полову и солому от комбайнов к местам складирования и переработки. Часть соломы складируется, а другая часть подается на линию обогащения и грануляции.
В этой технологии используются как производственные машины, так и часть, специального для данной технологии переоборудованные.
Отличительной особенностью данной технологии по сравнению с вышерассмотренными, является законченность процесса. В единую технологическую линию на стационаре увязаны пункты по обмолоту зерна, по послеуборочной обработке и производству кормов из не зерновой части урожая. Уборка зерновых с обработкой на стационаре испытывается в Латвии.
По этой технологии убранную измельченную массу Зеровых без предварительной подсушки транспортируют на стационар, где она дозируется и подается в молотилку зернокомбайна, а продукты обработки в комбайне направляются: зерно на зерноочистительносушильный пункт, полова на АВМ, солома на хранение или использование при силосовании. Стационарный пункт представляет собой асфальтированную площадку, у животноводческого комплекса, защищенную навесом.
Комплекс машин для данной технологии включает машины: Е-281 или КСК-100 настроенные на максимальную длину резки 120-150мм., погрузку измельченной массы в транспортное средство, измельченная масса транспортируется на стационарный пункт, где установлены дозаторы ПЭМ-1,5и комбайн СК-5 "Нива". Солома при помощи пневмотранспорта подается на силосование или складируется на вентиляционных установках. При оборудовании комбайна СК-5 приспособлением ПУН-5, полова и солома загружается в прицеп и транспортируется к месту складирования.
Результаты проверки данной технологии уборки зерновых культур в хозяйствах показали, что использование приспособленных для этой технологии серийных машин мало эффективно и не найдет широкого применения в хозяйствах.
Проводится поиск новых технологических процессов уборки зерновых культур и зарубежном, например шведская фирма совместно с финской разработала и испытала новый метод уборки зерновых культур: убирается весь биологический урожай и доставляется в перерабатывающий цех, где проводится сушка массы ее сепарация, выделение зерновой части урожая и переработка не зерновой части на кормовые цели, топливо, подготовка сырья для целлюлозной промышленности.
Скашивание массы проводится самоходной машиной, имеющий жатку захватом 3,6 метра, измельчающий механизм, съемный контейнер емкостью 40м3 . Срезанная масса и измельченная, воздушным потоком подается в контейнер, который после заполнения перегружается на краю поля на автотранспорт, доставляющий его на стационарный пункт.
Перерабатывающий цех включает в себя: высокопроизводительную барабанную сушилку, осуществляющая сушку всей поступающей массы. После сушки солома разделяется на фракции в зависимости от плотности массы, полова и семена сорняков перерабатывается в кормовые, гранулы, а солома обрабатывается щелочным раствором и перерабатывается в комбикорм. Стационарный пункт обеспечивает выход зерна с влажностью 13% при производительности 15т/час. Уборка может осуществляться в неблагоприятные погодные условия, и за счет снижения потерь зерна, повышает его валовые сборы.
Значительные исследования по уборке всего биологического урожая проводятся в США, Дании, Голландии. Все это говорит о том, что существующие технологии уборки зерновых культур не удовлетворяют современным требованиям жизни и ждут своего разрешения с учетом конкретных природно-климатических, хозяйственных и других требований.
1.2.4 Технология уборки зерновых культур методом очеса на корню
Затраты на уборку риса и других метелочных культур превышают 30% расходов на их производство. При этом серьезную проблему представляют собой потери, дробление, обрушивание и микротравмирование зерна в процессе уборки.
На основе анализа технологии уборки, конструкций уборочных машин и их молотильно-сепарирующих аппаратов, результатов, проведенных в различных НИИ, исследования физико-механических свойств метелочных культур разработана технология уборки методом очеса на корню и последующим сбором продукта обмолота. Были
разработаны машины, в которых зерно отделяется от метелки на корню при исследовательном прочесывании стеблей специальными гребенками или щетками размещенными на барабане. Установлено, что при уборке методом очеса растений на корню получается меньший зерносоломистый ворох, который состоит для риса из 70-80% свободного зерна, 20-30% оборванных метелок и 5-7% соломистых частиц. Очесывающий аппарат можно устанавливать на специальный комбайн в качестве приставки к серийному комбайну и в варианте, когда мелкий зерносоломистый ворох направляется от очесывающего аппарата в бункер, а затем выгружается в тележку и вывозится на стационарный пункт, где из него выделяют зерно и необмолоченные метелки.
На основании обзора и анализа существующих технологий уборки зерновых культур можно сделать краткий вывод, что при применении какой либо из технологий уборки необходимо учитывать природно-климатические, технические и экономические условия хозяйства. Все технологии имеют свои преимущества и недостатки. Рассмотренные безкомбайновые технологии уборки зерновых культур имеют ряд недостатков, которые не позволяют широко применять.
К таким недостаткам относится: большое число транспортных средств, чтобы доставить весь биологический урожай на стационарные комплексы, используемая техника и оборудование менее универсально в отличие от комбайнового способа уборки, большое использование электроэнергии, использование приспособленных для этих технологий серийных машин малоэффективно и не найдет широкого применения в хозяйствах.
По этим причинам наиболее эффективным и широко применяемым способом для уборки зерновых культур является комбайновый способ уборки. Но конструкторские разработки достигли наивысших увеличение производительности молотилки ведет к увеличению и без того большие габариты и массу комбайна.
Так как, производительность комбайна нельзя увеличить, то необходимо усовершенствовать и разрабатывать новые приспособления и приставки к машине, которые позволяют увеличить производительность комбайна.
2. Конструкторская разработка
2.1 Анализ влияния конструктивно-кинематических параметров жатки на надежность и качество выполнения технологического процесса
Анализ отказов зерноуборочных комбайнов, проведенный на основе результатов испытаний в условиях эксплуатации, показал, что свыше 20% от общего числа их приходится на жатки. Если учитывать показания посторонних предметов (камней) в рабочие органы жаток, то доля отказов еще больше возрастет. При классификации их по группам сложности установлено, что 70% отказов относится к первой группе сложности и около 25% ко второй.
Основные причины отказов привода рабочих органов жатки - недостаточные жесткость и прочность конструкций, низкое качество сварки, т.е. причины как конструкционного, так и технологического характера. В следствии воздействия переменных нагрузок (в первую очередь от возвратно поступательных движущихся масс) из-за усталостных явлений происходят разрушения подшипников, валов колебателей, деформация и разбивание подвесок ножей, излом компенсирующей пластины, поломки валов и соединительных элементов. Как показывает практика не все комбайнеры а так же специалисты не могут правильно провести регулировку привода режущего аппарата жатки (биение торца вала качающейся шайбы - не должно превышать 0,5 мм), т.е. регулируется на глаз, а не при помощи инструкций по регулировки и измерительных приборов, что приводит к повышенной вибрации привода, шуму, разрушения подшипников качающейся шайбы, в результате чего увеличивается простой техники в поле и снижения суточной производительности.
2.2 Обзор существующих конструкций
Проводя поиск новых изобретений, привода режущего аппарата жатки, в патентном бюро Красноярской краевой научной библиотеки, я, из большого количества предлагаемых конструкторских разработок, отобрал несколько вариантов, которые предлагаю рассмотреть в этой части дипломного проекта и сравнить их с предлагаемой мною конструкцией механизма привода режущего аппарата травяной жатки кормоуборочного комбайна.
2.2.1 Рассмотрим первый привод режущего аппарата. Авторское свидетельство №1068065
Изобретение относится к сельскохозяйственному машиностроению и используется в механизмах привода режущих аппаратов. Цель изобретения - увеличение надежности привода за счет снижения уровня вибрации и динамических нагрузок в его звеньях путем исключения избыточных связей.
На рисунке 1 приведена кинематическая схема привода.
Привод режущего аппарата, содержащий основание-1, на котором закреплен дифференциальный редуктор-2, ведущие валы-3, качающиеся шайбы-4, валы колебателен с рычагами-5, шатуны-6, коромысла-7, нож-8, колен валов 3 расположенных в одной плоскости под углом 180°. На основании 1 на подшипниках качения 9 установлены ведущие валы-3. На ведущих валах на подшипниках качения 10 установлены качающиеся шайбы 4. качающиеся шайбы 4 сопрягаются с валами колебателей 5 с помощью игольчатых подшипников 11. валы колебателей установлены на основании 1 с помощью сферических шарниров 12, допускающих осевое смещение.
Механизм работает следующим образом: вращение ведущих валов 3, осуществляется от дифференциального редуктора 2, преобразующая в сферическое движение качающимися шайбами, совершают движение ножа синфазное качательное движение. Качательное движение валов колебателей 5 преобразуется в возвратно-поступательное движение ножа 8 с помощью шатунов и коромысел 7. в предлагаемом привод в виду отсутствия избыточных связей при сборке и монтаже происходит автоматическая установка звеньев 3,4,5 таким образом, что компенсирует погрешности изготовления звеньев привода.

Рис.1 кинематическая схема привода, р. а.
Преимуществом предлагаемого привода по сравнению с прототипом является уменьшение износа в кинематических парах, повышение коэффициента полезного действия, уменьшение продолжительности обкатки, самоустанавливаемость звеньев.
Кроме того, в предлагаемом приводе перемещение ножа осуществляется постепенно путем вытягивания ножа относительно противорежующих пластин попеременно с одной и другой стороны.
Недостаток привода в том, что дифференциальный редуктор придется расположить под питающим устройством комбайна, что затруднит условие монтажа и демонтажа, и усложнит передачу крутящего момента от ВОМ к редуктору привода.
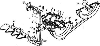
2.2.2 Следующий привод разработан производственным объединением "Тульский комбайновый завод"
На рисунке 2 показан общий вид привода режущего аппарата.
Привод режущего аппарата содержит приводной вал 1, на свободном конце которого размещен кривошип, выполненный в виде пары зубчатых колес 2 и 3 с одинаковым числом зубьев, находящихся в зацеплении и размещенных в корпусе 4 на осях 5 с постоянным межцентровым расстоянием. Колесо 2 эксцентрично закреплено на приводном валу 1, а колесо 3 при помощи эксцентрично установленной оси 6 соединено с одним из концов шатуна 7, другой конец которого связан с узлом изменения направления исполнительного движения выполненным в виде зубчато-реечного механизма, состоящего из двух, расположенных друг к другу реек 8 и 9, контактирующих с колесом 10, установленным в корпусе 11 на оси 12, причем рейка 8 соединена с шатуном 7, а рейка 9 кинематически связана с подвижным ножом 13 режущего аппарата.
![]() |
Рис.2 Привод режущего аппарата.
Привод межующего аппарата работает следующим образом: вращение приводного вала 1 передается эксцентрично установленному зубчатому колесу 2, входящему в зацепление с колесом 3. поскольку оба колеса установлены в корпусе на осях 5 с постоянным межцентровым расстоянием, колесо 3 одновременно совершает движение относительно приводного вала 1 и во круг собственной оси 5. одна из точек колеса 3, совпадающая с эксцентрично расположенной осью 6, совершает при этом прямолинейное движение возвратно поступательное движение, которая при помощи шатуна 7 передается на зубчатую рейку 8, входящую в зацепление зубчатым колесом 10, которая, вращаясь, передает исполнительное движение на подвижный нож 13, режущего аппарата. При необходимости, используя соответствующею конструкцию корпуса 11, возможна передача исполнительного движения рейками 8 и 9 под углом, отличном от прямого. Зависимость между движением исполнительного звена (ходом подвижного ножа 13 режущего аппарата) и эксцентриситетом зубчатых колес 2 и 3 определяется отношением 4: 1.
Наличие в конструкции привода режущего аппарата кривошипа, выполнена виде пары зубчатых колес, обеспечивает более благоприятные условия работы, а применения зубчато-реечного механизма позволяет без искажений передавать исполнительное движение на подвижный нож режущего аппарата. Надежность привода обеспечивается более плавной работой.
Недостаток привода в зубчато-реечном механизме, из-за сил трения, возникающих между корпусом 11 и зубчатыми рейками 8 и 9, корпус механизма со временем износится, что приведет к увеличению зазора между рейками 8 и 9, входящими в зацепление зубчатым колесом 10.
Из-за больших линейных размеров привода по направлению движения машины, компоновка его на травяную жатку затруднена, требует больших затрат труда и средств.
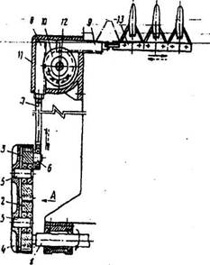
2.2.3 Другой привод разработанный тем же производственным объединением "Тульский комбайновый завод"
Привод изображен на рисунке 3.
Целью изобретения является упрощение конструкции и повышение надежности путем использования дополнительного качательного движения качающейся шайбы. Механизм привода ножа режущего аппарата сельскохозяйственных машин включает: корпус 1 с подшипниками 2, в которых располагается коленчатый вал 3, содержащий выступ 4 контактирующий с внутренними кольцами конических подшипников 5, зафиксированными в корпусе шайбы 6 подшипниками 7, образующими герметическую полость, заполненную смазкой. Выходной вал 8 одним концом жестко связан с шайбой 6, а другим с рычагом 9, верхнее плечо которого соединено с базовой поверхностью 1 - по средствам серьги П. нижнее плечом рычага 9 шарнирно связано при помощи серьги 12 с головкой 13 подвижного ножа 14. на коленчатом валу 3 расположен шкив 15, соединенный клинорёмевной передачей 16 с приводным валом 17. коленчатый вал, вращаясь в подшипниках 2, воздействует через конические подшипники 2 на шайбу 6. шайба 6 одновременно совершает два движения: вращения относительно собственной оси симметрии и качения в промежутки между опорами подшипников 2. выходной вал 8 является промежуточным звеном между шайбой 6 и рычагом9. В верхнее плечо рычага 9 шарнирно связано с базовой поверхностью 10, серьгой 11, компенсирующее его паразитные движения, а нижнее движения при помощи серьги 12 - с головкой 13 подвижного ножа 14, обеспечивая этим его возвратно-поступательное движение.

Рис.3 привод режущего аппарата А.С. №1678235.
Благоприятные условия работы механизмы привода обеспечены тем, что используется одновременно два движения шайбы 6: вращательное и качательное: рычаг 9 позволяет уменьшать угол качания шайбы 6 и воспринимает основные динамические нагрузки: геометрическая полость шайбы заполненной смазкой. Смазка подшипника 2 удерживается защитными шайбами (используются стандартные подшипники с защитной шайбой). Для теплоотвода используется максимальная площадь отвода механизма.
Недостаток привода в большом количестве кинематических связей отличающиеся жесткие требованиями к точности изготовления и предлагающих расширенную номенклатуру используемых для расширения деталей и стандартизированных узлов, что делает конструкции привода сложной и недостаточно надежной.
2.4 Предлагаемая конструкция
Привод режущего аппарата. Авторское свидетельство №1182699.
Изобретение относится к области сельскохозяйственного машиностроения. Надежность привода обеспечивается за счет исключения проскальзывания роликов по ребру.
По одной стороне вала на осях 3,4 расположена качалка 5 и рычаг 6. Один конец рычага связан шарнирно при помощи звена 7 с качалкой 5 и снабжен контактирующими с винтовой поверхностью 1 вала роликом 8, а другой конец взаимодействует с ножом режущего аппарата при помощи серьги 9. на конце качалки смонтирован ролик 10. также контактирующий с винтовой поверхностью 1 вала в точке А.

Рис.4 привод режущего аппарата А.С. № 118 2699
Вращение вала с винтовой поверхностью 1 передается через звездочку 11 посредствам цепи от карданной передачи от измельчителя. Привод работает следующим образом: от карданной передачи измельчителя через цепь крутящий момент через звездочку 11 передается на вал, винтовая поверхность 1 которого вращаясь, действует на ролики 8 и 10, отклоняя рычаг 6 и качалку 5 то влево, то в право. Конец рычага 6 через серьгу 9 перемещает нож режущего аппарата в возвратно-поступательное движение, тем самым происходит процесс резания.
Смещение роликов на величину Ь в сторону от плоскости, проходящий через ось вала с ребром, обеспечивает нахождение точки контакта роликов и ребра в данной плоскости. Это исключает проскальзывание и увеличивает надежность и ресурс работы привода, так как векторы скоростей ребра и роликов в данной точке совпадают.
3. Конструкторско-технологические расчеты
3.1 Технологические расчеты
Резание осуществляется ножами, которые представляют собой плоский клин. Сила приложенная к клину, вызывает значительное удельное давление между лезвием и материалом, что приводит к разрушению связей между отдельными частицами материала.
Рассчитаем силу Р, прилагаемую к ножу для преодоления сил сопротивления в процессе резания.
Для начала определим подачу Ь по формуле:
Ь = (30 Ум ) /п (3.1)
Где Ь - подача, м;
Ум - скорость машины, м/с;
| 1. |
п - частота вращения привода ножа, мин;
Ь = (30 3,3) /778 = 0,127 м
Находим площадь подачи Р.
Под площадью подачи понимают площадь с которой срезаются стебли ножом за один его ход 5
Р = Ь 3 (3.2)
Где Р - площадь подачи, м; 8 - ход ножа, м;
Р = 0,127 0,0762 = 0,00967 м2
Площадь нагрузки Гн .
Площадь нагрузки называется площадь, с которой срезаются стебли у данного пальца.
ГН =КР (3.3)
где Г" - площадь нагрузки, м2 ;
К - коэффициент характеризующий режущий аппарат, К=1; ГН =1 0,00967 = 0,00967 м2 Находим усилие на срез стеблей режущим аппаратом, по формуле.
Рср = (Е * 2) /хр (3.4)
Где Е - работа, затрачиваемая на срез растений с 1 см2 , Е = 0,02
2 - число пальцев;
2 = ВIо
Где В - ширина захвата режущего аппарата.
В = 420 см, в нашем случае два ножа.
1о - шаг противорежущей части, см.
2 = 420/ (2.7,62) = 27
хр - путь перемещения в процессе резания,
Рср = (0,02.96,7.27) /0,027 = 1374,2 Н
Найдем силу трения по формуле:
Рср = т * тн * Г
Где: т - коэффициент трения сегмента о противорежущую пластину Г=0,25;
тн - масса ножа, кг;
§ - ускорение свободного падения.
Рср = 0,25 * 4,8 * 9,81 = 11,7 Н
Находим силу сопротивления движению ножа.
N=Рср + Р (3.6)
N=1374,2+11,7 = 1385,9 Н

3.2 Прочностные расчеты
Расчет рычага на изгиб
Р1 = 1385,9 Н; Р2 = 2771,8 Н;
М1 = Р1 * х1 = 1385,9 * 0,164 = 227,2 Нм
М2 = Р2 * х2 = 2771,8 Нм
Находим момент сопротивления для прямоугольного сечения.
У = ВЬ2/6
У= 1 * 2 * 2/6 = 0,6см3
Находим напряжение изгиба
[5Н ] = 227,2/0,6 = 344,24 н/см2 = 34 МПа
Расчет болта на срез и на смятие Условие прочности по напряжениям среза.
Т = Р [ (П/4) а2 1] < [т]
где Р - сила, Н;
д - диаметр болта, м;
1 - число плоскостей среза, (1 = 2)
Т = 227,2/ [ (3,14/4) 0,122 2] = 10049,5 Па = 0,01 МПа.
Условие прочности по напряжениям смятия.
Осм = Р/ (<1 §2) < [асм ]
где 52 - толщина детали, м;
асм = 227,2/ (0,12.0,015) = 76344,4 Па = 0,07 МПа
[0см ] = 160 МПа
0,07 МПа < 160 МПа.
Выводы
1. В данной квалификационной работе проведен Обзор и анализ технологий уборки зерновых культур, различными способами. Комбайновая технология, некомбайновые технологии уборки зерновых культур: трехфазная технология уборки, полустационарная технология уборки, стационарная технология уборки зерновых культур, технология уборки методом очеса на корню, описал достоинства и недостатки каждой технологии.
2. Оценил состояния и перспективы механизации процессов уборки зерновых. Провел Анализ влияния конструктивно-кинематьических параметров жатки на надёжность и качество выполнения технологического процесса. Сделал общий обзор существующих конструкций, рассмотрел существующие приводы режущих аппаратов.
3. Выполнил необходимые технологические расчеты на прочность и изгиб.
Список используемой литературы
1. Ормаджи К.С. Правила производства механизированных работ в полеводстве. - М.: Россельхозиздат, 1983.
2. Справочник по скоростной сельскохозяйственной технике / Голяк А.Я., Щупак А.Ф., Антышев и др. - М.: Колос, 1983.
3. Карпенко А.П., Халанский В.М. Сельскохозяйственные машины. - М.: Аграпромиздат, 1989.
4. Технология механизированных работ в растениеводстве / Фирсов И.П., Соловьев А.М., Курочкин К.И. - М.: Аграпромиздат, 1988.
5. Кононенко А.Ф. Пути улучшения использования с. - х. техники. - М.: Колос, 1980.
6. Анурьев В.И. Справочник конструктора машиностроения. Том 3. М.: Машиностроение, 1979.
7. Федоренко В.А., Шалин А.И. Справочник по машиностроительному черчению. - Л.: Машиностроение, 1981.
8. Канарьев Ф.М., Перечехин М.А., Гричик Г.Н. Охрана труда. - М.: Колос, 1982.
9. Трутень В.А. Расчеты на прочность деталей в с. - х. техники с использованием ЭВМ. - Красноярск: КГАУ, 1995.
10. Попова Г.Н., Алексеев С.Ю. Машиностроительное черчение: Справочник. - Л.: Машиностроение, 1987.
11. Артемов М.И. Методические указания по оформлению курсовых и дипломных проектов. - Красноярск: КГАУ, 1992.
12. Артемов М.И. Методические указания. Расчет состава и планирования технического обслуживания. - Красноярск: КГАУ, 1997.
13. Зотов Б.И., Курдюмов В.И. Безопасность жизнедеятельности на производстве. Учебник / издательство Колос, 2000.
14. Жалин-Э.В., Савченко А.Н. технология уборки зерновых комбайновыми агрегатами - М.: Росагропромиздат, 1985.
15. Техническое обеспечение интенсивных технологий / составили Сисюкин М.К., Коморова - М.: Росагропромиздат, 1988.
16. Зерноуборочные комбайны / Г.Ф. Серый, Н.И. Косилов - М.: Агропромиздат, 1986
17. Джамбурин А.Ш. колосоуборочные машины и механизмы. - Алма-Ата, Кайнер 1977.
18. Муха В.Д., Картамышев Н.И., Кочетов И.С., "агрономия" - М.: "Колос", 2001.
19. Иванов А.Ф., Чурзин В.Н., Филин В.И., "кормопроизводство". - М.: "Колос", 1996
20. Сборник агротехнических требований на тракторы и сельскохозяйственные машины. - М: "ЦНИИТЭЙ". 1978
21. А.С. №1068065 СССР. Привод режущего аппарата / Авт. Атамашко А.А., Кретов СВ., и Синев А.В., опубликовано в Бюл. №8,28.02.93
22. А.С. Шаткус Д.И. зерноуборочный комбайн "Енисей". М:
23. Агропромиздат, 1986 с 32.35.
24. А.С. № 1678235 СССР. Механизм привода ножа режущего аппарата сельскохозяйственных машин / авт. Кузнецов М.В. и др.
25. Опубл. В Бюл. № 32 30.08.92.
26. А.С. №118299 СССР. Привод режущего аппарата / авт. Шифрин В.В. и др.; опубл. В Бюл. №48.1985.12. Турбин Б Г. и др., сельскохозяйственные машины. Теория и технологический расчет. - Л.; машиностроение 1967.
Похожие рефераты:
Совершенствование организации производства зерна в СПК "Шанс" Саргатского района Омской области
Основы механизации сельского хозяйства
Совершенствования технологических процессов переработки зерна в муку и крупу
Реконструкция пункта послеуборочной обработки зерна
Збирання кукурудзи на зерно СК-5 "Нива". Ремонт редуктора приставки ППК-4
Формирование показателей качества яровой пшеницы в условиях Чулымо-Енисейской котловины
Технология возделывания кукурузы на зерно (200 т/га)
Разработка технологии возделывания пивоваренного ячменя в хозяйстве
История развития зерновой промышленности России и Алтайском крае
Солома. Питательная ценность и подготовка к скармливанию
Организация машинно-ремонтной мастерской в сельском хозяйстве
