| Похожие рефераты | Скачать .docx |
Курсовая работа: Создание лесомелиоративных насаждений на части территории ГУ Мишкинского лесничества
ЗАДАНИЕ
на выполнение курсовой работы
1. Тема работы: Создание лесомелиоративных насаждений на части территории ГУ Мишкинского лесничества
2. Исходные данные:
| Тип лесомелиоративных насаждений |
Направление Вредоносных ветров |
Количество Зимних осадков |
Тип почвы |
| 1. Полезащитные лесные полосы 2. Донные насаждения оврага 3. Снегозадерживающие полосы вдоль железной дороги 4. Садозащитные полосы |
юго-западное |
120мм |
Серые лесные |
3. Содержание работы
3.1 Выделение противоэрозионных зон
3.2 Проектирование лесомелиоративных насаждений
3.3 Расчет экономической эффективности полезащитных полос
4. Перечень графического материала
4.1 Карта земельных зон
4.2 Проект лесомелиоративных насаждений
Дата выдачи задания: 20.10.2010г
Срок сдачи задания:
Руководитель доцент Тимерьянов А.Ш._____________________
Студент Манапов И.З.____________
РЕФЕРАТ
Создание лесомелиоративных насаждений на части территории
ГУ Мишкинского лесничества
Курсовая работа: 25 с., 2 таблицы, 8 приложений, библиографический список включает 9 источников.
ЛЕСОМЕЛИОРАТИВНЫЕ НАСАЖДЕНИЯ, ПОЛЕЗАЩИТНЫЕ ЛЕСНЫЕ ПОЛОСЫ, КОНСТРУКЦИИ ЛЕСНЫХ ПОЛОС, ПРИБАЛОЧНЫЕ ПОЛОСЫ, ПАСТБИЩЕЗАЩИТНЫЕ ПОЛОСЫ, ЗЕЛЕНЫЙ ЗОНТ, ЭКОНОМИЧЕСКАЯ ЭФФЕКТИВНОСТЬ
Объектом курсовой работы являются лесомелиоративные насаждения на части территории Мишкинского лесничества. В процессе работы запроектированы мероприятия по защите полей от отрицательного воздействия засух, суховеев, холодных и метелевых ветров, ветровой эрозии; мероприятия по защите животных от сильных ветров и пыльных бурь, солнечной радиации и вредных насекомых.
ОГЛАВЛЕНИЕ
ВВЕДЕНИЕ
1. ПРИРОДНО - ЭКОНОМИЧЕСКИЕ УСЛОВИЯ ЛЕСХОЗА
1.1 Местоположение объекта проектирования
1.2 Климатические условия
1.3 Рельеф, геология, почвы, гидрология
2. СОЗДАНИЯ ЛЕСОМЕЛИОРАТИВНЫХ НАСАЖДЕНИЙ НА ТЕРРИТОРИИ ХОЗЯЙСТВА
2.1 Противоэрозионная организация территории и характеристика отдельных зон
2.2 Полезащитные лесные полосы
2.2.1 Лесомелиоративная организация полей
2.2.2 Обоснование выбора пород
2.2.3 Схема размещение полос и смешения видов
2.2.4 Подготовка почвы
2.2.5 Посадка и уход
2.3 Донные насаждения оврага
2.3.1 Лесомелиоративная организация пастбищезащитных полос
2.3.2 Обоснование и выбор пород
2.3.3 Схема размещения полос и смешения видов
2.3.4 Подготовка почвы
2.3.5 Посадка и уход
2.4 Снегозадерживающие полосы вдоль железной дороги
2.4.1 Размещение полос
2.4.2 Обоснование и выбор пород
2.4.3 Конструкция и ширина полос
2.4.4 Подготовка почвы
2.4.5 Посадка и уход
2.5 Садозащитные полосы
2.5.1 Лесомелиоративная организация зонтов
2.5.2 Обоснование и выбор пород
2.5.3 Схема размещения полос и смешения видов
2.5.4 Подготовка почвы
2.5.5 Посадка и уход
3. РАСЧЕТНО ГРАФИЧЕСКАЯ ЧАСТЬ
3.1 Расчет площади защитных насаждений
3.2 Расчет потребности и стоимости посадочного материала
3.3 Расчет экономической эффективности полезащитного лесоразведения
ЗАКЛЮЧЕНИЕ
БИБЛИОГРАФИЧЕСКИЙ СПИСОК
ПРИЛОЖЕНИЕ
Введение
Защитное лесоразведение - совокупность мероприятий по искусственному созданию лесных насаждений для защиты природных и хозяйственных объектов от различных неблагоприятных воздействий. Лесные насаждения помогают в улучшении их функционирования, формировании и совершенствовании лесоаграрных ландшафтов как высокопродуктивных, биологически устойчивых и саморегулирующихся систем, способных противопоставить разрушению почвы, снижению ее плодородия, химическому загрязнению среды.
Защитные лесные насаждения играют исключительную роль в поддержание экологического равновесия. Создаваемые на открытых сельскохозяйственных землях существенно обогащают их, изменяют экологические условия выращивания сельскохозяйственных культур, улучшают состояние кормовых угодий, положительно влияют на продуктивность скота, птиц, на условия работы тружеников сельского хозяйства, способствуют созданию благоприятного водного режима и сохранению почвенного плодородия. Отсутствие системы защитных насаждений ведет к образованию и росту оврагов, наблюдается ветровая и водная эрозия, ущерб от которых очень велик.
Целью курсовой работы является закрепление теоретических знаний по проектированию лесомелиоративных мероприятий. Мной создаются полезащитные лесополосы, донные насаждения оврага, снегозадерживающие лесополосы вдоль железных дорог, садозащитные полосы.
1. ПРИРОДНО-КЛИМАТИЧЕСКИЕ И ЭКОНОМИЧЕСКИЕ УСЛОВИЯ
1.1 Местоположение объекта проектирования
Мишкинский район занимает площадь в 168911 гектаров. Он расположен в северной части Республики Башкортостан на стыке Прибельской увалисто-волнистой равнины и Уфимского плато. Мишкинский район образован в 1930 году в результате реорганизации Бирского кантона. Он граничит с Бураевским, Балтачевским, Караидельским, Благовещенским и Бирским районами. Районный центр - с. Мишкино.
1.2 Климат ические условия. Рельеф, геология, почвы, гидрология
По климатическим условиям находится в теплом, незначительно засушливом регионе.
На территории административной единицы распространены серые и темно-серые лесные почвы. Полезные ископаемые представлены месторождениями глины, песка-отощителя, известника.
Природным богатством района являются водные ресурсы, а это сотни озер и прудов, 336 малых речушек, 15 рек с протяженностью до 100 и более километров. Основная водная артерия - река Бирь - приток Белой.Самую большую зеркальную поверхность имеет озеру Чуртанлы-Куль. Его площадь - 0,5 тыс. кв. метров.
Флора района представлена в основном смешанными лесами березы, липы, осины, дуба, вяза, ели, сосны и других пород. Особую ценность имеют сосняки, природные и посаженные человеческими руками. Широколиственные, смешанные темнохвойные леса занимают 33,1 % территории района. Разнообразен животный мир. В лесах обитают лоси, медведи, лисицы, волки, рябчики, куропатки, глухари и тетерева, а в последние годы водоемы района облюбовали лебеди.
2 СОЗДАНИЕ ЛЕСОМЕЛИОРАТИВНЫХ НАСАЖДЕНИЙ НА ТЕРРИТОРИИ ХОЗЯЙСТВА
2.1 Противоэрозионная организация территории и характеристика отдельных зон
Обеспечение плодородия земель, в указанных законом направлениях, невозможно без проведения в полном объеме комплекса организационно-хозяйственных, агротехнических, гидромелиоративных и лесомелиоративных противоэрозионных мероприятий.
Важнейшей составной частью организационно-хозяйственных противоэрозионных мер является землеустройство, в процессе которого проводится противоэрозионная организация территории и создаются необходимые условия для осуществления комплекса почвозащитных мероприятий. лесомелиоративный насаждение лесничество
Высокая распаханность территорий, недостаточная защищенность пахотных земель лесными полосами, изреженность травяного покрова сенокосов и пастбищ, низкая культура хозяйствования на земле привели к экологической неустойчивости ландшафтов. В этих условиях использования эрозионно-опасных земель может привести к необратимым процессам разрушения почв и сельскохозяйственных угодий. Поэтому все действия, связанные с защитой земель от эрозии следует проводить только на основе схем и проектов землеустройства, что выдвигает на первый план проблему совершенствования землеустроительного проектирования, являющегося средством научно-обоснованного решения землеустроительных задач.
В этой связи, теория, содержание и методы противоэрозионнои организации территории, как специальной системы землеустроительного проектирования должны подлежать существенному пересмотру, что определяет актуальность рассматриваемой проблемы.
За последние годы землеустройство, в районах активной эрозии земель, приобрело характер противоэрозионной организации территории, наполнилось новым содержанием, существенным образом изменились методы составления и обоснования проектных решений по защите земель от эрозии.
Активные формы эрозии земель распространены в районах развитого земледелия, где производится основная часть сельскохозяйственной продукции страны. Поэтому исследование вопросов противоэрозионнои организации территории для развития сельскохозяйственного производства, преодоления кризиса в АПК, имеет большую народнохозяйственную значимость и практическую ценность.
Быстро нарастающая опасность дальнейшего развития эрозионных процессов, переход к рыночной экономике и возникновение конкуренции, обуславливают необходимость более эффективного использования эродированных и эрозионно опасных земель, при строгом соблюдении почвозащитных нормативов, стандартов, что изменяет методику противоэрозионнои организации территории сельскохозяйственных предприятий и требует экологического, адаптивного подхода к разработке и осуществлению мер, направленных на повышение противоэрозионнои устойчивости ландшафтов и увеличение продуктивности сельскохозяйственных угодий.
Решение проблемы совершенствования теории и методов противоэрозионнои организации территории особенно важно и для развития землеустроительной науки в целом, так как позволит ответить на вопрос о роли, месте и эффективности землеустройства в защите земель от эрозии, определить содержание, периодичность проведения и разработать методы проектирования мероприятий по восстановлению и повышению продуктивности эродированных сельскохозяйственных угодий. проблема развития теории и методов противоэрозионнои организации территории, как составной части землеустроительного проектирования, на протяжении многих лет находится в поле зрения ученых и специалистов землеустроителей.
Вместе с тем, отмечая положительные результаты в исследовании данной проблемы и их практической реализации, нельзя сделать вывод о комплексной, системной проработке всех сторон противоэрозионнои организации территории, особенно применительно к современному этапу развития экономики страны, земельных отношений, землевладения, землепользования и землеустройства.
В разработке нуждается, прежде всего, теория противоэрозионнои организации территории, ее экологические основы, содержание, структура и методы.
Имеется потребность в глубоком анализе и обобщении нового содержания производственных предпроектных проработок по защите земель от эрозии, проектов на группу хозяйств, водосборы балок, оврагов, бассейны малых рек, землевладение и землепользование, рабочих проектов на отдельные противоэрозионные мероприятия и поля севооборотов.
2.2 Полезащитные лесные полосы
2.2.1 Лесомелиоративная организация полей
Лесные полезащитные полосы выращиваются для защиты пашни и сельскохозяйственных культур от воздействия неблагоприятных природных и антропогенных факторов. Они ослабляют или предотвращают отрицательное воздействие засух, суховеев, холодных и метелевых ветров, ветровой эрозии и улучшают микроклимат с целью повышения урожайности сельскохозяйственных культур.
Размещают их на пахотных землях крутизной до 1,5º. Основные лесные полосы по длинным границам полей севооборотов располагают поперек направления вредоносных ветров (в данном случае поперек восточных ветров). В случаях, когда нужно учесть направление других неблагоприятных ветров или границ полей севооборотов, особенности внутренней ситуации, допускается отклонение полос от перпендикулярного направления на угол до 30 °. Вспомогательные лесные полосы располагаются перпендикулярно к основным для усиления защитного влияния.(Приложение Б)
При определении оптимального расстояния между основными полезащитными лесными полосами учитывают лесорастительные условия, рельеф, рабочую высоту насаждений в период равенства величин текущего и среднего прироста в высоту, конструкцию, дальность влияния на прилегающую территорию, противодефляционную устойчивость почв и другие факторы. Для продуваемых полос предельное расстояние между основным полосами следует принимать равным 35—40 Н, для ажурных 25-30 Н, для ажурно-продуваемых — 15 Н .
Инструктивными указаниями по проектированию и выращиванию защитных лесных насаждений предельно допустимые расстояния между основными полезащитными лесными полосами на пахотных неорошаемых землях характеризуются следующими величинами: серые и темно-серые лесные почвы, оподзоленные, выщелоченные и типичные черноземы — 600 м, обыкновенные черноземы — 500 м, темно-каштановые и каштановые почвы — 350 м, песчаные почвы лесостепи — 400 м, песчаные почвы степи, сухой степи — 300 м. Расстояние между вспомогательными полосами не должно превышать 2000 м, на песчаных почвах — 1000 м.
Так как на данной территории тип почв чернозем выщелоченный, то расстояние между основными полями берем равным 600 м, между вспомогательными- 2000 м .
Ширина полезащитных полос принята: основных – 10,5 м; вспомогательных – 8 м.
На стыках и при пересечении основных и вспомогательных полос для проезда сельскохозяйственных агрегатов устраиваются разрывы шириной 20 м.
2.2.2 Обоснование и выбор пород
В полезащитную полосу вводят, как правило, одну главную породу. При ее подборе учитывают долговечность, максимальную рабочую высоту, энергию роста в молодом возрасте, требовательность к почве и влаге, засухоустойчивость, устойчивость к болезням и вредителям, способность к возобновлению порослью и размножению корневыми отпрысками, жаростойкость, морозоустойчивость, экологическую и экономическую ценность и другие факторы.
Для полезащитной полосы была принята продуваемая конструкция, состоящая из главной одной породы –березы повислой. Это обосновано тем, что при благоприятных условиях достигает в высоту до 30 метров; является светолюбивой породой.
2.2.3 Схема размещения полос и смешения видов
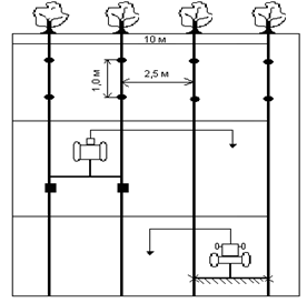
Для основных полезащитных полос схема размещения пород следующая: расстояние между рядами 2,5 м, шаг посадки 1 м. Количество рядов – 4. Ширина закраек – 1,5 м. Ширина полосы – 10,5 м.(Приложение А).
Для вспомогательных лесных полос принята следующая схема: расстояние между рядами – 2,5 м, шаг посадки 1 м. Количество рядов – 3. Ширина закраек – 1,5 м. Ширина полосы – 8 м (Приложение В).
2.2.4 Подготовка почвы
Почва обрабатывается по системе черного однолетнего пара в лесостепных районах. Глубина основной вспашки – 27 см. При осенней перепашке безотвальными плугами с почвоуглубителями почва рыхлится на глубину до 40 см .
Подготовку почвы проводим по системе черного пара. Для обработки используем трактор ДТ-75 и плуг ПЛН–3-35.
Система черного пара включает зяблевую обработку, 3-4-хкратную летнюю культивацию, осеннюю перепашку, осеннее боронование. Затем весной следующего года проводят лущение, дискование на глубину 10-12 см, культурную вспашку, весеннее боронование.
2.2.5 Посадка и уход
Посадка полезащитных лесных полос запроектирована весной. При создании полезащитных полос для посадки крупномерных сеянцев высотой до 3 м используются машины ССН-1 и тракторы ДТ-75.
Для ухода в рядах и междурядьях шириной 2,5-3 м применяется навесной культиватор КУН-4, агрегатируемый на трактор МТЗ-80.
2.3 Донные насаждения оврагов
2.3.1 Лесомелиоративная организация полей
Донные насаждения необходимы для предупреждения размывов и подмывов в русловой части оврагов и балок, максимального задержания твердого стока пестицидов, химикатов, а также хозяйственного использования малопродуктивных площадей. Днище оврагов, кроме водотока, полностью подлежат облесению.
2.3.2 Обоснование и выбор пород
По широкому дну балок создаются насаждения – илофильтры. . На сухих участках высаживают более засухоустойчивые породы: робинию, березу, грушу, смородину, шелюгу.
2.3.3 Схема размещения полос и смешения видов
Илофильтры размещаются полосами различной ширины, в чередовании с полосами залужения. Можно чередования 5 – 10 метровую лесную полосу с10 – 20 метровой полосой залужения. Общая длина лесных полос в илофильтре должна быть не менее 30 – 40м, а илофильтры располагаются по дну балок через 250- 400м, начиная от устья. Кустарниковые ивы (10 – 15 рядов) в чередовании с 2 -3 рядами древовидных ив, тополей или ольхи высаживаются загущено, и ряды размещаются поперек дна. Черенки кустарников высаживают с размещением 0.5×0.5 или 1×0.2м, древовидные ивы – кольями, тополя – окорененными черенками или саженцами, ольху –саженцами с размещением 2×2, 3×1, 3×2, 3×3м
2.3.4 Подготовка почвы
По широким слабозадернованным днищем балок насаждения – илофильтры создаются лишь в устьевой и средней части и могут сочетаться с устройством илозадерживающих дамб. Дамбы устраивают из грунта русловых отложений за один – два года до посадки насаждений – илофильтров, с укреплением водослива. На задернованных участках готовятся борозды, площадки и ямки, а
2.3.5 Посадка и уход
чаще посадка производится в свежие наносы без предварительной подготовки почвы. Для повышения кольматируюшей способности донных насаждений, особенно в первые годы после посадки, их целесообразно сочетать с простейшими донными гидротехническими сооружениями типа дамб, плетневых запруд, плотин-перемычек и др. В отдельных местах балок, где глубина донных размывов не превышает 2-2,5 м, необходимо выполаживание с одновременным густым посевом трав и временным отводом воды на безопасные участки. Во избежание размывов постоянный хорошо выраженный водоток и русло не засаживают. По всему дну оврагов целесообразно высаживать деревья и кустарники, подбирая их с учетом степени увлажненности участков.
Мелиоративные работы в овражно-балочных системах следует проводить с большой осторожностью. Действующие вершины и откосы оврагов закрепляют гидротехническими сооружениями типа запруд, водозадерживающих валов, водоотводящих канав. Облесение осуществляется по окончанию гидротехнических работ или одновременно с ними. При создании лесных насаждений на крутых склонах и берегах балок при необходимости применяют отвод и распыление стока и другие меры, препятствующие его концентрации. В последние годы широко ведутся работы по включению овражно-балочных земель в интенсивное сельскохозяйственные пользование после выполаживания.
2.4 Снегозадерживающие лесные полосы вдоль железной дороги
2.4.1 Лесомелиоративная организация полос
Снегозадерживающие лесные полосы вдоль железной дороги создаются для защиты путей от метелевого снега, для защиты пути от выдувания балласта, предохраняют линии электропередачи и связи от повреждений, имеют большое эстетическое и санитарно-гигиеническое значение.
Ширина снегозадерживающих лесных полос определяется по формуле:
B=S/hp ,
где В – это ширина земельного отвода для создания снегозадерживающих полос, м;
S – площадь поперечного сечения приносимого снега, кв.м;
hр – расчетная высота отложения снега внутри насаждения, м.
Расчетная высота отложения снега в условиях почв оподзоленного чернозема равна 3 м. Из задания для курсовой работы берем количество твердых осадков – 120 мм. Площадь S численно приравнивается к объему приносимого снега (V), который вычисляется по формуле:
V=0.5*L*q/k,
где L – расстояние с которого возможен занос снега, м;
q – количество твердых осадков, мм;
k – коэффициент, равный 0,2-0,3.
Вычислим объем: V = 0,5*500*0,12/0,2 = 150м 3 .
Приравняем V=S. Получаем ширину В=150/3 =50 м.
Конструкция снегозадерживающих полос - плотная, 2-х полосная. Ширина путевой полосы – 27 м, ширина полевой полосы – 21 м.
2.4.2 Обоснование и выбор пород
Главная порода – Береза повислая. Сопутствующая порода – Клен остролистный. Кустарник – жимолость татарская. Береза малотребовательна к влаге, морозоустойчива, быстрорастущая порода. Клен остролистный морозостоек, теневынослив и ветроустойчив. Жимолость татарская является засухоустойчивым и почвозащитным кустарником. Все породы хорошо произрастают в условиях оподзоленного чернозема.
2.4.3 Схема смешения пород
Ширина междурядий – 3 м. Шаг посадки древесных пород – 1,5 м. Шаг посадки кустарника – 0,75 м. Расстояние между полосами – 40 м.
2.4.4 Подготовка почвы
Агротехнические мероприятия такие же, как и при полезащитном лесоразведении с учетом почвенно-климатических условий.
2.4.5 Посадка и уход
Посадка сеянцев осуществляется машиной ССН-1 и трактором ДТ-75М. Уходы осуществляются в междурядьях культиватором КУН-4. Также проводят рубки ухода, восстановительные рубки.
2.5 Садозащитные насаждения
Лесные полосы на культурных орошаемых пастбищах создают из 2—3 рядов и размещают по принципам полезащитных лесных полос. В орошаемых садах, питомниках и виноградниках по внешним границам создают лесные полосы из 2—3 рядов и вдоль квартальной сети — из 1—2 рядов. Полосы располагают от первого ряда сада на расстоянии, равном принятой в саду ширине междурядья.
2.5 Садозащитные насаждения
Садозащитные насаждения предназначены для предохранения почвы от эрозии, улучшения микроклимата. Повышения урожайности плодов и ягод. Размещают их по внешним границам садов и границам кварталов : продольные (расстояние между ними 100-250 метров )- поперек господствующим вредоносным ветрам. Поперечные (не более 300-500 метров)-перпендикулярно к ним. Это лесные насаждения в виде лент вокруг и внутри садов.
Садозащитные лесные полосы состоят из 2-3 рядных лесных полос ажурной конструкции по внешним границам сада и 1-2рядных ветроломных продуваемой конструкции вдоль кварталов( ширина разрыва между ними 8-12 метров) Расстояние между рядами 2,5-3 метра, шаг посадки 1,5-3 метра.
Садозащитные лесные полосы выращивают из наиболее устойчивых и быстрорастущих для зоны пород, не имеющих общих вредителей и болезней с культурными растениями. Закладывают их крупными (высотой 2,5-4 метра )саженцами, за 2-3 года до посадки плодовых деревьев. Почву под садозащитные лесные полосы готовят по системе черного или раннего пара. Плодовые деревья высаживают от полосы на расстояние не менее принятой в саду или на плантации ширинымеждурядий.
3. РАСЧЕТНО-ГРАФИЧЕСКАЯ ЧАСТЬ
3.1 Расчет площади защитных насаждений
Таблица 3.1 Ведомость проектируемых защитных лесных насаждений
| Вид лесной полосы |
Номер полосы |
Ширина, м |
Длина, м |
Площадь полос, м2 |
Длина разрывов, м |
Длина полос без разрывов, м |
Площадь полос без разры-вов, м2 |
| ПЗЛП |
1 |
10 |
2000 |
20000 |
40 |
1960 |
19600 |
| 2 |
10 |
425 |
4250 |
30 |
395 |
3950 |
|
| основные |
3 |
10 |
1575 |
15750 |
20 |
1555 |
15550 |
| 4 |
10 |
500 |
5000 |
30 |
470 |
4700 |
|
| 5 |
10 |
2000 |
20000 |
40 |
1960 |
19600 |
|
| 6 |
10 |
2000 |
20000 |
40 |
1960 |
19600 |
|
| 7 |
10 |
2000 |
20000 |
40 |
1960 |
19600 |
|
| ИТОГО |
105000 |
102600 |
|||||
| 8 |
7,5 |
600 |
4 500 |
40 |
560 |
4 200 |
|
| вспомогательные |
9 |
7,5 |
600 |
4 500 |
40 |
560 |
4 200 |
| 10 |
7,5 |
600 |
4 500 |
40 |
560 |
4 200 |
|
| 11 |
7,5 |
600 |
4 500 |
30 |
570 |
4 275 |
|
| 12 |
7,5 |
600 |
4 500 |
20 |
580 |
4 350 |
|
| 13 |
7,5 |
600 |
4 500 |
20 |
580 |
4 350 |
|
| 14 |
7,5 |
600 |
4 500 |
30 |
570 |
4 275 |
|
| 15 |
7,5 |
600 |
4 500 |
30 |
570 |
4 275 |
|
| ИТОГО |
36 000 |
34 125 |
|||||
| пастбищезащитные |
16 |
10 |
1500 |
15 000 |
40 |
1460 |
14 600 |
| 17 |
10 |
1500 |
15 000 |
40 |
1460 |
14 600 |
|
| 18 |
10 |
1500 |
15 000 |
40 |
1460 |
14 600 |
|
| 19 |
7,5 |
350 |
2625 |
40 |
310 |
2325 |
|
| 20 |
7,5 |
350 |
2625 |
40 |
310 |
2325 |
|
| 21 |
7,5 |
350 |
2625 |
40 |
310 |
2325 |
|
| 22 |
7,5 |
350 |
2625 |
40 |
310 |
2325 |
|
| ИТОГО |
55 500 |
53 100 |
|||||
| Зеленый зонт |
|||||||
| (300 голов КРС) |
23 |
60 |
100 |
6000 |
6000 |
||
| ИТОГО |
6000 |
6000 |
|||||
| Прибалочные |
24 |
15 |
150 |
2250 |
2250 |
||
| ИТОГО |
2250 |
3.2 Расчет потребности и стоимости посадочного материала
Таблица 3.2 Расчет потребного количества и стоимости посадочного материала для создания защитных лесных насаждений
| Вид лесной полосы |
Порода |
Требуется посадочного материала |
Стоимость тыс. шт. в руб. |
Стоимость |
|||
| на 1 га |
на всю площадь |
дополнение |
всего |
||||
| 1 |
2 |
3 |
4 |
5 |
6 |
7 |
8 |
| ПЗЛП |
береза повислая |
2662 |
36467 |
3647 |
40114 |
1700 |
56159 |
| ИТОГО |
56159 |
||||||
| пастбищезащитные |
береза повислая |
1965 |
10419 |
1042 |
11461 |
1700 |
19484 |
| Жимолость татарская |
2828 |
14989 |
1499 |
16488 |
800 |
13190 |
|
| ИТОГО |
32674 |
||||||
| зеленый зонт |
клен остролистный |
320 |
192 |
20 |
212 |
400 |
85 |
| ИТОГО |
85 |
||||||
| прибалочные |
береза повислая |
1116 |
335 |
34 |
369 |
1700 |
627 |
| клен остролистный |
1116 |
335 |
34 |
369 |
400 |
147 |
|
| Жимолость татарская |
3343 |
1003 |
101 |
1104 |
800 |
883 |
|
| ИТОГО |
1657 |
||||||
3.3 Расчет экономической эффективности полезащитного лесоразведения
Эффективность защитного лесоразведения обуславливается повышением урожайности с/х культур, возделываемых на полях, защищенных лесными полосами.
Прибавка урожая определяется сопоставлением урожая на открытых и облесенных полях в одинаковых условиях. Для зерновых культур считается, что прибавка приблизительно равна 15-20% от среднего урожая с незащищенных полей и составляет в среднем 2,8 ц/га.
Дополнительный сбор урожая по хозяйству:
U=2,8 * S3 ,
где U – дополнительный сбор урожая, ц;
S3 – площадь полей, га
Рассчитаем U: U = 2,8* 480 = 1344 ц
Недобор урожая с площади, занятой лесными полосами, составит произведение площади лесных полос (S1) на средний урожай культуры (U = 20ц/га).
Чистый доход, получаемый от мелиоративного воздействия лесных насаждений, определяется как разница между общей стоимостью дополнительной продукции и затратами на ее освоение за вычетом сумм, недополученных хозяйством на землях, занятых лесными полосами.
Дополнительная продукция
P = S3 * 2.8 - S1 * 20,
где Р – дополнительная продукция, ц;
S1 – площадь лесных полос, га;
S3 – площадь полей, га.
Расчет: Р = 480*2,8 – 14,1*20 = 1062 ц
Стоимость дополнительной продукции: С = Р * а,
где а – закупочная цена, руб/ц.
Расчет: С = 1062*600 =637200руб.
Производственные затраты на сбор, транспортировку и обработку дополнительной продукции Z1 (р/ц) берется в размере 10% от закупочной цены.
Накладные расходы (N) приходящиеся на дополнительную продукцию:
N = Z1 *25% / 100%,
N = 60*25/100 = 15 р/ц.
Амортизационные отчисления А = Z2 *K/100,
Z2 =S2 *q,
где Z2 – затраты на создание лесных полос, руб;
К – коэффициент амортизационных отчислений для лесных полос
q – стоимость создания 1 га л/п;
S2 – площадь лесных полос без разрывов, га.
q = q1 +q2 .
Стоимость создания полезащитной полосы q складывается из составляющих q1 – стоимость работ по ее созданию (берется по среднерайонным показателям) и q2 – стоимость посадочного материала (из таблицы 2).
q1 =8000 руб/га
q2 =56159/14,1=3983 руб/га
q= 8000+3983 = 11983 руб/га
Z2 =11983*13,7=164167 руб.
А = (164167*1,43)/100 = 2347 руб.
Всего расходов на производство дополнительной продукции
R = (Z1 +N)*P+A.
R = (60+15)*1062 +2347=81997 руб.
Чистый доход (Д) от создания лесных полос
Д=С-R.
Д= 637200-81997 =555203 руб.
Среднегодовая прибыль (F) с учетом фактора времени (К=0,54) и климатических условий
F=Д*0,54 = 55203*0,54= 299809 руб.
Экономическая эффективность ε = F/Z2 = 299809/164167=1,82
Срок окупаемости Т1 =Z2 /F=164167/299809=0,5
Общий срок окупаемости Т2 =Т1 +t,
где t – время, с которого полоса начнет проявлять защитные функции:
береза – 7, дуб – 10, хвойные – 10, тополь – 5 лет.
Т2 =7+0,5=7,5лет.
ЗАКЛЮЧЕНИЕ
В результате выполненного задания по курсовой работе мною были приобретены практические навыки по проектированию лесомелиоративных мероприятий.
В курсовой работе при создание лесомелиоративных насаждений на части территории Мишкинского района были разработаны следующие виды защитных насаждений: полезащитные лесные полосы, донные насаждения оврага, снегозадерживающие полосы вдоль железной дороги и садозащитные полосы.
Защитные лесные насаждения прежде всего играют большую экологическую, средозащитную, и средообразующую и рекреационную функцию.
Полезащитные лесные полосы выращиваем для защиты пашни и сельскохозяйственных культур от воздействия неблагоприятных природных и антропогенных факторов. Они обуславливают или предотвращают отрицательное воздействия засух, суховеев, холодных и метелевых ветров, ветровой эрозии и улучшают микроклимат с целью повышение урожайности сельскохозяйственных культур. Полезащитные полосы создают для задержания и равномерного распределение снега на полях, повышение влажности почв, улучшение микроклимата, уменьшение испарения влаги, предотвращение эрозии почв и повышение урожайности полей.
Можно сделать вывод, что лесомелиоративные насаждения играют положительную функцию от различных неблагоприятных факторов, насаждения поддерживают экологическое равновесия, а создание на открытых сельскохозяйственных землях они, кроме того, превращают аграрный ландшафт в лесоаграрный, существенно обогащают его, приводит к формированию качественно новой экологической среды.
Были запроектированы полезащитные насаждения, снегозадерживающие насаждения вдоль железной дороги, зелёные зонты и приовражные насаждения.
Подсчитанная экономическая эффективность составила 1,68. Общий срок окупаемости полос - 8 лет. Для создания полос необходимо затратить 417154 руб. и 346450 шт. посадочного материала.
Общая площадь проектируемых защитных насаждений составила 33,4 га. Из них полезащитные насаждения составляют 30 га, зелёный зонт – 0,6 га, снегозадерживающие вдоль железных дорог 0,9 га, приовражные полосы - 1,8 га.
Созданные защитные насаждения должны помочь в борьбе с эрозией, с засосами снега на путях транспорта, с разрастанием оврага и служить местом отдыха для скота.
БИБЛИОГРАФИЧЕСКИЙ СПИСОК
1.Справочник по лесным культурам [текст]: учебник / Новосельцева А.И. [и др.] - М.: Лесная промышленность, 1984. – стр.6-59 .
2.Лесные культуры и защитное лесоразведение [текст]: учебник / Родин А.Р. [и др.] - М.: изд. МГУ леса, 1996. –стр.17-33 .
5.Шаталов В.Г. Лесные мелиорации [текст]: учебник / В.Г. Шаталов. – Воронеж: Квадрат, 1997. –220с.
6.Сельскохозяйственные машины [текст]: учебник / В.М. Халанский [и др.] -М.:КолосС,2003.-624с.
7.Методические указания к практическим занятиям по защитному лесоразведению [текст]: методическое указание – Уфа, БГАУ, 2004. –12с .
8.Тимерьянов А.Ш. Лесомелиорация ландшафтов [текст]: учебное пособие / А.Ш. Тимерьянов. - Уфа:БГАУ,2007.-112с..
9.Методические указания к выполнению курсовой работы по лесомелиорации ландшафтов [текст]: методическое указание –Уфа, БГАУ, 2006. –14с.
ПРИЛОЖЕНИЕ А
Размещение пород и агрегатирование механизмов при создании 4-х рядной основной полезащитной полосы

Условные обозначения:
- ДТ 75;
- МТЗ 82;
- Береза повислая
Агрегаты:
а) для посадки
ДТ 75 + ССН-1
б) для ухода
МТЗ 82 + КУН-4
ПРИЛОЖЕНИЕ Б
Размещение пород и агрегатирование механизмов при создании 3-х рядной вспомогательной полезащитной полосы

Условные обозначения:
- ДТ 75;
- МТЗ 82;
- Береза повислая
Агрегаты:
а) для посадки
ДТ 75 + ССН-1
б)для ухода
МТЗ-82 + КУН-4
Похожие рефераты:
Растения Волгоградской области
Формирование структуры водохозяйственного комплекса на существующем водохранилище реки Дон
Создание и эксплуатация лесозащитных полос
Природные ресурсы Волгоградской области (на примере защитных лесонасаждений)
Государственная кадастровая оценка сельскохозяйственных угодий. Учет и оценка земель
Правовое регулирование использования участков лесного фонда
Правовое регулирование лесохозяйственной деятельности
Физическая география СНГ (Азиатская часть)
Повышение эффективности предприятия лесной отрасли на примере Слюдянского лесхоза