| Скачать .docx | Скачать .pdf |
Реферат: Снижение степени загрязнения окружающей среды отходами переработки хлопка
Федеральное агентство по образованию
Волгоградский государственный архитектурно-строительный университет
Кафедра водоснабжения и водоотведения
Пояснительная записка
к дипломному проекту на тему
Снижение степени загрязнения окружающей среды отходами переработки хлопка
Студент
Николаенко
Ирина
Александровна
Специальность 330200
Группа ИЗОС-2-2000
Руководитель
Дипломного проекта
Москвичева
Елена
Викторовна
Волгоград 2005
СОДЕРЖАНИЕ
Введение
1. Охрана окружающей среды
1.1 Особенности хлопковой пыли
1.2 Очистка запыленного воздуха
1.3 Методы очистки газов от механических примесей
2. Технологическая часть
2.1 Технологический процесс производства
2.2 Экологические аспекты очистки сточных вод
2.2.1 Характеристика сточных вод хлопчатобумажного комбината
2.2.2 Расчет ПДС загрязнений производственных сточных вод
2.2.3 Определение концентраций загрязнений смешанного стока
2.2.4 Очистка сточных вод хлопчатобумажного комбината
2.3 Очистка запыленного хлопком воздуха
2.3.1 Местный отсос пыли
2.3.2 Процесс обеспыливания воздуха на хлопкоперерабатывающих предприятиях
2.4 Получение гидроизоляционного кровельного материала из отходов переработки хлопка
2.5 Оценка экологичности технологического процесса
Заключение
Литература
Введение
На хлопкоперерабатывающих заводах перерабатывают ежегодные урожаи хлопка-сырца, получая хлопковое волокно, хлопковый линт, посевные и технические семена. Хлопкоперерабатывающие заводы организуют и осуществляют приемку, централизованную сушку, очистку хлопка-сырца, джинирование-отделение волокна от семян, очистку и линтерование хлопковых семян, очистку волокна от сорных и других примесей, обработку волокнистых отходов, прессование волокна, линта и волокнистых отходов в кипы, а также химическую обработку.
Заводы оснащены специальным технологическим оборудованием (сушильные агрегаты, очистительные машины для хлопка-сырца, джины, линтеры, очистители волокна, линта и хлопковых семян, сепараторы, конденсеры и др.), средствами механизации для внутрицехового и межцехового транспорта хлопка-сырца и готовой продукции (пневмотранспортные установки, винтовые и ленточные конвейеры, элеваторы и др.), машинами для переработки волокнистых отходов и гидропрессовыми установками для прессования волокна, линта и волокнистых отходов.
0бщий комплекс работ превращения хлопка-сырца в готовую продукцию называетсятехнологическим процессом первичной обработки хлопка и включает следующие процессы: сушку и очистку хлопка-сырца в сушильно-очистительном цехе хлопкозаготовительного пункта; подсушку и очистку хлопка-сырца от мелкого и крупного сора в очистительном цехе хлопкоперерабатывающего завода; джинирование и волокноочистку, линтерование хлопковых семян и линтоочистку; переработку волокнистых отходов; упаковку волокна, линта и волокнистых отходов в кипы в главном корпусе завода.
При осуществлении технологического процесса первичной обработки хлопка-сырца должны быть обеспечены сохранение природных физико-механических свойств хлопкового волокна и семян и выпуск их в соответствии с Государственными стандартами и без потерь. Решающим фактором в выполнении этой задачи является правильное построение процесса первичной обработки хлопка-сырца.
Технологическим процессом предусматривается использование комплекса машин, установленных по определенным схемам, и работа их согласно строго установленным режимам в зависимости от состояния и качества исходного хлопка-сырца и вырабатываемой продукции.
В зависимости от характеристики исходного материала первичная обработка его на хлопкоперерабатывающем заводе осуществляется по регламентированной схеме технологического процесса, разработанной на основе опыта передовых предприятий, а также результатов научно-исследовательских работ, направленных на улучшение и развитие техники и технологии производства.
Регламентированный технологический процесс первичной обработки хлопка предназначен для обеспечения правильной организации производства, начиная от приемки, комплектования, хранения хлопка и кончая переработкой и выпуском продукции, отвечающей требованиям Государственных стандартов.
Основным показателем совершенства технологического процесса является общий очистительный эффект, который достигается в результате эффективной обработки хлопка на всех машинах, включенных в цепь работающего технологического оборудования.
В технологическом процессе первичной обработки хлопка, кроме основной продукции — хлопкового волокна, получают большое количество волокнистых отходов (улюк волокнистый, волокно хлопковое регенерированное, пух хлопковый), из которых в результате переработки извлекают волокнистые материалы, пригодные в качестве сырья для другой промышленности.
Производство переработки хлопка является вредным для окружающей среды. В дипломном проекте предлагается использовать отходы переработки хлопка для получения кровельной мастики.
На Камышенском ХБК вывозятся на полигон 250-300 т/год хлопкоотходов, представляющих собой ценный компонент природного происхождения. Продукты деструкции хлопка безвредны для окружающей среды. Отходы хлопка, которые образуются в результате очистки воздуха производственных помещений целесообразно использовать для получения различных материалов. Изложенный материал подтверждает актуальность и целесообразность данного дипломного проекта, цель которого заключается в снижении антропогенного воздействия на окружающую среду отходов переработки хлопка и дальнейшего их использования.
1. ОХРАНА ОКРУЖАЮЩЕЙ СРЕДЫ
Мероприятия по охране окружающей среды направлены на рациональное использование природных ресурсов, предупреждение вредного влияния результатов хозяйственной деятельности общества на природу и здоровье человека.
При решении задач снижения загрязнений природной среды главным является создание и внедрение безотходных технологических процессов, экономичных методов очистки промышленных и бытовых сточных вод, воздуха и твердых отходов, переход в промышленном производстве на маловодные технологические процессы и замкнутое водопотребление.
Технологический процесс первичной обработки хлопка сопровождается значительным выделением пыли из технологических и транспортирующих машин в производственные помещения и атмосферу. Оседая, пыль загрязняет производственные помещения и территорию завода, создает неблагоприятные условия для работы людей и оборудования. Норма запыленности воздуха в производственных помещениях хлопкоочистительного завода - не более 10 мг/м3 , а отработавшего воздуха, выбрасываемого в атмосферу,- 150 мг/м3 . Для создания нормальных санитарно-гигиенических условий производится обеспыливание производственных помещений и отдельных пылевыделяющих установок. Перед выбросом отработавшего запыленного воздуха в атмосферу его также очищают от пыли.
1.1 Особенности хлопковой пыли
Пыль, выделяющаяся из хлопка-сырца, состоит из органической и минеральной фракций. Органическая фракция представляет собой раздробленные частицы куста или коробочек хлопчатника и массу мелких коротких волокон.
Минеральная фракция пыли состоит из земли, песка и других посторонних примесей, которые попадают в хлопок-сырец во время уборки урожая и в период его транспортировки и хранения.
В начале технологического процесса, при транспортировке и очистке хлопка-сырца от сорных примесей, из него в основном выделяется и загрязняет воздух минеральная пыль, а в конце технологического процесса, особенно при линтеровании и трамбовании, выделяется пыль органического происхождения.
В отработавшем воздухе системы пневматического транспорта хлопка-сырца пыль содержит от 10 до 20% органических и 80—90% минеральных частиц. В конце технологического процесса у линтеров при выбросе отработавшего воздуха из конденсеров содержание органической фракции пыли доходит до 80—90%.
Запыленность воздуха, отходящего от технологического оборудования в производственных цехах, зависит от сорта, влажности и засоренности хлопка-сырца; при переработке хлопка-сырца низких сортов выделение пыли наиболее интенсивна. В табл. 1.1 приводится примерный состав пыли, выделяющейся с воздухом при пневматической транспортировке хлопка-сырца (III сорт ручного сбора, разновидности 108-Ф, кондиционной влажности и засоренности от 1,3 до 3,5%).
Таблица 1.1 - Дисперсный состав пыли
Крупность частиц μ |
0-50 | 50-70 | 70-90 | 90-160 | 160-190 | 190-250 | 250-500 | 500-1000 | 1000 и более |
Содержание в пыли частиц данной крупности,% |
3 | 12 | 9 | 5 | 4 | 11 | 12 | 9 | 3 |
Данные о количестве и запыленности отработавшего воздуха, выделяемого основным технологическим оборудованием, приведены в табл.1.2
Таблица1.2- Количество и запыленность воздуха, выделяемого от основного технологического оборудования
| Оборудование | Количество воздуха, выбрасываемого в атмосферу, м3 /с | Запыленность воздуха, мг/м3 |
| Вентилятор пневмотранспортной установки | 4,5-7 | 4000-12000 |
| Батарейный конденсер для 2-х джинов | 3,2 | 500-2000 |
| Батарейный конденсер для 4-х джинов | 6,4 | 500-1500 |
| Конденсер: | ||
| для пяти линтеров | 5,0 | 800-2000 |
| для шести линтеров | 6,0 | 800-2000 |
| для семи линтеров | 7,0 | 800-2000 |
| Пневматический семяочиститель | 1,5 | 300-800 |
1.2 Очистка запыленного воздуха
Запыленный и загрязненный воздух, отсасываемый из пылящих источников, а также воздух, отработавший в пневмотранспортных установках, должен очищаться от пыли до выброса его в атмосферу. Очистка его может быть грубой, средней и тонкой.
При грубой очистке запыленный воздух очищают от пыли размером более 100μ, запыленность воздуха после такой очистки может быть более 150 мг/м3 .
При средней очистке выделяют пыль размером от 10μ, и выше, запыленность воздуха после очистки не должна превышать 150 мг/м3 . Такой воздух можно выбрасывать в атмосферу.
При тонкой очистке улавливают пыль размером менее 10μ, а остаточная запыленность воздуха не должна превышать 2-3 мг/м3 .
1.3 Методы очистки газов от механических примесей
Методы очистки по их основному принципу можно разделить на механическую очистку, электростатическую очистку и очистку с помощью звуковой и ультразвуковой коагуляции.
Механическая очистка газов включает сухие и мокрые методы. К сухим методам относятся:
1) гравитационное осаждение;
2) инерционное и центробежное пылеулавливание;
3) фильтрация.
В большинстве промышленных газоочистительных установок комбинируется несколько приемов очистки от аэрозолей, причем конструкции очистных аппаратов весьма многочисленны.
Гравитационное осаждение основано на осаждении взвешенных частиц под действием силы тяжести при движении запыленного газа с малой скоростью без изменения направления потока. Процесс проводят в отстойных газоходах и пылеосадительных камерах. Для уменьшения высоты осаждения частиц в осадительных камерах установлено на расстоянии 40–100 мм множество горизонтальных полок, разбивающих газовый поток на плоские струи. Производительность осадительных камер П = SwО , где S — площадь горизонтального сечения камеры, или общая площадь полок, м2 ; wO — скорость осаждения частиц, м/с. Гравитационное осаждение действенно лишь для крупных частиц диаметром более 50-100 мкм, причем степень очистки составляет не выше 40-50%. Метод пригоден лишь для предварительной, грубой очистки газов.
Инерционное осаждение основано на стремлении взвешенных частиц сохранять первоначальное направление движения при изменении направления газового потока. Среди инерционных аппаратов наиболее часто применяют жалюзийные пылеуловители с большим числом щелей (жалюзи). Газы обеспыливаются, выходя через щели и меняя при этом направление движения, скорость газа на входе в аппарат составляет 10-15 м/с. Гидравлическое сопротивление аппарата 100 - 400 Па (10 - 40 мм вод. ст.). Частицы пыли с d < 20 мкм в жалюзийных аппаратах не улавливаются. Степень очистки в зависимости от дисперсности частиц составляет 20-70%. Инерционный метод можно применять лишь для грубой очистки газа. Помимо малой эффективности недостаток этого метода – быстрое истирание или забивание щелей.
Для очистки запыленного воздуха перед выводом его в атмосферу широко применяют центробежные пылеуловители - циклоны.

Рисунок 1.1 – Устройство конического циклона
Центробежные пылеуловители. В центробежных пылеуловителях- циклонах происходит очистка запыленного воздуха от крупной пыли (размером более 50μ). При вращении воздушного потока внутри циклона развивается центробежная сила, под воздействием которой пылевые частицы отделяются от воздуха и отбрасываются к наружной стенке. В хлопковой промышленности широко используют конические циклоны.
На рис. 1.1 показано устройство конического циклона, который состоит из входного патрубка 1, наружного полого усеченного конуса 2, внутреннего полого усеченного конуса 3, дождевого колпака с рассекателем 4 и пылевого патрубка 5. Запыленный воздух поступает в циклон через входной патрубок по касательной и приобретает вращательное движение. Центробежная сила отжимает частицы пыли к внутренней стенке наружного конуса, по которой они, вращаясь, скатываются к пылевому патрубку и выводятся в атмосферу. Воздушный поток, также вращаясь и теряя скорость, в нижней части переходит во внутренний конус и выходит в атмосферу. В нижней части циклона, в месте перехода наружного воздушного потока во внутренний конус, создается разрежение, которое препятствует выделению пыли. В результате этого разрежения через пылевой патрубок в циклон подсасывается наружный воздух, а вместе с ним может обратно поступать выделенная пыль, которая будет выбрасываться в атмосферу через внутренний усеченный конус вместе с очищенным воздухом.
Для нормальной работы циклона без подсоса наружного воздуха необходимо создать подпор воздуха на выходном отверстии за счет регулировки дождевого колпака, который в некоторой степени может уменьшить разрежение в нижней части циклона. Полное устранение подсоса в циклоне достигается герметизацией пылевого патрубка, а также устройством бункера или шлюзового затвора. Даже незначительный присос воздуха через нижнюю часть циклона резко снижает эффективность задержания пыли. При подсосе 10—15% воздуха эффективность его очистки незначительна.

Рисунок 1.2 – График зависимости пылезадерживающего эффекта циклона (D = 1800 мм) от размера частиц пыли
С увеличением скорости воздуха при входе в циклон пылезадерживающий эффект повышается. Однако с увеличением скорости увеличивается и сопротивление циклона. Оптимальной скоростью воздуха в циклонах считают 14—18 м/с.
Пылезадерживающий эффект конических циклонов зависит от свойств пыли и от размеров ее частиц.
На графике (рис. 1.2) показана зависимость пылезадерживающего эффекта циклона от размера частиц пыли, выделяющейся с отработавшим воздухом пневмотранспортной установки с крупностью частиц менее 50|х и содержанием их в пыли около 35%. Пылезадерживающий эффект при этом составляет 60—65%. Опыт работы хлопкоочистительных заводов показывает, что при очистке циклонами отработавшего воздуха с большим содержанием в нем волокнистой массы пылезадерживающий эффект доходит до 94-97%. Это объясняется тем, что пыль с воздухом по внутренней поверхности наружного конуса опускается, а вблизи пылевого патрубка воздушный поток изменяет направление. В момент изменения направления движения воздушного потока происходит захват воздухом мелких частиц пыли и вынос их из циклона в атмосферу.
Нормальная эксплуатация циклонов обеспечивает при переработке хлопка-сырца низких сортов очистку воздуха после конденсеров линтеров до 76 мг/м3 при пылезадерживающем эффекте 95—97%. При очистке воздуха после конденсеров джинов достигается такой же пылезадерживающий эффект (94-97%). Циклоны, которые обеспыливают воздух после конденсеров джинов, очищают его до санитарной нормы (150 мг/м3 ), если в хлопке-сырце нет лессовой пыли. Поэтому их широко применяют при обеспыливании отработавшего воздуха, отходящего от конденсеров линтеров, от местных пылеотсосов, от семяочистителей и других устройств, выделяющих волокнистую пыль.
Сопротивление циклонов потоку воздуха при скорости входа его в циклон, равной 14 м/с, составляет 460—650 Н/м2 .
Конические циклоны в зависимости от производительности устанавливают одиночно или группами. При групповой установке (более двух циклонов) необходимо, чтобы направление вращения воздуха во всех циклонах было одинаковым.

Рисунок 1.3 – Схема установки циклонов с одинаковым направлением вращения воздуха

Рисунок 1.4 – Схема установки циклонов с разным направлением вращения воздуха
Схема установки циклонов с одинаковым направлением вращения воздуха показана на рис. 1.3, а с разным - на рис. 1.4. Когда несколько циклонов подключают к одному источнику запыленного воздуха, необходимо предусмотреть регулировку количества воздуха, поступающего в каждый циклон. Для этого устанавливают заслонки во входном патрубке циклона.
При работе группы циклонов, установленные в одну линию бункера их не обеспечивают отвода осаждающегося сора, поэтому сор направляют в герметически закрытый винтовой шнек, который транспортирует сорные примеси к месту их скопления.
Для улавливания запыленных частиц после пневмотранспортных систем и из системы аспирации технологических машин применяют двухсекционную многоциклонную установку.
Двухступенчатая шестициклонная установка. Такую установку применяют для очистки воздуха, отходящего от системы пневмотранспорта хлопка-сырца перед выпуском его в атмосферу.
Двухступенчатая шестициклонная воздухоочистительная система (рис. 1.5) для очистки воздуха, отходящего от систем пневмотранспорта хлопка-сырца, состоит из двух ступеней: в первой установлены два циклона диаметром 1500 мм, а во второй - четыре циклона диаметром 1000 мм. Запыленный воздух подается к циклонам первой ступени 1 со скоростью 16—18 м/с, здесь осаждается вся основная волокнистая масса и грубодисперсная пыль. Далее воздух через трубопровод 2 отсасывается из циклонов первой ступени вентилятором 3 и подается к циклонам второй ступени 4 через беззабойные рукава 5.

Рисунок 1.5 – Схема двухступенчатой шестициклонной установки
Далее воздух через трубопровод 2 отсасывается из циклонов первой ступени вентилятором 3 и подается к циклонам второй ступени 4 через беззабойные рукава 5.
Циклоны герметизированы вакуум-клапаном 6, который соединяется с циклоном через переходник 7, предназначенный для осмотра внутренней полости циклона и очистки в случае забивания пылью.
Выброс пыли осуществляется через шнек 8, откуда она поступает в общий пневмотранспорт и транспортируется к соронакопительному устройству. Общий пылезадерживающий эффект системы 90-95%.

Рисунок 1.6 – Схема двухступенчатой двухсекционной установки
Двухступенчатая двухсекционная установка. Двухступенчатую двухсекционную установку применяют для очистки запыленного воздуха, отходящего от системы аспирации технологических машин хлопкоочистительного завода.
Установка (рис. 1.6) для очистки запыленного воздуха от системы аспирации очистительных и других технологических машин и джинно-линтерного цеха состоит из двух ступеней.
Впервой ступени установлены два циклона большой производительности, вторая ступень состоит из четырех циклонов меньшей производительности.
Запыленный воздух поступает в циклон 1 со скоростью 14-18 м/с, здесь осаждается вся волокнистая масса и крупнодисперсная пыль. Очищенный воздух через трубопровод 2 отсасывается из циклонов 1 вентилятором 3 и через беззабойные тройники 4 передается к циклонам второй ступени аналогичного устройства.
Циклоны первой ступени герметизированы вакуум-клапаном 5, соединенным с переходником 6, предназначенным для осмотра внутренней плоскости циклона и очистки в случае забивания пылью. Пылевыгрузочные отверстия циклонов герметизированы переходниками, являющимися общими для четырех циклонов. Очищенный воздух из четырех циклонов второй ступени через выхлопные трубы выбрасывается в атмосферу. Аэродинамический режим циклонов регулируется с помощью шиберов, отвод пыли и сорных примесей осуществляется общим шнеком 7, откуда они поступают в общий пневмосоропровод и транспортируются к соронакопительному устройству.
Фильтрация основана на прохождении очищаемого газа через различные фильтрующие ткани (хлопок, шерсть, химические волокна, стекловолокно и др.) или через другие фильтрующие материалы (керамика, металлокерамика, пористые перегородки из пластмассы и др.). Наиболее часто для фильтрации применяют специально изготовленные волокнистые материалы — стекловолокно, шерсть или хлопок с асбестом, асбоцеллюлозу. В зависимости от фильтрующего материала различают тканевые фильтры (в том числе рукавные), волокнистые, из зернистых материалов (керамика, металлокерамика, пористые пластмассы). Тканевые фильтры, чаще всего рукавные, применяются при температуре очищаемого газа не выше 60-65°С. В зависимости от гранулометрического состава пылей и начальной запыленности степень очистки составляет 85-99%. Гидравлическое сопротивление фильтра DР около 1000 Па; расход энергии ~ 1 кВт*ч на 1000 м3 очищаемого газа. Для непрерывной очистки ткани продувают воздушными струями, которые создаются различными устройствами – соплами, расположенными против каждого рукава, движущимися наружными продувочными кольцами и др. Сейчас применяют автоматическое управление рукавными фильтрами с продувкой их импульсами сжатого воздуха.
Фильтрация – весьма распространенный прием тонкой очистки газов. Ее преимущества – сравнительная низкая стоимость оборудования (за исключением металлокерамических фильтров) и высокая эффективность тонкой очистки. Недостатки фильтрации высокое гидравлическое сопротивление и быстрое забивание фильтрующего материала пылью.
Мокрая очистка газов от аэрозолей основана на промывке газа жидкостью (обычной водой) при возможно более развитой поверхности контакта жидкости с частицами аэрозоля и возможно более интенсивном перемешивании очищаемого газа с жидкостью. Этот универсальный метод очистки газов от частиц пыли, дыма и тумана любых размеров является наиболее распространенным приемом заключительной стадии механической очистки, в особенности для газов, подлежащих охлаждению. В аппаратах мокрой очистки применяют различные приемы развития поверхности соприкосновения жидкости и газа.
Башни с насадкой (насадочные скрубберы) отличаются простотой конструкции и эксплуатации, устойчивостью в работе, малым гидравлическим сопротивлением (DР=300¸800 Па) и сравнительно малым расходом энергии. В насадочном скруббере возможна очистка газов с начальной запыленностью до 5-6 г/м3 . Эффективность одной ступени очистки для пылей с d > 5 мкм не превышает 70-80%. Насадка быстро забивается пылью, особенно при высокой начальной запыленности.
Орошаемые циклоны (центробежные скрубберы) применяют для очистки больших объемов газа. Они имеют сравнительно небольшое гидравлическое сопротивление – 400-850 Па. Для частиц размером 2-5 мкм степень очистки составляет ~50%. Центробежные скрубберы высокопроизводительны благодаря большой скорости газа; во входном патрубке wг =18¸20 м/с, а в сечении скруббера wг = 4¸5 м/с.
Пенные аппараты применяют для очистки газа от аэрозолей полидисперсного состава. Интенсивный пенный режим создается на полках аппарата при линейной скорости газа в его полном сечении 1-4 м/с. Пенные газоочистители обладают высокой производительностью по газу и сравнительно небольшим гидравлическим сопротивлением (DР одной полки около 600 Па). Для частиц с диаметром d >5 мкм эффективность их улавливания на одной полке аппарата 90-99%; при d < 5 мкм h = 75¸90%. Для повышения h устанавливают двух- и трехполочные аппараты.
Скрубберы Вентури (см. рис. 1.7) — высокоинтенсивные газоочистительные аппараты, но работающие с большим расходом энергии. Скорость газа в сужении трубы (горловине скруббера) составляет 100—200 м/с, а в некоторых установках — до 1200 м/с. При такой скорости очищаемый газ разбивает на мельчайшие капли завесу жидкости, впрыскиваемой по периметру трубы. Это приводит к интенсивному столкновению частиц аэрозоля с каплями и улавливанию частиц под действием сил инерции. Скруббер Вентури — универсальный малогабаритный аппарат, обеспечивающий улавливание тумана на 99—100%, частиц пыли с d = 0,01¸0,35 мкм — на 50–85% и частиц пыли с d = 0,5-2 мкм — на 97%. Для аэрозолей с d = 0,3-10 мкм эффективность улавливания определяется в основном силами инерции и может быть оценена по формуле
(1.1)
где К – константа; L – объем жидкости, подаваемой в газ, дм3 /м3 ;
j – инерционный параметр, отнесенный к скорости газа в горловине
при
h³ 90% j является однозначной функцией перепада давления в скруббере.

Рисунок 1.7 – Реактор полного смешения- скруббер Вентури:
1- сопло; 2- горловина; 3- камера смешения; 4- разделительная камера.
Главный дефект скруббера Вентури — большой расход энергии по преодолению высокого гидравлического сопротивления, которое в зависимости от скорости газа в горловине может составлять 0,002-0,013 МПа. Помимо того, аппарат не отличается надежностью в эксплуатации, управление им сложное.
Основной недостаток всех методов мокрой очистки газов от аэрозолей — это образование больших объемов жидких отходов (шлама). Таким образом, если не предусмотрены замкнутая система водооборота и утилизация всех компонентов шлама, то мокрые способы газоочистки по существу только переносят загрязнители из газовых выбросов в сточные воды, т. е. из атмосферы в водоемы.
Электростатическая очистка газов служит универсальным средством, пригодным для любых аэрозолей, включая туманы кислот, и при любых размерах частиц. Метод основан на ионизации и зарядке частиц аэрозоля при прохождении газа через электрическое поле высокого напряжения, создаваемое коронирующими электродами. Осаждение частиц происходит на заземленных осадительных электродах. Промышленные электрофильтры состоят из ряда заземленных пластин или труб, через которые пропускается очищаемый газ. Между осадительными электродами подвешены проволочные коронирующие электроды, к которым подводится напряжение 25–100 кВ. Теоретическое выражение для степени улавливания аэрозолей в трубчатых электрофильтрах имеет вид
(1.2)
(1.3)
где и – скорость дрейфа частиц к электроду; l — длина электрода; r — радиус осадительного электрода; wг — скорость очищаемого газа.

Рисунок 1.8 – Кривые зависимости степени улавливания пыли в электрофильтре от размеров частиц: 1-pEE0 =160; 2 - pEE0 =80; 3 - pEE0 =40.
На рис. 1.8 приведены идеальные кривые зависимости степени улавливания аэрозолей в электрофильтре от размеров частиц. Кривые на этом рисунке отвечают разным значениям произведения рЕЕО , где р — коэффициент, для непроводящих частиц р = 1,5¸2, для проводящих частиц р=3; Е — напряженность электрического поля; eО – критическое значение напряженности поля. Фактическая зависимость степени улавливания аэрозолей h от диаметра частиц d для промышленных электрофильтров определяется экспериментально. Очистка осложнена прилипанием частиц к электроду, аномальным (пониженным) сопротивлением слоя пыли на электродах и др.
При очистке от пыли сухих газов электрофильтры могут работать в широком диапазоне температур (от 20 до 500 °С) и давлений. Их гидравлическое сопротивление невелико – 100-150 Па. Степень очистки от аэрозолей – выше 90, достигая 99,9% на многопольных электрофильтрах при d > 1 мкм. Недостаток этого метода – большие затраты средств на сооружение и содержание очистных установок и значительный расход энергии на создание электрического поля. Расход электроэнергии на электростатическую очистку – 0,1-0,5 кВт на 1000 м3 очищаемого газа.
Звуковая и ультразвуковая коагуляция, а также предварительная электризация пока мало применяются в промышленности и находятся в основном в стадии разработки. Они основаны на укрупнении аэрозольных частиц, облегчающем их улавливание традиционными методами. Аппаратура звуковой коагуляции состоит из генератора звука, коагуляционной камеры и осадителя. Звуковые и ультразвуковые методы применимы для агрегирования мелкодисперсных аэрозольных частиц (тумана серной кислоты, сажи) перед их улавливанием другими методами. Начальная концентрация частиц аэрозоля для звуковой коагуляции должна быть не менее 2 г/м3 (для частиц d = l¸10 мкм).
Коагуляцию аэрозолей методом предварительной электризации производят, например, пропусканием газа через электризационную камеру с коронирующими электродами, где происходит зарядка и коагуляция частиц, а затем через мокрый газоочиститель, в котором газожидкостный слой служит осадительным электродом (рис. 1.9). Осадительным электродом может служить пенный слой в пенных аппаратах, слой газожидкостной эмульсии в насадочных скрубберах и других мокрых газопромывателях, в которых решетки или другие соответствующие детали должны быть заземлены.

Рисунок – 1.9 –Схема мокрого пылеулавливания с предварительной электризацией: 1 – камера электризации; 2 – коронирующий электрод; 3- пенный аппарат; 4 – газожидкостный (пенный) слой; 5- заземленная решетка; / - очищаемый газ; // - вода; /// - очищенный газ; /V- слив шлама.
2. ТЕХНОЛОГИЧЕСКАЯ ЧАСТЬ
2.1 Технологический процесс производства
Выпускаемая продукция Камышенской фабрики: товарная пряжа и суровая ткань.
Хлопок поступает на хлопковый склад с хлопкоочистительных заводов по железнодорожным путям в туго спрессованных кипах массой 180-200 кг. Со склада поступает на сортировочно-трепальный участок, где спрессованные пласты хлопка, подвергаясь растаскиванию и ударному воздействию игл, планок бил, делятся на отдельные клочки, одновременно очищаясь от крупных сорных примесей и пороков. Все разрыхлительно - трепальные машины объединены в один агрегат с пневматической передачей волокна из машины в машину. Автоматические устройства обеспечивают равномерность потока волокна.
Сущность процессов разрыхления и смешивания
Хлопковое волокно, поступающее на фабрику спрессованным в кипы, содержит сорные примеси, пороки, которые необходимо из него выделить, чтобы получить чистую пряжу. Поэтому на первых же стадиях обработки хлопкового волокна его подвергают интенсивному разрыхлению. Сущность процесса разрыхления заключается в уменьшении плотности хлопка и разделении его на мелкие клочки. Цель процесса разрыхления - создание лучших условий для очистки волокнистой массы от сорных примесей и пороков и хорошего перемешивания всех компонентов смеси.
На современных разрыхлительно-трепальных агрегатах процессы разрыхления и очистки объединены и являются начальной стадией обработки хлопка. Разделение хлопка на клочки вначале достигается расщипыванием грубыми иглами на машинах с игольчатыми решетками, а затем ударным воздействием рабочих органов машины с одновременной очисткой. Расщипывание хлопка осуществляется за счет захвата его двумя игольчатыми решетками, движущимися в разные стороны или в одну с разной скоростью, в результате чего клочки растаскиваются, и размер их уменьшается. Одновременно с уменьшением размеров клочков ослабляется связь между волокном и сорными примесями, часть которых выпадает.
Выделяющиеся при разрыхлении сорные примеси проваливаются через щели специальных колосниковых решеток, а пыль отсасывается через сетчатые барабаны с помощью вентиляторов.
Разрыхлительные агрегаты.
В последние годы требования к очистке и разрыхлению повысились, т.к. пневмопрядильные машины могут хорошо работать только при достаточной очистке волокна. Рассмотрим схему поточной линии кипа - лента.

Рисунок 2.1 – Схема поточной линии кипа – лента
Агрегат состоит из 8 кипных рыхлителей РКА-2Х (1), на которые с помощью автопогрузчика устанавливаются распакованные кипы хлопка. Рыхлители производят первичное разрыхление и очистку волокна. Перемешивание хлопкового волокна из 2-х рыхлителей происходит в дозирующем бункере ДБ-1 (2), здесь же осуществляются дальнейшее разрыхление и очистка. Далее тягой воздуха волокно попадает в питатель -смеситель П-5 (3), где перемешивается волокно, поступающее со всех РКА-2Х, и создается резерв для питания последующих машин: наклонного очистителя ОН-6-3 (4), осевого чистителя ЧО (5), второго наклонного очистителя ОН-6-4 (6) с конденсером, рыхлителя горизонтального Р (7). Эти машины предназначены для разрыхления и очистки волокна от сора. Распределитель РВП-2 (распределитель волокна пневматический) направляет хлопок в бункеры двух трепальных машин ТБ-3 (8), а затем он попадает в бункеры резервных питателей чесальных машин ПРЧ-1. С одной трепальной машины ТБ-3 хлопок поступает на 2 питателя ПРЧ-1 (9). Каждый из питателей через распределитель РПЧ-5 (распределитель пневматический чесальных машин) питает хлопковым волокном 4-5 чесальных машин ЧМД-4 (10). Далее 6 лент складываются и вытягиваются на ленточной машине ЛА-54-500 (11) с авторегулятором ровноты ленты. Лента в тазах диаметром 500 мм подается на второй переход ленточных машин Л2-50-220 (12). Здесь лента укладывается в тазы диаметром 220 мм и вместимостью 7 кг, предназначенные для питания пневмомеханических прядильных машин БД-200 (13).
Очищающая способность такого разрыхлительно-трепального агрегата достигает 70-75%. Под очищающей способностью понимается количество угаров, пороков и сорных примесей (в процентах от начального содержания этих пороков в волокне), удаляемое из хлопкового волокна в результате разрыхления и очистки.
Вырабатываемая чесальная лента укладывается в тазы диаметром 400 мм и вместимостью до 15 кг. От кипы до чесальных машин поток не прерывается, процесс осуществляется в один переход.
При обработке хлопкового волокна на машинах разрыхлительно-трепального агрегата выделяются угары, которые состоят из сорных примесей, короткого волокна и пуха.
На поточных линиях удаление угаров и опыленного воздуха производится пневмотранспортом. На всех машинах разрыхлительно-трепального агрегата имеются вентиляторы, которые направляют запыленный воздух в пылеочищающее устройство: фильтр ФТ-1М. Этот фильтр состоит из медленно вращающегося сетчатого барабана, заключенного в спиралеобразный металлический кожух. Пыльный воздух вместе с волокном поступает по трубе к барабану и образует на нем ватку толщину которой регулируют, изменяя скорость вращения барабана. Очищенный воздух проходит внутрь сетчатого барабана и через его торцы выходит из фильтра. Данный фильтр используют на первой ступени очистки.
До 25% сорных примесей и пороков остается в хлопковом волокне, поступающем на чесальные машины. Причем эти сорные примеси и пороки находятся как на поверхности, так и внутри хлопкового волокна. Для удаления их необходимо разъединить волокна. Поэтому назначение процесса чесания, осуществляемого чесальной машиной, заключается в следующем:
- разделение клочков на отдельные волокна;
- удаление сорных примесей и пороков волокна, частичное удаление короткого волокна;
- значительное утонение слоя волокна (примерно в 100 раз);
- формирование ленты и укладка ее в таз.
В процессе чесания выделяются от 4 до 8% угаров. В угарах помимо короткого волокна, пороков и сорных примесей содержатся и длинные волокна, которые можно использовать в прядении.
На ленточных машинах осуществляются следующие процессы:
- вытягивание в вытяжных приборах для утонения ленты, распрямления и параллелизации волокон;
- автоматическое регулированиетолщины продукта.
На ленточных машинах выделяются угары в виде пуха и подмети; количество угаров не превышает 0,3-0,5%.
Следующий этап - прядение, приготовление пряжи из ленты на прядильных пневмомеханических машинах. На прядильных машинах продукт утоняется до занятой линейной плотности, происходит скручивание волокон для придания продукту необходимой прочности и его наматывания на гильзы и патроны.
Подготовка пряжи к ткачеству.
По назначению вся потребляемая пряжа может быть разделена на основную и уточную пряжу.
Пряжа, поступающая из прядильного производства, проходит ряд подготовительных процессов.
Основную пряжу в початках перематывают в мотальном отделе на мотальных машинах на мотальные паковки, удобные для последующего процесса - снования. В процессе перематывания из пряжи удаляют прядильные пороки шишки, утолщения.
Далее пряжа направляется на снование. В процессе снования на сновальных машинах на паковку - сновальный вал навивается определенное число нитей установленной длины.
Затем основную пряжу подвергают шлихтованию. В процессе шлихтования пряжу пропитывают специальным клеящим составом, называемым шлихтой, в результате чего нити основы становятся более прочными, гладкими и стойкими к истирающим воздействиям. Одновременно, при шлихтовании нити с нескольких сновательных валов объединяют и навивают на ткацкий навой.
На пневмомеханических прядильных машинах осуществляются следующие операции:
- питание лентой;
- разделение непрерывного потока на отдельные волокна дискретизация;
- сгущение и выравнивание волокнистого потока;
- кручение со свободным концом;
- наматывание пряжи.
На прядильных машинах выделяются угары, которые все возвращаются на переработку, кроме подмети грязной в количестве 0,05-0,08%.
На ткацком станке вырыбатывается ткань определенного переплетения, плотности и ширины.
В ткацком цехе основной вид отхода - подметь грязная.
В ткацком цехе на станках вырабатывается ткань путем перекрещивания основных и уточных нитей. Это суровая ткань, которая поступает в приемно-контрольный участок, где ткань перемеривается и разбраковывается.
Затем ткань пакуют в кипы и отправляют потребителю.
2.2 Экологические аспекты очистки сточных вод
2.2.1 Характеристика сточных вод хлопчатобумажного комбината
В состав хлопчатобумажного комбината входят прядильные, ткацкие и отделочные производства.
На хлопчатобумажном комбинате вода расходуется на технологические нужды в отделочных фабриках, в шлихтовальных отделах ткацких фабрик, а также в цехах крашения и мерсеризации; на расходку аппаратов при ведении процесса под давлением и при температурах, превышающих 1000 С; на нужды вентиляции, доувлажнения воздуха в цехах, испарение в кондиционерах и вентиляционных камерах, промывку поддонов кондиционеров; на нужды котельной, подпитку систем кондиционирования воздуха и охлаждение оборудования, на собственные нужды станций водоподготовки и др.
2.2.2 Расчёт ПДС загрязнений производственных сточных вод
С целью достижения величины ПДС, обеспечения надёжной работы городских очистных сооружений и сетей канализации были разработаны "Условия приёма сточных вод промышленных предприятий в городскую канализационную сеть", которые определяют порядок пользования промышленных предприятий услугами городского канализации, регламентируют допустимые величины показателей состава сточных вод, поступающих в городскую канализацию и затем на городские очистные сооружения.
В водоотводящие сети населённых мест могут быть приняты производственные сточные воды, которые не вызывают нарушения в работе водоотводящих сетей и сооружений, обеспечивают безопасность их эксплуатации и могут вместе со сточными водами населённых пунктов в соответствии с требованиями "Правил охраны поверхностных вод от загрязнения сточными водами".
Сброс производственных сточных вод в городские канализационные сети населённых мест должен осуществляться самостоятельными выпусками с обязательным устройством смотрового колодца, размещаемого за пределами предприятия.
Промышленные предприятия несут ответственность за нарушение установленных правил приёма, повлёкшие сброс в водные объекты недостаточно очищенных сточных вод, а также аварии или несчастные случаи из-за сброса производственных сточных вод, реагентов и других материалов, используемых в технологическом процессе промышленного комплекса.
К производственным сточным водам предприятий, сбрасываемых в городскую канализационную сеть города Камышина и направляемых на городские очистные сооружения, предъявляются следующие требования (см. табл. 2.1)
ПДС и сброс загрязнений от предприятия рассчитываются по формуле:
ПДС=Q*ПДК кг/сут (2.1)
М=Q*Сik кг/сут (2.2)
где Q- объем сточных вод, сбрасываемых предприятием, м3 /сут;
Сik - концетрация i-того вещества в сточных водах предприятия, мг/л.
Рассчитаем ПДС загрязнений для хлопкоперерабатывающего предприятия, где наблюдается повышение ПДК по отдельным показателям.
Таблица 2.1 - Предельно допустимые концентрации загрязнений производственных сточных вод.
| № | Вещество | ПДК, мг/л |
| 1 | Взвешенные вещества | 143,0 |
| 2 | Сухой остаток | 541,0 |
| 3 | БПКполн | 254,5 |
| 4 | ХПК | 381,75 |
| 5 | Азот аммонийный | 19,0 |
| 6 | Хлориды (Cl- ) | 300,0 |
| 7 | Сульфаты (SO4 2- ) | 100,0 |
| 8 | Фосфаты | 0,8 |
| 9 | Нефтепродукты | 1,2 |
| 10 | Жиры | 10,9 |
| 11 | СПАВ | 45,7 |
| 12 | Железо (Feобщ ) | 1,45 |
| 13 | Медь (Cu2+ ) | 0,098 |
| 14 | Цинк (Zn2+ ) | 0,33 |
| 15 | Никель (Ni+ ) | 0,01 |
2.2.3 Определение концентраций загрязнений смешанного стока
Определение концентраций загрязнений общего потока сточных вод от промышленных предприятий.
Все рассмотренные сточные воды от предприятия с нижеприведёнными показателями загрязнений поступают в городскую сеть водоотведения, в результате чего в общем потоке от всех производств на городские очистные сооружения поступает следующее количество загрязнений
, мг/л(2.3)
где Сi - концентрация i-го вещества, поступающего в общем потоке сточных вод от промышленных предприятий на городские очистные сооружения, мг/л;
Сn ik – концентрация i-го вещества в сточных водах предприятия, мг/л;
Qn ik - сточных вод, сбрасываемых предприятием, м3 /сут;
∑Qn ik - суммарный объём сточных вод, поступающих от всех предприятий города, м3 /сут.
Определение концентраций загрязнений бытовых сточных вод
По норме загрязнений и норме водоотведения рассчитываем концентрацию бытовых сточных вод по отдельным показателям, по формуле:
, мг/л (2.4)
где Сб.с.в. – концентрация загрязнений, мг/л;
а – норма загрязнений, г/чел. сут;
n– норма водоотведения, л/чел. сут.
Результаты расчёта сводим в таблицу 2.2 .
Таблица 2.2– Результаты расчета концентраций загрязнений бытовых сточных вод
| Показатели | Норма загрязнений а, г/чел.сут |
Норма водоотведения n, л/чел.сут |
Концентрация загрязнения Сб.с.в. , мг/л |
| 1 | 2 | 3 | 4 |
| Взвешенные вещества | 65 | 350 | 185,71 |
| БПК | 75 | 350 | 214,26 |
| Азот аммонийный | 8 | 350 | 22,86 |
| Фосфаты (Р2 О5 ) | 3,3 | 350 | 9,43 |
| 1 | 2 | 3 | 4 |
| Фосфаты (Р2 О5 ) | 2,2 | 350 | 7,7 |
| Фосфаты от м. веществ | 1,6 | 350 | 4,57 |
| Хлориды | 9 | 350 | 25,71 |
| ПАВ | 2,5 | 350 | 7,14 |
| Фосфор (Р2 ) | 1,44 | 350 | 4,71 |
Определение концентраций загрязнений в смешанном стоке бытовых и производственных сточных вод (городские сточные воды).
Концентрация городских сточных вод рассчитывается как средневзвешенная величина по концентрациям бытовой и производственной составляющих
, мг/л(2.5)
где Спр - концентрация производственных сточных вод, мг/л;
Qб ,Qпр - расход бытовых и промышленных сточных вод соответственно, м3 /сут.
Расчёты концентраций хозяйственно-бытового, промышленного и смешанного стоков сведены в таблицу 2.3.
Таблица 2.3 - Результаты расчета концентраций хозяйственно-бытового, промышленного и смешанного стоков.
| Показатели | Норма загрязнений а, г/чел.сут |
Норма водоотведения n, л/чел.сут |
Концентрация загрязнения Сб.с.в. , мг/л |
| 1 | 2 | 3 | 4 |
| Взвешенные вещества | 185,71 | 35,83 | 131,96 |
| Сухой осадок | - | 436,16 | - |
| 1 | 2 | 3 | 4 |
| БПКполн. | 214,29 | 64,93 | 160,73 |
| ХПК | БПК:0,86 | 109,57 | 199,11 |
| Азот аммонийный | 22,86 | 3,29 | 15,84 |
| Хлориды (Cl- ) | 25,17 | 65,69 | 40,05 |
| Сульфаты | - | 67,03 | - |
| Фосфаты | 7,7 | 0,03 | 4,95 |
| Нефтепродукты | - | 0,43 | - |
| Жиры | - | 1,2 | - |
| СПАВ | 7,14 | 0,13 | 4,63 |
| Железо | - | 0,33 | - |
| Медь | - | 0,0017 | - |
| Цинк | - | 0,0029 | - |
| Кальций | - | 0,02 | - |
| Никель | - | 0,001 | - |
| Фосфаты от м. веществ | 4,57 | - | - |
| Фосфор (Р2 ) | 4,14 | 0,02 | 2,64 |
Отношение величин БПКполн и ХПК характеризует способность примесей сточных к биохимическому окислению. Для бытовых сточных вод это отношение составляет 0,86.
Найдем Ссмен ХПК :
, мг/л (2.6)
, мг/л
Совокупное рассмотрение показателей БПКполн. , аммонийного азота и фосфора позволяет оценит достаточность биогенных элементов для процесса биологической очистки. В соответствии с (1, стр. 21) отношение БПКполн : N : Р должно соответствовать 100 : 6 : 1. Соотношение БПКполн. : N : Р в сточных водах проектируемого города равно 161:16:3 или, принимаемая БПКполн за 100, получим БПКполн : N : Р = 100 : 10 : 2. Следовательно, количество биогенных элементов в избытке, что характерно для городских сточных вод.
2.2.4 Очистка сточных вод хлопчатобумажного комбината
Проектируемые очистные сооружения предназначены для очистки стоков на предприятии от вредных веществ.
Необходимость локальной очистки сточных вод основана на ранее выполненных расчётах ПДС по отдельным видам загрязнений. Концентрации загрязняющих веществ на входе в очистные сооружения и на выходе из них приведены в табл. 2.4.
В технологических процессах электрохимической очистки использовано следующее оборудование:
- электрокоагуляторы;
- отстойники;
- песчаные фильтры.
Для задержания щепы и пуха, поступающих от прядильно-ткацких фабрик предусмотрены устройства по установлению щепы и пуха. Стоки от отделочной фабрики после устройства по улавливанию щепы и пуха по разгрузочному коллектору направляются в насосную станцию пиковых сбросов с последующей перекачкой непосредственно на запроектируемые сооружения электрохимической очистки с последующим отведением под остаточным напором для обработки в нейтрализаторе и последующим отведением через сеть хлопчатобумажного комбината (ХБК) в городской коллектор.
Сетью от прядильно-ткацких фабрик стоки направляются непосредственно в насосную станцию (в районе нейтрализатора) в грабельном отделении которой происходит улавливание щепы и пуха с дальнейшим прохождением их через нейтрализатор и отводом также через сеть ХБК в городской коллектор.
Проектом предусматривается также возможность очистки общего стока ХБК в сооружениях электрохимической очистки, поступающего в насосную станцию в районе нейтрализатора. В этом случае стоки после сооружений электрохимической очистки под остаточным напором направляются в нейтрализатор с последующим отводом через сети ХБК в городской коллектор.
В процессе очистки образуются следующие отходы:
- щепа и пух;
- осадок из отстойников;
- водород (в процессе коагуляции).
Уловленные щепа и пух вывозятся на полигон для захоронения.
Осадок из отстойников в виде нерастворимых гидроокисей направляется на установку тепловой обработки осадков сточных вод.
В технологических процессах обработки осадка использовано следующее оборудование:
- теплообменный аппарат;
- ректор подогрева осадка;
- уплотнитель осадка;
- вакуум фильтр.
Осадок из отстойников пропускают через теплообменник для предварительного нагревания. Затем осадок поступает на обработку в реактор, куда одновременно подаётся пар от источника теплоснабжения. Обработанный осадок из реактора проходит через теплообменник в уплотнитель осадка. Уплотнённый осадок подаётся в накопитель осадка и насосной станцией направляется на обезвоживание, которое производится на вакуум-фильтре. Кек, снимаемый с вакуум-фильтра подаётся в бункер и вывозится на полигон для захоронения.
Вода, выделившаяся в процессе уплотнения, отводится на фильтры. Из реактора образующиеся газы отводятся в систему газоудаления.
Расчёт электрокоагуляционной установки для очистки сточных вод от меди и ионов других тяжёлых металлов.
Принимаем девять электрокоагуляторов производительностью 50 м3 /час каждый согласно п. 6.329. /I, с. 54./.
Суммарная концентрация ионов цинка и хрома (VI) менее 50 % концентрации меди, следовательно величину тока определяем по формуле:
Iс u г = qw *Се n * qс u г , A(2.7)
где qw - производительность аппарата, м3 /ч;
Се n - исходная концентрация меди, по табл. 2.15.;
qс u г - удельный расход электричества, необходимый для удаления сточных вод
1 ч мед, qс u г = 3 А*ч/г, согласно п. 6.332. /I, с. 54./.
Iс u г =50*6.96*3=1044 A
Общую поверхность анодов определяем по формуле
fpl = Iс u г / ian , м2 (2.8)
где ian - анодная плотность тока, ian =150 А/м2 , согласно п. 6.334. 11, с. 54./.
fpl =1044/150=6,96 м2
Определяем площадь поверхности одного электрода
f\ pl = bр1 * hр1 , м2 (2.9)
где bр1 - ширина электродной пластины, bр1 = 0,6 м, по табл. /2, с. 200/;
hр1 - рабочая высота электродной пластины, hр1 = 0,8 м, по /2, с. 200/.
f\ pl =0.6*0.8=0.48 м2
Общее необходимое число электродных пластин определим по формуле
Nр l =2*fpl /f\ pl =29 шт (2.10)
Npl =2*6,96/0,48=29 шт
Определим рабочий объём электрокоагулятора
Wek = fpl * b *Npl ,м3 (2.11)
где b - расстояние между соседними электродами, b = 0,01 м, п. 6.332. /1, с. 54./.
Wek =6,96*0,01*29=2,02 м3
Продолжительность обработки сточных вод определим по формуле
t= Wek /qw , ч (2.12)
t=2,02/50=0,04 ч=146 с
Определим расход металлического железа для обработки сточных вод
QFe =QW * Се n *qFe /(1000*Kek ), кг/сут(2.13)
где qFe - удельный расход металлического железа, для удаления 1 г меди,
qFe = 3 г, согласно п. 6.332. 1\, с. 54./;
Kek - коэффициент использования материала электродов в зависимости от толщины электродных пластин, Kek =0,8, согласно п. 6.337. /I, с. 54./;
QW - расход сточных вод, м3 /сут
QFe =10800*6,96*3/(1000*0,8)=281,88 кг/сут
Расчёт горизонтального отстойника
Расчёт отстойника выполняется по методу А. И. Жукова. Расчётная схема приведена на рис. 2.2.

Рисунок 2.2- Расчетная схема отстойника
Рассчитаем горизонтальные отстойники для очистки производственных сточных вод Q=9000 м3 /сут; коэффициент часовой неравномерности К=1,2; начальная концентрация взвешенных веществ С1 =1570 мг/л; конечная концентрация сточных вод должна быть С2 = 300 мг/л.
Скорость осаждения взвешенных веществ в состоянии покоя характеризуется рис. 2.23. /5, с. 60/. Влажность выпавшего осадка 90 %, плотность его ρ =1,02 т/м3 .
Расчётный расход на отстойниках определяем по формуле
qmax . c . =Q*K/(24*3600), м3 /с (2.14)
qmax . c . =9000*1,2/(24*3600)=0,125 м3 /с
Принимаем 3 отстойника. Тогда расход на каждый отстойник составит
q= qmax . c /n, м3 /с (2.15)
где n - количество отстойников, шт.
q=0,125/3=0,042 м3 /с
Требуемый эффект осветления воды определяем по формуле
Э=(С1 - С2 )*100/ С1 , % (2.16)
Э=(1570-300)*100/1570=81 %
Для получения такого эффекта условная гидравлическая крупность взвешенных частиц определяется по рис. 2.23. /5, с. 60/; u0 ≥ 0,33 мм/с.
Принимаем глубину проточной части отстойника Н1 == 2 м, а vср. =0,5 мм/с.
При распределении воды в начале сооружения и сборе ее в конце сооружения с помощью водослива hо = 0,25 м, α = 30°.
Определим длину участка l1 , на котором высота активного слоя в отстойнике достигнет расчётной глубины Н1 = 2 м.
hср. = Н1 + hо /2,15, м(2.17)
hср. =2+0,25/2,15=1,05 м
Средняя скорость потока на участке
, мм/с (2.18)
v1 =5*2/1,05=9,5 мм/с
При этом k=0,16 согласно рис. 2.24. /5, с. 60/, ω = 0,04 согласно рис. 2.24. /5,c. 60/, а
, м (2.19)
м
Продолжительность протекания воды на участке определяем по формуле
t1 =l1 /v1 ,ч (2.20)
t1 =8,02*1000/9,5=844 с=0,23 ч
За это время наименьшая оседающая частица пройдёт путь
h1 = t1 *(u0 - ω) (2.21)
h1 =844*(0,33-0,04)= 244,8 мм3 =0,24 м
При vср. =5 мм/с, ω = 0,01 оставшуюся часть глубины отстойника частица пройдёт за время
t2 =( Н1 - h1 )/( u0 - ω ) (2.22)
t2 =(2000-244,8)/(0,33-0,01)=5485 с=1,52 ч
За это время частица переместится по горизонтали на расстояние
l2 = t2 *vср. , м (2.23)
l2 =5485*0,005=27,4 м
Длина участка сужения потока определяется по формуле
l3 = Н1 /tgα= Н1 /tg30, м (2.24)
l3 =2/0,577=3,47 м
Определим общую длину отстойника
L=l0 + l1 + l2 + l3 + l4 , м (2.25)
L=0,7+8,2+27,4+3,47+0,5=40,9 м
Ширину отстойника определяем по формуле
В=q/( Н1 * v), м(2.26)
В=0,042/(2*0,005)=4,2 м
Определим массу уловленного отстойником за сутки осадка
, т/сут (2.27)
С1сух =1570*0,81*1,2*9000/(1000*1000)=13,73 т/сут
Определим объём выпавшего осадка
, м3
/сут (2.28)
Vос =100*13,73/((100-90)*1,02)=134,6 м3 /сут
Для накопления осадка в начале сооружения проектируем бункер в виде перевёрнутой усечённой пирамиды, верхнее основание которой 4 х2,5 м, а нижнее 1,0 х0,5 м. Высота пирамиды 2,5 м.
Определим объём бункера одного отделения
, м3
(2.29)
где h - высота пирамиды, м;
S1 - площадь верхнего основания усечённой пирамиды, м2 ;
S2 - площадь нижнего основания пирамиды, м2
м3
В основании отстойника также предусматриваем ёмкость для накопления осадка. Высота её в конце сооружения равна 0,2 м. При уклоне днища i=0,003 высоту её в начале сооружения определяем по формуле
h=0,2+L*0,003, м (2.30)
h=0,2+40,9*0,003=0,32 м
Определим объём осадочной части в основании одного отстойника
Vосн =В* L *( h+0,2)/3, м3 (2.31)
Vосн =4,2*40,9*0,52/3=29,8 м3
Общий объём осадочных частей трёх отстойников
Voc . =( Vб + Vосн )*n, м3 (2.32)
Voc . =(10,6+29,8)*3=121,2 м3
Осадочные части отстойника будут заполняться осадком за
121,2/134,6=0,9≈1 сутки
Осадок выгружается 1 раз в сутки и удаляется из бункера с помощью насосов.
Расчёт фильтров
Рассчитаем песчаные фильтры для доочистки сточных вод на максимальную производительность с учетом 30 % воды выделившейся при уплотнении осадка от его первоначального объёма.
Qmax .сут =10800+40,38=10840,38 м3 /сут
Проектируем однослойные песчаные фильтры с восходящим потоком воды.
Определим суммарную площадь фильтров по формуле
Fф
=
, м2
(2.33)
где Т - продолжительность фильтроцикла, Т = 24 ч;
vф - скорость фильтрования, vф =11 м/ч, по табл. 2.4. /5, с. 39./;
n - количество промывок каждого фильтра, п=1;
m - коэффициент учитывающий расход воды на промывку, m = 0,005;
W1 , W2 - интенсивность подачи воды и промывки;W1 = 4 л/с*м2 ,
W2 = 6 л/с*м2 , по табл. 2.4. /5, с. 39/;
t1 , t2 - продолжительность водовоздушной промывки и промывки водой;
t1 = 10 мин =0,17 ч, t2 =8 мин = 0,13 ч, по табл. 2.4. /5, с. 39/;
t3 - продолжительность простоя из-за промывки, по табл. 15, с. 39/, t3 - 0.33 ч.
Fф
=
м2
Конструктивно принимаем 6 фильтров, тогда площадь одного фильтра определим по формуле
F1
= Fф
/ N, м2
(2.34)
где N - количество фильтров, шт
F1 =42,7/6=7,12 м2
Принимаем фильтр размером в плане 2,8 х 2,6 м, тогда F1 = 7,28 м.
Принимаем число фильтров, находящихся в ремонте, Np = 1. Тогда скорость фильтрования при форсированном режиме
vф.ф.
=
, м/с(2.35)
vф.ф.
=
м/с
Эта скорость не превышает скорости, допускаемой при форсированном режиме работы фильтров по табл. 2.4. /5, с. 39./.
Рассчитаем распределительную систему фильтра.
Определим количество промывной воды, необходимой для одного фильтра при W2 = 6 л/с*м2
qпр = F1 *W2 , л/с (2.36)
qпр =7,28*6=43,68 л/с
При qпр =43,68 л/с, dкол .= 250 мм, vкол =1 м/с. Принимаем расстояние между ответвлениями распределительной системы m = 0,3 м.
Определим площадь дна фильтра, приходящаяся на каждое ответвление (при наружном dкол .= 270 мм)
fотв.
=
м2
Определим расход промывной воды, поступающей через одно ответвление
qотв .=fотв. *W2 , л/с (2.37)
qотв .=0,38*6=2,28 л/с
Принимаем dотв =50 мм, v =1,2 м/с.
Рассчитаем напор промывной воды для обеспечения 95 %-ной равномерности промывки фильтра по формуле
H0
=
, м(2.38)
где hо - высота загрузки фильтра песком, hо = 1,5 м, по табл. 2.4. 15, с. 39./.
H0
=
м
Расход промывной воды, вытекающей через отверстия в распределительной системе, находим по формуле
qпр
= μ∑f0
,
м3
/с (2.39)
где μ - коэффициент расхода, μ = 0,62;
∑fо ~ общая площадь отверстий, м2 .
Из этой формулы определяем общую площадь отверстий
∑fо
=
, м2
(2.40)
∑fо
=
м2
При d=10 мм площадь отверстия fо = 0,78 см2 .
Определим общее количество отверстий
n=
, шт(2.41)
n= 65/0.78=84 шт
Общее число ответвлений на каждом фильтре (2,6 : 0,3) • 2 ≈ 18 шт.
Число отверстий приходящиеся на каждое ответвление 84 : 18 ≈ 5 отв.
Длина каждого ответвления lотв. =(2.8 - 0,27): 2 =1,27 м.
Расстояние между отверстиями lо = 1отв .: 5 = 1,27 : 5 = 0,25 м.
Принимаем два желоба с треугольным основанием.
Расстояние между желобами составит 2,8 : 2 = 1,4 м, а расход промывной воды, приходящейся на один желоб составит qж =qпр : 2 = 43,68 : 2 = 21,84 л/с. Принимаем ширину желоба В = 0,25 м.
Определим площадь поперечного сечения желоба в месте его примыкания по формуле Д. М. Минца
f=
, м2
(2.42)
f=
м2
Конструктивно принимаем размеры желоба, показанные на рис. 2.3.

Рисунок 2.3
Определим высоту кромки над уровнем загрузки
∆ hж
=
, м(2.43)
где 1 - относительное расширение фильтрующей загрузки, 1 = 25 %
∆ hж
=
м
С учётом толщины днища общая высота желоба 0,2 + 0,04 == 0,24 м. Следовательно, расстояние от низа желоба до верха загрузки фильтра будет равно 0,68-0,24=0,44 м.
Расчёт усреднителя-нейтрализатора
Рассчитаем многокорридорный усреднитель - нейтрализатор на расход
Qmax .ч. =10840,38/24=451,68 м3 /ч
Определим объём усреднителя - нейтрализатора по формуле
V=
, м3
(2.44)
где Q - расход сточных вод, м /ч;
t3 - длительность залпового сброса, t3 = 8 ч;
К - коэффициент усреднения
К=
(2.45)
где Сmax - максимальная концентрация загрязнений в залповом сбросе,
Сmax =120,3 г/м3 , по табл. 2.14.;
Сср - средняя концентрация загрязнений в стоке. Сср = 50 г/м3 , по экспериментальным данным;
Сдоп - концентрация загрязнений в стоке, допустимая к сбросу в городскую сеть, Сдоп =100г/м3
К=![]()
V=
м3
Проектируем прямоугольный усреднитель-нейтрализагор, состоящий из двух отделений глубиной Н = 3 м.
Определим площадь каждого ответвления по формуле
F=
, м2
(2.46)
где n - количество отделений, шт.
F=
м2
При ширине каждого отделения В == 20 м длина их будет
L= F/ В, м (2.47)
L=424.6/20=21.23 м
Расчёт установки тепловой обработки осадков сточных вод
Расчётный расход осадка равен 5,61 м3 /ч при исходной влажности сырого осадка 90 %. Объём приёмного резервуара принимаем равным 9 м3 из учёта 1,5 ч хранения осадка.
Для теплового расчёта теплообменного аппарата принимаем следующие параметры:
Т1 = 200 °С - температура теплоносителя на входе в теплообменник;
t1 = 12 °С - температура осадка на входе в теплообменник;
t2 = 150 °С - температура осадков на выходе из теплообменников;
р = 1,8 мПа -рабочее давление в теплообменнике.
Принимаем противоточную схему движения греющего и нагревающего осадка - труба к трубе dвн =80 мм, dнар =150 мм.
Определим площадь поверхности нагрева теплообменного аппарата по формуле
F=
, м2
(2.48)
где Q- производительность аппарата, Дж/ч
k- коэффициент теплоотдачи, Дж/ч*м2 ;
∆tср - средняя разность температур греющего и нагревающего осадка, град.
Q = с• G • (t1 – t2 ) (2.49)
где с - теплоёмкость осадка, с=4,2 кДж/кг*К;
Q = 5610 л - количество подогреваемого осадка в 1 ч.
Q = 4,2 • 5610 • (150 - 12) =3,25 • 106 кДж
(2.50)

Принимаем k = 2100 кДж/м2 *К, тогда
F=
м2
Длина секции составляет 4 м, при этом площадь поверхности нагрева одной секции равна 1,12 м2 . Число труб n= 35,2 : 1,12 = 32.
Рабочий объём реактора, при продолжительности обработки осадка 1,5 ч равен 8,42 м3 . К установке принимаем два реактора КОСП - 1СО (один рабочий и один резервный) диаметром 1400 мм, рабочим объёмом 10 м3 и рабочим давлением 1,8 МПа материал реактора ~ сталь марки 20, см. /5, с. 241./.
Уплотнение осадка производится в течение 3 часов. При этом выделяется 30% воды от первоначального объёма осадка.
Определим рабочий объём уплотнителя
у=5,61*3=16,83м3
Принимаем диаметр уплотнителя 2,5 м, площадь зеркала воды 4,9 м, рабочую глубину 3,4 м.
На вакуум-фильтр осадок подают с помощью плунжерного насоса по трубороводу d = 150 мм. Расчётный расход уплотнённого осадка, подаваемого на один вакуум-фильтр, Qрасч =2,81 м3 /ч при влажности его 88 %. Период работы вакуум-фильтра 16 ч в сутки. На основании экспериментальных данных рекомендуется применять к установке два вакуум— фильтра БОУ-5-1,75.
2.3 Очистка запыленного хлопком воздуха
2.3.1 Местный отсос пыли
Непосредственный отсос пыли от источника пылевыделения называется местным.
Все технологическое оборудование хлопкоочистительного завода выделяет пыль, и местный отсос пыли принят в качестве основного способа обеспылевания машин и цехов.
Количество запыленного воздуха, отсасываемого от технологического оборудования, характеризуется данными, приведенными в табл.2.4
Таблица 2.4 - Количество запыленного воздуха, отсасываемого от технологического оборудования
| Оборудование | Количество воздуха, подлежащего отсосу, м3 /с | Запыленность воздуха, мг/м3 |
| Шнековый очиститель без отсоса сора | 1,1 | 500-1000 |
| Два барабанно-пильчатых очистителя без отсоса крупного сора | 0,88 | 600-1200 |
| То же, при отсосе пыли и крупного сора | 0,88 | 15000-400000 |
| Четыре барабанно-пильчатых очистителя при отсосе пыли и крупного сора | 1,8 | 150000-400000 |
| Два четырехбарабанных джина без отсоса сора | 0,55 | 300-600 |
| Четыре четырехбарабанных джина без отсоса сора | 1,1 | - |
| То же, при отсосе пыли и сора | 1,8 | 50000-150000 |
| Батарея из 12 валечных джинов | 2,7 | 100-500 |
| Отсос от линтеров в зависимости от числа их в батарее: | ||
| пять | 1,1 | 500-800 |
| шесть | 1,3 | 500-800 |
| семь | 1,5 | 500-800 |
| восемь | 1,8 | 500-800 |
| Угароочистительная машина без отсоса сора и орешка | 0,2-0,25 | 400-1000 |
| Угароочистительная машина с отсосом сора и орешка | 0,2-0,25 | 30000-200000 |
| Податчик волокна в ящик пресса | 0,6 | 100-300 |
Каждая обеспыливающая установка местных отсосов характеризуется пылезадерживающим эффектом, который определяется по формуле (%):
(2.51)
G1 - общая масса пыли в отработавшем воздухе;
G2 - масса пыли, задержанной обеспыливающей установкой.
Пылезадерживающий эффект можно определить и по разности в запыленности воздуха (мг/м3 ), входящего в пылеуловитель и выходящего из него (%):
Тогда
( 2.52)
где d1 - запыленность воздуха, поступающего в пылеуловитель;
d2 - запыленность воздуха, выходящего из пылеуловителя.
2.3.2 Процесс обеспыливания воздуха на хлопкоперерабатывающих предприятиях
На камышенском ХБК очистка производственного воздуха осуществляется в две стадии. На первой ступени очистки используют тканевые фильтры.
Процесс очистки газов от твердых или жидких частиц с помощью пористых сред называется фильтрацией.
Твердые частицы, уловленные в объеме фильтрующего материала или образующие пылевой слой на его поверхности, становятся для вновь поступающих частиц элементом фильтрующей среды, повышая эффективность очистки газов. Однако по мере накопления уловленных частиц газопроницаемость фильтрующего материала уменьшается, поэтому со временем возникает необходимость разрушения и удаления пылевого осадка. Иногда требуется замена забитого пылью фильтра или переснаряжение его новыми фильтрующими материалами. Таким образом, процесс фильтрации в большинстве случаев предусматривает периодическую регенерацию фильтра. При улавливании жидких частиц накапливающаяся жидкость может удаляться из пористой перегородки самопроизвольно. Подобный процесс называется саморегенерацией фильтра.
В тканевых фильтрах применяют фильтрующие материалы двух типов: обычные ткани и войлоки. В качестве фильтрующего материала применяется капрон.
Эффективность очистки тонкой тканью после регенерации резко уменьшается по сравнению с запыленной, в то время как различие в эффективности очистки при применении более толстых объемных тканей значительно меньше. Если в периоды между регенерациями на ткани образуется сплошной слой пыли, то можно ожидать высокой эффективности улавливания даже субмикронных частиц.
В тканевых фильтрах ткань выполняет роль несущей поверхности, т. е. служит основой для формирования и удержания фильтрующего пылевого слоя. Пористость и стабильность пылевых слоев в зависимости от размеров, формы и других свойств частиц, а также от скорости фильтрации, структуры ткани и способов ее регенерации изменяется в широких пределах. На объемных тканях из штапельного волокна образуются более рыхлые и более стабильные слои пыли.
Так как при низких входных концентрациях пыли процесс образования слоя занимает много времени, то лучшие результаты достигаются при очистке газов с высокой запыленностью. При этом накапливаются слои пыли, которые при регенерации не распыляются в газе, а разрушаются в виде крупных агрегатов. В результате повторное осаждение пыли на ткани снижается, обеспечивается быстрое выпадение ее в бункер. Способность большинства частиц с размерами менее 5 мкм коагулировать с образованием прочных агрегатов в потоке газа, в объеме ткани и на ее поверхности дает возможность использовать в качестве эффективной фильтрующей среды даже неплотные ткани, особенно при низких скоростях фильтрации. При регенерации часть осадка удаляется, но внутри ткани между нитями и волокнами остается значительное количество пыли, сохраняющее высокую эффективность очистки газов, поэтому при регенерации тканей нельзя допускать их «пере очистки».
В тканевых фильтрах целесообразно использовать небольшие скорости фильтрации, обычно 0,5—2 см/с. При большей скорости происходит чрезмерное уплотнение пылевого слоя, сопровождающееся резким увеличением его сопротивления. При повышенных перепадах давления и скорости частицы проникают в глубь ткани, наблюдается нарушение первоначально сформированного пылевого слоя, сопровождающееся вторичным уносом пыли, особенно через отверстия между нитями.
При повышенной скорости фильтрации резко возрастает проскок пыли сразу после регенерации. Кроме того, при высокой скорости фильтрации требуется слишком часто проводить регенерацию, ускоряющую износ ткани и механизмов. Таким образом, для обеспечения надежности работы фильтров и достижения высокой эффективности очистки необходимо иметь большие фильтрующие поверхности и избегать слишком глубокой их регенерации.
Хлопчатобумажные ткани обладают хорошими фильтрующими свойствами и характеризуются низкой химической и термической стойкостью, горючестью и высокой влагоемкостью.
На второй ступени очистки применяют пенно-вихревые газопромыватели.
Пенно-вихревые газопромыватели составляют группу безрешеточных самоорощаемых пенных аппаратов, в конструктивном оформлении которых заложен эффект действия закрученного потока газа.
Реализующие этот механизм инжекторно-пенные скрубберы (ИПС) образуют ряд унифицированных модификаций, которые по функциональному назначению относятся к средствам очистки газовых выбросов от пыли, туманов (паров) и химических примесей.

Рисунок 2.3 - Инжекторно-пенный скруббер
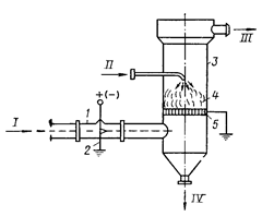
Скрубберы ИПС (рис. 2.3) независимо от исполнения имеют унифицированную структурную схему, включающую несколько функциональных блоков. К основным относятся: технологический (I), обеспечения (2) сепарации (3) и регулирования (4).Технологический блок включает коаксиальные рабочие камеры, из которых внутренняя оборудована снизу профилированным лопаточным закручивателем, образующим в сочетании с ней вихревой инжектор. Внешняя камера (корпус) снабжена тангенциальным или нормально расположенным входным патрубком и обеспечивает необходимую подготовку и распределение газа перед его входом в вихревой инжектор. Блок обеспечения включает поддон-контейнер, оборудованный системами подачи и слива промывной жидкости, удаления уловленного продукта (сливной или конвейерной), подключения блока регулирования и регенерации жидкости (утилизации ценных продуктов). Регулирующий блок содержит устройства для контроля расхода, параметров и технологического уровня промывной жидкости в поддоне аппарата. Блок сепарации включает каплеулавливающий узел инерционного действия и систему возврата отсепарированной жидкости.
Технологическую основу очистки в ИПС составляет вихревая инжекция. Действие вихревого инжектара реализуется путем высокоскоросного закручивания очищаемого газа над поверхностью промывной жидкости с образованием крупномасштабного вихря. Это вызывает подсасывание жидкости в газовый поток при интенсивном диспергировании ее на капли и последующем образовании из них взвешенного слоя подвижной (механической) пены с высокоразвитой поверхностью контакта. В результате очищаемый газ сначала контактирует с развитой капельной поверхностью, а затем с непрерывно образующейся механической пеной в г условиях быстрой смены поверхности контакта в ее объеме. Этим существенно увеличивается как время контакта, так и суммарная поверхность контакта в расчете на единицу объема жидкости, подаваемой в ИП скруббер.
В сочетании с относительной скоростью газа в сечении камеры он обеспечивает расчетный режим очистки.
2.4 Получение гидроизоляционного кровельного материала из отходов переработки хлопка
Важным вопросом в процессе контроля и организации очистки запыленного воздуха, выбрасываемого в атмосферу является проблема утилизации выделенных в процессе газовой очистки так называемых твердых отходов производства. В рассматриваемом нами случае – это отходы переработки хлопка.
На камышенском ХБК вывозятся на полигон 250-300 т/год хлопкоотходов, представляющих собой ценный компонент природного происхождения. Продукты деструкции хлопка безвредны для окружающей среды. Отходы хлопка, которые образуются в результате очистки воздуха производственных помещений целесообразно использовать для получения различных материалов.
Оптимальным решением данной проблемы является его утилизация в качестве компонента нового гидроизоляционного кровельного материала.
Предложенная рецептура позволяет получить новый строительный материал, который и может быть использован при устройстве гидроизоляционной кровли строительных ограждающих конструкций, промышленного оборудования и трубопроводов с температурой поверхностей от -60 до +130 0 С.
При этом уменьшается расход битума, а также снижается водопоглощение и теплопроводность получаемого материала.
Композицию готовят следующим образом.
Разогревают отработанный битум до 170-180°С и вводят ½ часть отхода хлопка. Хлопок берется в соотношении (4-7:1)по массе т.е. четыре части хлопка и одна битума. Тщательно перемешивают до полной пропитки хлопка битумом и получения однородной массы. Затем вводят чистый битум для модификации, в количестве 30-40 % от массы отработанного битума, добавляют вторую часть хлопка, перемешивают до однородной массы в течение 40-60 минут.
Полученную мастику наносят на предварительно обработанную бензином (растворителем) поверхность.
При изготовлении гидроизоляционного кровельного материала используют: отработанный битум (1), чистый битум (2), отходы хлопок, состав и физико-химические свойства, которого приведены в табл.2.5.
Битум, как чистый, так и отработанный имеет следующие показатели:
Температура размягчения, °С 45-60
Пенетрация 10-1 при 25°С, мм 40-80
Растяжимость при 25°С, см 30-85
Содержание водорастворимых соединений, мас.% 0,1-0,4, и представляет собой вязкую жидкость буро-коричневого цвета.
Таблица 2.5
| Показатели | Количественная характеристика |
| Содержание органической массы, масс. % | 60-80 |
| Содержание водорастворимых соединений, масс. % | 7-10 |
| Содержание воды, масс. % | 1-2 |
| Содержание механических примесей, масс. % | 5-8 |
| Кислотное число, мг-КОН гудрона | 1-3 |
| Температура размягчения, 0 С | 80-90 |
| Пенетрация 10-1 при 25 0 С, мм | 10-70 |
| Растяжимость при 25 0 С, см | 3-6 |
| Температура вспышки, 0 С | ≥200 |
| Плотность, кг/ м3 | 980-1000 |
| Вязкость при 20 0 С, Па·с | 25-30 |
Как видно из приведенных данных, материал из предлагаемой композиции имеет низкое водопоглощение и теплопроводность, при этом на приготовление композиции значительно снижается расход нового битума и в большей степени расходуется отработанный битум и отходы очистки хлопка.
Таблица 2.6 – Физико-механические свойства гидроизоляционного кровельного материала.
| Физико-механические свойства | Данные для состава композиции | ||||
| известного | предлагаемого | ||||
| 1 | 2 | 3 | 4 | ||
| Средняя плотность, кг/м3 | 360 | 362 | 353 | 355 | 365 |
| Предел прочности при сжатии, МПа | 0,15 | 0,13 | 0,15 | 0,15 | 0,15 |
| Водопоглощение за 24 ч, % по объему | 5 | 2,8 | 2,83 | 2,9 | 3,0 |
| Теплопроводность в сухом состоянии при 25 0 С, ккал/ ч м град | 0,084 | 0,063 | 0,063 | 0,064 | 0,065 |
2.5 Оценка экологичности технологического процесса
В современных условиях вопрос оценки экологического совершенства технологии с учетом количества отходов является архиважным. Отмечается, что общего подхода к получению данной оценки, к сожалению, еще не выработано. Однако интерес метод, примененный В. Ремезом и А. Шубиным количественной оценки экологического совершенства химического процесса. Авторы предлагают этот критерий оценить по формуле:
(2.53)
суммирование производится по всем токсичным компонентам, где
mi - количество токсичных компонентов, т/г продукта;
Сi - концентрация вредного компонента, мг/дм3 или мг/м3 ;
ПДКi -предельно допустимая концентрация вредного компонента, мг/м3 .
Верхние индексы Ж, Г, Т обозначают, что указанная характеристика относится к жидкому, газообразному и твердому состоянию вредной компоненты.
Как видно из формулы, зависимость параметра экологичности выражается тремя частями.
1. Для жидкой части
(2.54)
где Q- количество жидких отходов, м3 /ч;
n- число рабочих дней в году (производство непрерывное);
Р- выпуск продукции технологического процесса, т/год.
2. Выброс для газообразного i-го компонента для некоторого j-го источника:
, (2.55)
где Ci Г j – концентрация i-го компонента для j-го источника, мг/м3 ;
Vj – объем выброса в j-м источнике, м3 /ч.
Тогда полный выброс i-го компонента в газообразных отходах определяется по формуле:
(2.56)
Тогда VГ =е*Vj – общий выброс газообразных веществ, м3 /ч.
3. Количество i-го токсичного твердого компонента определяется по формуле:
(2.57)
где ТТ – количество твердых отходов, т/год;
ri – содержание i-го токсичного компонента в твердых отходах, %.
Расчет критерия экологичности производства
Для жидкой части он будет постоянен т.к на ХБК предусмотрена локальная очистка сточной воды. Основные показатели, которые значительно превышают нормированные – взвешенные вещества, БПКполн , ХПК, сульфаты, азот аммонийный и хлориды, которые приведены в расчетах.
Взвешенные вещества:
.
Сух. ост.:
.
БПКполн
:
.
ХПК:
.
Азот аммонийный:
.
Хлориды:
.
Сульфаты:
.
Итого: ∑mi = 0,023
Два других показателя – для газа и токсичного твердого компонента взаимосвязаны т. к. при повышении качества очистки газообразного компонента (производственного воздуха) т.е. снижение части критерия экологичности по газу повышается часть критерия экологичности по твердым компонентам.
Если считать, что чистка газа производится в соответствии с требованиями и выбрасываемый в атмосферу воздух отвечает экологическим требованиям, то и эта часть коэффициента экологичности технологического процесса является постоянной.
Количество твердого компонента определяется:
= 0,6.
Исходя из того, что коэффициент экологичности в идеале равен единице его составляющая по газу: 1-0,6-0,023=0,377, а в процентах 2,3%, 37,7% и 60% жидких, газообразных и твердых отходов соответственно. Диаграмма расчетных величин представлена на рисунке.
Исходя из того, что в данном проекте предлагается утилизировать твердые отходы путем использования их в качестве компонента при производстве гидроизоляционного кровельного материала, то коэффициент экологичности производства должен составить 1.
ЗАКЛЮЧЕНИЕ
В данном проекте было рассмотрено состояние деятельности Камышенского хлопкоперерабатывающего комбината в вопросе очистки сточных вод и обеспыливания воздуха. И особое внимание уделено утилизации полученных твердых отходов.
В технологическом процессе переработки хлопка, кроме основной продукции — хлопкового волокна, получают большое количество волокнистых отходов (улюк волокнистый, волокно хлопковое регенерированное, пух хлопковый), которые ежегодно в количестве 280 – 300 тонн вывозятся на полигоны для захоронения.
Расчеты ПДС показали необходимость дополнительной очистки сточных вод. В результате было предложено использование электрохимической очистки.
В технологических процессах электрохимической очистки использовано следующее оборудование: электрокоагуляторы; отстойники; песчаные фильтры.
Для задержания щепы и пуха, поступающих от прядильно-ткацких фабрик предусмотрены устройства по установлению щепы и пуха. Стоки от отделочной фабрики после устройства по улавливанию щепы и пуха по направляются в насосную станцию пиковых сбросов с последующей перекачкой непосредственно на запроектируемые сооружения электрохимической очистки с последующим отведением под остаточным напором для обработки в нейтрализаторе и последующим отведением через сеть хлопчатобумажного комбината (ХБК) в городской коллектор.
Проектом предусматривается также возможность очистки общего стока ХБК в сооружениях электрохимической очистки, поступающего в насосную станцию в районе нейтрализатора. В этом случае стоки после сооружений электрохимической очистки под остаточным напором направляются в нейтрализатор с последующим отводом через сети ХБК в городской коллектор.
В работе так же были рассмотрены всевозможные способы очистки воздуха производственных помещений и произведено сравнение с действующей схемой его очистки на предприятии. В результате сделан вывод о удовлетворительном состоянии действующей схемы, которая включает двухстадийную очистку. На первой стадии используется тканевый фильтр для предварительной очистки, на второй – инжекторно-пенный скруббер.
Твердые отходы хлопка при очистке сточных вод и воздуха предложено утилизировать в качестве компонента нового гидроизоляционного кровельного материала.
Предложенная рецептура позволяет получить новый строительный материал, который и может быть использован при устройстве гидроизоляционной кровли строительных ограждающих конструкций, промышленного оборудования и трубопроводов с температурой поверхностей от -60 до +130 0 С.
При этом уменьшается расход битума, а также снижается водопоглощение и теплопроводность получаемого материала.
ЛИТЕРАТУРА
1. Биргер М.И. Справочник по пыле- и золоулавливанию/ М.И. Биргер, А.Ю. Вальдберг, Б.И. Мягков. – М.: Энергоатом издат, 1983. – 312 .
2. ГОСТ 12.1.007 – 76. Вредные вещества.- М.: Издат.-во стандартов, 1976.- 6с.
3. ГОСТ 12.1.005 – 88. Общие санитарно-гигиенические требования к воздуху рабочей зоны.- М.: Издат.-во стандартов, 1988.- 75 с.
4. ГОСТ 17.2.3.02-78. Правила установления допустимых выбросов вредных веществ промышленными предприятиями. – М.: Издат.-во стандартов, 1978.- 14 с.
5. ГОСТ 17.0.0.04-90. Экологический паспорт промышленного предприятия: Основные положения.- М.: Издат.-во стандартов, 1990.- 22 с.
6. СН 245-71. Санитарные нормы проектирования промышленных предприятий. – М.: Стройиздат, 1972.-96 С.
7. СНиП 2.04.03 - 85. Канализация. Наружные сети и сооружения. 1985 г. - 72с.
8. Диденко В.Г. Основы очистки и утилизации вентиляционных выбросов: учеб. пособие/ В.Г. Диденко. – Волгоград.: Изд. ВолгИСИ, 1992. – 103 с.
9. Канализация населённых мест и промышленных предприятий: Справочник проектировщика. /Под ред. В. Н. Самохина. М. 1981 г. - 639 с.
10. Канализация. С. В. Яковлев, Я. А. Карелин, А. И. Жуков, С. К. Колобанов. М. 1975 г-631 с.
11. . Луконин В.Д., Курочкина М.И. Очистка вентиляционных выбросов в химической промышленности./ В.Д. Луконин, М.И. Курочкина.- М.: Химия, 1980. – 232 с.
12. Орлов Г.Г., Булыгин П. А. Инженерные решения по охране труда в строительстве./ Г.Г. Орлов, П. А. Булыгин. - М., 1985 г. 278 с.
13. Примеры расчётов канализационных сооружений. Ю. М. Ласков, Ю. В. Воронов, В. И. Калицун, - 256 с.
14. Стадницкий Г. В., Родионов А. И.. Экология./ Г. В. Стадницкий, А. И. Родионов. - М. 1997 .-240 с.
15. Таблицы для гидравлического расчёта канализационных сетей и дюкеров по формуле акад. Н. Н. Павловского. М. 1975 г. - 160 с.
16. Ужов В.Н. Очистка промышленных газов от пыли./ В.Н. Ужов. – М.: Химия, 1981. – 390 с.
17. Яковлев С. В. Очистка производственных сточных вод/ С. В. Яковлев, Я. А. Карелин, Ю. М. Ласков, Ю. В. Воронов. - М.: Стройиздат, 1985 г. - 336 с.