| Похожие рефераты | Скачать .docx | Скачать .pdf |
Дипломная работа: Екологічна оцінка стану довкілля Коростишивського району та розробка заходів з його поліпшення
Тема дипломного проекту
«Екологічна оцінка стану довкілля Коростишивського району та розробка заходів з його поліпшення»
РЕФЕРАТ
Об’єкт дослідження: водні об’єкти Коростишівського району, зокрема р. Тетерів.
Мета роботи: розробка комплексу заходів по покращенню питної води Коростишівського району, проведення аналізу між використанням води Житомирської області та Коростишівського району.
Проблема водних ресурсів для України надзвичайно актуальна. На сучасному етапі розвитку суспільства однією з найважливіших проблем є охорона водних ресурсів – джерел водопостачання населення, підприємств та інших споживачів води. Необхідність охорони водних ресурсів викликається недостатньою потужністю очисних споруд, неефективністю їх роботи, внаслідок перевантаження та спрацювання обладнання. За експертними оцінками забезпеченість водними ресурсами в Україні становить близько 50 % потрібного об’єму споживання води. Попри те, що останнім часом спостерігається тенденція до зниження обсягів використання води на потреби галузей народного господарства, а отже, відповідно і зменшення обсягів загального водовідведення, частка забруднених стоків у зворотних водах є досить високою, що викликає в кінцевому підсумку суттєве забруднення водойм стічними водами. Промисловість Житомирщини, зокрема добувна, характеризується високим споживання води і підвищеним попитом водних ресурсів на господарчо-побутові потреби. Використання води в добувній промисловості залежить від технологій виготовлення продукції і має специфічні особливості. Виходячи із специфіки і умов виробництва продукції добувній промисловість є одним із джерел забруднення водоймищ Коростишівського району.
Даний проект складається з 7 графічних листів та сторінок пояснювальної записки, в яку входить вступ, 5 розділів, висновки, список використаної літератури (51 джерело), 1 додатки.
Ключові слова: Гідросфера, водні ресурси, водопостачання населення, очисні споруди, біологічне очищення, окислювальні процеси, дрібнодісперсна аерація, бофільтрація, осад, біоплівка, іонообмінний пристрій.
Вступ
У даний час проблема забруднення водних об'єктів (річок, озер, морів, грунтових вод і т.д.) є найактуальнішою, оскільки всім відомо – вираз «вода - це життя». Без води людина не може прожити більше трьох діб, але навіть розуміючи всю важливість ролі води в його житті, він все одно продовжує жорстко експлуатувати водні об'єкти, безповоротно змінюючи їх природний режим скиданнями і відходами. Тканини живих організмів на 70 % складаються з води, і тому В. І. Вернадський визначав життя як живу воду. Води на Землі багато, але 97 % - це солона вода океанів і морів, і лише 3 % - прісна. З цих три четверті майже неприступні живим організмам, оскільки ця вода «законсервована» в льодовиках гір і полярних шапках (льодовики арктики і Антарктики). Це резерв прісної води. З води, доступної живим організмам, основна частина укладена в їх тканинах.
Потреба у воді у організмів дуже велика. Наприклад, для освіти 1 кг біомаси дерева витрачається до 500 кг води. І тому її потрібно витрачати і не забруднювати.
Основна маса води зосереджена в океанах. Вода, що випаровується з його поверхні, дає цілющу вологу природним і штучним екосистемам суші. Чим ближче район до океану, тим більше там випадає опадів. Суша постійно повертає воду океану, частина води випаровується, особливо лісами, частина збирається річками, в які поступають дощові і снігові води. Обмін вологою між океаном і суш вимагає дуже великої кількості енергії: на це витрачається до 1/3 того, що Земля одержує від Сонця.
Цикл води в біосфері до розвитку цивілізації був рівноважним, океан одержував від річок стільки води, скільки витрачав при її випаровуванні.
Якщо не мінявся клімат, то не міліли річки і не знижувався рівень води в озерах. З розвитком цивілізації цей цикл став порушуватися, в результаті поливу сільськогосподарських культур збільшилося випаровування з суші. Річки південних районів обміліли, забруднення океанів і поява на його поверхні нафтової плівки зменшило кількість води, випаровуваної океаном. Все це погіршує водопостачання біосфери. Частішими стають засухи, виникають вогнища екологічних бід, наприклад, багаторічна катастрофічна засуха в зоні Сахеля.
Крім того, і сама прісна вода, яка повертається в океан і інші водоймища з суші, часто забруднена, практично не придатною для пиття стала вода багатьох річок України та Житомирщини.
Метою дипломного проекту розробка комплексу заходів по покращенню питної води Коростишівського району, проведення аналізу між використанням води Житомирської області та Коростишівського району.
РОЗДІЛ 1 Теоретичні основи оцінки забруднення водних об’єктів
1.1 Суть і основні характеристики водних ресурсів
Природні ресурси - основа життєдіяльності людини. Вода - один із найважливіших видів мінеральної сировини, основний природний ресурс, що споживається людством (сьогодні води використовується в тисячі разів більше, ніж нафти чи вугілля). Вона є головною складовою частиною всіх живих організмів. За участю води здійснюються численні процеси в екосистемах (наприклад, обмін речовин, тепла) тощо [2]. Природна чиста вода містить розчинні речовини в кількості і пропорціях, до яких у процесі еволюції адаптувалося все живе. Але розвиток цивілізації зумовив перерозподіл речовин та появу сполук, які не характерні для живої природи. До того ж швидкість їх появи перевищує темпи пристосування живих організмів до нових умов зміненого середовища.
Чистої води стає дедалі менше попри те, що її якість є запорукою здоров'я, основою життя на Землі. Однією з головних причин негативних наслідків антропогенного впливу на водні об'єкти є споживацьке відношення до них. Вода, як природний ресурс, на відміну від нафти, газу, вугілля, поступово відновлюється в процесі глобального водообміну. Тому водні ресурси довго вважалися невичерпними та здатними до самоочищення.
Однак, збільшення антропогенного впливу на водні джерела та ландшафти водозбірних басейнів (значні обсяги споживання води в економічній діяльності, зростання скидів забруднених вод у поверхневі водойми тощо) призвело до порушення умов формування стоку і водного режиму, зниження самовідновлюваної спроможності водних ресурсів, зумовило зменшення водності річок, зниження їхньої біопродуктивності [10].
Незважаючи на те, що протягом останніх десятиріч інтенсивність водокористування залишалась постійною, а подекуди скоротилась, розвиток сучасного виробництва супроводжується зростаючим залученням водних ресурсів такими водоємкими галузями, як промисловість, сільське та комунальне господарство. На даний час обсяги водокористування в басейнах річок практично досягли верхньої межи, внаслідок чого виникла суперечність поміж попитом на воду та можливостями його задоволення як за кількістю, так і за якістю, особливо для питних потреб.
Найбільшим за обсягом повного водоспоживання і використання свіжої води серед водокористувачів є промисловість, особливістю використання води якою є відносно значні її втрати і великі об'єми в обороті. Сільське господарство, як за обсягами використаної води, так і за безповоротними її втратами, також належить до найбільш водоємних галузей економіки. Застосування на великих площах засобів хімізації сільськогосподарського виробництва, відходи тваринницьких комплексів зумовлюють потрапляння їх із стічними водами та внаслідок горизонтальної фільтрації з полів у водні об'єкти, спричинюючи підвищення вмісту органічних та мінеральних сполук, що негативно впливає на якість води
З величезної кількості фізико-хімічних чинників, що впливають на населення гідросфери, порівняно небагато мають провідне екологічне значення. До таких чинників перш за все відносяться фізико-хімічні властивості води і ґрунту розчинені і зважені у воді речовини, температура і світло, а останнім часом забруднення водоймищ, викликане діяльністю людини.
Вода як фізико-хімічне тіло надає безперервну дію на життя гідробіонтів. Вона не тількизадовольняє фізіологічні потреби організмів, але і служить їм опорою, доставляє кисень і їжу і відносить метаболіти, переносить статеві продукти і самих гідро біонтів. Завдяки рухливості води в гідросфері можливо існування прикріпленихтварин, яких, як відомо, немає на суші. Тому властивості води – важливе середовища водного населення.
На перший погляд, зміна щільності води з підвищенням температури не так істотно. Проте слід врахувати, що щільність гідро біонтіввідрізняється від одиниці лише у другому-третьому знаку після коми. Тому температурні коливання означають дуже багато що в сенсізміни умов плавання (різна опорністьсередовища).
В порівнянні з іншими рідинами вода має порівняно невелику в'язкість, що обумовлює| її рухливість і полегшує плавання гідробіонтів. Зпідвищенням водної температури в'язкість помітно знижується. Іззбільшенням солоності в'язкість води декілька зростає. Зміна в'язкості особливо сильна впливає на пересування дрібних організмів. З одного боку, вони володіють порівняно малопотужною локомоторною системою, тоді як відносна поверхня, пропорційно якій діють сили тертя, дуже велика. З іншого боку, в'язкість гальмує рух тим більше, чим ближче знаходятьсязміщувані щодо один одного шари води. Для дрібних організмів вони розташовуються на дуже невеликих відстанях і тому подоланнясил тертя зв'язане іззначними витратами енергії.
Вода володіє порівняно високим коефіцієнтом поверхневого натягнення, який залежно від температури і солоності лежить в межах 0,771-0,765 Н/м2 . Поверхнева плівка надає організмам своєрідну опору, для використання якої виробляються специфічні адаптації, зокрема змочуваність або незмочуваність тілесного покриву. Організми з покривами, що не змочуються, знаходячисьна поверхні води, підтримуються нею, і, будучи важче за воду, не тонуть. Гідробіонти легші, ніж вода утримуються в ній, упираючись в плівку, що знаходиться над ними.
В порівнянні з ґрунтом і повітрям вода відрізняється набагато більшою термостабільністю, що сприятливе для існування життя. Коли вода починає нагріватися, зростає випаровування, внаслідок чого підвищення температури сповільнюється. При охолоджуванні води нижче 0С і утворенні льоду, тепло, що виділяється, гальмує подальше пониження температури.
В порівнянні з повітрям вода набагато менш прозора, і падаюче в неї світло досить швидко поглинається і розсівається.
Колір води, її прозорість залежать від вибірковості поглинання і розсіювання різних променів. Від кольору води слід відрізняти колір|цвіт| поверхні, який на відміну від першого залежить від погодних умов і точки зору.
З окремих фізико-хімічнихвластивостей ґрунтів найбільше екологічне значення для водного населення мають розміри частино, щільність їх прилягання один до одного і стабільність взаєморозташування, ступінь змиву течіями і темп акумуляції за рахунок осідання зваженого матеріалу. Фізичні властивості ґрунтів перш за все характеризуються їх механічним і гранулометричним складом, під яким розуміють розмір зерен, створюючи дані складки.
З переходом від кам'янистих ґрунтів до піщаних і глинистих чисельність водних тварин звичайно збільшується, а їх середня маса знижується в результаті подрібнення представників гідро фауни(зменшення опорності ґрунту).
Умовами руху усередині ґрунту з різними гранулометричним складом пояснюється різниця в розмірах організмів, що мешкають в піску морських пляжів. Украй|надто| несприятлива для існування даного населення недостатня стабільність ґрунтів: осідання частинок, знос поверхневих шарів струмами води і переміщення частин щодо один одного. У першому випадку мешканці ґрунту засипаються шаром наносів, в другому - вимиваються і несуться течією, в третьому - перетираються і не можуть укорінятися.
Багато донних тварин харчуються, пропускаючи через себе ґрунт, і тому важливого значення набуває знаходження в ньому органічної речовини, яка утворюється в результаті попадання в ґрунт залишків організмів на тих або інших стадіях розкладання.
Дані відкладення тісно взаємодіють з водою. З ґрунту у воду безперервно надходять різні солі гази, тверді компоненти, назустріч цьому потоку йде іншій, що несе в донні відкладення різні мінеральні і органічні речовини з товщі води. Процеси взаємодії між ложем водоймища і його водною масою мають велике значення для життя гідробіонтів.
Природна вода існує і не у вигляді хімічної сполуки, що складається з водню і кисню, а є складним тілом, до складу якого крім молекул води входять самі різні речовини. Всі вони грають ту або іншу роль в житті водного населення. Найбільше екологічне значення мають для нього ступінь насичення води різними газами, концентрація іонів мінеральних солей, водневих іонів і органічних речовин, склад і концентрація зважених речовин.
З окремих газів найбільше значення для водного населення мають кисень, вуглекислий газ, сірководень і метан.
Для водного населення кисень є вирішальним чинником. На суші кількість кисню велика, крім того, через рухливість атмосферного повітря, деякої окремий, такий, що може виникати дефіцит швидко ліквідовується за рахунок дифузії і повітряних течій. У воді також відбувається вирівнювання концентрації кисню, але процес дифузії протікає в 320 разів повільніше, ніж на суші. По відношенню до кисню організми діляться на еври- форми, здатні відповідно жити в межах широких і вузьких коливань концентрації кисню. У разі, коли адаптація гідробіонту до даного оксигеновмісномсередовища виявляється недостатньої, він гине. Якщо подібне явище набуває масового характеру, то це називається замором.
Збагачення води вуглекислим газом відбувається в результаті дихання водних організмів. Зниження концентрації вуглекислого газу відбувається переважно при споживанні останнього фотосинтезуючими організмами. Високі концентрації вуглекислого газу смертельно небезпечні для тварин і тому багато джерел позбавлені життя. Лише деякі двосторонні молюски і рачки можуть порівняно довго виносити високі концентрації СО2 , нейтралізуючи його шляхом розчинення вапно раковин в своїй тілесній рідині. Для рослин високі концентрації СО2 нешкідливі.
Сірководень у водоймищі утворюється майже винятково біологічним шляхом, за рахунок діяльності різних бактерій. Для водного населення він шкідливий як побічно, так і не посередньо. Для багатьох гідробіонтів він смертельний навіть в найменших концентраціях. Утворення великих кількостей Н2 S може викликати замори. Крім сірчаних бактерій Н2 S окислюю фотосинтезуючі пурпурні і деякі види зелених бактерій, що використовують сірководень як донора водню і що рятують тим самим населення водоймища.
Іони мінеральних солей грають в житті гідробіонтів саму різну роль: одні з них використовуються рослинами для побудовитіла і що одержали назву біогенів. На інших вони роблять фізіологічний вплив, викликаючи різкі зрушення в процесах обміну речовин. Види, що виносять великі коливання солоності, називаються евриолинними, на відміну від стенолинні, що не витримують такі перепади. Велике екологічне значення для гідробіологів має не тільки сумарна кількість іонів, але також і їх склад, співвідношення. Істотне значення має той факт, що із збільшенням солоності знижується точка замерзання води.
Зважені у воді речовини з відомим ступенем умовності можуть бути підрозділені на обурений грунт, що містить невелику кількість органічної речовини, і детрит, в якому його порівняно багато. Присутність у воді великої кількості зважених частинок робить на водне населення найрізноманітніший вплив. Зниження прозорості води в результаті обурення ґрунту з одного боку зменшує освітлення донних рослин, а з іншою - супроводжується збільшенням концентрації біогенів. Несприятливу дію надає мінеральна суспензія на тваринах, що фільтрують свій корм в товщі води, і засипаючи організми, що мешкають на ґрунті.
Температура, світло, звук і інші коливання впливають на водне населення або безпосередньо або грають роль умовних сигналів. До першого випадку відноситься, наприклад, вплив температури на протікання багатьох біологічних процесів, значення світла для фотосинтезу тощо.
Термічний режим окремих водоймищ визначається їх географічним положенням, завглибшки, особливістю циркуляції водних мас і багатьма інших чинників. Надходження тепла у водоймище залежить головним чином від проникнення сонячною радіацією і контакту з менш нагрітою атмосферою. Відому роль грає тепло випадних опадів. Останніми роками тепловий режим багатьох водоймищ зазнає істотні|суттєві| зміни під впливом надходження в них підігрітих вод з охолоджуючих контурів теплових і атомних станцій. Температурний водний баланс безумовно залежить від пори року.
У багатьох гідробіонтів, негативних температур, що періодично піддаються дії, виробляються адаптації, застережливі замерзання соків тіла. В основному вони зводяться до зниження точки замерзання соків і підвищення їх здібності до переохолодження. Завдяки цим адаптаціям деякі організми переносять пониження температури до -10'С, наприклад, мідії. Чим частіше і сильніше періодичні зміни температури в природних житлах гідробіонтів, тим вище їх стійкість до холодових і теплових пошкоджень.
Велике екологічне значення температура має як чинник що впливає на швидкість протікання процесів, зокрема дихання, зростання і розвитку. Підвищення температури звичайно супроводжується прискоренням всіх процесів.
У всіх випадках оптимальні для зростання амплітуди і швидкості зміни температури виявилися схожими з тими перепадами, які риби випробовують в природних житлах.
Мабуть, для організмів несприятливо стаціонарний стан чинника, якщо в природних умовах воно динамічно. Організми, історично адаптовані до екологічної різноманітності, не тільки ризестентні до нього, але і потребують його; екологічна одноманітність в своєму граничному виразі, що створюється в штучних умовах, не відповідає фізичним потребам організмів, зменшує їх життєдіяльність.
Особливо велике екологічне значення світло має для фотосинтезуючих рослин. Із-за його недоліку вони відсутні на багатокілометровій глибині океанічних вод. Рідше за рослину страждають від надлишку світла і відсутні в поверхневомушарі води, якщо його освітленість стає надмірною. Більшості тварин світло потрібне для розпізнавання середовища і орієнтації рухів. Під контролем світлового чинникавідбуваються грандіозні міграції, коли кожна доба мільярди тонн живих організмів переміщаються на сотні метрів з поверхні в глибину і назад. У дуже великому ступені від світла залежить забарвлення гідробіонтів, яке у ряду тварин може навіть мінятися, забезпечуючи маскування.
Орієнтуючись на світло, гідробіонти знаходять для себе найбільш вигідне положення в просторі. Особливо велике значення світло має для організмів, що здійснюють добові міграції. В більшості випадків почало підйому і спуску визначається часом настання тієї або іншої освітленості.
Сприйняття звуку у водних тварин розвинене відносно краще, ніж у наземних. Звук швидше і довше розповсюджується у воді, ніж на суші. Відоме значення в житті гідробіонта мають шумові навантаження, пов'язані з діяльністю людини - роботою човнових і корабельних моторів, турбін, підводним бурінням тощо. У гідробіонтів одночасно знижується швидкість дихання, темп зростання і часткаяйцеродних самок; звикання до шуму не спостерігається навіть після місячного вмісту риб в таких умовах.
Очевидно, вельми значну, але ще маловивчену роль грають в житті гідробіонтів електричні і магнітні поля. Завдяки високій чутливості електрорецепторів, багато гідробіонтів здатні сприймати багатющу інформацію, зокрема розрізняють особини свого вигляду і ворогів, швидкість і напрям течій, температуру, сольові і газові інгредієнти, а також встановлюють симптоми, передуючі аномальним природним явищам.
1.2 Характеристика забруднення водних об’єктів
У сучасних умовах сильно збільшуються потреби людини у воді на комунально-побутові потреби. Об'єм споживаної води для цих цілей залежить від регіону і рівня життя і складає від 3 до 700 л на одну людину. В Києві, наприклад, на кожного жителя доводиться близько 550 л, що є одним з найвищих показників в країні.
З аналізу водокористування за 5-6 минулих десятиліть витікає, що щорічний приріст безповоротного водоспоживання, при якому використана вода безповоротно втрачається для природи, складає 4-5%. Перспективні розрахунки показують, що при збереженні таких темпів споживання і з урахуванням приросту населення і об'ємів виробництва до 2100 р. людство може вичерпати всі запаси прісної води.
Вже в даний час недолік прісної води випробовують не тільки території, які природа обділила водними ресурсами, але і багато регіонів, що ще недавно вважалися благополучними в цьому відношенні. В даний час потреба в прісній воді не задовольняється у 20 % міського і 75 % сільського населення планети.
Втручання людини в природні процеси торкнулося навіть крупних річок (такі, як Дніпро), змінивши у бік зменшення об'єми перенесених водних мас (стік річок). Вода, що використовується в сільському господарстві, здебільшого витрачається на випаровування і утворення рослинної біомаси і, отже, не повертається в річки.
Обмежені запаси прісної води ще більше скорочуються через їх забруднення. Головну небезпеку представляють стічні води (промислові, сільськогосподарські і побутові), оскільки значна частина використаної води повертається у водні басейни у вигляді стічних вод.
Під забрудненням водних ресурсів розуміють будь-які зміни фізичних, хімічних і біологічних властивостей води у водоймищах у зв'язку з скиданням в них рідких, твердих і газоподібних речовин, які заподіюють або можуть створити незручності, роблячи воду даних водоймищ небезпечною для використання, завдаючи збитку народному господарству, здоров'ю і безпеці населення. Під забрудненням, також слід розуміти такий стан водного об’єкту в офіційно встановленому місці його використання, коли має місце відхилення від норми, збільшення шкідливих компонентів, надлишок домішок, що порушують нормативи якості води.
Забруднення вод – несприятливі зміни складу і властивостей води водного об'єкта в результаті надходження до нього забруднюючих речовин.
Забруднююча речовина – речовина, що спричиняє погіршення якості води.
Критерієм забруднення води є погіршення її якості внаслідок зміни органолептичних властивостей і появи шкідливих для всього живого речовин, а також зміна температурного режиму води.
Забруднення Світового океану і континентальних вод здійснюється через:
· стічні води промисловості (вода стічна — вода, що утворилася в процесі господарсько-побутової і виробничої діяльності (крім шахтної, кар'єрної і дренажної води), а також відведена з забудованої території, на якій вона утворилася внаслідок випадання атмосферних опадів;
· стоки сільськогосподарських виробництв;
· стоки населених пунктів.
Розрізняють первинне та вторинне забруднення водойм. Первинне пов’язане з надходженням до акваторії відходів господарської діяльності людини. Вторинним називається забруднення, що розвивається внаслідок біохімічних порушень в життєдіяльності живих організмів морів і прісних вод та веде до втрати природних зв’язків між організмами з різними типами живлення.
Основні забруднювачі природних вод:
♦ Хімічне забруднення. Найнебезпечніше хімічне забруднення — це токсичне. Водойми поступово перетворюються в “стічні канави цивілізації”. Воно нищить живі організми. Через хімічне забруднення вода втрачає прозорість і в ній падає вміст кисню.
♦ Стічні води. Загальний об’єм стічних вод у світі 1870 кв. км. за рік, з яких 95 % не очищених або недостатньо очищених. Максимальне забруднення стічними водами мають ділянки узбережжя водойм до глибини 100 м. Особливо небезпечним є забруднення внутрішніх морів.
♦ Біологічно-корисні речовини. Характеризуються негативною дією, якщо їх кількість у воді перевищує певний рівень. Наприклад, при зростанні концентрації фосфору більше 0,07 мг/м3 приводить до посилення розвитку рослинності водойм – до явища цвітіння води.
♦ ПАР.
♦ Хвороботворні мікроорганізми.
♦ Тверді відходи. Це різні предмети та їх залишки з пластику, скла, картону, дерева та інших матеріалі.
Основними джерелами забруднення і засмічення водоймищ є недостатньо очищені стічні води промислових і комунальних підприємств, крупних тваринницьких комплексів, відходи виробництва при розробці рудних копалин; води шахт, копалень, при обробці і сплаві лісоматеріалів; скиди водного і залізничного транспорту; відходи первинної обробки льону, пестициди і тощо. Забруднюючі речовини, потрапляючи в природні водоймища, приводять до якісних змін води, які в основному виявляються в зміні фізичних властивостей води, зокрема, поява неприємних запахів, присмаків тощо); в зміні хімічного складу води, зокрема, поява в ній шкідливих речовин, в наявності плаваючих речовин на поверхні води і відкладанні їх на дні водоймищ.
Виробничі стічні води забруднені в основному відходами і викидами виробництва. Кількісний і якісний склад їх різноманітний і залежить від галузі промисловості та її технологічних процесів. Вони поділяються на дві основні групи.
До першої групи відносяться стічні води содових, сульфатних, азотно-тукових заводів, збагачувальних фабрик свинцевих, цинкових, нікелевих руд і т.д., в яких містяться кислоти, луги, іони важких металів і ін. Стічні води цієї групи в основному змінюють фізичні властивості води.
Стічні води другої групи скидають нафтопереробні, нафтохімічні заводи, підприємства органічного синтезу, коксохімічні і ін. В стоках містяться різні нафтопродукти, аміак, альдегіди, смоли, феноли і інші шкідливі речовини. Шкідлива дія стічних вод цієї групи полягає головним чином в окислювальних процесах, внаслідок яких зменшується вміст у воді кисню, збільшується біохімічна потреба в ньому, погіршуються органолептичні показники води.
Нафта і нафтопродукти на сучасному етапі є основними забруднювачами внутрішніх водоймищ, вод і морів, Світового океану. Потрапляючи у водоймища, вони створюють різні форми забруднення: плаваючу на воді нафтову плівку, розчинені або емульговані у воді. Нафтопродукти, що осіли на дно важкі фракції тощо. При цьому змінюється запах, смак, забарвлення, поверхневе натягнення, в'язкість води, зменшується кількість кисню, з'являються шкідливі органічні речовини. Таким чином вода стає токсичною і представляє загрозу не тільки для людини. 12 г нафти роблять непридатною для вживання тонну води.
Досить шкідливим забруднювачем промислових вод є фенол. Він міститься в стічних водах багатьох нафтохімічних підприємств. При цьому різко знижуються біологічні процеси водоймищ, процес їх самоочищення, вода приймає специфічний запах карбону.
На життя населення водоймищ згубно впливають стічні води целюлозно-паперової промисловості. Окислення деревної маси супроводжується поглинанням значної кількості кисню, що приводить до загибелі ікри, мальків і дорослих риб. Волокна і інші нерозчинні речовини засмічують воду і погіршують її фізико-хімічні властивості. На рибах і на їх кормі - безхребетних - несприятливо відображаються мілеві сплави. З гниючої деревини і кори виділяються у воду різні дубильні речовини. Смола і інші екстрактні продукти розкладаються і поглинають багато кисню, викликаючи загибель риби, особливо памолоді і литки. Крім того, мілеві сплави сильно засмічують річки, а топляк нерідко повністю забиває їх дно, позбавляючи риб нерестовищ і кормових місць.
Атомні електростанції радіоактивними відходами забруднюють річки. Радіоактивні речовини концентруються найдрібнішими планктонними мікроорганізмами і рибою, потім по ланцюгу живлення передаються іншим тваринам. Встановлено, що радіоактивність планктонних мешканців в тисячі раз вища, ніж води, в якій вони живуть.
Стічні води, що мають підвищену радіоактивність (100 кюрі на 1 л і більше), підлягають похованню в підземні безстічні басейни і спеціальні резервуари.
Зростання населення, розширення старих і виникнення нових міст значно збільшили надходження побутових стоків у внутрішні водоймища. Ці стоки стали джерелом забруднення річок і озер хвороботворними бактеріями і гельмінтами. В ще більшому ступені забруднюють водоймища миючі синтетичні засоби, що широко використовуються в побуті. Вони знаходять широке вживання також в промисловості і сільському господарстві. Хімічні речовини, що містяться в них, поступаючи із стічними водами в річки і озера, роблять значний вплив на біологічний і фізичний режим водоймищ. В результаті знижується здібність вод до насичення киснем, паралізується діяльність бактерій, мінералізуючих органічні речовини.
Викликає велику турботу забруднення водоймищ пестицидами і мінеральними добривами, які потрапляють з полів разом із стоками дощової і талої води. В результаті досліджень, наприклад, доведено, що інсектициди, що містяться у воді у вигляді суспензій розчиняються в нафтопродуктах, якими забруднені річки і озера. Ця взаємодія приводить до значного ослаблення окислювальних функцій водних рослин. Потрапляючи у водоймища, пестициди нагромаджуються в планктоні, рибі, а по ланцюжку живлення потрапляють в організм людини, діючи негативно як на окремі органи, так і на організм в цілому.
У зв'язку з інтенсифікацією тваринництва все більш дають про себе знати стоки підприємств даної галузі сільського господарства.
Стічні води, що містять рослинні волокна, тваринні і рослинні жири, фекальну масу, залишки плодів і овочів, відходи шкіряної і целюлозно-паперової промисловості, цукрових і пивоварних заводів, підприємств м'ясо-молочної, консервної і кондитерської промисловості, є причиною органічних забруднень водоймищ.
У стічних водах зазвичай, до цієї ж категорії органічних відносяться біологічні (бактерії, віруси, гриби, водорості) забруднення в комунально-побутових, медико-санітарних водах і відходах шкіряних і шерстомойних підприємств.
Нагріті стічні води теплових ЕС, виробництв викликають «теплове забруднення», яке загрожує досить серйозними наслідками: в нагрітій воді менше кисню, різко змінюється термічний режим, що негативно впливає на флору і фауну водоймищ, при цьому виникають благо приємні умови для масового розвитку у водосховищах синьо-зелених водоростей - так званого «цвітіння води». Забруднюються річки і під час сплаву, при гідроенергетичному будівництві, а з початком навігаційного періоду збільшується забруднення судами річкового флоту.
1.2.1 Забруднення поверхневих вод
Якість води більшості водних об'єктів не відповідає нормативним вимогам. Багаторічні спостереження за динамікою якості поверхневих вод знаходять тенденцію збільшення числа створів з високим рівнем забрудненості (більше 10 ГДК) і числа випадків екстремального високого вмісту (понад 100 ГДК) забруднюючих речовин у водних об'єктах.
Стан водних джерел і систем централізованого водопостачання не може гарантувати необхідної якості питної води, а у ряді регіонів (Донбас) цей стан досяг небезпечного рівня для здоров'я людини. Служби санітарно-епідеміологічного нагляду постійно наголошують на високому забрудненні поверхневих вод.
Близько 1/3 всієї маси забруднюючих речовин вноситься в вододжерела з поверхневим і зливовим стоком з територій санітарно невпорядкованих місць, сільськогосподарських об'єктів і угідь, що впливає на сезонне, в період весняного паводку, погіршення якості питної води, що щорічно відзначається в крупних містах, у тому числі і в Київі. У зв'язку з цим проводиться гіперхлорування води, що, проте небезпечно для здоров'я населення у зв'язку з утворенням хлорорганічних з'єднань.
Одним з основних забруднювачів поверхневих вод є нафта і нафтопродукти. Нафта може потрапляти у воду в результаті природних її виходів в районах залягання. Але основні джерела забруднення пов'язані з людською діяльністю: нафтовидобутком, транспортуванням, переробкою і використанням нафти як паливо і промислову сировину.
Серед продуктів промислового виробництва особливе місце по своїй негативній дії на водне середовище і живі організми займають токсичні синтетичні речовини. Вони знаходять все більш широке використання в промисловості, на транспорті, в комунально-побутовому господарстві. Концентрація цих з'єднань в стічних водах, як правило, складає 5-15 мг/л при ГДК - 0,1 мг/л. Ці речовини можуть утворювати у водоймищах шар піни, особливо добре помітний на порогах, перекочуваннях, шлюзах. Здібність до піноутворення у цих речовин з'являється вже при концентрації 1-2 мг/л.
Найпоширенішими забруднюючими речовинами в поверхневих водах є феноли, органічні речовини, що легко окисляються, з'єднання міді, цинку, а в окремих регіонах країни – амонійний і нітритний нітрогени, лігнін, ксантогенати, анілін, мітив, меркаптан, формальдегід і ін. Величезна кількість забруднюючих речовин вноситься в поверхневі води із стічними водами підприємств чорної і кольорової металургії, хімічної, нафтохімічної, нафтової, газової, вугільної, лісової, целюлозно-паперової промисловості, підприємств сільського і комунального господарства, поверхневим стоком з прилеглих територій.
Невелику небезпеку для водного середовища з металів представляють ртуть, свинець і їх з'єднання.
Розширене виробництво (без очисних споруд) і вживання отрутохімікатів на полях приводять до сильного забруднення водоймищ шкідливими з'єднаннями. Забруднення водного середовища відбувається в результаті прямого внесення отрутохімікатів при обробці водоймищ для боротьби зі шкідниками, надходження у водоймища води, що стікає з поверхні оброблених сільськогосподарських угідь, при скиданні у водоймища відходів підприємств-виробників, а також в результаті втрат при транспортуванні, зберіганні і частково з атмосферними опадами.
Разом з отрутохімікатами сільськогосподарські стоки містять значну кількість залишків добрив (азоту, фосфору, калію), що вносяться на поля. Крім того, великі кількості органічних сполук азоту і фосфору потрапляють із стоками від тваринницьких ферм, а також з каналізаційними стоками. Підвищення концентрації живильних речовин в ґрунті приводить до порушення біологічної рівноваги у водоймищі.
Спочатку в такому водоймищі різко збільшується кількість мікроскопічних водоростей. Із збільшенням кормової бази зростає кількість ракоподібних, риб і інших водних організмів. Потім відбувається відмирання величезної кількості організмів. Воно приводить до витрачання всіх запасів кисню, що міститься у воді, і накопиченню сірководню. Обстановка у водоймищі міняється настільки, що вона стає непридатною для існування будь-яких форм організмів. Водоймище поступово «вмирає».
Сучасний рівень очищення стічних вод такий, що навіть у водах, що пройшли біологічне очищення, зміст нітратів і фосфатів достатній для інтенсивного евтрофікування водоймищ.
Евтрофікація – збагачення водоймища біогенами, стимулююче зростання фітопланктону. Від цього вода каламутніє, гинуть бентосні рослини, скорочується концентрація розчиненого кисню, задихаються риби і молюски, що мешкають на глибині.
У багатьох водних об'єктах концентрації забруднюючих речовин перевищують ГДК, встановлені санітарними і рибоохоронними правилами.
1.2.2 Забруднення підземних вод
Забрудненню піддаються не тільки поверхневі, але і підземні води. В цілому стан підземних вод оцінюється як критичне і має небезпечну тенденцію подальшого погіршення.
Підземні води (особливо верхніх, неглибоко залягаючих, водоносних горизонтів) вслід за іншими елементами навколишнього середовища випробовують забруднюючий вплив господарської діяльності людини. Підземні води страждають від забруднень нафтових промислів, підприємств гірничодобувної промисловості, полів фільтрації, шламонакопічувачів і відвалів металургійних заводів, сховищ хімічних відходів і добрив, звалищ, тваринницьких комплексів, не каналізованих населених пунктів. Відбувається погіршення якості води в результаті підтягання некондиційних природних вод при порушенні режиму експлуатації водозаборів. Площі вогнищ забруднення підземних вод досягають сотень квадратних кілометрів.
Серед забруднювачів підземних вод переважають: нафтопродукти, феноли, важкі метали (мідь, цинк, свинець, кадмій, нікель, ртуть), сульфати, хлориди, з'єднання нітрогену.
Перелік речовин контрольованих в підземних водах не регламентований, тому не можна скласти точну картину про забруднення підземних вод.
В цілому, забруднення водойм всіх типів стало таким сильним, що у багатьох з них можливості самоочищення вичерпалися і почався процес деградації.
Для домішок, що забруднюють воду встановлено нормування чистоти води двох категорій водопостачання:
· використання для потреб населення;
· використання для риболовних цілей.
З точки зору якості води до кожної категорії ставляться різні вимоги. Правила встановлюють нормовані значення для наступних параметрів води: запах, смак, колір, температура, кількість домішок, склад і концентрація механічних домішок і розчиненого у ній кисню, склад ГДК (гранично допустимих концентрацій) отрути, шкідливих речовин та хвороботворних бактерій.
1.3 Екологічне становище водних об’єктів України
Спостерігається збільшення випадків аварійних залпових скидів. Основна їхня частина скидається в річки Донецько-Придніпровського регіону. Найбільше забруднення води в Україні спостерігається у басейні Дніпра, а також на півдні України та в Криму. Ріка Дніпро є головною водною артерією України, водостоком майже для половини всієї території країни. Однак вода в ній забруднюється комунальними, промисловими та сільськогосподарськими стоками, зокрема у середній течії річки.
У 2004 р. обсяг стічних вод, що скидаються у природні поверхневі водойми, зменшився порівняно з 2000 р. на 221 млн. м3 і зрівнявся з обсягом 2003 р., у тому числі без очищення - на 141 млн. м3 .
Найбільше забруднених вод скидається в Дніпропетровській та Донецькій областях (відповідно 776,9 та 962,4 млн. м3 ). Високий рівень забруднених стічних вод у Луганській, Київській, Харківській та Одеській областях (відповідно 616,4, 558,8, 328,8 та 263,7 млн. м3 ). По всіх регіонах України спостерігається тенденція до зниження обсягу скинутих забруднених стоків у природні поверхневі водойми, за винятком Автономної Республіки Крим, Хмельницької та Рівненської областей, де у 2004 р. порівняно з 2003 р. кількість скинутих неочищених стоків збільшилася.
Азово-чорноморський регіон традиційно був санаторно-курортною зоною. Щороку близько 12,5 млрд. м3 стоків, з яких 2 млрд. м3 необроблені, потрапляють до Чорного моря. Основним забруднюючим компонентом Чорного моря є нафтопродукти. Забруднення нечистотами Азовського моря становить 4 млрд. м3 , з яких 1,9 млрд. м3 необроблені. 66 %), менша - в річки Південного регіону (13,5 %). Найбільше забруднених скидів у 2004 р. припадало на річки Дніпро, Кальміус, Міус, Дністер, Чорне та Азовське моря.
Значного техногенного впливу нині зазнають підземні водоносні горизонти. В долинах Сіверського Дінця, річок Західного Донбасу, Кривбасу, Криму, Прикарпаття та інших зафіксовано понад 200 осередків стійкого забруднення експлуатованих водних горизонтів, що призвело до забруднення 6 % розвіданих запасів підземних вод, а близько 24 % опинилися під загрозою якісного виснаження.
Застосування мінеральних добрив і пестицидів при порушенні відповідних режимів внесення їх у ґрунт призвело до широкомасштабного забруднення ґрунтових вод. За експертними оцінками в річки та водойми щорічно виноситься близько 2,4 млн. т. Калію, 0,24 млн. т. Нітрогену та 0,12 млн. т. Фосфору.
Україна, країна з населенням біля 50 мільйонів чоловік та площею у 603700 квадратних кілометрів, розташована у центрі Європи.
Усі води (водні об'єкти) на території України становлять її водний фонд.
До водного фонду України належать:
1) поверхневі води:
F природні водойми (озера);
F водостоки (річки, струмки);
F штучні водойми (водосховища, ставки) і канали;
F інші водні об'єкти;
2) підземні води та джерела;
3) внутрішні морські води та територіальне море.
Що стосується доступних для користування водних ресурсів, то Україна належить до країн з обмеженими водними ресурсами ( водні ресурси обсяги поверхневих, підземних і морських вод відповідної території ). У засушливий рік стік річок країни на душу населення складає 0,67 тисячі кубометрів. За запасами водних ресурсів у розрахунку на одиницю площі або на одного жителя Україна займає одне із останніх місць серед країн Європи. За визначенням Європейської Економічної Комісії ООН держава, водні ресурси якої не перевищують 1,5 тис. м3 на одного мешканця вважається водонезабезпеченою. Водомісткість валового національного продукту у кілька разів перевищує аналогічні показники у інших державах.
До найважливіших річок країни належать: Дніпро, Дністер, Сіверський Донець та Південний Буг. Крім того, водні ресурси нерівномірно розповсюджені по території, що ще більше ускладнює проблеми водопостачання. Поверхневі води є головним джерелом питного водопостачання. Приблизно 60 % населення одержують воду з Дніпра, 15 % - з інших поверхневих водойм та 25 % населення користуються ґрунтовими водами (особливо у сільський місцевості). Нарешті, треба зауважити, що якість поверхневих вод в Україні звичайно недостатня для цілей питного водопостачання.
Як наслідок тривалого панування тоталітарної системи господарювання водні ресурси України зазнали значного антропогенного навантаження та деградації. Суттєвих якісних і кількісних змін зазнали поверхневі води. Зрегульовані головні річки, греблі, канали залишились нам у спадок від радянських часів, коли ніхто не замислювався над довготривалістю наслідків втручання людини у природу, навпаки, її підкорення вважалося за одне з найголовніших завдань.
Розвиток найбільш шкідливих та потужних галузей промисловості (хімічної промисловості, добування корисних копалин, металургії, енергетики, важкого машинобудування та інше) та екстенсивного сільського господарства в Україні як складової частини агропромислового комплексу колишнього СРСР спричинили значні забруднення водних ресурсів в нашій країні.
Основними джерелами питного водопостачання є поверхневі води - близько 2/3 від загальної кількості (головним чином, річковий стік) та підземні води. Крім того, в загальний фонд прісних поверхневих вод України входять природні водойми та водосховища. В Україні потреба у господарсько-питній воді надзвичайно велика і в основному вона забезпечується за рахунок поверхневих джерел, на які припадає 75 % всієї води, що постачається централізовано. Разом з тим, забруднення джерел водопостачання досягло такого рівня, що водопровідні очисні споруди вже не в змозі забезпечити надійну очистку питної води.
Склад води природних поверхневих джерел не є постійним. У них безперервно відбуваються процеси окислення, відновлення, осадження великих і важких частинок, а також біохімічні процеси, що призводять до самоочищення води. Дуже сильно змінюється склад поверхневих вод за сезонами року, внаслідок атмосферних опадів. Постійна зміна складу води не дозволяє запроектувати очисні споруди, які б завжди працювали в оптимальному режимі. У зв‘язку з цим одним з найважливіших завдань водопідготовки є використання реагентів і процесів, які б дали можливість гнучко регулювати технологію з метою оптимізації режиму.
Дніпро є головною водоносною артерією України. З Дніпра на території України забезпечується водою близько 30 млн. чоловік. Більшість поверхневих та підземних водних джерел беруть свій початок від Дніпра.
За останні 10-15 років проходила інтенсивна деградація малих річок України в результаті необмеженого надходження до них шкідливих речовин. На сьогоднішній день стан малих річок та природних водойм катастрофічний їх наповнення знизилось, якість води - незадовільна.
Поверхневі води найбільше підлягають антропогенному впливу. Так, тільки 45% стоків, які надходять до річки Дніпро, проходять очищення.
Склад речовин, які потрапляють до поверхневих вод різних регіонів, дуже різноманітний та залежить від багатьох складових: виду промислових та сільськогосподарських виробництв в районі водозабору, кількості та якості очисних споруд, кліматичних, ландшафтних умов та т. ін.
Не краща ситуація і з підземними водами. Внаслідок потрапляння інгредієнтів токсичних відходів у ґрунт близько 60 % розвіданих підземних вод стали непридатними для використання, а 24% перебувають на грані виходу з загального питного балансу. Питоме водопостачання населення України, що користується централізованим водопостачанням, досягло 370 л/чол. на добу – це щонайменше в 2 рази вище, ніж середній рівень водопостачання у передових країнах світу (середньодобове споживання води одним мешканцем Києва складає 410-450 літрів, тоді як у Барселоні (Іспанія) 106; Амстердамі (Нідерланди) – 100; Антверпені (Бельгія) – 85 л/чол. на добу).
1.4 Характеристика методів очищення стічних вод
1.4.1 Загроза інфекційних захворювань
Неочищені каналізаційні стоки – одне з головних джерел загрози для здоров'я людини, оскільки люди і тварини бувають заражені патогенами (хвороботворними бактеріями і іншими паразитами). Заражені люди або тварини можуть виділяти з екскрементами величезну кількість патогенів або їх яєць. Іноді людина служить переносником інфекції, навіть не відчуваючи симптомів захворювання. Якщо заражені каналізаційні стоки потраплять в питну воду, на джерела їжі або в місця для купання, паразити можуть інфікувати багато людей. В деяких випадках інфекція передається через харчові ланцюги. Наприклад, устриці, можуть заковтувати паразитів, які передаються людині, коли він вживає в їжу устриць. Тому устричні «банки», забруднені каналізаційними стоками, закриті для лову [19]. Крім того, деякі види харчових продуктів рекомендується завжди піддавати термічній обробці.
У більшості випадків патогенні організми виживають зовні господаря не більше декількох днів, а їх число, що потрапило в його тіло, визначає вірогідність розвитку інфекції. Отже, коли густина населення низька, перенесення патогенів відбувається відносно рідко, оскільки рівень їх розповсюдження невеликий і проходить досить багато часу між виділенням їх в зовнішнє середовище одним господарем і зустріччю з іншим. Проте, чим вище густина населення, тим вірогідніше зараження. Живучи і працюючи в густозаселенних містах, люди стають надзвичайно уразливими для патогенних організмів.
Перш ніж в середині XIX в. був встановлений зв'язок між захворюваннями і наявністю в покидьках патогенів, в містах часто траплялися спустошливі епідемії. В даний час в більшості країн прийняті санітарно-гігієнічні правила, які запобігають такому «круговороту» патогенів, зокрема:
(1) дезинфекція запасів води для населення хлоруванням або іншими методами;
(2) особиста санітарія і гігієна, особливо під час приготування і роздачі їжі;
(3) збір і очищення каналізаційних стоків.
Багато хто зв'язує зниження захворюваності з успіхами сучасної медицини, але дякувати, перш за все, коштує санітарно-гігієнічних правил, часто сприйманих як щось саме собою розуміюче.
1.4.2 Зниження вмісту розчиненого кисню
Скидання неочищених каналізаційних стоків у водоймища не тільки чревате небезпекою інфекційних захворювань, але і може стати причиною зниження вмісту розчиненого у воді кисню і деградації водних екосистем.
Органічна речовина, присутня в стоках, мисливська поєдаєтся редуцентами і детрітофагамі, які поглинають кисень в процесі дихання. Коли детриту надлишок, ці організми споживають розчинений кисень швидше, ніж він поповнює систему, і його запаси виснажуються. Концентрацію органіки в каналізаційних стоках часто виражають біологічною потребою в кисні (БПК), тобто кількістю кисню, яка потрібно редуцентам, щоб розкласти речовину, що поступила.
Виснаження запасів розчиненого кисню не завдає шкоди самим бактеріям-редуцентам, оскільки вони здібні до анаеробіченого дихання і бродіння. Анаеробні (позбавлені кисню) водоймища не тільки не можуть підтримувати життя риб, молюсків і ракоподібних, але і погано пахнуть, оскільки у багатьох продуктів безкисневого метаболізму вельми неприємний запах. Цим же обумовлений характерний запах каналізаційних стоків.
Крім того, виснаження запасів розчиненого кисню може збільшити небезпеку мікробного зараження. Багато патогенних організмів набагато довше живуть в анаеробних умовах. В середовищі, багатому киснем, вони швидко гинуть або з'їдаються іншими організмами.
1.4.3 Збір і очищення стічних вод
Санітарна каналізаційної системи об'єднує всі стічні труби від розташованих в будівлях раковин, ванн і тощо, як стовбур дерева об'єднує всі його гілки. З підстави цього «стовбура» витікає суміш всього, що потрапило в систему, - початкові стоки, або початкові стічні води. Оскільки ми використовуємо величезний об'єм води для видалення мізерних кількостей відходів або просто ллємо її без особливої потреби, в первинних стоках на кожну частину відходів доводиться приблизно 1000 частин води, тобто в них 99,9% води і 0,1% відходів. З додаванням зливових вод розбавлення ще більш збільшується. Але відходи або забруднювачі первинних стоків мають величезне значення. Їх підрозділяють на три категорії [34].
Сміття і пісок. Сміття – це ганчірки, пластикові пакети і інші предмети, що потрапляють в систему з туалетів або через лівнестоки, якщо ті ще не відокремлені. До піску умовно відносять і гравій; їх приносять в основному лівнестоки.
Органічна речовина, або колоїди. Це як живі організми, - патогени і непатогенні бактерії-редуценти – так і нежива органіка екскрементів, харчових відходів і волокон тканин і паперу. Термін колоїди означає, що цей матеріал не осідає, а зазвичай залишається зваженим у воді.
Розчинені речовини. Це в основному біогени, такі як з'єднання Нітрогену, Фосфору і Калію з продуктів життєдіяльності, що збагатять фосфатами з детергентів.
Щоб очищення було повним, водоочисні споруди повинні усунути всі названі категорії забруднювачів. Сміття і пісок віддаляються на етапі перед очищення. Поєднання первинного і вторинного очищення дозволяє позбавитися колоїдного матеріалу. Розчинені біогени усуваються за допомогою доочистки. Необхідно також мати на увазі, що обробка стоків у кожному конкретному випадку не обов'язково повинна включати всі чотири етапи. Найчастіше вони доповнюють один одного залежно від обставин. Отже, в деяких місцях у водоймища все ще скидають просто початкові стоки, в інших здійснюють тільки первинне їх очищення, подекуди проводять вторинну, і лише небагато міст здійснює доочистку водостоків.
Передочищення. Сміття і пісок звичайно засмічують систему і гальмують подальше очищення стоків. Тому їх усунення вважається її попереднім етапом. Від сміття позбавляються, пропускаючи початкові стоки через стрижньові грати, тобто ряду стрижнів, розташованих на відстані близько 2,5 см один від одного. Потім сміття механічно збирають з грат і відправляють в спеціальну піч для спалювання. Очищена від сміття вода потрапляє в пісковловлювач, або пісковідстійник - місткість, що нагадує плавальний басейн, де рух води сповільнюється настільки, що пісок осідає; потім він механічно витягується звідти і вивозиться на звалище.
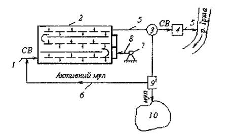
Горизонтальний відстійник [50]- це прямокутний, витягнутий в напрямку руху води, залізобетонний резервуар (рис. 1.1).

Рис. 1.1. Горизонтальний відстійник: 1 - подача води; 2 - відведення води; 3 - зона освітлення; 4 - зона накопичення осаду; 5 - розподільний лоток; 6 - водозбиральний лоток; 7 - труба для відводу осаду
У відстійник вода потрапляє через розподільчий лоток і після проосвішення збирається на протилежному боці лотком або перфорованою трубою для відводу на слідуючу споруду. Відстійник може бути поділений в повздовжньому напрямку перегородками на самостійні секції (коридори) шириною 3...6 м.
Пісковловлювачі застосовують для видалення зі стічних вод важких мінеральних забруднень (переважно піску і> 0,2...0,25 мм). Вони діляться на горизонтальні з коловим або прямолінійним рухом води, вертикальні з рухом води знизу вверх і гвинтові з поступально-обертальним рухом.

Рис. 1 .2. Схема горизонтального пісковловлювача з прямолінійним рухом води:1-вхідний патрубок; 2-проточна частина пісковловлювача; 3 осадозбірник; 4-вихідний патрубок; 5- патрубок для видалення осаду
Механічне очищення дозволяє виділяти з побутових стічних вод до 60-75% нерозчинних домішок, а з промислових до 95%, багато хто з яких як цінні домішки, використовуються у виробництві.
Первинне очищення. Після передочищення вода проходить первинне очищення – поволі пропускається через крупні баки, звані первинними відстійниками. Тут вона протягом декількох годин залишається майже нерухомою. Це дозволяє найважчим частинкам органічної речовини, що становлять 30-50 % його загальної кількості, осісти на дно, звідки їх збирають. В той же самий час жирні і маслянисті речовини спливають до поверхні, і їх знімають як вершки. Весь цей матеріал називається мул-сирець.
При первинному очищенні всього-на-всього «заливають брудну воду в судину, дають боронитися і зливають». Проте це дозволяє усунути значну частину органічної речовини при мінімальних витратах. Вода, що покидає первинні відстійники, все ще містить 50-70 % органічних колоїдів, що не осіли, і майже всі розчинені біогени. Вторинне очищення передбачає усунення органічної речовини, але не розчинених живильних елементів, що залишилася.
Вторинне очищення. Це очищення називають також біологічним, оскільки в ній беруть участь живі природні редуценти і детрітофаги, споживаючі органічну речовину і в процесі дихання перетворюючі його на воду і вуглекислий газ. Звичайно застосовуються два типи систем: краплинні біофільтри і активний мул.
У системах з краплинним біофільтром вода розбризкується і стікає цівками по шару каміння величиною з кулак, товщина яких 2-3 м. Як і в природних струмках, в цих умовах функціонує складна екосистема, що включає бактерії, простих коловерток, різних дрібних черв'яків і інших прикріплених до каміння детрітофагов. Вони буквально виїдають з протікаючої води всю органічну речовину, включаючи патогенів. Організми, випадково змиті з біофільтрів, пізніше усуваються з води, коли вона потрапляє у вторинні відстійники-місткості, аналогічні первинним відстійникам. З матеріалом, що боронився в них, поступають, як і з мулом-сирцем. Пройшовши первинне очищення і краплинні біофільтри, стічні води втрачають 85-90% органічної речовини.
У біофільтрах стічні води пропускаються через шар грубозернистого матеріалу, покритого тонкою бактерійною плівкою. Завдяки цій плівці інтенсивно протікають процеси біологічного окислення. Саме вона служить діючим початком в біофільтрах.

Рис. 1.3. Біофільтр: 1, 2 - труби для подачі та відведення води; 3 — розбризкувані; 4 - фільтрувальне завантаження; 5 - дренаж; 6 - подача повітря
Все більш широке розповсюдження одержує ще один метод вторинного очищення – система активного мулу. В цьому випадку вода після первинного очищення поступає в резервуар, де могли б розміститися декілька припаркованих один за одним трейлерів [48]. Суміш детрітофагів, звана активним мулом, додається у воду, коли та поступає в резервуар. У міру руху по ньому вона інтенсивно аеруєтся, тобто створюється багате киснем середовище, ідеальне для розвитку цих організмів. В ході їх живлення кількість органічної речовини, включаючи патогенні мікроорганізми, зменшується.
Покидаючи аераційний резервуар, вода містить безліч детрітофагів, тому її спрямовують у вторинні відстійники. Оскільки організми звичайно збираються в шматочках детриту, обложити їх відносно нескладно; осад є тим же самим активним мулом, який знову закачують в аераційний резервуар. Таким чином, детрітофаги рециклізуются, а вода очищається від органічної речовини на 90-95 %. Надлишки активного мулу, що нагромаджуються в процесі розмноження організмів, звичайно об'єднують з мулом-сирцем і надалі обробляють їх разом.
Аеротенки - величезні резервуари із залізобетону. Тут очищаючий початок - активний мул з бактерій і мікроскопічних тварин. Всі ці живі істоти бурхливо розвиваються в аеротенках, чому сприяють органічні речовини стічних вод і надлишок кисню, що поступає в споруду потоком повітря, що подається. Бактерії склеюються в пластівці і виділяють ферменти, мінералізуючи органічні забруднення. Мул з пластівцями швидко осідає, відділяючись від обчищеної води. Інфузорії, джгутикові, амеби, коловертки і інші найдрібніші тварини, пожираючи бактерії, що не злипаються в пластівці, омолоджують бактерійну масу мула.

Рис.1.4 Схема біоочищення за допомогою одноступеневого аеротенка: 1,5 - подача і скид води; 2 - аеротенк, 3 - вторинний відстійник; 4 - станція знезаражування; 6 - подача мулу; 7 - компресор; 8 - подача повітря; 9 - насосна станція ; 10 - муловий майданчик
Системи вторинного очищення не усувають розчинених біогенів. До двох останніх десятиліть не відчувалося гострої необхідності здійснювати додаткове очищення води вже після вторинної. Воду після неї просто дезинфікували хлоркою і скидали в природні водоймища. Така ситуація переважає і зараз. Проте у міру загострення проблеми евтрофікації все більше міст вводять ще один етап - доочистку, що знімає біогени.
Доочистка. Після вторинного очищення вода поступає на доочистку, що знімає один або більш біогенів. Для цього існує безліч способів. На 100% воду можна очистити дистиляцією або мікрофільтруванням. Проте це вимагає великих витрат. Сумарний об'єм стоків – близько 150 галонів в день на людину. Очищення такої кількості води названими методами дуже марнотратне, тому в даний час розробляються і упроваджуються доступніші способи. Наприклад, фосфати можна усунути, додавши у воду вапно (іони кальцію). Кальцій вступає в хімічну реакцію з фосфатом, утворюючи при цьому нерозчинний фосфат кальцію, який можна видалити фільтруванням. Якщо надлишок фосфату – основна причина евтрофікації, цього вже достатньо.
При відповідній доочистці можна добитися того, що зрештою вийде вода, придатна для пиття. Багатьох людей бліднуть при думці про вторинне використовування каналізаційних стоків, та варто пригадати про те, що в природі у будь-якому випадку вся вода скоює круговорот. Фактично відповідна доочистка може забезпечити воду кращої якості, ніж одержувана з річок і озер, що не рідко приймають неочищені каналізаційні стоки [40].
Дезинфекція. Якому б ретельному очищенню не піддавалися стічні води, звичайно їх все одно дезинфікують хлоруванням перед скиданням в природні водоймища, щоб знищити патогенні організми, які могли вижити. Використовування для цього газоподібного хлору (Cl2 ) спричиняє за собою певні екологічні проблеми, що вимагають обговорення. Хлор використовують через його ефективну дію і відносну дешевизну. Проте він дуже отруйний, і його транспортування небезпечне для людей. Крім того, хлор ще більш токсичний для деяких риб. Виявилося, що навіть не уловлюване вимірювальними приладами його зміст робить згубний вплив на їх ікру і розвиток ембріонів. Нарешті, деякі кількості хлору мимовільно вступають в реакції з органічними речовинами з утворенням хлорованих вуглеводнів, тобто органічних молекул, що включають атоми хлору. Багато хто з цих з'єднань токсичний і біологічно не розкладається, а деякі здатні навіть викликати рак, порушення внутрішньоутробного розвитку і вражати систему розмноження.
Існують безпечніші дезинфікуючі засоби, наприклад озон (O3 ). Він надзвичайно згубний для мікроорганізмів і, впливаючи на них, розпадається на газоподібний кисень, що покращує якість води. Проте озон не тільки токсичний, але і вибухонебезпечний.
Пропонується також впливати на воду ультрафіолетовим або іншим випромінюванням, що вбиває мікроорганізми, але не надаючим ніякого побічного явища.
Крім того, після хлорування можна додавати у воду інші речовини, наприклад діоксид сірки, які, реагуючи з хлором, утворюють нешкідливі неактивні з'єднання
РОЗДІЛ 2 Використання та охорона водних ресурсів Коростишівського району
2.1 Фізико-географічна і природо-кліматична характеристика Житомирської області
Житомирська область розташована в центральній частині Східноєвропейської рівнини, на півночі Правобережної України, майже повністю в центральній частині Полісся. Площа області становить 29,9 тис. кв. км, що складає 4,9 % території України. Область має вигідне фізико-географічне та економіко-географічне положення, що сприяє її компактному заселенню, високому рівню господарського освоєння території [20].
Територія Житомирської області в геоструктурному відношенні знаходиться майже повністю в межах північно-західної частини Українського кристалічного щита, який є складовою частиною Руської платформи.
В геологічній будові беруть участь метаморфічні, місцями магматичні відламкові породи докембрійського фундаменту, перекриті корою вивітрювання і осадовим чохлом. Корінні породи чохла, що виповнюють зниження фундаменту, залягають на сході та півдні області. Решта території вкрита антропогеновими відкладами. За площею переважають водно-льодовикові відклади, на окремих ділянках перекриті льодовиковими. Річкові долини виповнені алювієм терас.
На території області є відклади всіх періодів геологічної історії Землі, починаючи з докембрійських і закінчуючи четвертинними. Але роль їх в геологічній будові неоднакова.
Рельєф Житомирської області тісно пов’язаний з геологічною будовою. Приуроченість території області до північно-західної частини Українського кристалічного щита зумовило її більш високе гіпсометричне положення порівняно з іншими областями українського Полісся, поширення вузьких і глибоких врізаних річкових долин, наявність великих лесових “островів” і меншу заболоченість.
Житомирська область має вигляд хвилястої рівнини із загальним зниженням на північ і північний схід (від 280 – 220 м до 150 м і менше). Більша частина області лежить у межах Придніпровської та Волино–Подільської височин. Північну і північно-східну частину займає Поліська низовина [20].
Для області характерний високий рівень залягання кристалічних порід, які в багатьох місцях виходять на денну поверхню і беруть участь у формуванні сучасного рельєфу, впливають на характер річкових долин, підземних вод і ґрунтового покриву.
В надрах Житомирської області залягають різноманітні корисні копалини. З погляду видової різноманітності мінеральну базу області варто характеризувати переважно як паливно-будівельну. З неї виокремлюються три групи корисних копалин: паливно-енергетична (буре вугілля, торф); будівельна (граніти, кварцити, тугоплавкі глини, пегматити, каолін, доломіт); метало рудна (ільменіт). Поклади мінеральної сировини в цілому незначні (винятком є будівельне каміння і кварцити). Ступінь різноманітності сировинних ресурсів характеризується високим рівнем. Більш розвідані паливно-енергетичні ресурси, будівельні і металеві корисні копалини. На їх базі розвиваються буровугільна і торфовидобувна промисловості, скляна і фарфоро-фаянсова, цегельна, видобування і виробництво ільменіту тощо.
Житомирська область розташована у помірному поясі північної півкулі між 49° і 51° північної широти. Цим обумовлюється висота Сонця над горизонтом.
У дні рівнодення, коли сонце буває в зеніті над екватором, воно опівдні піднімається в Житомирі над горизонтом на 35°. Максимальна висота Сонця опівдні в день літнього сонцестояння досягає 58°, мінімальна висота Сонця опівдні в день зимового сонцестояння не досягає 12°.
Клімат Житомирської області помірно-континентальний, з теплим вологим літом і м'якою хмарною зимою. Він залежить від основних кліматоутворюючих факторів: сонячної радіації, атмосферної циркуляції, форм рельєфу, а також лісистості і заболоченості, які впливають на формування місцевих мікрокліматичних відмін. Середня багаторічна температура найхолоднішого місяця (січня) становить мінус 6°, найтеплішого (липня) +17 - +19 °. Середня річна температура в області становить +6 - +7°. Найбільші морози бувають у січні та лютому і досягають мінус 30°. Тривалість безморозного періоду 150 – 170 днів. Сума додатних температур повітря (понад 10) коливається від 2400° на півночі, до 2600° на півдні. Тривалість періоду з середньодобовими температурами вище 0° становить 240 – 260 днів. Вегетаційний період (дні з середньою температурою повітря вище 5°) продовжується від другої декади квітня до третьої декади жовтня. Середні дати весняних заморозків на ґрунті – 5 – 10 травня, найпізніші – у першій половині червня [20]. Осінні приморозки починаються наприкінці вересня – на початку жовтня. Від весняних приморозків найбільше страждають ранні овочі, фруктові дерева.
На території області протягом року випадає 550 – 600 мм опадів. Максимум опадів припадає на літні місяці: червень, липень, серпень (40 – 45% річної кількості опадів). Влітку досить часто бувають зливи, грози. Сума опадів у період активної вегетації становить 300 – 350 мм.
Сніговий покрив у більшості районів області рівномірний (10 – 30 см) і триває 95 – 110 днів, але нестійкий через часті відлиги. В цілому він достатній для захисту озимини від вимерзання і накопичення ґрунтової вологи.
Відсутність високих гірських піднять сприяє вільному переміщенню повітряних мас різного походження, що обумовлює значну мінливість погодних процесів в окремі сезони. Проте перехід від одного сезону року до другого, як правило, відбувається поступово. Під впливом Атлантики характерні стійкі відлиги, коли температура повітря підвищується до 10°, а сніговий покрив зовсім зникає. Взимку спостерігається хмарна погода – результат проходження циклонів, опади можуть випадати як у вигляді снігу, так і дощу – при глибоких тривалих відлигах, а також проходженні атлантичних і південних циклонів.
В залежності від співвідношення між циклонічною і антициклонічною погодами взимку на Житомирщині розрізняються теплі і холодні зими. Теплі зими характеризуються частими виходами атлантичних циклонів з суцільною хмарністю і опадами у вигляді мокрого снігу, дощу й мряки. При цьому добовий хід температури повітря практично відсутній, а середні місячні температури на 5 – 7° перевищують норму. Холодні зими спостерігаються при переважному пануванні антициклонної погоди, викликаної вторгненням арктичних мас, формуванням місцевих антициклонів. При цьому середні температури бувають на 7 – 9° нижчими від норми.
Переломним періодом зими є звільнення ґрунту від снігового покриву. Початок весняного сезону, який характеризується переходом середньої добової температури через 0° у бік зростання, відбувається в середині березня, через +5° температура по всій області переходить близько 10 квітня. Цей час вважають за початок вегетаційного періоду.
Для травня з його середньою температурою повітря +15° властивий, до деякої міри, літній режим і погода здебільшого сонячна, тепла, вітри слабкі і ширяться громовиці.
За весну випадає опадів 120 –130 мм. Травень буває іноді посушливим і час від часу тут виникають пилові бурі, які видувають верхні шари сухого ґрунту.
Не можна не зазначити, що в окремі роки спостерігаються снігопади не тільки в березні – квітні, а й в травні.
Літо починається з кінця травня і закінчується на початку вересня. У середньому літній період достатньо теплий і вологий: середні місячні температури всіх літніх місяців перевищують 18°, за цей період випадає 200 250 мм опадів, тобто 40 % їх річної норми.
Влітку часто спостерігаються грози з інтенсивними зливними дощами, коли за одну добу може випасти 100 мм опадів. В середньому на кожний літній місяць припадає 5-7 грозових днів. Дві-три грози за літо супроводжуються випаданням граду. Найбільш сухим і сонячним є місяць серпень.
Перший місяць осені – вересень – сухий і сонячний. Пізніше збільшується хмарність, частіше починають випадати облогові дощі, які мають важливе значення для передзимового зволоження ґрунту і нагромадження в ньому вологи.
Жовтень може бути сухим і сонячним, з нічними приморозками і туманами. Такі періоди одержали назву „бабиного літа”. При цьому в жовтні можливі температури +25...+26°.
Кінець осені відзначається різким посиленням циклонічної діяльності. В цей час часто спостерігаються тривалі облогові дощі і тумани. Наприкінці листопада по всій області може утворитися сніговий покрив, хоча снігопади зрідка можливі протягом всієї осені.
Територія Житомирської області має розгалужену гідрографічну мережу. На території області протікає повністю або частково 221 річка (враховано річки довжиною понад 10 км, загальною довжиною 5366 км), всі вони належать до басейну Дніпра [20].
Найбільшими водними артеріями області є: Тетерів з Гнилоп’яттю, Гуйвою та Іршею; Ірпінь і Здвиж (верхні течії); притоки Прип’яті – Уборть, Словечна та Уж з Жеревою і Норином; притока Горині – Случ.
Фізико-географічне розташування Житомирської області позначилось як на розвиткові річкової мережі, так само і на водному режимі цих річок. Пересічна густота річкової мережі області становить 0,36 км/км2 . Для річок області характерне мішане живлення з переважанням снігового. Понад 50% річкового стоку припадає на талі снігові води. Частка підземних і дощових вод у живленні, приблизно, однакова.
Льодоутворення на річках області починається, як правило, в кінці листопада на початку грудня. Середня тривалість льодоставу – 3,4 місяці, середня товщина – 0,2-0,4 м.
В залежності від геолого-морфологічних умов і рельєфу сформувались географічні особливості річок: ширина, характер річкової долини, будова русла, нахил річки, швидкість течії тощо. Річки півночі області мають більш повільну течію. Заплави лучні або чагарникові, подекуди заболочені. Річки центральної і південної частини області мають добре вироблені терасові долини. Середня ширина їх становить 0,5-0,8 км (на р. Тетерів – до 4 км); схили високі (10-20м),часом круті. Русла річок помірно звивисті. Ширина річок у межень на перекатах дорівнює 5-20 м, на плеснових ділянках 30-50 м (на р. Случ – до 110м). Середній похил річок порівняно значний (0,6-1,2 м/км), швидкість течії на перекатах дорівнює 0,1-0,4 м/с [20].
Великі площі в області займають болота, які підрозділяються на низинні верхові. У подільській частині переважають трав'яні болота, які утворюються в результаті періодичного затоплення низинних боліт місцевості річковими водами, характеризуються незначною глибиною, підвищеним вмістом мінеральних сполук. Верхові, мохові болота, утворюються після того, як трав'яні болота перестають систематично заливатися річковими водами, починає змінюватись рослинність, з'являється сфагновий мох, зменшується мінеральне живлення.
Ґрунтові води на Поліссі досить розповсюджені. Залягають вони, як правило, на глибині, доступній для коріння рослинності, що звичайно не перевищує 5-10 м. За мінералізацією вони прісні, за хімічним складом – гідрокарбонатно-кальцієві [13].
Ґрунти у межах Житомирської області за їх механічним складом та фізико-хімічними властивостями досить різноманітні. На їх утворення та географічне поширення впливають рельєф, материнські породи, кліматичні умови, а також рослинний покрив і тваринний світ. Характерна для Полісся найбільша обводненість сприяє тривалому сезонному перезволоженню ґрунтів і формуванню в них без кисневого середовища. В результаті створюються сприятливі для розвитку відновлювальних процесів умови. Ґрунти набувають типовий сизо-сірий колір. Зональними типами ґрунтів є дерново-підзолисті і болотні, які часто змінюють один одного і перемежовуються з більш рідкими сірими лісовими ґрунтами [13].
Порівняно теплий і вологий клімат зони лісів сприяє розвитку процесів біохімічного вивітрювання і утворенню кислих ґрунтових вод. Відбувається вилуження мінералів і формування елювіального горизонту, бідного глинистими частинками, оксидами і вільним кремнеземом. Ґрунтоутворюючі і гіпергенні процеси в лісовій зоні мало енергійні і не проникають глибше 1-1,2 м. В умовах достатньо застійної зволоженості, яка ускладнена близьким від поверхні заляганням ґрунтових вод, інтенсивно розвивається процес утворення торф'яників, потужність яких досягає декількох метрів. Негативною особливістю є заболоченість, низька природна родючість ґрунтів, вітрова ерозія незахищених рослинністю піщаних ґрунтів і ін.
У Поліссі переважають піщані, супіщані і зрідка легкі суглинисті ґрунти, які підстилаються різними материнськими породами. Все це зумовлює значну мозаїчність ґрунтового покриву і поширення дерново-підзолистих ґрунтів, які займають майже 60% ґрунтового покриву [14].
2.2 Загальна характеристика водних ресурсів Коростишівського району
У світі все живе пов'язане з водою і значною мірою складається з води. Академік В.І. Вернадський зазначав, що "вода стоїть осібно в історії нашої планети, не має природного тіла, яке могло б зрівнятися з нею за впливом на хід основних природних та суспільних процесів" [30]. З одного боку, вона є носієм життя, формуючи умови для відтворення, розвитку, існування усіх живих організмів, природного середовища в цілому, самої людини. З іншого вода використовується як природна сировина, виступає елементом виробничих відносин практично у всіх галузях господарської діяльності, у виробництві багатьох видів продукції. Тому забезпечення людства чистою водою є однією з найбільших проблем сьогодення, гострота якої підвищується внаслідок зростання дефіциту води та погіршення її якості. Саме виживання людини, як біосоціального виду, в значній мірі залежить від наявності та стану водних ресурсів.
Загальний об'єм гідросфери становить трохи менше 1,5 млрд. куб. км, 94 % якого та 72 % поверхні земної кулі займає світовий океан. Із загального об'єму гідросфери 60 тис. куб. км припадає на підземні води, більшу частину яких становлять глибинні розсоли, і лише близько 4 тис. куб. км - прісні підземні води зони активного водообміну. Третьою великою частиною гідросфери є полярні льодовики - 24 млн. куб. км (1,6 %). На долю поверхневих прісних вод в гідросфері припадає близько 360 тис. куб. км або 0,25 % її загального об'єму, з них 278 тис. куб. км зосереджено в озерах, 83 тис. куб. км - ґрунтова волога. Незначний об'єм руслових річкових вод Землі - близько 1,2 тис. куб. км - служить початком формування майже всіх джерел прісних вод, доступних для використання. Отже, резерв води, на яке може розраховувати людство в недалекому майбутньому, орієнтовно становить 6 тис. куб. км. В той же час використання води, як природного ресурсу, протягом останніх десятиріч різко зросло: у 1900 році світове споживання води складало 400 куб. км на рік у 1950 - 1100, у 1975 - вже 3000. За прогнозами у 2010 р. річний обсяг водоспоживання досягне 6000 куб. км.
Характер і ступінь використання водних ресурсів залежить від природних умов, у тому числі водозабезпеченості та економічних і соціальних факторів [33]. На розвиток галузей водного господарства і будівництва гідротехнічних споруд впливають також рельєф місцевості, ґрунтовий і рослинний покрив, гідрогеологічні умови, гідрологічні особливості басейну та інші природні фактори. Масштаби і спрямованість економічних чинників визначаються рівнем розвитку продуктивних сил, структурою територіально-виробничих комплексів, існуючих і тих, що формуються, а також рівнем заселеності і густотою населення.
При цьому господарська діяльність людини здійснює все більший вплив на умови формування і використання водних ресурсів, їх кількісні та якісні зміни. Вона визначається, в першу чергу, безпосереднім використанням води для виробничих, соціальних, господарсько-питних потреб, прямою зміною режиму та якості води в процесі господарської діяльності. При цьому забруднення водних ресурсів набуває таких значних масштабів, що ставить під загрозу існування екосистем і функціонування економіки.
Склад та якість води характеризуються багатьма фізичними, хімічними та мікробіологічними показниками [31]:
- мутність (вміст завислих речовин в одиниці об'єму суміші води з наносами);
- забарвлення, запахи та присмак;
- температура;
- мінералізація (наявність у воді розчинених речовин);
- наявність розчинного кисню і біохімічна потреба (БСК) у ньому на окислення органічних та хімічних речовин, які надійшли до водойми;
- вміст отруйних та радіоактивних речовин;
- бактеріальні та санітарно-гігієнічні показники (дотримання яких гарантує безпечні або оптимальні умови водоспоживання) тощо.
За запасами власних водних ресурсів, доступними для користування, Україна належить до найменш забезпечених серед європейських держав. Питне водопостачання в Україні на 2/3 забезпечується за рахунок поверхневих вод. Напруженість водогосподарсько-екологічного становища зумовлена двома граничними умовами: з одного боку низькою середньорічною водозабезпеченістю - на одного мешканця припадає близько 1 тис. куб. м на рік, а це у 15 разів нижче за норму, визначену Європейською Економічною комісією ООН; і з другого - майже катастрофічним якісним станом водних джерел [20, 33]. Поряд з цим водні ресурси використовуються нераціонально, з порушенням екологічних вимог, що пов'язано з екстенсивним характером розвитку економіки країни, наявністю застарілих водо- та енергомістких технологій.
Через надмірне антропогенне навантаження, негативний вплив наслідків катастрофи на Чорнобильській АЕС, порушення умов формування водного стоку і природної рівноваги, що зумовило зниження якості водних ресурсів, загрозливе екологічне становище склалося майже в усіх річкових басейнах нашої країни. Вода, яка використовується для виробничих та господарських потреб, повертається у природні ланки як зворотна, у вигляді стічної, і несе у собі забруднюючі речовини, розчинні солі, хімічні домішки, частки ґрунту та біологічні відходи, які не характерні для живої природи. Особливу стурбованість викликають такі забруднюючі речовини як токсини, подібні до важких металів та пестицидів; органічні речовини, викиди поживних елементів, подібних до стоку добрив; осідання кислотних опадів, хвороботворні організми. Все це призводить до погіршення якості води і деградації водних ресурсів.
Комплексна екологічна оцінка стану річок басейнів Дніпра за методикою, яка розроблена Українським НДІ водогосподарсько-екологічних проблем, показала, що немає жодного басейну, стан котрого можна було б класифікувати, як добрий (табл. 2.1).
Таблиця 2.1 Екологічна оцінка басейнів малих річок
| Оцінка стану | Україна, % | Полісся, % |
| Використання річкового стоку | ||
Добрий Задовільний Поганий Дуже поганий Катастрофічний |
29 18 5 - 48 |
44 33 17 - 6 |
| Якість води | ||
Дуже чиста Чиста Задовільної чистоти Забруднена Брудна Дуже брудна |
- - 3 20 16 61 |
- - 11 17 28 44 |
| Стан басейну річки | ||
Добрий Зміни незначні Задовільний Поганий Дуже поганий |
- 2 10 39 31 |
- 6 22 33 28 |
Дані таблиці свідчать, що задовільно оцінений екологічний стан лише 22% річок Полісся (10% обстежених річок України), стан 33% характеризується, як поганий (39% - по Україні), 28% мають дуже поганий екологічний стан (31% - по Україні). І лише 6% обстежених річок Полісся зазнали незначних змін (2% загалом по Україні). З наведених даних можна зробити висновок, що чистих річок на сьогодні в Україні не залишилось. Лише 11% річок Полісся мають воду задовільної якості (3% - по Україні). Стан якості води решти річок характеризується від забрудненої до дуже забрудненої. Житомирщина, у порівнянні з іншими областями України, належить до регіону з низькою водозабезпеченістю. Загальна площа земель водного фонду області становить 129,5 тис. га - 4,3% всієї території. Вони зайняті природними водотоками (річками та струмками) -7,3 тис. га, штучними водотоками (каналами, колекторами, канавами) - 20,1 тис. га, озерами і замкнутими водоймами - 0,7 тис. га, ставками - 16,0 тис. га та штучними водосховищами - 4,0 тис. га (рис.2.2). Крім того, болотами і заболоченими землями зайнято 81,4 тис. га, якої знаходяться переважною мірою у північній частині області.

Рис. 2.2 Структура земель, які знаходяться під водою (на 1 січня 2006р.)
За даними обласного управління земельних ресурсів основними платниками та користувачами земель водного фонду регіону є водогосподарські підприємства - 9,7 тис. га (20,2%) та сільськогосподарські - 6,2 тис. га (12,9%).
По території області протікає 246 річок (довжиною більше 10 км кожна) загальною протяжністю 5,8 тис. км та майже 2,5 тисячі струмків (довжиною менше 10км) протяжністю понад 6,1 тис. км. По території Коростишівського району протікає 13 річок (довжиною 173 км). Сама найбільша річка району має протяжність 36 км - р. Тетерів. Середня щільність річкової мережі Коростишівського району становить 0,43 км на кв. км території. В сердній за водністю рік місцевий стік річок району становить 315 млн. куб. на 1 людину припадає 2,14 тис. куб. м води. Сумарний стік, який формується в межах, сягає 371 млн. куб. м або 2,52 тис. куб. м на одного жителя. По Україні на 1 людину припадає 1,03 тис. куб. м місцевого 4,12 тис. куб. м сумарного стоку. В маловодний рік місцевий стік по області становить 105 млн. куб. м, а сумарний - 128 млн. куб. м.
Річка Тетерів, права притока р. Дніпро, протяжність на території області 247 км. Кількість контрольних створів - 27, з них згідно до «Програми...» - 7. Відбір проб проведений 4 рази.
Погіршився стан річки в створі нижче смт. Чуднів: збільшився в 2 рази вміст сольового амонію в порівнянні з 2004 роком (0,79мг/дм3 – у 2000 році та 1,56 мг/дм3 – у 2001 році). Збільшились показники по сухому остатку, сульфатам і фосфатам.
У створі 5 км вище міста Житомира (водосховище «Відсічне») різких змін якості води не спостерігається за винятком літнього періоду. Протягом липня-серпня поточного року спостерігалася екстремальна ситуація з вмістом марганцю. Його вміст в 13-14,5 разів перевищував ГДК. Причиною такого явища була надзвичайно висока температура повітря, а разом з тим і води протягом цього періоду, що призвело до порушення окисловідновних процесів в поверхневих водах.
В міру спадання температур якість води покращилась. На кінець 2001 року збільшення вмісту марганцю не спостерігалося.
У створах вище гирла річки Кам’янка в порівнянні з минулим роком, показники стабільні.
У створі, нижче гирла річки Кам’янка, у порівнянні з минулим роком збільшився вміст сольового амонію з 0,8 мг/дм3 до 1,06 мг/дм3 , фосфатів з 0,42мг/дм3 до 0,66 мг/дм3 . Це пояснюється скидом в річку Кам’янку декількох скидів зливових стоків та частими аварійними скидами з каналізаційно-насосних станцій.
У створі, нижче міста Житомира, с. Левків у порівнянні з 2000 роком спостерігається зниження розчинного кисню та збільшення сольового амонію, ХСК, БСК5 , сульфатів, що пояснюється впливом скиду ОСК Житомирсього ВУВКГ.
У прикордонному з Київською областю створі с. Вишевичі всі показники, проти минулого року стабільні, за винятком незначного підвищення вмісту сольового амонію в 2 рази.
На річках Житомирської області створено 43 водосховища (з запасом води кожного більше 1 млн. куб. м) загальною площею водного дзеркала 6,8 тис. га повним об'ємом 163,13 млн. куб. м (корисний об'єм - 30,84 млн. куб. м). Площа водного дзеркала 825 ставків становить 9,8 тис. га, їх об’єм майже 115 млн. куб. м. Запаси підземних вод області питного призначення порівняно незначні - 70 млн. куб. м на рік, прогнозні оцінюються у 300 млн. куб. м на рік. Кількість свердловин на початок 1998 р. становила 3768 одиниць. Розрахунковий обсяг водних ресурсів усіх водойм області становить близько 3,3 млрд. куб. м.
2.3 Аналіз використання водних ресурсів області та Коростишівського району
Водокористування - це об'єктивний і безперервний процес освоєння і використання суспільством водного режиму та водних ресурсів, який безпосередньо впливає на водні екосистеми. Він передбачає не тільки використання водноресурсного потенціалу, але і його відтворення та охорону. За характером впливу суспільства на водні системи виділяються такі його види:
- водокористування без вилучення води з водних джерел (руслове);
- водокористування із забором води з водних джерел (позаруслове);
- відтворення водних ресурсів (оборотне та повторне водопостачання, замкнуті системи, очистка води тощо)
- перебудова водного режиму (гідромеліорація, регулювання стоку водосховищами, ставками, перекидання стоку та ін.)
- охорона водноресурсних систем (водозбірних площ і безпосередньо водних об'єктів).
В залежності від того, в якій галузі здійснюється водокористування, його поділяють на: промислове, комунальне і сільськогосподарське, а за і цільовим призначенням: на господарсько-побутове, виробниче, сільгоспводопостачання, зрошення земель, ставкове, рибне господарство та ін.
Згідно з Водним Кодексом України, використання вод здійснюється в порядку загального і спеціального водокористування, для потреб гідроенергетики, водного транспорту. Загальне водокористування здійснюється громадянами безкоштовно, без надання відповідних дозволів, для задоволення їх потреб (купання, плавання на човнах, аматорська і спортивна риболовля, водопій тварин, забір води з водних об'єктів без застосування споруд або технічних пристроїв та з криниць). Спеціальне водокористування - це забір води з водних об'єктів із застосуванням споруд або технічних пристроїв та скидання в них зворотних вод. Таке водокористування здійснюється юридичними і фізичними особами насамперед для задоволення питних потреб населення, а також для господарсько-побутових, лікувальних, оздоровчих, сільськогосподарських, промислових, транспортних, енергетичних, рибогосподарських та інших державних і громадських потреб. Спеціальній водокористування є платним.
З погляду використання і охорони водних ресурсів виробнича діяльність господарських об'єктів характеризується:
- загальним попитом на воду - сумою забору свіжої води з природними об'єктів, залученої в оборотні системи водопостачання;
- водовідведенням - скидом стічних, дренажних, колекторних, шахтних та інших вод у водні об'єкти;
- безповоротним водоспоживанням - різницею між забором води і водовідведенням (до безповоротних втрат води відносяться втрати води при транспортуванні, на додаткове випаровування з поверхні водосховищ і ставків, фільтрацію в каналах тощо);
- обсягами скиду забруднень - величиною контрольованих компонентів забруднюючих речовин у стічних водах;
- тепловим забрудненням - кількістю тепла, що скидається у водний об'єкт, який визначається за витратою скидних вод і підвищенням їх температури порівняно до температури води, яка забирається.
Водоспоживання на Україні оцінюється системою кількісних показників, а саме обсягами:
- забраної води з водних джерел;
- використаної води;
- скинутих до водних об'єктів стічних вод;
- незворотного водоспоживання, який визначається як різниця об'ємів забраної і скинутої стічної води.
Розвиток сучасного виробництва супроводжується зростаючим залученням водних ресурсів такими водоємкими галузями, як промисловість, сільське та комунальне господарства. Так, за даними статистики сучасна промисловість світу використовує близько 20 % води, споживаної людством. Кількість води, що споживається підприємством, залежить від того, яку продукцію воно випускає, від системи водопостачання (прямоточна чи оборотна) та від інших причин. До найбільших споживачів води в промисловості належать атомні електростанції.
Основний же споживач води - сільське господарство (70 % її загального використання). Це зумовлено передусім збільшенням площ зрошуваного землеробства. Відомо, що зрошувані землі набагато продуктивніші від незрошуваних. Сьогодні у світі площа зрошуваних земель становить 15 % загальної площі сільськогосподарських угідь, а дають ці землі понад 50 % усієї продукції.
Водопостачання населення (близько 10 % усієї спожитої людством води) задовольняє його потреби в питній воді та комунально-побутові (робота підприємств побутового обслуговування, поливання вулиць і зелених насаджень, протипожежні заходи тощо). Незважаючи на те, що протягом останніх десятиріч інтенсивність водокористування залишилась постійною, а подекуди скоротилась, має місце потенційна недостача води, і особливо у міських ареалах. Питання забезпечення населення і народного господарства свіжою водою дедалі загострюються. Залишається проблемою витік води із розподільчих систем та неефективне використання води. Значні обсяги споживання води в процесі економічної діяльності, зростання скидів забруднених вод у поверхневі водойми – головні чинники антропогенного навантаження на водні ресурси.
В останні роки спостерігається щорічне зменшення обсягів забору води.
Таблиця 2.2 Основні показники водопостачання і водовідведення по області, млн. м3
| 2000 | 2002 | 2004 | 2004 у % до 2000 | 2000 у % до 2002 | |
| Використано свіжої води | 107,0 | 99,7 | 101,4 | 94,7 | 102 |
| у т.ч. на потреби: | |||||
| господарсько-питні | 47,1 | 38,1 | 35,3 | 74,9 | 92,6 |
| виробничі | 24,5 | 27,6 | 34,4 | 140 | 124,6 |
| Загальне водовідведення | 70,0 | 62,7 | 67,1 | 95,9 | 107,0 |
| з них: | |||||
| забруднених | 34,5 | 35,6 | 36,3 | 105,2 | 102,0 |
| нормативно-очищених | 15,9 | 5,9 | 11,0 | 69,2 | 156,2 |
| нормативно-чистих (без очистки) | 0,0 | 1,2 | 2,2 | - | 18,3 |
| Обсяг оборотної і послідовно використаної води | 114,1 | 280,1 | 145,6 | 127,6 | 51,9 |
Протягом 2006 р. усім споживачам області відпущено 101,4 млн. м3 води, що на 5,3% м менше, ніж у 2002 р. і на 2% більше, ніж у 2004 р. Населенню відпущено 35,3 млн. м3 . Воду на комунально-побутові потреби відпускали 200 підприємств, у яких на балансі знаходилось 278 водопроводів, 64 окремі водогінні мережі, 570 свердловин. Ними із природних водних об'єктів, що пов'язано із зниженням або припиненням виробничо-господарської діяльності суб'єктів господарювання. Відповідно зменшився забір води для використання в розрахунку на душу населення: від 199 м3 у 1992 р. до 122 - у 1995 р. і до 75 м3 - у 2006 р. (рис. 2.3).

Рис.2.3 Динаміка обсягів забору, водовідведення

Рис.2.4 Динаміка забору води для використання в розрахунку на душу населення
Загалом подача води до водопровідної мережі у 20064 р. скоротилась на 35% проти 2002 р.: від 109,3 до 71,5 млн. м3 . Разом з тим, спостерігаються значні втрати води при транспортуванні у водопровідних комунікаціях: у 2006 р. втрачено майже 22% загального обсягу води, поданої до мережі, у 2002р. - лише 2,7% (табл. 2.3). Загальна протяжність водогінних мереж централізованого водопостачання зросла з 2,0 тис. км у 2002 р. до 3,0 тис. км у 2006 р. Виробнича потужність водопроводів та насосних станцій І підйому помітно знизилась: у 2006 р. вона становила 472,6 тис. м3 за добу проти 621,3 у 2004 р. та 484,3 - у 2004 р. Загалом по області виробнича потужність водопроводу і водопровідної мережі використовується майже повністю, характеристика яких відображена в табл. 2.3.
Таблиця 2.3 Водопостачання в області та в районі
| Подано води до водопровідної мережі | Із загальної кількості поданої води, % | |||||||||||
| всього, млн. м3 | частка від забраної води, % | очищено | втрачено при транспортуванні v | |||||||||
| 2002 | 2004 | 2006 | 2002 | 2004 | 2006 | 2002 | 2004 | 2006 | 2002 | 2004 | 2006 | |
| По області | 109,3 | 90,3 | 71,3 | 36,8 | 47,2 | 54,1 | 51,7 | 75,8 | 75,7 | 2,7 | 6,2 | 21,6 |
| Коростишівський | 1,6 | 1,2 | 1,1 | 29,6 | 27,9 | 57,9 | 77,1 | 89,1 | 91,4 | 11,6 | 1,3 | 13,2 |
Значним споживачем води в Коростишиві є комунальне господарство, яке у 2006 р. на свої потреби використало 44,0 % загального обсягу використаної свіжої води, тоді як в середньому по Україні - лише 20%. Комунальне господарство забезпечує господарсько-питні і побутові потреби населення в житловому фонді та у сфері матеріального виробництва, санітарні потреби міст і селищ міського типу, а також виробничі потреби промислових підприємств. Особливістю комунального господарства є споживання води високої якості. Проте майже 25% води, що подається до водопровідної мережі, не очищається. Вся вода проходить крізь очисні споруди Коростишівського - 91,4 % району. Обсяг води, використаної на задоволення господарсько-побутових потреб у 2006 р., склав 57,9 млн. м3 , що на 30 млн. м3 більше проти 2004 р. і на 23,9 млн. м3 більше, ніж у 2002 р.
За обсягом повного водоспоживання і використання свіжої води найбільш великим водокористувачем є промисловість, де вода використовується для виробництва продукції, як теплоносій (для охолодження нагрітих у процесі виробничих операцій агрегатів, механізмів, устаткування тощо), як поглинач, як засіб транспортування, а також для змішаного використання. Певна кількість води використовується також для підтримання необхідних санітарно-гігієнічних умов у виробничих приміщеннях, для гасіння пожеж та задоволення інших потреб.
Таблиця 2.4 Характеристика водопровідної мережі області
| Кількість водопроводів та окрсмихводогіннихмсреж, од. | Одиночна протяжність водоводів та вуличної водопроводноїме сжі, км | Кількість водозборів, одиниць | Виробнича потужність водопроводу, тис. куб. м/добу | |||||||||
| 1995 | 2004 | 2006 | 1995 | 2004 | 2006 | 1995 | 2004 | 2006 | 1995 | 2004 | 2006 | |
| По області | 310 | 322 | 357 | 2048,5 | 2083,4 | 2966,7 | 3950 | 4828 | 5698 | 621,3 | 484,3 | 472,6 |
| Коростишівський | 10 | 9 | 9 | 56,7 | - | 60,0 | 160 | 148 | 149 | 5,1 | 5,8 | 7,8 |

Рис. 2.5 Частка оборотної та послідовно використаної води у загальному обсязі, використаному на виробничі потреби загального обсягу водоспоживання
На скорочення загальних обсягів водоспоживання вплинуло зменшення у 3,8 рази об'єму свіжої води, використаної на виробничі потреби: з 94,0 млн. м3 у 2002 р. до 24,5 млн. м3 - у 2006 р. Частка спожитої свіжої води промисловістю області у 2006р. значно нижча - 22,9 %, ніж в цілому по Україні - 45,8 %. Важливе значення має економія свіжої води за рахунок оборотної та послідовно використаної води, обсяг якої у 2006 р. по області склав 152,0 млн. м3 . Її частка у загальному обсязі використання води на виробничі потреби зросла з 73,4 % у 2002 р., до 86,1 % у 2006р.
Як за об'ємом використаної води, яка забирається з водних джерел, так і за безповоротними її втратами, значним водоспоживачем є сільське господарство. У цій галузі використовується для водопостачання тваринництва, підприємств по переробці сільськогосподарської продукції, водозабезпечення сільських населених пунктів, зрошення, обводнення і зволоження земель, а також для ставкового рибництва. Сільське господарство спричиняє високий рівень екологічного навантаження на водні джерела. Споживання свіжої води іншими галузями економіки порівняно незначні. Динаміка споживання свіжої води по області наведена на рис. 2.5.
Основні показники забору та використання свіжої води та відведення стічних вод регіону, що досліджуються, у 2006 р. Із загального обсягу забраної води по області - 31,9 млн. м3 9% втрачено при транспортуванні. На виробничі, господарсько-питні, сільськогосподарські та інші потреби використання 107,0млн. м3 свіжої води - 81 % всієї забраної, до водопровідної мережі подано 54%. Стічних вод скинуто у поверхневі водойми дещо менше половини забраної - 46 %, 89 % яких пропущені крізь через очисні споруди каналізації. При цьому потужність водоочисних споруд становить 78,9 % потужності водопроводу по області, а потужність очисних споруд забруднених стоків - 81,4 % пропускної спрямованості каналізації.

Рис.2.5 Динаміка використання свіжої води в Коростишиві за потребами
Проведений аналіз в розрізі територіально-адміністративних одиниць свідчить, що у Коростишівському районі при транспортуванні води по водопровідним комунікаціям втрачено її найбільше - 7 % від усього обсягу забраної води. Пояснюється це тим, що не відбулося її втрат при транспортуванні до споживачів.
У Житомирському районі відводиться у вигляді забрудненої 63 % від загального обсягу забраної води, по Коростишівському району - половина: по 52% відповідно. Майже по всіх районах стічні води пропущені крізь очисні споруди каналізації, що дозволяє зменшити шкідливий вплив на природне середовище.
РОЗДІЛ 3 Розробка комплексу заходів по покращенню питної води Коростишівського району
3.1 Забруднення і охорона водних ресурсів Житомирської області та Коростишівського району
Відомо, що одна з головних проблем в м. Коростишів – це якість водопровідної води для громадського споживання.
Забір води для потреб міста Коростишива проводиться за рахунок підземних вод експлуатаційних свердловин, пробурених в період з 1980 по 1990 роки глубиною від 86 до 140 м і обладнаних на водоносний горизонт трещинуватої зони кристалічних порід докембрію.
Роль водного фактора у підтриманні балансу природно-екологічних процесів є однією з центральних. Будь-які зміни водного режиму і водозабезпеченості зумовлюють значний прямий і непрямий вплив як на функціонування природних екосистем, так і економіку країни [31]. Тому захист чистого водного середовища, загроза дефіциту води обумовлюють глобальний характер проблеми і потребують комплексного та раціонального підходу до використання водних ресурсів.
Однією з головних причин негативних наслідків антропогенного впливу на водні об'єкти є споживацьке відношення до них. Вода, як природний ресурс, на відміну від нафти, газу, вугілля щороку відновлюється в процесі глобального водообміну і кругообігу.
Через що водні ресурси тривалий час вважалися невичерпними та здатними до самоочищення. Однак, збільшення антропогенного впливу на водні джерела та ландшафти водозбірних басейнів призвело до порушення умов формування стоку і водного режиму, зниження самовідновлюваної спроможності водних ресурсів. Це зумовило зменшення водності річок, зниження їхньої біопродуктивності.
Господарський комплекс України упродовж багатьох десятиліть розвивався без урахування екологічних наслідків, що призвело до катастрофічного екологічного стану, особливо - водних систем. У промисловості - це високий рівень концентрації промислових об'єктів; відсутність чи недостатня потужність очисних споруд; недосконалість технологій очищення та низька ефективність існуючих очисних споруд; відсутність правових і економічних механізмів, які стимулювали б розвиток екологічно безпечних технологій і природоохоронних систем; низький рівень екологічних знань. У сільськогосподарському секторі економіки - значна (50-60 %) розораність територій, яка на окремих водозборах річок сягнула 80-90 %; використання в сільськогосподарському обороті схилів, заплав річок; низький рівень агротехніки і технологій; нехтування природоохоронними, меліоративними, протиерозійними заходами; забруднення землі і вод стоками ферм і тваринницьких комплексів.
Джерелами забруднення водних ресурсів є також фільтруючі накопичувачі, звалища промислових і побутових відходів, токсичні речовини з яких надходять як до підземних, так і до поверхневих водних об'єктів. Загалом близько третини сталого стоку води забруднюється промисловими, комунально-побутовими стічними водами, а також атмосферними опадами, в яких концентруються шкідливі викиди промисловості, транспорту і відходів сільського господарства.
Радіоактивні речовини, які випали внаслідок Чорнобильської катастрофи, не залишаються на місці, їх міграція зумовлена, з одного боку, властивістю мулу чи ґрунту поглинати, а з другого - розчинністю радіонуклідів у воді. Водойми забруднюються радіонуклідами внаслідок схилового стоку. Самоочищення води від радіоактивних часток, крім радіоактивного розпаду, відбувається шляхом осаджування їх разом з муловими частинками, адсорбції донними відкладами, поглинання водними рослинами і тваринами. На більшій частині річок області радіоактивне забруднення порівняно невелике або зовсім відсутнє, за винятком р. Норинь, басейн якої розміщений у зоні безпосереднього впливу Чорнобильської АЕС стан якого за рівнем радіоактивного забруднення оцінюється як катастрофічний. У басейні більшості річок Полісся щільність радіаційного забруднення сягає 15 кюрі на 1 кв. км (в районі 30-кілометрової зони Чорнобильської АЕС рівень забруднення води перевищує нормативи в 5-45 разів).
На даний час суспільство сягнуло такого ступеня залучення водних ресурсів в господарський обіг, що вони перетворились в головний лімітуючий чинник соціально-економічного розвитку країни. Це вимагає пошуку ефективних зв'язків поміж економікою і природними водно ресурсними системами, між водопотребами соціально-економічного розвитку і поліпшенням екологічних умов існування людини, для стабілізації й оздоровлення екологічної ситуації в країні. Для досягнення конкретних позитивних результатів в усьому світі визнано найбільш ефективним застосування економічних методів регулювання водокористування і водоохоронної діяльності. Водоохоронна діяльність неможлива без економічної оцінки водних ресурсів, яка має відображати їх значення у загальному національному багатстві і в народному господарстві (у виробничих процесах і споживанні) і за якою, чим обмеженіші запаси води, тим більшу економічну цінність вони повинні мати [22].
Однією з найактуальніших і найболючіших проблем охорони та раціонального використання водних ресурсів була і залишається проблема фінансування водоохоронних заходів. За умов економічної кризи це питання набуває особливої гостроти, оскільки втрачені попередні джерела витрат на водоохоронні потреби, головним чином - фінансування з державного бюджету. На сьогодні діють урядові постанови про платежі за водокористування і відшкодування збитків за порушення законодавства про охорону та раціональне використання водних ресурсів. Так, фактичні поточні витрати на охорону та раціональне використання водних ресурсів підприємствами області у 2000 р. становили 32601,9 тис. грн. З них на утримання та експлуатацію споруд для очистки стічних вод, що утворюються в промисловості, комунальному господарстві, інших галузях народного господарства, використано 17912,9 тис. грн; для утримання та експлуатації систем водопостачання із замкнутими циклами - 9124,0 тис. грн.; утримання та експлуатації полів фільтрації, спеціально збудованих накопичувачів та відстойників забруднених стічних вод - 198,8 тис. грн.
Актуальною залишається проблема охорони водних ресурсів від забруднення при скиданні неочищених та недостатньо очищених стічних вод. Зниження обсягів забору та використання води позначилися і на обсягах водовідведення, які склали у 2000 р. 69,9 млн. м3 , що в 1,9 раз менше, ніж у 1995 р., і більш як вдвічі менше, ніж у 1992 р. Обсяг скинутих вод в поверхневі водні об'єкти у 2000 р. становив 60,9 млн. куб. м, з них 34,5 % - неочищені та недостатньо очищені.

Рис.3.1 Скидання стічних вод у поверхневі водні об'єкти області
За даними статистичної інформації із 15,9 млн. куб. м стоків, очищених до нормативних показників, 15,4 млн. куб. м пройшли очистку біологічними методами, що становить майже 97 %, а 0,5 млн. куб. м (3 %) - механічними. По Україні 91 % нормативно-очищених стоків пройшли крізь споруди біологічного очищення, 8,7% - механічного і незначний обсяг (лише 0,3 %) очищено на спорудах фізико-хімічної очистки. Очищення стічних вод - один із важливих заходів охорони навколишнього середовища від забруднення. В нашій державі перевага надається біологічному методу, оскільки він вимагає найменших грошових витрат. Крім того, у порівнянні з іншими методами, він найменше завдає шкоди природному середовищу.
Таблиця 3.1 Скидання забруднених зворотних вод у природні поверхневі водні об’єкти Коростишівського району, млн. м3
| Скинуто всього | З них: | Частка у загальному обсязі скидання зворотних вод, % | ||||||||||
| Без очищення | Недостатньо-очищені | |||||||||||
| 1995 | 2002 | 2006 | 1995 | 2002 | 2006 | 1995 | 2002 | 2006 | 1995 | 2002 | 2006 | |
| Коростишів | 1,37 | 0,86 | 0,7 | 0,07 | 0,06 | 0,1 | 1,3 | 0,8 | 0,6 | 94,9 | 93,2 | 86,0 |
Аналіз показує, що показники очистки стічних вод за період 2002-2006 рр. погіршились. Так, в Коростишівському районі у 2006 р. без очищеня - 25 % (у 2002р. - 2 %), а неочищених та недостатньо очищених скинуто лише 69 % (92%-у 2002 р.). Поряд з тим по Житомирському району ці показники найгірші: до нормативних показників у 2006 р. очищено лише 1 % скинутих стічних вод (26 % - у 2002 р.), а неочищених та недостатньо-очищених стоків у 2006 р. скинуто у поверхневі водні об'єкти 84 % всього обсягу відведених стічних вод.
Таблиця 3.2. Основні водокористувачі-забруднювачи водних об’єктів
| Підприємство - забруднювач | Відомча належність | Водний об’єкт | Об’єм скидання, млн. м3 | Обсяг забруднюючих речовин, що скидаються, тонн на рік | |||
| Всього | НО | НДО | |||||
| Коростишівське МКП"Водоканал" | Держкомітет будівництва, архітектури та житлової політики | р.Тетерів | 0,6036 | 0,6036 | 276,0 | ||
Однією з причин такого стану є недостатнє забезпечення регіону каналізаційними мережами та очисними спорудами. Загальна протяжність головних колекторів та вуличної каналізаційної мережі району у 2006 р. становила 40,8 км, з яких 23,2 км знаходяться в аварійному стані. У районі крізь очисні споруди пропущено 93,5 % стічних вод відповідно. Через низьку якість очищення на очисних спорудах, внаслідок перевантаження та спрацювання технологічного обладнання переважна кількість зворотних вод скидається значною мірою забрудненими - протягом 2006 р. більше половини (34,5 млн. куб. м) загального обсягу забруднених стічних вод надходило у поверхневі водойми недостатньо очищеними.
Таким чином, сьогодні проблема надійного забезпечення населення доброякісною водою належить до найважливіших проблем. Головна причина загострення цього питання полягає в безперервному рості антропогенного навантаження на природні ресурси внаслідок інтенсивного хімічного, біологічного і радіаційного забруднення джерел питного водопостачання. Особливо складна ситуація спостерігається в районах, де водні ресурси обмежені, а водногосподарський баланс напружений.
Поверхневі водойми Коростишева у 2004 р. найбільше забруднювалось лише підприємством - системи житлово-комунального господарства - Коростишевське ВУВКГ - 6,0 млн. м3 . Наприклад, водні об'єкти басейну р. Тетерів у 2002 р. забруднювались переважно сухими рештками - 12,2 тис. тонн, хлоридами - 2,3, сульфатами- 1,5, завислими речовинами -1,4, нітратами - 0,5 тис. тонн (рис.3.2.).
Спостереження за гідрохімічним станом річок області, які проводились Держуправлінням екології та природних ресурсів в області згідно "Програми моніторингу поверхневих вод", показали, що найзабрудненими є річки: Тетерів та Гнилоп'ять, а ріки Ірпінь та Уборть -найчистіші.

Рис.3.2 Вміст деяких забруднюючих речовин, які надійшли у поверхневі водойми басейну р. Тетерів, у 2006
До комплексу заходів по охороні водних об'єктів належить створення зони санітарної охорони (прибережних водоохоронних смуг) - території, де запроваджується особливий санітарно-епідеміологічний режим з метою запобігання погіршення якості води джерел централізованого водопостачання. Для середніх річок, площа водозбору яких становить від 2 до 50 тис. км2 , ширина таких смуг встановлюється в межах 50 м, для малих - 25 м.
Для державного регулювання використання, охорони і відновлення водних ресурсів в Україні ухвалено ряд законів та нормативних актів: "Про охорону навколишнього природного середовища", "Водний кодекс України", "Правила охорони поверхневих вод від забруднення зворотними водами", розроблена й затверджена Національна програма екологічного оздоровлення басейну Дніпра та поліпшення якості питної води. Ці правові документи визначають території, які належать до водного фонду України, категорії та процедури використання водних ресурсів, регулюють спеціальне використання води, визначають екологічні права та обов'язки користувачів водних об'єктів. Згідно цих законів та нормативних актів здійснюється державний контроль та нагляд за використанням, захистом і поповненням водних ресурсів, визначаються заходи із запобігання природним катастрофам, що стосуються водних об'єктів. З метою реалізації політики нашої держави у галузі охорони довкілля затверджена "Обласна Програма охорони навколишнього природного середовища на 2005-2010 роки", в якій питання використання водних ресурсів Житомирщини та їх охорони знайшли відповідне відображення.
Проблема охорони і раціонального використання водних ресурсів невід’ємна від духовних цінностей суспільства. Створено багато міжнародних природоохоронних організацій.
Охорона водних ресурсів — це система міжнародних, державних, регіональних, локальних, технічних, адміністративних, суспільних заходів по раціональному комплексному використанні водних об’єктів.
Охорона водних ресурсів від виснаження та забруднення, та їх раціональне використання для потреб народного господарства — одна з найбільш важливих проблем, яка потребує безвідкладного розв’язання.
Проблема збільшення водних запасів довго розглядалася як технічна проблема, що вимагала технічних розв’язань, таких як: будівництво більшого числа гребель та опріснювальних пристрієв, але нині технічні розв’язання себе вичерпали. Проти будівництва нових гребель висуваються економічні та суспільно-економічні доводи, наприклад: греблі дедалі дорожчають, бо найвигідніші місця вже використані, до того ж вони виривають мільйони людей з їхнього природного довкілля і розладнують екосистеми.
Щоб використовувати воду “раціонально”, тобто уникати її марнування та підтримувати її якість, споживачів слід змушувати платити за неї.
1. Спад промислового виробництва протягом останніх 10 років не супроводжувався поліпшенням стану водних ресурсів України.
2. Очищення стоків в Україні є серйозною проблемою.
3. Не існує інтегрованого підходу до управління водними ресурсами в Україні, необхідно покращання координації у цьому питанні, хоча вже розпочалися деякі зміни на краще.
4. У минулому, Україна, так саме як і інші країни колишнього СРСР, була жорстко централізованою. Зараз країна стикається із серйозними проблемами децентралізації управління, бюджету, адміністрації та відповідальності.
5. Нещодавно були запроваджені нові стандарти для питної води, але реально їх досягти неможливо через економічні та технічні проблеми.
6. Не існує обов'язкової безперервної екологічної освіти для усіх вікових груп у дитячих садках, школах та вузах, що віддаляє перспективу запровадження принципів збалансованого розвитку у водне господарство, ефективного захисту водних ресурсів та водокористування в України.
7. Через відсутність екологічної освіти, політики підвищення рівня інформованості населення та через відсутність механізмів економічного регулювання, індивідуальні споживачі не мають стимулів до участі у захисті водних ресурсів та до їх дбайливого споживання.
8. Розвиток економічних інструментів в Україні проходить дуже повільно, хоча зайве споживання питної води перевищує національні стандарти (300 літрів на особу на добу) в середньому у 2 - 3 рази, або у 5 - 6 разів - стандарти ЄС.
9. Але надлишкове споживання питної води пов'язане не лише з індивідуальними споживачами, це є також наслідком втрат води у трубопроводах мереж водопостачання.
3.2 Характеристика та якість очищення води
Проблема питної води в Україні – загальнонаціональна. Кількість і якість води з водогону є сутністю даної проблеми. Водогосподарська діяльність на території України ведеться екстенсивним способом з екологічно небезпечним використанням водних об’єктів, що призводить до все більшого їх забруднення. Незадовільний стан водних об’єктів - одна з головних причин низької якості води.
Слід зазначити, що найкращий метод забезпечення безпеки питної води охорона джерел водопостачання. Але їх якість погіршується. В ріки, водоймища, озера та ставки скидають стоки близько 2800 об`єктів, з них без очищення або з очищенням, що не відповідає санітарно-гігієнічним вимогам більш, ніж 40 %. По басейну Дніпра, який є основним джерелом водопостачання для близько 30 млн. чоловік, очищення стічних вод до нормативних концентрацій забезпечується тільки в 1/4 випадків Спостерігається бактеріальне забруднення джерел як централізованого, так і децентралізованого водопостачання. Щорічно чверть досліджених проб з поверхневих водоймищ не відповідає гігієнічним нормам.
За результатами хімічного аналізу питної води, відібраної з крану звичайної оселі у центрі міста Києва з ініціативи посольства Австрії в Україні, вміст такого пестициду, як ліндан (потенційно-небезпечні речовини) в 70 разів перевищує його вміст у воді річки Рейн, стічній канаві Західної Європи 70-тих років.
Внаслідок господарської діяльності триває інтенсивне забруднення підземних вод. Сформувалися великі осередки забруднених підземних вод: в районі Дніпропетровська - Дніпродзержинська - стічними водами металургійної та хімічної промисловості; Кривого Рогу - шахтними водами і стоками металургійних заводів; Житомира-Рівного - стічними водами підприємств хімічної і легкої промисловості.
Окремо потрібно відзначити проблему питної води в сільській місцевості, в агропромислових комплексах. Постійне застосування мінеральних добрив та пестицидів, у багатьох випадках неконтрольоване, призводить до забруднення водних об`єктів їх залишками. Особливо гостро постає проблема виносу пестицидів весною, що пов’язано з паводком та стоком.
Представлені дані Всесвітньої Організації Охорони Здоров’я (ВООЗ) свідчать про те, що більше як 80 % від усіх захворювань людини безпосередньо пов’язано зі вживанням неякісної води, до складу якої входять різноманітні речовини, які можуть викликати токсичні ефекти, в тому числі мутагенні та канцерогенні і понад мільярд чоловік на Землі не отримують достатньої кількості придатної для вживання води. І в зв’язку з цим, стає дуже важливим зробити оцінку нанесення шкоди від вживання такої води організму людини, який на 80 % складається з води.
Гігієнічні вимоги, що визначають придатність води для питних цілей, включають:
- безпеку в епідемічному відношенню;
- нешкідливість хімічного складу;
- сприятливі органолептичні властивості;
- радіаційну безпеку.
На Україні в надзвичайно поганому стані знаходиться водопровідна мережа, а централізованим водопостачанням сьогодні забезпечується понад 80 % населення України.
Кількість аварій на ній на порядок перевищує відповідний рівень у країнах Європи. Стан водопровідних очисних споруд такий, що частина забруднювачів може не усуватися з води, особливо коли їх вміст перевищує ГДК.
Щорічно до 10% досліджуваних проб з водопровідних мереж не відповідає гігієнічним нормативам за органолептичними властивостями, загальною мінералізацією, вмістом хімічних речовин вище ГДК.
Практично кожна восьма проба питної води з сільських водопроводів та кожна третя з джерел децентралізованого водопостачання не відповідає вимогам за бактеріологічними показниками.
Згідно з законом України "Про забезпечення санітарного та епідемічного благополуччя населення" громадяни мають право на безпечну для здоров’я та життя питну воду. Проте, на сьогоднішній день використання води в Україні стає небезпечним для здоров’я її мешканців.
Погіршення якості питної води викликає підвищення рівня захворюваності населення від вживання неякісної води, що веде до зниження працездатності, скорочення тривалості життя, а також призводить до матеріальних та фінансових втрат у державі. Але поліпшення якості питної води неможливе без впровадження системи раціонального водопостачання та обліку води.
Якість підземних вод в природних умовах характеризується достатньою різноманітністю та залежить від багатьох факторів: умов живлення та розвантаження підземних вод, глибини залягання водоносних горизонтів, складу водовміщуючих порід. Перевагою підземних вод для питного водопостачання є більш висока ступінь їх захищеності в порівнянні з поверхневими водами. Але забруднення підземних вод також представляє собою серйозну все зростаючу проблему.
Питна вода, яка не відповідає санітарно-гігієнічним вимогам, несе в собі загрозу масових захворювань населення, підвищеної смертності (особливо дитячої), загострює соціальну ситуацію. Так, фахівці вважають, що саме цей фактор спричинює виникнення й ускладнення понад 70 відсотків хвороб. В тому, що криві захворюваності населення на рак і атеросклероз невпинно повзуть угору, є значна вина забрудненої води. Цілюща рідина, на жаль, є найбільшим джерелом інфекційних хвороб. За останні 5 років в Україні зареєстровано 29 спалахів кишкових захворювань, пов’язаних із вживанням неякісної води, загальна кількість хворих досягла 7,5 тис. У шести регіонах у воді виявлено холерний вібріон, у більшості регіонів зросла захворюваність на дизентерію, вірусний менінгіт. А кількість випадків вірусного гепатиту тільки за останні 9 місяців цього року склала 29234. Дніпро й Десна — «найжовтушніші» річки на європейському континенті.
Питна вода в Україні є значним фактором ризику виникнення дизентерії Флекснера, черевного тифу та інших кишкових інфекцій.
Відомо також, що високий ступінь мінералізації питної води, який спостерігається в південній частині України, дає певний внесок в захворюваність хворобами шлунково-кишкового тракту, в т.ч. гастритами, жовчнокам’яною та сечокам’яною хворобами В зонах України, ендемічних щодо різних мікроелементів (I, Zn, Cu, F тощо), якість води, в якій також спостерігається нестача мікроелементів, впливає на виникнення і перебіг певних хвороб (Карпатський, Дніпровсько-Придніпровський регіони, Полісся).
Близько 60 % досліджених проб питної води з водогону по всіх регіонах України не відповідають вимогам безпеки для здоров’я людей.
3.3 Характеристика технології обладнання для покращення питної води
Система постачання населення питною водою була сформована відповідно Держстандарту 2874-82 “Вода питна” за умови відповідності джерел водопостачання I-му класу (чиста вода). Але поверхневі джерела, що були віднесені до 1-го класу, зараз за декількома стандартними показниками наблизились до III класу (розбавлені стоки). Технологія ж очищення води залишилася практично без змін. Традиційні технології водоочищення, які були розроблені в 50-60 роках, не відповідають сьогоденню, все менш спроможні перешкоджати надходженню до питної води забруднень неорганічного та органічного походження. Ситуація ще більш загострилась після Чорнобильської катастрофи 1986 року, коли відбулося серйозне забруднення води (з подальшим забрудненням мулу) довго живучими радіонуклідами.
Незадовільна якість води в місцях водозабору передбачає заходи хлорування, в ряді випадків гіперхлорування. Молекули хлорорганічних сполук, потрапляючи з водою до людського організму, призводять до токсичних ефектів (біля 2000 мутагенних, канцерогенних тощо). Немає більше сумнівів, що хлорорганічні сполуки провокують ряд неспецифічних захворювань, а саме ослаблення імунної системи та репродуктивної функції у жінок та чоловіків, вроджені дефекти розвитку, онкологічні захворювання та підвищення рівня захворювань ендокринної і нервової систем.
Одним з найбільш сильних аргументів на користь застосування хлору є необхідність дезинфекції питної води для попередження виникнення епідемічних захворювань (через бактеріальне забруднення води в останні роки в деяких регіонах України мали місце спалахи гострих кишкових захворювань). Дезінфектант хлор є одним з найбільш дешевих та ефективних, однак застосування його, враховуючи негативний вплив на людину та навколишнє середовище, не бажане. Хлорована вода - ось основна небезпека для генофонду населення України. У ній - причина багатьох хвороб, а відтак, і вимирання населення. У всьому світі хлоровану воду використовують тільки для технічних потреб. А працівникам деяких посольств, розташованих в Україні, заборонено навіть митися нею, настільки вона шкідлива для здоров’я. Натомість повинні прийти більш прогресивні, без хлорні технології, наприклад, озонові, які використовуються за кордоном.
Серед галузей району, де половина і більше стоків були забрудненими, виділялись вугільна промисловість, житлово-комунальне і побутове господарство. Порівняно з 1995 роком зменшились обсяги скидів забруднених стічних вод на 28 % у Коростишівському районі. Це пояснюється зменшенням виробництва району у промисловому секторі.
Водні об’єкти забруднювались переважно сухими рештками, хлоридами, сульфатами, завислими речовинами, нітратами, кальцієм, натрієм, амонійним нітрогеном, магнієм, фосфатами, нітритами, нафтопродуктами.
Основним напрямком роботи по охороні водних ресурсів є впровадження нових технологічних процесів виробництва, перехід на замкнуті цикли водопостачання, де очищені стічні води не скидаються, а багаторазово використовуються в технологічному процесі.
Захист водних ресурсів від виснаження і забруднення і їх раціонального використання для потреб народного господарства - одна з найбільш важливих проблем, що вимагають невідкладного рішення. У нашій країні широко здійснюються заходи щодо охорони навколишнього середовища, зокрема по очищенню виробничих стічних вод.
Одним з основних напрямі роботи по охороні водних ресурсів є впровадження нових технологічних процесів виробництва, перехід на замкнуті (безстічні) цикли водопостачання, де очищені|обчищені| стічні води не скидаються, а багато разів використовуються в технологічних процесах. Замкнуті цикли промислового водопостачання дадуть можливість повністю ліквідовувати ті, що скидаються стічних вод в поверхневі водоймища, а свіжу воду використовувати для поповнення безповоротних втрат.
Значно зменшити забрудненість води, що скидається підприємством, можна шляхом виділення із стічних вод цінних домішок, складність рішення цих задач на підприємствах хімічної промисловості полягає в різноманітті технологічних процесів і одержуваних продуктів. Слід зазначити також, що основна кількість води в галузі витрачається на охолоджування. Перехід від водяного охолоджування до повітря дозволить скоротити на 70-90 % витрати води в різних галузях промисловості. В зв'язку з цим вкрайважливими є розробка і впровадження новітнього устаткування, що використовує мінімальну кількість води для охолоджування.
Істотний вплив на підвищення водообігу може надати впровадження високоефективних методів очищення стічних вод, зокрема фізико-хімічних, яких одним з найбільш ефективних є застосування реагентів. Використання реагентного методу очищення виробничих стічних вод не залежить від токсичності присутніх домішок, що в порівнянні із способом біохімічного очищення має істотне значення. Ширше впровадження цього методу як в поєднанні з біохімічним очищенням, так і окремо, може певною мірою вирішитирядзавдань, пов'язаних з очищенням виробничих стічних вод.
У найближчій перспективі намічається впровадження іонообмінного та мембранних методів для очищення стічних вод.
На реалізацію комплексу заходів по охороні водних ресурсів від забруднення і виснаження у всіх розвинених країнах виділяються асигнування, що досягають 2-4 % національного доходу орієнтовно. Велика частина витрат - витрати на охорону водоймищ. Витрати, пов'язані з отриманням коагулянтів і флокулянтів|, частково можуть бути пониженіза рахунок ширшого використання для цих цілей відходів виробництва різних галузей промисловості, а також опадів, що утворюються при очищенні стічних вод, особливо надмірного активного мула, який можна використовувати як флокулянт|, точніше біофлокулянту.
Таким чином, охорона і раціональне використання водних ресурсів - це одна з ланок комплексної світової проблеми охорони природи.
Водойми Коростишівського району, що контролювались у 2003 році на гідробіологічні показники, як і у попередньому році, не відповідали фоновому стану. Більше двох третин контрольованих водних об’єктів знаходилися у стані антропогенної екологічної напруги, на решті — спостерігалася екологічна напруга з елементами регресу.
Приорітети
- Поліпшення якості джерел водопостачання.
- Оновлення водопровідно-каналізаційної мережі.
- Вдосконалення контролю якості питної води.
- Профілактика захворюваності на гепатит А і кишкові інфекції.
Гармонізація нормативної і методичної документації згідно світових стандартів.
Можна виділити 2 основних системи водозабезпечення промислових підприємств: прямоточна і послідовна система. При прямоточній системі (рис.3.3) вся збирана з водоймища вода Qдж після участі в технологічному процесі (у вигляді відпрацьованої - Qзб повертається у водоймище, за винятком тогокількості води, яка безповоротно витрачається у виробництві (Qпот ). Кількість стічних вод, що відводяться у водоймище, складає :
Qзбр = Qдж - Qпот .
Qпот
- вода чиста не нагріта
- стічна вода нагріта
Рис. 3.3 Прямоточна система водозабезпечення
Слід зазначити, що стічні води залежно від виду забруднень і інших умов перед скидань у водоймище можуть проходити через очисні споруди. В цьому випадку кількість стічних вод, що скидаються у водоймище, зменшується, оскільки частина води відводиться з шламом (Qшл ). По схемі водозабезпечення з послідовним використанням води (рис.3.4.), яке може бути двох - триразовим, кількість стічних вод, що скидаються, зменшується відповідно до втрат на всіх виробництвах і на очисних спорудах:
Qсбр = Qдж - ( Qпот1 + Qпот2 + Qпот3 )
Q
пот1
Q
пот2
ПП - 1 ПП - 2
![]()
![]()
ОС Qшл
Qдж Q сбр
- стічна вода не нагріта і забруднена
- стічна вода очищена
Рис.3.4 Послідовна система водозабезпечення
Повторне використання стічних вод після відповідного їх очищення набуло в даний час широкого поширення. У ряді галузей промисловості 90-95 % стічних вод використовується в системах оборотного водопостачання і лише 5-10 % - скидаються у водоймище.
Q пот Q пот Q пот
![]()
![]()
![]()
![]()
![]()
![]()
![]()
![]()
![]()
![]()
![]()
![]()
![]()
![]()
![]()
![]()
ОС Q
шл
Qзв
Qзв
Qзв
![]()
![]()
![]()
![]()
![]()
![]()
![]()
![]()
![]()
![]()
![]()
![]()
![]()
![]()
ОП Q
ун
ОС Q
шл
ОП
![]()
![]()
![]()
![]()
Q дж Q сбр Q дж Q сбр Q дж Q сбр
- вода чиста не нагріта
- стічна вода нагріта
- стічна вода не нагріта и забруднена
- стічна вода очищена
- стічна вода забруднена
- зворотня вода
ОП – охолоджувальний пристрій
Qзв - зворотня вода
Qун - вода, що втрачається при випаровуванні і віднесена з охолоджувального пристрою
Рис. 3.5 Зворотнє водопостачання
Якщо в системі оборотного водопостачання промислового підприємства вода є теплоносієм і процесі використання лише нагрівається, то перед повторним застосуванням її заздалегідь охолоджують в ставку, бризкаючому басейні, градирне; якщо вода служить середовищем, що поглинає і транспортує механічні і розчинені домішки і в процесі виробництва забруднюється ними, то перед повторним застосуванням вода проходить очищення на очисних спорудах (рис. 3.5.); при комплексному використанні стічної води перед повторним застосуванням стічні води піддаються очищенню і охолоджуванню (рис.3.6).
При таких системах оборотного водопостачання для компенсації безповоротних втрат води у виробництві, на охолоджувальних установках (випаровування з поверхні, віднесення вітром, розбризкування), на очисних спорудах, а також втрат води, що скидається в каналізацію, здійснюється підживлення з водоймищ і інших джерел водопостачання. Кількість підпиточної води визначається по формулі
Qдж = Qпот + Qун + Qшл + Qсбр
Підживлення систем оборотного водопостачання може здійснюватися постійно і періодично. Загальна кількість води, що додається, складає 5-10% загальної кількості води, циркулюючої в системі.
Хімічні методи очищення стічних вод гальванічних відділень засновані на застосуванні хімічних реакцій, в результаті яких забруднення, що містяться в стічних водах, перетворюються на з'єднання, безпечні для споживача, або легко виділяються у вигляді опадів.
Серед відомих методів хімічної нейтралізації стічних вод, що містять ціаністі з'єднання, технічне застосування знайшли лише небагато.
Найстаріший метод заснований на виділенні іонів CN- у вигляді важко розчинених комплексної солі, що утворюється в основному середовищі у присутності іонів Fe2+ .
Залежно від умов в яких протікають ці реакції, виникає осад берлінської блакиті Fe4 Fe(CN)63 або турнбулевої сині Fe3 Fe(CN)32 . Якісне видалення іонів із стічних вод за допомогою цього методу можливо лише у разі дуже точної витримки всіх встановлених умов реакції і особливо pH, реакційного середовища.
Вживаний метод видалення ціаністих з'єднань із стічних вод базується на їх окисленні хлором (або гіпохлоритом) в основному середовищі. Найчастіше тут застосовують гіпохлорит натрію, хлорне вапно і газоподібний хлор. З'єднання ці в основному середовищі гідролізуються з отриманням іонів ClO- , які з ціанідами реагують відповідно до реакції:
CN- + HOCl = CNCl + OH- ; (a)
CNCl + 2OH- = CNO- + Сl- + H2 O. (б)
Реакція окислення ціанідів до ціанатів протікає в 2 стадії, спочатку утворюється хлорціан, який потім гідролізується до хлорціанатів.
Оскільки хлорціан є сильно отруйливим газом, то в реакційному середовищі необхідно мати такі умови, щоб швидкість реакції (б) була б більше швидкості реакції (а). Такі умови спостерігаються у тому випадку, коли концентрація ціанідів в стічних водах менше 1 г/л, t стічних вод < 50 градусів і pH > 8,5. З досліджень швидкості гідролізу хлорціану виходить, що вона значно залежить від реакції середовища:
рН реакція середовища 8 9 10 11 12
Прод. гідрол.СNCl, ч 20 12 4 1 0,25
Встановлено, що витрата гіпохлориду при окисленні ціанідів до ціанатів також залежить від рН реакційного середовища. При рН рівному 8,5, його витрачається на 35-80% більше, ніж це витікає з розрахунків, а при рН = 11 - на 10% більше. Це пов'язано з витратою гіпохлоріту на подальше окислення частини ціанідів до двоокису вуглецю і азоту:
2CNO- + OCl- + H2 O = 2OH- + Cl- + 2CO2 + N2
На кінетику цієї реакції помітний вплив робить концентрація окислювача (гіпохлоріт) і рН реакційного середовища. При рН>10 швидкість її така мала, що після 24 год тільки незначна частина ціанатів піддається подальшому окисленню. У цих умовах значне прискорення реакції досягається тільки при багатократному підвищенні змісті гіпохлороту, що на практиці неможливо, оскільки висока концентрація активного хлору в стічних водах недопустима і вимагає заходів по його видаленню.
При зниженні рН до 7,5-8,5 при невеликому надлишку гіпохлороту (10%) реакція окислення ціанідів закінчується протягом 10-15 хвилин.
Теоретична витрата окислювача, виражена масою активного хлору, що йде на окислення 1 г іонів CN-, утворюваних при дисоціації простих ціанідів до ціанатів, досягає 2,84 г, а при окисленні до СО2 і N2 - 6,2 р. Оскільки в ціаністих стічних водах містяться також комплексні ціаніди різних металів, то для окислення 1 г СN застосовують наступну кількість хлору:
до ціанатів - 3,3 г Cl; до СО2 і N2 - 8,5 г Cl.
Не дивлячись на те, що ціанати в 1000 разів менш токсичні в порівнянні з ціанідами, все ж таки вони вимагають подальшої нейтралізації, яка може протікати вищенаведеним способом до СО2 і N2 , або шляхом їх гідролізу до солей амонію по реакції
CNO- + 2H2 O +2H+ = NH+ 4 + H2 CO3 .
При рН < 3 реакція гідролізу протікає за 2 хвилини.
Гіпохлоритний метод окислення ціанідів до ціанатів застосовують при очищенні звичайних стічних вод гальванічних відділень, в яких концентрація ціанідів (у перерахунку на іони СN) не перевищує 100-200 мг/л. Стічні води з вищою концентрацією ціанідів (відпрацьовані електроліти) вимагають відповідного розбавлення, або ін. методів очищення із-за небезпеки виділення дуже отруйного ціаніду хлору.
На практиці нейтралізацію ціаністих стічних вод проводять періодичним або безперервним методом. Проте існує тенденція до установки, навіть в невеликих гальванічних відділеннях, автоматичних проточних пристроїв. Незалежно від способу накопичення стічних вод в пристроях повсюдно вживаний спосіб їх очищення заснований на окисленні ціанідів до ціанатів при рН=10-11 і подальшому їх окисленні до СО2 і N2 при рН = 7,5-8,5, або гідролізі до солей амонію при рН < 3.
Процес очищення ціаністих стічних вод не закінчується їх нейтралізацією ціаністих з'єднань, що містяться в них, оскільки в них ще залишаються для видалення з'єднання важких металів (цинку, міді, кадмію і ін.). Коли стічні води окисляють методом повного окислення ціанідів, то в наступній стадії процесу (окислення ціанатів до СО2 і N2 ) створюються сприятливі умови для повного виділення гідроокису металів у вигляді суспензії. При проведенні ж процесу гідролізу ціанатів до солей амонію в кислому середовищі необхідна додаткова нейтралізація кислот, що містяться в стічних водах для створення умов, що сприяють освіті і виділенню суспензії гідроокису металів.
Оскільки в повно профільних відділеннях утворюється також і решта 2 груп стічних вод (хромових і кислих з основними), того індивідуального виділення і видалення суспензії важких металів з ціаністих стічних вод не застосовують (після нейтралізації ціаністих з'єднань). Таку операцію проводять на змішаних стічних водах. Найчастіше застосовують обробку ціаністих стічних вод методом гідролізу, чим їх окислення до СО2 і N2 .Такий метод більш простій і дешевше в експлуатації.
Кінець реакції окислення ціанідів до ціанатів можна встановити визначенням змісту ціанідів аналітичним способом. Практично було встановлено, що витримка протягом 15 хв надлишку активного хлору (5-15 мг/л) в стічних водах при рН рівному 10,5-11 визначає закінчення реакції окислення ціанідів.
Вищеописаний метод (реагентний) в даний час набув найбільшого поширення на підприємстві Коростишівське ВУВКГ знешкодження стічних вод гальванічних цехів. Основна його гідність - украй низька чутливість до початкового вмісту забруднень, а основний недолік - високий залишковий солевміст очищеної води. Останнє викликає необхідність в доочистці.
Серед методів очищення стічних вод, що мають промислове значення, окрім вже згаданих хімічних методів, уваги заслуговують іонні і електрохімічні методи. Кожний з цих методів має свої недоліки і переваги, проте вони є поза сумнівом сучаснішими в порівнянні з класичним хімічним методом. Основна перевага - нейтралізація концентрованих стічних вод, отримання цінних електролітів і чистої води, придатної для повторного використання. За допомогою таких методів можливо створення замкнутої системи циркуляції технологічної води і майже повне усунення необхідного зливу стічних вод в каналізаційну систему.
Існують ще 2 методи очистки - термічне знешкодження і мембранна технологія, які дозволяють одержати високоякісну воду і поза сумнівом набудуть ширшого поширення в майбутньому.
Термічне знешкодження стічних вод включає 2 стадії: попередня концентрація і вогняне знешкодження концентрату (шламу).
Метою 1 стадії є повернення частини води у виробництво. Вживані в основному процеси упарювання і сушки лімітуються необхідністю обліку можливості утворення відкладень на поверхні теплообміну, корозії устаткування і забруднення атмосфери шкідливими газоподібними викидами.
Вогняне знешкодження концентрату здійснюється у високо температурних печах, топках котлоагрегатів. Так, ціановмісні стоки і шлами спалюють в трубчастих печах, що обертаються і циклонних, в киплячому шарі, або в печах із завантаженням каталізатора. При цьому ціаніди повністю окислюються, а пов'язані з ним метали, виділяються у вигляді оксидів або чистих металів. Каталітичне окислення знижує робочу температуру процесу і, отже, витрата палива.
Мембранна ж технологія заснована на застосуванні мембран, які здатні затримувати практично всі багатовалентні катіони, затримуючи 50-70 % домішок. Тому їх застосування для очищення промивних стічних вод і регенерації електролітів представляється найбільш перспективним.
Застосування електрохімічних процесів доцільно для окислення ціанідів, очищення розчинів хром. кислоти, підвищення концентрації і перетворення електролітів, демінералізації розчинів.
В процесі електролізу стічних вод, що містять ціаністі з'єднання, на аноді відбувається окислення іонів CN- , а також комплексних іонів, наприклад, [Cu(CN)3 ]2- , [Zn(CN)4 ]2- і ін. по реакції:
CN- + 2OH- - 2e- = CNO- + H2 O,
[Cu(CN)3 ]2- + 6OH- - 7e- = Cu2+ + 3CNO- + 3H2 O,
[Zn(CN)4 ]2- + 8OH- - 8e- = Zn2+ + 4CNO- + 4H2 O,
а на катоді наступає розрядка і виділення катіонів металу.
Іони ціанату, що утворюються в приведених реакціях, у міру підвищення їх концентрації окислюються на аноді до СО2 і N2 по реакції:
2CNO- + 4OH- - 6e- = 2CO2 + N2 + 2H2 O.
Taк як, реакційне середовище основне, то на аноді протікає наступна реакція:
4ОН- - 4е- = О2 + 2Н2 О.
Якщо в реакційному середовищі знаходяться ще і іони хлориду, які прискорюють і полегшують процес анодного окислення ціанідів, то на аноді і поблизу нього протікають додаткові реакції:
2Cl- - 2e- = 2Cl; 2Cl = Cl2 ;
CN- + 2Cl + 2OH- = CNO- + 2Cl- + H2 O;
2CNO- +6Cl + 4OH- = 2CO2 + N2 + 6Cl- + 2H2 O;
2[Cu(CN)3 ]2- + 14Cl + 12OH- = 2Cu2+ + 6CNO- + 14Cl- + 6H2 O.
Введення хлоридних іонів в реакційне середовище приводить до значного прискорення окислення ціанідів з одночасним підвищенням виходу по струму процесу більш ніж на 100 % (в середньому з 35 до 80%) при одночасному зниженні витрати електроенергії на 30 %.
Це приписують підвищенню провідності електроліту і активній участі в реакції окислення ціанідів атомарного хлору, утворюючого в процесі розкладання хлоридного іона на аноді.
Встановлено також, що кращі результати виходять при електрохімічному окисленні дуже концентрованих розчинів ціанідів, а не їх розбавлених розчинів. Процес електрохімічного окислення ціанідів протікає за наступних умов: рН>11; концентрація хлоридів не повинна перевищувати концентрацію ціанідів більш ніж в 5 разів; приймають на 1г СN - 10г NaCl; аноди повинні бути зроблені з графіту, а катоди з кислототривкої сталі, анодна щільність струму повинна бути 0,001 А/см2 (струм постійний); стічні води повинні перемішуватися стислим повітрям. У цих умовах досягається вихід по струму 80 %, а витрата електроенергії на окислення 1г CN - від 0,007 до 0,01 кВт в час.
Порівняльний аналіз вартості очищення ціаністих стічних вод хімічним і електрохімічним методом віддає перевагу електрохімічному методу, оскільки він простий в застосуванні, а також не вимагає будівництва складних пристроїв, типових для хімічного методу.
Крім того, для електрохімічних способів характерні істотне скорочення витрати хімікатів і менша потреба у виробничих площах. В результаті низького солевмісту очищеного стоку знижуються і подальші витрати на доочистку стоку з метою повторного використання води.
Очищатимемо стічні води іонообмінним методом, оскільки він дозволяє повторно використовувати до 95 % стічних вод, а також виходячи з характеристик наших стічних вод і умов ефективного функціонування вищеописаних методів. Таким чином при виборі зменшення викидів ми паралельно з використанням іонообмінного методу створюватимемо оборотний цикл водопостачання.
Гетерогенний іонний обмін або іонообмінна сорбція - це процес обміну між іонами, що знаходяться в розчині, і іонами, присутніми на поверхні твердої фази - іоніту. Очищення стічних вод методом іонного обміну дозволяє витягувати і утилізувати цінні домішки (для нашого випадку це мідь і цинк), очищати воду до ГДК з подальшим її використанням в технологічних процесах або в системах оборотного водопостачання. Принципова схема установки для очищення стічних вод показана на рис.3.6.

Рис.3.6 Схема іонообмінної установки для очищення стічних вод
1 - стоки з місткості; 2 - піщано-гравієвий фільтр; 3 - очищення активованим вугіллям; 4 – катіонообміник; 5,6 – аніонообміники; 7 - збірка чистої води для промивки колон; 8 - усереднювач
Ціаністі стоки з місткості 1 для усереднювання складу і часткового відділення механічних домішок прямують в усереднювач 8.Из апарату 8 стоки насосом подаються в піщано-гравієвий фільтр 2 для очищення від механічних домішок. Швидкість руху рідини, віднесена до поперечного перетину фільтру, 5-7 м/ч. Слідуюча ступінь - очищення активованим вугіллям в апараті 3 від маслопродуктів, ПАВ, біологічних домішок і т.д. Відфільтрована вода прямує в катіонообміник 4, заповнений смолою КУ-2, КУ-8 або КУ-23 у водневій формі. Лінійна швидкість руху рідини в цьому апараті досягає 10-20 м/ч. Після досягнення на виході концентрації сорбуємих іонів 0,02-0,03 мг.екв/л катіоніт піддається регенерації. Звільнена від катіонів вода поступає в аніонообміники 5 і 6, заповнені смолами АВ-17-8, АН-221 і ін. При змісті сорбуємих аніонів на виході з апарату 0,05-0,1 мг/л аніоніт регенерують.
Стічні води прямують на виробництво (у систему оборотного водопостачання), а промивні - в збірки концентратів для хімічного знешкодження і, в нашому випадки, для витягання міді і цинку.
Головний недолік технології іонного обміну полягає в тому, що для виділення з води елементів або солей необхідні регенеруючи кислоти або луги, які згодом у вигляді солей поступають в навколишнє середовище, викликаючи вторинне забруднення останньої.
Розділ 4 Еколого-економічна ефективність природних ресурсів
4.1 Суть, роль і значення еколого-економічної оцінки природних ресурсів
У відносності до Закону України «Про охорону природного навколишнього середовища» економічний механізм природокористування передбачає:
- взаємозв’язок господарської діяльності підприємств з раціональним використанням природних ресурсів та ефективності заходів охорони навколишнього природного середовища на основі економічних важелів;
- визначення джерел фінансування заходів щодо охорони навколишнього природного середовища
- встановлення лімітів використання природних ресурсів, скидів забруднюючих речовин у навколишнє природне середовище та розміщення відходів;
- встановлення нормативів і розмірів платежів за використовування природних ресурсів, викиди і скиди забруднення навколишнього середовища та інший шкідливий вплив;
- надання суб’єктам господарської діяльності пільг при впроваджені ними маловідходних енерго- і ресурсозберігаючих технологій нетрадиційних видів енергії здійснення інших ефективних заходів щодо охорони навколишнього природного середовища;
- відшкодування в установленому порядку збитків завданих порушенням законодавства про охорону навколишнього природного середовища.
Одним з принципів охорони довкілля визнано безоплатність загального та платність спеціального збору за забруднення навколишнього природного середовища та погіршення якості природних ресурсів, компенсації шкоди, заподіяної порушенням законодавство про охорону навколишнього природного середовища.
Економічний розвиток будь-якої країни світу і зростання народонаселення викликають різке загострення взаємовідносин поміж природою та суспільством, однією з найбільших проблем серед яких є протиріччя між обмеженим ресурсним потенціалом планети та необмежене зростаючими потребами людства. Стратегія "не чекати милості від природи", брати від природи, не турбуючись про її охорону, призводить до різкого погіршення стану навколишнього середовища й до швидкого виснаження природних ресурсів, і як наслідок - до виникнення надзвичайно серйозних екологічних проблем глобального значення, серед яких однією з найбільших є зростання дефіциту водних ресурсів та погіршення їх якості. Раціональне використання та охорона навколишнього природного середовища стають дедалі актуальнішими, поступово займаючи перший ряд серед глобальних проблем сучасності, оскільки без урахування екологічних чинників подальший розвиток суспільства стає просто неможливим. Академік В.І.Вернадський [1] висловив основоположну думку про те, що сучасне людство стало рушійною силою еволюції і що лише шляхом трансформації біосфери в сферу розуму - "ноосферу" можливе розв'язання протиріч між цивілізацією і біосферою. А протиріччя ці очевидні і грандіозні: як показують розрахунки академіка В.А.Ковди, людство в 2 тисячі разів активніше впливає на біосферу, ніж решта живого світу. Англійський фізик-теоретик Стівен Хокінг глибоко проаналізував теоретичні і соціальні проблеми сучасності і наголосив, що подальша доля нашої цивілізації залежатиме від поступу науки і збереження довкілля - без радикального розв'язання глобальних соціально-екологічних проблем існування людства стане неможливим.
Економічний механізм природокористування складається з систем економічних платежів та внесків за використання природних ресурсів, а також витрат на охорону навколишнього середовища.
Відповідно до ст. 14 Закону України „Про систему оподаткування” до податків і зборів екологічного призначення можна внести і збір за спеціальне використання природних ресурсів (що включає в себе і збір за користування надрами для видобування корисних копалин); збір за забруднення навколишнього природного середовища; збір за геологорозвідувальні роботи, виконані за рахунок державного бюджету; плату (податок) за землю.
Всі економічні платежі мають подвійне навантаження: по-перше, кошти від їх справляння повинні спрямовуватись на фінансування комплексу заходів щодо збереження і відтворення довкілля; по-друге, внаслідок їх обчислення здійснюється контроль за обсягами використання природних ресурсів, викидів та скидів забруднюючих речовин тощо. Особливості цих платежів полягають, насамперед, в тому, що нормативно-правові акти, які регламентують їх справляння, постійно балансують між сферами екологічно та податкового права. Це пов’язано з тим, що справляння зазначених платежів відбувається відповідно до вимог податкового законодавства, а нормативи платежів розраховують відповідно до нормативних актів у сфері екологічного права. У податковій відносності можна одержати статистичну інформацію про види платежів, об’єктами обчислення зборів та формування природоохоронних фондів у бюджетах усіх рівнів (табл. 4.1).
Таблиця 4.1 Розподіл платежів за використання природних ресурсів
| Вид платежів | Розподіл платежів, % | ||
| Держ. бюджет | Облас. бюджет | Місцев. бюджет | |
| 1. Збори за забруднення навколишнього природного середовища | 30 | 50 | 20 |
2 Платежі за користування надрами: - видобування корисних копалин: - загальнодержавного значення - місцевого значення та за користування надрами в цілях, не пов’язаних з видобуванням корисних копалин пошук та розвідка родовищ корисних копалин |
40 - 80 - |
60 100 20 - |
- - - - |
| 3. Збір за геологорозвідувальні роботи, виконані за рахунок державного бюджету | 100 | - | - |
Таблиця 4.2 Галузевий перелік водозахисних об'єктів
| Напрям водозахисноїдіяльності | Об'єкти | Спорудиі устаткування |
| Очисні споруди Мережіканалізації | Станції механічного, фізико-хімічного і біологічного| очищення виробничих і господарчо-побутових стічних вод. Окремі спорудипервинного очищення стічних вод. Дослідні установки і цехи|, призначені для розробки методів очищення стічних вод. Установки і споруди для збору, транспортування, переробки і ліквідації рідких виробничих відходів. Полігони і установки для знешкодження промислових відходів тих, що забруднюють водоймища і підземні води | Ставки-відстійники, ставки кислих вод, акумуляторні, буферні, окислювальні та інші ставки; реагентне господарство очисних споруд екстракційні, хлорні іонообмінні, флотації, електрокоагуляції, електролізні установки; установки вакуумної відгонки| ціанідів, шламовідстійніків, шламо- і дощонакопичувачі, хвостохранилища|. |
| Оборотне водопостачання | Системи повернення для потреб технічного водозабезпечення скидних стічних вод після|потім| їх відповідного очищення і обробки | Водоводи, водорозподільні мережі|сіті|, насосні станції, відстійники, хвосто-| і шламозберігачі|, біологічні ставки, станції кондиціонування оборотної води, очисні споруди|спорудження| продувальних вод. |
| Повторно послідов водопостачання | Системи повторно-послідовного водопостачання постачання, зокрема води, що поступає від інших підприємств. | Водоводи і водорозподільні мережі, охолоджувальні споруди, насосні станції, очисні споруди. |
4.2 Методика розрахунку і системи показників сплати скидів шкідливих речовин у водне середовище
1.1 Справжній порядок передбачає плату по нормативах з об'єднань, підприємств і організацій за скиданн у водні об'єкти забруднюючих речовин;
1.2.Встановлюються два види нормативів платні за скидання забруднюючих речовин в природне середовище:
- за допустимі (в межах встановлених лімітів) скидання|скиди| забруднюючих речовин;
- за перевищення допустимих скидань забруднюючих речовин.
1.3 Нормативи платні за скидання забруднюючих речовин в природне середовище в установленому порядку доводяться починаючи з1991 року до підприємств у складі довготривалих економічних нормативів.
1.4 Нормативи платні за допустимі скиданнязабруднюючих речовин в природне середовище визначаються на основі витрат, необхідних місцевою радою|порадою| депутатів на виконання в плановому періоді заходів щодо зниження забруднення природного середовища з урахуванням відрахувань до міського і державного фондів охорони природи, віднесених до загальної маси скиданьшкідливих речовин в природне середовище, встановлених в плані.
1.5 Нормативи платні за перевищення, допустимих скидань забруднюючих речовин визначаються в кратному розмірі по відношенню до нормативу платні за допустимі скиданнязабруднюючих речовин, а величина цих нормативів повинна забезпечувати перевищення витрат, які необхідно було здійснити для зниження скидань забруднюючих речовин до встановлених лімітів.
1.6 Розміри платні підприємств за допустимі скиданнязабруднюючих речовин в природне середовище визначаються як твірвідповідних нормативів платні за одиницю маси скидань на величину допустимого скидання забруднюючих речовин підприємствами в природне середовище, встановлення в плані економічного і соціального розвитку даної території, за вирахуванням капітальних вкладень, власних природоохоронних заходів, що направляються підприємствами на здійснення, в плановому періоді.
1.7. Платня підприємств за допустимі (в межах встановлених лімітів) скидання забруднюючих речовин проводиться за рахунок прибутку підприємства.
Платняпідприємств за перевищення допустимих (щодовстановленні лімітів) скидань забруднюючих речовин проводиться за рахунок госпрозрахункового доходу колективу.
1.8. Розміри платні підприємств за перевищення допустимих скидань забруднюючих речовин в природне середовище визначаються як твірвідповідних нормативів платні за одиницю маси скиданьна величину перевищення фактичної маси скидані над встановленимлімітом скидані і на коефіцієнт кратності вказаного перевищення.
1.9. Засоби, що відраховуються у формі платежів за скидання забруднюючих речовин в природне середовище, перераховуються підприємствами у відповідні установа банку на спеціальний рахунок для формування місцевих фондівохорони природи, використовуваних на проведення природоохоронних заходів.
2. Рекомендації за визначенням платежів за скиданням шкідливих речовин у водні джерела.
2.1. Справжні рекомендації призначені для визначення нормативів платнідержавних і приватних підприємств (об'єднань) і організацій за скидання забруднюючих речовин в природне середовище.
2.2. Нормативи платні за скидання забруднюючих речовин і розміщення твердих відходів служать початковою базою для визначення розмірів платні за забруднення природного середовищадля підприємств.
2.3. Розмір планової платні підприємства за допустиме скидання|скид| забруднюючих (Ппл) речовин визначається по формулі:
(4.1.)
де
Р - норматив платні за допустимі скидання забруднюючих речовин, грн. усл. т;
МА - приведена маса скиданні в межах ліміту, встановленого в річному плані економічного і соціального розвитку регіону підприємству, т/рік ;
Sпл - капітальні вкладення підприємства, направлення на досягнення ліміту в плановому році, грн.
(4.2.)
де
m - маса забруднюючої речовини, т/рік ;
К- коефіцієнт приведення, визначуваний залежно від місцевих умов.
К- є показником відносної небезпеки (А) виду забруднюючої речовини (усл.т/рік).
Значення в чисельнику слід застосовувати для джерел викидів, розташована на північ від 45° північної широти, в знаменнику - на південь від 45° північної широти.
2.4 Розмір фактичної платні підприємства за скидання|скид| забруднюючих речовин в межах ліміту визначається по формулі:
(4.3.)
де
Мф - приведена маса фактичного скидання забруднюючих речовин в межах ліміту.
2.4. Розмір платні підприємства за перевищення допустимого скидання забруднюючих речовин визначається по формулі:
(4.4.)
де
α - коефіцієнт кратності нормативу платні|плати| за перевищення допустимого викиду (скиданні) забруднюючих речовин.
Значення коефіцієнта α встановлюється в розмірі не менше відносини фактичного скидання до встановленого ліміту, але в цілому так, щоб, величина нормативів платні забезпечувала перевищення вказаної платнів порівнянні із збільшенням госпрозрахункового доходу при невиконанні природоохоронних заходів, необхідних для зниження скидань забруднюючих речовин до встановленихлімітів.
ΔМ = МФ -МА | (4.5.)
де ΔΜ| - перевищення фактичного викиду забруднюючих речовин підприємства над встановленим лімітом (усл.т/рік).
Фактичний об'єм платнібуде рівний сумі платні за скиданняв межах ліміту і за перевищення ліміту.
Приведена маса виробничих викидів в стічні води розраховується з використанням формули:
(4.6)
де М – приведена маса скиду домішок даним джерелом в певну водогосподарську ділянку на протязі року (ум. т/рік), таблиця 4.3.;
i – номер домішки, що викидається;
n – загальне число домішок;
mi – маса певного виду домішок, яка скидається у воду, т/рік;
Ai – показник відносної небезпеки скиду і-тої речовини у водойму.
Таблиця 4.3 Оцінка ефективності варіантів очищення
| Показники очистки | Без очистки | Варіанти очистки | Показник умовної небезпеки(ум кг/т) | |
| Після пісковловлювачі | Після очисних | |||
| Речовина, що викидається, кг/т | ||||
| Зважені речовини | 38 | 8 | 11 | 1,33 |
| Ксантогенат бутиловий |
1 | - | - | 1000,00 |
| Нітрат амонію | 15 | 3 | 2 | 2,00 |
| Фтор | 20 | 4 | 2 | 20,00 |
| Нітрати по азоту | 7600 | 900 | 600 | 0,11 |
| Сульфати | 6000 | 800 | 700 | 0,01 |
| Хлориди | 400 | 200 | 100 | 0,03 |
| Ціаніди | 20 | - | - | 20,0 |
| Річний об’єм стічних вод, які очищаються, тис. м | - | 2300 | 2300 | - |
| Капітальні вкладення в споруди, тис. грн. | - | 21000 | 23000 | - |
| Поточні витрати при очищенні води, | - | 1100 | 1070 | - |
| Норматив питомого екологічного збитку, грн./ум.т | - | 2300 | 2300 | - |
| Період роботи споруди, роки | - | 10 | 10 | - |
| Значення константи (R) для Полісся | - | 1,75 | 1,75 | - |
| Облікова ставка банку, % | - | 20 | 20 | - |
Проведемо розрахунки:
М0 = 38×1,33 + 1×1000,00 +15×2,00 + 20×20,00 + 7600×0,11 + 6000×0,01 + 400×0,03 + 20×20,0 = 2788,54 (ум. т/рік)
М1 = 8×1,33 + 3×2,00 + 4×20,00 + 900×0,11 + 800×0,01 + 200×0,03 = 209,64 (ум. т/рік)
М2 = 11×1,33 + 2×2,00 + 2×20,00 + 600×0,11 + 700×0,01 + 100×0,03 = 134,63 (ум. т/рік)
2. Коефіцієнт очищення стічних вод визначають згідно формули:
(4.7.)
де
М – приведена маса виробничих скидів до очищення води, ум. т/рік;
М’ – приведена маса скидів після очищення води за варіантами, ум. т/рік.
Звідси:

3. Показник економічності очищення стічних вод розраховується за наступною формулою:
(4.8.)
де О – річний об’єм стічних вод для очищення, тис. м3 ;
П – питомі витрати при очищенні води, грн./тис. м3 .

4. Оцінка еколого-економічного збитку за варіантами очищення (Е) забруднюючих речовин за період експлуатації очисної споруди проводиться з використанням формули, умовні. Т грн:
(4.9.)
де Н – норматив питомого екологічного збитку, грн./ ум.т;
Р – значення константи для різних водогосподарських дільниць, табл.4.3.;
R – відсоткова ставка банку за кредит, %;
t – індекс кожного року експлуатації об’єкта;
T – період експлуатації споруди для очищення виробничих стічних вод, років.

5. Ефективність способу очистки (e), в грн./грн., розраховується за формулою:
(4.10.)
де: К – розмір капітальних вкладень, млн. грн.
![]()
Результати розрахунків свідчать, що очищення стічних вод пісковловлювачем підприємства більш доцільний ніж другий, оскільки: нижче значення екологічного збитку (489,7 проти 473,8 млн. грн.) і вища віддача на гривню затрат при очищенні (16,3 проти 14,2 грн./грн.) характерні саме для першого варіанта. Ефективність роботи споруди з очищення промислових стічних вод може досліджуватися і шляхом побудови графіків залежності ефективності очищення води від довільної зміни значень основних показників варіантів, що порівнюються. Більш доцільний перший варіант очищення води, оскільки з кожним наступним роком бажано збільшувати значення нормативу питомого екологічного збитку через інфляційні процеси та погіршення стану довкілля в Україні.
Сучасний світ не мислимо без заводів і фабрик, що проводить продукцію, необхідну для життя сучасної людини. Але при цьому стало майже правилом наплювацьке відношення до навколишнього середовища з боку працівників цих підприємств, які намагаються обійти природоохоронні норми під виглядом того, що проводять продукцію першої необхідності. Але не можна забувати, що найпершою необхідністю для людини повинне бути середовище, в якому він живе. Але в сучасному ринковому світі боротися за навколишнє середовище краще всього економічними методами, за допомогою економічних важелів. Зараз в нашій країні пропонуються спроби створити дієві механізми раціонального природокористування, певні успіхи вже досягнуті, але цю роботу потрібно продовжувати.
Найслабкішою ланкою діючого механізму управління природокористуванням є недостатня економічна зацікавленість підприємств в ефективному використання природних ресурсів і охороні навколишнього середовища. Практика функціонування підприємств показує, що в даний час економічний збиток від нераціонального використання природних ресурсів безпосередньо на кінцевих показниках їх господарської діяльності позначається трохи. Це ж можна сказати і про заохочення трудових колективів тих підприємств, які мають досягнення в раціональному використанні природних ресурсів і дотриманні екологічних нормативів.
4.3 заходи з стимулювання природоохоронної і енергозберігаючої діяльності
У системі заходів по стимулюванню природоохоронної і енергозберігаючої діяльності важливе значення мають розробка і цілеспрямоване використання економічного механізму дії на виробництво, який повинен створити умови для підвищення безпосередньої матеріальної зацікавленості трудових колективів підприємств в забезпеченні раціонального використання, охорони і відтворювання природних ресурсів. В основі цього механізму повинні встановлені економічні методи управління, суть яких укладена в управлінні інтересами і через інтереси. При використанні економічних методів управління здійснюється дія на колективи працюючих, на окремих працівників, а через них на хід виробництва за допомогою такої зміни навколишньої їх економічної ситуації, яка дозволяє за допомогою матеріальної зацікавленості зосередити зусилля працівників на досягненні поставлених цілей по полегшенню раціонального природокористування. Економічні методи, включають планування, господарський розрахунок і економічне стимулювання. Ці методи впливають на хід виробництва через використання економічних важелів, як ціноутворення, фінансування, кредитування, матеріальні санкції і заохочення, довготривалі економічні нормативи і т.п.
ПЛАНУВАННЯ ПРИРОДОКОРИСТУВАННЯ. Одним з елементів економічного механізму раціонального господарювання в області природокористування і охороні навколишнього середовища є планування природокористування. Основна мета планування полягає в забезпеченні економного і комплексного використання, а також, можливо, в підвищенні ресурсного потенціалу країни.
У умовах ринкових відносин мети планування зберігаються. Новий підхід до самостійності підприємств, перехідних від адміністративних методів управління до економічних перспектив корінної зміни, ролі, функцій і методів планування. В даний час відбувається процес становлення і пошуку найефективніших форм і методів планування раціонального природокористування.
З переходом на економічні методи управління якісно міняються задачі і функції планування природокористування. Підприємство відшкодовує збиток, заподіяний забрудненням навколишнього середовища і нераціональним використовуванням природних ресурсів, і несе матеріальну відповідальність за дотримання законодавства про охорону природи.
Основними економічними стимулами дії на природоохоронну і ресурсозберігаючої діяльність підприємства через встановлення планових цілей по охороні природи і раціональному використанню природних ресурсів є заохочувальні виплати (санкції) за виконання (або не виконання) планових цілей, а також виділення ресурсів залежно від рівня їх виконання і преміювання за збереження питомої витрати ресурсів. Використання ціноутворення як економічного важеля в системі госпрозрахункового управління виробництвом засновано на стимулюючій функції ціни. При підвищенні цін на продукцію зростає прибуток підприємства, завдяки чому воно матеріальне зацікавлено в збільшенні об'єму виробництва. Але якщо зростання прибутку надмірне, то це може ослабити зацікавленість трудового колективу в економії виробничих витрат. Збільшення витрат виробництва разом із зменшенням прибутку ослабляє роль ціни, стимулююча функція якої пропорційна розміру забезпечуваного нею прибутку. Тому в даний час здійснюється робота з приведення у відповідність з рівнем суспільно необхідних витрат до віддзеркалення в них якнайповнішої оцінки живої праці і природних ресурсів, а також витрат по охороні навколишнього середовища, соціальному страхуванню, професійній підготовці кадрів. В цінах повною мірою повинна відображатися народногосподарська ефективність використання сучасних досягнень науки і техніки, заходів щодо заощадження природних ресурсів і утилізації вторинних видів сировини, палива і енергії. Крім того, при встановленні цін на паливно-сировинні ресурси необхідно враховувати активізацію діяльності підприємств по ресурсозберіганню. Встановлення цін на цих принципах дозволить підприємствам в умовах самофінансування забезпечити здійснення природоохоронних заходів, в основному за рахунок власних засобів, стимулюватиме їх до комплексного використання природних ресурсів, зниженню можливої дії на навколишнє середовище і т.п. У міру формування ринку роль ціни переглядатиметься. Використання фінансування і кредитування як дієвих важелів економічного управління витікає з їх єства як сукупності розподільних відносин, здійснюваних в грошовій формі і забезпечуючих реалізацію економічних інтересів всіх учасників господарського виробництва.
ПЛАТЕЖІ ЗА ПРИРОДОКОРИСТУВАННЯ. Вперше в практику господарювання передбачається ввести систему платежів за природокористування. В систему платежів за природокористування ввійдуть: платежі за право користування природними ресурсами; платежі за відтворювання і охорону природних ресурсів, здійснювані державою або госпрозрахунковими спеціалізованими підприємствами і організаціями; компенсаційні платежі за вибуття природних ресурсів з цільового використання або погіршення їх якості, викликане діяльністю цих підприємств; платежі за викиди (скидання, розміщення) забруднюючих речовин в природне середовище; додатковий податок з прибутку підприємств, що випускають екологічно небезпечну продукцію, що застосовують екологічно небезпечні технології; штрафи і інші економічні санкції за порушення норм раціонального природокористування; пільги по оподаткуванню прибутку.
З кожним роком ростуть витрати на відтворювання природних ресурсів і на природоохоронні заходи. В даний час джерела і методи фінансування цих заходів ще не зв'язані в єдину систему, що вимагає свого рішення. Пропонується створити екологічні фонди, як підприємств, так і територій. Джерелами утворення екологічних фондів підприємств можуть бути: амортизаційні відрахування по природоохоронних спорудах і об'єктах, доходи (депозитний відсоток) від зберігання в банку засобів екологічного фонду; частина прибутку підприємства, що використовується для фінансування природоохоронної діяльності; кредити, субсидії територіальних екологічних фондів і банків на зниження шкідливих дій викидів підприємства на навколишнє середовище; інші джерела. Засоби екологічного фонду підприємства повинні витрачатися під контролем органів охорони природи. Ресурси природоохоронного фонду можуть бути використані за узгодженням з природоохоронними органами на вдосконалення основного виробництва, що забезпечує зниження шкідливої дії підприємства на навколишнє середовище. Джерелами засобів територіальних екологічних фондів повинні стати платежі підприємства за викиди забруднюючих речовин в природне середовище, від випуску природоохоронних позик, субсидії з бюджету, цільові місцеві податки, добровільні внески, відсотки за природоохоронні кредити. Вплив кредиту на ефективність функціонування господарського механізму, у тому числі і економічного тиску природокористуванням досягається, з одного боку за рахунок вживання його для перерозподілу грошових ресурсів між різними ланками народного господарства, а з іншою -- за рахунок стимулювання на його основі раціонального використання цих ресурсів. Стосовно забезпечення охорони природи і раціонального використання природних ресурсів кредит може служити додатковим джерелом фінансування ресурсозберігаючих заходів. Стимулююча дія кредиту полягає в тому, що він надається залежно від результатів роботи підприємств. При цьому враховується ступінь виконання останніми виробничих планів і, нарешті, накопичень, стан економіки і фінансів, своєчасне і повне виконання зобов'язань в частині погашення кредитів. Особливу роль в процесі використання економічних фондів при управлінні раціональним природокористуванням виконує матеріальне стимулювання.
Вживані довгий час командно-адміністративні методи управління народним господарством орієнтували підприємства на експлуатаційне зростання промислового виробництва, видобутку корисних копалин, використання сільськогосподарських площ, і т.п. Економічні важелі оптимізації природокористування були малоефективні, система санкцій за забруднення навколишнього середовища не стимулювала охорону природи. Іншими словами, в сферу природокористування в належній мірі не були включені економічні важелі і відповідальність трудових колективів і окремих працівників за результат, своєї праці.
Переклад підприємств на роботу в умовах оподаткування прибутку змінює зміст економічного механізму раціонального природокористування. Балансовий прибуток підприємства, а, отже, і прибуток, що залишається в його розпорядженні, прямо залежать від рівня використання їм резервів збільшення випуску додаткової продукції, у тому числі і за рахунок комплексного використання природних ресурсів, зниження втрат при їх обробці. Крім того, прибуток залежить від шкідливої дії в результаті господарської діяльності на навколишнє середовище. В цих умовах для підприємств важливі всі джерела збільшення прибутку, у тому числі і від пільг в оподаткуванні і заохочувальних виплат, стимулюючих природоохоронну діяльність. Так, заохочувальні виплати встановлюються: за зниження викидів (скидань) шкідливих речовин в навколишнє середовище в порівнянні зі встановленими нормативами -- у розмірі нормативної оцінки збитку, якому запобіжить. Ці заохочувальні виплати пропонуються проводити із засобів (природоохоронних фондів) федеральних і місцевих бюджетів; за наднормативне зниження забору води з водних джерел - у розмірі 75% діючого тарифу; за підвищення кадастрової (бальної) оцінки сільськогосподарських земель і лісів в результаті проведення відповідних природоохоронних (протівоерозійних, лісоохоронних, відновних) заходів - із засобів, накопичуваних в порядку відшкодування втрат сільського господарства від вилучення земель з сільськогосподарського обороту і до фонду (по пінній) платні за лісокористування. Передбачені і інші заохочувальні виплати. Важливе значення при роботі підприємств в умовах оподаткування прибутку має система податкових пільг від екологічності господарської діяльності, яка значно стимулює природоохоронну діяльність підприємств.
Всі види платежів за природні ресурси встановлюються у вигляді твердих ставок (нормативів) з розрахунку на одиницю споживаного (вживаного) ресурсу запасів корисних копалин, 1 м2 води і ін. Платежі датуються з урахуванням якісних характеристик ресурсів і природних умов експлуатації. За порушення діючих норм і лімітів використання природних ресурсів (наприклад, наднормативна витрата запасів корисної копалини) застосовуються підвищені платежі, виплачувані з госпрозрахункового доходу підприємств-порушників.
Зменшення прибутку оподаткування при здійсненні природоохоронних заходів при здійсненні їх за рахунок прибутку, що залишається у розпорядженні підприємств: податкові пільги для підприємств, що випускають природоохоронне устаткування, матеріали і реагенти, а також прилади і устаткування для моніторингу навколишнього середовища. Разом із заходами заохочувальної дії, повинні застосовуватися заходи економічної відповідальності за порушення правил раціонального природокористування.
Економічні санкції за порушення природоохоронного законодавства виплачують за рахунок прибутку, що залишається у розпорядженні підприємств. При цьому за перевищення допустимих об'ємів викидів (скидань, розміщення) забруднюючих речовин платежі стягуються в кратному розмірі, виходячи з витрат на запобігання забрудненню.
Аналіз практики вживання діючого економічного механізму управління природокористуванням показує, що потрібне його вдосконалення на основі розробки економічних і організаційних заходів, які дозволять досягти реальних результатів в рішенні проблеми раціонального природокористування. На це направлені зусилля багатьох економістів.
ЕКОНОМІЧНІ СТИМУЛИ КОМПЛЕКСНОГО ВИКОРИСТАННЯ ПРИРОДНИХ РЕСУРСІВ.
Ефективність економічного механізму комплексного використання природних ресурсів в багатьох галузях зараз знижується через відсутність стрункої системи стимулювання підвищення комплексності освоєння ресурсів.
У гірничорудній промисловості до складу статі при регулюванні собівартості продукції виходячи з доходів від збагачення включаються наступні статті: при виробництві щебеня. що виробляється з скельних порід -сировина (вартість витраченої на виготовлення щебеня, виходячи з середньорічної планової собівартості 1 м2 ), собівартість переділу переробки щебеня, загальнокомбінатські і позавиробничі витрати; при реалізації відходів збагачення, піску - витрати по підготовці до реалізації; позавиробничі витрати.
Додатковий прибуток від зниження проти встановлених норм втрат корисної копалини при переробці і збагаченні визначається на основі оцінки заощадженого об'єму сирої руди за плановою собівартістю здобичі.
У розвиток цього підходу в розроблена методика стимулювання комплексного і раціонального використання корисної копалини, що дозволяє більшою мірою економічно зацікавлювати трудові колективи підприємств в ефективному використанні сировини. При визначенні ступеня виконання реалізації товарної продукції з урахуванням зобов'язань по ставках пропонується попутну продукцію враховувати по номенклатурі і в об'ємах, розподілюваних в централізованому порядку.
ЕКОНОМІЧНІ СТИМУЛЮВАННЯ ЕКОНОМІЇ СИРОВИННИХ І МАТЕРІАЛЬНИХ РЕСУРСІВ [16].
Витрати на заходи щодо економії матеріальних ресурсів на виробництві в цілому зводяться до обмеження здобичі палива, сировини і інших матеріальних ресурсів. Причому ефективність таких витрат зростає. До основних напрямів організації роботи по ресурсозберіганню в промисловості відносяться економічне стимулювання раціонального використовування матеріальних ресурсів, розробка прогресивної нормативної бази, створення системи управління матеріальними ресурсами розробка і упровадження науково-технічних заходів регулювання.
У сучасних умовах істотно зростає роль економічного стимулювання в забезпеченні процесу ресурсозберігання. Розширення господарської самостійності основної ланки промисловості - підприємства - відкриває принципово нові можливості для підвищення дієвості економічного стимулювання на зниження матеріальних витрат. В даний час конкретні види матеріальних ресурсів, на економію яких можуть виплачуватися премії, визначаються безпосередньо на підприємствах і об'єднаннях.
У цілях підвищення зацікавленості робочих, керівних працівників, фахівців і підприємств і організацій, що служать, в ефективному використанні ресурсів в промисловості застосовується система матеріального заохочення за економічно раціональне використання сировинних, паливно-енергетичних і інших матеріальних ресурсів. Робітництво, майстри, технологи, конструктори і інші фахівці преміюються за економію конкретних видів матеріальних ресурсів проти встановлених технічно обґрунтованих норм витрати. Дозволяється виплачувати премії в розмірі до суми економії матеріальних ресурсів залежно від вигляду і вартості. Премії робітництву за економію матеріальних ресурсів виплачуються понад граничні премії. При цьому зберігається діючий порядок преміювання за економію палива, енергії і інших ресурсів у випадках, коли встановлені вищі розміри заохочення.
Економія матеріальних ресурсів конкретних видів визначається за підсумками роботи за квартал в порівнянні з теоретично обґрунтованими нормами витрати, затвердженими в установленому порядку. Сума економії, одержана в на наголошеному періоді, зменшується на суму допущеної перевитрати в попередньому періоді календарного року по тому ж виду матеріальних ресурсів, але не більше ніж на 50 %.
Найважливіша умова дієвості системи економічного стимулювання -- достовірна оцінка трудового внеску кожного працівника в забезпечення економії матеріальних ресурсів. При організації преміювання необхідно точно виділити круг осіб, від яких залежить зниження витрат матеріалів, палива і енергії.
Сума премії за економію матеріальних ресурсів по ділянці, агрегату розподіляється керівником структурного підрозділу за узгодженням з профспілковою організацією між робітництвом і фахівцями з урахуванням їх особистого внеску в здійснення заходів щодо економії.
Існує спеціальна шкала розмірів частки економії або перевитрати) матеріальних витрат, на яку збільшуються (або зменшуються) фонди заохочення. Шкала дозволяє нівелювати різну вартість матеріальних ресурсів на неоднакову суму економії, що доводиться на 10 грн. заробітної платні. При такому преміюванні великі вимоги пред'являються до наукової обґрунтованості витрати матеріальних ресурсів, забезпеченню їх систематичного оновлення, а також стає неприпустимим вживання технічно необґрунтованих норм.
У цілях посилення економічних стимулів для підприємств і підвищення матеріальної зацікавленості їх колективів в повнішому використовуванні виробничих відходів, вторинних ресурсів встановлено, що прибуток практично одержаний від реалізовуваних товарів і виробів виробничо-технічного призначення, виготовлених з відходів виробництва, залишається у розпорядженні підприємств незалежно від їх форми власності. Розмір відрахувань залежить від рівня рентабельності (до витрат виробництва при рентабельності до 25 % - повністю, а в частині, що перевищує 25 %,- у розмірі прибутку при умові, якщо вартість відходів, витрачених на виробництво вказаних товарів і виробів, складає 50 % від вартості всієї сировини і матеріалів, не рахуючи допоміжних матеріалів).
Окрім фонду зацікавленості існують і інші спеціальні фонди преміювання, наприклад, за збір, зберігання, і відвантаження лому, відходів чорних і кольорових металів.
Результативність матеріального стимулювання залежить від достовірності первинної інформації. Один з прогресивних напрямів рішення цієї задачі - упровадження на підприємствах нормативного методу обліку витрат на виробництво.
Виплату премій можна проводити тільки у разі зменшення фондів, що виділяються підприємству, на матеріальні ресурси. Дана вимога справедлива за інших рівних умов. Так, деяке збільшення фондів допустиме при випереджаючому зростанні об'єму виробництва, зміні асортименту і ін. Подібний підхід спонукає підприємства до розробки цільових програм ресурсозберігання, орієнтує на поліпшення кінцевих результатів матеріалопотреби.
Разом з розробкою і впровадженням системи матеріального стимулювання економії сировини, палива, матеріалів і енергії передбачені санкції за нераціональне їх використання. Так введена майнова відповідальність підприємств за перевитрату сировинних, паливно-енергетичних і інших матеріальних ресурсів і за використання їх не за призначенням.
Під перевитратою матеріально-технічних ресурсів розуміється споживання їх у виробничих цілях і розмірах, що перевищують потребу по нормах, встановлених галузевими міністерствами або відомствами, а також самими підприємствами. До перевитрати не відноситься підвищена витрата матеріальних ресурсів, викликана проведенням заходів щодо підвищення технічних характеристик продукції, що випускається.
На підприємства, що допустили перевитрату матеріалів (природних ресурсів), покладається обов'язок перерахувати до бюджету двократну вартість витрачених ресурсів в місячний термін після закінчення кварталу, в якому допущена перевитрата. З моменту здійснення платежу до бюджету підприємство має право зажадати відшкодування збитків постачальниками і постачальницько-збутовою організацією, поставка продукції якої з відступами від умов договору послужила причиною допущеної перевитрати і вживання заходів господарської відповідальності.
При використанні підприємством виділених йому матеріальних ресурсів не за призначенням воно сплачує до бюджету триразову вартість.
ПЛАТА ЗА ПРиРОДНі РЕСУРСИ, СТИМУЛЮЮЧА ФУНКЦІЯ
У умовах ринку, коли робота підприємства оцінюється по показниках прибутковості і рентабельності, безкоштовність природних ресурсів дуже часто породжує безгосподарне відношення до них. До теперішнього часу практично немає платежів за природні ресурси виключення складає платня за забирану воду для промислових цілей, по пінна платня при відпустці лісозаготівельникам запасів лісу. В гірничодобувній промисловості для часткового погашення витрат на геологорозвідувальні роботи встановлені ставки відшкодування витрат на ці роботи, які можна розглядати як різновид платні за природні ресурси. При цьому по більшості корисної копалини не забезпечується повне відшкодування витрат на геологорозвідувальні роботи.
Проведення геологорозвідувальних робіт, будівництво і експлуатація гірського підприємства можливі лише за умови надання спеціалізованим організаціям і підприємствам відведення земельних ділянок. В даний час порядок встановлення компенсаційних виплат регламентується ухвалою Про відшкодування збитків землекористувачам від втрат сільськогосподарського виробництва при відведенні земель для державних або суспільних нужд. В ньому указується, що підприємства, організації, установи, яким відводяться для будівництва і несільськогосподарських потреб земельні ділянки, за сільськогосподарськими угіддями, відшкодовують (крім відшкодування збитків землекористувачам) втрати сільськогосподарського виробництва, пов'язані з вилученням цих ділянок у розмірі вартості освоєння рівновеликої площі земель з урахуванням проведення робіт на знов освоюваних землях: заходів щодо їх окультурення і підвищення родючості ґрунтів.
У компенсаційних ставках не враховуються втрати, що виникають при вилученні земельних ділянок в інших сферах народного господарства (витрат, пов'язаних з відтворюванням лісу, дичини, грибів, ягід, води, звірів і ін.).
У основі встановлення всіх цих платежів (окрім процентної ставки) лежить затратний метод, тобто принцип заповнення витрат держави на відтворювання відповідних природних ресурсів. Це дозволяє уловити лише частину приношуваної диференціальної ренти (витрат їх заміщення).
Один з головних принципів початкового етапу ринкової системи -- рівні умови роботи для всіх підприємств, що розрізняються географічним положенням, технічним рівнем виробництва і рядом інших чинників. Відмінність в об'єктивних чинниках, що визначають рівень виробництва, приводить до різних трудових і матеріальних витрат на виробництво продукції, і отже, до різного прибутку підприємств.
Таким чином, рентабельність і можливість самофінансування підприємств залежить від об'єктивних (природно-географічних) і суб'єктивних чинників, що характеризуються рівнем суспільного розвитку (попитом на продукцію, об'єми виробництва продукції, рівень технічного оснащення, рівень технології і т. д.). В цих умовах необхідно розв'язати проблему усунення впливу природних чинників на показники підприємства, щоб гарантувати їм рівні економічні можливості соціального і технічного розвитку. Проте в промисловості немає єдиної системи обліку і оцінки природного чинника, що дозволяє методично правильно вилучати у привилегировані підприємств диференціальну ренту, в результаті стійких і значних діференцьованій індивідуальних витрат, обумовлених різними природно-географічних умовами виробництва.
Окрім розглянутих природних ресурсів є деяка кількість природних ресурсів, що використовуються підприємствами і організаціями безкоштовно. До них відносяться сільськогосподарські землі, запаси вугілля і горючих сланців, навколишнє середовище як місце для розміщення виробничих відходів і ін.
Платня за природні ресурси повинна відповідати величині економічного ефекту, одержуваного від експлуатованого природного ресурсу на народногосподарському рівні, забезпечувати можливість вилучення диференціальної ренти, що виникає через відмінності в природній продуктивності цих ресурсів.
Для реалізації такого підходу необхідно вирішити наступні задачі: подолати заніженность оптових і закупівельних цін на продукцію природо експлуатуючих галузей з метою регулювання ресурсозберігання в народному господарстві; забезпечити розширене відтворювання природно-ресурсного потенціалу на основі повного госпрозрахунку; здійснити вирівнювання умов господарювання при формуванні госпрозрахункового доходу нормально працюючих підприємств, що використовують природні ресурси різної якості і місцеположення.
Платня за ресурси призначена для регулювання взаємостосунків держави і госпрозрахункового підприємства з приводу конкретного природного чинника. Мета її введення полягає в створенні економічних умов для функціонування окремих підприємств природо експлуатуючих галузей і стимулювання раціонального використання природних ресурсів, тобто створення такого механізму економічного стимулювання їх використання, який забезпечить підвищення ефективності всього суспільного виробництва шляхом переходу на інтенсивний шлях розвитку і зниження ресурсоємкості національного доходу.
Платежі підприємств за використання природних ресурсів, встановлювані на основі диференціальної ренти повинні розглядатися як економічні нормативи довготривалої дії, що характеризують дохід, одержуваний підприємством на основі використовування їм природних багатств знаходяться в державній власності.
У зв'язку з тим, що цей дохід одержаний не за рахунок зусиль трудового колективу підприємства, а шляхом використання наданого йому природного джерела підвищеної продуктивності, він повинен вилучатися у підприємства і використовуватися на регіональні і загальнодержавні цілі.
Стимулююча функція введення платні за користування, зокрема на охорону і відновлення природних ресурсів за допомогою вилучення у підприємств рентних доходів через систему платежів за природокористування реалізується державна форма власності на природні ресурси і своєчасно забезпечується вирівнювання умов господарювання підприємств, що використовують природні ресурси різного багатства і місцеположення.
У економічній літературі рекомендується визначати додатковий дохід (диференціальну ренту) від використання природного ресурсу даної якості, місцеположення і продуктивності (цінності), одним з двох способів: як різниця між оптовою ціною продукції і нормальними витратами на її отримання при використанні даного природного ресурсу; величиною суспільно необхідних витрат, що вимагаються для відтворювання корисного результату, приношуваного даним природним ресурсом, у міру його вичерпання або виснаження.
На основі цих способів визначення диференціальної ренти запропоновані конкретні методи встановлення ставок платежів за природокористування, що враховують специфіку окремих видів природних ресурсів.
Виходячи з ролі в забезпеченні виробничого процесу пропонується розділити всі експлуатовані природні ресурси на дві групи: природні ресурси універсального значення і спеціалізовані природні ресурси.
Для промислових підприємств до природних ресурсів універсального призначення відносяться водні ресурси, що використовуються для розміщення в них відходів виробництва.
Природні ресурси спеціалізованого призначення використовуються при отриманні конкретних видів продукції обмеженим кругом галузей, спеціалізованих на виробництві відповідної продукції. До них відносяться корисна копалини по їх видах, службовці матеріальною основою промисловості, сільськогосподарські землі, лісові ресурси.
Для природних ресурсів універсального призначення диференціальну ренту і відповідно платежі за їх використання доцільно встановлювати у вигляді витрат заміщення цих ресурсів. Вони можуть бути прийняті рівними нормам витрат на збільшення забезпеченості народного господарства відповідними видами ресурсів. Наприклад, диференційовані по районах і якісних характеристиках республік нормативи низ освоєння нових земель, збільшення водовідстою, нормативи витрат на охорону навколишнього середовища і т.п.
Встановлення платежів за природні ресурси універсального призначення повинне передувати розробці прейскурантів нових цін, оскільки платня за ці види ресурсів враховується при формуванні цін практично на всі ці види продукції і послуг і включається в собівартість їх виробництва.
При розробці системи платежів за спеціалізовані види природних ресурсів зберігаються платежі, що забезпечують формування фондів відтворювання цих ресурсів в необхідних випадках вводяться рентні платежі з прибутку підприємств, що експлуатують спеціалізовані природні джерела.
У основі формування платежів за відтворювання природних ресурсів лежать наступні принципові положення: слід забезпечити максимально можливий повний возвратрат на відтворювання найважливіших видів природних ресурсів при визначенні сум платежів по видах ресурсів, зокрема необхідно ввести також платежі при використанні сільськогосподарських земель (виходячи з різних бюджетних асигнувань на їх якісне поліпшення і охорону); джерелом відшкодування витрат на відтворювання природних ресурсів є приношувана ними диференціальна рента.
При встановленні нових цін необхідно мати на увазі середній рівень оптових цін на мінерально-сировинні ресурси: він повинен бути достатній як мінімум для формування ціни відтворювання даного спеціалізованого природного ресурсу за рахунок виручки від реалізації всього об'єму проведеної (що здобувається) продукції даного вигляду. Необхідна сума в цілому по галузі (під галузі) повинна бути включена в проектований рівень ціни. При цьому її розподіл підприємствам-виробникам слід не включати в нормативну собівартість, як це робилося раніше, а визначати по підприємствах диференціальному рентному доходу, що пропорційно утворюється у них. В цих умовах підприємства, використовуючи відносно гірші спеціалізовані ресурси частково або повністю звільняються від платежів за їх відтворювання з перерозподілом недобираемої частини фонду на підприємства, що використовують відносно кращі джерела природних ресурсів.
Для забезпечення функціонування такого механізму, по-перше, необхідно починати визначення платежів за відтворювання природних ресурсів із зіставлення розрахункової виручки від реалізації даного виду мінерально-сировинних ресурсів в цінах, що розробляються, з сумою нормативних витрат на здобич (переробку) і нормативних накопичень, що включаються в систему. У величину нормативних накопичень включають всі дорожчання (здешевлення) в установленому порядку, а також проектовані платня за природні ресурси універсального призначення, окрім платежів за відтворювання відповідного спеціалізованого ресурсу.
Якщо розмір диференціального доходу від експлуатації даного спеціалізованого галузевого ресурсу, розглянутий при проектованому рівні оптових цін, недостатній для відшкодування в повному об'ємі витрат на його відтворювання на величину різниці повинен бути підвищений проектований середній рівень ціни.
По-друге, слід розглядати як нижню межу рівня оптових цін (розрахункової виручки від реалізації) по одному виду мінералъно - сировинного ресурсу суму, що включає нормативні витрати на здобич даного виду мінерально-сировинного ресурсу, платежі за природні ресурси універсального призначення, що використовуються при його здобичі, платежі за відтворювання даного спеціалізованого ресурсу, нормативні накопичення, що враховуються в ціні.
При необхідності встановлення необхідних цінових пропорцій між взаємозамінними видами мінерально-сировинних ресурсів і стимулювання ресурсозберігання проектований рівень оптової ціни може бути підвищений в порівнянні з її нижньою межею. В цьому випадку виникає додатковий рентний дохід, який в повному об'ємі підлягає відрахуванню у федеральний і регіональні бюджети у формі платежів з прибутку природо експлуатуючих підприємств.
Рентні платежі по своїй економічній користі є формою вилучення у підприємств диференціальної ренти, яка утворюється в результаті стійких і незначних коливань індивідуальних витрат, з'ясовних відмінностями в природно-географічних умовах виробництва. Вони повинні встановлюватися для підприємств і груп підприємств) природо експлуатуючих галузей у випадках, коли у відповідних підприємств (груп) при встановленому рівні оптових (закупівельних) платежів за універсальні природні ресурси і платежів за відтворювання спеціалізованих природних ресурсів утворюється надмірний дохід за рахунок використання щодо сприятливіших природних джерел. Таким чином, в систему платежів за використання природних ресурсів включаються три їх види: платежі за використання природних ресурсів універсального призначення; платежі за відтворювання спеціалізованих природних ресурсів; рентні платежі за використання щодо сприятливіших видів спеціалізованих ресурсів.
Ці види платежів повинні встановлюватися, як правило, з розрахунку на одиницю природного ресурсу (1 т погашених запасів, 1 га землі, 1 м2 води), що витрачається (вживаного), і диференціюватися з урахуванням рентообразуючих чинників. Розглянуті платежі за використання природних ресурсів (в межах встановлених норм і лімітів) не можна здійснювати з штрафними платежами (санкціями) за порушення встановлених нормативів і лімітів природокористування.
ПЛАТЕЖИ ЗА ЗАБРУДНЕННЯ НАВКОЛИШНЬОГО ПРИРОДНОГО СЕРЕДОВИЩА
Перехід до практичних заходів по управлінню станом навколишнього природного середовища в зоні дії підприємств визначає необхідність розробки економічних методів дії на гірські підприємства з боку державних і місцевих органів управління.
Платежі за забруднення здійснюються підприємством, і при цьому розміри платежів залежать від об'ємів викидів забруднюючих речовин і розміщуваних в навколишній природі твердих відходів. Очевидно, що викиди підприємств і значні об'єми відходів не дозволяють своєчасно запобігти забрудненню, а тим більше поліпшити стан навколишнього природного середовища. Введення платіжних пропорцій відповідних рівню загрузнув на ній, поставить у важке фінансове положення виробничі підприємства. Тому для поступового досягнення нормативного рівня гранично допустимих викидів (скидань) забруднюючих речовин в природне середовище необхідно встановлювати і затверджувати для кожного підприємства ліміти викидів (скидань) забруднюючих речовин, об'ємів розміщуваних твердих відходів.
Об'єми викидів (скидань) забруднюючих речовин в межах лімітів визначаються як допустимі на планований період. Допустимий рівень викидів визначається з урахуванням екологічної обстановки району (території), розміщення підприємств і економічних можливостей підприємств, затвердження лімітів викидів здійснюється на основі завдань довгострокових Державних програм охорони природного середовища і раціонального використання природних ресурсів на період до 2005 р.
Конкретна екологічна ситуація території, на якій розміщено підприємство, визначає причину допустимого рівня викидів (скидань) забруднюючих речовин: чим більш забруднена територія, тим вище повинні бути встановлені гранично допустимі рівні викидів (скидань) - ГДВ (ГДС). Порядок встановлення допустимих рівнів викидів для окремих підприємств не розроблений [29], а для розміщення твердих відходів ліміт визначається між планованими об'ємами утворення і використання відходів. Розміри платежів за забруднення визначаються на основі двох видів нормативів платні: за допустимі, в межах встановлених лімітів, об'єми викидів; за перевищення допустимих об'ємів викидів.
ВИСНОВОК
На жаль, на сучасному етапі розвиток ринково- господарських відносин значно випереджає розвиток законодавчої бази, зокрема це відноситься і до стимулювання раціонального природокористування. Але все таки не поспішатимемо з песимістичними висновками, бо вже декілька років ведеться розробка відповідної законодавчої бази, та і в свідомості людей поступово міняється відношення до навколишнього середовища і необхідності її охорони. Економічні і правові важелі захисту природного середовища і попередження її забруднення, описані в моєму рефераті є важливим фундаментом для подальшого розвитку економіко-правових відносин в області екологічної безпеки.
Розділ 5 екологічна безпека праці
5.1 Законодавче регулювання питань охорони праці в Україні
Охорона праці – це правових соціально – економічних, організаційно – технічних, санітарно – гігієнічних і лікувально–профілактичних заходів та засобів, спрямованих на збереження життя здоров'я і працездатності людини у процесі трудової діяльності.
Законодавство України з охорони праці складається з Закону “ Про охорону праці”, Кодексу законів про працю України та інших нормативних актів. Згідно Закону України „Про охорону праці” від 18.12.02. Він визначає основні положення щодо реалізації конституційного права громадян на охорону їх життя і здоров'я в процесі трудової діяльності, регулює за участю відповідних державних органів відносини між власником підприємства, установи і організації або уповноваженим ним органом і працівником з питань безпеки, гігієни праці та виробничого середовища і встановлює єдиний прядок організації охорони праці в Україні.
Згідно статті 1 даного Закону, охорона праці – це система правових, соціально – економічних, організаційно – технічних, санітарно – гігієнічних і лікувально – профілактичних заходів і засобів, спрямованих на збереження здоров'я і працездатності людини в процесі праці.
Дія даного Закону поширюється на всі підприємства, установи, організації незалежно від форм власності та видів їх діяльності на усіх громадян, які працюють, а також залучені до праці на цих підприємствах.
Державна політика в галузі охорони праці базується на принципах:
- пріоритету життя і здоров'я працівників по відношенню до результатів виробничої діяльності підприємства, повної відповідальності власника за створення безпечних і нешкідливих умов праці;
- комплексного розв'язання завдань охорони праці на основі національних програм з цих питань та урахуванням інших напрямків економічної і соціальної політики, досягнень в галузі науки і техніки та охорони навколишнього природного середовища;
- соціального захисту працівників, повного відшкодування шкоди особам, які потерпіли від нещасних випадків на виробництві і професійних захворювань;
- встановлення єдиних нормативів з охорони праці для всіх підприємств незалежно від форм власності і видів їх діяльності;
- використання економічних методів управління охороною праці, проведення політики пільгового оподаткування, що сприяє створенню безпечних і нешкідливих умов праці, участі держави у фінансуванні заходів щодо охорони праці;
- здійснення навчання населення, професійної підготовки і підвищення кваліфікації працівників з питань охорони праці;
- забезпечення координації діяльності державних органів, установ, організацій та об'єднань громадян, що вирішують різні проблеми охорони здоров'я, гігієни та безпеки праці, а також співробітництва і проведення консультацій між власниками і працівниками (їх представниками) між усіма соціальними групами при прийнятті рішень з охорони праці на місцевому і державному рівнях;
- міжнародне співробітництво в галузі охорони праці, використання світового досвіду організації роботи щодо поліпшення умов і підвищення безпеки праці.
Законодавство про охорону праці складається з Закону «Про охорону праці», Кодексу законів про працю в України, Закону України «Про загально обов’язкове державне соціальне страхування від нещасного випадку на виробництві та професійного захворювання, які спричинили втрату працездатності» та прийнятих відповідно до них нормативно – правових актів.
Державна політика в галузі охорони праці визначається відповідно до конституції України Верховною Радою України і спрямована на створення належних, безпечних і здорових умов праці, запобігання нещасним випадкам та професійними захворюваннями.
Умови праці на робочому місці, безпека технологічних процесів, машин, механізмів, устаткування та інших засобів колективного та індивідуального захисту, що використовується працівником, а також санітарно – побутові умови повинні відповідати вимогам законодавства.
Роботодавець здійснює фінансування охорони праці і несе безпосередньо відповідальність за порушення умов функціонування системи правління охорони праці.
В свою чергу працівник зобов’язаний:
- дбати про особисту безпеку і здоров’я, а також про, безпеку і здоров’я оточуючих людей в процесі виконання будь – яких робіт чи під час перебування на території підприємства;
- знати і виконувати вимоги нормативно – правових актів з охорони праці, правила поводження з машинами, механізмами устаткуванням та іншими засобами виробництва, користуватися засобами колективного і індивідуального захисту;
- проходити у встановленому законодавством порядку попередні та періодичні медичні огляди.
Працівник несе безпосередню відповідальність за порушення зазначених вимог.
На підприємстві з метою забезпечення пропорційної участі працівників у вирішенні будь-яких питань безпеки, гігієни праці та виробничого середовища за рішенням трудового колективу може створюватися комісія з питань охорони праці.
У колективному договорі, угоді сторони передбачають забезпечення працівникам соціальних гарантій у галузі охорони праці на рівні, не нижчому за передбачений законодавством, їх обов’язки, а також комплексні заходи щодо досягнення встановлених нормативів безпеки, гігієни праці та виробничого середовища, підвищення існуючого рівня охорони праці, запобігання випадкам виробничого травматизму, професійного захворювання, аваріям і пожежам, визначають обсяги та джерела фінансування зазначених заходів.
Роботодавець зобов’язаний інформувати працівників або осіб, уповноважених на здійснення громадського контролю за дотриманням вимог нормативно-правових актів з охорони праці, та Фонд соціального страхування від нещасних випадків про стан охорони праці, причину аварій, нещасних випадків і професійних захворювань і про заходи, яких вжито для їх усунення та для забезпечення на підприємстві умов і безпеки праці на рівні нормативних вимог.
Державний нагляд за додержанням законів та інших нормативно-правових актів про охорону праці здійснюють:
- спеціально уповноважений центральний орган виконавчої влади з нагляду за охороною праці;
- спеціально уповноважений державний орган з питань радіаційної безпеки;
- спеціально уповноважений державний орган з питань пожежної безпеки;
- спеціально уповноважений державний орган з питань гігієни праці.
За порушення законодавства про охорону праці, невиконання розпоряджень посадових осіб органів державного нагляду за охороною праці юридичні та фізичні особи, які відповідно до законодавства використовують найману працю, притягаються органами державного нагляду за охороною праці до сплати штрафу у порядку, встановленому законом.
За порушення законів та інших нормативно-правових актів про охорону праці, створення перешкод у діяльності посадових осіб органів державного нагляду за охороною праці, а також представників профспілок, їх організацій та об’єднань винні особи притягаються до дисциплінарної, адміністративної, матеріальної, кримінальної відповідальності згідно з законом.
Закон «Про внесення змін до закону «Про охорону праці» від 21.11.2002року № 229-ІV визначає основні положення щодо реалізації конституційного права працівників на охорону їх життя і здоров'я у процесі трудової діяльності, на належні, безпечні і здорові умови праці [43], регулює за участю відповідних органів державної влади відносини між роботодавцем і працівником з питань безпеки, гігієни праці та виробничого середовища і встановлює єдиний порядок організації охорони праці в Україні.
Законодавство про охорону праці складається з цього Закону, Кодексу законів про працю України, Закону України "Про загальнообов'язкове державне соціальне страхування від нещасного випадку на виробництві та професійного захворювання, які спричинили втрату працездатності" та прийнятих відповідно до них нормативно-правових актів.
Якщо міжнародним договором, згода на обов'язковість якого надана Верховною Радою України, встановлено інші норми, ніж ті, що передбачені законодавством України про охорону праці, застосовуються норми міжнародного договору.
Державна політика в галузі охорони праці визначається відповідно до Конституції України Верховною Радою України і спрямована на створення належних, безпечних і здорових умов праці, запобігання нещасним випадкам та професійним захворюванням.
Діяльність органів державного нагляду за охороною праці регулюється цим Законом, законами України "Про використання ядерної енергії і радіаційну безпеку", "Про пожежну безпеку", "Про забезпечення санітарного та епідемічного благополуччя населення", іншими нормативно-правовими актами та положеннями про ці органи, що затверджуються Президентом України або Кабінетом Міністрів України.
5.2 Гарантії прав на охорону праці на підприємстві
5.2.1 Права працівників на охорону праці під час роботи
Працівнику не пропонується робота, яка за медичним висновком протипоказана йому за станом здоров'я. Усі працівники згідно із законом підлягають загальнообов'язковому державному соціальному страхуванню від нещасного випадку на виробництві та професійного захворювання, які спричинили втрату працездатності.
Умови праці на робочому місці, безпека технологічних процесів, машин, механізмів, устаткування тощо, стан засобів колективного та індивідуального захисту, що використовуються працівником, а також санітарно-побутові умови відповідають вимогам законодавства.
Працівник має право відмовитися від дорученої роботи, якщо створилася виробнича ситуація, небезпечна для його життя чи здоров'я або для людей, які його оточують, або для виробничого середовища чи довкілля. Він зобов'язаний негайно повідомити про це безпосереднього керівника або роботодавця.
Працівник має право розірвати трудовий договір за власним бажанням, якщо роботодавець не виконує законодавства про охорону праці, не додержується умов колективного договору з цих питань.
У цьому разі працівникові виплачується вихідна допомога в розмірі, передбаченому колективним договором, але не менше тримісячного заробітку.
Працівника, який за станом здоров'я відповідно до медичного висновку потребує надання легшої роботи, роботодавець переводить за згодою працівника на таку роботу на термін, зазначений у медичному висновку, і у разі потреби встановлює скорочений робочий день та організовує проведення навчання працівника з набуття іншої професії відповідно до законодавства.
На роботах із шкідливими і небезпечними умовами праці, а також роботах, пов'язаних із забрудненням або несприятливими метеорологічними умовами, працівникам видаються безоплатно за встановленими нормами спеціальний одяг, спеціальне взуття та інші засоби індивідуального захисту, а також мийні та знешкоджувальні засоби.
Роботодавець зобов'язаний забезпечити за свій рахунок придбання, комплектування, видачу та утримання засобів індивідуального захисту відповідно до нормативно-правових актів з охорони праці та колективного договору.
У разі передчасного зношення цих засобів не з вини працівника роботодавець зобов'язаний замінити їх за свій рахунок. У разі придбання працівником спецодягу, інших засобів індивідуального захисту, мийних та знешкоджувальних засобів за свої кошти роботодавець зобов'язаний компенсувати всі витрати на умовах, передбачених колективним договором.
Згідно з колективним договором роботодавець може додатково, понад встановлені норми, видавати працівникові певні засоби індивідуального захисту, якщо фактичні умови праці цього працівника вимагають їх застосування.
Відшкодування шкоди, заподіяної працівникові внаслідок ушкодження його здоров'я або у разі смерті працівника, здійснюється Фондом соціального страхування від нещасних випадків відповідно до Закону України "Про загальнообов'язкове державне соціальне страхування від нещасного випадку на виробництві та професійного захворювання, які спричинили втрату працездатності"
Роботодавець може за рахунок власних коштів здійснювати потерпілим та членам їх сімей додаткові виплати відповідно до колективного чи трудового договору.
За працівниками, які втратили працездатність у зв'язку з нещасним випадком на виробництві або професійним захворюванням, зберігаються місце роботи (посада) та середня заробітна плата на весь період до відновлення працездатності або до встановлення стійкої втрати професійної працездатності. У разі неможливості виконання потерпілим попередньої роботи проводяться його навчання і перекваліфікація, а також працевлаштування відповідно до медичних рекомендацій.
Час перебування на інвалідності у зв'язку з нещасним випадком на виробництві або професійним захворюванням зараховується до стажу роботи для призначення пенсії за віком, а також до стажу роботи із шкідливими умовами, який дає право на призначення пенсії на пільгових умовах і в пільгових розмірах.
Роботодавець зобов'язаний створити на робочому місці в кожному структурному підрозділі умови праці відповідно до нормативно-правових актів, а також забезпечити додержання вимог законодавства щодо прав працівників у галузі охорони праці.
З цією метою роботодавець забезпечує функціонування системи управління охороною праці створює відповідні служби і призначає посадових осіб, які забезпечують вирішення конкретних питань охорони праці, затверджує інструкції про їх обов'язки, права та відповідальність за виконання покладених на них функцій, а також контролює їх додержання;
розробляє за участю сторін колективного договору і реалізує комплексні заходи для досягнення встановлених нормативів та підвищення існуючого рівня охорони праці;
забезпечує виконання необхідних профілактичних заходів відповідно до обставин, що змінюються; впроваджує прогресивні технології, досягнення науки і техніки, засоби механізації та автоматизації виробництва, вимоги ергономіки, позитивний досвід з охорони праці тощо;
забезпечує належне утримання будівель і споруд, виробничого обладнання та устаткування, моніторинг за їх технічним станом; забезпечує усунення причин, що призводять до нещасних випадків, професійних захворювань, та здійснення профілактичних заходів, визначених комісіями за підсумками розслідування цих причин;
організовує проведення аудиту охорони праці, лабораторних досліджень умов праці, оцінку технічного стану виробничого обладнання та устаткування, атестацій робочих місць на відповідність нормативно-правовим актам з охорони праці в порядку і строки, що визначаються законодавством, та за їх підсумками вживає заходів до усунення небезпечних і шкідливих для здоров'я виробничих факторів;
розробляє і затверджує положення, інструкції, інші акти з охорони праці, що діють у межах підприємства (далі - акти підприємства), та встановлюють правила виконання робіт і поведінки працівників на території підприємства, у виробничих приміщеннях, на будівельних майданчиках, робочих місцях відповідно до нормативно-правових актів з охорони праці, забезпечує безоплатно працівників нормативно-правовими актами та актами підприємства з охорони праці;
здійснює контроль за додержанням працівником технологічних процесів, правил поводження з машинами, механізмами, устаткуванням та іншими засобами виробництва, використанням засобів колективного та індивідуального захисту, виконанням робіт відповідно до вимог з охорони праці;
організовує пропаганду безпечних методів праці та співробітництво з працівниками у галузі охорони праці;
вживає термінових заходів для допомоги потерпілим, залучає за необхідності професійні аварійно-рятувальні формування у разі виникнення на підприємстві аварій та нещасних випадків.
Роботодавець несе безпосередню відповідальність за порушення зазначених вимог.
Стаття 14. Обов'язки працівника щодо додержання вимог нормативно-правових актів з охорони праці
Працівник зобов'язаний:
дбати про особисту безпеку і здоров'я, а також про безпеку і здоров'я оточуючих людей в процесі виконання будь-яких робіт чи під час перебування на території підприємства;
знати і виконувати вимоги нормативно-правових актів з охорони праці, правила поводження з машинами, механізмами, устаткуванням та іншими засобами виробництва, користуватися засобами колективного та індивідуального захисту;
проходити у встановленому законодавством порядку попередні та періодичні медичні огляди.
Працівник несе безпосередню відповідальність за порушення зазначених вимог.
5.3 Розслідування та облік нещасних випадків, професійних захворювань і аварій
Роботодавець повинен організовувати розслідування та вести облік нещасних випадків, професійних захворювань і аварій відповідно до положення, що затверджується Кабінетом Міністрів України за погодженням з всеукраїнськими об'єднаннями профспілок.
За підсумками розслідування нещасного випадку, професійного захворювання або аварії роботодавець складає акт за встановленою формою, один примірник якого він зобов'язаний видати потерпілому або іншій заінтересованій особі не пізніше трьох днів з моменту закінчення розслідування.
У разі відмови роботодавця скласти акт про нещасний випадок чи незгоди потерпілого з його змістом питання вирішуються посадовою особою органу державного нагляду за охороною праці, рішення якої є обов'язковим для роботодавця.
Рішення посадової особи органу державного нагляду за охороною праці може бути оскаржене у судовому порядку.
5.4 Заходи, щодо поліпшення умов праці, комплексний план заходів
Система заходів по створенню безпечних умов праці на виробництві складається з організаційних, технічних, техніко-економічних, соціально-економічних, соціальних, соціально-естетичних і управлінських робіт. Для здійснення їх необхідно:
1. Запроваджувати державні, галузеві і стандарти підприємства з безпеки праці, організувати курсове навчання працюючих і проведення інструктажів на підприємстві; розробити і затвердити положення про функціональні обов'язки керівників і спеціалістів з охорони праці; затвердити стандарт на номенклатуру плануючої документації з охорони праці; своєчасно прийняти і забезпечити виконання колдоговору (угоди) з охорони праці; розробити систему матеріального і морального стимулювання працюючих за додержання правил техніки безпеки і виробничої санітарії.
2. Постійно проводити роботу по зміцненню матеріально-технічної бази господарства та охорони праці; запровадити на підприємстві комплексну механізацію в рослинництві і тваринництві, постійно проводити роботу, спрямовану на механізацію допоміжних робіт, запровадження автоматичних ліній, робототехніки (маніпуляторів) на стаціонарних процесах виробництва; широко запроваджувати автоматизацію та електрифікацію виробничих процесів, дистанційне управління в технологію робіт.
3. Розробляти і затверджувати стандарти підприємства на планування й забезпечення належних умов праці; запроваджувати науково обґрунтовані норми виробітку на підприємстві, прогресивні форми праці та її оплати.
Запроваджувати машини і обладнання з кращими техніко-економічними показниками та ергономічними параметрами; постійно впорядковувати робочі місця; розробляти організаційно-технологічні карти і карти безпеки праці кожного робочого місця.
4.Складати і постійно контролювати виконання планів соціально-економічного розвитку підприємства, села, зони мешкання працюючих. Запроваджувати НОП у виробництво; паспортизацію, раціоналізацію робочих місць; вдосконалювати на підприємстві структуру управління виробництвом, посилюючи відповідальність і підвищуючи роль трудових колективів; вдосконалювати оплату праці, методи та форми морального і матеріального стимулювання за якісну працю і додержання правил техніки безпеки; вдосконалювати форми організації праці, широко запроваджуючи безнарядні форми праці за методом колективного підряду, забезпечувати на кожному підприємстві рекомендовані режими праці і відпочинку.
5.Розробляти і контролювати виконання планів соціально-економічного розвитку трудових колективів та підприємств. Постійно поліпшувати побутові і житлові умови працюючих, проводити архітектурно-планувальні роботи для оновлення інтер’єрних фасадів зон проживання працівників, їх будинків, допоміжних приміщень, впорядковувати всю територію зони проживання і функціонування виробництва; поліпшувати роботу комунальних служб по обслуговуванню населення; проводити соціологічні дослідження з метою зміцнення виробничого клімату в трудових колективах; проводити роботу щодо професійної орієнтації школярів, молоді села з метою правильного вибору професії і зайняття активної позиції в суспільстві, створювати відповідні умови для творчої, продуктивної праці.
6. Проводити періодичні обстеження відповідності приміщень, агрегатів, машин та їх окремих елементів вимогам технічної й художньої естетики. При проведенні паспортизації і раціоналізації робочих місць звертати увагу на планування робочих місць, додержання параметрів проходів у приміщеннях та поліпшувати виробничу естетику. Складати карти відповідності кожного робочого місця естетичним вимогам, обговорювати ці питання на нарадах. Замовляти машини, які мають кращі техніко-економічні та естетичні параметри; списувати стару, морально застарілу техніку. Якісно і вчасно виконувати ремонт машин, обладнання та - інструменту, використовувати кольорові спектри, рекомендовані технічною естетикою на виробництві; перевіряти справність світлової сигналізації та відповідність освітлення приміщень і робочих місць існуючим нормам. Контролювати оформлення наочної інформації у виробничих приміщеннях і на робочих місцях.
7. Запроваджувати на виробництві рекомендовану ВЦРПС і Держкомпрацею систему управління охороною праці на виробництві; вивчати та використовувати у практичній роботі положення з організації охорони праці на підприємствах агропромислового комплексу.
Забезпечувати чітке виконання посадових інструкцій з охорони праці відповідальними особами в кожному господарстві, вимог державних стандартів на безпечне проведення сільськогосподарських робіт, заслуховувати на правлінні колгоспу, нарадах у директора радгоспу хід виконання заходів з охорони праці і звіт спеціалістів про стан техніки безпеки. Використовувати при здійсненні функцій управління методи морального і матеріального стимулювання працюючих. Проводити вивчення, узагальнення та запровадження передового досвіду у виробництво, направляти зусилля на поліпшення умов і охорону праці.
Періодично інформувати колективи про стан охорони праці на виробництві, виконання річних і комплексних планів з охорони праці. Включати в соцзмагання трудових колективів показники, що характеризують рівень стану з охорони праці, забезпечувати його поліпшення на робочих місцях, в галузі, на виробництві в цілому.
Чітко вести документацію з охорони праці і необхідну статистичну звітність. Продумано підходити до вибору джерел фінансування заходів охорони праці для забезпечення необхідними матеріально-фінансовими ресурсами. Стежити за проведенням в господарстві оперативного контролю з охорони праці. Ширше спиратись в проведенні роботи на громадськість, профспілковий актив і трудові колективи.
З метою поліпшення умов і безпеки праці на виробництві в колгоспах, радгоспах та інших підприємствах агропромислового комплексу УРСР запроваджено систему організації роботи і контролю з охорони праці.
Для створення безпечних умов праці на виробництві всю організаційну роботу з охорони праці умовно можна розподілити на 14 напрямів (розділів), що об'єднують споріднені питання, вирішення яких дозволить максимально запобігти виробничому травматизму і професійним захворюванням на підприємствах агропромислового комплексу республіки.
Основні напрями роботи з охорони праці:
1. Управління охороною праці в господарстві. Затвердити накази, розпорядження про закріплення відповідальних осіб за охорону праці в кожному підрозділі, галузі; прийняти рішення після доповіді інженера з охорони праці про стан справ у господарстві; затвердити звіти, інструкції з техніки безпеки, акти про нещасні випадки і профзахворювання, якщо вони сталися.
2. Навчання працюючих з охорони праці. Запровадити профорієнтацію в школах, на виробництві, бригадне навчання, наставництво. Проводити інструктажі з працюючими відповідно до вимог ГОСТ 12.0.004—79 та ОСТ 46.126—82; курсове навчання працюючих за типовими програмами.
3. Наочна інформація і пропаганда з охорони праці. Організувати кабінет охорони праці та кутки техніки безпеки, вивісити стенди-дошки гласності з охорони праці на окремих дільницях; придбати необхідну кількість знаків і запобіжних написів з техніки безпеки, розмістити їх в певних місцях; розробити і затвердити маршрути руху автомобільного і тракторного транспорту; встановити знаки дорожнього руху на території господарства; забезпечувати виробничі підрозділи плакатами з техніки безпеки, регулярно оформляти стенди інформації з охорони праці.
4.Оперативне і перспективне планування з охорони праці. Проводити паспортизацію умов праці, оформляти санітарно-технічний паспорт виробництва; розробляти річні, перспективні, комплексні, сезонні, місячні та декадні плани з охорони праці в господарстві; прийняти колдоговір (угоду) з охорони праці, забезпечити його виконання.
5.Аналіз травматизму і професійних захворювань. Визначити методи, затвердити строки і форму аналізу травматизму та профзахворювань в господарстві; регулярно аналізувати виробничий травматизм у кожному підрозділі, галузі, господарстві; розробляти заходи, спрямовані на зниження виробничого травматизму і профзахворювань та забезпечувати їх виконання.
6.Спортивно-оздоровчі заходи з охорони праці. Запроваджувати наукову організацію праці на виробництві; організовувати медичні огляди працюючих з метою профілактики профзахворювань. Щоденно видавати молоко і організувати профілактичне харчування з урахуванням шкідливих виробничих факторів; впроваджувати інші пільги, передбачені законом; забезпечити будівництво спортивних комплексів, дитячих ясел, садків, піонерських таборів, будинків відпочинку і санаторіїв-профілакторіїв; неухильно дотримуватись режиму праці і відпочинку працюючих та законодавства про працю жінок і підлітків.
7. Облік роботи і звітність з охорони праці. Вести картки, журнали, книги реєстрації та інші документи з охорони дотримуватись строків оформлення облікової документації та звітності з охорони праці.
8. Облік і розслідування нещасних випадків і професійних захворювань. Затвердити порядок повідомлення керівників про нещасний випадок; своєчасно і якісно проводити розслідування нещасних випадків і профзахворювань, виявляти причини і обставини, за яких вони стались.
9. Розробка і ведення документації з охорони праці. Розробити і затвердити інструкції та пам'ятки з техніки безпеки, технологічні картки виконання робіт, картки безпеки праці на кожному робочому місці, а також картки організації робочого місця; розробити стандарти підприємства з техніки безпеки відповідно до умов господарства.
10.Забезпечення охорони і поліпшення умов праці. Періодично здійснювати огляд і контроль котлів, вантажопідйомних механізмів, електроустановок, перевіряти стан захисного заземлення (занулення), надійність огороджень, блокувальних- пристроїв, сигналізації та інших засобів захисту; перевіряти надійність засобів індивідуального захисту тощо; підтримувати на робочих місцях параметри мікроклімату, освітлення, загазованості, запилення повітря, шуму, вібрації, теплових та інших випромінювань відповідно до діючих норм.
11.Забезпечення пожежної безпеки на виробництві. Укомплектовувати об'єкти засобами пожежогасіння відповідно до встановлених норм; налагодити зв'язок, сигналізацію і повідомлення населення на випадок пожежі; налагодити пожежне водопостачання і засоби гасіння пожежі; розробити план евакуації людей з будинків і споруд та тварин із приміщень ферм; організувати роботу добровільних пожежних дружин та пожежно-сторожової охорони.
12.Вивчення і запровадження передового досвіду з охорони праці. Вивчати передовий досвід, узагальнювати і оцінювати його ефективність відповідно до виробничої діяльності дільниці, галузі і господарства; .розробляти організаційно-технічні заходи запровадження передового досвіду з охорони праці.
13. Фінансування і матеріально-технічне забезпечення заходів з охорони праці. Визначати вид і джерела фінансування заходів; затвердити проектну та іншу технічну документацію обґрунтованої потреби в матеріальних ресурсах для забезпечення заходів, скласти кошторис фінансування, виділяти асигнування на виконання заходів, зазначених у планах соціально-економічного розвитку виробництва, підприємства, житлового масиву, трудових колективів, забезпечувати фінансування номенклатурних заходів тощо.
Висновки
При проведенні аналізу всіх розділів запропонуємо декілька шляхів рішення:
1. Перш за все - це обмеження промислових скидань в річки, озера і інші водні об'єкти.
2. Очищення русел і заплав річок і озер від сміття, що скопилося.
3. Вдосконалення технологій виробництва і технологій утилізації відходів.
4. Здійснювати жорсткий контроль за скиданням з полів добрив і отрутохімікатів.
5. Контролювати попадання фекальних мас в русла річок.
6. Проведення суспільно-повчальних заходів щодо донесення до населення всієї важливості цієї проблеми.
Промислові стоки займають перше місце за об'ємом і збитку, який вони наносять, то вирішувати проблему скидань їх в річки потрібно в першу чергу. Через забруднення викликається стоками починаються різні біогенні мутації. З річок і озер пропадають багато видів риби, а ті які залишаються - непридатні в їжу. Значно бідніє флора і фауна водоймищ. Через промислові стоки у водоймищах спостерігається надлишок кисню, тому можна спостерігати так зване «цвітіння» водоймищ. Багато хто напевно не раз бачив на поверхні води нафтову плівку, яка переливаючись на сонці здається дуже красивою, але насправді викликає зменшення проникнення світла у водну товщу у декілька разів. Змінюється і хімічний склад водоймищ, підвищується зміст азоту, фосфору і хлор речовин.
Важливою проблемою є забруднення водоймищ відходами сільського господарства. Багато хто напевно з настанням весняної повені не раз помічав неприємний запах, який виділяє питна вода.
Запах цей викликаний тим, що бурхливі весняні потоки змивають в річку фекальні маси, що нагромадилися за зиму і вивезених весною на поля. Замість того, щоб стежити за попаданням цих речовин в річки, вважають за краще перш ніж подати цю воду в будинки зміщувати її з величезною кількістю хлорки, яка є далеко небезпечною речовиною.
Третьою проблемою є попадання в річки і інші водоймища різного побутового і промислового сміття. Багато хто, напевно, не раз гуляючи по набережній кидали у воду папірець, банку, вітку тощо. В якомусь місці все це сміття скроплюється і в руслі річки утворюються наноси, виникають острівці. Все це веде в засміченню і пересиханню річки. Це ж сміття розкладаючись виділяє різні канцерогенні речовини, які потрапляють разом з їжею до нас на стіл.
Варто задуматися невже нам не дороге власне життя, яке ми нещадно, непомітно для себе губимо. А об'єм забруднень водоймищ з кожним кодом збільшується у багато разів. Оскільки водні ресурси виконують найголовнішу роль в життєдіяльності людини, а ця людина, розуміючи всю їх важливість для своєї життєдіяльності, продовжує їх забруднювати, то починати любити і дбайливо відноситися до них потрібно учити з самого дитинства.
Очищатимемо стічні води іонообмінним методом, оскільки він дозволяє повторно використовувати до 95 % стічних вод, а також виходячи з характеристик наших стічних вод і умов ефективного функціонування вищеописаних методів. Таким чином при виборі зменшення викидів ми паралельно з використанням іонообмінного методу створюватимемо оборотний цикл водопостачання.
На жаль, на сучасному етапі розвиток ринково-господарських відносин значно випереджає розвиток законодавчої бази, зокрема це відноситься і до стимулювання раціонального природокористування. Але все таки не поспішатимемо з песимістичними висновками, бо вже декілька років ведеться розробка відповідної законодавчої бази, та і в свідомості людей поступово міняється відношення до навколишнього середовища і необхідності її охорони. Економічні і правові важелі захисту природного середовища і попередження її забруднення є важливим фундаментом для подальшого розвитку економіко-правових відносин в області екологічної безпеки.
Щоб використовувати воду «раціонально», тобто уникати її марнування та підтримувати її якість, споживачів слід змушувати платити за неї. Найважливішими проблемами захисту водних ресурсів, водного господарства та застосування води в Україні є наступні:
10. Спад промислового виробництва протягом останніх 10 років не супроводжувався поліпшенням стану водних ресурсів України.
11. Очищення стоків в Україні є серйозною проблемою.
12. Не існує інтегрованого підходу до управління водними ресурсами в Україні, необхідно покращання координації у цьому питанні, хоча вже розпочалися деякі зміни на краще.
13. Зараз країна стикається із серйозними проблемами децентралізації управління, бюджету, адміністрації та відповідальності.
14. Нещодавно були запроваджені нові стандарти для питної води, але реально їх досягти неможливо через економічні та технічні проблеми.
15. Не існує обов'язкової безперервної екологічної освіти для усіх вікових груп у дитячих садках, школах та вузах, що віддаляє перспективу запровадження принципів збалансованого розвитку у водне господарство, ефективного захисту водних ресурсів та водокористування в України.
16. Через відсутність екологічної освіти, політики підвищення рівня інформованості населення та через відсутність механізмів економічного регулювання, індивідуальні споживачі не мають стимулів до участі у захисті водних ресурсів та до їх дбайливого споживання.
17. Надлишкове споживання питної води пов'язане не лише з індивідуальними споживачами, це є також наслідком втрат води у трубопроводах мереж водопостачання.
література
1. Акимова Т. А., Хаскин В. В. Экология. - 2-е изд. - М., 2001.
2. Бакка М. Т., Дорощенко В. В. Гідрологія, регулювання та охорона водних ресурсів. - Житомир: ЖДТУ, 2003.
3. Берлянд М. Е. Прогноз и регулирование загрязнения атмосферы. - Л.: Гидрометеоиздат, 1985.- 272 с.
4. Белов С. В., Барабинов Ф. А., Козьяков А. Ф. Охрана окружающей среды. -М.: Высш. шк., 1991. - 319 с.
5. Беккер А. А., Агаев Т. Б. Охрана й контроль загрязнения природной средьі. - Л.: Гидрометеоиздат, 1989.
6. Білявський Г. О., Бутченко Л. І., Навроцький В. М. Основи екології: Теорія та практикум. - К., 2002.
7. Білявський Г. О., Падун М. М., Фурдуй Р. С. Основи загальної екології. -2-ге вид. - К., 1995.
8. Білявський Г. О., Фурдуй Р. С., Костіков І. Ю. Основи екологічних знань. - К., 2004.
9. Веклич О. Сучасний стан та ефективність економічного механізму екологічного регулювання. //Економіка України. - № 10.
10. Владимиров А. М., Ляхин Ю. Й., Матвеев Л. Т., Орлов В. Г. Охрана окружающей среды. - Л.: Гидрометеоиздат, 1994.
11. Волошин І. М. Методика дослідження проблем природокористування. - Львів: ЛДУ, 1994.
12. Воронков Н. А. Экология: общая, социальная, прикладная. - М., 1999.
13. Газалова Н. Водопостачання і водовідведення (курс лекцій). - Львів; 1977.
14. Гайнріх Д., Гергт М. Екологія. - К., 2001.
15. Голуб А. А., Струкова Е. Б. Экономика природних ресурсов:Учеб. пособие для вузов. - М.: Аспект Пресе, 1999. -319с.
16. Глухов В. В., Лисочкина Т. В., Некрасова Т. П. Экономические основы экологии. –М., 1995.
17. Голубовская Э. К. Биологические основы очистки воды. - VI.:Высш. шк., 1978.-268с.
18. Дорогунцов С. І., Коценко К. Ф., Аблова О. К. Екологія. - К., 1999.
19. Джигерей В. С., Сторожук В. М., Яцюк Р. А. Основи екології та охорона навколишнього природного середовища. - Львів: Афіша, 2000.
20. Еколого – економічні проблеми довкілля Житомирщини. [Кол. моногр.]/ В.І. Карпов, С.П. Сіренький, В.К. Данилко та інші; Під заг. ред. П.П. Михайленка. – Житомир, 2001. – 320 с.: іл.
21. Законодавство України про охорону праці. – Київ: Основа. 1995. – І, ІІ, ІІІ томи.
22. Закон України про охорону навколишнього природного середовища. - К., 1991.
23. Запольский А. К. Фізико-хімічні основи технологічного очищення стічних вод. - К.: Лібра, 2000.
24. Изразль Ю. А. Экология й контроль состояния природной среды. - 2-е изд. - Л.: Гидрометеоиздат, 1985.
25. Клименко Л. П. Техноекологія. - Симферополь: Таврія, 2000. -542 с.
26. Когановский А. М. Адсорбация и ионный обмен в процессах водоподготовки и очистки сточных вод. - К.: Наук. Думка, 1983. - 236 с.
27. Кучерявий В.П. Урбоекологія: Підручник. - Львів: Світ, 2001 – 440 с.
28. Мисенев В.С. й др. Водоснабжение в сельськом хозяйстве. - М.: Агропромиздат, 1989.
29. Мельник Л. Г. Экологическая экономика. - Суми, 2001.
30. Національна доповідь про стан навколишнього природного середовища в Україні, Київ. - 1992 р.
31. Національна доповідь про стан навколишнього природного середовища в Україні у 2000 році. - К., 2001.
32. Николадзе Г. И. Технология очистки природных вод. - М.: Высш. шк., 1987.-479 с.
33. Статистичний збірник “Екологічна ситуація Житомирщини” – К.; НДІ статистики Держкомстату України, 1998, - 227 с.
34. Оводов В.С., Ильин В.Г. Проектирование сельськохозяйственного водоснабжения й обводнення. - М.: Сельхозиздат, 1962.
35. Оводов В.С. Сельськохозяйственное водоснабжение и обводнение. - М.: Сельхозиздат, 1960.
36. Одум Ю. Экология: В 2 т. - М., 1986.
37. Основні напрями державної політики України в галузі охоронидовкілля, використання природних ресурсів та забезпечення екологічної безпеки. -К., 1999.
38. Охрана окружающей среды / А. М. Владимирович, Ю. Й. Ляхин,Л. Т. Матвеев й др. — Л., 1991.
39. Охрана окружающей природной среды / Под ред. Г. В. Дуганова. - К.: Вища школа, 1988.
40. Охрана и оптимизация окружающей среды/ Под ред. А. А. Лаптева. - К.: Либідь, 1990.
41. Реймерс Н. Ф. Экология (теории, закони, правила, принципи). - М., 1994.
42. Риклефс Р. Основи общей экологии. - М., 1979.
43. Сивко В.Й. Організаційно-правові основи охорони праці. – Житомир: ЖІТІ, 1998. – 120 с.
44. Ситник К. М., Брайон А. Б., Гордецкий А. В. Биосфера. Экология. Охрана природи: Справ. - К., 1987.
45. Сніжко С. І. Оцінка та прогнозування якості природних вод. - К.: Ніка-центр, 2001.
46. Степановских А. С. Экология. - М., 2001.
47. Трегубенко Н.С. Водоснабжение й водоотведение (примеры расчетов). - М.: Агропромиздат, 1989.
48. Шелудченко Б.А., Дорощенко В.В., Котков В.І. Інженерна екологія. Гідросфера: (Навч. посіб.). - Житомир, ДАУ: Вид-во "Волинь", 2000.
49.Экология города / Под редакцией Стольберга Ф. В. - К.: Либра, 2000.
50. Яковлев С.В. Канализация. - М.: Стройиздат, 1975.
51.Яковлев С. В., Карелин Я. А. и др. Очистка производственных сточных вод.-М.: Стройиздат, 1979.-320 с.
Похожие рефераты:
Організація охорони праці на прикладі закритого акціонерного товариства "Ратнівський молокозавод"
Розміщення продуктивних сил і регіональна економіка
Екологічна оцінка природних умов басейну річки Рудка (Волинська область)
Еколого-економічні інструменти природоохоронної діяльності на ВАТ "АЗОТ"
Сталий розвиток Чернігівської області
Національна і регіональна економіка України
Забезпечення санітарного та епідемічного благополуччя населення. Санітарні норми та правила
проектування ковбасного цеху потужністю 12 т готової продукції за зміну
Аграрно-тваринницький комплекс та його вплив на навколишнє середовище
Лікувальні природні ресурси України
Класифікаційні суспільства та їх роль у забезпеченні безпеки мореплавства
Організація виробництва в підприємствах агропромислового комплексу