| Похожие рефераты | Скачать .docx | Скачать .pdf |
Реферат: Отчистка промышленных и поверхностных вод
Введение
Вода - ценнейший природный ресурс. Она играет исключительную роль в процессах обмена веществ, составляющих основу жизни. Огромное значение вода имеет в промышленном и сельскохозяйственном производстве. Общеизвестна необходимость ее для бытовых потребностей человека, всех растений и животных. Для многих живых существ она служит средой обитания.
Потребности в воде огромны и ежегодно возрастают. Ежегодный расход воды на земном шаре по всем видам водоснабжения составляет 3300-3500 км3. При этом 70% всего водопотребления используется в сельском хозяйстве. [1]
Много воды потребляют химическая и целлюлозно-бумажная промышленность, черная и цветная металлургия. Развитие энергетики также приводит к резкому увеличению потребности в воде. Значительное кол-во воды расходуется для потребностей отрасли животноводства, а также на бытовые потребности населения. Большая часть воды после ее использования для хозяйственно-бытовых нужд возвращается в реки в виде сточных вод. [2]
Очистка воды в наше время необходимая потребность, поскольку люди осуществляют антропогенное воздействия на природу и вследствие чего отравляют источники водопотребления отходами своей деятельности. Сегодня даже пресноводные водоемы требуют специальных систем очистки воды. Сначала стоял разве что вопрос о придании питьевой воде дополнительных качеств, таких как улучшение вкуса и запаха. Со временем человечество научилось и стало применять простые химические вещества для очистки воды, вследствие чего частички слепливались и выпадали в осадок, а вода становилась пригодной для питья. Также использовались системы очистки воды с применением кипячения воды (дезинфекции), воздействия металлов с бактерицидными свойствами и солнечных лучей. Увеличение населения и соответственно потребности в чистой питьевой воде подтолкнули к изобретению специальных фильтров для очистки воды. [3]
Цель: рассмотреть отчистку промышленных и поверхностных вод.
Задание: исследовать методы очистки промышленных и поверхностных вод.
1. Методы отчистки промышленных сточных вод
Проблема очистки промышленных вод в настоящее время является актуальной. Сложность и неоднозначность данной проблемы обусловлена большим разнообразием промышленных технологий. Выбор технологической схемы очистки стоков зависит от многих факторов: типа производства, исходного сырья, требований к качеству и объемов очищаемых сточных вод. Выбор очистных сооружений предусматривает комплексную оценку производственных условий: наличие имеющегося очистного оборудования, наличие производственных площадей для модернизации имеющегося и размещения нового оборудования, входящие и требуемые на выходе концентрации загрязняющих веществ и многое другое. Грамотное решение проблемы очистки промышленных сточных вод возможно при соблюдении технологии очистки сточных вод. [5]
Очистка промышленных сточных вод организуется с целью использования их в системах оборотного, последовательного или замкнутого водоснабжения, обеспечения условий приема в городские системы водоотведения или сброса в водные объекты. [6]
Вода, использованная в технологическом процессе, содержит примеси виде: взвешенных частиц размером от 0,1 мкм и более, образующих суспензии; не растворяемых в воде капелек другой жидкости, образующих эмульсии; коллоидных систем с частицами размером от 1 мкм до 1 нм и растворенных в воде веществ в молекулярной или ионной форме. Примеси, держащиеся в технологической воде, часто являются ценным сырьем или поветовой продукцией.
Все методы очистки вод подразделяются на механические, физико-химические и биологические.
Механические методы очистки обеспечивают извлечение из очищенные вод взвешенных и плавающих примесей. Наиболее простой способ этих примесей - отстаивание, в процессе которого взвешенные вещества оседают на дно, а плавающие примеси всплывают на поверхность отстойников. Отстойники устраиваются горизонтальные, вертикальные и радиальные.

Рис. 1 - Отстойники: А - горизонтальный; Б - вертикальный; В – радиальный: 1 - загрязненная вода; 2 - очищенная вода; 3 - осадок (шлам); 4 - скребковый механизм
В горизонтальном отстойнике длина в 8-12 раз больше его глубины. Отстойники бывают непрерывного или периодического действия. В отстойниках непрерывного действия отделение примесей происходит благодаря j резкому уменьшению скорости движения очищаемой жидкости (до 0,005- I 0,01 м/с). Продолжительность прохождения жидкости через отстойник составляет 1-3 часа. Эффективность осветления воды - от 40 до 60%. В отстойниках периодического действия продолжительность отстоя жидкости и составляет несколько часов, после чего происходит удаление всплывших примесей, осветленной воды и осадка. Затем процесс повторяется.
Глубина (высота) вертикального отстойника в несколько раз превышает его горизонтальный размер. Разделение твердой и жидкой фаз происходит за счет уменьшения скорости потока и изменения его направления на 180°. Вертикальные отстойники более компактны, однако их эффективность на 10-20% ниже, чем у горизонтальных.
В конструкции радиального отстойника реализован принцип действия вертикального и горизонтального отстойников. В центральной его части происходит смена направления потока очищаемой жидкости, а от центра к периферии он работает в режиме горизонтального отстойника. Это позволяет получать достаточно компактные сооружения большой производительности. Эффективность осветления в радиальных отстойниках достигает 60%. Глубина их колеблется от 1,5 до 5 м, диаметр - от 15 до 60 м.
В зависимости от вида удаляемых плавающих примесей отстойники могут называться нефтеловушками, жироуловителями и т.п. Эффективность удаления из воды плавающих примесей составляет 95-96%. Всплывшие примеси удаляются с поверхности специальными приспособлениями и направляются на утилизацию.
Для удаления из воды волокнистых примесей (частичек шерсти, ниток, асбеста и др.) используется дисковый волокноуловитель, представляющий собой вращающийся перфорированный диск, по которому тонким слоем стекает очищаемая жидкость.
Для повышения эффективности процесса осветления к очищаемой в отстойниках жидкости добавляют коагулянты - вещества, которые при взаимодействии с водой образуют хлопьеобразные частицы размером 0,5-3 мм с развитой поверхностью, обладающие также небольшим электрическим зарядом. При оседании эти хлопья захватывают из жидкости взвешенные и коллоидные частицы. В качестве коагулянтов применяются сернокислый алюминий, хлорное железо и др. Расход их составляет от 40 до 700 кг/м3 очищаемой жидкости. Высокие дозы относятся к физико-химической очистке технологических вод, обеспечивающей удаление хрома и цианидов, а также обесцвечивание воды.
Интенсификации процесса коагуляции способствует добавка флокулянтов - веществ, обеспечивающих агрегирование пластин коагулянтов и ускоряющих тем самым их осаждение. В качестве флокулянтов применяют клейкие вещества: крахмал, декстрин, силикатный клей. Весьма эффективным является синтетический флокулянт - полиакриламид (ПАА), широко использующийся также при подготовке питьевой воды. Доза применения ПАА колеблется от 0,5 до 25 г/м3 очищаемой жидкости. Внедряются в практику и другие коагулянты и флокулянты на основе активных полимеров, дозы применения которых в десятки раз меньше.
Тонкодисперсные частички, которые не удается извлечь из жидкости в отстойниках, могут быть удалены с помощью фильтрования. Процесс фильтрования заключается в прохождении жидкости через пористую преграду, на которой осаждаются мелкодисперсные частицы. В качестве фильтрующего слоя используются зернистые материалы (песок, гранитная или мраморная крошка, керамзит и др.), ткани и нетканые полотна (хлопчатобумажные, шерстяные, синтетические, из асбеста, стекловолокна и др.), металлические сетки, перфорированные пластины, пористая керамика. Для ускорения процесса фильтрование производится под давлением или с помощью вакуума. Для извлечения нефтепродуктов, масел и других эмульгированных примесей применяются фильтры из полиуретана. Эффективность удаления взвешенных и эмульгированных примесей методом фильтрования достигает 99% и более.
В гидроциклонах и центрифугах разделение жидкой и твердой фаз производится под воздействием центробежных сил.
Для удаления взвешенных веществ используются напорные гидроциклоны. Для удаления плавающих примесей применяются открытые гидроциклоны. Гидроциклон представляет собой металлический аппарат, состоящий из цилиндрической и конической частей. Диаметр цилиндрической части - от 100 до 700 мм, высота примерно равна диаметру. Угол конусности составляет 10-20°. Внутри аппарата имеются струенаправляющие лопасти в виде винтовой спирали. Поданная под давлением жидкость, двигаясь по спирали к сливу, отделяется от взвешенных веществ. Часть жидкости с большим содержанием взвесей удаляется из гидроциклона, а осветленная вода под действием образовавшегося вакуума движется вверх и изливается через верхнее отверстие. В открытом (безнапорном) гидроциклоне удаление осветленной воды происходит через боковые отверстия, а всплывающие примеси извлекаются с помощью сифона. Гидроциклоны, по сравнению с другими устройствами для механической очистки вод, отличаются высокой производительностью, компактностью, экономичны в изготовлении и эксплуатации. Эффективность очистки от взвешенных и плавающих примесей составляет примерно 70%.
Центрифугирование является эффективным методом разделения и эмульсий. Центрифуги изготовляются периодического и непрерывного действия с автоматической выгрузкой осадка и осветленной жидкости (фугата). При центрифугировании достигается достаточно высокая степень обезвоживания осадка и получается относительно чистый фугат. Центрифуги потребляют большое количество электроэнергии, создают высокие шумовые нагрузки и небезопасны в эксплуатации.
Физико-химические методы очистки обеспечивают удаление из воды, как правило, растворенных веществ, неподдающихся или плохо поддающихся биологической очистке, а также веществ, которые могут оказать неблагоприятное воздействие на коллекторы или другие элементы систем водоотведения.
Наиболее простым и распространенным методом физико-химической очистки является нейтрализация, которая заключается в подкислении щелочных вод (с рН>8,5) и подщелачивании вод с рН<6,5. При наличии на производстве кислых и щелочных вод нейтрализация достигается их смешением. При отсутствии одной из категорий вод нейтрализация осуществляется путем добавки реагента. Для нейтрализации кислых вод лучше всего использовать отходы щелочей - гидроокиси натрия или калия, не дающие осадка. При использовании гидроокиси кальция в виде известкового молока образуется шлам, который необходимо удалять, обезвреживать и утилизировать. Нейтрализация кислых вод достигается также фильтрованием их через слой известняка, доломита, магнезита, шлака или золы.
Для нейтрализации щелочных вод используется отработанная серная кислота. Высокоэффективным методом нейтрализации щелочных вод является продувка через них газовых выбросов, содержащих оксиды серы, углерода, азота и другие кислотообразующие окислы. Таким образом обеспечивается временно эффективная очистка дымовых газов.
Реагентная обработка применяется для очистки вод от цианидов, роданидов, ионов тяжелых металлов и ряда других примесей. Вид применяемого реагента определяется составом примесей, подлежащих удалению из воды. Так, разложение цианидов достигается обработкой воды жидким хлором или веществами, выделяющими активный хлор, - хлорной известью, гипохлоридом кальция или натрия.
Окислением удается добиться деструкции таких соединений, как альдегиды, фенолы, анилиновые красители, серосодержащие органические вещества и др. В качестве окислителей применяют кислород, озон, перекись водорода, пиролюзит. В процессе окисления происходит разложение вредных примесей до простых окислов или образование соединений, поддающихся биохимическому разложению.
Извлечение из воды ионов ртути, хрома, кадмия, свинца, никеля, меди, мышьяка основано на переводе их из раствора в нерастворимый осадок. С этой целью очищаемую воду обрабатывают соединениями натрия или кальция - сульфитом, бисульфитом или сульфидом, карбонатами или гидроокисью. Образующийся шлам удаляют, утилизируют или складируют.
Одним из высокоэффективных методов очистки является ионный обмен, который представляет собой процесс взаимодействия очищаемой жидкости с зернистым материалом, обладающим способностью заменять ионы, находящиеся на поверхности зерен, на ионы противоположного заряда, содержащиеся в растворе. Такие материалы называются ионитами. Иониными свойствами обладают природные минералы - цеолиты, апатиты, полевые шпаты, слюда, различные глины. Синтезировано большое число высокоэффективных ионитов, обладающих селективными свойствами. К ним относятся силикагели, алюмогели, пермутиты, сульфоугли и ионообменные смолы - синтетические высокомолекулярные органические соединения, углеводородные радикалы которых образуют пространственную сетку с фиксированными на ней ионообменными функциональными группами. Иониты не растворяются в воде, обладают достаточной механической прочностью, обеспечивают возможность их регенерации с получением ценных веществ, извлекаемых из очищаемых вод. Существуют ионообменные установки периодического и непрерывного действия (рис. 2). Установки периодического действия работают как фильтры с зернистой загрузкой в виде гранул ионитов. При насыщении поверхности гранул ионами вещества, извлекаемого из воды, производится их регенерация слабым раствором (2-8%) щелочи или кислоты. В установках непрерывного действия гранулы ионитов и очищаемая жидкость движутся противотоком, постоянно перемешиваясь. В процессе работы часть гранул подаются на регенерацию и заменяются новыми. Благодаря высокой механической прочности и способности к регенерации гранулы ионитов имеют довольно продолжительный срок службы. Ионный обмен является, по существу, универсальным методом очистки вод. Для извлечения практически любого вещества из воды можно подобрать соответствующий ионит или группу ионитов. Эффективность ионообменной очистки достигает 95-99%.


Рис. 2 - Установки ионообменной отчистки: А - периодического действия; Б - непрерывного действия: 1 - загрязненная вода; 2 - гранулы ионита; 3 - раствор для регенерации ионита; 4 - очищенная вода; 5 - добавка ионита
Другим универсальным и высокоэффективным методом очистки вод является сорбция. Сорбция применяется преимущественно для очистки сточных вод, которые содержат высокотоксичные вещества, неподдающиеся биохимическому окислению. Метод сорбционной очистки основан на адгезии (прилипании) растворенных веществ поверхностью и порами сорбента - вещества, обладающего разветвленной внешней и внутренней (поры) поверхностью. Наилучшим сорбентом является активированный уголь. Сорбционными свойствами обладают золы, шлаки, опилки, коксовая крошка, торф, керамзит и др. Конструкции установок сорбционной очистки аналогичны ионообменным.
Высокая эффективность очистки достигается в установках с псевдосжиженным ("кипящим") слоем, когда в полую вертикальную колонну снизу под давлением подается очищаемая вода, проходящая через слой сорбента, который находится во взвешенном состоянии. Отработанный сорбент заменяется новым или регенерируется. При поддержании сорбента в "кипящем" слое, когда достигаются наилучшие условия контакта его внешней и внутренней поверхности с очищаемой жидкостью, эффективность очистки достигает 99%. Если псевдосжиженный слой слеживается, эффективность очистки резко снижается.
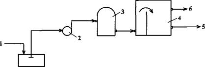
Флотационная очистка применяется для удаления из воды поверхностно-активных веществ (ПАВ), нефтепродуктов, жиров, смол и др. Процесс флотации заключается в сорбировании содержащихся в воде примесей поверхностью пузырьков воздуха, нагнетаемого в очищаемую жидкость. В практике очистки вод используются напорные, безнапорные, вакуумные и электрофлотационные установки. Наибольшее распространение получили напорные >хтановки (рис. 3). В таких установках вода сначала насыщается воздухом под давлением, а затем подается в открытый резервуар, где происходит выделение пузырьков и сорбирование ими содержащихся в воде примесей. Иногда сжатый воздух подается в нижний слой жидкости, находящейся в резервуаре (флотаторе). Для повышения эффективности очистки воздух подается через пористые (фильтросные) пластины. При вакуумной флотации в флотаторе создается разряжение, способствующее образованию пузырьков воздуха. Для безнапорной флотации используются эрлифтные установки, которые позволяют существенно (в 2-4 раза) снизить затраты электроэнергии на флотационную очистку. Повышению эффективности очистки вод при флотации способствует наличие синтетических поверхностно-активных веществ (СПАВ). Образуемая ими густая стойкая пена повышает степень извлечения из воды эмульгированных и диспергированных примесей. При флотации одновременно достигается дегазация очищаемых вод и насыщение их кислородом.

Рис. 3 - Установки флотационной очистки: 1 - загрязненная вода; 2 - сжатый воздух; 3 - газгольдер; 4 - флотатор; 5 - очищенная юла;6-пенный
При электрофлотации образование пузырьков газа происходит вследствие электролиза воды. На аноде выделяется кислород, на катоде - водород. Однако этот метод очистки из-за больших затрат электроэнергии и роста ее стоимости практически не используют. По этим же причинам все реже применяют некогда широко распространенные электрохимические методы очистки вод: анодное окисление и катодное восстановление, электрокоагуляция, электродиализ. Электрохимические методы очистки основаны на пропускании постоянного электрического тока через очищаемую жидкость. Кислород, выделяемый на аноде, окисляет органические примеси. В качестве анодов используют электролитические неразлагаемые материалы: графит, магнетит, диоксиды свинца, марганца или рутения, наносимые на титановую основу. На катодах происходит выделение водорода и оседание ионов металлов с образованием нерастворимых гидроксидов. Катоды изготовляют из стали или алюминия. В процессе электролиза катионы катодов, взаимодействуя с гидроксидными группами, образуют гидроокиси в виде хлопьев. Этот процесс называется электрокоагуляцией.
Одной из разновидностей электрохимической очистки является электродиализ, который основан на разделении находящихся в растворе ионизированных веществ по отсекам, отгороженным проницаемыми мембранами. Другие физико-химические методы очистки вод имеют ограниченное применение. [4], [7]
2. Очистка поверхностных вод
Под поверхностными сточными водами чаще всего подразумевают ливневые стоки, которые собираются в искусственных или естественных водоемах и резервуарах. Сегодня поверхностные сточные воды повсеместно используются как в хозяйственно-бытовых целях, так и в промышленности, поэтому современные технологии их очистки отличаются широким разнообразием используемых методов и высокой эффективностью. Под очисткой поверхностных вод подразумевается извлечение из воды всех находящихся в ней загрязнителей, которые делают воду непригодной для использования в тех или иных целях. Этот процесс имеет ряд особенностей и отличий, которые касаются, прежде всего, характера загрязнителей и примесей, находящихся в поверхностных водах.
Обработка сточных вод чаще всего сводится к удалению из воды таких примесей, как нерастворимые вещества и нефтепродукты, которые в обилии встречаются в наше время в окружающей среде. В отличии от подземных вод очистка поверхностных вод в подавляющем случае не предполагает умягчения воды или ее обезжелезивания, так как железо и минеральные вещества - загрязнители, свойственные скорее грунтовым водам, зато она зачастую предполагает обеззараживание и дезинфекцию воды, так как в поверхностных водах, как правило, содержится высокое количество различных микроорганизмов, бактерий, вирусов, палочек, микроводорослей и т.д., которые подлежат обязательному удалению вне зависимости от назначения и целей использования поверхностных сточных вод. Кстати, беззараживание необходимо и для бытовых сточных вод. Таким образом, весь процесс сводится к трем основным процессам: осветление, удаление нефтепродуктов и обеззараживание. Остановимся подробнее на этих трех этапах.
2.1 Очистка поверхностных вод от взвешенных загрязнителей
Первым блоком любых установок очистки поверхностных сточных вод являются осветлители, целью которых является извлечение из воды всех взвешенных частиц нерастворимых загрязнителей. Так, например, на первом этапе очистки из воды удаляется песок, глина, крупный мусор вроде веток, листвы и других механических загрязнителей. Также на первом этапе необходимо произвести обесцвечивание воды, то есть удаление таких загрязнителей как органические соединения. Высокую мутность и цветность воды также могут вызывать некоторые неорганические загрязнители, однако в установках очистки поверхностных сточных вод в основном удаляются именно органические загрязнители, в обилии встречающиеся в поверхностных сточных водах. Устранение нерастворимых загрязнителей чаще всего производится при помощи стандартных механических методов вроде отстаивания и фильтрации. Остановимся подробнее на методах удаления нерастворимых загрязнителей. Отстаивание - это простейший метод очистки поверхностных вод от частиц грубодисперсных загрязнителей. При отстаивании частицы загрязнителя оседают на дно специального резервуара под воздействием силы тяжести, поэтому этот метод подходит для удаления крупных частиц загрязнителей, однако слабоэффективен по отношению к мелким частицам. Применение коагулянтов, которые склеивают между собой мельчайшие частицы загрязнителей, при отстаивании позволяет существенно увеличить эффективность и скорость удаления механических примесей. Поэтому во многих установках очистки поверхностных сточных вод блоки отстаивания включают в себя станции дозирования химических реагентов.
Более эффективным и быстрым методом считается механическая фильтрация воды, которую, кстати, используют. Фильтрация воды осуществляется через слой зернистого, пористого или сетчатого материала. При прохождении воды через тот или иной тип фильтрующего материала крупные частицы нерастворимых загрязнителей задерживаются между зернами, порами или ячейками фильтрующей среды, вследствие чего и происходит очистка поверхностных сточных вод от механических примесей. Также, как и при отстаивании, этот метод зачастую использует различные дополнительные средства, в число которых входят и коагулянты.
2.2 Дезинфекция и обеззараживание поверхностных вод
Еще одним немаловажным блоком любой установки является блок обеззараживания и дезинфекции воды. Под дезинфекцией обычно подразумевается очистки поверхностных вод от всех типов живых микроорганизмов, в числе которых не только потенциально опасные для человеческого здоровья организмы вроде бактерий и вирусов, но и микроводоросли, способные навредить технике, трубопроводу и другим вступающим в контакт с загрязненной водой предметами. А чтобы, например, избежать попадания аналогичных вредных веществ в почву используют системы автономной загородной канализации, информацию о которой можно учесть, наверняка, весьма полезной. Сегодня существует несколько методов очистки стоков, каждый из которых обладает как своими преимуществами, так и своими недостатками, на некоторых из них мы остановимся подробнее.
Одним из наиболее распространенных методов очистки поверхностных вод от потенциально опасных микроорганизмов является их окисление при помощи тех или иных реагентов. Самым дешевым методом является хлорирование воды, так как этот реагент считается самым дешевым. Более дорогим, но более надежным и безопасным реагентом является озон, который после очистки попросту разлагается на безвредные соединения вроде воздуха, воды или углекислого газа в отличии от хлора, который остается в воде и способен нанести вред как человеческому организму, так и бытовой или промышленной технике.
Еще одним методом очистки поверхностных вод от микроорганизмов является облучение воды ультрафиолетом, которое считается одним из наиболее эффективных и безопасных методов дезинфекции воды. При облучении воды ультрафиолет проникает в ядро живых клеток, нанося ДНК последних необратимые повреждения, которые становятся причиной потери микроорганизмом способности к репродукции. Очистка методом ультрафиолетового облучения сегодня считается одним из наиболее экологических технологий обеззараживания воды, который гарантирует высокое качество и хороший результат.
2.3 Очистка поверхностных сточных вод от нефтепродуктов
промышленный поверхностный вода очистка
Одним из наиболее сложных типов чистки считается удаление из воды нефтепродуктов, которые в изобилии встречаются в поверхностных водах в последнее время. Существует огромное количество разнообразных методов и установок для устранения нефтепродуктов, однако сегодня наибольшее распространение получил метод флотации. Подобные установки очистки поверхностных сточных вод используют физические методы очистки, что служит гарантией экологической чистоты данного метода, а высокая эффективность этой технологии позволяет удалить из воды практически любые количества нефти, нефтепродуктов и других сложноудалимых загрязнителей. Подробнее остановимся на принципе работы этих установок.
В основе работы установок для удаления нефтепродуктов лежит процесс флотации - отделение частиц нерастворимых загрязнителей от воды вместе с пузырьками тонкодиспергированного воздуха или другого газа. В процессе флотации частицы нефтепродуктов всплывают на поверхность воды вместе с воздухом, благодаря чему образуется грязная пена, которая и удаляется установкой. Использование флотации как метода очистки поверхностных сточных вод возможно благодаря различной плотности веществ, их смачиваемости прочим свойствам.
Установки представляют собой достаточно простые устройства, основной функциональной частью которых являются своеобразные резервуары-отстойники. На дне отстойников размещаются погружные аэраторы, которые насыщают воду пузырьками тонкодиспергированного воздуха. При прохождении пузырьков воздуха через всю массу воду вместе с газом выносят нефтепродукты и другие нерастворимые примеси, после чего начинается работы следующего блока установки - скребкового механизма, который удаляет с поверхности воды грязную пену.
Выводы
Защита водных ресурсов от истощения и загрязнения и их рационального использования для нужд народного хозяйства - одна из наиболее важных проблем, требующих безотлагательного решения. В России широко осуществляются мероприятия по охране окружающей Среды, в частности по очистке производственных сточных вод. Одним из основных направлений работы по охране водных ресурсов является внедрение новых технологических процессов производства, переход на замкнутые (бессточные) циклы водоснабжения, где очищенные сточные воды не сбрасываются, а многократно используются в технологических процессах. Замкнутые циклы промышленного водоснабжения дадут возможность полностью ликвидировать сбрасываемые сточных вод в поверхностные водоемы, а свежую воду использовать для пополнения безвозвратных потерь. В химической промышленности намечено более широкое внедрение малоотходных и безотходных технологических процессов, дающих наибольший экологический эффект. Большое внимание уделяется повышению эффективности очистки производственных вод.
Значительно уменьшить загрязненность воды, сбрасываемой предприятием, можно путем выделения из сточных вод ценных примесей, сложность решения этих задач на предприятиях химической промышленности состоит в многообразии технологических процессов и получаемых продуктов. Следует отметить также, что основное количество воды в отрасли расходуется на охлаждение. Переход от водяного охлаждения к воздушному позволит сократить на 70-90 % расходы воды в разных отраслях промышленности. В этой связи крайне важными являются разработка и внедрение новейшего оборудования, использующего минимальное количество воды для охлаждения.
Существенное влияние на повышение водооборота может оказать внедрение высокоэффективных методов очистки сточных вод, в частности физико-химических, из которых одним из наиболее эффективных является применение реагентов.
Использование реагентного метода очистки производственных сточных вод не зависит от токсичности присутствующих примесей, что по сравнению со способом биохимической очистки имеет существенное значение. Более широкое внедрение этого метода как в сочетании с биохимической очисткой, так и отдельно, может в определенной степени решить ряд задач, связанных с очисткой производственных сточных вод.
В ближайшей перспективе намечается внедрение мембранных методов для очистки сточных вод. На реализацию комплекса мер по охране водных ресурсов от загрязнения и истощения во всех развитых странах выделяются ассигнования, достигающие 2-4 % национального дохода ориентировочно, на примере США, относительные затраты составляют (в %): охрана атмосферы 35,2 %, охрана водоемов - 48,0, ликвидация твердых отходов - 15,0, снижение шума -0,7, прочие 1,1. Как видно из примера, большая часть затрат - затраты на охрану водоемов, расходы, связанные с получением коагулянтов и флокулянтов, частично могут быть снижены за счет более широкого использования для этих целей отходов производства различных отраслей промышленности, а также осадков, образующихся при очистке сточных вод, в особенности избыточного активного ила, который можно использовать в качестве флокулянта, точнее биофлокулянта. Таким образом, охрана и рациональное использование водных ресурсов - это одно из звеньев комплексной мировой проблемы охраны природы.
Список используемой литературы
1. Калыгин А.В. Промышленная экология: учебное пособие для студентов высших учебных заведений / В.Г. Калыгин. - М.: Издательский центр "Академия", 2004. - 432 с.
2. Экология: учебник / под редакцией Г.В. Тягунова, Ю.Г. Ярошенко. - М.: Интермет Инжиниринг, 2000. - 300 с.
3. Родионов А.И. Техника защиты окружающей среды: учебник для вузов / А.И. Родионов, В.Н. Клушин, Н.С. Торочешников. - 2-е изд., перераб. и доп. - М.: Химия, 1989. – 512 с.
4. Экология города: Учебник. - К.: Либра, 2000. - 464 с.
5. Экология и безопасность жизнедеятельности: учебное пособие для вузов / Д.А. Кривошеин, Л.А. Муравей, Н.Н. Роева и др.; Под ред. Л.А. Муравья. - М.: ЮНИТИ-ДАНА, 2000. – 447 с.
6. Туровский И.С. Обработка осадков сточных вод М.: Стройиздат 1984.
7. Жуков А.И. Монгайт И.Л., Родзиллер И.Д. Методы очистки производственных сточных вод М.: Стройиздат.
8. Евилович А.З. Утилизация осадков сточных вод М.: Стройиздат 1989.
9. А.Г. Банников, А.К. Рустамов, А.А Вакулин Охрана природы М.: Агропромиздат 1987.
10. Яковлев С.В., Карелин Я.А., Ласков Ю.М., Воронов Ю.В. Очистка поверхностных сточных вод. – Г.: Стройиздат, 1985. – 384 с.
11. Охрана окружающей природной среды. Под редакцией Г.В. Дуганова Киев: “Выща школа” 1990.
12. Ковальчук В.А. Очистка стічних вод. – Рівне: ВАТ “Рівненська друкарня”, 2002. – 622 с.
13. Пономарев В.Г., Исакимис Э.Г., Монгайт И.Л. Очистка сточных вод нефтеперерабатывающих заводов. – Г.: Химия, 1985. – 256 с.
Похожие рефераты:
Экологическая опасность сточных вод пищевой промышленности
Водоотведение поселка Песочное с доочисткой сточных вод
Проблемы охраны водной среды в горном деле
Очистка сточных вод поселка городского типа производительностью 6000 м3 сутки
Нефтеперерабатывающий завод "Уфанефтехим" как источник загрязнения среды обитания
Влияние предприятия на окружающую природную среду
Методы очистки сточных вод от нефтепродуктов
Реконструкция участка обработки осадков очистной станции канализации г. Челябинска
Строение атмосферы, гидросферы и литосферы
Очистка нефтесодержащих сточных вод
Проект участка очистки сточных вод гальванического производства
Охрана водоёмов от загрязнения сточными водами
Эколого-экономическая оценка деятельности МУП "Сыктывкарский банно-прачечный трест"