| Скачать .docx | Скачать .pdf |
Реферат: Расчет циклона для очистки воздуха
МОСКОВСКАЯ ГОСУДАРСТВЕННАЯ АКАДЕМИЯ ПРИБОРОСТРОЕНИЯ И ИНФОРМАТИКИ
Кафедра «Экология и безопасность жизнедеятельности»
ОТЧЕТ
по практическому занятию по дисциплине
«Экология»
на тему : « Расчет циклона для очистки воздуха»
| Студент Алещенко Д.А. |
Шифр 96207 |
| Вариант 28 |
преподаватель Зонненберг И.С. |
| Подпись студента |
Подпись преподавателя |
| Дата 16.09.99 |
Дата |
г. Углич 1999 г.
ВВЕДЕНИЕ
Различные производственные процессы могут загрязнять атмосферный воздух взвешенными твердыми или жидкими частицами, которые делятся на пыль, дым и туман.
Для улавливания взвешенных частиц применяется различная аппаратура, в составе которой значительное место занимают циклонные аппараты, которые являются наиболее аппаратурой для сухого механического пылеулавливания.
ИСХОДНЫЕ ДАННЫЕ
Вид пыли: пыль красителей.
Дисперсный состав пыли:
Lg sM =0.4,
dM =8 мкм;
Количество очищаемого газа :
Q=1.3 м2 /с;
Плотность частиц:
r=1910 кг/м3 ;
Вязкость газа:
m=22.1*106 H*c/м2 .
ВЫБОР ТИПА ИСПОЛЬЗУЕМОЙ АППАРАТУРЫ
Исходя из исходных данных (дисперсного состава пыли) находим ближайшее значение Lg sM из [1,табл. 2 с.43] и по нему выбираем тип циклона.
Конический циклон СДК-ЦН-33 со следующими параметрами:
оптимальная скорость WОПТ =2 м/c;
дисперсный состав пыли Lg s=0.364;
d50 =2.31 мкм.
РАСЧЕТ ИСПОЛЬЗУЕМОЙ АППАРАТУРЫ
1. Диаметр циклона
![]()
где D - диаметр циклона, м;
Q - производительность циклона, м3 /c;
WОПТ - оптимальная скорость, м/c.
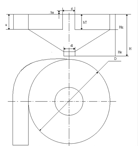
В соответствии с типом циклона по его диаметру определяем геометрические размеры циклона которые приведены в долях внутреннего диаметра:
hТ =0.535(481 мкм);
HЦ =0.535(481 мкм);
НК =0.3(270 мкм);
d=0.334(300 мкм);
dl=0.334(300 мкм);
a=0.535(481 мкм);
ha=0.25(225 мкм).
Полученное значение диаметра округляем до ближайшего типового значения D=900 мкм.
По выбранному диаметру циклона определяем действительную скорость газа в циклоне
![]()
где W - действительная скорость газа, м/c;
n - число циклонов.
Для проведения оценки эффективности очистки газов в циклоне сначала необходимо рассчитать диаметр частиц

где
- диаметр частиц, улавливаемых с эффективностью 50%;
- диаметр частиц, улавливаемых с эффективностью 50% (для типового циклона СДК-ЦН-33
=2.31 мкм);
D - диаметр циклона, м;
DT - диаметр типового циклона(DT =0.6 м);
r - плотность частиц, кг/м3 ;
rТ - плотность частиц для типового циклона(rТ =1930 кг/м3 );
m - вязкость газа, Н*с/м2 ;
mТ - вязкость газа для типового циклона(mТ =22.2*10-6 Н*с/м2 ;
W действительная скорость газа, м/с;
WТ действительная скорость газа для типового циклона(WТ =3.5 м/с).
Далее определяется параметр X

где dM и Lg sM - дисперсный состав пыли (см. исходные данные);
Lg s дисперсный состав пыли для данного типа циклона (см. параметры конического циклона СДК-ЦН-33).
По значению параметра X определяем значения нормальной функции распределения Ф(X)[1,рис.3,с.49]
Ф(X)»0.89.
Теперь определяем эффективность очистки газов в циклоне
![]()
где h - эффективность очистки;
Ф(X) - значение нормальной функции распределения параметра.
Схема конического циклона представлена на рис.1.
Схема конического циклона

D - внутренний диаметр циклона;
Н - высота циклона;
hT - высота выхлопной трубы;
НЦ - высота цилиндрической части;
НК - высота конуса цилиндра;
d - внутренний диаметр выхлопной трубы;
dl - внутренний диаметр выпускного отверстия;
a - высота входного патрубка;
hВ - высота внешней части выхлопной трубы;
Рис. 1
ЗАКЛЮЧЕНИЕ
Проведенный расчет параметров циклона, который предназначен для очистки воздуха от пыли красителей, дает максимально оптимальную эффективность очистки атмосферы, что очень важно на производстве лакокрасочной продукции.
СПИСОК ИСПОЛЬЗОВАННЫХ ИСТОЧНИКОВ:
1.Сборник расчетных работ по выполнению практических занятий. Учебное пособие. Под ред. Гетия И.Г.- М.; 1997 г.