| Скачать .docx | Скачать .pdf |
Реферат: Значение анализа газодинамики процесса термолиза промбытотходов при разработке основного агрегата
А. Н. Дыбля, А. С. Парфенюк? Донецкий государственный технический университет
Для освоения технологии совместной переработки углеродистых промышленных и бытовых отходов (технология ДонГТУ) необходима разработка ее аппаратного оформления. Оптимизированный комплекс требований к нему—экономическая эффективность, надежность, управляемость, возможность получения продуктов с различными требуемыми свойствами.
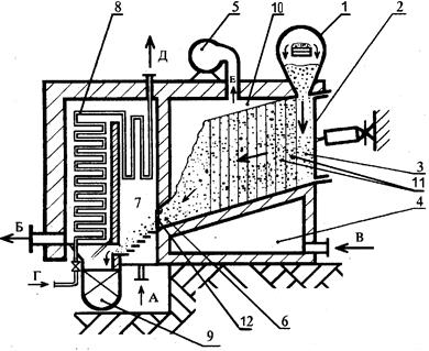
Основным технологическим агрегатом данной технологии является термолизный блок, совмещенный с энергоблоком (далее—ТЭБ) (рис. 1).

Рисунок 1-Принципиальная схема ТЭБ и энергоблока для переработки промбытотходов:
А-подача воздуха в топку; Б-дымовые газы на очистку; В-подача газа и воздуха на обогрев печи; Г-подача воды в котлоагрегат; Д-отвод пара к турбине; Е-отвод химпродуктов на переработку; 1-система загрузки; 2-прессующе-проталкивающее устройство; 3-прессуемая порция; 4-система обогрева печи; 5-система отвода летучих; 6-наклонный канал; 7-топка; 8-котлоагрегат; 9-система золоудаления; 10-термолизная печь; 11-спрессованные порции; 12-дозирующее устройство
Конструкторская разработка ТЭБ основана на результатах анализа газодинамики процесса термолиза отходов в камерах печи. Образование и движение парогазовых продуктов термолиза влияют на качество самих продуктов и твердого остатка, герметичность камер, межремонтный период, срок эксплуатации ТЭБ. Регулирование газодинамического режима в камерах термолизного блока—один из способов управления процессом переработки, особенно разложением диоксинов.
Процесс термической деструкции углеродсодержащего сырья—слоевой при боковом подводе тепла. Сходство с процессом коксования позволяет использовать для анализа разработанные методики исследования газодинамики в коксовых печах. При этом учитываются особенности конструкции печи и процессов в ней.
Факторы, определяющие газодинамику процесса:
факторы ведения процесса—условия нагревания, количество тепла, давление газов в камере, плотность порций, влажность сырья, периодичность загрузки-выгрузки;
свойства сырья—насыпная плотность, выход летучих, элементный состав, зависимость газовыделения от времени, гранулометрический состав, зольность, однородность, способность к трещинообразованию, вспучиваемость, усадочные свойства, газопроницаемость порций уплотненного сырья массивов готового твердого продукта.
Природа сырья, а значит и его свойства различны. Для упрощения регулирования режимов переработки будут шихтованием приводиться к свойствам смеси шламов и кислой смолки коксохимических заводов и твердых бытовых отходов. Конструкция проектируемого опытного ТЭБ будет максимально приспособлена для переработки этой смеси оптимального состава. Данная задача дополнительно осложнена неизвестностью некоторых свойств сырья. На данном этапе они оцениваются приближенно.
На опытной установке будут проведены натурные исследования газодинамики.
Конструктивная разработка печи ведется с учетом результатов аналитического обзора существующих решений соответствующих проблем в коксовой промышленности.
Результаты анализа газодинамики позволяют наиболее рационально:
выбрать тип и конфигурацию отопительной системы;
выбрать режимы проведения процесса;
выбрать расположение, типы и режимы работы газоотводящих устройств;
определить способы герметизации зон загрузки и выгрузки;
определить степень пиролиза диоксионов и парогазовых продуктов, спрогнозировать состав и качество продуктов;
оценить надежность сконструированных узлов и ТЭБ в целом. Причем в комплексный показатель надежности включается и экологическая безопасность термолизного блока.
Функциональный подход к конструированию с использованием результатов анализа позволит разработать конструкцию печи, максимально отвечающую комплексу требований к нему.