| Скачать .docx |
Реферат: Монокристаллический кремень
Введение
Основной объем монокристаллического кремния (80-90%) потребляемого электронной промышленно-
стью, выращиваеться по методу Чохральского.
Фактически весь кремний,используемый для произво-
дства интегральных схем,производиться этим методом.
Кристаллы выращенные этим методом обычно не содержат краевых дислокаций,но могут включать
небольшие дислокационные петли,образующиеся при
конденсации избыточных точечных дефектов.
Кристаллический рост заключаеться в фазовом переходе из жидкого состояния в твердую фазу.
Применительно к кремнию этот процесс может быть охарактеризован как однокомпонентная ростовая система жидкость-твердое тело.

Рост кристаллов по методу Чохральского заключаеться
в затвердевании атомов жидкой фазы на границе раздела
Скорость роста определяеться числом мест на поверхности растущего кристалла для присоединения
атомов,поступающих из жидкой фазы,и особенностями
теплопереноса на границе раздела фаз.Скорость вытягивания оказывает влияние на форму границы раздела фаз между растущим кристаллом и расплавом,
которая являеться функцией радиального градиента
температуры и условий охлаждения боковой поверхности растущего кристалла.
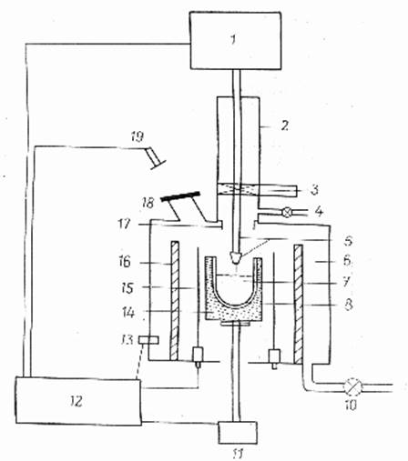
Оборудование для роста кристаллов.
Установка для выращивания кристаллов представлена на
рисунке 2,и включает в себя 4 основных узла:

1.Печь в которую входят тигель,контейнер,
механизм вращения,нагреватель,источник пита-
ния и камера.
2.Механизм вытягивания кристалла содержащий
стержень,или цепь с затравкой,механизм вращения
затравки и устройство для зажима затравки.
3.Устойство для управления составом атмосферы,
состоящее из газовых источников,расходомеров,
системы продувки и вакуумной системы.
4.Блок управления,в который входят микропроцессор,датчики и устройства вывода.
Тигель является наиболее важным элементом
ростовой системы.Так как тигель содержит расплав,его материал должен быть химически инертен по отношению к расплавленному кремнию.
Это основное требование при выборе материала
тигля,так как электрические свойства кремния чувствительны даже к таким уровням примеси,
как 10(-7)ат.%.Кроме того,материал тигля должен
иметь высокую температуру плавления,обладать
термической стабильностью и прочностью.
Также он должен быть недорогим или обладать способностью к многократному использованию.
К сожалению,расплавленный кремний растворяет
почти все используемые материалы (например
карбиды тугоплавких металлов TiC или TaC,тем
самым способствуя слишком высокому уровню
металлических примесей в растущем монокристалле.Тигли из карбида кремния также
неприемлимы.Несмотря на то что углерод
являеться электрически нейтральной примесью в
кремнии,вырастить высококачественные монокристаллы кремния из расплавов,насыщенных
углеродом,не удаеться.
Отношение диаметра тигля к его высоте в больших
установках =1 или немного превышает это значение
Обычно диаметр тигля равен 25,30 или 35 см.для
объема загрузки 12,20 и 30 кг. соответственно.
Толщина стенок тигля равна 0.25см,однако кварц
недостаточно тверд,чтобы использовать его в качестве контейнера для механической поддержки расплава.После охлаждения несоответствие термических коэффициентов линейного расширения
между оставшимися в тигле кремнием и кварцом
приводит к растрескиванию тигля.
Возможность использования нитрида кремния в ка-
честве материала для тиглей была продемонстрирована при осаждении нитрида из
парогазовых смесей на стенки обычного тигля.
Контейнер используеться для поддержки кварце-
вого тигля .В качестве материала для контейнера
служит графит,поскольку он обладает хорошими
высокотемпературными свойствами.Обычно используют сверхчистый графит.Высокая степень чистоты необходима для предотвращения загрязнения кристалла,примесями,которые выделяються из графита при высоких температурах процесса .Контейнер устанавливают
на пьедестал,вал которого соединен с двигателем,
обеспечивающим вращение.Все устройство можно
поднимать или опускать для поддержания уровня
расплава в одной фиксированной точке,что необходимо для автоматического контроля диаметра растущего слитка.
Камера высокотемпературного узла установки
должна соответствовать определенным требованиям.Прежде всего она должна обеспечивать
легкий доступ к деталям узла для облегчения
загрузки и очистки.Высокотемпературный узел
должен быть тщательно герметизирован,дабы
предотвратить загрязнение системы из атмосферы
Кроме того,должны быть предусмотрены специальные устройства,предотвращяющие нагрев
любого узла камеры до температуры,при которой
давление паров ее материала может привести к загрязнению кристалла.Как правило,наиболее сильно
нагреваемые детали камеры имеют водяное охлаждение,а между нагревателем и стенками камеры устанавливают тепловые экраны.
Для расплавления материала загрузки используют главным образом высокочастотный индукционный или резистивный нагрев.Индукционный нагрев применяют при малом объеме загрузки,а резистивный-исключительно в больших ростовых
установках.Резистивные нагреватели при уровне мощности порядка нескольких десятков киловатт
обычно меньше по размеру,дешевле,легче в изготовлении и более эффективны.Они представляют собой графитовый нагреватель
,соединенный с источником постоянного напряжения.
Механизм вытягивания кристалла.
Механизм вытягивания кристалла должен с минима-
льной вибрацией и высокой точностью обеспечить
реализацию двух параметров процесса роста:
-скорости вытягивания;
-скорости вращения кристалла.
Затравочный кристалл изготавливаеться с точной
(в пределах установленного допуска)ориентацией,
поэтому держатель затравки и механизм вытягивания должны постоянно удерживать его
перпендикулярно поверхности расплава.
Направляющие винты часто используються для
подъема и вращения слитка. Этот метод позво-
ляет безошибочно центрировать кристалл отно-
сительно тигля , однако при выращивании слитков
большой длины может оказаться необходимой
слишком большая высота установки.Поэтому,
когда поддержание необходимой точности при вы-
ращивании длинных слитков не обеспечиваеться
винтовым устройством,приходиться применять многожильные тросы.В этом случае центровка
положения монокристалла и тигля затруднена.
Более того,в процессе наматывания троса возможно
возникновение маятникого эффекта.Тем не менее
применение тросов обеспечивает плавное вытя-
гивание слитка из расплавава , а при условии их
наматывания на барабан высота установок значительно уменьшаеться. Кристалл выходит из
высокотемпературной зоны через систему продувки
,где газовый поток-в случае если выращивание про-
изводиться в газовой атмосфере-движеться вдоль
поверхности слитка,приводя к его охлаждению.
Из системы продувки слиток попадает в верхнюю
камеру,которая обычно отделена от высокотемпературной зоны изолирующим клапаном.
Устройство для управления составом атмосферы.
Рост монокристалла по методу Чохральского должен
проводиться в инертной среде или вакууме,что вызвано следующими причинами:
1) Нагретые графитовые узлы должны быть
защищены от воздействия кислорода для
предотвращения эррозии;
2) Газовая атмосфера не должна вступать в
химическую реакцию с расплавом кремния.
Выращивание кристаллов в вакууме удовлетворяет указанным требованиям и , кроме того, имеет ряд
преимуществ,в частности ,способствует удалению
из системы моноокиси кремния, тем самым предо-
твращаяет ее осаждение на стенках камеры.При
выращивании в газовой атмосфере чаще всего используют инертные газы :аргон и гелий.
Инертные газы могот находиться при атмосферном или пониженном давлении.В промышленных производстве для этих целей используются аргон
что объясняеться его низкой стоимостью.
Оптимальный расход газа составляет 1500л на 1кг
выращенного кремния.Аргон поступает в камеру при
испарении из жидкого источника и должен соответствовать требованиям высокой чистоты
в отношении содержания влаги,углеводородов,
и других примесей.
Блок управления.
Блок управления может включать в себя разные
приборы.Он предназначен для контроля и
управления такими параметрами процесса,как
температура,диаметр кристалла,скорость вытягивания и скорость вращения.Контроль
может проводиться по замкнутому или разомкнутому контуру.Параметры,включающие
скорости вытягивания и вращения,имеют большую
скорость отклика и чаще всего контролируються
по принципу замкнутого контура с обратной связью.
Большая тепловая масса обычно не требует
кратковременного контроля температуры.Например
для контроля диаметра растущего кристалла ин-
фракрасный датчик температуры может быть сфокусирован на границе раздела фаз расплав-
монокристалл и использован для определения температуры мениска.Выход датчика связан с
механизмом вытягивающего устройства и контро-
лирует диаметр слитка путем изменения скорости вытягивания.Наиболее перспективными управляющими являються цифровые микропроцессорные системы.Они позволяют уменьшить непосредственное участие оператора в
процессе выращивания и дают возможность
организовать програмное управление многими этапами технологического процесса.
Схема установки для выращивания кристаллов.

1.затравочный шток 2.верхний кожух 3.изолирующий клапан
4.газовый вход 5.держатель затравки и затравка 6.камера
высокотемпературной зоны 7.расплав 8.тигель 9.выхлоп
10.вакуумный насос 11.устройство вращения и подъема тигля
12.система контроля и источник энергии 13.датчик температуры
14.пьедестал 15.нагреватель 16.изоляция 17.труба для продувки
18.смотровое окно 19.датчик для контроля диаметра растущего
слитка.
Список литературы:
1.Технология СБИС
под редакцией С.ЗИ.,МОСКВА”МИР”1986
2.Оборудование полупроводникового производства
Блинов,Кожитов,”МАШИНОСТРОЕНИЕ”1986
Учебно-исследовательская работа на тему :
“Выращивание монокристаллов методом
Чохральского”
ст.пр. Каменев А.Б.
студ.гр.Э-92 Васильев А.Е.
Москва,1996