| Похожие рефераты | Скачать .docx |
Курсовая работа: Переработка жидкого топлива
К жидким химическим топливам относятся нефть и продукты ее переработки (нефтепродукты), а также продукты гидрирования твердого топлива. В настоящее время практическое значение имеют только нефтепродукты, для производства которых сырьем является нефть.
1.1 Нефть, ее происхождение и состав
Нефтью называется жидкое ископаемое топливо, распространенное в осадочной оболочке литосферы Земли. Свое название нефть получила от персидского слова «нафта» — вытекающая, просачивающаяся.
В настоящее время общепринята теория органического (биогенного) происхождения нефти, согласно которой она образовалась в результате воздействия бактериального и геологических факторов на останки низших животных и растительных организмов, обитавших в толще воды (планктон) и на дне водоемов (бентос). В верхних слоях осадочных пород этот захороненный органический материал подвергался воздействию кислорода и бактерий и разлагался с образованием газов (оксид углерода, азот, аммиак, метан и др.) и растворимых в воде жидких продуктов.
В дальнейшем, по мере погружения на глубину 1,5—3 км в толщу осадочных пород, органические вещества нерастворимого остатка разложения подвергались в течение миллионов лет уже в восстановительной атмосфере действию высоких (120— 2000 С) температур и давлений (10—30 МПа) и каталитическому воздействию окружающих пород (алюмосиликаты глин). На этой стадии в результате термических и термохимических процессов липиды органического вещества остатка (жиры, масла, воска) превращались в смесь углеводородов, составляющих нефть.
Большинство нефтей представляют маслянистые жидкости от тимно-коричневого до темно-бурого цвета, который зависит от содержания в них окрашенных смолистых веществ. Плотность нефтей составляет 0,82—0,90 т/м3 , температура затвердевания лежит в пределах от - 20°С до +20°С. Вязкость нефтей значительно выше вязкости воды. Элементный состав нефтей колеблется в очень незначительных пределах: углерод 14—17% , водород 12—14% , сера 0,1 — 5% , кислород и азот (в сумме) до 1,0%.
В нефти различают углеводородную часть, неуглеводородную часть и минеральные примеси. Углеводородная часть нефти представляет собой раствор газообразных и твердых углеводородов в смеси жидких углеводородов различной природы и сложности. В низкомолекулярной части нефти, перегоняющейся до 350°С, содержатся вещества с молекулярной массой не более 250—300, а именно: алканы, моно-, би- и трициклические нафтены, моно- и бициклические ароматические углеводороды, углеводороды смешанного строения. В состав высокомолекулярной части нефти, перегоняющейся выше 350°С, входят вещества с молекулярной массой от 300 до 1000 — высокомолекулярные алканы, моно- и полициклические нафтены с боковыми цепями, ароматические углеводороды с боковыми цепями, конденсированные многоядерные соединения и полициклические углеводороды смешанного строения.
В зависимости от того, углеводороды какого класса преобладают в составе нефти, они подразделяются на парафиновые, парафино-нафтеновые, нафтеновые, парафино-нафтено-ароматические, нафтено-ароматические, ароматические. Наиболее распространены нефти так называемого смешанного основания, в которых нельзя выделить определенный класс углеводородов. В соответствии с технологической классификацией нефти подразделяются на группы по выходу фракций, выкипающих до 350° С, по потенциальному содержанию масел, по содержанию парафина и др.
В неуглеводородную часть нефти входят разнообразные кислородные (фенолы, нафтеновые кислоты, гетероциклы), азотистые (производные пиридина и хинолина, амины) и сернистые (тиофен, тиоспирты и тиоэфиры) соединения. По содержанию серы нефти делятся на:
—малосернистые (с содержанием до 0,5%),
—сернистые (с содержанием от 0,5 до 2,0% ) и
—высокосернистые (с содержанием выше 2,0%).
—Основная масса всех этих соединений концентрируется в
высокомолекулярной части нефти.
Минеральные примеси в нефти составляют различные соли, перешедшие в нее из пластовых вод, механические примеси песка и глины и эмульгированная вода. В нефтях в весьма малых количествах содержатся такие элементы, как ванадий, никель, железо, титан, германий и др.
В природе нефть находится в виде нефтяных залежей, так называемых ловушек, образовавшихся в результате движения нефти и газа по пористым пластам породы под воздействием гравитационного и тектонического факторов. При достаточно большом объеме этих залежей они называются нефтяными месторождениями. В большинстве случаев нефтяные залежи расположены на глубине от 900 до 2300 м.
Мировые разведанные запасы нефти оцениваются в 90 - 95 млрд т, прогнозируемые ресурсы составляют 250 - 270 млрд т. Распределение нефтяных месторождений по планете неравномерно. Наиболее крупные из них сосредоточены в Саудовской Аравии, Кувейте, Ираке, Венесуэле, Алжире, Иране, Ливии и США, Российской Федерации.
В зависимости от условий залегания и давления в нефтеносном пласте методы извлечения нефти из пробуренных скважин делятся на фонтанный, компрессорный и глубинно-насосный. При высоком давлении нефть поступает из недр земли под собственным давлением и через запорную аппаратуру направляется в сборные емкости (фонтанный метод). При малом давлении нефть извлекают методом газлифта путем накачивания в кольцевое пространство между трубами природного газа под давлением до 5 МПа. В скважине газ смешивается с нефтью, уменьшает ее вязкость и «транспортирует» ее на поверхность (компрессионный метод). При глубоком залегании нефти и низком давлении в пластах нефть извлекают с помощью поршневого насоса, опущенного в скважину, и приводимого в движение балансирным станком-качалкой, который обеспечивает возвратно-поступательное движение плунжера насоса.
При современном уровне техники и технологии добычи из нефтяных пластов извлекается лишь около 50% содержащейся в них нефти. Увеличение нефтеотдачи пластов до 10—90% может быть достигнуто тепловым воздействием на пласты (закачивание в скважину горячей воды, прогрев пласта сжиганием нефти), введением в скважину ПАВ, гидравлическим разрывом пласта и другими интенсифицирующими извлечение нефти из недр методами.
1.2 Нефтепродукты
В настоящее время вся извлекаемая из недр нефть подвергается переработке с целью получения из нее разнообразных нефтепродуктов, которые используют как в качестве целевых продуктов, так и в качестве сырья для дальнейшей переработки. Все нефтепродукты можно разделить на следующие группы.
1. Моторные топлива, в том числе:
—карбюраторное для поршневых двигателей с зажиганием от электрической искры (автомобильные и тракторные бензины);
—дизельное для поршневых дизельных двигателей с воспламенением от сжатия (дизельное топливо).
2.Котельные топлива для топок паровых котлов, генераторных установок, металлургических печей (мазут, гудрон).
3.Реактивное топливо для авиационных реактивных и газотурбинных двигателей (авиокеросины).
4.Смазочные масла для смазки трущихся деталей машин с целью уменьшения трения и отвода тепла (моторное, индустриальное, турбинное, компрессионное, цилиндровое масла).
5.Консистентные смазки для уменьшения трения между деталями, защиты от коррозии, герметизации соединений,
содержащие загустители (мыла, церезин, силикаты).
6.Продукты, используемые для нефтехимического синтеза (мазут, широкая фракция и др.).
Нефтепродукты, используемые в качестве топлив и смазочных материалов, должны удовлетворять определенным требованиям. Так, основными эксплуатационными характеристиками нефтяных смазочных масел являются вязкость, вязкостно-температурные свойства, маслянистость, подвижность при низких температурах, химическая стабильность, защитные свойства. К аналогичным характеристикам топлив для двигателей внутреннего сгорания относятся детонационная стойкость, фракционный состав, химическая стабильность, антикоррозионныесвойства, а для дизельных топлив также вязкость, температура застывания и коксуемость. Важнейшей характеристикой моторных топлив является их устойчивость к детонации — детонационная стойкость.
Детонацией называется особый ненормальный режим сгорания топлива в двигателе, при котором часть топливной смеси, находящаяся перед фронтом пламени, воспламеняется мгновенно, в результате чего скорость распространения пламени достигает 1500—2500 м/с. Это приводит к резкому скачкообразному возрастанию давления в цилиндре и возникновению ударной детонационной волны. На режиме детонации мощность двигателя падает, расход топлива увеличивается и ускоряется износ деталей.
Мерой детонационной стойкости для карбюраторных двигателей является октановое, а для дизельных двигателей - цетановое числа. В основе их определения лежит принцип сравнения испытуемого топлива со смесями эталонных топлив.
Октановым числом (ОЧ) называется условная единица измерения детонационной стойкости, численно равная содержанию в объемных процентах изооктана (2,2,4-триметилпентана) в смеси с н-гептаном, которая детонирует при той же степени сжатия в цилиндре карбюраторного двигателя, что и топливо.
При этом октановое число изооктана СН3 -С(СН3 )2 –СН2 -СН(СН3 )-СН3 принимается равным 100, а н-гептана СН3 -(СН2 )5 -СН3 равным 0.
Октановое число зависит от класса, молекулярной массы и строения углеводорода, как это видно из нижеприведенных данных.
Октановое число повышается с увеличением молярной массы:
С2 Н6 С4 Н10 С6 Н14 С7 Н16 ;
0 26 93 125
степени разветвленности углеродной цепи:
СНз-(СН2 )5 -СНз 0
СН3 -С(СНз)2-СН2 -СН2 -СНз 19
СН3 -С(СНз)2 -СН(СНз)-СН3 104
и при переходе от алканов к алкенам, нафтенам и ароматическим углеводородам с одинаковым числом углеродных атомов:
С6 Н14 С6 Н12 цикло-С6 Н12 С6 Н6
26 63 77 106 .
Цетановым числом (ЦТ) называется условная единица измерения детонационной стойкости, численно равная содержанию в объемных процентах цетана (гексадекана) в смеси с
α-метилнафталином, которая детонирует при той же степени сжатия в цилиндре дизеля, что и топливо.
При этом цетановое число цетана С16 Н34 принимается равным 100, а α-метилнафталина α-С10 Н7 -СН3 равным нулю.
1.3 Общая схема переработки нефти
В общем случае переработка нефти на нефтепродукты включает ее подготовку и процессы первичной и вторичной переработки.
Подготовка извлеченной из недр нефти ставит целью удаление из нее механических примесей, растворенных солей и воды и стабилизацию по составу. Эти операции проводят как непосредственно на нефтяных промыслах, так и на нефтеперерабатывающих заводах.
Первичная переработка нефти (первичные процессы) заключается в разделении ее на отдельные фракции (дистилляты), каждая из которых представляет смесь углеводородов. Первичная переработка является физическим процессом и не затрагивает химической природы и строения содержащихся в нефти соединений. Важнейшим из первичных процессов является прямая гонка нефти.
Вторичная нефтепереработка (вторичные процессы) представляет собой разнообразные процессы переработки нефтепродуктов, полученных методом прямой гонки. Эти процессы сопровождаются деструктивными превращениями содержащихся в нефтепродуктах углеводородов и изменением их природы, то есть являются химическими процессами.
Вторичные процессы нефтепереработки весьма многообразны. Они подразделяются:
а) по назначению на:
—процессы, проводимые с целью повышения выхода легкокипящих фракций за счет высококипящих (крекинг);
—процессы, проводимые с целью изменения углеводородного состава сырья (риформинг);
—процессы синтеза индивидуальных углеводородов (алкилирование);
—процессы удаления из нефтепродуктов примесей (гидроочистка);
б) по условиям протекания на:
—термические процессы, протекающие под воздействием высоких температур и давлений;
—каталитические процессы, протекающие под воздействием высоких температур в присутствии катализаторов;
в) по состоянию перерабатываемого сырья на:
—процессы в жидкой фазе;
—процессы в паровой фазе.
Важнейшими из вторичных процессов является термический и каталитический крекинг, риформинг, алкилирование, коксование и гидроочистка нефтепродуктов. На рис. 1.1 представлена общая схема переработки нефти и нефтепродуктов.
1.4 Подготовка нефти к переработке
Извлеченная из скважин сырая нефть содержит попутные газы (50—100 м3 /т), пластовую воду (200—300 кг/т) и растворенные в воде минеральные соли (10—15 кг/т), которые отрицательно сказываются на транспортировке, хранении и последующей переработке ее. Поэтому подготовка нефти к переработке обязательно включает следующие операции:
—удаление попутных (растворенных в нефти) газов или стабилизация нефти;
—обессоливание нефти;
—обезвоживание (дегидратация) нефти.
Стабилизированная нефть

Рис. 1.1 - Общая схема переработки нефти
На крупных месторождениях нефти эти операции объединены в единую систему, включающую сбор, транспортировку и обработку нефти, газа и воды. На рис. 1.2 представлена подобная система.
Сырая нефть из скважин 1 под собственным давлением направляется к групповым замерным установкам (ГЗУ) 2, в которых нефтяной газ отделяется от жидкости и замеряются количества этих продуктов. Затем газ вновь смешивается с нефтью и водой и полученная смесь подается по коллектору (длиной до 1 км) 3 в дожимную насосную станцию 4, где газ отделяется от нефти. Газ поступает на газоперерабатывающий завод (ГПЗ) 5, а частично дегазированная нефть направляется на установку подготовки нефти (УПН) 6. На УПН проводятся операции окончательной дегазации, обессоливания и обезвоживания нефти. Газ далее направляется на ГПЗ, а вода — на установку очистки 7. Очищенная вода закачивается насосами 1 в нефтяной пласт через нагнетательные скважины 9. Обессоленная и обезвоженная нефть из УПН поступает в герметизированные резервуары

Рис. 1.2 - Схема сбора нефти, газа и воды на нефтяных промыслах
1—скважины, 2 — групповая замерная установка, 3 — коллектор, 4 — дожимная насосная станция, 5 — газоперерабатывающий завод, 6 — установка подготовки нефти, 7 — установка очистки воды, 1 — насосы, 9 — нагнетательные скважины, 10 — герметизированные резервуары, 11 — установка «Рубин», 12 — товарные резервуары, 13 – магистральный нефтепровод.
10, из которых насосами перекачивается в установку «Рубин»
11для определения качества и количества нефти. При удовлетворительном результате нефть подается в товарные резервуары
12и из них в магистральный нефтепровод 13, транспортирующий нефть на нефтеперерабатывающие заводы. При неудовлетворительном качестве подготовки нефти она возвращается из установки «Рубин» в УПН.
В настоящее время разрабатываются методы магистральной транспортировки газонасыщенных нефтей, то есть доставки потребителю нефти и газа по одному трубопроводу. Это позволяет уменьшить расход энергии на перекачку продукта за счет снижения его вязкости и более полно утилизировать попутные нефтяные газы.
Стабилизация нефти. Сырая нефть содержит значительное количество растворенных в ней легких углеводородов C1 —С4 . При транспортировке и хранении нефти они могут выделяться, вследствие чего состав нефти будет меняться. Чтобы избежать потери газа и вместе с ним легких бензиновых фракций и предотвратить загрязнение атмосферы, эти продукты должны быть извлечены из нефти до ее переработки. Подобный процесс выделения легких углеводородов из нефти в виде попутного газа называется стабилизацией нефти. В зависимости от условий стабилизацию нефти осуществляют методом сепарации непосредственно в районе ее добычи на замерных установках, дожим-ных станциях и УПН (рис.1.2), или на газоперерабатывающих заводах (рис. 1.3).
В первом случае попутный газ отделяют от нефти многоступенчатой сепарацией в сепараторах-газоотделителях (траппах), в которых последовательно снижаются давление и скорость потока нефти. В результате происходит десорбция газов, совместно с которыми удаляются и затем конденсируются летучие жидкие углеводороды, образуя «газовый конденсат». При сепара-ционном методе стабилизации в нефти остается до 2% углеводородов состава C1 —C4 .
Обессоливание и обезвоживание нефти. Удаление из нефти солей и воды происходит на промысловых установках подготовки нефти и непосредственно на нефтеперерабатывающих заводах (НПЗ).
В обоих случаях процессы обессоливания и обезвоживания нефти связаны с необходимостью разрушения эмульсий, которые образует с нефтью вода. При этом на промыслах разрушаются эмульсии естественного происхождения, образовавшиеся в процессе добычи нефти, а на заводе — искусственные эмульсии, полученные при многократной промывке нефти водой для удаления из нее солей. После обработки содержание воды и хлоридов металлов в нефти снижается на первой стадии до 0,5— 1,0% и 100—1100 мг/л соответственно, и на второй стадии до 0,05—0,1% и 3—5 мг/л.
Для разрушения нефтяных эмульсий используются механические (отстаивание), термические (нагревание), химические и электрические методы. При химическом методе обезвоживания нагретую нефтяную эмульсию обрабатывают деэмульгаторами. В качестве последних используются различные неиногенные ПАВ типа защитных коллоидов: оксиэтилированные жирные кислоты, метил- и карбоксиметилцеллюлоза, лигносульфоно-вые кислоты и др. Наиболее эффективное удаление солей и воды достигается при электротермохимическом методе обессолива-ния, в котором сочетаются термохимическое отстаивание и разрушение эмульсии в электрическом поле.
Установки электротермохимического удаления солей и воды, или электрообессоливающие установки (ЭЛОУ), используются как на промыслах, так и на нефтеперегонных заводах. В этом методе разрушение нефтяной эмульсии происходит в аппаратах — электродегидрататорах под воздействием переменного тока напряжением 30—45 кВ, что вызывает передвижение и слипание капель воды, содержащих соли, и ее отделение от нефти. На рис. 1.3 представлена принципиальная схема ЭЛОУ.
Нефть из сырьевого резервуара 1 с добавками деэмульгатора и слабого щелочного или содового раствора проходит через теплообменник 2, подогревается в подогревателе 3 и поступает в
| 1 —► Обессоленная нефть |
|

| Сырая нефть |
Рис. 1.3 - Принципиальная схема ЭЛОУ:
1 — резервуар нефти, 2 — теплообменник, 3 — подогреватель, 4 — смеситель, 5 — электродегидрататор I ступени, 6 — электродегидрататор II ступени, 7 — холодильник, 1 — сборник обессоленной нефти, 9 — нефтеотделитель смеситель 4, в котором к нефти добавляется вода. Образовавшаяся эмульсия последовательно проходит электродегидрата-торы 5 и 6, в которых от нефти отделяется основная масса воды и растворенных в ней солей, вследствие чего содержание их снижается в 1—10 раз. Обессоленная нефть проходит теплообменник 2 и после охлаждения в холодильнике 7 поступает в сборник 1. Отделившаяся в электродегидрататорах вода отстаивается в нефтеотделителе 9 и направляется на очистку, а отделившаяся нефть присоединяется к нефти, подаваемой в ЭЛОУ.
Обессоливание и обезвоживание нефти увеличивает сроки межремонтной работы установок гонки нефти и снижает расход тепла, а также уменьшает расход реагентов и катализаторов в процессах вторичной переработки нефтепродуктов.
1.5 Первичная перегонка нефти
Первичная перегонка нефти (прямая гонка) — процесс переработки нефти, основанный на разделении смеси составляющих ее углеводородов методом фракционной разгонки (ректификации) на отдельные дистилляты (фракции) с определенными интервалами температур кипения. Прямой гонке подвергается вся добываемая нефть. В соответствии с назначением получаемых дистиллятов различают три варианта прямой гонки:
—топливный процесс (получение различных видов топлив);
—топливно-масляный процесс (получение топлив и масел);
—нефтехимический процесс (получение сырья для химического производства).
Процесс прямой гонки проводится в установках трубчатого типа (название — по названию трубчатых печей), которые включают трубчатые печи различного типа, ректификационные и отпарные колонны, теплообменники и холодильники. В зависимости от глубины переработки нефти установки прямой гонки делятся на:
—одноступенчатые, работающие при атмосферном давлении (AT), и
—двухступенчатые (атмосферно-вакуумные АВТ), в которых одна ступень работает при атмосферном давлении, а другая при остаточном давлении 5—1 кПа.
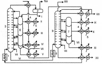
Продуктами прямой гонки на установках AT являются моторные топлива (бензин, авиационный керосин), дизельное топливо и значительное количество остатка — мазута. На установках АВТ на второй ступени подвергается разгонке мазут с образованием смазочных масел и остатка — гудрона, перерабатываемого в битум, пек, нефтяной кокс. Этим на установках АВТ достигается большая глубина переработки нефти, нежели на установках AT. На рис.1.4 представлена технологическая схема установки АВТ, работающей по топливно-масляному варианту.
Нефть из ЭЛОУ последовательно проходит через теплообменники 4, нагреваясь за счет теплоты дистиллятов атмосферной и вакуумной перегонки, и подается насосом под давлением 1,5— 2,0 -105 Па в трубчатую печь 1, где нагревается до 350 0 С. Из печи парожидкостная смесь поступает в ректификационную колонну I ступени 3, в которой давление снижается до 0,1 МПа и происходит испарение летучих фракций нефти и отделение их паров от мазута. По высоте колонны в точно определенных интервалах температур отбираются дистилляты, которые поступают в секции отпарной колонны 6 для дополнительного отделения летучих углеводородов, которые вместе с водяным паром возвращаются в колонну 3. Отобранные дистилляты проходят через теплообмен-

Рис. 1.4 - Технологическая схема установки АВТ:
1 —трубчатая печь подогрева нефти, 2 — сепаратор газа, 3 — ректификационная колонна атмосферного давления, 4 — теплообменники-конденсаторы, 5 — холодильники, 6,7 — отпарные колонны, 1 — трубчатая печь подогрева мазута, 9-—вакуумная ректификационная колонна. I — бензин, II — лигроин, III — керосин, IV — дизельное топливо, V — газойль, VI — мазут, VII — пар, VIII — веретенное масло, IX — машинное масло, X — легкое цилиндровое масло, XI — тяжелое цилиндровое масло, XII — гудрон, XIII — газы
ники 4 и после охлаждения в холодильниках 5 отводятся как товарные продукты из установки. Бензиновый дистиллят через теплообменник 4 поступает в сепаратор газа 2 и после отделения газа выводится как товарный продукт, а частично подается на орошение колонны. Образующийся в количестве до 55% мазут из нижней части колонны 3 подается в печь 1 и оттуда в колонну II ступени 9, работающую при остаточном давлении 0,005—0,001 МПа, где разделяется на дистилляты. В нижнюю часть колонн 3 и 9 подается острый пар, что снижает температуру кипения и способствует более полному отделению легких фракций.
Аппаратура, применяемая при прямой гонке нефти и других процессах нефтепереработки, должна обеспечивать нагревание сырья до высоких температур, при которых процесс протекает с достаточной скоростью и достаточно четким разделением получаемых продуктов. Основными аппаратами в этих процессах нефтепереработки являются трубчатые печи и ректификационные колонны.
В трубчатых печах нефть и мазут проходят по трубам, расположенным внутри печи, и нагреваются за счет теплоты сгорания жидкого или газообразного топлива. Печь состоит из двух камер: радиационной, где размещаются горелки и радиантные трубы, воспринимающие теплоту излучения, и конвекционной, в которой расположены трубы, обогреваемые дымовыми газами, выходящими из камеры радиации. Конструкции трубчатых печей весьма разнообразны. Они различаются способом передачи тепла (радиантные, конвекционные, радиантно-конвекционные), способом сжигания топлива (с пламенным и беспламенным горением), расположением труб змеевика. Экономически наиболее эффективным являются печи беспламенного типа с излучающими стенками. Производительность трубчатых печей установок АВТ составляет от 100 до 1000 т/ч при коэффициенте полезного действия (коэффициенте использования теплоты) до 10% . Из многочисленных конструкций ректификационных колонн в установках прямой гонки используются, главным образом, барботажные колпачковые колонны тарельчатого типа. Они содержат от 30 до 60 тарелок прямоточного действия с подвижными клапанами, что обеспечивает динамический режим работы колонны и постоянство скорости паров ректифицируемого продукта.
Состав и выход продуктов прямой гонки зависят от типа процесса и состава перегоняемой нефти. В табл. 1.1 приведен выход дистиллятов прямой гонки нефти по топливно-масляному варианту процесса.
Таблица 1.1 - Состав продуктов прямой гонки
| Продукты | Интервал температур | Выход,% |
| кипения, °С | ||
| Пepвая1 ступень АВТ | ||
| Бензин | до 170 | 14,5 |
| Лигроин | 160—200 | 7,5 |
| Керосин | 200—300 | 11,0 |
| Дизельное топливо | 300—350 | 5,0 |
| Мазут (остаток) | выше 350 | 55,0 |
| Вторая | ступень АВТ (перегонка мазута) | |
| Веретенное масло | 230—250 | 10—12 |
| Машинное масло | 260—305 | 5 |
| Легкое цилиндровое масло | 315—325 | 3 |
| Тяжелое цилиндровое масло | 350-370 | 7 |
| Гудрон (остаток) | выше 370 | 27—30 |
На современных нефтеперерабатывающих заводах используются комбинированные установки ЭЛОУ—АВТ, в которых совмещены процессы обессоливания и прямой гонки нефти. Мощность их достигает 6 млн т перерабатываемой нефти в год. Применение комбинированных установок значительно улучшает технико-экономические показатели процесса переработки нефти. Расходные коэффициенты для таких установок составляют: пар 49 кг, вода 4,1 м3 , электроэнергия 37,5-103 кДж, жидкое топливо 33,4 т на 1 т перерабатываемой нефти.
1.6 Крекинг нефтепродуктов
1.6.1 Виды крекинг-процесса
Крекингом называется вторичный процесс переработки нефтепродуктов, проводимый с целью повышения общего выхода бензина. Применение вторичных процессов в нефтепереработке позволяет увеличить на 30—35% выход светлых продуктов (моторных топлив), повысить их антидетонационные свойства и термическую стабильность, а также расширить диапазон производимого переработкой нефти химического сырья.
Крекинг нефтепродуктов может быть термическим и каталитическим. Термический крекинг проводится при температурах от 420 до 550°С и давлениях до 5 МПа. В настоящее время термический крекинг используется для получения ограниченного числа продуктов: котельного топлива из гудрона (висбрекинг), высокоароматизированного сырья, сырья для технического углерода (сажи), α-олефинов для производства моющих веществ. Для получения светлых нефтепродуктов, в том числе бензина, используется преимущественно метод каталитического крекинга. Это объясняется тем, что каталитические процессы нефтепереработки по сравнению с термическими имеют ряд преимуществ. К ним относятся:
—высокая скорость превращений углеводородов и, как следствие, более мягкие условия процесса и меньшие энергозатраты;
—увеличенный выход товарных продуктов, в том числе высокого качества (октановое число, стабильность);
—возможность проведения процесса в заданном направлении и получение продуктов определенного состава;
—использование сырья с высоким содержанием серы вследствие гидрирования сернистых соединений и выведения их в газовую фазу.
1.6.2 Термохимические превращения углеводородов
При высоких температурах углеводороды нефтяного сырья подвергаются разнообразным превращениям. Это первичные реакции деструкции, приводящие к образованию продуктов с меньшей молекулярной массой, и вторичные реакции изомеризации и конденсации, в результате которых образуются продукты с той же или большей молекулярной массой.
Тип этих реакций и, следовательно, скорость, глубина и последовательность превращений зависят от стабильности углеводородов различных классов в условиях крекинга. Мерой стабильности с достаточной степенью точности может служить величина изобарно-изотермического потенциала образования углеводородов AG°o 6 , который является сильной функцией температуры. В табл. 1.2 приведены значения AG°об углеводородов различных классов с одинаковым числом атомов углерода и углеводородов одного класса (алканов) с различным числом атомов углерода.
Из табл. 1.2 можно сделать следующие выводы:
1 При низкой температуре (291°К) углеводороды различных классов, но с одинаковым числом углеродных атомов в молекуле, по уменьшению их стабильности располагаются в ряд (ряд термической устойчивости)
Cn H2 n +2 >∆Cn H2 n >Cn H2 n >Cn H2 n -6 .
Таблица 1.2 - Значения ∆G°об , кДж/моль углерода
| Углеводород | Формула | Температура,°К | ||
| 291 | 100 | 1200 | ||
| Гексан Циклогексан Гексен-1 Бензол | С6 Н14 С6 Н12 С6 Н12 С6 Н6 |
-0,29 31,1 17,6 129,9 | 317,9 221,2 | 554,9 300,5 |
| Метан Этан Пропан Бутан | СН4 С2 Н6 С3 Н1 С4 Н10 |
-50,1 -32,9 -23,5 -17,1 |
-2,3 66,6 127,4 115,0 | 41,0 151,6 255,4 355,1 |
2 Термодинамическая устойчивость углеводородов всех классов понижается с ростом температуры, но в различной степени, поэтому при высокой температуре (температуре крекинга) положение углеводородов в ряду термической устойчивости меняется (рис. 1.5):
Cn H2 n -6 >Cn H2 n >∆Cn H2 n >Cn H2 n +2 .
3 Термическая устойчивость углеводородов одного класса падает с увеличением их молекулярной массы (числа атомов углерода) (рис. 1.6).
Таким образом, при температуре крекинга в первую очередь деструкции подвергаются алканы и нафтены преимущественно с высокой молекулярной массой, а наиболее устойчивыми являются ароматические углеводороды и алкены. В результате в продуктах крекинга накапливаются ароматические углеводороды и низшие алкены, которые затем вступают во вторичные реакции полимеризации.
Реакции превращения углеводородов нефтяного сырья при крекинге могут быть сведены к следующим типам.
![]() |
|
углеводородов различных
классов от температуры
1 Термическая деструкция алканов по схеме
Cn H2 n +2 →Cm H2 m +2 +Cp H2 p
Cq H2 q +2 +Cx H2 x ,
где: п = т + р; т = q + х .
При этом, в соответствии с рядом термической устойчивости, из продуктов реакции деструктируются далее в первую очередь алканы. Для низших алканов помимо реакции деструкции по связи С-С, энергия которой равна 315—370 кДж/моль, становится возможной и реакция дегидрирования с разрывом связи С-Н, энергия которой составляет 310—410кДж/моль и становится соизмеримой с первой. Поэтому в газе крекинга всегда содержится водород.
2 Превращения нафтенов, в том числе реакции:
дегидрирования
,
деалкилирования
,
гидрирования с разрывом цикла
.
3 Превращения алкенов, в том числе реакции: деструкции с образованием низших алкенов, алканов и алкадиенов
Cn H2 n →2Cn /2 Hn и Cn H2 n →Cm H2 m +2 +Cp H2 p -2 ,
изомеризации R-CH=CH-CH3 → R-C=CH2 ,
СН3
полимеризации Cn H2 n →C2 n H4 n .
4. Синтез и превращения ароматических углеводородов по реакциям конденсации алкенов и алкадиенов, например
,
|

Из этих реакций реакции деструкции алканов и алкенов, деалкилирования и превращения ароматических углеводородов протекают по радикально-цепному механизму, а реакции термического распада нафтенов - по молекулярному механизму.
Скорость реакций первичной деструкции алканов и высших алкенов, а также скорость реакции деалкилирования приближенно описывается уравнением реакции первого порядка (1.1)
|

где: кср — усредненная константа скорости;
X - степень превращения сырья;
τ - время.
При углублении процесса крекинга константа скорости уменьшается вследствие тормозящего действия продуктов деструкции и в уравнение 1.1 вводятся эмпирические поправки. Глубина превращения крекируемого сырья и выход целевого продукта — бензина зависят от температуры, времени пребывания сырья в зоне высоких температур и давления.
С ростом температуры выход бензина сначала увеличивается вследствие ускорения деструкции нестабильных тяжелых углеводородов, а затем падает в результате разложения образовавшихся легких углеводородов до газообразных продуктов (рис. 1.7 а).
При увеличении времени контактирования выход бензина сначала также возрастает, а затем снижается вследствие тех же причин (рис. 1.7 б). Влияние давления при достаточно высокой и постоянной температуре на выход бензина аналогично влиянию температуры. Поэтому для повышения выхода бензина процесс крекинга ведут при умеренно повышенном давлении, а для увеличения выхода газа — при пониженном давлении (рис. 1.7 в).
Таким образом, максимальный выход бензина при крекинге достигается при некоторых оптимальных значениях параметров процесса.
![]() |
![]() |
![]() |
| ► т |
| -►т |
Рис. 1.7 - Зависимость выхода бензина при крекинге от температуры (а), времени контактирования (б) и давления (в)
1.6.З Каталитический крекинг нефтепродуктов
Крекинг нефтяного сырья в присутствии катализаторов (каталитический крекинг) имеет ряд особенностей, которые обусловили широкое использование его в нефтеперерабатывающей промышленности для производства моторных топлив. К этим особенностям относятся:
—высокая скорость процесса, в 500—4000 раз превышающая скорость процесса термического крекинга;
—увеличенный выход бензинов с большим содержанием изоалканов и малым содержанием алкенов, характеризующихся высоким октановым числом и стабильностью при хранении;
—большой выход газообразных продуктов, содержащих углеводороды C1 —C4 , являющихся сырьем для органического синтеза.
К катализаторам, используемым в каталитическом крекинге, предъявляются следующие требования:
—селективность;
—высокая активность при температуре крекинга,
—стабильность активности;
—устойчивость к истиранию, действию высоких температур и водяного пара.
Мерой активности катализатора при крекинге является «индекс активности», определяемый экспериментально на лабораторных установках. Индекс активности равен выходу бензина, перегоняющегося до 200°С при крекинге эталонного сырья в стандартных условиях.
Стабильностью катализатора называется его способность сохранять свою активность во время эксплуатации. Катализаторы каталитического крекинга достаточно быстро дезактивируются вследствие отложения на поверхности зерен кокса и нуждаются в регенерации.
В каталитическом крекинге в качестве катализаторов ранее применялись природные глины с содержанием оксида алюминия до 25% и индексом активности около 35. В настоящее время все установки каталитического крекинга работают на синтетических алюмосиликатных катализаторах, содержащих в своем составе цеолиты с индексом активности около 50: nNa2 O·mAl2 O3 ·pSiO2 ·qH2 O. Селективность катализатора может быть повышена введением в его состав оксида рения.
Носителем активности подобных катализаторов является гидратированный алюмосиликат HAlO2 ·SiO2 , сохраняющий активность до 700°С. Все реакции, протекающие на поверхности алюмосиликатного катализатора, имеют цепной характер. Последовательность реакций крекинга углеводородов различных классов определяется скоростью адсорбции их на зернах катализатора, так как при температуре крекинга процесс идет в диффузионной области и лимитируется скоростью диффузии молекул сырья к поверхности катализатора. При этом ароматические углеводороды деалкилируются с образованием алке-нов и простейших ароматических углеводородов, нафтены дегидрируются, деалкилируются и расщепляются с разрывом цикла. Алкены, образовавшиеся при крекинге, деструктируют-ся, изомеризуются и гидрируются с образованием циклических и ароматических углеводородов.
Важнейшим направлением превращений при каталитическом крекинге являются реакции алканов, которые подвергаются реакциям деструкции и изомеризации. Последовательность реакций алканов на алюмосиликатном катализаторе может быть представлена в следующем виде.
1 Протонирование катализатора:
HAlO2 ·SiO2 ↔HAlSiO4 ↔H+ + AlSiO4 -
.
2 Дегидрирование алкана до алкена под воздействием тер мического фактора:
R-CH2 -CH2 -CH3 ↔R-CH=CH-CH3 + Н2
3 Образование вторичного карбкатиона:
R-CH=CH-CH3 + H+ ↔ R-C+ h-CH2 -CH3
4 Превращение вторичного карбкатиона по двум схемам:
1) крекинг до алкена:
R–C+
H=CH2
÷CH3
↔R-CH=CH2
+C+
H3
;
2) изометрия в стабильный третичный карбкатион через рестабильный первичный карбкатион:
![]() |
с образованием конечных продуктов — изоалкана и изоалкена и вторичного карбкатиона, генерирующего цепь.
Распад молекул алканов может происходить в различных участках углеродной цепи, однако вероятность распада с образованием метана, этана и этилена незначительна. Поэтому в газе каталитического крекинга содержатся преимущественно углеводороды С3 —С4 . Таким образом, при каталитическом крекинге образуются преимущественно алканы и алкены изостро-ения и ароматические углеводороды и крекинг-бензин имеет высокое октановое число.
Вследствие низкой энергии активации реакций на алюмосиликатных катализаторах скорость их незначительно зависит от температуры. Она определяется, главным образом, активностью катализатора. Давление влияет на скорость реакций поликонденсации и коксообразования и практически не оказывает влияния на скорость распада углеводородов, протекающих на поверхности катализатора.
Характерной особенностью процесса каталитического крекинга является перераспределение (диспропорционирование) водорода. Это явление связано с тем, что в системе протекают одновременно как реакции дегидрирования с образованием алкенов, полимеризующихся на поверхности катализатора до кокса, так и реакции гидрирования и образования насыщенных соединений. Таким образом, в процессе крекинга одни молекулы обедняются водородом, а другие им насыщаются:
![]() |
Перераспределение водорода в процессе каталитического крекинга вызывает отложение кокса на поверхности катализатора и потерю его активности. Вследствие этого появляется необходимость в непрерывной регенерации катализатора, что достигается выжиганием кокса в токе воздуха. Поэтому работа катализатора при крекинге складывается из двух последовательных стадий: рабочего процесса в реакторе и восстановления активности в регенераторе (регенерация), как показано на рис. 1.1.

Рис. 1.1 - Схема действия катализатора при крекинге
Существующие установки каталитического крекинга делятся на три типа:
—периодического действия со стационарным слоем катализатора;
—непрерывного действия с движущимся слоем катализатора;
—непрерывного действия с кипящим слоем микросферического или пылевидного катализатора. Установки этого типа наиболее распространены.
Сырьем для каталитического крекинга служат нефтепродукты, выкипающие в интервале 200—500°С. К ним относятся:
—широкая фракция прямой гонки мазута;
—соляровая фракция термического крекинга;
—газойль коксования нефтяных остатков.
Сырье должно удовлетворять определенным требованиям по содержанию смол, сернистых и азотистых соединений. Поэтому перед крекингом его подвергают гидроочистке.
Основными параметрами процесса каталитического крекинга являются температура, время контактирования паров сырья с катализатором и кратность циркуляции катализатора. Современные промышленные процессы каталитического крекинга используют непрерывно циркулирующий поток катализатора. Отношение массы катализатора к массе сырья, подаваемых в реактор, называется кратностью циркуляции катализатора (кг/кг):
N = тк /тс ,(1.2)
где: тк — масса катализатора, подаваемая в реактор, кг/ч;
тс - масса сырья, подаваемая в реактор, кг/ч.
От кратности циркуляции катализатора зависят время пребывания его в зоне реакции и степень его закоксованности, а также количество теплоты, вносимой с катализатором в реактор как теплоносителем. С увеличением кратности циркуляции возрастает активность катализатора, повышается выход бензина и газа, но увеличиваются размеры регенератора и расход энергии на транспортировку катализатора в установке. Оптимальные значения параметров каталитического крекинга: температура 410—490° С, давление 0,1—0,2 МПа, объемная скорость сырья 1,5—3,0 ч-1 , кратность циркуляции катализатора 2,5—7,0 кг/кг.
На рис.1.9 представлена технологическая схема установки каталитического крекинга с кипящим слоем катализатора 1—А/1—М. Крекируемое сырье через теплообменники 1 подается в печь 2. Нагретое сырье смешивается с рециркулятом (частью тяжелой фракции) и по катализаторопроводу поступает в реактор крекинга 5. В нижнюю отпарную зону реактора вводится водяной пар для отдувки катализатора. Пары продуктов реакции и водяной пар при температуре 450°С из верхней части реактора 3 поступают в нижнюю часть ректификационной колонны 4. Пары бензина и водяной пар отбираются с верхней части колонны, проходят холодильник-конденсатор 5 и поступают в сепаратор 6, в котором разделяются на водяной слой, бензиновый слой и газ. Газ компрессируется и подается на газофракционирование, а бензин поступает на ректификацию. Часть бензина отбирается на орошение колонны.
Дизельное топливо и тяжелая фракция проходят через секции отпарной колонны 7, охлаждаются в теплообменниках 1 и холодильниках 1 и отводятся как товарные продукты. Часть тяжелой фракции в виде рециркулята смешивается с сырьем и подается в реактор 3, а часть направляется на орошение нижней части колонны 4. Смесь тяжелых жидких продуктов крекинга и катализаторной пыли из низа колонны 4 поступает в шламоотделитель 9, из которого шлам возвращается в реактор 3, а богатый ароматическими углеводородами декантат отводится с установки.
Дезактивированный в процессе работы катализатор из кипящего слоя реактора опускается в его отпарную зону и ката-лизаторопроводом отводится в узел смешения с воздухом 10. Из него за счет воздушного потока катализатор переносится в регенератор 11, в котором создается кипящий слой. Основная часть воздуха для выжигания катализатора подается непосредственно в регенератор. Газы, образовавшиеся в результате

Рис. 1.9 - Технологическая схема установки крекинга 1 - А/1 - М:
1 —теплообменники, 2 — трубчатая печь, 3 — реактор «КС», 4— ректификационная колонна, 5 — холодильник-конденсатор, 6 — газоотделитель, 7 — отпарная колонна, 1— холодильники, 9— шламоотделитель, 10 — узел смешения, 11 — регенератор катализатора «КС», 12 — котел-утилизатор, 13 — электрофильтр
выжигания кокса, проходят котел-утилизатор 12, электрофильтр 13 для улавливания катализаторной пыли и выбрасываются в атмосферу. Регенерированный катализатор из нижней части регенератора 11 поступает в катализаторопровод и вместе с сырьем и рециркулятом возвращается в реактор 3.
Основными аппаратами установки каталитического крекинга являются реактор кипящего слоя и регенератор катализатора кипящего слоя. Реактор крекинга «КС» представляет цилиндрический стальной аппарат диаметром 4 м и высотой 40 м с верхним штуцером для ввода паров сырья и нижним — для вывода отработанного катализатора. Внутренний объем реактора разделен на три зоны: реакционную, отпарную и отстойную. В отпарную зону подается водяной пар для отделения адсорбированных на катализаторе углеводородов. Реакционная зона реактора заполнена кипящим слоем катализатора, который создается парами сырья высотой 5—6 м и плотностью 400 кг/м3 . Производительность реакторов составляет 100 т/сутки.
Регенератор катализатора «КС» выполнен в виде стального цилиндрического аппарата диаметром 12 м и высотой 30 м, футерованного изнутри огнеупорным кирпичом. Регенераторвнутри разбит на зоны, в каждой из которых размещены устройства для подвода воздуха, вывода газов регенерации и змеевики для отвода реакционного тепла. Кипящий слой в регенераторе создается током воздуха. Температура выжигания кокса в регенераторе составляет 650—720°С при расходе 12—15 кг воздуха на кг кокса. Производительность регенератора характеризуется массой кокса, выжигаемого в единицу времени с единицы реакционного объема. Для установок с микросферическим катализатором она составляет 12 - 14 кг/ч·м3 .
Продуктами каталитического крекинга являются крекинг-бензин, легкий газойль (дизельное топливо), тяжелый газойль (широкая фракция) и крекинг-газ. В табл. 1.3 представлены выход и состав продуктов каталитического крекинга.
Таблица 1.3 - Выход и состав продуктов каталитического крекинга
| Продукт | Выход, % массовых от сырья | Состав отбираемой фракции | Температура, °С |
| Крекинг -газ | 10—20 | Углеводороды Сз—C5 10%, из них изостро-ения до 40% | |
| Крекинг-бензин | 30—55 | Изоалкены 25 %, изо-алканы до 55%, ароматические углеводороды 20-30% | до 195 |
| Дизельное топливо | 25—30 | Ароматические углеводороды 40—10% | 195-350 |
| Широкая фракция | 5—20 | Конденсированные углеводороды 40—60% | 350 |
Выход кокса при каталитическом крекинге составляет 4 - 1%.
Расходные коэффициенты для установки крекинга «КС» (на 1т сырья): топливо жидкое 6,7 кг, топливо газообразное 9,5 кг, электроэнергия 3,2-105 кДж, катализатор 1,9 кг, водяной пар (потребляемый) 270 кг, водяной пар (вырабатываемый) 615 кг.
1.6.4 Гидрокрекинг нефтепродуктов
Особую разновидность крекинг-процессов представляет гидрокрекинг. Он относится к так называемым гидрогенизационным процессам нефтепереработки и проводится в среде водорода при высоких температуре и давлении, в присутствии бифункциональных катализаторов, катализирующих одновременно реакции расщепления, изомеризации и гидрирования углеводородов.
Подобные сложные контактные системы содержат гидрирующий компонент — металл (кобальт, никель, молибден, платина, вольфрам) и деструктирующий и изомеризующий компонент — алюмосиликаты или цеолиты. Применяются также оксиды и сульфиды металлов на алюмосиликатах.
Важнейшая особенность гидрокрекинга заключается в том, что в нем, наряду с реакциями распада тяжелых углеводородов сырья, свойственными крекинг-процессу, протекают реакции гидрирования образовавшихся продуктов распада. Основными реакциями при гидрокрекинге являются:
1 Деструкция высокомолекулярных алканов и алкенов и дегидрирование продуктов деструкции:
Cn H2 n +2 →Cm H2 m +2 +Cp H2 p
Cp H2 p +H2 →Cp H2 p +2 и окончательно,
Cn H2 n +2 +H2 → Cm H2 m -2 + Cp H2 p +2 .
2 Гидрирование алканов сырья, что в условиях гидрокрекинга термодинамически более вероятно, чем их полимеризация и циклизация:
Cn H2 n +2 +H2 → Cn H2 n +2 .
3 Изомеризация алканов
н- Cn H2 n +2 →изо- Cn H2 n +2 .
4 Распад, дециклизация (гидрогенолиз) и деалкилирование нафтенов, например:
.
5 Деалкилирование и гидрирование ароматических углеводородов:

По убыванию реакционной способности в условиях гидрокрекинга углеводороды могут быть расположены в следующий ряд:
|
|
||
|
> >
Таким образом, при гидрокрекинге, в отличие от каталитического крекинга, легче всего вступают в превращения ароматические полициклические соединения и образуются с высоким выходом легкие насыщенные углеводороды, в том числе изостроения. При этом одновременно с реакциями углеводородной части сырья происходят гидрирование и удаление неуглеводородных соединений — гидроочистка нефтепродуктов.
В целом применение гидрокрекинга позволяет повысить глубину переработки нефти и получить бензин высокого качества, не содержащий сернистых соединений.
Сырьем для гидрокрекинга служат тяжелые нефтяные дистилляты (газойли прямой гонки и каталитического крекинга), мазут, гудрон. В зависимости от вида сырья гидрокрекинг проводится в одну или две ступени, которые различаются режимом работы. Основными параметрами процесса гидрокрекинга, от которых зависят выход и состав продуктов, являются температура, давление водорода, объемная скорость сырья, соотношение между объемами циркулирующего водородсодер-жащего газа и сырья (кратность циркуляции) и содержание водорода в этом газе. Например, для установки одноступенчатого гидрокрекинга Л-16-1 с алюмо-кобальт-молибденовым катализатором принят следующий режим: температура 400— 410 С, давление 5 МПа, объемная скорость 1,0 ч-1 , кратность циркуляции водорода 600 м3 /м3 , содержание водорода в циркулирующем газе 75% об.
Процесс гидрокрекинга используется для производства автомобильных бензинов, реактивного и дизельного топлива, сырья для нефтехимического синтеза и, в частности, для получения бензина с высоким содержанием изоалканов для добавки к бензину риформинга с целью снижения в нем содержания ароматических углеводородов (рис. 1.10).

Рис. 1.10 - Схема корректировки состава бензина риформинга

1.7 Каталитический риформинг нефтепродуктов
Риформингом называется вторичный процесс переработки нефтепродуктов, проводимый с целью получения индивидуальных ароматических углеводородов, водорода или бензина с повышенным содержанием ароматических углеводородов. Процесс риформинга проводится в присутствии катализаторов (каталитический риформинг).
1.7.1 Физико-химические основы процесса
В условиях каталитического риформинга превращениям на катализаторе подвергаются углеводороды всех классов. Важнейшими реакциями при этом являются следующие.
1 Дегидроциклизация и изомеризация алканов:

2 Дегидрирование шестичленных и изомеризация с расширением цикла и дегидрирование пятичленных нафтенов:
|
|
|
![]()
4 Деалкилирование и дегидроконденсация ароматических углеводородов:

Реакции конденсации приводят к образованию кокса, отлагающегося на поверхности катализатора и дезактивирующего
его. Чтобы уменьшить отложение кокса, процесс риформинга проводят в атмосфере водорода. Однако повышение давления водорода смещает равновесие реакций дегидрирования и дегид-роциклизации влево. Поэтому оптимальное парциальное давление водорода в процессе риформинга определяется совместным влиянием обоих факторов. Очевидно, что интенсивность отложения кокса на катализаторе зависит от давления водорода: она незначительна при высоком давлении и весьма существенна при низком. Так как высокая закоксованность катализатора вызывает необходимость его регенерации, то в зависимости от давления процесс риформинга может проводиться в двух технологических вариантах:
—без регенерации катализатора и
—с регенерацией катализатора (ультраформинг).
Выбор катализатора риформинга определяется механизмом реакций, протекающих на нем. Реакции гидрирования и дегидрирования протекают по окислительно-восстановительному механизму и катализируются металлами, реакции изомеризации и гидрокрекинга протекают по ионному механизму и катализируются кислотами. Поэтому в каталитическом крекинге используются бифункциональные катализаторы состава {Me + + Al2 Оз}, где: Me = молибден, платина, рений, Al2 O3 — катализатор изомеризации, промотируемый фторидами или хлоридами металлов, являющийся одновременно носителем.
В соответствии с природой катализатора различают следующие разновидности процесса риформинга:
—платформинг (катализатор — платина),
—рениформинг (катализатор — рений),
—риформинг на молибденовом катализаторе.
Вследствие низкой активности молибденовых катализаторов они в настоящее время в промышленности не используются. Высокой активностью и селективностью обладают полиметаллические катализаторы, содержащие платину, кадмий и рений, например, катализатор, КР-104, стабильно работающие без регенерации до одного года и обеспечивающие выход бензина с ОЧ до 90. Все катализаторы на основе платины чувствительны к каталитическим ядам, к числу которых относятся соединения серы, азота и некоторых металлов. Поэтому сырье перед подачей на операцию риформинга подвергается гидроочистке и сушке.
Превращения углеводородов при риформинге описываются уравнением реакции 1 порядка
U = кср (а-х), (1.3)
где кср — усредненная константа скорости.
Тепловой эффект процесса зависит от удельного веса в нем эндотермических реакций ароматизации (∆Н1 ) и, следовательно, от содержания в сырье нафтенов и экзотермических реакций гидрокрекинга (∆Н2 ). Соотношение это таково, что суммарный тепловой эффект риформинга ∆Н = ∆Н1 - ∆Н2 < 0. Рифор-минг на платиновом катализаторе (платформинг) характеризуется следующими параметрами процесса:
—температура 470—520 С,
—давление водородсодержащего газа 2—1 МПа,
—объемная скорость сырья 1 — 2ч-1 ,
—кратность циркуляции водородсодержащего газа 1300— 1100 м3 /м3 . Понижение температуры приводит к увеличению выхода бензина и уменьшению содержания в них ароматических углеводородов. Повышение давления снижает скорость образования газа и кокса, но уменьшает выход ароматических углеводородов. Снижение объемной скорости сырья влияет аналогично повышению температуры, однако при меньших скоростях возрастает объем аппаратуры и падает экономичность процесса.
1.7.2 Технология каталитического риформинга
В зависимости от цели процесса существует две разновидности каталитического риформинга:
—ароматизация — получение ароматических индивидуаль- ных углеводородов и
—облагораживание бензина — получение бензина свысоким содержанием ароматических углеводородов и высоким ОЧ.
Эти процессы различаются природой сырья, технологическим режимом и составом получаемых продуктов. В табл.1.4 приведены основные данные по этим процессам платформинга.
Таблица 1.4 - Характеристика процессов платформинга
| Характеристика | Вариант платформинга | |
| Облагораживание | Ароматизация | |
| Цель процесса | Повышение октаново- | Синтез индивидуальных |
| го числа бензина | углеводородов | |
| Сырье | Широкая фракция бен- | Узкие фракции бензина |
| зина прямой гонки | прямой гонки | |
| Температура, °С | 410—520 | 410—520 |
| Давление, МПа | 3—4 | 2 |
| Продукты процесса | Катализат 15%, | Бензол, толуол, |
| газ 15% | ксилолы | |
| Применение продуктов | Автобензин, газ для | Сырье для органическо- |
| гидрокрекинга | го синтеза | |

Рис.1.11 - Схема платформинга для облагораживания бензина
Установки каталитического риформинга состоят из трех блоков:
—блока предварительной гидроочистки сырья;
—блока платформинга очищенного сырья (гидрогената);
—блока стабилизации бензина (катализата) в случае облагораживания бензина или блока выделения углеводородов в случае ароматизации.
Установки платформинга по режиму работы делятся на:
—установки со стационарным слоем катализатора и
—установки с движущимся слоем катализатора.
На рис. 1.11 представлена принципиальная схема платформинга для получения облагороженного бензина.
Технологическая схема установки со стационарным слоем катализатора АП-64 производительностью один миллион тонн в год бензина АИ-95 приведена на рис.1.12.
Исходное сырье, пройдя теплообменник 1, смешивается с циркулирующим газом гидроочистки и избыточным водород-содержащим газом риформинга и нагревается в первой секции печи 2. Образовавшаяся газосырьевая смесь поступает в реактор гидроочистки 3, где очищается от соединений серы, азота и кислорода. Очищенная парогазовая смесь охлаждается в теплообменнике 1 и холодильнике 4 и поступает в сепаратор гидроочистки высокого давления 5, где разделяется на циркуляционный газ и жидкий гидрогенизат (очищенный бензин). Газ, содержащий водород и сероводород, подается в абсорбер 6, где очищается от сероводорода раствором этаноламина, после чего в виде циркуляционного газа смешивается с сырьем, поступающим на гидроочистку. Гидрогенизат из сепаратора 5 поступает в отпарную колонну 7, где из него удаляют остатки сероводорода, водяные пары и газообразные углеводороды. Стабильный гидрогенизат выводится из нижней части колонны, проходит теплообменник 1, смешивается с водородсодержащим газом риформинга и, пройдя вторую секцию печи 2, поступает в батарею из трех реакторов платформинга 9. Из последнего реактора батареи газопродуктовая смесь проходит теплообменник 1 и холодильник 10 и охлажденная до ЗО°С поступает в сепаратор высокого давления 11 для отделения циркуляционного газа от жидкого катализата. Циркуляционный газ возвращается в систему платформинга и гидроочистки, а нестабильный катализат (бензин) поступает в сепаратор низкого давления 12. Из сепаратора катализат направляется в колонну стабилизации 13, где из него отделяются

Рис.1.12 - Технологическая схема облагораживания бензина:
1, 1 — теплообменники, 2 — печь двухсекционная, 3— реактор гидроочистки, 4,10, 14— холодильники, 5 — сепаратор гидроочистки, 6 — этанола-минный абсорбер, 7 — отпарная колонна, 9 — реактор платформинга, 11 — сепаратор платформинга высокого давления, 12 — сепаратор платформинга низкого давления, 13 — колонна стабилизации
легколетучие продукты, направляемые на сжижение. Стабильный бензин отбирается из нижней части колонны и, пройдя холодильник 14, поступает на фракционирование.
Технологический процесс платформинга, проводимый с целью получения индивидуальных ароматических углеводородов (ароматизация), не отличается принципиально по аппаратуре и условиям от процесса облагораживания бензина, но имеет ряд особенностей:
1 Сырье (бензин прямой гонки) предварительно разгоняется на узкие фракции, каждая из которых ароматизируется отдельно. Отбирают фракции с интервалами температур кипения: головная до 60°С, бензольная 62—15°С, толуольная 15—115°С и ксилольная 115—150°С.
2 Полученные ароматические углеводороды выделяются из ароматизированных фракций экстракцией этиленгликолем или диэтиленгликолем, в которых не растворяются алканы и нафтены.
3 Смесь ксилолов разделяется сверхчеткой ректификацией на колонне с 320 тарелками, а пара- и метаизомеры — кристаллизацией.
На рис. 1.13 представлена принципиальная схема ароматизации.
Выход ароматических углеводородов при ароматизиции составляет от массы бензина: бензол 25%, толуол 30%, ксилолы 20—30%, газ, содержащий водород, метан, этан и пропан до 20%.
1.1 Очистка нефтепродуктов
Полученные в результате прямой гонки и различных вторичных процессов нефтепродукты содержат компоненты, отрицательно сказывающиеся на их эксплуатационных свойствах. В светлых нефтепродуктах (бензин, керосин, дизельное топливо) содержатся алкены и алкадиены, органические соединения серы (тиоспирты тиоэфиры), нефтяные кислоты, высшие амины и азотсодержащие гетероциклы. Помимо этих примесей в дизельном топливе присутствуют высшие алканы с температурой затвердевания -10°С и выше, которые кристаллизуются при низких температурах. В нефтяных маслах, полученных разгонкой мазута, могут содержаться также смолы и полициклические ароматические углеводороды с боковыми цепями.
Многие из этих соединений вызывают нестабильность свойств нефтепродуктов при хранении и транспортировке, кор-розию аппаратуры, образование нагара и токсичных продуктов сгорания. Для их удаления используют методы депарафи-низации и очистки нефтепродуктов.

| Рис. 1.13 - Схема платформинга для ароматизации |
Депарафинизацией называется процесс выделения из нефтепродуктов твердых углеводородов, выпадающих в виде кристаллов при охлаждении. Наиболее распространенным методом депарафинизации стал метод с использованием селективных растворителей, основанный на различной растворимости углеводородов. В качестве растворителей используются ацетонто-луольная или метилэтилкетон-толуольная смесь и спиртовой раствор карбамида. При карбамидной депарафинизации карбамид образует с алканами нормального строения с числом углеродных атомов более шести и циклическими углеводородами с длинными алифатическими радикалами кристаллические комплексы
RH + CO(NH2 )2 ↔ RH · CO(NH2 )2 -∆Н .
Полнота извлечения алканов возрастает с понижением температуры (-∆Н), увеличением времени обработки нефтепродуктов растворителем и снижением вязкости системы. Для этого используют растворители, хорошо растворяющие как алканы, так и карбамид. Образовавшиеся кристаллические комплексы отделяют от нефтепродуктов отстаиванием, фильтрованием или центрифугированием. Для очистки нефтепродуктов от примесей используются методы адсорбции, абсорбции и гидрирования.
При адсорбционной очистке в качестве адсорбентов используют естественные глины, синтетические алюмосиликаты, активированный уголь. Для повышения адсорбционной активности поглотители предварительно активируют обработкой кислотами и прокаливанием и диспергируют до размеров частиц около 0,1 мм.
При абсорбционной очистке используют такие селективные растворители, как фенол, фурфурол, смесь фенола с пропаном, жидкий оксид серы (IV), серная кислота, гидроксид натрия. Так, например, при щелочной абсорбционной очистке протекают реакции:
H2 S + 2NaOH = Na2 S + 2Н2 О, RSH + NaOH = RSNa + H2 O,
RCOOH + NaOH = RCOONa + H2 O
с образованием соединений, растворимых в воде и удаляемых при очистке.
При кислотной очистке из нефтепродуктов удаляются, главным образом, алкены, ароматические углеводороды и некоторые соединения серы:
R-CH=CH2 + H2 SO4 = R-CH(OSO3 H)-CH3 ,
С6 Н6 + H2 SO4 = C6 H5 OSO3 H + H2 O,
H2 S + H2 SO4 = S + SO2 + 2H2 O,
2RSH + H2 SO4 = R-S-S-R + SO2 + 2H2 O .
Технологическая схема абсорбционной очистки нефтепродуктов включает операции экстракции, разделения образующихся фаз, непрерывной регенерации растворителя и его обезвоживания.
Заключительной операцией очистки нефтепродуктов, которую проходят почти все нефтяные топлива прямой гонки, крекинга и риформинга, является гидроочистка. Ее используют также для облагораживания смазочных масел. Гидроочистка представляет одну из разновидностей гидрогенизационного процесса и протекает в условиях, близких к условиям гидрокрекинга и на тех же катализаторах.
В процессе гидроочистки из нефтепродуктов удаляются соединения серы, азота, кислорода и некоторых металлов и гидрируются ненасыщенные углеводороды:
RSH + H2 = RH + H2 S
R2 S + 2H2 = 2RH + H2 S
RNH2 + H2 = RH + NH3
ROH + H2 = RH + H2 O
R-CH=CH2 + H2 = R-CH2 -CH3 .
Образовавшиеся продукты гидрирования отделяются от нефтепродуктов путем поглощения их сорбентами (этаноламин, раствор гидроксида натрия).
1.9 Коксование нефтяных остатков
Коксованием называется термохимический процесс превращения тяжелых остатков нефтепереработки (гудрон, асфальт, крекинг-остаток) в нефтяной кокс и светлые нефтепродукты (бензин, газойль). Коксование позволяет не только получать беззольный электродный кокс, но и увеличить выход светлых нефтепродуктов за счет расщепления высококипящих углеводородов коксуемых остатков и тем самым повысить глубину переработки тяжелого нефтяного сырья.
Коксования нефтяных остатков может проводиться в установках различного типа:
—в горизонтальных кубах периодического действия;
—в необогреваемых коксовых камерах полунепрерывного
действия;
—в реакторах кипящего слоя непрерывного действия.
При коксовании в кипящем слое нагретое сырье контактирует в реакторе «КС» с подвижным, нагретым до более высокой температуры, чем сырье, инертным теплоносителем и коксуется на поверхности частиц этого теплоносителя. В современных установках этого типа (рис.1. 14) теплоносителем является гранулированный кокс с размерами частиц до 0,3 мм, который создает в реакторе кипящий слой.
В этом кипящем слое одновременно протекают три процесса:
— собственно коксование, сопровождающееся образованием продуктов разложения и уплотнения;
—прокаливание кокса и удаление из него летучих веществ;
—вторичные реакции продуктов коксования в паровой фазе.
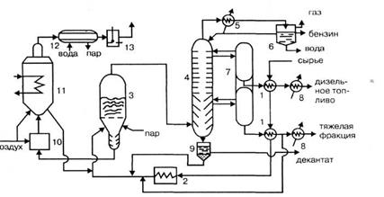
Жидкое сырье подается в реактор 1, в котором поступающим снизу водяным паром создается кипящий слой кокса. Парогазовая смесь продуктов коксования поступает в парциальный конденсатор реактора 2, где разделяется на газ, бензиновый

Рис. 1.14 - Схема коксования нефтяных остатков:
дистиллят, направляемый на ректификацию, и газойль. Коксовый теплоноситель из реактора подается в коксонагреватель 3, где частично сжигается в токе воздуха. Нагретый кокс охлаждается в коксовом холодильнике 5 и поступает в бункер кокса 6, а частично возвращается в реактор 1. Дымовые газы из коксонагревателя 3 проходят котел-утилизатор 4 и выбрасываются в атмосферу.
Выход продуктов коксования (сырье — гудрон) составляет:
кокс 14%, газойль 63% , бензин 12% , газ 10%
Похожие рефераты:
Нефтеперерабатывающий завод "Уфанефтехим" как источник загрязнения среды обитания
Оценка конкурентной среды нефтехимической отрасли
Технология пиролиза углеводородного сырья в трубчатых печах
Нефть: происхождение, состав, методы и способы переработки
Нефть и способы ее переработки
Топливо в структуре энергетических ресурсов
Разработка поточной схемы и расчет товарного баланса нефтеперерабатывающего завода
Процесс переработки нефти на ЗАО "Павлодарский НПЗ"
Каталитический крекинг с кипящим слоем микросферического катализатора
Крупнейшие месторождение нефти. Месторождение Аль-Гавар





