| Скачать .docx |
Курсовая работа: Курсовая работа: Хімічний склад та якість мінеральної води в пляшках
МІНІСТЕРСТВО ОСВІТИ І НАУКИ УКРАЇНИ
ДОНЕЦЬКИЙ НАЦІОНАЛЬНИЙ УНІВЕРСИТЕТ
ХІМІЧНИЙ ФАКУЛЬТЕТ
КАФЕДРА АНАЛІТИЧНОЇ ХІМІЇ
Курсова робота на тему:
Хімічний склад та якість мінеральної води в пляшках
Роботу виконав:
студент 3 курсу хімічного факультету
Міщенко О.В.
Науковий керівник:
доцент кафедри канд. хім. наук
Дрозд Ю.С.
м. Донецьк – 2009
ЗМІСТ
Вступ
1. Вимоги до якості мінеральної води (літературний огляд)
1.1 Класифiкацiя мінеральних вод та її значення
1.2 Показники якості фасованої води
1.3 Методи контролю якості
2. Визначення іонного складу води за електропровідністю (експериментальна частина)
2.1 Іонохроматографічний аналіз мінеральної води
2.2 Експрес-аналіз води кондуктометричним методом
Висновки
Література
Додатки
ВСТУП
Екологічна ситуація вимагає наукового підходу до використання природних багатств, зокрема питної, мінеральної та інших видів вод. Здоров’я людини на 70% залежить від якості води. Вода самий необхідний для споживачів, проте зручний для фальсифікації та дешевий у виробництві товар. Рівень фальсифікації мінеральної води на українському ринку продовольчих товарів сягає 20%, російського – 30% від усього об’єму, що виробляється.
Сучасний підхід до вирішення цих проблем полягає в підвищенні рівня поінформованості громадян та виховання екологічної культури та культури споживання. Цьому сприяють такі телевізійні проекти, як „Знак якості”. Жодна програма не обходиться без експертизи. Дослідження якості товарів та послуг відіграє важливу роль в багатьох галузях господарства, але найбільш актуальною є в харчовій галузі .
Метою нашої роботи було порівняння існуючих класифікацій мінеральних вод та використання малодослідженого інтегрального показника електропровідності для ідентифікації мінеральної води. Для цього аналіз іонного складу проводили сучасними методами: іонної хроматографії та кондуктометрії. На практиці були засвоєні принципів цих методів, було зроблено аналіз реальних зразків мінеральної води, що розфасована в скляні та пластикові (ПЕТ) пляшки.
1. Вимоги до якості мінеральної води (літературний огляд)
1.1 Класифiкацiя мінеральних вод та її значення
Мінеральна вода як об’єкт наукового дослідження розглядається з початку минулого століття [1]. Перші критерії оцінки мінеральних лікувальних вод розроблені хіміком Грюнхутом і прийняті Наугеймською радою у 1911 р. За цими критеріями оцінювали 14 різних параметрів складу води, за перевищення яких вода, як вважали, змінювала якість питної на якість мінеральної, тобто лікувальної. Рівнозначними залишаються "сухий залишок" (мінералізація), вміст літію, стронцію, вуглекислоти, радону і т. ін. Такий принцип виділення мінеральних вод з усього розмаїття природних вод залишився до теперішнього часу. Перші критерії Грюнхута були отримані шляхом опрацювання даних про склад "звичайних" питних вод і беззаперечно мінеральних, відомих з досвіду користування ними багатьох поколінь.
У 20-і роки XX століття в класифікаціях природних (і мінеральних в т. ч.) вод закріпився принцип аналізу хімічних властивостей (класифікації А.А. Лозинського, Н.С. Звоницького, С.А. Щукарєва, Е.Е. Карстенса, В.А. Александрова та ін.). В таблиці 1. стисло викладені дані щодо розвитку уявлень про показники мінеральних вод, які стосуються тільки критеріїв розподілу мінеральних вод: від перших критеріїв Грюнхута, які стали основою практично в усіх країнах (колонка 2), до критеріїв, застосованих у "Класифікації мінеральних вод України" 2001 р. (колонка 4). У колонці 3 зібрані критерії, які застосовували у колишньому Радянському Союзі, зокрема в Україні. Критерії, в основному, наведені за "Классификацией минеральных вод" Іванова-Невраєва.
Таблиця 1. Порівняльні критерії розподілу мінеральних вод
| Основні показники | Критерії розподілу мінеральних вод за Грюнхутом, 1911 р. (поправки 1932 р.) | Межі вмісту за діючими документами | Межі вмісту за новою класифікацією |
| 1 | 2 | 3 | 4 |
| Загальна мінералізація (загальний вміст розчинених солей) | Понад 1 г/л | Понад 1 г/л | Такі самі |
| Вміст СО2 вільної і розчиненої | 250(500) мг/л і більше | 500 мг/дм3 і більше | Такі самі |
| Вміст органічної речовини (в розрахунку на вуглець) | - | 5-30 мг/дм3 | 8-40 мг/дм3 - |
| Вміст ортоборноі кислоти (Н3 ВО3 ) | Метаборна кислота (НВО2 ) 1 г/л | 35 мг/дм3 і більше | Такі самі |
| Вміст метакремнійової кислоти (H2 Si03 ) | - | 50 мг/дм3 і більше | Такі самі |
| Вміст As | Гідроарсерніт 1,3 мг/л | понад 0,7 мг/дм3 | 0,7-2 мг/дм3 |
| Вміст Вг | 5 мг/л і більше | 25 мг/дм3 і більше | Такі самі |
| Вміст J | 1,0 (5,0) мг/л | 5 мг/дм3 і більше | Такі самі |
| Вміст Li | 1 мг/л | - | понад 5 мг/дм3 |
| Вміст Se | - | - | понад 10 мкг/дм3 |
| Вміст Аg | - | - | понад 0,1 мг/дм3 |
| Вміст Sr | 10 мг/л | - | понад 0,001 мг/дм3 |
| Вміст Fe | Fe2+ +Fe3+ – 10(20) мг/л | Fe2+ +Fe3+ 10 мг/дм3 | Такі самі |
| Вміст Ва | 10 мг/л | - | - |
| Вміст F | 10 мг/л | - | - |
Вміст H2 Sзаг (H2 S+HS- ) |
Титрована сірка 1 мг/л і більше | 10 мг/дм3 і більше | Такі самі |
| Вміст Rn | Понад 1,3 мкС (29 мкС) | 180 Бк/дм3 і більше | Такі самі |
Позиції класифікації Іванова-Невряєва закріпилися і, в принципі, залишаються одним з основних підходів до визначення критеріїв розподілу мінеральних вод до теперішнього часу. Для деяких критеріїв (наприклад, мінералізації, концентрації кремнійової кислоти) в цій класифікації підхід залишився старим - тобто порівняння та аналіз практично застосовуваних питних і мінеральних вод. Деякі критерії (літій, стронцій) були виключені зі списку біологічно активних речовин так само, на основі порівняння лікувальних доз і вмісту цих речовин у відомих мінеральних водах. Критеріїв оцінки мінеральних вод щодо вмісту бору та органічних речовин автори не запропонували, вважаючи їх недостатньо вивченими. Класифікація Іванова-Невраєва була прийнята і протягом деякого часу була базою для розробки інших документів.
Нові дослідження, проведені після виходу класифікації, дозволили включити в наступні документи нові критерії оцінки. Наприклад, для бору - 35 мг/л ортоборної кислоти, для органічних речовин - 5 мг/л (в СРСР) і 8 мг/л Сорг (в новій українській класифікації на основі досліджень, проведених в Україні). Уточнений критерій оцінки для заліза (Грюнхут -10 мг/л, Іванов-Невраєв - 20 мг/л, ГОСТ 13273, ДСТУ 878-93 -10 мг/л).
В будь-якій класифікації повинні бути виділені принципи (ознаки), які дозволяють окреслити предмет (об'єкт) класифікації, відрізнити його від інших природних об'єктів і на основі принципів класифікаційного розподілу створити можливість зручного практичного використання класифікації для конкретної мети. Цим пояснюється велика кількість класифікацій.
За даної ситуації кінцевою метою класифікації є систематизація знань про мінеральні води та їх лікувальні властивості у формі, максимально зручній для використання фахівцями різних галузей: гідрогеологами, які займаються пошуками, розвідкою та експлуатацією мінеральних вод, бальнеологами, які призначають лікування мінеральними водами, та іншими спеціалістами, які досліджують їх лікувальні властивості.
Нова "Класифікація мінеральних вод України" складена на основі аналізу минулого досвіду вивчення мінеральних вод, доступних документів і джерел літератури, останніх досягнень вітчизняної та зарубіжної науки. Класифікація починається з чіткого визначення предмета - мінеральних вод. Мінеральні води - це природні підземні води, які справляють на організм людини лікувальну дію, зумовлену підвищеним вмістом основних компонентів (гідрокарбонатів, сульфатів, хлоридів, кальцію, магнію, натрію, калію), специфічних компонентів (газового складу, мікрокомпонентного тощо), або специфічними властивостями (радіоактивність, температура, структура води, реакція води - рН, Еп тощо), що тією чи іншою мірою відрізняються від дії питної води.
Основною відмінністю предмета від критеріїв Грюнхута є чітке виділення мінеральних вод не тільки за власне критеріями (кількістю), а й за ефектом впливу (відрізняється від дії питної води). Таке формулювання прийняте на основі вивчення документів, що діють у сфері водного законодавства країн Європейського Союзу.
Таким чином, на основі накопиченого до XXI століття досвіду і знань лікувальну дію природних вод визначають три причини:
1) підвищений вміст її основних компонентів;
2) підвищений вміст специфічних компонентів;
3) специфічні фізичні властивості природних вод.
Інтегральним критерієм, що відображає присутність у воді основних компонентів, є мінералізація (сума основних компонентів). У поняття мінералізації входять також специфічні компоненти, проте їх підсумкова кількість не перевищує 1% мінералізації.
Цей інтегральний критерій - мінералізацію в 1 г/л – застосовують у світовій практиці для дещо формального розподілу питних і мінеральних вод. Цей критерій застосовують тільки з метою відокремлення вод, за відсутності чогось кращого на сьогодні. Існування такої межі між питною і мінеральними водами не означає, що не можна пити воду з мінералізацією понад 1 г/л (це не рекомендується). Також це не означає, що не можуть бути лікувальними води з мінералізацією менше 1 г/л (за наявності специфічних компонентів або властивостей вони можуть бути лікувальними за низької мінералізації). Такий розподіл входить в різні нормативні документи, є основою для складання програм, розрахунків та ін.
До мінеральних вод відносять всі води, мінералізація яких перевищує 1 г/л, за умови доведення їх лікувальної дії. Це означає, що, застосувавши загальноприйняту схему розподілу питних і мінеральних вод, перейдемо безпосередньо до основної ознаки мінеральних вод. Ця основна ознака - наявність ефектів, відмінних від дії питної води. Такі ефекти залежать від специфіки складу води. І, отже, цей критерій означає, що ми визнаємо воду мінеральною, якщо сума основних компонентів перевищує 1 г/л, за умови встановлення лікувальних властивостей такої води. Інакше це не мінеральна (тобто лікувальна), а просто "мінералізована" вода.
Є ще одне цікаве питання, пов'язане з мінералізацією води і мінеральними водами. Мова йде про води з мінералізацією, меншою за 0,1 г/л. Нові санітарні правила і норми встановлюють нижню межу мінералізації питних вод - 0,1 г/л на основі результатів численних досліджень, в яких встановлене при застосуванні такої води виникнення ефектів, відмінних від дії питної води. Це дає підстави віднести в майбутньому, після додаткових досліджень, такі води до мінеральних лікувальних. Дослідження, проведені з ультрапрісними водами, дозволяють зробити припущення, що їх специфічна дія на організм пов'язана не тільки з мінімальною концентрацією хімічних компонентів, а й з їх структурними особливостями.
Сучасний підхід до визначення критеріїв вмісту специфічних компонентів, за якими виділяють мінеральні води, дещо змінився з огляду на недоліки старих підходів. Для визначення критеріїв застосовують як багаторічний досвід, так і результати досліджень впливу складу питних вод, які вміщують в будь-яких невеликих кількостях специфічні компоненти, а також досліджень, проведених безпосередньо на курортах, токсикологічних досліджень, що входять у норми СанПіН, і т. д. Зовсім по-новому в "Класифікації мінеральних вод України" здійснений підхід до "специфічних фізичних властивостей", за якими природна вода може бути визнана мінеральною (лікувальною).
Розглянемо детальніше класифікацію мінеральних вод, прийняту в Україні. В ній зважали на два можливі способи застосування мінеральних вод - внутрішнє і зовнішнє.
За іонним складом розрізняють 15 класів – за аніонами і 15 підкласів – за катіонами.
Групи мінеральних вод, виділяють за мінералізацією, вмістом специфічного компонента, за кількісними показниками специфічних властивостей.
Типу мінеральної води відповідає власна унікальна назва води та її характеристика (внутрішнє або зовнішнє застосування, або і те, і те). Для дослідження нами обрано мінеральні води внутрішнього застосування.
Всього класифіковано 323 українських родовища і проявів мінеральних вод, їх упорядкований список додається до класифікації.
В загальному списку родовищ і проявів додатково до порядкового номера типу води, за яким можна знайти всі зазначені відомості, ще раз вказано область України, в якій розташоване родовище або прояв даної мінеральної води, і зафіксоване джерело, звідки отримані відомості про мінеральну воду. Таким чином, для кожної пляшки мінеральної води обов’язковою є інформація на етикетці про джерело (свердловину), з якого видобуто мінеральну воду, в тому числі і за межами України (додаток Б). Крім того, на етикетці має бути група та тип, хімічний склад, зокрема загальна мінералізація, показання та протипоказання щодо вживання мінеральної води, умови та термін зберігання, адреса виробника.
1.2 Вимоги до якості мінеральної води
Справжня мінеральна вода має відповідати вимогам Державних стандартів [3,4]. В 1993 р. в Україні було прийнято ДСТУ 878-93 «Води мінеральні питні. Технічні умови». Згідно з цим нормативним документом ДСТУ 878-93 «Води мінеральні питні», основним критерієм тих чи інших мінеральних вод є загальна мінералізація і вміст специфічних біологічно активних компонентів
Оскільки курс України спрямований на інтеграцію в міжнародне співтовариство, то назріла потреба перевидати стандарт чи, точніше, розробити новий, вимоги якого гармоніюватимуть із вимогами європейських стандартів. Тому на заміну ДСТУ 878-93 було розроблено стандарт ДСТУ 878:2006 «Води мінеральні природні фасовані», в якому враховано багато вимог подібних європейських документів. ДСТУ 878:2006 набув чинності.
Стандарт містить два основних нових моменти, які відповідають обов’язковим європейським вимогам – це відміна транспортування мінеральних вод від джерела до лінії розливу (мінеральна вода має подаватися до лінії розливу тільки по трубопроводу), а також відміна будь-якої обробки води, що може спричинити зміну хімічних і мікробіологічних властивостей.
Проте до виконання стандарту, а особливо реалізації на виробництвах основних змін, які мали наблизити нас до європейського рівня якості продукції, мало хто з виробників був готовий [5]. Хоча найбільш цінною водою вважається та, яку добули з джерел заповідників, місць, які розташовані далеко від промислових районів, штучне обробляння мінеральної води СО2 необхідне, щоб забезпечити стійкість фасованої мінеральної води. В фасованій мінеральній воді є два фактори, що впливають на мікробіологічну стійкість. По-перше, під час розливу вода збагачується киснем, та, по-друге, температура під час зберігання в пляшці вище ніж, у джерела. Розмноження бактерій у бутильованій воді є біологічним процесом, якому можна запобігти також шляхом пастеризації або стерилізації води. Найбільш швидкий процес спостерігається в ПЕТ пляшках, тому що під мікроскопом поверхня пластику виглядає нерівною, що сприяє розвитку бактерій. Кількість бактерій зменшується з підвищенням співвідношення площа поверхні/об’єм пляшки. Найголовнішою вимогою до фасованої мінеральної води є збереження фізико-хімічних властивостей води під час транспортування і збереження. Для цього застосовувалися спеціальні прийоми обробки і розливу, щоби звести нанівець можливість зміни якості води, доки вона з гірських глибин потрапить до споживача. Мікроорганізми у мінеральній воді можуть змінювати хімічний склад та погіршувати смакові та лікувальні властивості води. З огляду на це, перехід на нові стандарти вимагає нових технологій виробництва і має бути поступовим.
Таким чином, справжні мінеральні води – це води, добуті з гірських джерел, які мають лікувальні властивості, які виробники намагаються зберегти під час фасування води. Більш придатною для цього є скляна тара [6].
Протягом останніх 15 років промисловий розлив мінеральних вод в Україні сформувався в окрему галузь. Якщо у середині 80-х років минулого століття в Україні розливали майже 50 найменувань, то сьогодні у реєстрі мінеральних вод нараховується понад 650, але найвідомішими залишаються перевірені виробники, чия продукція відповідає вимогам [3,4]. (табл.2).
Таблиця 2. Найпопулярніші мінеральні питні води
| Найменування води | Мінералізація, г/куб. дм | Група, тип |
| 1. Миргородська | 2,5-3,5 | Хлоридно-натрієва, лікувально-столова |
| 2. Куяльник | 3,0-4,0 | Хлоридно-натрієва, лікувально-столова |
| 3. Поліська | 3,0-5,0 | Гідрокарбонатно-хлоридна, хлоридно-гідрокарбонатна натрієва, лікувально-столова |
| 4. Лужанська | 3,0-6,5 | Гідрокарбонатна натрієва, лікувально-столова |
| 5. Поляна квасова | 6,5-12,0 | Гідрокарбонатна натрієво-борна, лікувально-столова |
| 6. Поляна Купель | 7,0-10,5 | Гідрокарбонатна натрієво-борна, лікувально-столова |
| 7. Свалява | 4,0-8,0 | Гідрокарбонатна натрієво-борна, лікувально-столова |
| 8. Софія Київська | 0,4-0,7 | Гідрокарбонатна складного катіонного складу, природна столова |
| 9. Древньокиївська | 0,5 | Гідрокарбонатна натрієво-борна, лікувально-столова |
| 10. Березівська | 0,5-1,0 | Гідрокарбонатна складного катіонного складу, природна столова |
| 11. Регіна | 0,4-1,0 | Гідрокарбонатна складного катіонного складу, природна столова |
| 12. Кримська | 1,7-2,5 | Гідрокарбонатно-хлоридна, хлоридно-гідрокарбонатна натрієва, лікувально-столова |
| 13. Трускавецька | 0,3-0,6 | Сульфатно-хлоридна складного складу, природна столова |
Мінеральна вода містить чимало різних хімічних компонентів і від їх кількості залежать її лікувальні властивості та смакові якості. Власне до складу мінеральної води входять аніони (гідрокарбонати, сульфати і хлориди) і катіони (кальцій, магній, натрій, калій).
Смачна і корисна вода тоді, коли ці складові оптимально збалансовані. Якщо ж якогось з елементів понад норму, тоді така вода може завдати шкоди.
Таким чином, за призначенням мінеральні води поділяються на:
- лікувальні – вживати їх бажано за призначенням лікаря, курсом, з дотриманням необхідних доз і термінів;
- лікувально-столові – вживати за призначенням лікаря, але можна вживати також епізодично, як столовий напій;
-природні столові – пити можна в необмеженій кількості.
1.3 Методи контролю якості
У мінеральних водах контролюють різноманітні показники якості, але серед найголовніші серед них є показники іонного складу. Для цього застосовуються різні хімічні та фізико-хімічні інструментальні методи [7]. Перш за все, визначають аніонний та катіонний склад, а тим самим, тип та призначення води [8,9].
Гідрокарбонат-іони титриметричним або потенціометричним методом. Метод титрування ґрунтується на реакції нейтралізації
Na2 CO3 + 2НС1 = 2NaCl + CO2 ↑ + Н2 О
Сульфат – іони титриметричним або потенціометричним методом. Метод титрування ґрунтується на утворенні у кислому середовищі малорозчинного сірчанокислого барію:
ВаСl2 + Na2 SO4 = BaSO4 ↓ + 2NaCl
хлорид – іони титриметричним або потенціометричним методом. Метод титрування ґрунтується на утворенні у нейтральному або слабо лужному середовищі малорозчинного хлориду срібла:
AgNO3 + NaCl = AgCl↓ + KNO3
кальцій – та магній – іони титриметричним або потенціометричним методом та атомно-абсорбційним методами;
натрій – іони гравіметричним або полуменево - фотометричним методами;
калій – іони гравіметричним або полуменево - фотометричним методами.
Таким чином, загальна тенденція під час дослідження лікувальних властивостей мінеральної води – це вивчення насамперед її хімічного складу. Інші властивості (рН, Еп, електропровідність, структурні особливості) мінеральних вод тільки-но почали привертати увагу дослідників, їх вивчення дало перші результати. В зв’язку з цим в роботі ми приділили увагу показнику “електропровідність”, що тісно пов’язаний з хімічними показниками, і зосередились на методах аналізу, в основі яких використовується питома електропровідність.
2. Визначення іонного складу води за електропровідністю (експериментальна частина)
2.1 Встановлення катіонного та аніонного складу методом іонної хроматографії
Останнім часом впроваджуються нові експресні методи аналізу, наприклад, іонна хроматографія та кондуктометрія. Іонна хроматографія дозволяє одночасно визначати декілька катіонів: Li+ , Na+ , NH4 + , K+ , Ca2+ , Mg2+ або аніонів F– , NO3 – , NO2 – , Cl– , SO4 2- .
Рис. 1 Одночасне визначення катіонів 1 мг/дм3
Іонна хроматографія має переваги над іншими методами завдяки експресності, екологічній чистоті та чутливості.
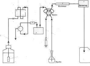
Для проведення дослідів застосовували іонний хроматограф Metrohm IC 792 (додаток Б) з кондуктометричним детектором та аналітичними колонками для визначення катіонів та аніонів. Принцип методу полягає у розділенні катіонів на аналітичній колонці. При визначенні аніонів відбувається обмін відповідно катіонів або аніонів:
Смола–К+ +І+ ↔ Смола– І+ + К+
Смола–А– +В– ↔ Смола–В– + А–
Зразок проби насосом подається на детектор, який реєструє збільшення електропровідності, що відбувається за рахунок певних іонів, які розподіляються на аналітичній колонці і виходять по черзі за ступенем спорідненості до активних центрів смоли. Першими виходять однозарядні іони, пізніше двозарядні. Загальний час аналізу становить 20 хвилин.
Можна послідовно контролювати катіонний склад а потім аніонний або вибірково, бо цього досить для попередніх висновків щодо якості зразку. Такого вибіркового контролю ми ї дотримувалися. Результати аналізу наведені в табл.3.
Таблиця 3 Катіони в зразках фасованої мінеральної води
| Зразок | Натрій, г/дм3 | Калій, г/дм3 | Кальцій, г/дм3 | Магній, г/дм3 |
| Роса Святогір’я | 27 | <1 | 1 | <1 |
| Водолей | <1 | 1 | 5 | <1 |
| Льдинка | 26 | 1 | 41 | <1 |
| Лазурная ледниковая | 9 | 1 | 95 | <1 |
| Астахівська | 190 | <1 | 265 | 120 |
Програмне забезпечення приладу дозволяє отримати результат аналізу у вигляді хроматограми (рис. 2).

Рис.2 Аналіз мінеральної води “Астахівська”
З наведених даних видно, що мінеральною з 5 зразків можна вважати тільки воду “Астахівську”.
За результатами аналізу зразок відповідає катіонному складу, що наведено на етикетці:
“Астахівська” мінерально-столова газована вода
Свердловина К-3331Г гідрокарбонатно-сульфатна складного катіонного складу.
Термін зберігання 6 міс.
ДСТУ 878-93
Хімічний склад, мг/дм3
сульфати 700-15000
гідрокарбонати 300-600
магній 50-150
кальцій 150-250
мінералізація 1,6-3,8 г/дм3
Таким чином, дотримання виробником Державного стандарту – надійна запорука отримання якісного товару.
Аналогічний підхід застосовували для контролю аніонного складу зразків фасованої мінеральної води (табл.4).
Таблиця 4. Аніони в зразках фасованої мінеральної води
| Зразок | Фторид, г/дм3 | Хлорид, г/дм3 | Сульфат, г/дм3 |
| Юр’ївська | <0,5 | 12 | 5 |
| Боржоми | 1,0 | 438 | 8 |
| Альпика | <0,5 | 1 | 1 |
| Азау | <0,5 | <0,5 | 1 |
З хроматограми (рис.3) видно, що з 4 зразків тільки один зразок “Боржоми” можна вважати мінеральною водою. Аніонний склад задовольняє заявленому на етикетці (Додаток А).

Рис.3 Аналіз мінеральної води “Боржоми”
2.2 Експрес – аналіз фасованої води кондуктометричним методом
Питома електропровідність розчинуχ характеризує загальну мінералізацію так само, як і «сухий залишок». Проте цей метод має великі переваги порівняно з гравіметричним методом визначення маси сухого залишку, бо при застосуванні сучасного приладу – кондуктометру аналіз триває не більше 5 хвилин і не потребує спеціального лабораторного обладнання (аналітичних терезів для зважування сухого залишку, сушильної шафи тощо).
Електропровідність зразків мінеральної води вимірювали кондуктометром HI-3877 фірми Hanna Instruments (додаток С). Для цього при температурі 20±2ºС занурюють вимірювальний електрод у розчин, що аналізується (зразок), вибираємо діапазон вимірювань, та отримуємо результат. Вимірювання повторюється тричі, обчислюється середнє значення електропровідності (табл.5).
Таблиця 5 Інтегральний показник електропровідності
| Зразок | Електропровідність χ, μЅ/см, | Висновок |
| Альпика | 0,3 | Вода оброблена за технологією зворотного осмосу |
| Азау | 2,1 | |
| Юрське джерело | 5,6 | |
| Водолей | 12 | |
| Льдинка | 45 | Вода пом’якшена за допомогою іонообмінної смоли та змішана з осмотичною водою |
| Юр’ївська | 88 | |
| Роса Святогір’я | 130 | |
| Лазурная ледниковая | 468 | |
| Астахівська | 2570 | Мінеральна вода |
| Боржоми | 5980 |
ВИСНОВКИ
В роботі досліджуються сучасні вимоги до якості мінеральної води та проблеми впровадження міжнародних стандартів в Україні. В цілому якість мінеральної води в пляшках гарантується дотриманням виробниками Державних стандартів.
Розглянуто класифікації мінеральних вод, їх переваги та недоліки. За іонним складом розрізняють 15 класів – за аніонами і 15 підкласів – за катіонами. Групи мінеральних вод, виділяють за мінералізацією, вмістом специфічного компоненту.
З’ясовано, що загальна тенденція дослідження лікувальних властивостей мінеральних вод – вивчення їх хімічного зокрема іонного складу.
Перспективним інтегральним показником якості мінеральної води є електропровідність. Цей показник вивчали експериментально методами іонної хроматографії та кондуктометричного аналізу.
Застосовані методи рекомендовані для експрес – аналізу мінеральної води для визначення її походження, способу її обробляння, виявлення фальсифікації мінеральної води.
Література
1 Н.В. Фоменко Рекреаційні ресурси та курортологія. – К .: Центр навчальної літератури, 2007. – 312 с.
2 А.Ю. Боярин. Закони раціонального використання водних ресурсів України. – К.: 2001 – 152 с.
3 ДСТУ 878-1993 Води мінеральні питні. Технічні умови. – 90 с.
4 ДСТУ 878:2006 Води мінеральні природні фасовані. – 16 с.
5 Нові ДСТУ 878:2006 «Води мінеральні природні фасовані». Проблеми їх впровадження // Харчовик. – 2007. – №7.
6 В.И. Федоренко. И. Кирякин Бутилирование питьевой воды // Пиво и напитки. – 2002. – №6. – С.38-39.
7 Г.Ф. Фомин Контроль химической, бактериальной и радиационной безопасности воды по международным стандартам. – М.: Протектор 2000 – 848 с.
8 ГОСТ 23268.0-23268-18 Воды минеральные питьевые, лечебные, лечебно - столовые и природные столовые. Правила приемки и методы анализа. 1978. – 97 с.
9 ГОСТ 23268.1-91 Воды минеральные питьевые лечебные, лечебно-столовые и природные столовые. Методы определения органолептических показателей и объема воды в бутылках. 1991. – 4 с.
ДОДАТКИ
Додаток А
Етикетка мінеральної води , що розлита в скляні пляшки

Додаток Б
Принципова схема іонного хроматографу

Додаток В
Портативний кондуктометр

