| Скачать .docx |
Курсовая работа: Спроектировать ректификационную установку для разделения бензол – толуол
ФЕДЕРАЛЬНОЕ АГЕНТСТВО ПО ОБРАЗОВАНИЮ
АНГАРСКАЯ ГОСУДАРСТВЕННАЯ ТЕХНИЧЕСКАЯ АКАДЕМИЯ
КАФЕДРА МАШИН И АППАРАТОВ ХИМИЧЕСКИХ ПРОИЗВОДСТВ
КУРСОВОЕ ПРОЕКТИРОВАНИЕ
по процессам и аппаратам химической технологии на тему:
«Спроектировать ректификационную установку для разделения
бензол – толуол»
Проектировал студент
гр. Мху – 06 – 1
Руководитель проекта
Подоплелов Е. В.
Ангарск, 2009
СОДЕРЖАНИЕ
1 ТЕХНОЛОГИЧЕСКАЯ СХЕМА
2 ТЕХНОЛОГИЧЕСКИЙ РАСЧЕТ АППАРАТА
2.1 Материальный баланс колонны
2.2 Пересчет массовых долей
2.3 Расчет рабочего флегмового числа
2.4 Расчет физико-химических параметров процесса колонны
2.5 Определение диаметра колонны
2.6 Определение тангенса угла наклона
2.7 Определение высоты колонны
2.8 Гидравлический расчет колонны
2.9 Расчет патрубков
2.10 Расчет кипятильника
СПИСОК ЛИТЕРАТУРЫ
Ректификация – частичное или полное разделение гомогенных жидких смесей на компоненты в результате различия их летучести и противоточного взаимодействия жидкости, получаемой при конденсации паров, и пара, образующегося при перегонке.
Ректификация широко распространена в химической технологии и применяется для получения разнообразных продуктов в чистом виде, а также для разделения газовых смесей после их сжижения (разделение воздуха на кислород и азот, разделение углеводородных газов и др.).
Процесс ректификации не применяется при разделении чувствительных к повышенным температурам веществ, при извлечении ценных продуктов или вредных примесей из сильно разбавленных растворов, разделении смесей близкокипящих компонентов.
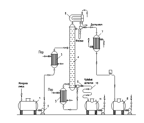
Технологическая схема процесса ректификации представленная на рис.1.
Исходную смесь из промежуточной емкости-1 центробежным насосом-2 подают в теплообменник-3, где подогревают до температуры кипения и подают в колонну на ту тарелку, где кипит смесь того же состава хF , т.е. на верхнюю тарелку нижней исчерпывающей части колонны. Верхняя часть колонны называется укрепляющей по легколетучему компоненту.
Внутри ректификационной колонны-4 расположены контактные устройства в виде тарелок или насадки. Снизу вверх по колонне движется пар, поступающий из выносного куба – испарителя (кипятильника)-5 (куб – испаритель может размещаться и непосредственно под колонной). На каждой тарелки происходит частичная конденсация пара труднолетучего компонента и за счет конденсации – частичное испарение легколетучего компонента. Начальный состав пара примерно равен составу кубового остатка хW , т.е. обеднен легколетучим компонентом. Таким образом, пар, выходящий из куба – испарителя и представляющий собой почти чистый труднолетучий компонент, по мере движения вверх обогащается легколетучим компонентом и покидает колонну в виде почти чистого пара легколетучего компонента. Для полного обогащения верхнюю часть колонны орошают в соответствии с заданным флегмовым числом жидкостью (флегмой) состава хР , получаемой в дефлегматоре-6 путем конденсации пара, выходящего из колонны. Пар конденсируется в дефлегматоре, охлаждаемом водой. Часть конденсата выводится из дефлегматора в виде готового продукта разделения – дистиллята, который охлаждается в теплообменнике-7 и направляется в промежуточную емкость-8. Флегма, стекая по колонне и взаимодействуя с паром, обогащается труднолетучим компонентом.
Из куба – испарителя отводят нижний продукт или кубовый остаток.
Из кубовой части колонны насосом-9 непрерывно выводится кубовая жидкость – продукт, обогащенный труднолетучим компонентом, который охлаждается в теплообменнике-10 и направляется в емкость-11.
Рис. 1. Технологическая схема ректификационной установки
2 ТЕХНОЛОГИЧЕСКИЙ РАСЧЕТ АППАРАТА
2.1 Материальный баланс колонны
Производительность колонны по дистилляту Р и кубовому остатку W определяется из уравнений материального баланса:
,
где F , Р, W – расход исходной смеси, дистиллята, кубового остатка, кг/с;
Х F , ХР , Х W – концентрация низкокипящего компонента в исходной смеси, кубовой остатке и дистилляте.
F = 10000 кг/ч = 2,78 кг/с
= 1,26 кг/с
W = 2,78 – 1,26 = 1,52 кг/с
Пересчет массовых долей в мольные:
,
где MA и M Б – молярные массы низкокипящего (бензол) и высококипящего (толуол) компонентов, кг/кмоль.

2.3 Расчет рабочего флегмового числа
Для технологического расчета ректификационной колонны необходимо построить равновесную зависимость между жидкостью и паром для смеси в координатах У–X и t –X ,У .
Определяем минимальное флегмовое число:

– концентрация легколетучего компонента в паре, находящегося в равновесии с исходной смесью XF
(графика У–X
). = 70,5 %
Рабочее флегмовое число определяется как
,
где β – коэффициент избытка флегмы (β = 1,02÷3,5).
Определяется рабочее флегмовое число R
, отрезок B
, число теоретических тарелок в колонне nT
, путем вписывания «ступенек» между равновесной и рабочими линиями. Рабочие линии строятся для каждого отрезка
. Результаты расчетов заносим в таблицу 2.
Таблица 2
| β | R | В | nТ | пТ ( R + 1) |
| 1,2 | 1,56 | 38,4 | 17,8 | 45,57 |
| 1,5 | 1,95 | 33,3 | 14,2 | 41,89 |
| 1,8 | 2,34 | 29,4 | 12,5 | 41,75 |
| 2,5 | 3,25 | 23,1 | 11 | 46,75 |
| 3,5 | 4,08 | 19,4 | 10,3 | 52,33 |
| 4,5 | 5,4 | 15,4 | 9,5 | 60,8 |
Строится график в координатах
и из точки минимума на кривой определяется оптимальное рабочее флегмового число R
: R
опт
= 2,2 при 
![]()
2.4 Расчет физико-химических параметров процесса колонны
Средние массовые расходы жидкости для верхней и нижней частей колонны определяются из соотношений:
LB = P · R = Ф = 4421 · 2,2 = 9726,2 кг/ч
LH = Ф + F = P · R + F = 9726,2 + 10000 = 19726,2 кг/ч
Средний расход пара по колонне постоянен:
G = P · ( R + 1) = 4421 · (2,2 + 1) = 14147,2 кг/ч
средние концентрации жидкости:

![]()
средние концентрации пара:


где
;
;
(график Х-У
).
По диаграмме
при средних концентрациях пара и жидкости определяются средние температуры пара, °С:
![]()
а) средние мольные массы жидкости:
;
![]()
б) средние мольные массы пара:
;
![]()
в) средние плотности пара:
;
,
г) средние плотности жидкости:
![]()
;
,
где ρ1
и ρ2
– плотности массы соответственно низкокипящего и высококипящего компонентов при температурах
= 88,5ºС и
= 103ºС
и
– среднее массовые концентрации жидкости вверху и внизу колонны:
;
,


;
= 800 кг/м3
;
= 787,4 кг/м3
д) средние вязкости пара:
; 
где
и
– среднее мольные массы пара в верху и низу колонны, кг/кмоль;
и
– вязкости низкокипящего и высококипящего компонентов паровой смеси при температурах
и
, мПа·с
,
0,92 · 10-2
мПа·с;
,
0,923· 10-2
мПа·с
е) средние вязкости жидкости:
,
где
и
– вязкости НК и ВК компонентов жидкости при
, мПа·с (табл. 2).
; ![]()
; ![]()
2.5 Определение диаметра колонны
Рабочая скорость пара для насадочной колонны:
,
где ρп и ρж – плотность пара и жидкости.
Насадка – Кольца Рашига 25х25х3.
f =200м2 /м3
Е=0,74 м2 /м3
Низ колонны:

Верх колонны:

Диаметр колонны рассчитывают отдельно для верхней и нижней частей колонны:


Рассчитанные диаметры верхней и нижней частей колонны отличаются друг от друга на 3,5% < 10%, принимаем колонну одного диаметра, равного: D=1600 мм.
Принимаю d аппарата равным 1600 мм с насыпной насадкой, перераспределительными тарелками типа ТСН-ll (ОСТ 26-705-73) и распределительной тарелкой типа ТСН-lll (ОСТ 26-705-73).
Рабочая скорость пара в колонне при выбранном диаметре:
![]()
2.6 Определение тангенса угла наклона
Коэффициент массопередачи зависит от угла наклона кривой равновесия, причем этот угол является переменной величиной. Поэтому линию равновесия из графика Х-У (рис. 1) разбивают на равные участки вертикальными линиями, проведенными через точки Х1 = 0,1; Х2 = 0,2 и т. д. Для каждого участка определяют тангенс угла наклона отрезка кривой равновесия:
![]()

2.7 Определение высоты колонны Расчет высоты насадки методом ВЭТТ:


Действительная высота насадки:
![]()
![]()
Общая высота насадки:
![]()
Высота колонны определяется по формуле:
,
где
,
– высота соответственно сепарационной части колонны, расстояние между днищем колонны и тарелкой.
2.8 Гидравлическое сопротивление слоя орошаемой насадки
где
- гидравлическое сопротивление сухой насадки, Па.
,
где
- свободный объём насадки,
=0,74 м3
/м3
;
- эквивалентный диаметр насадки,
=0,015 м;
- коэффициент сопротивления сухой насадки.
,
где
- удельная поверхность насадки,
=200 м2
/м3
.
Гидравлическое сопротивление для верхней части колонны:




Гидравлическое сопротивление для нижней части колонны:




Общее гидравлическое сопротивление для всей колонны:
![]()
2.9 Расчет патрубков
Внутренний диаметр патрубка определяется из уравнений расхода:
, откуда
,
где G – массовый расход перекачиваемой среды, кг/с;
ρ – плотность среды, кг/м3 ;
ω – скорость движения жидкости, м/с
Внутренний диаметр штуцера для вывода дистиллята из колонны:

Стандартный диаметр патрубка d у = 200 мм (наружный диаметр 219 мм, толщина стенки 6 мм).
Внутренний диаметр штуцера для ввода пара в колонну:

Стандартный диаметр патрубка d у = 300 мм (наружный диаметр 325 мм, толщина стенки 8 мм).
Внутренний диаметр штуцера на входе исходной смеси в колонну:
,
Стандартный диаметр патрубка d у = 100 мм (наружный диаметр 108 мм, толщина стенки 5 мм) [2, прил. 7].
Внутренний диаметр штуцера на выходе кубового остатка из колонны:

Стандартный диаметр патрубка d у = 80 мм (наружный диаметр 89 мм, толщина стенки 4 мм).
2.10 Расчет кипятильника
Исходные данные:
Количество паров воды для конденсации G 1 = 3,93 кг/с ; удельная теплота парообразования смеси (толуола) r 1 = 362,5 кДж/кг при температуре кипения t к = 110ºС. В качестве теплоносителя использовать водяной пар с абсолютным давлением 5 кгс/см2 . Влияние примеси бензола на теплоотдачу не учитывать.
Тепловая нагрузка аппарата:
Q = G 1 · r 1 = 3,93 · 362,5·103 = 1424,63·103 Вт
Расход воды:
G
2
=
,
где r 2 =2117·103 Дж/кг – удельная теплота парообразования водяного пара при температуре конденсации tконд =151,1 ºС

Средняя разность температур:
Примем ориентировочный коэффициент теплопередачи от конденсирующего пара к воде (конденсатор) (4, табл. 3) Кор = 1000 Вт/м2 ·К, тогда требуемая площадь поверхности теплообменника:

Поверхность, близкую к ориентировочной имеет теплообменник с высотой труб Н=2,0 м и диаметром кожуха D=0,6 м и поверхностью теплообмена F=40 м2 . Испарители могут быть только одноходовыми, с диаметром труб d=25x2 мм.
Проведу уточненный расчет:
,
где ρ1 = 777 кг/м2 ; λ1 =0,116 Вт/(м ·К); μ=0,251 ·10-3 Па·с; σ1 =18,35·10-3 Н/м - физико-химические характеристики жидкого толуола при tкип =110ºС
Значение коэффициента b определяется по формуле:
,
где ρп – плотность паров толуола, при tкип =110ºС



Коэффициент теплоотдачи для пара, конденсирующегося на наружной поверхности труб высотой Н, определяется:
,
где ρ2 = 932 кг/м2 ; λ2 =0,683 Вт/(м ·К); μ2 =0,207 ·10-3 Па·с – физико-химические характеристики конденсата воды при tконд =132,9ºС

Сумма термических сопротивлений стенки и загрязнений:
,
где
- толщина стенки,
мм;
λст – теплопроводность нержавеющей стали, λст =17,5 Вт/(мК)

Коэффициент теплопередачи:

Удельная тепловая нагрузка:


откуда
![]()
Это уравнение решается графически, задаваясь значением q. В качестве первого приближения принимается ориентировочное значение удельной тепловой нагрузки:

q=40000 Вт/м2 у =2,55
q=38000 Вт/м2 y =0,93
q=37000 Вт/м2 y =0,15
при у=0 q=36800 Вт/м2
Требуемая поверхность F=1424630/36800=38,71 м2
Выбранный из каталога теплообменник с F=40 м2 ; D=600 мм; Z=1; n=257; H=2,0 м; d=25x2 мм подходит, так как присутствует запас поверхности.
1. К.Ф. Павлов, П.Г. Романков, А.А. Носков. Примеры и задачи по курсу процессов и аппаратов химической технологии. – Л.: Химия, 1987.
2. Методические указания по курсовому проектированию процессов и аппаратов химической технологии. «Расчет ректификационной установки непрерывного действия». – Ангарск, АГТА, 2000.
3. Основные процессы и аппараты химической технологии: Пособие по проектированию. Под ред. Ю.И. Дытнерского, 2-е изд., перераб. и дополн.- М.: Химия, 1991.
4. Расчет теплообменников. Справочно-методические указания по курсовому проектированию процессов и аппаратов химической технологии. Составили: Л. И. Рыбалко, Л. В. Щукина. Ангарская государственная техническая академия. – Ангарск: АГТА, 2001.