| Скачать .docx |
Реферат: Обеззараживание воды 2
Введение
Сегодня в России сложилась достаточно сложная ситуация с обеспечением населения и предприятий питьевой водой надлежащего качества. Источники водоснабжения в последнее время подвергаются интенсивному загрязнению. Сооружения водоподготовки и водоотведения, на которых используются традиционные методы и процессы, не всегда в состоянии обеспечить требуемую степень очистки воды. В полной мере это относится и к обеззараживанию воды – главному барьеру на пути передачи водных инфекций. По данным статистики, более 11% проб качества питьевой воды в стране не удовлетворяют требованиям действующего ГОСТ по бактериологическим показателям. Отмечается постоянный рост числа бактериальных и вирусных заболеваний, распространяемых водным путем [1].
Обзор современных способов обеззараживания воды
Под обеззараживанием питьевой воды понимают мероприятия по уничтожению в воде бактерий и вирусов, вызывающих инфекционные заболевания. По способу воздействия на микроорганизмы методы обеззараживания воды подразделяются на
· химические, или реагентные;
· физические, или безреагентные;
· комбинированные.
В первом случае должный эффект достигается внесением в воду биологически активных химических соединений; безреагентные методы обеззараживания подразумевают обработку воды физическими воздействиями, а в комбинированных используются одновременно химическое и физическое воздействия.
Из числа известных методов обеззараживания воды многие находятся пока на стадии чисто научных разработок. К ним относятся, например, пропускание постоянного, переменного или импульсного тока, анодное разложение, кавитация, радиационное облучение рентгеном, гамма-квантами или ускоренными электронами. Также существуют такие способы, как обработка перекисью водорода, перманганатом калия, ионами тяжелых металлов, иодирование и бромирование [2].
Применение тяжелых металлов (медь, серебро и др.) для обеззараживания питьевой воды основано на использовании их способности оказывать бактерицидное действие в малых концентрациях. Эти металлы могут вводиться в виде растворов солей либо методом электрохимического растворения. В обоих этих случаях возможен косвенный контроль их содержания в воде. Следует заметить, что ПДК ионов серебра и меди в питьевой воде достаточно жесткие.
К химическим способам обеззараживания питьевой воды относится широко применявшееся в начале 20 в. обеззараживание соединениями брома и йода, обладающими сильно выраженными бактерицидными свойствами, но требующими довольно сложной технологии. В современной практике для обеззараживания питьевой воды йодированием предлагается использовать специальные иониты, насыщенные йодом. При пропускании через них воды йод постепенно вымывается из ионита, обеспечивая необходимую дозу в воде. Такое решение приемлемо для малогабаритных индивидуальных установок. Существенным недостатком является изменение концентрации йода во время работы и отсутствие постоянного контроля его концентрации.
К физическим способам относится обеззараживание питьевой воды ультразвуком. Оно основано на способности ультразвука вызывать т. н. кавитацию – образование пустот, создающих большую разность давления, что ведет к разрыву клеточной оболочки и гибели бактериальной клетки. Кипячение также является распространенным и надежным способом индивидуального обеззараживания воды. Помимо уничтожения бактерий, вирусов, бактериофагов, антибиотиков и других биологических объектов, часто содержащихся в открытых водоисточниках, удаляются растворенные в воде газы и уменьшается жесткость воды. Вкусовые качества воды при кипячении меняются мало.
Сравнительно недавно появились установки обеззараживания, основанные на бактерицидном действии перекиси водорода. Поскольку при высокой активности по отношению к большинству микроорганизмов Н2 О2 имеет невысокую стоимость, продукты ее разложения абсолютно безопасны, а необходимые реагенты просты и доступны, этот метод имеет большие перспективы.
Наиболее известный и распространенный способ обеззараживания — это комплексное физико-химическое воздействие на воду с целью изменения ее состава для достижения некоего стандарта. Реальными практическими технологиями, прошедшими проверку на действующих крупномасштабных сооружениях очистки воды, являются хлорирование, озонирование и ультрафиолетовое (УФ) облучение с дальнейшей обработкой на угольных фильтрах или полимерных мембранах. Все они позволяют избавиться от мельчайших взвешенных органических частиц, коллоидов и микроорганизмов. Необходимо отметить, что почти все перечисленные процессы требуют точного дозирования реагентов. Особенно это касается процедур введения обеззараживающих реактивов — поскольку они чрезвычайно химически активны и могут представлять определенную опасность при передозировке. Поэтому следует особое внимание уделить подбору дозировочного оборудования, отдавая предпочтение современной цифровой технике.
Рассмотрим подробнее эти выше перечисленные методы обеззараживания.
Озонирование воды
В последние 20 лет области применения озона значительно расширились и во всем мире ведутся новые разработки. С гигиеничной точки зрения метод озонирования воды имеет существенные преимущества благодаря высокому окислительно-восстановительному потенциалу бактерицидного действия.По данным ряда исследований озонирование может быть полезным и на ранних стадиях очистки, еще на этапе введения флоккулирующих агентов. Так, введение озона на начальной стадии обработки позволяет за счет обесцвечивания на 30–60% от исходной цветности и флоккулирующего эффекта уменьшить на последующих стадиях обработки дозу коагулянта (обычно, сульфата алюминия) на 15–25%. Совместная обработка озоном и УФ в несколько раз увеличивают скорость реакции окисления нефтепродуктов, фенолов, гуминовых кислот и т.д. Тем не менее, опыт свидетельствует, что полностью отказываться от хлорирования и переходить только на обработку озоном не следует, т.к. предварительные испытания таких установок показали, что в теплое время года, когда температура обрабатываемой природной воды достигает 22°С, озонирование не позволяет достигнуть заданных микробиологических показателей.
Озонирование воды основано на свойстве озона разлагаться в воде с образованием атомарного кислорода, разрушающего ферментные системы микробных клеток и окисляющего некоторые соединения, которые придают воде неприятный запах (например, гуминовые основания). Доза озона, необходимая для обеззараживания воды, варьируется в зависимости от содержания в воде органических веществ, от температуры воды и от величины активной реакции воды (рН). Прозрачная и чистая ключевая вода и воды горных рек, малозагрязнённые посторонними примесями, требуют примерно 0,5 мг/л озона. Вода, поступающая из открытых водохранилищ, может вызывать расход озона до 2 мг/л. Средняя доза озона составляет 1 мг/л. Экспериментальные исследования показали, что с повышением температуры воды необходимо также увеличивать дозу озона. Продолжительность контакта озоно-воздушной смеси с обрабатываемой водой колеблется от 5 до 15 минут сообразно с типами установок и их производительностью (при повышении температуры время контакта увеличивается). Хлор и озон на бактерии влияют не одинаково. При увеличении интенсивности хлорирования происходит прогрессивное отмирание бактерий. Между тем, при озонировании обнаруживается внезапное бактерицидное действие озона, соответствующее определённой критической дозе, равной 0,4-0,5 мг/л (рис.1). Для меньших доз озона его бактерицидность незначительна, но и как только достигается критическая доза, отмирание бактерий становится сразу резким и полным. Последние исследования механизма озонирования показали, что действие его происходит быстро при условии поддержания нужной концентрации в течение определённого времени. Это действие обусловлено озонированием массы бактериальных протеинов в процессе каталитического окисления.
Рис. 1
На обеззараживающее действие озона влияет цветность воды, так озонирование неосветлённой воды неэкономично и неэффективно, так как большие количества озона расходуются на окисление веществ, которые могут быть задержаны обычными очистными сооружениями. Обработка воды озоном целесообразна только после её осветления, а так же фильтрования (доза озона уменьшается в 2-2,5 раза, чем для нефильтрованной воды) [3]. Исследования показали, что кишечная палочка, оказавшаяся наиболее устойчивой к действию окислителей из всей группы кишечных бактерий, быстро погибает при озонировании. Также эффективно использование озонирования в борьбе с возбудителями брюшного тифа и бактериальной дизентерии.Озон обладает высокой эффективностью в уничтожении спор, цист и многих других патогенных микробов, а также отличается высоким спорицидным эффектом. Озон пропускали в течение определённого времени через воду дистиллированную, водопроводную, колодезную, речную и прудовую, заражённую спорами антропоида. Полное обеззараживание загрязнённых естественных вод, содержащих до 10000 спор антропоида в 1 мл, достигалось после пропуска озона через воду в течение 1 часа. Также была установлена прямая зависимость величины озонопоглощаемости воды от степени её загрязнения, чем чище вода, тем меньше озонопоглощаемость. Озон оказывает резко выраженное, быстрое и радикальное воздействие на многие вирусы. Механизм этого явления объясняется полным окислением вирусной материи [4].
Обесцвечивающее действие озона объясняется окислением соединений, вызывающих цветность воды; они превращаются в более простые молекулы, не имеющие окраски. Потребная доза озона зависит от необходимой степени обесцвечивания, причём увеличение расхода его происходит непропорционально.С физической точки зрения вода после озонирования претерпевает значительные качественные изменения. В достаточно большом слое вода приобретает красивую голубоватую окраску, свойственную родниковой воде. При озонировании вода хорошо аэрируется, что делает её более усваиваемой и приятной для питьевого потребления. С органолептической точки зрения в озонированной воде не только не возникает каких-либо привкусов и запахов но, наоборот, устраняются всякие следы привкуса и запаха, ранее существовавшие в обрабатываемой воде.
Изложенное выше показывает, что озонирование представляет собой действительно универсальный метод обработки воды, поскольку он проявляет своё действие одновременно в бактериологическом, физическом и органолептическом отношении.Однако широкому распространению этого процесса препятствует ряд его существенных недостатков.
Метод озонирования в отличие от хлорирования технически сложен и для его реализации необходимо выполнение ряда последовательных технологических операций: очистка воздуха, его охлаждение и сушка, синтез озона, смешение озоно-воздушной смеси с обрабатываемой водой, отвод и деструкция остаточной озоно-воздушной смеси, отвод ее в атмосферу. Кроме того, требуется много вспомогательных процессов и оборудования.
Озон, получаемый на производственных установках, является нестойким газом, значительно разбавленным воздухом. Процесс синтеза озона осуществляется при высоком напряжении (10-15 кВ). С практической точки зрения концентрировать, хранить и транспортировать такой газ представляется неэкономичным, даже, учитывая свойственную озону взрывчатость. Поэтому полученный озон должен сразу же расходоваться. Наиболее экономичный метод массового производства озона заключается в пропуске воздуха или кислорода через электрический разряд высокого напряжения в генераторе озона или так называемом озонаторе. Сырьём для производства озона могут служить атмосферный или обогащённый кислородом воздух или чистый кислород. Теоретическая теплота для образования озона выражается величиной 139, 4 кДж/моль. При потреблении воздуха на производство озона расход энергии в 2 раза больше. Эта энергия необходима для ионизации молекул кислорода. Готовой продукцией является озонированный воздух, содержащий до 5% озона (по весу) или озонированный кислород с содержанием до 10% озона (по весу). Однако, хотя получение таких концентраций и возможно, но обычно не оправдывается с экономичной точки зрения. Практически для производства озона из кислорода требуется энергия, равная 1300 кДж/моль, при этом 90% её рассеивается на тепловыделение. По этой причине наибольшие концентрации озона в озоно-воздушной смеси при температуре 250 С не превышают 20-25 мг/л, т.е. 1,02 –1,22 % к объёму воздуха или 1,7 – 2,1 % к его весу [5].Важным моментом при обеззараживании воды является возможность повторного роста микроорганизмов после процесса дезинфекции. Для озонирования эта проблема особенно остра. В целом ряде исследований, выполненных в последние годы, было установлено, что в результате действия озона на органические соединения последние переходят из биологически устойчивых форм в биоразлагаемые, которые затем легко усваиваются микроорганизмами. Сравнительный анализ показал, что после озонирования часто наблюдается значительный рост бактерий, в то время как в хлорированной воде данный рост не отмечался. Повторный рост микроорганизмов вынудил в ряде случаев либо отказаться вообще от озонирования, либо ввести дополнительное остаточное хлорирование. Однако применение хлорирования вслед за озонированием также имеет свои проблемы. Образующиеся в результате озонирования кислоты и альдегиды могут являться инициаторами образования хлорорганических соединений при последующем хлорировании [9].
Озон более токсичен, чем хлор, вызывает раздражение слизистых оболочек глаз и поражает органы дыхания. Предельно допустимое содержание озона в воздухе производственных помещений - 0,1 г/м3. Существует опасность взрыва озоно-воздушной смеси.Повышенное внимание уделяют качественной деструкции остаточной озоно-воздушной смеси, отсасываемой из контактной камеры, обеспечивая тем самым исключение возможности негативного влияния на окружающую среду и необходимую экологическую безопасность.
С экономической точки зрения озонирование является самым дорогостоящим методом обеззараживания воды. Это относится в равной степени как к стоимости строительства и оборудования, так и к эксплуатационным расходам и обусловливается следующим:
- технологически сложный процесс требует применения комплекса технических операций и разнообразного оборудования, в том числе дорогостоящего (озонаторы, компрессоры, установки осушки воздуха, холодильные установки и т. д.);
- необходимо выполнение объемных строительно-монтажных работ по возведению зданий и сооружений для размещения основного и вспомогательного оборудования и устройству контактных камер в герметичном исполнении;
- при внедрении озонаторных комплексов на действующих сооружениях водопровода и канализации требуется их серьезная реконструкция, прежде всего, в части ввода в существующую технологическую цепочку и высотную гидравлического схему узла по смешению озоно-воздушной смеси с обрабатываемой водой (контактной камеры), в некоторых случаях требуется организация дополнительных ступеней подкачек общего потока воды;
- для безаварийной и безопасной эксплуатации озонаторных станций необходимо внедрение оборудования и трубопроводов из нержавеющих сталей, а также создание автоматизированных систем контроля и управления процессом озонирования в целях оптимизации его в зависимости от качества исходной воды и ее расходов;
- зачастую для удаления побочных продуктов озонирования, способных оказать негативное влияние на качество питьевой воды, требуется внедрение дополнительных ступеней фильтрации с сорбционной угольной загрузкой и организация дополнительных ступеней подкачки общего потока воды, либо реконструкция действующих очистных сооружений для ввода в них технологических элементов сорбционной очистки на активных углях.
Обеззараживающий эффект УФ излучения, в основном, обусловлен фотохимическими реакциями, в результате которых происходят необратимые повреждения ДНК. Помимо ДНК ультрафиолет действует и на другие структуры клеток, в частности, на РНК и клеточные мембраны. Ультрафиолет как высокоточное оружие поражает именно живые клетки, не оказывая воздействие на химический состав воды. Последнее свойство исключительно выгодно отличает его от всех химических способов дезинфекции. Многочисленные исследования показали отсутствие вредных эффектов после облучения воды даже при дозах, намного превышавших практически необходимые.
Ультрафиолет эффективно обезвреживает микроорганизмы, например такого вида, как известный индикатор загрязнения Е. Coli. Другие известные возбудители: Proteus Vulgaris, Salmonella typhosa, Salmonella enteridis, Vibrio cholerae обладают еще меньшей устойчивостью к ультрафиолету.
Бактерицидное действие ультрафиолетовых лучей объясняется их влиянием на протоплазму и ферменты микробных клеток, что вызывает их гибель. Наибольшим воздействием на бактерии обладают лучи с длинами волн от 2000 до 2950А. В процессе отмирания бактерий под действием бактерицидной энергии важное значение имеет степень сопротивляемости их действию лучей, которая неодинаковая для различных видов. Эффективность этого метода зависит от количества поданной бактерицидной энергии, от наличия взвеси, от количества микроорганизмов и их морфологических и физиологических особенностей и от оптической плотности воды, или ее погашающей способности. Источником ультрафиолетовых лучей служат ртутные лампы, изготовленные из кварцевого или увиолевого стекла. Лампы имеют форму трубки диаметром 15 - 20 см с оксидными электродами на концах. Под действием электрического тока ртутные пары дают яркий зеленовато-белый свет, богатый ультрафиолетовыми лучами. Опыт эксплуатации установок для обеззараживания воды бактерицидными лучами показывает, что этот метод обеспечивает надежную дезинфекцию воды. Вода, обезвреженная этим методом, не изменяет ни физических, ни химических свойств.Однако традиционно применяющиеся для обработки воды ультрафиолетовые лампы низкого давления малоэффективны при уничтожении спорообразующих бактерий, вирусов, грибков, водорослей и плесени. Дозы облучения для ряда спор и грибков составляют 100–300 мДж/см2 , в то время как ультрафиолетовые облучатели низкого давления с трудом могут обеспечить требуемые 16 мДж/см2 .
Безусловно, существенное ограничение в применении этого типа обеззараживания воды играет, и обрастание кристаллами соли, и биообрастание защитных кварцевых оболочек ультрафиолетовых ламп [7].
Эта проблема была решена при разработке новой технологии, включающей непрерывную обработку воды ультрафиолетовым излучением с длиной волны 253,7 нм и 185 нм с одновременным облучением воды ультразвуком с плотностью ≈ 2 Вт/см2 .При обработке проходящего потока воды ультразвуковым излучателем, размещенным непосредственно в камере ультрафиолетового облучателя, в воде возникают короткоживущие парогазовые каверны (пузырьки), которые появляются в момент снижения давления в воде и схлопываются при сжатии воды. Скорость схлопывания очень высокая, и в окрестности точек схлопывания возникают экстремальные параметры – огромные температура и давление. Вблизи точки схлопывания полностью уничтожается патогенная микрофлора, и образуются активные радикалы. Каверны возникают в объеме камеры ультрафиолетового излучателя, причем преимущественно на неоднородностях. В качестве неоднородностей могут служить споры грибков и бактерий, которые затем оказываются в центре схлопывания пузырька, играя роль своеобразной мишени.
Одновременно в пузырьках под воздействием жесткого ультрафиолетового излучения с длиной 185 нм, возникают активные радикалы, озон, пероксид водорода (Н2 О2 ) и другие. Благодаря многочисленности пузырьков при малых их размерах и при наличии тенденции к схлопыванию наработанные в пузырьках активные радикалы эффективно и равномерно растворяются в воде, а затем уничтожают патогенную микрофлору. При этом ультрафиолетовое излучение существенно стимулирует действие активных радикалов. Энергозатраты на обеззараживание воды составляют 7,0–8,0 Вт на 1 м3 /ч, а срок службы установок не менее 10 000 часов.
Надо также учесть, что ультразвуковой излучатель, помещенный внутри камеры ультрафиолетовой обработки, работает и как стиральная машина, тщательно отмывающая поверхности корпуса и защитного кварцевого кожуха ультрафиолетового излучателя, что предотвращает их биообрастание и соляризацию.
Организация процесса обеззараживания хлорированием требует меньше капитальных вложений, чем внедрение УФ-оборудования. Однако, несмотря на высокую стоимость, метод обеззараживания УФ-излучением имеет следующие преимущества [8]:- структура капитальных вложений, при которой удельный вес стоимости оборудования в общих затратах на строительство станции составляет 90-95 %, представляется наиболее благоприятной для реализации в связи с минимальным объемом строительно-монтажных работ;
- незначительные объемы строительно-монтажных работ объясняются компактностью УФ-установок, позволяющей обеспечить их внедрение в существующие помещения очистных сооружений и насосных станций, либо размещать их во вновь строящихся зданиях минимальных размеров, а также простотой в обслуживании, обусловливающей отсутствие требований по устройству специального грузоподъемного оборудования и, как следствие, малую высоту помещений.
- с незначительными затратами электроэнергии (в 3-5 раз меньшими, чем при озонировании);
- с отсутствием потребности в дорогостоящих (в настоящее время) реагентах: жидком хлоре, гипохлорите натрия или кальция;
- с простотой эксплуатации и отсутствием необходимости в специальном обслуживающем персонале и, как следствие, в затратах на его содержание.
Последние исследования показали, что мнение об озонировании как о более безвредном способе обеззараживания воды – ошибочно. Не стоит забывать о том, что озон – неустойчивое химическое соединение трех атомов кислорода O3 . Поэтому озон имеет очень высокую химическую активность. Продукты реакции озона с содержащимися в воде органическими веществами представляют собой альдегиды, кетоны, карбоновые кислоты и другие гидроксилированные алифатические и ароматические соединения. Наиболее часто в озонированной воде отмечается присутствие альдегидов (формальдегид, ацетальдегид, глиоксаль, метилглиоксаль).
Существуют, как минимум, три основные причины нежелательного присутствия альдегидов в питьевой воде:
• альдегиды – высоко биоразлагаемые вещества, и значительное их количество в воде повышает возможность биологического обрастания трубопроводов и увеличивает опасность вторичного загрязнения воды микробиологическими компонентами;
• некоторые альдегиды обладают канцерогенной активностью и представляют опасность для здоровья людей;
• вследствие отсутствия эффекта последействия необходимо осуществлятьхлорирование на второй ступени обеззараживания питьевой воды, а при этом образовавшиеся в воде альдегиды увеличивают опасность образования хлорорганических побочных продуктов типа хлорцианатхлоральгидрата.
Применение другого альтернативного дезинфектанта – УФ-облучения позволяет избавиться от побочных продуктов обеззараживания, что является его несомненным достоинством. Но сегодня его промышленное применение осложняется отсутствием возможности оперативного контроля эффективности обеззараживания воды. Применение этого метода на практике определило необходимость конкретизации ряда положений водно-санитарного законодательства в части гигиенических требований к применяемой дозе облучения, гарантирующей качество воды, к УФ-системам и месту их расположения в технологической схеме водоподготовки. С этой целью выпущены соответствующие методические указания, в которых указывается на возможность применения УФ-облучения на этапе первичного обеззараживания воды при условии проведения на источнике водоснабжения технологических исследований. Методические указания не регламентируют величину дозы УФ-облучения при использовании его на этапе первичного обеззараживания воды [19].
Вместе с тем в методических указаниях отмечается, что УФ-облучение обеспечивает заданный бактерицидный и вирулицидный эффект лишь при соблюдении всех установленных эксплуатационных условий. Поэтому одним из важнейших вопросов применение этого метода является создание гарантий его надежности. С этой целью система должна быть снабжена датчиками измерения интенсивности УФ-облучения в камере обеззараживания, системой автоматики, гарантирующей звуковой и световой сигналы при снижении минимальной заданной дозы, счетчиков времени наработки ламп и индикаторов их исправности. Кроме того, для выполнения условий труда и безопасности здоровья обслуживающего персонала необходимо контролировать концентрацию озона в воздухе помещения, где расположена УФ-установка, соблюдать правильность хранения УФ-ламп, выполнять правила безопасности указанные в документах на применяемый тип УФ-установки.
Перечисленные технические сложности требуют достаточно критичного отношения к применению УФ-излучения в тех или иных практических условиях. Тем не менее, применение одновременно в системе обеззараживания с использованием хлорсодержащих реагентов и УФ-облучения, дает довольно успешные результаты [23].
Неоспоримое достоинство хлора перед другими традиционными методами обеззараживания – эффект последействия . Поэтому отказ от хлорирования, несмотря на его явные недостатки, пока не представляется возможным. Хлорирование обязательно, если вода направляется в разводящую сеть, а это мы имеем в подавляющем большинстве схем водоподготовки. И так как применение хлора неизменно в таких случаях, необходимо позаботиться об уменьшении количества образующихся при его использовании побочных продуктов, вредных для здоровья человека. Это требует, с одной стороны – снижения до допустимого минимума дозы вводимого в воду хлора и контроля дозы,что обеспечивается системой автоматического регулирования расхода хлора (САР-РХ), а с другой – снижения концентраций в воде органических веществ природного происхождения до хлорирования [20].
В целях снижения концентрации органических веществ в очищаемой воде, можно воспользоваться адсорбционной установке смесительного типа. Метод адсорбции отличается высокой эффективностью при выделении из воды растворенных примесей органического и неорганического происхождения. Принцип адсорбции основан на межмолекулярном взаимодействии примесей, содержащихся в воде, с частицами адсорбента. В качестве сорбента используют такие материалы, как песок, кокс, опилки и т.д. Наиболее эффективным является активированный уголь. Нельзя забывать о том, что к воде предъявляются высокие требования по очистке от нерастворимых примесей (концентрация примесей не должна превышать 8 мг/л). Поэтому перед подачей воды на адсорбционную установку, необходимо провести предварительную механическую очистку воды и фильтрование. Снижение до минимума концентраций органических примесей, посредством вышеперечисленных методов, позволит понизить дозу хлорреагента при дальнейшем обеззараживании, и тем самым уменьшит образования побочных продуктов хлорирования. Обеззараживание воды с применением гипохлорита натрия Применение жидкого хлора для обеззараживания воды требует неукоснительного соблюдения "Правил по производству, транспортированию, хранению и потреблению хлора" (ПБ 09-594-03) [10], в связи с чем затраты на обеспечение мер безопасности при использовании жидкого хлора многократно превышают затраты на само хлорирование. Затраты же на ликвидацию последствий возможной разгерметизации многотонных запасов жидкого хлора вообще не предсказуемы. Эти недостатки особенно ощутимы в нашей стране при обширной ее территории, когда хлор приходится перевозить на большие расстояния от заводов-поставщиков. Опасность утечки хлора на базисных складах водоочистных комплексов, расположенных вблизи населенных пунктов, во многих случаях препятствует применению этого метода обеззараживания воды. Использование хлорной извести и гипохлорита кальция технически просто, но дорого для крупных водоочистных комплексов. По этой причине на сегодняшний день наиболее предпочтительным реагентом для первичного окисления и последующего обеззараживания питьевой воды перед подачей её в распределительную сеть считается гипохлорит натрия (ГХН), содержащий не менее 190 г/л активного хлора. Безопасность и надежность технологии обеззараживания воды гипохлоритом натрия способствовали ее стремительному внедрению на многие водопроводные станции страны [23]. Электрохимический способ получения гипохлорита натрия основан на получении хлора и его взаимодействии со щелочью в одном и том же аппарате – электролизере [4]. ГХН имеет ряд технологических преимуществ по сравнению с традиционной обработкой воды жидким хлором [11]:- реагент ГХН применяется в виде водного раствора и безопасен в обращении;
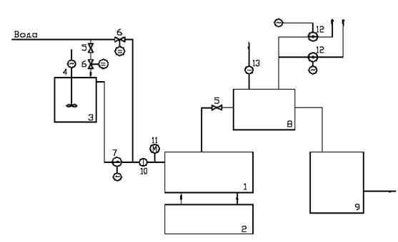
Рис.2 Технологическая схема производства гипохлорита натрия
Получение гипохлорита натрия при помощи электролизной установки Одним из наиболее предпочтительных способов использования гипохлорита натрия в качестве окислителя и дезинфектанта является способ обработки воды гипохлоритом натрия, получаемым на месте его применения путем электролиза раствора хлорида натрия и его взаимодействии со щелочью. На аноде идет разряд ионов хлора (процесс окисления):2Cl-
= Cl2
+ 2e-
Выделяющийся хлор растворяется в электролите (NaCl) с образованием хлорноватистой и соляной кислот:Cl2
+ H2
O = HClO +HCl
На катоде происходит разряд молекул воды (процесс восстановления):H2
O + e-
= OH-
+ H+
Атомы водорода после рекомбинации выделяются из раствора в виде газа, оставшиеся же в растворе ионы OH- образуют возле катода с ионами Na+ щелочь. Вследствие перемешивания анолита с католитом происходит взаимодействие хлорноватистой кислоты со щелочью с образованием гипохлорита натрия:HClO + NaOH = NaClO + H2
O
Использование искусственно приготовленных растворов хлорида натрия экономически не выгодно. При обработке питьевой воды раствор ГХН, пригодный для ее обеззараживания, должен отвечать повышенным требованиям по чистоте и содержанию примесей, что в случаях применения искусственно приготовленных растворов хлорида натрия достигается использованием очищенного хлорида натрия и специально подготовленной воды либо последующей очисткой гипохлорита натрия, а это существенно увеличивает стоимость обработки питьевой воды [4]. Наиболее близким к предлагаемому является способ обработки воды гипохлоритом натрия, получаемым на месте его потребления с использованием в качестве исходного сырья для электролиза природных растворов хлорида натрия, например, подземных минерализованных вод или морской воды. При этом электролиз осуществляют в непроточном режиме. Однако морская вода не может быть использована без предварительной очистки для производства ГХН, в силу своей загрязненности, что обуславливает повышенные расходы на обработку воды. Использование же природных подземных растворов хлорида натрия, в частности подземной минерализованной воды, для получения гипохлорита натрия к настоящему времени не имеют практического применения из-за отсутствия экономичной технологической схемы. Для производства ГХН применяют бездиафрагменные электролизеры периодического или непрерывного действия, рассчитанные на электролиз концентрированных растворов, содержащих не менее 15 г/л хлорида натрия. Использование электролизеров периодического действия усложняет технологическую схему обработки воды вследствие дополнительного контроля параметров выходного продукта, поэтому более предпочтительно использовать электролизеры непрерывного действия. Наиболее точно под это описание подходят вертикальные биполярные электролизеры. Они более компактны и позволяют экономить производственные площади. При их изготовлении требуется меньший расход конструкционных материалов. В процессе эксплуатации эти электролизеры отличаются большей простотой обслуживания, т.к. имеют незначительное количество точек контроля и регулирования [14]. На рис. 3 представлена конструкция биполярного электролизера для получения гипохлорита натрия. Электролизер включает прямоугольные биполярные электроды 1
, которые закреплены в наклонных пазах 2
в двух вертикальных стойках 3
из диэлектрического материала. Верхний и нижний электроды соприкасаются со скошенными блоками 12
, в которых размещены подвижные шайбы 10
и токоподводящая штанга 9
. Электролизер заключен в корпус 13
, выполненный из пластмассы. На корпус навинчены фланцы 8
. Металлический кожух 11
, состоящий из двух половин, скрепленных болтами 14
, помещен снаружи корпуса, пластмассовые крышки 7
и дно 15
стягиваются болтами 17
с фланцами 8
. Электролизер снабжен штуцерами 4
и 16
для вола питающего раствора хлорида натрия и вывода раствора гипохлорита. Электролит поступает в нижнюю часть электролизера и проходит внутри него снизу вверх. К крайним электродам через токоподводящие штанги подводится электрический ток. Из штуцера в верхней части электролиза выводят раствор гипохлорита натрия.
Рис.3 Конструкция вертикального биполярного электролизера для получения гипохлорита натрия
При использовании в качестве питающего раствора морской воды возможна пассивация электродов из-за отложения на них нерастворимых осадков. Для устранения явления пассивации предложена конструкция электролизера с вращающимися дисковыми электродами (рис. 4). Электролизер снабжен электромотором 1
, на валу 2
которого закреплена пластина 8
, соединенная с обеих сторон с титановыми пластинами 5
и 7
. На пластине 7
укреплен набор титановых дисков 9
. Электролизер помещен в корпус 4
, а также анодная сторона титановых дисков 9
покрыта активным каталитическим слоем. Для обеспечения радиального движения электролита электролизер снабжен набором дисков 10
, 14
, выполненных из диэлектрического материала. Подвод тока к дисковым биполярным электродам осуществляют с помощью контактов 6
и 13
, соединенных с титановыми пластинами 3
и 12
. Питающий раствор подают через патрубок 15
и выводят через патрубок 11
. Рабочее напряжение на электролизере составляет 90 В.
Рис.4 Конструкция биполярного электролизера с вращающимися электродами

Рис.5 Технологическая схема прямоточного электролизера
1 – проточный трубчатый электролизер2 – блок питания3 – емкость приготовления концентрированного раствора соли4 – мешалка5 – шаровой вентиль6 – регулировочные клапаны7 – насос дозатор соляного раствора8 – сепаратор9 – емкость раствора гипохлорита натрия10 – реле протока жидкости11 – манометр12 – вентилятор13 – реле протока воздуха Исследования показали, что электролиз слабоконцентрированных растворов хлорида натрия (1,5 15 г/л) энергетически выгоден при коэффициенте перевода хлорида натрия в гипохлорит, близком к 10%. При значениях коэффициента перевода больше указанного проявляется нелинейная зависимость значения коэффициента перевода хлорида натрия в гипохлорит от величины энергозатрат на электролиз, т.е. процесс становится энергетически невыгодным. В то же время такой низкий коэффициент перевода может быть задан только при дешевом сырье для получения раствора хлорида натрия, которым является подземная минерализованная вода, добываемая на месте потребления ГХН. При уменьшении величины коэффициента перевода ниже указанной соответственно снижается экономичность процесса электролиза из-за излишнего расхода минерализованной воды.Самотечная подача минерализованной воды на электролизер и проточный режим направлены на установление стационарного режима электролиза, что особенно важно для поддержания коэффициента перевода, близким к 10%, т.е. для энергетически выгодного электролитического производства ГХН из минерализованной воды с предлагаемым содержанием хлорида натрия. Использование подземной минерализованной воды, добываемой на месте производства ГХН, уменьшает по сравнению с известными способами расходы на перевозку и приготовление растворов хлорида натрия.Подземная вода одного месторождения имеет постоянные физико-химические характеристики: химический состав (в том числе концентрация хлорида натрия), температуру, давление и пр. Это позволяет упростить систему контроля за параметрами электролиза и систему подачи раствора, обеспечив электролиз в проточном самотечном режиме. Соответственно на выходе электролизера будет раствор ГХН заданной концентрации, пригодный для употребления без дополнительного контроля. При этом отпадает необходимость в специальном контрольном оборудовании, упрощается обслуживание станций водоподготовки.Экологическая чистота подземной воды позволяет использовать ее для получения гипохлорита натрия, пригодного для обработки питьевой воды без дополнительной очистки. Однако подземные минерализованные воды в качестве исходного электролита могут использоваться только в тех случаях, когда вблизи очистных сооружений имеется пробуренные скважины многоцелевого назначения. Поэтому на большинстве объектов, где невозможно использовать природные рассолы, нашли распространение установки, работающие на растворах поваренной соли. Технологические схемы таких электролизных установок могут быть как прямоточными, так и с системой рециркуляции. Расход поваренной соли у прямоточных установок, как правило, несколько больше, чем у рециркуляционных. Однако их конструктивное оформление и условия эксплуатации значительно проще, поэтому их используют в основном на объектах небольшой пропускной способности. В последнее время прямоточные схемы находят распространение и на очистных сооружениях со значительной суточной потребностью в активном хлоре. В этих схемах используются электролизеры с окисно-металлическими анодами, способными эффективно работать даже при концентрации раствора поваренной соли 12 – 25 г/л. Известно, что при прохождении электрического тока через раствор хлорида натрия происходит образование гипохлорита натрия и выделение водорода, который в виде пузырьков поднимается вверх, увлекая за собой раствор хлорида натрия. Подъемная сила этих пузырьков увеличивает скорость течения раствора хлорида натрия в межэлектродных зазорах, тем самым затягивая его из околодонного потока в межэлектродные зазоры между пластинчатыми электродами, которые значительно меньше расстояний между электродными кассетами. При этом в потоке над пластинчатыми электродами будет собираться продукт электролиза - гипохлорит натрия. Чем меньше величина межэлектродных зазоров, тем более энергетически эффективен процесс электролиза хлорида натрия. Однако минимальная величина межэлектродных зазоров ограничена условием обеспечения протекания через них раствора хлорида натрия, а также технологическими возможностями выполнения плоских поверхностей пластинчатых электродов. Экспериментально было обнаружено, что в интервале величин межэлектродных зазоров от 1 до 3 мм обеспечивается протекание раствора хлорида натрия между пластинчатыми электродами с минимально возможным гидравлическим сопротивлением и, кроме того, указанный межэлектродный зазор может быть достигнут без опасности соприкосновения поверхностей электродов из-за технологических дефектов. Наличие значительно более широких чем межэлектродные зазоры каналов между электродными кассетами, объединяющими пластинчатые электроды, а также канала вдоль дна емкости, обеспечивающего равномерную подачу раствора хлорида натрия ко всем электродным кассетам с пластинчатыми электродами, позволяет пропускать через электролизер в ламинарном режиме с наименьшим гидравлическим сопротивлением весь расход раствора хлорида натрия, требуемый для получения заданного количества ГХН. Простота и надежность работы электролизных установок, а также заинтересованность потребителей в применении безопасного электрохимического метода обеззараживания воды привели к созданию огромного числа самых разнообразных по конструкции электролизеров. Они отличаются видом включения электродов (биполярные и монополярные), выполнением и размещением электродов (коаксильное и плоскопараллельное) и по другим конструктивным признакам. При создании электролизных установок большой единичной мощности предпочтение отдается плоскопараллельному размещению электродов. В таких электролизерах электролит проходит по синусоидальному пути через ряд биполярных ячеек. Электроды могут быть расположены вертикально или под небольшим углом к вертикали. Применяются также конструкции с горизонтальными электродами [14]. Лучшим зарубежным образцом установок является «Sanilec», разработанная фирмой «DiamondShamrockCorporation». Установка может работать как при использовании поваренной соли, так и морской воды [15]. Установка «Sanilec», работающая на поваренной соли (рис.6) состоит из электролизера, выпрямителя, системы автоматической подачи рассола, емкостей для хранения рассола и гипохлорита натрия, умягчителя воды и элементов автоматического контроля за показателями работы. Электролизер выполнен в виде корпуса прямоугольного сечения с расположенным в нем электродным пакетом. Аноды – малоизнашивающиеся стабильные электроды с активным покрытием из окислов драгоценного металла, катоды – титановые. Все аппараты изготовлены из таких коррозионно-устойчивых материалов, как титан, нержавеющая сталь, фторопласт и т.п.
Рис.6 Общий вид установки «
Sanilec
»
Установка работает следующим образом. В растворном баке приготовляется концентрированный раствор поваренной соли, который насосом подается в смеситель, где разбавляется водой до 3%-ного содержания NaCl, а затем – в электролизер. Полученный гипохлорит натрия поступает в газоотделитель, собирается в емкости-хранилище и оттуда дозируется в обрабатываемую воду. Концентрация активного хлора в готовом продукте в среднем составляет 8 г/л. При необходимости она может быть несколько увеличена. На получение 1 кг активного хлора расходуется 3,5 кг соли, 5,5 кВт*ч электроэнергии и 125 л воды. Фирмой разработано несколько модификаций установок производительностью от 9 до 90 кг активного хлора в сутки. Установки «Sanilec» могут работать и при использовании морской воды, прошедшей предварительную фильтрацию. Концентрация активного хлора в готовом продукте в зависимости от исходного содержания воды и режимных параметров составляет 0,2 – 2,35 г/л. Катодные отложения солей жесткости удаляются периодически путем кислотной промывки. По данным фирмы, частота промывки – 1 раз в шесть месяцев. Время, необходимое на проведение всей операции, с учетом установки электролизера и пуска его в эксплуатацию, составляет 4 – 6 часов. Установки выполняются с производительностью от 60 до 1000 кг активного хлора в сутки. Электролизеры «Pepcon» также могут работать при использовании как растворов соли, так и морской воды. Конструкция типовой электролитической ячейки показана на рис. 7. Анодный графитовый стержень с активным покрытием из PbO2
на специальных фиксаторах установлен внутри металлической трубы, являющейся катодом. При использовании морской воды катод выполняется из титана, а растворов поваренной соли – из нержавеющей стали. Токоподводы расположены снаружи трубы. Рассол протекает в узкий зазор между электродами.
Рис.7 Ячейка «
Pepcon
»
Рис.8 Электролизная установка непроточного типа, ЭН
Рис.9 Принципиальная схема непроточного электролизера
Пакет графитовых электродов состоит из системы токоподводящих 4
и промежуточных 5
электродов. Электроды собираются в общий пакет с помощью стяжек, фиксирующих шайб, обеспечивающих поддержание заданного межэлектродного расстояния, и зажимных гаек. Для предотвращения токов утечки торцевые поверхности электродов закрывают накладками. Все указанные элементы изготовлены из винипласта. Для отсоса электролизных газов над поверхностью электролитической ванны установлен зонт вытяжной вентиляции. Установка работает следующим образом: в растворный бак загружают обычную неочищенную техническую поваренную соль, заливают воду и с помощью насоса производят перемешивание до получения насыщенного раствора поваренной соли (280-300 г/л NaCl). Приготовленный раствор насосом по трубопроводу подают в электролизер, где его водопроводной водой разбавляют до рабочей концентрации 100-120 г/л, подают в теплообменник охлаждающую воду и затем включают выпрямительный агрегат. При подаче напряжения на токоподводящие электроды в межэлектродном пространстве выделяются пузырьки газа. И как только плотный электролит попадает в межэлектродное пространство, он сразу же насыщается пузырьками газа и вытесняется из кассеты следующей порцией раствора. Таким образом устанавливается естественная циркуляция электролита, и вся масса раствора поваренной соли, находящейся в ванне, постепенно проходит через электролитическую кассету, подвергаясь электролизу. Процесс электролиза ведут до получения требуемой концентрации активного хлора, после чего готовый раствор сливают в бак-накопитель и весь цикл повторяется сначала. Отложения солей жесткости удаляются переодически путем смены полярности электродов. Наиболее простыми по конструкции являются установки производительностью до 1 и 5 кг хлора в сутки (ЭН-1 и ЭН-5), работающие в режиме неглубокого разложения соли (до 6-7%-ного). Эти электролизеры предназначены для очистных сооружений с расходом хлора до 5 кг/сут. С целью упрощения конструкции и эксплуатации установки выполнены без охлаждающих устройств. Электролизеры ЭН-1 и ЭН-5 на получение 1 кг активного хлора расходуют 12-15 кг поваренной соли. Некоторый перерасход соли оправдывается простотой обслуживания установки, а также тем, что общий суточный расход соли составляет всего 15-75 кг. Электролизеры ЭН-25 и ЭН-100 производительностью 25 и 100 кг хлора в сутки работают в режиме глубокого разложения (10-12%-ного) и более экономичны. Столь высокое использование поваренной соли достигается в результате применения охлаждающих устройств. Техническая характеристика электролизных установок непроточного типа приведена в табл. 1. Электролизные установки типа ЭН могут работать и при применении в качестве исходного рассола подземных минерализованных вод при условии, что концентрация хлоридов в них не ниже 50 – 60 г/л. Таблица 1. Техническая характеристика электролизных установок непроточного типа
Оснащение электролизеров типа ЭН окисно-рутениевыми анодами, позволяет создать более производительные установки и снизить расход соли и электроэнергии на производство 1 кг активного хлора в 2 – 2,5 раза [15]. В 1995 году Бахиром В. М. был разработан процесс ионселективного электролиза с диафрагмой, реализованный затем в 1996 году в установках АКВАХЛОР. Установки АКВАХЛОР – это компактные безопасные установки, позволяющие получать из водного раствора хлорида натрия концентрацией 200 – 250 г/л раствор смеси оксидантов, представленный хлором, хлорноватистой кислотой, диоксидом хлора, озоном и гидропероксидными соединениями (рис. 10). Процесс происходит под давлением Установки выпускаются ООО "Лаборатория Электротехнологии" (ООО "ЛЭТ") в виде модулей производительностью от 30 до 500 граммов смеси оксидантов в час. Для получения 1 кг оксидантов в установках АКВАХЛОР расходуется не более 1,7 – 2,0 гк сухого хлорида натрия и около 2 кВт*ч электроэнергии. В электрохимическом реакторе установок АКВАХЛОР основной является реакция выделения молекулярного хлора в анодной камере и образования гидроксида натрия в катодной камере:NaCl + H2
O – e
®
NaOH + 0,5 H2
+ 0,5 Cl2
Одновременно, с меньшим выходом по току протекают реакции синтеза диоксида хлора непосредственно из солевого раствора, а также из соляной кислоты, которая образуется при растворении молекулярного хлора в прианодной среде (Cl2
+ H2
O ‹—› HClO + HCl): 2NaCl + 6H2
O – 10e
®
2ClO2
+ 2NaOH + 5 H2
; HCl + 2H2
O - 5e
®
ClO2
+ 5 H+
.
Кроме того, в анодной камере происходит образование озона за счет прямого разложения воды и за счет окисления выделяющегося кислорода: 3H2
O - 6e
®
O3
+ 6H+
; 2H2
O - 4e
®
4H+
+ O2
;
откудаO2
+ Н2
O - 2e
®
O3
+ 2 Н+
С малым выходом по току протекают реакции образования соединений активного кислорода: H2
O - 2e
®
2H+
+ O•
; Н2
О - е
®
HO•
+ Н+
; 2H2
O - 3e
®
HO2
+ 3H+
.
Рис.10 Принципиальная схема технологического процесса работы установки АКВАХЛОР-500
Установки АКВАХЛОР позволяют на месте потребления получить из раствора хлорида натрия два продукта - хлор и каустическую соду в необходимом количестве в любое время. Поскольку свежеполученный хлор содержит небольшое количество других оксидантов (диоксид хлора, озон), то побочные продукты хлорирования в воде, такие, например, как хлороформ, не образуются. Также раствор оксидантов, в отличие от традиционной хлорной воды, эффективно удаляет биопленки с внутренней поверхности водоводов, что исключает необходимость аммонизации, уменьшает скорость коррозии водоводов и придает воде отличные органолептические свойства [24].Однако обследование водопроводной станции нефтеперерабатывающего завода «Славнефть» в 2009 году выявило непостоянство установки АКВАХЛОР по производительности. Этот недостаток заставляет усомниться в надежности установки и требует достаточно критического отношения к ее применению. Обеззараживание воды при исходном содержании в ней хлоридов не менее 20 мг/л и жесткости до 7 мг*экв/л может быть достигнуто прямым электролизом. Еще в конце 19 в. Было обнаружено, что при пропуске обрабатываемой воды через электролизер под действием электрического тока образуются соединения, которые обеззараживают воду непосредственно в потоке. Эта технология обработки воды не связана с применением каких-либо привозных реагентов, а ее аппаратура отличается компактностью и простотой эксплуатации. Реакции прямого электро-окисления органических соединений могут идти либо путем взаимодействия между органическими молекулами и кислородосодержащими частицами, либо путем прямого окисления веществ на аноде с образованием новых продуктов. Сущность прямого окисления заключается в том, что молекула органического вещества, адсорбируясь на поверхности анода, отдает электроны с одновременной или предшествующей гидратацией. По мере увеличения количества электричества, приходящегося на 1 л обрабатываемой воды, степень очистки воды возрастает. Однако во всех случаях при любом инициальном заражении требуемый эффект обеззараживания наблюдается только при определенной величине остаточного хлора. Результаты санитарно-бактериологических исследований подтверждают, что это является основным критерием бактериальной надежности воды. Несмотря на возможность образования в процессе электролиза различных соединений и окислителей, основное влияние на эффект обработки воды также оказывает активный хлор. Следовательно, с целью создания экономичного метода обеззараживания воды процесс ее прямого электролиза необходимо проводить при условиях, обеспечивающих максимально возможный выход хлора по току. Процесс прямого электролиза протекает в два этапа: электрохимическое получение окислителей и их смешивание с обеззараживаемой водой. Одним из основных факторов процесса является вид применяемого анода. Платино-титановые аноды (ПТА) и окисно-рутениевые аноды (ОРТА) обладают удовлетворительными электрохимическими и механическими показателями и позволяют наиболее экономично вести процесс электролиза. Оптимальная плотность тока при электролизе с использованием ОРТА составляет 1,5 – 2,0 кА/м2 . Выход по току на ПТА практически не изменяется от плотности тока в интервале 1,0 – 4,0 кА/м2 . На производительность электролизеров и технико-экономические показатели их работы оказывают влияние такие режимные параметры, как прикладываемое напряжение на разрядный промежуток, плотность тока, межэлектродное расстояние, температура и расход электролита. На рис.11 приведены зависимости изменения выхода хлора по току от концентрации Cl- при межэлектродных расстояниях, равных 3 и 6 мм, полученных при напряжении на разрядный промежуток U от 6 до 10 В [15].
Рис.11. Зависимость выхода хлора по току на ОРТА от концентрации хлоридов в воде при межэлектродном расстоянии 3 мм (а) и 6 мм (б)
Отечественная промышленность серийно выпускает установки прямого электролиза «Поток» с анодами из диоксида рутения и катодами из титана, которые чередуются с зазором между пластинами 3 мм. Установка состоит из электролизера, блока питания и замкнутого кислотного контура. Электролизер выполнен в форме параллелепипеда, внутри которого размещен пакет электродов. При одноразовом проходе под давлением обрабатываемой воды снизу вверх в межэлектродном пространстве электролизера обеспечивается ее обеззараживание, величина остаточного хлора в воде через 30 мин контакта составляет 0,3 – 0,5 мг/л. Образование катодных солеотложений значительно сокращает срок стабильной непрерывной работы установки. Поэтому необходима периодическая промывка аппарата 3 – 5%-ным раствором соляной кислоты [4].
Рис.12. Конструкция электролизера типа «Поток»
Из графиков, приведенных на рис. 11 видно, что выход хлора по току практически не зависит от межэлектродного расстояния и прикладываемого напряжения U
0
. Однако изменение этих величин существенно влияет на плотность тока. Повышение напряжения U
0
, естественно приводит к росту рабочей плотности тока. При постоянном напряжении на разрядный промежуток плотность тока снижается пропорционально увеличению межэлектродного расстояния. Уменьшением межэлектродного расстояния (с 3 до 2 мм), можно понизить сопротивление и тем самым снизить высокие энергозатраты на осуществление процесса прямого электролиза. Используемая литература 1.
Порядин А.Ф. Развитие водоснабжения в России. ХХ век. М., "Издательский дом НП", 2003. 96 с.2.
Сличенко А. В., Кульскпп Л. А., Мацксвнч Е. С. Современное состояние методов окисления примесей воды и перспективы хлорирования // Химия и технология воды. 1990. Т. 12. № 4.3.
Селюков А.В. и др. Кондиционирование подземных вод озонированием. Сборник научных трудов НИИ ВОДГЕО, вып. 5, М.: 2004 г.4.
Фрог Б.Н., Левченко А.П. Водоподготовка: Учебн. Пособие для вузов. М. Издательство МГУ, 1996г. 680 с.5.
Кожинов В.Ф., Кожинов И.В. Озонирование воды. – М., Стройиздат., 1974г. 160 с.6.
Методические рекомендации по применению озонирования и сорбционных методов в технологии очистки воды от загрязнений природного и антропогенного происхождения. – М., 1995.7.
Чамаев В.Н, Йоффе А.В., Виграненко Л.В. Борьба с биологическими обрастаниями в промышленных системах водоснабжения. – М: НИИТЭХИМ., 1980г. 8.
Обоснование применения ультрафиолетовой технологии дезинфекции воды на очистных сооружениях водопровода и канализации ВАЗа: ТЭО 407.Р7/2-НВК.ПЗ/АО "Ростовский Водоканал". – Ростов-на-Дону, 1994.9.
Schechter D.S., Singer Ph.C. Formation Of Aldehydes During Ozonation. Ozone Sci. and Engin. 17. 1. 1995г.10.
Правила безопасности при производстве, хранении, транспортировании и применении хлора (утв. постановлением Госгортехнадзора РФ от 5 июня 2003 г. N 48).11.
Кузубова Л. И., Кобрина В. Н. Химические методы подготовки воды (хлорирование, озонирование, фторирование): Аналитический обзор. — Новосибирск: СО РАН, ГННТБ, НИОХ, 1996. — Т. Выпуск 42. — 132 с.12.
ГОСТ 11086-76 «Гипохлорит натрия. Технические условия».13.
Гипохлориты // Химическая энциклопедия / Главный редактор И. Л. Кнунянц.— М.: Советская энциклопедия, 1988.—Т. 1.14.
Кубасов В.Л., Банников В.В. Электрохимическая технология неорганических веществ: Учебн. Для техник. — М.: Химия, 1989. — 288 с.15.
Медриш Г.Л. и др. Обеззараживание природных и сточных вод с использованием электролиза. — М.: Стройиздат, 1982. — (Охрана окружающей среды). Используемые журнальные статьи 1
6
.
Ягуд Б.Ю. Хлор как дезинфектант – безопасность при применении и проблемы замены на альтернативные продукты // 5-й Международный конгресс ЭКВАТЭК-2002 Вода: экология и технология. 4-7 июня 2002 г.17.
Т. И. Иксанова, А. Г. Малышева, Е. Г. Растянников и др. «Гигиеническая оценка комплексного действия хлороформа питьевой воды Журнал “ГИГИЕНА И САНИТАРИЯ” №2 2006г.».18.
Бахир В.М. Дезинфекция питьевой воды: проблемы и решения // Вода и экология. 2003г, №1.19.
Новиков Ю.В., Цыплакова Г.В. и др. Санитарно-эпидемиологический надзор за применением УФ-излучения в подготовке питьевой воды // Водоснабжение и санитарная техника. 1998, №12.20.
Кожевников А.Б., Петросян О.П., Антонюк Л.П. Современное состояние и тенденции развития хлораторов инжекционного типа в России и странах СНГ. Материалы научно-практической конференции Международного водного форума «АКВА Украина – 2003» 4-6 ноября 2003. Киев. 2003г. 21.
Медриш Г.Л. Оборудование и приборы для обеззараживания воды // Водоснабжение и санитарная техника. Стройиздат, N 2, 1993г. 22.
Арутюнова И.Ю. Исследование различных технологических режимов очистки воды, направленных на снижение содержания хлорорганических соединений в питьевой воде // 8-й Международный конгресс ЭКВАТЭК-2008 Вода: экология и технология. 2008г.23.
Краснова М.Х. Опыт проектирования и строительства систем обеззараживания воды с использованием гипохлорита натрия и ультрафиолетового облучения // 8-й Международный конгресс ЭКВАТЭК-2008 Вода: экология и технология. 2008г.24.
Бахир В.М. Дезинфекция питьевой воды: проблемы и решения // 8-й Международный конгресс ЭКВАТЭК-2008 Вода: экология и технология. 2008г.