| Скачать .docx |
Реферат: Расчет прямоточной электродиализной опреснительной установки
Содержание
Введение.......................................................................................................... 3
1 Электродиализ............................................................................................. 6
1.1 Методы организации процесса............................................................. 8
1.2 Технологические особенности мембран и аппаратов.......................... 9
1.3 Конструкции и схемы.......................................................................... 12
1.4 Условия применения метода................................................................ 13
2 Расчет прямоточной электродиализной опреснительной установки....... 15
Заключение.................................................................................................... 21
Список литературы....................................................................................... 23
Долгие годы и столетия водоподготовка не выделялась как отрасль техники и еще менее – как отрасль химической технологии.
Использовались эмпирически найденные приемы и способы очистки воды, главным образом, противоинфекционные. И потому история водоподготовки – это история приспособления для подготовки и очистки воды известных химических процессов и технологий, нашедших или находящих свое применение.
Подготовка воды для питьевого и промышленного водоснабжения принципиально отличается от других областей химической технологии: процессы водоподготовки протекают в больших объемах воды и при очень малых количествах растворенных веществ. Значит, большие расходы воды требуют устройства крупногабаритного оборудования, а малое количество извлекаемых из воды веществ неизбежно влечет за собой применение «тонких» методов обработки воды.
После обработки в системах и на станциях водоподготовки требуется вода со степенью чистоты, недоступной, да чаще всего и ненужной, для большей части химических продуктов. Например, стандартное требование – предел содержания железа в питьевой воде и питательной воде энергетических объектов, равный 0,3 мг/л, означает чистоту в 0,00003%.
В настоящее время усиленно разрабатываются научные основы технологий обработки воды, учитывающие указанную специфику этой отрасли техники. И такая работа далека от завершения, если можно вообще говорить об окончательном познании воды.
Было бы громадным преувеличением утверждать, что передовые научные и конструкторские силы, лучшие машиностроительные мощности были направлены на реализацию потребностей водоподготовки. Напротив, внимание к этой отрасли и, стало быть, финансирование проявлялись в наименьшем объеме, по остаточному принципу.
Испытания, выпавшие на долю России за последние 12–15 лет, в полной мере познала и водоподготовка.
Обработка воды с целью подготовки ее для питья, хозяйственных и производственных целей представляет собой комплекс физических, химических и биологических методов изменения ее первоначального состава. Все многообразие методов обработки воды можно подразделить на следующие основные группы: - улучшение органолептических свойств воды - обеспечение эпидемиологической безопасности - изменение минерального состава Снижение солесодержания воды до лимитов ГОСТ "Вода питьевая" или до концентрации близкой к содержанию солей в дистиллированной воде называют соответственно опреснением или обессоливанием. Существующие методы опреснения и обессоливания воды подразделяют на две основные группы- с изменением и без изменения агрегатного состояния воды. К первой группе следует отнести дистилляцию и замораживание, ко второй - ионообмен, экстракцию, электродиализ, ультрафильтрацию и обратный осмос. Выбор метода обуславливается качеством исходной и требованиями к качеству обработанной воды, производительностью установки и технико-экономическими соображениями.
Опреснение воды электродиализом основано на том, что в электрическом поле катионы растворенных в воде солей движутся к погруженному в опресняемую воду катоду, а анионы к аноду. При этом электрический ток в растворе переносится ионами, которые разряжаются на аноде и катоде. Находящаяся в рабочем пространстве вода, опресняется, находясь между катодной и анодной камерами, разделенными перегородками. Благодаря успехам химии в производстве ионообменных материалов получены электропроводные мембраны для электродиализных аппаратов, обладающие высокой селективностью и высоким диффузионным сопротивлением. Ионитовые мембраны разделяются на катионо- и анионо-активные. Первые пропускают в электрическом поле катионы, на практически не пропускают анионов, вторые пропускают анионы, но не пропускают катионов. Данная система представляет собой классический или однонаправленный электродиализ, при котором направленность постоянного электрического поля не изменяется. Однонаправленный электродиализ имеет ряд недостатков, характерных в той или иной степени для других мембранных процессов. Органические и неорганические коллоидные вещества, содержащиеся в воде загрязняют поверхности мембран и не могут быть удалены в процессе электродиализа. Электродиализный аппарат однонаправленной системы требует периодической остановки для очистки мембран даже при добавке комплексообразователя. При обратимом электродиализе полярность приложенного электрического поля периодически изменяется. Мембраны, используемые в обратном электродиализе являются симметричными, т.е. действуют одинаково в обоих направлениях, а концентрирующие и опресняющие отсеки идентичны с точки зрения размеров и гидравлических параметров.
Перераспределение и концентрирование растворенных в воде примесей осуществляется электродиализом. Сущность метода заключается в использовании направленного движения ионов под действием электрического поля. Если к электродам приложить напряжение, то находящиеся в растворе ионы придут в движение в соответствии со знаком их заряда – отрицательно заряженные (анионы) к аноду, положительные (катионы) – к катоду.
Если разделить электролизер на три отделения, в двух крайних разместить электроды (отделения называют электродными камерами) и пропускать электрический ток то концентрация солей в электродных камерах будет возрастать, а в среднем отделении – уменьшаться (рис.1). Для разделения камер такого электролизера-диализатора используют ионообменные мембраны, которые обладают способностью селективно пропускать ионы одного знака и препятствовать движению противоположно заряженных ионов. Перенос тока в мембране осуществляется не закрепленными в матрице ионами – противоионами. Чем больше число подвижных ионов, то есть выше обменная емкость, тем больше электропроводимость мембраны Основные электрохимические характеристики мембран – селективная проницаемость и электропроводимость, которые определяются количеством ионообменных групп в матрице и их природой[1] .

Рис.1. Схема изменения концентрации растворов в ячейках трехкамерного аппарата для электрохимического обессоливания воды
Для поддержания электрического тока в цепи на электродах должны проходить электрохимические реакции – на катоде в основном выделение водорода, на аноде – выделение кислорода:
2H2O + 2e- = Н2О + 2OH-
4OH- – 4e- = O2 + 2H2O.
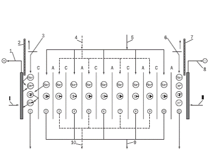
В настоящее время используются многокамерные электролизеры с большим числом пар катионо- и анионообменных мембран (рис.2). Такие установки представляют собой электролизеры, состоящие из 100–200 гидравлических камер, которые могут быть соединены последовательно или параллельно с горизонтальной или вертикальной циркуляцией воды. Селективность мембран создает условия, при которых из нечетных камер ни катионы, ни анионы не могут пройти в соседние камеры, вследствие того, что знак их заряда совпадает со знаком соответственно катионообменных и анионообменных мембран. Поэтому в четных камерах происходит процесс опреснения, а в нечетных, наоборот, концентрация солей, в результате чего в камерах образуется рассол. Обессоленная вода и концентрированный раствор отводятся по соответствующим трубопроводам. Щелочной раствор из катодной камеры и кислый раствор из анодной камеры могут отводиться самостоятельно по отдельным линиям для дальнейшего использования или же, если такой необходимости нет, подсоединяться к линии рассола.

Рис.2. I – катод, II – анод, С – катионовые мембраны, А – анионовые мембраны, 1 – присоединение к отрицательному полюсу выпрямителя, 2 – выход газообразного водорода, 3 – подача воды на промывку катодной камеры, 4 – подача солоноватой воды в рассольные камеры, 5 – то же, в опреснительные камеры, 6 – подача воды на промывку анодной камеры, 7 – выход газообразных кислорода и хлора, 8-8присоединение к положительному полюсу выпрямителя, 9 – отвод опреснительной воды, 10 – отвод концентрированного рассола
В электродиализаторах применяются химически стойкие электроды из платинированного титана, ОРТА, реже – из нержавеющей стали или графита.
1.1 Методы организации процесса
Организация процесса электродиализа: он может быть однонаправленным (классическим) или обратимым.
При однонаправленной схеме полярность приложенного постоянного напряжения и назначение камер (опресняющих и концентрирующих) остаются неизменными. Недостаток такой схемы – загрязнение поверхности мембран минеральными и неминеральными веществами, содержащимися в воде (соли жесткости, органические и неорганические коллоиды, микробиологические организмы и т.д.).
При обратимом процессе происходит периодическое изменение полярности приложенного напряжения. Отсек, который вначале был опресняющим, при изменении направления тока становится концентрирующим, и наоборот. Так осуществляется очистка мембран от загрязнений.
Особенность обратимого электродиализа – использование симметричных мембран, то есть они работают одинаково в обоих направлениях, и системы ОЭД имеют симметричную конфигурацию.
Недостаток метода – необходимость предварительной очистки вод от взвешенных и коллоидных частиц, которые могут засорять ионитные мембраны.
1.2 Технологические особенности мембран и аппаратов
Показатели работы электродиализных установок определяются в первую очередь характеристиками мембран.
Через идеальную катионообменную мембрану осуществляется перенос только катионов, через анионообменную – только анионов. В реальных условиях мембраны не обладают идеальной селективностью и частично переносят ионы обоих зарядов.
Кроме селективности, ионнообменная мембрана должна обладать общими свойствами: высокой электропроводимостью, химической и механической стойкостью в окислительных средах, стабильностью характеристик, большим сроком службы.
Кроме того, ионообменная мембрана должна максимально ограничивать транспорт гидратной воды (перенос молекул воды совместно с ионом, обычно в виде гидратной оболочки последнего).
Толщина мембран должна быть минимальной, чтобы наименьшим было сопротивление электротоку. Но в то же время толщина должна быть достаточной для механической прочности мембраны в связи с неравномерным распределением гидравлического давления в камерах деминерализации и концентрирования.
По функциональному назначению мембраны могут быть катионообменными, анионообменными и биполярными. По составу полимерной пленки – гомогенными и гетерогенными.
Гетерогенные мембраны получают прессованием тонкоизмельченной смолы и инертного связующего. Такими пластичными связующими материалами могут быть полиэтилен, полистирол, полиизобутилен, каучуки. Химическая стойкость мембран возрастает при использовании в качестве связующего материала фторолефинов. В гетерогенных мембранах, выпускаемых нашей промышленностью, в качестве связующего используется полиэтилен.
Гомогенные мембраны изготовляют из одной ионообменной смолы. Такие мембраны обладают высокими электрохимическими характеристиками, хотя механически они недостаточно прочны.
Наиболее перспективными считаются гомогенные мембраны. Их получают полимеризацией или сополимеризацией ненасыщенных соединений, одно из которых содержит готовые ионогенные группы или такие функциональные группы, которые легко переводятся в ионогенные (амидные, эфирные).
Плотность тока в электродиализаторах – 0,2–1,0 А/дм2. Чем больше плотность тока, тем больше затраты электроэнергии. При резком увеличении плотности тока может начаться перегрев и даже прожог мембран – допускаемая температура нагрева не более 60°С.
Расход электроэнергии при оптимально организованной технологии и минерализации исходной воды не менее 1 г/л составляет примерно 1 Вт/л.
При уменьшении минерализации воды, особенно менее 0,5 г/л, затраты электроэнергии на преодоление электрического сопротивления воды становятся значительными, и следует оценивать технологию по экономическим критериям.
Напряжение на электродиализаторе (в зависимости от количества камер, степени минерализации исходной и деминерализованной воды) может колебаться в пределах от 300 до 1000 В.
Очень важное свойство ионообменных мембран – склонность к набуханию, которая связана с гидратацией фиксированных ионообменных групп и противоионов. Чем больше обменная емкость и способность к гидратации ионов всех видов, тем больше набухание мембран. Не набухающие мембраны проводят ток в незначительной степени, а при набухании молекулы воды вызывают диссоциацию ионогенных групп, и противоионы вместе с вошедшим в мембрану электролитом начинают переносить ток[2] .
Хорошими эксплуатационными характеристиками обладают полученные на основе фторированных ненасыщенных соединений мембраны МРФ-26 и МРФ-4МБ, содержащие -SO3H в качестве ионогенных групп. МРФ-4МБ весьма термостойка и может применяться при 100 °С и выше.
Эти мембраны показали химическую стойкость в сильных окислительных средах: хромовой кислоте, гипохлорите натрия, концентрированной щелочи и серной кислоте. Еще большей химической стойкостью обладает мембрана МФ-4СК, выдерживающая действие наиболее активного для ионитных мембран окислителя – 10%-ного раствора H2O2. Для обеспечения механической прочности мембран МФ-4СК смолу наносят на ткань из политетрафторэтилена.
В табл. 3.4 приведены характеристики некоторых серийно выпускаемых в России гетерогенных мембран.
Наиболее совершенные мембраны производятся в настоящее время японскими фирмами «Асахикемикал» и «Асахи глас» на основе перфторуглеродных материалов с -СООH в качестве ионогенных груп, а также фирмой «Дюпон» (CША).
Уменьшение омических потерь в растворе достигается максимально возможным сближением электродов и соответственно мембран. Интервалы между ними обеспечиваются прокладками различной конструкции, чаще всего – лабиринтно-сетчатыми. Прокладки выполняют также важную роль турбулизации потока воды (уменьшение опасности возникновения отложений). Применяются и профилированные мембраны (без прокладок), и прокладки струнного типа.
Во избежание образования застойных зон в камерах концентрирования значительную часть (до 80%) получаемого раствора возвращают в диализный аппарат – создается циркуляционный контур.
Введение в камеры деминерализации смеси гранулированных или в виде волокон катионитов и анионитов – способ снижения нижнего экономически оптимального предела – 500 мг/л – деминерализуемой воды (электродеионизация). В этом случае можно получить не только пресную, но и глубокодеминерализованную воду (рис.3).

Рис.3. Схема электродеионизационной установки
Мембраны электродиализные так же, как и обратноосмотические, требуют исходную воду определенной чистоты. Вода, подаваемая к электродиализному аппарату, должна содержать, не более:
жесткость общая – 40 ммоль/л;
взвешенные вещества – 1,5 мг/л;
цветность – 20 градусов по платино-кобальтовой шкале;
перманганатная окисляемость – 5 мгО/л;
железо общее (Fe) – 0,05 мг/л;
марганец общий (Mn) – 0,05 мг/л;
бораты (по ВО2) – 3 мг/л;
бром (Br) – 0,4 мг/л;
алюминий (Al) – 0,05 мг/л.
Электродиализные аппараты позволяют деминерализовать воду практически любой степени минерализации почти полностью.
Глубина очистки – регулировкой расхода очищаемой воды.
Срок службы аппаратов примерно 10 лет.
Расход электроэнергии – 0,5–2,5 кВт ・ ч/м3 (в зависимости от минерализации исходной воды и других условий).
Давление воды на входе – 0,15–2,0 МПа; на выходе – 0,2–0,5 МПа.
Температура воды на входе – 18–25°С; возможно повышение температуры до 40°С – в этом случае расход электроэнергии уменьшается примерно на 20–30%.
Режим работы – непрерывный. Борьба с отложениями солей на поверхности мембран: переполюсовка электродов с одновременным переключением потоков диализата и рассола, а также подкисление рассола и католита. Возможна – при необходимости – отмывка трактов повышенными дозами кислоты и растворами комплексообразователей.
2 Расчет прямоточной электродиализной опреснительной установки
Исходные данные:
1) расход воды, опресняемой установкой,
= 2000 м3/сут = 83,3 м3/ч;
2) пропускная способность электродиализатора
= 500 м3/сут = 20,8 м3/ч;
3) общее содержание растворенных солей в исходной воде Сн = 1418 мг/л = 1,42 г/л;
4) температура исходной воды 17°С;
5) удельная электрическая проводимость исходной воды х=30,6∙10-4 См.см-1 ;
6) выход по току
= 0,87;
7) содержание ионов:
| Катион |
мг/л |
кмоль/л |
Анионы |
мг/л |
кмоль/л |
| Кальций |
126,8 |
5,6 |
Бикарбанат |
152,5 |
2,5 |
| Магний |
119,1 |
4,9 |
Сульфат |
398,6 |
8,3 |
| Натрий |
248,4 |
10,8 |
Хлорид |
372,3 |
10,5 |
| Сумма |
494,3 |
21,3 |
Сумма |
923,4 |
21,3 |
8) толщина дилюатной (рассольной) камеры в электродиалезном аппарате
(см);
9) скорость протекания воды в ячейке
(см/с);
10) площадь отдельной мембраны в аппарате
(см2
);
11) толщина мембраны
(см);
12) тип прокладки в электродиализном аппарате – лабиринтно-сетчатый косого исполнения толщиной
(см);
13) материал прокладки – полиэтилен ПВД;
14) длина пути потока (лабиринта)
(см)
15) длина канальца распределения
(см)
16) диаметр распределительного коллектора в аппарате
(см);
17) коэффициент экранирования мембраны лабиринтносетчатой прокладки (полезная площадь)
;
18) солесодержание опресненной воды 1000мг/л=1г/л.
Расчет будем вести в следующей последовательности[3] .
1.Сиепень опреснения исходной воды на установке
![]()
2.Ионная сила раствора
![]()
3.Среднее солесодержание
![]()
4.Степень допустимого концентрирования солей в рассольных камерах при циркуляции рассола
![]()
5.Концентрация солей в рассоле может быть доведена до
![]()
6.Необходимое солеудаление (снижение общего солесодержания с 1418 до 1000 мг/л)
![]()
7.Количество электричества, которое нужно пропустить через электродиализатор для удаления из воды рассчитанного количества солей
![]()
8.Отношение концентрации рассола и дилюата в конце длины пути (лабиринта) потока электродиализном аппарате
![]()
9.Ширина потока воды в прокладке (лабиринте) электродиализного аппарата

10.Число дилюатных (рассольных) камер или соответственно число рабочих ячеек в электродиализном аппарате
![]()
11.Необходимая площадь катионитовых (анионитовых) мембран в одном аппарате
![]()
![]()
Аппарат АЭ-25 с пропускной способность до 25(м3
/ч) имеет 300 катионитовых (анионитовых) мембран с
.
12.Эквивалентная электрическая проводимость исходной воды
![]()
13.Толщина диффузионного слоя

14.Критические условия работы электродиализного аппарата

15.Падение напряжения на одну электродиализную ячейку аппарата

16.Напряжение на электродиализном аппарата, необходимое для поддержания средней плотности тока в ячейке
![]()
17.Срелняя концентрация дилюатта по длине

18.Средн плотность тока в ячейке

19.Потери напора в камере (дилюатной или рассольной)

20.Потери напора в местных сопротивлениях в камере (дилюатной или рассольной)

21.Полные потери напора в камере
![]()
21.Расход электроэнергии на обработку воды в электродиализной установке
На деминерализацию
![]()
На подачу дилюата и рассола электродиализный аппарат
![]()
Суммарный на обработку 1 м3 воды
.
Из всех компонентов окружающей среды вода - жизненно необходимый продукт. Для нее нет заменителей. Все регионы в достаточной степени обеспечены водой. Однако возможность свободного ее использования на нужды промышленного производства и обеспечение населения качественной питьевой водой являются приоритетными социально-экономическими проблемами. Естественными источниками водоснабжения централизованных систем водоснабжения населенных мест и промышленных предприятий являются подземные и поверхностные воды. В России характерно использование главным образом подземных вод для водоснабжения городов и сельских населенных мест. Подземные воды обычно имеют постоянный состав и температуру, низкое содержание органических веществ, значительную минерализацию, высокое содержание растворенных газов, железа и марганца и при этом достаточную санитарную надежность. Исключение здесь составляют подземные воды верхних незащищенных горизонтов, забираемые из шахтных колодцев в основном в сельской местности. Только в двадцатом веке на основе достижений физической и коллоидной химии, биохимии, физики, гидравлики и общей теории процессов и аппаратов стала интенсивно развиваться технология улучшения качества воды. Природные воды представляют собой сложную многокомпонентную динамическую систему, в состав которой входят минеральные соли, молекулярные и коллоидные органические вещества, газы, диспергированные примеси, гидробионты, бактерии и вирусы. Во взвешенном состоянии в природных видах содержатся глинистые, песчаные, гипсовые и известковые частицы. В коллоидном состоянии - различные вещества органического происхождения, кремниевая кислота, гидроокись железа, гуматы и фульвокислоты. В истинно растворенном состоянии - в основном минеральные соли. Концентрация отдельных примесей в воде определяет ее свойства и качество. Требования к качеству природных вод могут быть самыми различными и зависят от целевого назначения вод. Различают воду, используемую для хозяйственно-питьевые нужды, в отраслях пищевой промышленности, а также для технологических целей промышленности. Хозяйственно-питьевая вода должна быть безвредна для здоровья человека, иметь хорошие органолептические показатели и быть пригодной для использования в быту. Вода для технологических нужд промышленности в зависимости от ее целевого использования должна отвечать самым разнообразным требованиям.
1. Водоподготовка. Процессы и аппараты. Под ред. О. И. Мартыновой. Учебное пособие для вузов. – М.: Атомиздат, 1977. – 352 с.
2. Павлов К.Ф., Романков П.Г., Носков А.А. Примеры и задачи по курсу процессов и аппаратов химической технологии. – Л.: Химия, 1976. – 552 с.
3. Ривкин С. Л., Александров А. А. Теплофизические свойства воды и водяного пара. – М.: Энергия, 1980. – 424 с.
4. Слесаренко В. Н. Дистилляционные опреснительные установки. – М.: Энергия, 1980. – 248 с.
[1] Водоподготовка. Процессы и аппараты. Под ред. О. И. Мартыновой. Учебное пособие для вузов. – М.: Атомиздат, 1977. – 352 с.
[2] Водоподготовка. Процессы и аппараты. Под ред. О. И. Мартыновой. Учебное пособие для вузов. – М.: Атомиздат, 1977. – 352 с.
[3] Павлов К.Ф., Романков П.Г., Носков А.А. Примеры и задачи по курсу процессов и аппаратов химической технологии. – Л.: Химия, 1976. – 552 с.