| Скачать .docx |
Реферат: Анализ эксплуатационных качеств и разработка мероприятий на техническое обслуживание судового ди
МУРМАНСКИЙ ГОСУДАРСТВЕННЫЙ ТЕХНИЧЕСКИЙ
УНИВЕРСИТЕТ
МОРСКАЯ АКАДЕМИЯ
Судомеханический факультет
Кафедра СЭУ
КУРСОВОЙ ПРОЕКТ
по дисциплине «Эксплуатация судовых ДВС»
на тему: «Анализ эксплуатационных качеств и разработка мероприятий на техническое обслуживание судового дизеля 8ЧН20/26 для судов типа «Атлантик 433»».
240500.М-592(1).02.00.ПЗ
Выполнил:курсант Асипович Д.Н. _____________
Проверил:ст.преподаватель Злобин А.В. ______________
МУРМАНСК
2004
Содержание:
стр.
1. Анализ эксплуатационных качеств и надежности двигателя
2. Разработка мероприятий на техническое обслуживание дизеля
3. Разработка и составление программы специальных испытаний дизеля
1. Анализ эксплуатационных качеств и надёжности двигателя 8ЧН20/26
1.1. Технические характеристики и назначение двигателя 8ЧН20/26.
Таблица1 Технико-эксплуатационные характеристики дизеля 8ЧН20/26
| Наименование |
Единицы измерения |
Параметры |
| Обозначение по ГОСТ 3493-82 Заводское обозначение Тип камеры сгорания Смесеобразования Наддув Эффективная мощность Частота вращения Средняя скорость поршня Быстроходность Ход поршня Диаметр поршня Число цилиндров Порядок работы цилиндров Среднее эффективное давление Удельный эффективный расход топлива Удельный расход масла Степень сжатия Максимальное давление сжатия Максимальное давление сгорания Степень наддува Температура наддувочного воздуха а)до холодильника наддувочного воздуха б)после холодильника наддувочного воздуха Масса двигателя с маховиком без эксплуатационных материалов Габариты: а)длина б)ширина в)высота Температура выпускных газов за цилиндрами Температура выпускных газов перед турбиной Температура выпускных газов после турбины |
--- --- --- --- --- кВт об/мин м/с --- мм мм --- --- МПа г/кВт ч кг/ч --- МПа МПа --- 0 С 0 С кг мм мм мм ˚С ˚С ˚С |
8ЧН20/26 8VDS26/20 AL-2 неразделённая внутреннее газотурбинный 839 1000 8,67 средняя 260 200 8 1-2-4-6-8-7-5-3 1,621 222 1.8 12,5 3,42 12,7 2,7 175 <55 10500 4138 1300 2530 450 575 450 |
Продолжение таблицы 1. Технико-эксплуатационные характеристики дизеля 8ЧН20/26
| Наименование |
Единицы измерения |
Параметры |
| Давление срабатывания предохранительного клапана на крышке цилиндра Диаметр рамовой шейки Диаметр шатунной шейки Давление смазочного масла перед фильтром Максимально-допускаемая температура смазочного масла на выходе Максимально-допускаемая температура смазочного масла на входе Температура заданного значения охлаждающей воды во внутреннем контуре Температура охлаждающей воды на входе во внутренний контур Максимально допускаемая температура охлаждающей воды во внутреннем контуре Давление пускового воздуха а)максимальное б)минимальное |
МПа мм мм МПа ˚С ˚С ˚С °C °C МПа МПа |
17,3 180 150 0,49 75 55 75 66 90 2,94 1,0 2,94 1,0 |
В энергетическую установку траулера входят:
Дизель-редукторный агрегат с двумя главными приводными двигателями типа 6 VDS 48/42 AL-2 мощностью 2650 кВт каждый.
Два вспомогательных дизель-генератора с приводными двигателями типа 8VD26/20AL-2 мощностью 2´839 кВт
В состав гребной установки судна «Атлантик-433» входит дизель-редукторный агрегат с отбором мощности на валогенераторы.
Главная силовая установка, состоящая из двух дизелей типа 6ЧН42/48, предназначена для передачи мощности на винт, а также для выработки электроэнергии на судне. Силовая установка состоит из двух главных двигателей, которые через высокоупругие сцепные муфты (пневматические двухконусные фрикционные муфты с высокоупругими резиновыми элементами) работают на общий понижающий редуктор. Благодаря пустотелой конструкции входных валов понижающего редуктора возможно при отключенных сцепных муфтах работать только на валогенераторы мощностью по 1500 кВт, приводимые каждый через вспомогательный выходной вал понижающего редуктора и высокоупругую муфту, в то время как гребной вал не приводится. При включенных сцепных муфтах приводятся как гребной винт, так и валогенераторы. При приводе только гребного винта валогенераторы работают без возбуждения.
Состав судовой энергетической установки :
В состав энергетической установки входят следующие агрегаты и механизмы:
- два главных двигателя типа 6ЧН 42/48;
- две высокоупругие муфты типа Спирофлекс KJR 200;
- две электромагнитные сцепные муфты Pneumaflex KAE 340;
- ВРШ;
- понижающий редуктор типа 10 АО 2*1400*3,57,
- два валогенератора DGFSO 1421-6
- системы и механизмы, обеспечивающие работу энергетической установки
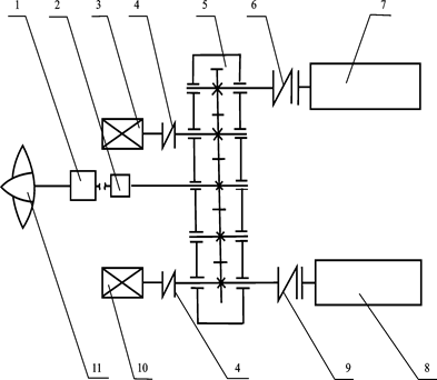
Принципиальная схема главной силовой установки предоставлена на рисунке 1.1.

Рисунок 1.1. Принципиальная схема главной силовой установки:
1-МИШ;
2-упорный подшипник;
3,10-валогенератор DGFSO 1421-6;
4-высокоупругие муфты типа Спирофлекс KJR 200;
5-редуктор типа 10 АО 2*1400*3,57;
6,9-две электромагнитные сцепные муфты Pneumaflex KAE 340;
7,8-двигатель 6ЧН42/48; 11-ВРШ.
Основные потребители электроэнергии на судне : траловые лебедки; консервные линии; компрессоры морозильных установок; судовое освещение; оборудование камбуза; грузовые лебедки; якорно-швартовные механизмы; оборудование общесудовых систем.
1.2. Характерные режимы работы двигателя на судне.
Таблица2 Среднесуточные режимы работы дизелей 8ЧН20/26
| Наименование режима |
Количество работающих дизелей |
Средняя мощность одного дизеля, кВт |
Мощность вспомогательных двигателей, % |
Расход топлива, кг/ч |
| 1. Переход на промысел |
1 |
320 |
39 |
90 |
| 2.Работа на промысле |
2 1 |
356 356 |
43 43 |
98 98 |
| 3.Стоянка у базы |
1 |
285 |
35 |
82 |
| 4. Переход с промысла в порт |
1 |
362 |
59 |
100 |
| 5. Стоянка в порту с рыбопродукцией |
1 |
333 |
41 |
93 |
| 6. . Стоянка в порту без рыбопродукции |
1 |
213 |
26 |
65 |
![]() |
Рисунок 2.- Изменение нагрузки вспомогательных двигателей на промысле в течении суток.
На промысле мощность вспомогательных дизелей используется на 30-70% номинальной, такая низкая степень загрузки обусловлена применением валогенераторов для обеспечения электроэнергией судовых потребителей.
1.3 .Конструктивные особенности дизеля 8ЧН20/26.
1.3.1.Поршневая группа
Поршневая группа двигателя состоит из составного поршня, поршневых колец (уплотнительных, маслосъёмных), поршневого пальца.
Условия работы поршня тяжёлые, так как он подвергается воздействию как механических нагрузок от давления газов и сил инерции, так и термических нагрузок в следствие необходимости отвода теплоты от головки поршня в охлаждающую среду.
Основные требования предъявляемые к конструкции поршня:
-надежное уплотнения цилиндра от пропуска газов
-эффективный отвод теплоты от головки поршня
- высокая износостойкость направляющей поверхности поршня и поршневых колец
-выбор надлежащих материалов для головки и направляющей гарантирующих надёжную и длительную работу поршня
-обеспечение надёжной смазки направляющей ,поршневых колец и пальца
-максимально возможный срок службы до первой переборки поршневой группы [3]
Днище поршня подвергается высоким механическим и тепловым нагрузкам Температура нагрева днища поршня из жаропрочной стали достигает 500°С, во избежание чрезмерных термических напряжений днище поршня охлаждается маслом. [3]

Рисунок 3 Поршень
1-тронк; 2-уплотнительное кольцо; 3-головка; 4-штифт; 5-болт; 6-первое компрессионное кольцо; 7-резьбовая вставка; 8-второе и третье компрессионные кольца; 9-маслосъёмное кольцо; 10-крышка; 11-поршневой палец; 12-шпилька.
Поршень двигателя 8ЧН20/26 является составным. Тронк изготовлен из высококачественного износостойкого алюминиево-кремниевого сплава, с головкой из жаропрочной стали.
Он оборудован тремя компрессионными кольцами и двумя маслосъёмными кольцами. На юбку поршня навинчена его головка из стали. Первое компрессионное кольцо является хромированным. Маслосъёмное кольцо имеет с две фаски, его рабочая поверхность хромирована.
Поршневой палец сделан пустотелым и зафиксирован от осевого смещения крышками. Охлаждающее масло поступает из втулки верхней головки шатуна через поршневой палец в головку поршня. Пройдя через поршень охлаждающее масло стекает в картер. [3]
1.3.2.Коленчатый вал
Коленчатый вал–одна из наиболее ответственных напряжённых и трудоёмких в изготовлении деталей. Вал воспринимает периодические нагрузки от давления газов а также сил инерции поступательно-движущихся и вращающихся масс, вызывающих значительные знакопеременные скручивающие и изгибающие моменты
Периодически изменяющийся крутящий момент при определённых условиях может вызвать крутильные и продольные колебания вала которые приводят к возникновению дополнительных напряжений Указанные силы кроме того вызывают трение и износ шеек вала и подшипников а также усталостные явления в местах наибольшей концентрации напряжений вала
Основные требования предъявляемые к конструкции коленчатого вала:
-надёжность работы коленчатого вала в различных эксплуатационных условиях
-прочность ,жёсткость и износостойкость
-высокая точность изготовления, а также обеспечение требуемой твёрдости и чистоты обработки шеек
-динамическая уравновешенность, отсутствие вибрации и зон опасных крутильных колебаний на рабочей частоте вращения двигателя
Коленчатый вал состоит из следующих отдельных элементов: колен, коренных и шатунных шеек, щёк и соединительных фланцев
В двигателе 8ЧН20/26 Коленчатый вал откован цельным из легированной стали и улучшен термически до большой прочности. Он смонтирован в подшипниках фундаментной рамы
В зависимости от условий использования двигателя к каждой щеке коленчатого вала привинчен противовес. Передача смазочного масло из рамовых подшипников в шатунные осуществляется по отверстиям в щеках колен и в шейках вала.
Для возможности отбора мощности к двигателю прикован фланец, который, кроме того, несёт на себе шестерню для привода системы газораспределения.
Между последним коленом вала и приводной шестернёй насоса к коленчатому валу прикован фланец, который служит для прикрепления демпфера колебаний.
Коленчатый вал должен осматриваться каждые 10000 часов. Такой контроль необходим для учёта всех влияний на подшипники коленчатого вала, при работе дизеля допускается наличие небольших рисок или заеданий на рамовых или мотылёвых шейках, но рельефные участки необходимо удалить.
Также необходим контроль болтов, служащих для крепления противовесов на наличие трещин. Для мотылёвых и коренных шеек допуск на овальность составляет 0,015 мм, допуск на цилиндричность 0,01 мм При замене коленчатого вала двигатель должен пройти обкатку .

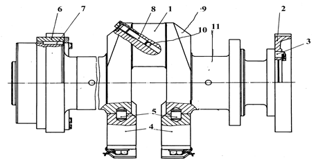
Рисунок 4 Коленчатый вал
1-мотылёвая шейка; 2-шестерня привода насосов; 3-штифт;
4-противовес; 5-штифт; 6-шестерня привода распределительного
вала; 7-шпонка; 8-заглушка; 9-щека; 10-отверстие; 11-рамовая шейка.
Рамовые подшипники выполнены одинаковыми для всех опорных точек. Они состоят из двух безбуртиковых тонкостенных полувкладышей готовых к монтажу и взимозаменяемых.
Верхний полувкладыш фиксируется выступом входящим в масляную канавку крышки подшипника Верхний полувкладыш снабжён по всей окружности смазочной канавкой Последняя сообщается отверстиями с масляной канавкой крышки подшипника.
Направляющий подшипник располагается между 1-ым и 2-ым цилиндрами.
В соответствующие выточки по обеим сторонам подшипниковой постели рамы закладывают упорные кольца из свинцовистой бронзы. Привинченные к крышкам подшипников шайбы препятствуют вращению упорных колец совместно с валом. Направляющий подшипник смазывается маслом вытекающим из рамовых подшипников.
На рабочих поверхностях подшипниковых вкладышей в процессе работы могут появиться риски, запрессовки, эрозия и иные механические повреждения. Такие явления в общем имеют ограниченное действие по времени и месту. Если подшипниковый вкладыш выдержал такие явления не показывая при демонтаже серьёзных повреждений, то имеется гарантия в надёжности дальнейшей работы.
Также необходимо осуществлять контроль зазоров в подшипниках его осуществляют тогда когда давление масла за фильтром станет меньше 0,34 МПа. Зазор в направляющем подшипнике должен контролироваться через каждые 5000 ч работы.[3]
Таблица3 Зазоры направляющего подшипника.
| Зазор между: |
Монтажный зазор мм |
Предельный зазор мм |
| рамовой шейкой и вкладышем подшипника коленчатым валом и направляющим подшипником |
0,15-0,24 0,50-0,90 |
0,35 2,0 |
Указываемые зазоры действительны для замеров на холодном двигателе. Предельные зазоры следует рассматривать следует рассматривать как ориентировочные величины.
В направляющем подшипнике необходимо контролировать осевой зазор. В случае превышения предельного зазора закладываются новые упорные кольца[3]
1.3.3.Шатун
Шатунный механизм служит для передачи действующего на поршень усилия от давления газов на шейку кривошипа коленчатого вала
Шатун тронковых двигателей состоит из: стержня, поршневой и кривошипной головок, вкладышей головок и шатунных болтов.
Условия работы шатунной группы: нижняя часть верхней головки и верхняя часть нижней головки шатуна подвергаются сжатию движущей силой, а стержень – сжатию и продольному изгибу
Шатун откован в штампе из целой заготовки. Разъем между стержнем и крышкой шатуна выполнен косым под углом 45°. Обе части соединяются друг с другом жестко при помощи четырех шатунных болтов с упругим стержнем. Такая конструкция шатуна позволяет осуществить выем шатуна через цилиндр, но непозволяет осуществлять реверс двигателя. [3]
Верхняя головка шатуна неразъёмная, головным подшипником служит запрессованная бронзовая втулка. В ней имеется канавка с тремя отверстиями для подвода масла к головному подшипнику и поршневому пальцу.
Мотылёвый подшипник состоит из двух безбуртиковых, тонкостенных полувкладышей, находящихся в готовом к монтажу состоянии и заменяемых каждый в отдельности. Оба полувкладыша фиксируются выступами, входящими в масляную канавку подшипникового корпуса шатуна. Вкладыши залиты слоем бронзы толщиной 0,6-1,2 мм, слоем баббита толщиной 0,3-0,6 мм, поверх гальванически наносится слой никеля.
Новые полувкладыши покрываются слоем олова для защиты от коррозии.
Смазочное масло в шатунный подшипник подаётся по отверстиям в коленчатом валу. Через соответственно высверленные отверстия масло поступает во втулку под поршневой палец.[3]
1.3.4.Фундаментная рама
Фундаментная рама является основанием остова двигателя и опорой рамовых подшипников коленчатого вала. Рама представляет собой две жесткие продольные балки, связанные между собой поперечными балками, расположенными между цилиндрами. Эти поперечные перегородки разделяют раму на семь отдельных отсеков и служат опорами для установки рамовых подшипников.
Условия работы фундаментной рамы определяются действием сил газов, сил инерции деталей движения, сил, возникающих при деформации корпуса судна и тепловой деформации остова.
Стенки фундаментной рамы по высоте выходят за пределы опорных точек. Благодаря этому повышается жёсткость фундаментной рамы и опора не деформируется усилиями, возбуждающимися в месте соединения фундаментной рамы с блоком цилиндров.
Конструкция фундаментной рамы предусматривает наличие картерных люков с крышками для доступа к кривошипно-шатунному механизму.
Рисунок .5 - Фундаментная рама
1-фундаментная рама; 2-лючок; 3-крышка рамового подшипника;
Фундаментная рама служит заодно и поддоном двигателя, что позволяет достичь лучшей его герметичности. Поддон установлен с небольшим уклоном для стока отработанного масла в цистерну отработанного масла Для крепления рамы к фундаменту предусмотрены опорные полки. [3]
1.3.5.Блок цилиндров
Наиболее ответственной частью остова является его верхняя часть – блок цилиндров, в котором установлены цилиндровые втулки. Условия работы рубашек цилиндров определяются сжимающими усилиями от затяга шпилек.
Моменты затяга определяются по схеме приведённой в технической документации. На блок цилиндров насаживаются крышки цилиндров. Которые крепятся с помощью шпилек с следующими углами затяжки с использованием торцевых или динамометрических ключей.
Таблица 4 Углы затяжки шпилек крепления крышки цилиндра
| Упругий болт |
Размер под ключ мм |
Маркировка |
Угол затяжки |
Момент затяжки нм |
Усилие предварительной затяжки нм |
| Шпилька крепления крышки цилиндра Шпилька крепления крышки цилиндра |
36 36 |
Z °C |
98 154 |
345 540 |
105 165 |
В блок цилиндров, укладывается распределительный вал, там так же находится камера наддувочного воздуха. Блок цилиндров представляет собой литую конструкцию, что увеличивает жёсткость всего остова, и позволяет уменьшить толщину стенок блока цилиндров.[3]
1.3.5.Втулка цилиндра
К конструкции цилиндровой втулки предъявляют следующие основные требования: высокая прочность и жесткость, хорошее охлаждение верхнего пояса при возможно меньших перепадах температур в стенке, наименьшая неравномерность радиальных и осевых деформаций, герметичность поверхностей, сопряженных с рубашкой и крышкой цилиндра, свободные радиальные и осевые расширения втулки, материал втулки должен быть жароупорным, износостойким и иметь хорошие антифрикционные качества.
Условия работы втулки определяются воздействием больших механических и термических нагрузок, трением поршневых колец, вызывающим износ и дополнительный нагрев рабочей поверхности (”зеркала”), воздействием коррозии и кавитационной эрозии на охлаждаемую поверхность
Механические нагрузки возникают под действием сил газов, силы давления поршня и силы затяга крепежных шпилек цилиндровой крышки. Давление газов вызывает в стенке втулки напряжения растяжения и сжатия.
Термические нагрузки на втулку обусловлены воздействием горячих газов. Высокая температура зеркала в верхнем поясе втулки ухудшает условия смазывания и способствует изнашиванию втулки и колец, а перепад температур по толщине стенки втулки вызывает в ней термические напряжения.
Втулка цилиндра является направляющей поршня, а так же вместе с крышками цилиндров и поршнями образует камеру сгорания двигателя. На нижнем конце втулки располагаются три кольца круглого сечения из резины с целью уплотнения зарубашечного пространства. Контроль этого уплотнения осуществляется через отверстие в блоке цилиндров между верхними и нижними кольцами. Втулка цилиндра омывается непосредственно охлаждающей водой снизу вверх[3]
1.3.6.Крышка цилиндра
Во время работы дизеля крышка подвергается воздействию значительного давления газа и высокой температуры. В с этими тяжёлыми условиями работы крышка должна иметь простую и симметричную форму, податливое тонкостенное днище с жёсткой опорной частью и равномерное распределение температуры. Днище крышки следует интенсивно охлаждать водой. Стенки крышки, за исключением опорной части, должно иметь одинаковую толщину во избежание повышенных внутренних напряжений. Выходы клапанных стаканов на огневую поверхность днища требуется выполнять с большими радиусами закруглений [3]
Механические нагрузки возникают под давлением газов и силы затяга крепежных шпилек. Под действием этих сил в крышке возникают напряжения изгиба. Термические нагрузки обусловлены непосредственным соприкосновением огневого днища крышки с горячими газами. Нагрев днища снижает его прочность, а температурный перепад по толщине вызывает термические напряжения.
Крышка цилиндра сделана с плоским днищем. Она располагается на втулке цилиндра. Уплотнение между деталями осуществляется прокладкой из мягкого железа. В целях достижения направленного перемещения воздуха в камере, сгорания впускные клапана имеют собственные каналы, которые не подвергаются взаимному аэродинамическому влиянию. Они тангенциально направлены относительно стенки втулки цилиндра. На крышке цилиндра находится привод клапанов, заключённый в маслонепроницаемый кожух. Предохранительный клапан и индикаторный клапан закреплены на крышке цилиндра вне кожуха [3]

Рисунок. 6- Крышка цилиндра
1-крышка цилиндра; 2-скоба; 3-индикаторный клапан; 4-шпилька крепления кожуха; 5-штуцер; 6-крышка; 7-уплотнительное кольцо
В центре крышки расположена форсунка, которая прижимается плотно к седлу в крышке цилиндра при помощи зажима. Для уплотнения торцевых поверхностей между форсункой и крышкой ставится резиновая прокладка.
В крышке цилиндра имеются газовые каналы, через которые с помощью впускных и выпускных клапанов цилиндр дизеля сообщается с ресивером наддувочного воздуха и выпускным коллектором.
1.4.Характерные отказы в процессе эксплуатации дизеля 8ЧН20/26
1.4.1.Фундаментная рама и коленчатый вал
Наиболее часто повторяются следующие отказы:
-появление слабины в соединении блока цилиндров с фундаментной рамой;
-ослабление, вытяжка, образование наклёпа и обрыв болтов крепления фундаментной рамы двигателя к судовому фундаменту;
-появление трещин и обрыв в районе опорных листов фундамента;
1.4.2.Газотурбонагнетатель
По истечении 2000-3000 ч. работы двигателя происходит загрязнение проточной части компрессора воздухом всасываемым из МКО. Наиболее сильно загрязняются лопатки диффузора. При этом значительно падает давление наддува и производительность компрессора.
Использование промывочного устройства не дало удовлетворительных результатов. Оно эффективно только для промывки рабочего колеса компрессора.
1.4.3.Клапаны газораспределения
Зависание выпускных клапанов происходит из-за чрезмерного износа направляющих втулок и отложений на штоках твёрдых лаконагароотложений.
После наработки двигателем 4000-6000 ч. В проточных каналах впускных клапанов и на штоках наблюдается сильное нагарообразование. Нагар рыхлый, маслянного происхождения. В отдельных случаях нагарообразование на штоках и в каналах уменьшает проходное сечение на 50%.
1.4.5.Крышка цилиндра
В настоящее время предприятие SKL поставляет двигатели, у которых уплотнением газового стыка между втулкой и крышкой цилиндра служит прокладка из мягкой стали.
При применении таких прокладок изменяется момент затяжки шпилек крепления крышки (по сравнению с моментом затяжки при использовании красномедных прокладок), что необходимо учитывать в эксплуатации.
1.4.6.ТНВД и форсунка
У ТНВД наиболее часто повторяются следующие отказы:
-заклинивание плунжерных пар;
-потеря плотности плунжерных пар;
-потеря плотности нагнетательного клапана.
Наиболее частые отказы форсунок:
-зависание иглы в корпусе;
-снижение качества распыла.
Основной причиной перечисленных отказов является коррозия поверхностей прецизионных деталей в результате некачественной топливоподготовки.
Опыт эксплуатации показал, что если топливоподготовке уделяется серьёзное внимание,
(отстой, и сепарирование), случаи повреждения топливной аппаратуры весьма редки.[4, с 119]
1.5 Показатели надёжности двигателя.
1.5.1. Наработка на отказ, ч:
,
где t – наработка дизеля за период наблюдения (год эксплуатации);
n i - число отказов i го вида конкретной детали, узла или системы двигателя за период наблюдения.
1.5.2. Коэффициент готовности:
,
где t i - суммарное время восстановления работоспособного состояния судна после отказа i го вида за период наблюдения, ч.
1.5.3 Удельная трудоемкость восстановления Rо , чел.-ч/тыс.ч.:
,
где Ri –суммарная трудоемкость восстановления работоспособного состояния дизеля после отказов i го вида за период наблюдения, чел.-ч.[1, с12]
Таблица 5 Показатели надежности дизеля 8ЧН20/26
| Средняя наработка, ч. |
5830 |
| Количество отказов на 1 двигатель |
124 |
| Трудоёмкость восстановления ч-час |
470 |
| Время простоя, ч |
217 |
| Наработка на отказ, ч |
282 |
| Вероятность безотказной работы |
0,1698 |
| Коэффициент готовности |
0,9938 |
| Удельная трудоемкость восстановления, чел.-ч/тыс.ч. |
13,44 |
1.6.Выводы
Для оценки уровня безотказной работы двигателя можно ориентироваться на следующие величины:
- при высоком уровне надежности t0 >750ч и kг >0,997;
- при низком уровне надежности t0 <150ч и kг <0,99.
Согласно данным из таблицы 5 и опыту эксплуатации данного двигателя можно сделать вывод о том, что это двигатель среднего уровня надежности t0 = 282 ч и kг =0,9938, что и подтверждается опытом эксплуатации.
2.Разработка мероприятий на техническое обслуживание дизеля
2.1 График проведения ППО и ППР для дизеля 8ЧН20/26 судов типа «Атлантик-433»
График проведения ППО и ППР представлен в таблице 6.
Таблица 6 График проведения ППО и ППР
| № п/п |
Вид работ |
Наработка дизеля, ч |
Трудоёмкость норм.-ч |
Распределение работ по исполнителям, норм.-ч |
|||
| СЭ |
СРБ |
РПЭ |
СРП |
||||
| 1 2 3 4 5 6 7 |
ТО-1 ТО-2 ТО-3 ТО-4 ТР СР КР |
500 1250 2500 5000 10000 20000 50000 |
30 50 72 800 5500 7500 9000 |
30 18 24 200 --- --- --- |
--- 32 48 --- --- --- --- |
--- --- --- --- --- --- --- |
--- --- --- 600 5500 7500 9000 |
2.2 Перечень и объём работ по ТО-3 для дизеля 8ЧН20/26
Перечень и объём работ по ТО-3 приведён в таблице 7
Таблица 7 Перечень и объём работ по ТО-3 [3, с106]
| №, п/п |
Система, узел, сборочная единица |
Номенклатура работ |
| 1. |
Форсунки |
Демонтировать форсунки, разобрать, очистить, провести дефектацию, заменить дефектные детали. Собрать, отрегулировать с контролем качества распыла. Опрессовать форсунки на стенде давлением 35 МПа. |
| 2. |
ТНВД |
Проверить состояние толкателей ТНВД. Проверить угол опережения и нулевую подачу ТНВД. |
| 3. |
Механизм газораспределения |
Проверить визуально состояние привода распределительного вала. Осмотреть привод клапанов газораспределения. Устранить обнаруженные неисправности. Замерить зазоры между кулачками и роликами распределительного вала. Проверить состояние рабочих поверхностей кулачков и роликов распределительного вала, плотности посадки. Провести регулировку тепловых зазоров в клапанах газораспределения. |
| 4. |
Детали движения |
Вскрыть картер, осмотреть детали движения. Проверить состояние крепления мотылевых и коренных шеек, шплинтовки шатунных болтов. Замерить раскепы коленчатого вала с навешенным движением. |
| 5. |
Топливные, масляные, фильтры |
Осмотреть и очистить фильтры масла и топлива. |
| 6. |
Фундаментные болты |
Подтянуть фундаментные болты |
| 7. |
Система смазки |
Проверить подачу масла к местам смазки, отсутствия течи в уплотнениях цилиндровых втулок. Проверить состояние смазочного масла. Произвести смазку: регулировочной рычажной тяги, подшипников вала устройства измерения числа оборотов, пускового клапана, подвижных деталей ограничителя максимального числа оборотов. Проверить состояние крепления масляного насоса. Произвести очистку масляных холодильников. |
| 8. |
Система пуска |
Промыть и смазать главный пусковой клапан, пусковой распределительный золотник. Проверить пусковые клапаны на легкость. Проверить состояние крепления компрессора. |
| 9. |
Система наддува |
Осмотреть и очистить воздушный фильтр турбокомпрессора, сетки всасывающего коллектора. Осмотреть турбокомпрессор, проверить состояние опор подшипников и крепление ТК к двигателю. Заменить масло в картерах подшипников. Осмотреть уплотнения фланцев выхлопных газов, воздуха и водоотвода турбокомпрессора. |
| 10. |
Система АПС и защиты, устройства системы |
Проверить срабатывание звуковой и световой сигнализации на параметры в системе: температура охлаждающей воды - 85°С, температура масла - 70°С, давление масла - 0,3 МПа. Проверить подвижность ударного кольца аварийно-остановочного устройства, предельного выключателя от руки. |
| 11. |
- |
Произвести контроль давления сжатия и давления сгорания по цилиндрам |
| 12. |
Трубопроводы и соединения |
Произвести наружный осмотр, контроль затяжки резьбовых соединений трубопроводов, их креплений. |
2.3. Ведомость на ремонт дизеля 8ЧН20/26
По показаниям приборов, установили, что температура выпускных газов значительно отличается от паспортной. При разборке двигателя установили , что причиной повышения температуры является прорыв газов через выпускные клапана двигателя. За счет отложения частиц масляного нагара и грязи и возникающих одновременно больших давлений образуются местные ожоги и забоины, когда двигатель эксплуатируется в диапазоне частичных нагрузок или низкосортном топливе. Вследствие процесса сгорания тарелки и седла клапанов подвергаются термической нагрузке. Получающиеся от этого тепловые напряжения приводят к короблению опорной поверхности на большем или меньшем участке.
Ведомость на ремонт двигателя составляется с целью восстановления плотности клапанов.
Ведомость на ремонт представлена в таблице 8
Таблица 8 Ремонтная ведомость двигателя 8ЧН20/26 по устранению неисправности «Пропуск газов через выпускные (впускные) клапана »
| № п/п |
Наименование работ |
Количество |
Примечание |
| 1 |
Подготовка к разборке -проверка состояния механизма газораспределения -проверка наличия рисок определяющих положения мёртвых точек на маховике |
||
| 2 |
Демонтаж крышки цилиндра -демонтаж КИП -слить воду -отсоединить трубопроводы подвода охлаждающей воды (фланцевое соединение) -отсоединить топливные трубопроводы (штуцерное соединение) -отсоединить воздушные трубопроводы (штуцерное соединение) -отсоединить крепление штанг с коромыслами привода впускного и выпускного клапанов -демонтировать впускной и выпускной коллектора -отдать крепление крышки цилиндров -снять крышку цилиндров, с помощью тельфера перенести на стеллаж |
12 болтов М12 2 шт 2 шт 1 комплект 12 болтов М16 6 болтов М36 |
|
| 3 |
Демонтаж клапанов -с помощью специального фирменного или самодельного съемника зажимается возвратная пружина клапана, что дает возможность демонтировать сухари и шток клапана |
||
| 4 |
Произвести дефектацию штока и седла клапана на предмет обнаружения трещин, рисок, задиров. Проверить соответствие действительных размеров штока, направляющей и седла клапана указанным в документации согласно схеме обмеров. В ходе дефектации обнаружили чрезмерный износ кольцевого седла в крышке цилиндра ,зазор между штоком и направляющей не превышает величину предельного зазора 0,025 мм, на тарелке штока имеется трещина. - необходимо заменить шток, седло клапана. |
Продолжение таблицы 8 Ремонтная ведомость двигателя 8ЧН20/26 по устранению неисправности «Пропуск газов через выпускные клапана »
| 5 |
Замену производить по следующей технологии: - подогреть кольцевое седло в четырех местах с помощью сварочной торелки до температуры около 8500 С, на это потребуется 6 секунд для каждого участка и дают остыть на воздухе, при этом седло ослабевает в своем гнезде и легко вынимается. -для вмонтирования нового седла крышка цилиндра нагревается 200 мин. Равномерно до температуры 2800 С. -быстро уложить седло в крышку цилиндра - шлифовать седло так, чтобы ось его совпала с осью направляющей клапана - очистить новый клапан от заводской консервационной смазки; -произвести притирку клапана в ремонтной мастерской на шлифовальном станке, седельные площади на тарелке клапана и на кольцевом седле должна быть одинаковой толщины, после необходимо очистить клапан и седло от притирочной пасты дизельным топливом. -произвести контроль плотности прилегания тарелки клапана к седлу, вставляем клапан в направляющую и при положении всех клапанов закрыто налить дизельное топливо, если в течении 1-2 минут не появится в выхлопном коллекторе ,то притирка произведена качественно, приступаем к сборке клапана. |
|
| 6 |
Сборка -сборку проводить в обратной последовательности -установить новые прокладки в местах соединения крышки с впускным и выпускным коллекторами, топливным трубопроводом высокого давления, патрубками охлаждающей воды и пускового воздуха; -установить тепловые зазоры ; |
|
| 7 |
Произвести замеры расхода топлива и смазочного масла, значений pc , pz и температуры отработавших газов. |
Допускаемые отклонения: Dpz = ± 3,5% Dpс = ± 2,5% Dt = ± 5% |
3. Разработка и составление программы специальных (эксплуатационных) испытаний дизеля 8ЧН20/26
Исследуем шум и вибрации на эксплуатационных режимах двигателя 8ЧН20/26. Предельно допустимые уровни шума регламентируются санитарными нормами.
Шум дизелей исследуют с целью определения уровней и спектрального состава акустических колебаний, выявления наиболее интенсивных источников шума и вибраций.
Испытание проводим по нагрузочной характеристике двигателя.
При измерениях необходимо следить, чтобы посторонние шумы были на 10 Дб ниже шума испытываемого двигателя.
Горизонтальные шумодиаграммы снимают в трёх уровнях: на уровне картерных щитов, топливных насосов и ресивера наддувочного воздуха, цилиндровых крышек и ГТН.
Вертикальные шумодиаграммы снимают также в трёх плоскостях, деля двигатель на три части.
Результаты дадут общую картину распределения шумового поля двигателя.
Для детального исследования причин, вызывающих вибрации и шум, целесообразно производить спектральный анализ основных возмущающих сил, действующих в источнике. Обычно выполняется спектрографирование давления газов в цилиндре, давления топлива в трубопроводе высокого давления, колебания давления в продувочном ресивере и выпускном коллекторе.
При снятии шумодиаграмм микрофон устанавливают в фиксированных точках на одинаковых расстояниях (0,5 м) от излучающих шум поверхностях двигателя. Точки установки вибродатчика выбирают на расстоянии приблизительно 0,5 м одна от другой.
Измерение вибрации проводится по трём колебательным параметрам: ускорению, скорости и перемещению.
Построив по измеренным значениям вибродиаграммаму, можно точно определить наибольшую амплитуду колебательной скорости и тем самым определить наиболее интенсивный источник шума.
Схема установки датчиков следующая:
-в картере двигателя в районе 1,4,8 цилиндров (3 пъезокварцевых датчика);
-в районе ТНВД(1 пъезокварцевый, 1 вибродатчик );
-ресивере наддувочного воздуха в районе 1, 4, 8 цилиндров(3 пъезокварцевых, 2 вибродатчика);
-на цилиндровых крышках 1,4,8 цилиндров(3 пъезокварцевых датчика);
-в районе ГТН(1 пъезокварцевый датчик);
-на фундаменте в районе 1,4,8 цилиндров, с двух сторон(6 пъезокварцевых, 4 вибродатчика);
-выпускном коллекторе(2 вибродатчика);
-1,4,8 цилиндрах двигателя (3 вибродатчика);
Всего 28 датчиков для измерения шума и вибраций, 1 датчик для измерения частоты вращения, и 1 для измерения крутящего момента. Отсюда следует, что на каждом режиме необходимо снять не меньше 30 показаний.
Эффективная мощность дизеля определяется по формуле:
![]()
Задаём режимы работы двигателя, согласно таблице 10.
Составим таблицу измеряемых параметров, см табл. 9
Таблица 9 – Измеряемые параметры.
| № |
Измеряемые параметры |
Размер- ность |
Тип и марка прибора |
Погреш- ность |
| 1 |
Частота вращения двигателя |
мин-1 |
Электортахометр |
± 2% |
| 2 |
Уровень шума |
Дб |
Шумомер Ш-3 |
± 2,5 Дб |
| 3 |
Уровень вибрации |
Дб |
Виброметр ИВПШ |
± 2,5 Дб |
| 4 |
Уровень вибрации, шума |
Дб |
Вибродатчик, магнитофон Репортёр-2, пьезокварцевые датчики |
|
| 5 |
Крутящий момент |
кг·м |
Торсионный динамометр |
±2% |
Составим таблицу режимов работы двигателя, см табл. 10
Таблица 10 Режимы работы двигателя в процессе испытаний.
| № |
Частота вращения, мин-1 |
Нагрузка двигателя |
Время вывода и работы на режиме, ч |
Количество замеров, шт |
|
| Nе , % |
кВт |
||||
| 1 |
1000 |
ХХ |
- |
0,7-0,8 |
30 |
| 2 |
1000 |
25 |
220,5 |
0,8-1,0 |
30 |
| 3 |
1000 |
50 |
441 |
1,0-1,2 |
30 |
| 4 |
1000 |
75 |
661,5 |
1,4-1,6 |
30 |
| 5 |
1000 |
100 |
882 |
1,8-2,0 |
30 |
| 6 |
1000 |
110 |
970,2 |
1,0 |
30 |
По полученным результатам строятся шумодиаграммы и вибродиаграммы, с предъявлением Заказчику(судовладельцу).
4. Используемая литература
1.Удальцов В.Н. Методические указания к выполнению курсового проекта по дисциплине «Эксплуатация судовых ДВС» для курсантов, обучающихся по специальности 240500 «Эксплуатация СЭУ». – изд. МГТУ, 2001.
2. В.Ф. Осташенков. Теплотехнические испытания судовых дизелей. Издательство «Транспорт». Москва 1697..
3. Инструкция по эксплуатации ДРА двигателя 8ЧН20/26
4. А.В. Анцевич и др. под редакцией Р.В.Кузьмина. Дизель редукторные агрегаты рыбопромысловых судов. Л. 1978 г
5. Олейников Б.И. Техническая эксплуатация дизелей судов флота рыбной промышленности. – М.: Агропромиздат, 1986.- 269 с.: ил. – (Учебники и учеб. Пособия для высш. Учеб. Заведений).
