| Похожие рефераты | Скачать .docx |
Реферат: Корпускулярно - волновой дуализм
Введение
Почти одновременно были выдвинуты две теории света: корпускулярная теория Ньютона и волновая теория Гюйгенса.
Согласно корпускулярной теории, или теории истечения, выдвинутой Ньютоном в конце 17 века, светящиеся тела испускают мельчайшие частицы (корпускулы), которые летят прямолинейно по всем направления и, попадая в глаз, вызывают световое ощущение.
Согласно волновой теории светящееся тело вызывает заполняющей все мировое пространство особой среде – мировом эфире – упругие колебания, которые распространяются в эфире подобно звуковым волнам в воздухе.
Во времена Ньютона и Гюйгенса большинство ученых придерживалось корпускулярной теории Ньютона, которая достаточно удовлетворительно объясняла все известные к тому времени световые явления. Отражение света объяснялось аналогично отражению упругих тел при ударе о плоскость. Преломление света объяснялось действием на корпускулы больших сил притяжения со стороны более плотной среды. Под действием этих сил, проявляющихся, согласно теории Ньютона, при приближении к более плотной среде, световые корпускулы получали ускорение, направленные перпендикулярно к границе этой среды, вследствие чего они изменяли направление движения и одновременно увеличивали свою скорость. Аналогично объяснялись другие световые явления.
В дальнейшем появившиеся новые наблюдения не укладывались в рамки этой теории. В частности, несостоятельность этой теории обнаружилось, когда была измерена скорость распространения света в воде. Она оказалась не больше, а меньше, чем в воздухе.
В начале 19 века волновая теория Гюйгенса, не признанная современниками, была развита и усовершенствована Юнгом и Френелем и получила всеобщее признание. В 60–х годах прошлого столетия, после того как Максвелл разработал теорию электромагнитного поля, выяснилось, что свет представляет собой электромагнитные волны. Таким образом, волновая механистическая теория света была заменена волновой электромагнитной теорией. Световые волны (видимый спектр) занимают в шкале электромагнитных волн диапазон 0,4–0,7мкм. Волновая теория света Максвелла, трактующая излучение как непрерывный процесс, оказалась не в состоянии объяснить некоторые из вновь открытых оптических явлений. Её дополнила квантовая теория света, согласно которой энергия световой волны излучается, распространяется и поглощается не непрерывно, а определенными порциями - квантами света, или фотонами, - которые зависят только от длины световой волны. Таким образом, по современным представлениям, свет обладает как волновыми так, и корпускулярными свойствами.
Интерференция света
Волны создающие в каждой точке пространства колебания с не изменяющейся со временем разностью фаз, называются когерентными. Разность фаз в этом случае имеет постоянное, но, вообще говоря, различное для разных точек пространства значение. Очевидно, что когерентными могут быть лишь волны одинаковой частоты.
При распространении в пространстве нескольких когерентных волн порождаемые этими волнами колебания в одних точках усиливают друг друга, в других – ослабляют. Это явление называется интерференцией волн. Интерферировать могут волны любой физической природы. Мы рассмотрим интерференцию световых волн.
Источники когерентных волн также называются когерентными. При освещении некоторой поверхности несколькими когерентными источниками света на этой поверхности возникают в общем случае чередующиеся светлые и темные полосы.
Два независимых источника света, например две электролампы, не когерентны. Излучаемые ими световые волны – это результат сложения большого количества волн, излучаемых отдельными атомами. Излучение волн атомами происходит беспорядочно, и поэтому нет каких - либо постоянных соотношений между фазами волн, излучаемых двумя источниками.
При освещении поверхности некогерентными источниками характерная для интерференции картина чередующихся светлых и темных полос не возникает. Освещенность в каждой точке оказывается равной сумме освещенностей, создаваемых каждым из источников в отдельности.
Когерентные волны получаются посредством разделения пучка света от одного источника на два или несколько отдельных пучков.
Интерференцию света можно наблюдать при освещении монохроматическими (одноцветными) лучами прозрачной пластинки переменной толщины, в частности клинообразной пластинки. В глаз наблюдателя будут попадать волны, отраженные как от передней, так и от задней поверхностей пластинки. Результат интерференции определяется разностью фаз тех и других волн, которая постепенно изменяется с изменением толщины
пластинки. Соответственно изменяется освещенность: если разность хода интерферирующих волн в некоторой точке поверхности пластинки равна четному числу полуволн, то в этой точке поверхность будет казаться светлой, при разности фаз в нечетное число полуволн – темной.
При освещении параллельным пучком плоскопараллельной пластинки разность фаз световых волн, отраженных от передней и задней её поверхностей, одна и та же во всех точках, - пластинка будет казаться освещенной равномерно.
Вокруг точки соприкосновения слегка выпуклого стекла с плоским при освещении монохроматическим светом наблюдаются темные и светлые кольца – так называемые кольца Ньютона. Здесь тончайшая прослойка воздуха между обоими стеклами играет роль отражающей пленки, имеющей постоянную толщину по концентрическим окружностям.
Дифракция света.
У световой волны не происходит изменения геометрической формы фронта при распространении в однородной среде. Однако если распространение света осуществляется в неоднородной среде, в которой, например, находятся не прозрачные экраны, области пространства со сравнительно резким изменением показателя преломления и т. п., то наблюдается искажение фронта волны. В этом случае происходит перераспределение интенсивности световой волны в пространстве. При освещении, например, непрозрачных экранов точечным источником света на границе тени, где согласно законам геометрической оптики должен был бы проходить скачкообразный переход от тени к свету, наблюдается ряд тёмных и светлых полос, часть света проникает в область геометрической тени. Эти явления относятся к дифракции света.
Итак, дифракция света в узком смысле - явление огибания светом контура непрозрачных тел и попадание света в область геометрической тени; в широком смысле - всякое отклонение при распространении света от законов геометрической оптики.
Определение Зоммерфельда: под дифракцией света понимают всякое отклонение от прямолинейного распространения, если оно не может быть объяснено как результат отражения, преломления или изгибания световых лучей в средах с непрерывно меняющимся показателем преломления.
Если в среде имеются мельчайшие частицы (туман) или показатель преломления заметно меняется на расстояниях порядка длины волны, то в этих случаях говорят о рассеянии света и термин «дифракция» не употребляется.
Различают два вида дифракции света. Изучая дифракционную картину в точке наблюдения, находящейся на конечном расстоянии от препятствия, мы имеем дело с дифракцией Френеля. Если точка наблюдения и источник света расположены от препятствия так далеко, что лучи, падающие на препятствие, и лучи, идущие в точку наблюдения, можно считать параллельными пучками, то говорят о дифракции в параллельных лучах – дифракции Фраунгофера.
Теория дифракции рассматривает волновые процессы в тех случаях, когда на пути распространения волны имеются какие – либо препятствия.
С помощью теории дифракции решают такие проблемы, как защита от шумов с помощью акустических экранов, распространение радиоволн над поверхностью Земли, работа оптических приборов (так как изображение, даваемое объективом, - всегда дифракционная картина), измерения качества поверхности, изучение строения вещества и многие другие.
Поляризация света
Явления интерференции и дифракции, послужившие для обоснования волновой природы света, не дают еще полного представления о характере световых волн. Новые черты открывает нам опыт над прохождением света через кристаллы, в частности через турмалин.
Возьмем две одинаковые прямоугольные пластинки турмалина, вырезанные так, что одна из сторон прямоугольника совпадает с определенным направлением внутри кристалла, носящим название оптической оси. Наложим одну пластинку на другую так, чтобы оси их совпадали по направлению, и пропустим через сложенную пару пластинок узкий пучок света от фонаря или солнца. Так как турмалин представляет собой кристалл буро – зеленого цвета, то след прошедшего пучка на экране представится в виде тёмно – зеленого пятнышка. Начнем поворачивать одну из пластинок вокруг пучка, оставляя вторую неподвижной. Мы обнаружим, что след пучка становится слабее, и когда пластинка повернётся на 900 , он совсем исчезнет. При дальнейшем вращении пластинки проходящий пучок вновь начнет усиливаться и дойдет до прежней интенсивности, когда пластинка повернется на 1800 , т.е. когда оптические оси пластинок вновь расположатся параллельно. При дальнейшем вращении турмалина пучок вновь слабеет.
Можно объяснить все наблюдающиеся явления, если сделать следующие выводы.
1) Световые колебания в пучке направлены перпендикулярно к линии распространения света (световые волны поперечны).
2) Турмалин способен пропускать световые колебания только в том случае, когда они направлены определенным образом относительно его оси.
3) В свете фонаря(солнца) представлены поперечные колебания любого направления и притом в одинаковой доле, так что ни одно направление не является преимущественным.
Вывод 3 объясняет, почему естественный свет в одинаковой степени проходит через турмалин при любой его ориентации, хотя турмалин, согласно выводу 2, способен пропускать световые колебания только определенного направления. Прохождение естественного света через турмалин приводит к тому, что из поперечных колебаний отбираются только те, которые могут пропускаться турмалином. Поэтому свет, прошедший через турмалин, будет представлять собой совокупность поперечных колебаний одного направления, определяемого ориентацией оси турмалина. Такой свет мы будем называть линейно поляризованным, а плоскость, содержащую направление колебаний и ось светового пучка, - плоскостью поляризации.
Теперь становится понятным опыт с прохождением света через две последовательно поставленные пластинки турмалина. Первая пластинка поляризует проходящий через неё пучок света, оставляя в нем колебания только одного направления. Эти колебания могут пройти через второй турмалин полностью только в том случае, когда направление их совпадает с направлением колебаний, пропускаемых вторым турмалином, т.е. когда его ось параллельна оси первого. Если же направление колебаний в поляризованном свете перпендикулярно к направлению колебаний, пропускаемых вторым турмалином, то свет будет полностью задержан. Если направление колебаний в поляризованном свете составляет острый угол с направлением, пропускаемым турмалином, то колебания будут пропущены лишь частично.
Дисперсия света
Ньютон обратился к исследованию цветов, наблюдаемых при преломлении света, в связи с попытками усовершенствования телескопов. Стремясь получить линзы возможно лучшего качества, Ньютон убедился, что главным недостатком изображений является наличие окрашенных краёв. Исследуя окрашивание при преломлении, Ньютон сделал свои величайшие оптические открытия.
Сущность открытий Ньютона поясняется следующими опытами (рис.1) свет от фонаря освещает узкое отверстие S (щель). При помощи линзы L изображение щели получается на экране MN в виде короткого белого прямоугольника S`. Поместив на пути призму P, ребро которой параллельно щели, обнаружим, что изображение щели сместится и превратится в окрашенную полоску, переходы цветов, в которой от красного к фиолетовому подобны наблюдаемым в радуге. Это радужное изображение Ньютон назвал спектром.
Если прикрыть щель цветным стеклом, т.е. если направлять на призму вместо белого света цветной, изображение щели сведется к цветному прямоугольнику, располагающему на соответствующем месте спектра, т.е. в зависимости от цвета свет будет отклоняться на различные углы от первоначального изображения S`. Описанное наблюдения показывает, что лучи разного цвета различно преломляются призмой.
Это важное заключение Ньютон проверил многими опытами. Важнейший из них состоял в определении и показателя преломления лучей различного цвета, выделенных из спектра. Для этой цели в экране MN , на котором получается спектр, прорезалось отверстие; перемещая экран, можно было выпустить через отверстие узкий пучок лучей того или иного цвета. Такой способ выделения однородных лучей более совершенен, чем выделение при помощи цветного стекла. Опыты обнаружили, что такой выделенный пучок, преломляясь во второй призме, уже не растягивает полоску. Такому пучку соответствует определенный показатель преломления, значение которого зависит от цвета выделенного пучка.
Описанные опыты показывают, что для узкого цветного пучка, выделенного из спектра, показатель преломления имеет вполне определенное значение, тогда как преломление белого света можно только приблизительно охарактеризовать одним каким то значением этого показателя. Сопоставляя подобные наблюдения, Ньютон сделал вывод, что существуют простые цвета, не разлагающиеся при прохождении через призму, и сложные, представляющие совокупность простых, имеющих разные показатели преломления. В частности, солнечный свет есть такая совокупность цветов, которая при помощи призмы разлагается, давая спектральное изображение щели.
Таким образом, в основных опытах Ньютона заключались два важных открытия:
1)Свет различного цвета характеризуется различными показателями преломления в данном веществе (дисперсия).
2)Белый цвет есть совокупность простых цветов.
Мы знаем в настоящее время, что разным цветам соответствуют различные длины световых волн. Поэтому первое открытие Ньютона можно сформулировать следующим образом:
Показатель преломления вещества зависит от длины световой волны.
Обычно он увеличивается по мере уменьшения длины волны.
Гипотеза Планка
Стремясь преодолеть затруднения классической теории при объяснении излучения нагретого твёрдого тела, немецкий физик Макс Планк в 1900г. высказал гипотезу, которая положила начало подлинной эволюции в теоретической физике. Смысл этой гипотезы заключается в том, что запас энергии колебательной системы, находящейся в равновесии с электромагнитным излучением, не может принимать любые значения. Энергия элементарных систем, поглощающих и излучающих электромагнитные волны, обязательно должна быть равна целому кратному некоторого определенного количества энергии.
Минимальное количество энергии, которое система может поглотить или излучить, называется квантом энергии. Энергия кванта Е должна быть пропорциональна частоте колебаний v:
Е= hv .
Коэффициент пропорциональности h в этом выражении носит название постоянной Планка. Постоянная Планка равна
6,6261937 . 10-34 Дж . с
Постоянную Планка иногда называют квантом действия. Заметим, что размерность h совпадает с размерностью момента импульса.
Исходя из этой новой идеи, Планк получил закон распределения энергии в спектре, хорошо согласующийся с экспериментальными данными. Хорошее согласие теоретически предсказанного закона с экспериментом было основательным подтверждением квантовой гипотезы Планка.
Открытие фотоэффекта
Гипотеза Планка о квантах послужила основой для объяснения явления фотоэлектрического эффекта, открытого в 1887г. немецким физиком Генрихом Герцем.
Явление фотоэффекта обнаруживается при освещении цинковой пластины, соединенной со стержнем электрометра. Если пластине и стержню передан положительный заряд, то электрометр не разряжается при освещении пластины. При сообщении пластине отрицательного электрического заряда электрометр разряжается, как только на пластину попадает ультрафиолетовое излучение. Этот опыт доказывает, что с поверхности металлической пластины под действием света могут освобождаться отрицательные электрические заряды. Измерение заряда и массы частиц, вырываемых светом, показало, что эти частицы – электроны.
Фотоэффекты бывают нескольких видов: внешний и внутренний фотоэффект, вентильный фотоэффект и ряд других эффектов.
Внешним фотоэффектом называют явление вырывания электронов из вещества под действием падающего на него света.
Внутренним фотоэффектом называют появление свободных электронов и дырок в полупроводнике в результате разрыва связей между атомами за счет энергии света, падающего на полупроводник.
Вентильным фотоэффектом называют возникновение под действием света электродвижущей силы в системе, содержащей контакт двух различных полупроводников или полупроводника и металла.
Законы фотоэффекта
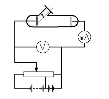
Количественные закономерности фотоэлектрического эффекта были установлены выдающимся русским физиком Александром Григорьевичем Столетовым (1839 – 1896) в 1888 – 1889гг. Используя вакуумный стеклянный баллон с двумя электродами (рис.2), он исследовал зависимость силы тока в баллоне от напряжения между электродами и условий освещения электрода.
В вакуумном баллоне находятся два металлических электрода А и К, к которым прикладывают напряжение. Полярность электродов и приложенное к ним напряжение можно изменять с помощью потенциометра R с отводом от средней точки. Когда ползунок потенциометра находится слева от средней точки, на электрод А подают минус, а на электрод К – плюс. Напряжение, приложенное между электродами, измеряют вольтметром V. Электрод К через окно, закрытое кварцевым стеклом, облучают светом. Под его воздействием из этого электрода вырывают электроны (называемые фотоэлектронами), которые летят к электроду А и образуют фототок, регистрируемый миллиамперметром mA.
На описанной установке, используя электроды, изготовленные из разных металлов, для каждого освещаемого

вещества можно получить вольтамперные характеристики внешнего фотоэффекта(т.е. зависимости силы фототока I от напряжения U между электродами) при различных значениях потока энергии падающего света.
Две такие характеристики представлены на (рис.3).
Экспериментально установлены следующие закономерности и законы внешнего фотоэффекта.
1. При отсутствии напряжения между электродами фототок отличен от нуля. Это значит, что фотоэлектроны обладают при вылете кинетической энергией.
2. По мере увеличения U фототок I постепенно возрастает, т.к. всё большее число фотоэлектронов достигает анода.
3. При достижении между электродами некоторого ускоряющего напряжения Uн все электроны, выбиваемые из катода, достигают анода и сила фототока перестаёт зависеть от напряжения. Такой фототок, сила которого с увеличением напряжения не возрастает, называют фототоком насыщения. Если число фотоэлектронов, вылетающих из освещаемого металла в единицу времени, равно nе , то сила фототока насыщения
I н = D q / D t = Ne / D t = ne
Поэтому, измерив силу тока насыщения, можно определить число фотоэлектронов, вылетающих за одну секунду.
4. Сила фототока насыщения прямо пропорциональна потоку энергии света, падающего на металл (первый закон фотоэффекта):
I н = g Ф
Здесь g - коэффициент пропорциональности, называемый фоточувствительностью вещества. Следовательно, число электронов, вырываемых за одну секунду из вещества, прямо пропорционально потоку энергии света, падающего на это вещество.
5. За счет начальной кинетической энергии электроны могут совершать работу против сил задерживающего электрического поля. Поэтому фототок существует и в области отрицательных напряжений от 0 до U3 (электрод А соединен с «минусом» источника тока). Начиная с некоторого задерживающего напряжения U3, фототок прекращается. При этом работа задерживающего электрического поля Аэ =еU3 равна максимальной начальной кинетической энергии фотоэлектронов Wк.м. =mvм 2 /2:
Аэ = W к.м. ; е U 3 = mv м 2 /2
отсюда
V м = 2е U 3 / m
Таким образом, измерив задерживающее напряжение U3 , можно определить максимальную начальную кинетическую энергию и максимальную начальную скорость фотоэлектронов.
6. Значение задерживающего напряжения, а следовательно максимальная кинетическая энергия и максимальная скорость фотоэлектронов не зависит от интенсивности падающего света, а зависит от его частоты (второй закон фотоэффекта).
7. Для каждого вещества существует определенное значение частоты v к (и , следовательно, длины волны lк ), такое, что при частотах v падающего света меньших v к (т.е. длинах волн света, больших lк ),фотоэффект не наблюдается (третий закон фотоэффекта ). Частоту v к ( и длину волны lк )называют красной границей фотоэффекта. Например, при облучении цинковой пластинки видимым светом даже очень большой интенсивности фотоэффекта не происходит, тогда как при её облучении ультрафиолетовым светом даже очень малой интенсивности фотоэффект наблюдается.
8. С начала облучения металла светом до начала вылета фотоэлектронов проходит время t<10-9 с. Следовательно, фотоэффект безынерционен. Если частота падающего света v > v к , то вылет фотоэлектронов происходит практически мгновенно. Если же v < v к , то как бы долго не освещали металл, фотоэффект не наблюдается.
Фотоны
В релятивистской физике (в теории относительности) показывается, что масса m и энергия W взаимосвязаны:
W = mc 2
Поэтому кванту энергии Wф=hv электромагнитного излучения соответствует масса
m ф = W ф / c 2 = hv / c 2
Электромагнитное излучение, а следовательно и фотон, существует только при распространении со скоростью с . Это означает, что масса покоя фотона равна нулю.
Фотон, имея массу mф и двигаясь со скоростью с , обладает импульсом
p ф = m ф c = hv / c
Фотон имеет также собственный момент импульса, называемый спином .
L ф= h /2 p= h
Объект, обладающий энергией, массой, импульсом, моментом импульса ассоциируется, скорее всего, с частицей. Поэтому квант энергии электромагнитного излучения – фотон – является как бы частицей электромагнитного излучения, в частности света.
Из того, что электромагнитное излучение – это совокупность фотонов, следует, что электромагнитное поле частицы представляет собой совокупность фотонов, испускаемых и поглощаемых самой же частицей.
В рамках классической физики испускание переносчика взаимодействия свободной частицей запрещено законами сохранения энергии и импульса. Квантовая физика снимает указанное запрещение, используя соотношение неопределённостей энергии и времени. Более того, при этом устанавливается связь между массой переносчика взаимодействия и радиусом действия.
Такие процессы, которые идут как бы с нарушением закона сохранения энергии, принято называть виртуальными процессами, а частицы, которые переносят взаимодействие и не могут обладать энергией и импульсом, связанными так же, как в свободных частицах, - виртуальными частицами. Виртуальные обменные частицы, участвующие во взаимодействии, обнаружить невозможно. Но, увеличивая энергию излучающей частицы, например, ускоряя электроны, можно виртуальные фотоны превратить в действительные, свободные, которые могут регистрироваться. Это является процессом излучения реальных фотонов.
Такое представление электромагнитного поля приводит к пересмотру концепции взаимодействия электрически заряженных частиц посредством электромагнитного поля. Если от частицы окажется другая заряженная частица, то фотон, испущенный одной частицей, может поглотиться другой, и наоборот, в результате чего произойдет обмен фотонами, т.е. частицы начнут взаимодействовать. Таким образом, электромагнитное взаимодействие частиц происходит путем обмена фотонами. Этот механизм взаимодействия называется обменным и распространяется на все взаимодействия. Любое поле – это совокупность квантов – переносчиков взаимодействий, испускаемых взаимодействующей частицей, а любое взаимодействие – это обмен переносчиками взаимодействия.
В заключении отметим, что фотон является одной из частиц из группы фундаментальных частиц.
Невозможность объяснения законов фотоэффекта на основе волновых представлений о свете.
Были сделаны попытки объяснить закономерности внешнего фотоэффекта на основе волновых представлений о свете. Согласно этим представлениям, механизм фотоэффекта выглядит так. На металл падает световая волна. Электроны, находящиеся в его поверхностном слое, поглощают энергию этой волны, и их энергия постепенно увеличивается. Когда она становится больше работы выхода, электроны начинают вылетать из металла. Таким образом, волновая теория света будто бы способна качественно объяснить явление фотоэффекта.
Однако расчеты показали, что при таком объяснении время между началом освещения металла и началом вылета электронов должно быть порядка десяти секунд. Между тем из опыта следует, что t<10-9 c. Следовательно, волновая теория света не объясняет безынерционности фотоэффекта. Не может она объяснить и остальные законы фотоэффекта.
Согласно волновой теории кинетическая энергия фотоэлектронов должна возрастать с увеличением интенсивности света, падающего на металл. А интенсивность волны определяется амплитудой колебаний напряжённости Е, а не частотой света. (От интенсивности падающего света зависит лишь число выбиваемых электронов и сила тока насыщения).
Из волновой теории следует, что энергию, необходимую для вырывания электронов из металла, способно дать излучение любой длины волны, если его интенсивность достаточно велика, т.е. что фотоэффект может вызываться любым световым излучением. Однако существует красная граница фотоэффекта, т.е. получаемая электронами энергия зависит не от амплитуды волны, а от ее частоты.
Таким образом, попытки объяснить закономерности фотоэффекта на основе волновых представлений о свете оказались несостоятельными.
Объяснение законов фотоэффекта на основе квантовых представлений о свете. Уравнение Эйнштейна для фотоэффекта.
Для объяснения закономерностей фотоэффекта А. Эйнштейн использовал квантовые представления о свете, введенные Планком для описания теплового излучения тел.
Эйнштейн, анализируя флуктуации энергии излучения абсолютно чёрного тела пришёл, к выводу о том, что излучение ведёт себя так, как если бы оно состояло из N=W/(hv) независимых квантов энергии величиной hv каждый. По Эйнштейну, при распространении света, вышедшего из какой – либо точки, энергия распределяется не непрерывно во всё более возрастающем пространстве. Энергия состоит из конечного числа локализованных в пространстве квантов энергии. Эти кванты движутся, не делясь на части; они могут поглощаться и испускаться только как целое.
Таким образом, Эйнштейн пришёл к выводу, что свет не только излучается, но и распространяется в пространстве и поглощается веществом в виде квантов. Порции светового излучения – кванты света – обладающие корпускулярными свойствами, т.е. свойствами частиц, являющимися носителями свойств электромагнитного поля. Эти частицы получили название фотонов.
С точки зрения квантовых представлений о свете энергия монохроматического излучения, падающего на металл состоит из фотонов с энергией
W ф = hv
и равна
W св = NW ф = Nhv
а поток энергии света равен
Ф= W св / t = Nhv / t = n ф hv
где N – число фотонов, падающих на металл за время t; nф – число фотонов, падающих на металл за единицу времени.
Взаимодействие излучения с веществом состоит из огромного числа элементарных актов, в каждом из которых один электрон целиком поглощает энергию одного фотона. Если энергия фотонов больше работы выхода или ей равна, то электроны вылетают из металла. При этом часть энергии поглощённого фотона тратится на выполнение работы выхода Ав , а остальная часть составляет кинетическую энергию фотоэлектрона. Поэтому
W ф =Ав + W к ; hv =Ав + mv 2 /2.
Это выражение называется уравнением Эйнштейна для фотоэффекта.
Из него видно, что кинетическая энергия фотоэлектронов зависит от частоты падающего света (второй закон фотоэффекта).
Если энергия квантов меньше работы выхода , то при любой интенсивности света электроны не вылетают. Этим объясняется существование красной границы фотоэффекта (третий закон фотоэффекта).
Покажем теперь, как объясняется первый закон фотоэффекта на основе квантовых представлений о свете.
Число высвобождаемых вследствие фотоэффекта электронов nе должно быть пропорционально числу падающих на поверхность квантов света nф ;
n е ~ n ф ; n е = kn ф ,
где k – коэффициент, показывающий, какая часть падающих фотонов выбивает электроны из металла. (Заметим, что лишь малая часть квантов передаёт свою энергию фотоэлектронам. Энергия остальных квантов затрачивается на нагревание вещества, поглощающего свет). Число фотонов nф определяет поток энергии падающего света.
Таким образом, квантовая теория света полностью объясняет все закономерности внешнего фотоэффекта. Тем самым неоспоримо экспериментально подтверждается то, что свет помимо волновых свойств обладает корпускулярными свойствами.
Корпускулярно-волновая природа света
Явления интерференции, дифракции, поляризации света от обычных источников света неопровержимо свидетельствует о волновых свойствах света. Однако и в этих явлениях при соответствующих условиях свет проявляет корпускулярные свойства. В свою очередь закономерности теплового излучения тел, фотоэлектрического эффекта и других неоспоримо свидетельствуют, что свет ведет себя не как непрерывная, протяженная волна, а как поток «сгустков» (порций, квантов) энергии, т.е. как поток частиц – фотонов. Но при этих явлениях свет имеет и волновые свойства, они для этих явлений просто не существенны.
Возникает вопрос, что представляет собой свет – непрерывную электромагнитную волну, излучаемую источником, или поток дискретных фотонов, испускаемых источником? Необходимость приписывать свету, с одной стороны, квантовые, корпускулярные свойства, а с другой стороны, волновые – может создать впечатление несовершенства наших знаний о свойствах света. Необходимость пользоваться при объяснении экспериментальных фактов различными и как будто бы исключающими друг друга представлениями кажется искусственной. Хочется думать, что всё многообразие оптических явлений можно объяснить на основе одной из двух точек зрения на свойства света.
Одним из наиболее значительных достижений физики нашего века служит постепенное убеждение в ошибочности попытки противопоставить друг другу волновые и квантовые свойства света. Свойства непрерывности, характерные для электромагнитного поля световой волны, не исключают свойств дискретности, характерные для световых квантов – фотонов. Свет одновременно обладает свойствами непрерывных электромагнитных волн и свойствами дискретных фотонов. Он представляет собой диалектическое единство этих противоположных свойств. Электромагнитное излучение (свет) – это поток фотонов, распространение и распределение которых в пространстве описывается уравнениями электромагнитных волн. Таким образом, свет имеет корпускулярно – волновую природу.
Корпускулярно – волновая природа света отражена в формуле
pф = hv / c = h / l
связывающей корпускулярную характеристику фотона – импульс с волновой характеристикой света – с частотой (или длиной волны).
Однако корпускулярно – волновая природа света не означает, что свет – это и частица, и волна в привычном классическом их представлении.
Взаимосвязь корпускулярных и волновых свойств света находит простое истолкование при статистическом (вероятном) подходе к рассмотрению распределения и распространения фотонов в пространстве.
1) Рассмотрим дифракцию света, например, на круглом отверстии.
Если через отверстие пропустить один фотон, то на экране не будет чередующихся светлых и тёмных полос, как следовало бы ожидать с волновой точки зрения; фотон попадает в одну, ту или иную, точку экрана, а не расплывается по нему, как должно бы быть по волновым представлениям. Но при этом нельзя фотон рассматривать как частицу и рассчитать, в какую именно точку он попадает, что можно бы сделать, если бы фотон был классической частицей.
Если пропустить через отверстие N фотонов по одному друг за другом, разные фотоны могут попасть в разные точки экрана. Но в те места, где согласно волновым представлениям должны быть светлые полосы, фотоны будут попадать чаще.
Если же через отверстие пропустить все N фотонов сразу, то в каждой точке пространства и экрана оказывается столько фотонов, сколько попадало туда при пропускании их по одному. Н о в этом случае соответствующее число фотонов в каждую точку экрана попадает одновременно и, если N велико, на экране будет наблюдаться дифракционная картина, ожидаемая с точки зрения волновых представлений.
Например, для темных интерференционных полос квадрат амплитуды колебания и плотность вероятности попадания фотонов минимальна, а для светлых полос квадрат амплитуды и плотность вероятности максимальны.
Таким образом, если свет содержит очень большое число фотонов, то при дифракции его можно рассматривать как непрерывную волну, хотя он состоит из дискретных не размытых фотонов.
2) В явлении внешнего фотоэлектрического эффекта важно, что каждый фотон сталкивается только с одним электроном (как частица с частицей) и поглощается им, не делясь на части, как целое, а не то, какой именно фотон в какой именно свободный электрон попадает (это определяется волновыми свойствами) и выбивает его. Поэтому при фотоэффекте свет как будто можно рассматривать как поток частиц.
Корпускулярно – волновая природа электромагнитного излучения была установлена именно для света потому, что обычный солнечный свет, с которым мы имеем дело в повседневной жизни, с одной стороны, представляет поток большого числа фотонов и четко проявляет волновые свойства, а с другой стороны, фотоны света имеют энергию, достаточную для осуществления таких эффектов, как фотоионизация, фотолюминесценция, фотосинтез, фотоэффект, в которых определяющую роль играют корпускулярные свойства. Фотоны же, соответствующие, например, радиоволнам, имеют малую энергию, и отдельные фотоны заметных действий не оказывают, и регистрируемые радиоволны должны содержать много фотонов и вести себя скорее как волны. g - лучи же, возникающие при радиоактивных распадах ядер и ядерных реакциях, имеют большую энергию, их действие легко регистрируется, но поток большого числа фотонов получается в специальных условиях в ядерных реакторах. Поэтому g - лучи чаще проявляют себя как частицы, а не как волны.
Итак, свет корпускулярен в том смысле, что его энергия, импульс, масса и спин локализованы в фотонах, а не размыты в пространстве, но не в том, что фотон может находиться в данном точно определенном месте пространства. Свет ведет себя как волна в том смысле, что распространение и распределение фотонов в пространстве носят вероятный характер: вероятность того, что фотон находится в данной точке определяется квадратом амплитуды в этой точке. Но вероятностный (волновой) характер распределения фотонов в пространстве не означает, что фотон в каждый момент времени находится в какой-то одной точке.
Таким образом, свет сочетает в себе непрерывность волн и дискретность частиц. Если учтем, что фотоны существуют только при движении (со скоростью с), то приходим к выводу, что свету одновременно присущи как волновые, так и корпускулярные свойства. Но в некоторых явлениях при определенных условиях основную роль играют или волновые, или корпускулярные свойства и свет можно рассматривать или как волну, или как частицы (корпускулы).
Практическое применение интерференции света
Применение голографии при неразрушающем контроле материалов.
![]() |
Типичная оптическая схема голографической установки приведена на (рис.4) Лазер 1 испускает монохроматический пучок света, который делится на два с помощью светоделительной пластинки 2, пучок А предметная волна - через систему зеркал 3 и 7 и линз 4 и 8 направляется на объект 5, отражается от него и попадает на фотопластинку 6, где интерферирует с опорной волной Б. Все элементы установки крепятся на одной жесткой поверхности, чтобы избежать даже весьма малых перемещений в процессе съемки голограммы. Метод голографической интерферометрии заключается в последовательной записи на одной фотопластинке двух голограмм от одного объекта, однако в промежутке между записями объект подвергается какому – либо воздействию (механическому деформированию, нагреванию и т.п.). В результате этого оптическая длина пути предметных волн, отражённых до и после воздействия, оказывается различной, возникают дополнительная разность хода и, соответственно, некоторый сдвиг фаз обеих волн.
При считывании такой голограммы воспроизводятся обе предметные волны, которые интерферируют. Если деформация объекта невелика (соизмерима с длиной волны l ), то изображение объекта будет четким, но покрытым интерференционными полосами, ширина и форма которых количественно позволяют описать деформации объекта, так как вид полос в каждой точке поверхности пропорционален изменению оптической длины пути.
Голографическая интерферометрия применяется так же для обнаружения дефектов в том случае, если они (трещины, пустоты, неоднородности свойств материала, и т.п.) приводит к аномальной деформации поверхности объекта при нагружении. Деформации обнаруживаются по изменению интерференционной картины по сравнению с картиной, возникающей без дефектного образца.
При голографическом интерференционном неразрушающем контроле используют различные способы нагружения. Например, при механическом нагружении обнаруживаются и локализуются микротрещины длиной в несколько миллиметров, как на поверхности материала, так и в близи неё. Такие исследования проводятся, в частности, для обнаружения трещин в бетоне и наблюдении за их ростом.
Голографическая интерферометрия используется для изучения качества соединения в полых конструкциях, тогда используется нагружение под давлением и вакуумное нагружение. Деформация в дефектных областях и, следовательно, интерференционные картины отличаются от деформации других участков конструкции.
Часто применяется термическое нагружение. Этот метод основан на изучении поверхностных деформаций, возникающих при изменении температуры поверхности. В зоне дефекта искажается температурное поле, что приводит к локальному изменению деформации и, следовательно, к искажению интерференционной картины. Благодаря высокой чувствительности голографической интерферометрии, регистрируемые деформации появляются при изменении температуры объекта всего на несколько градусов по сравнению с температурой окружающей среды.
Применение фотоэффекта
Простейшим прибором, работающим на основе использования фотоэффекта, является вакуумный фотоэлемент. Вакуумный фотоэлемент состоит из стеклянной колбы, снабженной двумя электрическими выводами. Внутренняя поверхность колбы частично покрыта тонким слоем металла. Это покрытие служит катодом фотоэлемента. В центре баллона расположен анод. Вывода катода и анода подключаются к источнику постоянного напряжения. При освещении катода с его поверхности вырываются электроны. Этот процесс называется внешним фотоэффектом. Электроны движутся под действием электрического поля к аноду. В цепи фотоэлемента возникает электрический ток, сила тока пропорциональна мощности светового излучения. Таким образом фотоэлемент преобразует энергию светового излучения в энергию электрического тока.
Для преобразования энергии светового излучения в энергию электрического тока применяются и полупроводниковые фотоэлементы.
Полупроводниковый элемент имеет следующее устройство. В плоском кристалле кремния или другого полупроводника с дырочной проводимостью создается тонкий слой полупроводника с электронной проводимостью. На границе раздела этих слоев возникает p – n - переход. При освещении полупроводникового кристалла в результате поглощения света происходит изменение распределения электронов и дырок по энергиям. Этот процесс называется внутренним фотоэффектом. В результате внутреннего фотоэффекта увеличиваются количество свободных электронов и дырок в полупроводнике, происходит их разделение на границе p – n - перехода.
При соединении противоположных слоев полупроводникового фотоэлемента проводником в цепи возникает электрический ток; сила тока в цепи пропорциональна мощности светового потока излучения, падающего на фотоэлемент.
Включение фотоэлемента последовательно с обмоткой электромагнитного реле позволяет автоматически включать или выключать исполнительные устройства при попадании света на фотоэлемент. Фотоэлементы используются в кино для воспроизведения звукового сопровождения, записанного на киноленту в виде звуковой дорожки.
Полупроводниковые фотоэлементы широко используются на искусственных спутниках Земли, межпланетных автоматических станциях и орбитальных станциях в качестве энергетических установок, с помощью которых энергия солнечного излучения преобразуется в электрическую энергию. КПД современных полупроводниковых фотоэлектрических генераторов превышает 20%.
Полупроводниковые фотоэлементы все шире применяются в быту. Они используются в качестве не возобновляемых источников тока в часах, микрокалькуляторах.
Содержание
Введение 3
Интерференция 4
Дифракция 5
Поляризация 6
Дисперсия 8
Гипотеза Планка 9
Открытие фотоэффекта 10
Законы фотоэффекта 11
Фотоны 14
Невозможность объяснения фотоэффекта на основе волновых представлений о свете 15
Объяснение законов фотоэффекта на основе квантовых представлений о свете. Уравнение Эйнштейна для фотоэффекта 16
Корпускулярно – волновая природа света 18
Практическое применение интерференции света 21
Применение фотоэффекта 23
Список использованой литературы 25
Московская Государственная Академия Водного Транспорта
Кафедра физики и химии
Реферат по концепции современного естествознания (по физике)
на тему:
«Корпускулярно-волновой дуализм, его значение в теории и экспериментальные подтверждения»
Выполнил:
Студент 2-го курса
группы МВТ-4
Преподаватель:
Доцент
Кобранов.М.Е
Москва 2001
Список литературы:
Грибов Л.А. Прокофьева Н.И., «Основы физики», изд. Наука 1995г.
Жибров А.Е., Михайлов В.К., Гальцев В.В., «Элементы квантовой механики и физики атома», МИСИ им. В.В Куйбышева, 1984г.
Шпольский И.В., «Атомная физика», изд. Наука, 1974г.
Гурский И.П., «Элементарная физика», Под редакцией Савельева И.В., 1984г.
«Элементарный учебник физики», Под ред. Ландсберга Г.С., 1986г.
Кабардин О.Ф., «Физика», изд. Просвещение.
Савельев И.В., «Курс общей физики», изд. Наука, 1988г.
Похожие рефераты:
Ответы к экзаменационным билетам по физике 11 класс (ответы к 29 билетам)
Владимира Иннокентьевича Бабецкого (3 семестр)
Билеты по физике за весь школьный курс
Физика в МГУ (билеты-вопросы-ответы) по лекциям Ремезовой Н.И. и лекторов из МГУ
Основные концепции физики ХХ века
Анализ погрешностей волоконно-оптического гироскопа
Вступительные вопросы по физике для заочников, поступающих в СГАУ.
Ответы на вопросы к госу по МПФ
Борьба концепций в процессе становления и развития науки о свете
История системного подхода в науке и технике
