| Скачать .docx |
Реферат: Исследования магнитных полей в веществе (№26)
Нижегородский Государственный Технический Университет.
Лабораторная работа по физике № 2-26.
Исследования магнитных полей в веществе .
Выполнил студент
Группы 99 – ЭТУ
Наумов Антон Николаевич
Проверил:
Н. Новгород 2000г.
Цель работы: получение зависимостей индукции магнитного поля, намагниченности и магнитной проницаемости ферромагнетика от напряженности магнитного поля; наблюдение петли гистерезиса для различных ферромагнетиков; изучение магнитных цепей.
Практическая ценность работы : экспериментально изучаются важнейшие свойства ферромагнетиков наличных марок: НМ 3000, НМ 600, ППГ (прямоугольная петля гистерезиса).
Теоретическая часть.
Опыт 1. Снятие основной кривой намагничивания (ОКН) ферромагнетика.
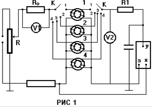
Схема экспериментальной установки.
|
|
Собрали цепь по схеме, показанной на РИС. 1. Для этого вольтметры V1 и V2 подключили к клеммам A-B и С-D - на верхней крышке макета соответственно. Переключатель К поставили в позицию 1. При этом исследовали трансформатор, кольцевой сердечник которого выполнен из ферита марки НМ 600, сопротивление R0=1 Ом. Таким образом, показания вольтметров численно равны: V1 - эффективному значению тока, текущего в текущей обмотке исследуемого трансформатора; V2 - эффективному значению ЭДС во вторичной обмотке. С помощью движка потенциометра R установили ток равный 0,5 А и плавно уменьшили его до нуля. Сняли показания вольтметров V1 и V2.
Данные для расчетов:

Используемые формулы:
Таблица № 1. Результаты расчетов.
| № |
U 1 , В |
e 2 , В |
I m , А |
e m , В |
H m ,А/м |
В m ×102 , Тл |
J m × 10-3 ,А/м |
m × 102 |
| 1 |
0,04 |
0,01 |
0,06 |
0,02 |
3,75 |
0,1 |
0,78 |
2,1 |
| 2 |
0,10 |
0,18 |
0,14 |
0,25 |
8,75 |
1,6 |
12,77 |
14,6 |
| 3 |
0,14 |
0,34 |
0,20 |
0,48 |
12,50 |
3,1 |
24,61 |
19,7 |
| 4 |
0,21 |
0,73 |
0,30 |
1,03 |
18,75 |
6,6 |
52,50 |
28,0 |
| 5 |
0,29 |
1,13 |
0,41 |
1,60 |
25,63 |
10,2 |
81,25 |
31,7 |
| 6 |
0,36 |
1,42 |
0,51 |
2,01 |
31,88 |
12,8 |
102,02 |
32,0 |
| 7 |
0,40 |
1,57 |
0,57 |
2,22 |
35,63 |
14,1 |
112,23 |
31,5 |
| 8 |
0,48 |
1,79 |
0,68 |
2,53 |
42,50 |
16,1 |
127,93 |
30,1 |
| 9 |
0,54 |
1,91 |
0,76 |
2,70 |
47,50 |
17,2 |
136,80 |
28,8 |
| 10 |
0,59 |
1,99 |
0,83 |
2,81 |
51,86 |
17,9 |
142,62 |
27,5 |
| 11 |
0,65 |
2,10 |
0,92 |
2,97 |
57,50 |
18,9 |
150,08 |
26,1 |
| 12 |
0,70 |
2,14 |
0,99 |
3,03 |
61,88 |
19,3 |
153,46 |
24,8 |
| 13 |
0,76 |
2,22 |
1,07 |
3,14 |
66,88 |
20,0 |
159,17 |
23,8 |
| 14 |
0,84 |
2,29 |
1,19 |
3,24 |
74,38 |
20,6 |
164,38 |
22,1 |
| 15 |
0,90 |
2,33 |
1,27 |
3,30 |
79,38 |
21,0 |
167,49 |
21,1 |
| 16 |
0,95 |
2,36 |
1,34 |
3,34 |
83,75 |
21,3 |
169,18 |
20,2 |
| 17 |
1,00 |
2,40 |
1,41 |
3,39 |
88,13 |
21,6 |
171,85 |
19,5 |
Опыт 2. Наблюдение петли гистерезиса.
Для изготовления постоянного магнита лучше использовать ППГ, так как его коэрцитивная сила больше, чем у НМ-3000, а поэтому его сложней размагнитить.
Для изготовления сердечника силового трансформатора лучше взять ферромагнетик с меньшей коэрцитивной силой, чтобы снизить затраты на его перемагничивание.
Опыт 3. Исследование сердечника с зазором .

Графики.
График зависимости В=В(Н) График зависимости m = m (Н)
![]() |
![]() |
График зависимости J = J ( H )
Вывод: на этой работе мы получили зависимости индукции магнитного поля, намагниченности и магнитной проницаемости ферромагнетика от напряженности магнитного поля; наблюдали за петлей гистерезиса для различных ферромагнетиков; изучили магнитные цепи.

