| Скачать .docx |
Реферат: Лабораторная работа: Переходные электромагнитные процессы
Практическая работа
По курсу «Переходные электромагнитные процессы»
1. При симметричном трёхфазном коротком замыкании в заданной точке «К» схемы определить аналитическим путём, а также методом расчетных кривых, начальное значение периодической составляющей тока и ударный ток.
2. Используя метод расчетных кривых, определить величину тока при несимметричном коротком замыкании К(1) в этой же точке для начального момента времени, через 0.2 с после начала короткого замыкания и в установившемся режиме.
3. Построить векторные диаграммы токов и напряжений в точке короткого замыкания для начального момента времени.
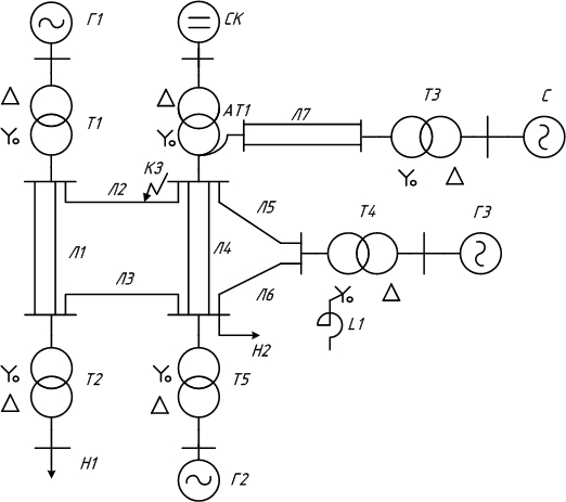
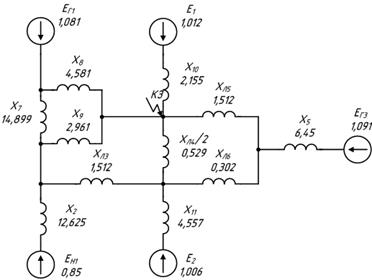
Схема задания показана на рисунке 1.1 .

Рисунок 1.1 – Расчетная схема задания
Исходные данные для произведения расчетов.
Таблица 1- параметры оборудования
| Наименование обородувания | Тип оборудования | Sн,МВА | Uн ,кВ | cosφ | x’’ d | x2 | |||
| Генераторы | |||||||||
| Г1 | ТВФ-63-2ЕУЗ | 78,75 | 10,5 | 0,8 | 0,136 | 0,166 | |||
| Г2 | СВ-850/120 | 40 | 10,5 | 0,8 | 0,23 | 0,2 | |||
| Г3 | ТВС-32-2ЕУЗ | 40 | 10,5 | 0,8 | 0,153 | 0,187 | |||
| Синхронный компенсатор | Sн,МВА | Uн ,кВ | cosφ | x’’ d | |||||
| СК | КС-10-10УЗ | 10 | 10,5 | 0,9 | 0,2 | ||||
| Трансформаторы | Sн,МВА | Uк ,% | cosφ | Uквн ,% | Uксн ,% | Uквс ,% | Uнн ,кВ | Uнс ,кВ | Uнв ,кВ |
| Т1 | ТДН-80/110 | 80 | 10,5 | 0,8 | 38,5 | 115 | |||
| Т2 ,Т4 ,Т5 | ТДН-40/110 | 40 | 10,5 | 0,8 | 38,5 | 115 | |||
| Т3 | ТЦ-160/200 | 160 | 11 | 0,8 | 15,75 | 242 | |||
| АТ1 | АТДЦТН-200/220/110 | 200 | 32 | 20 | 11 | 6,6 | 121 | 230 | |
| ЛЭП | Длина, км | Х0 ,Ом/км | |||||||
| Л1 | 130 | 0,4 | |||||||
| Л2 | 20 | 0,4 | |||||||
| Л3 | 50 | 0,4 | |||||||
| Л4 | 35 | 0,4 | |||||||
| Л5 | 50 | 0,4 | |||||||
| Л6 | 10 | 0,4 | |||||||
| Л7 | 125 | 0,4 | |||||||
| Реактор | Uн ,кВ | Iн ,А | хр ,% | ||||||
| L1 | РТМТ-35-200-6 | 35 | 200 | 6 | |||||
| Нагрузки | Sн ,МВА | ||||||||
| Н1 ,Н2 | 35 | ||||||||
| Система | Sс ,МВА | ||||||||
| С | 1500 | ||||||||
Задание 1
1.1 Аналитический метод расчета
Выбираем базисную мощность и базовое напряжение S б = 1000 МВА, U б =115 кВ.
Рассчитываем ЕДС генераторов, нагрузок, а также рассчитываем реактивные сопротивления элементов в относительных единицах в схеме.
Для генераторов:
;
;
;
;
;
;
;
.
Для трансформаторов:
2х обмоточные
;
;
;
;
автотрансформаторы
;
;
;
;
;
;
;
;
;
;
;
.
Для линий электропередач:
, где
;
;
;
;
;
;
;
.
Для системы:
;
.
Для нагрузок:
;
;
;
.
Для реактора:
;
;
;
.
Для синхронного компенсатора:
;
;
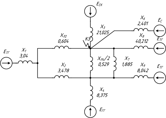
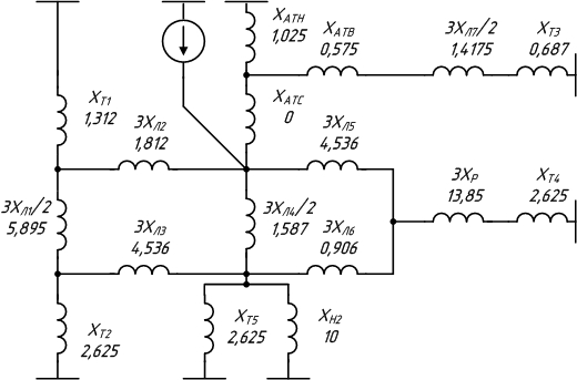
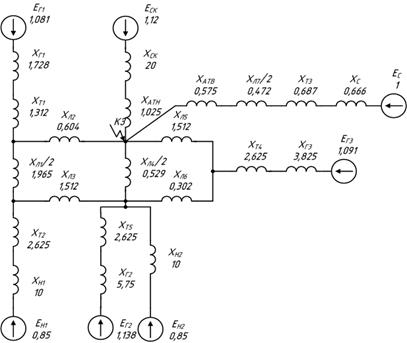
Рисунок 1.2 – Схема замещения расчетной схемы
;
.
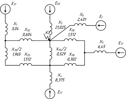
Рисунок 1.3 – Первый шаг преобразования схемы замещения
;
;
Х3 = ХСК +ХАТН = 20+1,025 = 21,025; Х4 =ХТ5 +ХГ2 = 2,625 +5,75 = 8,375;
Х5 = ХТ4 +ХГ3 = 2,625+3,825 = 6,45;
Х6 = ХАТВ +Хл7/2+ХТ3 +ХС = 0,575+0,945/2+0,666 = 2,401.
Рисунок 1.4 - Второй шаг преобразования схемы замещения
Х7 = Х1 +ХЛ1 /2+(Х1 *ХЛ1 /2)/ХЛ2 = 3,04+3,931/2+(3,04*3,931/2)/0,604 = 14,889;
Х8 = Х1 +ХЛ2 +(Х1 *ХЛ2 )/(ХЛ1 /2) = 3,04+0,604+3,04*0,604/(3,931/2) = 4,581;
Х9 = ХЛ1 /2+ХЛ2 +(ХЛ1 /2*ХЛ2 )/Х1 = 2,961;
Х10 = (Х3 *Х6 )/(Х3 +Х6 ) = (21,025*2,401)/(21,025+2,401) = 2,155;
Х11 = (Х4 *ХН2 )/(Х4 +ХН2 ) = (8,375*10)/(8,375+10) = 4,557;
Е1 =(ЕС *Х3 +ЕСК *Х6 )/(Х3 +Х6 ) = (1*21,025+1,12*2,401)(21,025+2,401) = 1,012;
Е2 =(ЕН2 *Х4 +ЕГ2 *ХН2 )/(Х4 +ХН2 ) = (0,85*8,375+1,138*10)/(8,375+10) = 1,006.

Рисунок 1.5 – Третий шаг преобразования схемы замещения
Х12 = (Х7 *Х2 )/(Х7 +Х2 ) = (14,889*12,625)/(14,889+12,625) = 6,831;
Х13 = (Х8 *Х10 )/(Х8 +Х10 ) = (4,581*2,155)/(4,581+2,155) = 1,465;
Х14 = ХЛ5 +Х5 +ХЛ5 *Х5 /ХЛ6 =1,512+6,45+1,512*6,45/0,302 = 40,212;
Х15 = ХЛ5 +ХЛ6 +ХЛ5 *ХЛ6 /Х5 = 1,512+0,302+1,512*0,302/6,45 = 1,885;
Х16 = Х5 +ХЛ6 +Х5 *ХЛ6 )/ХЛ5 = 6,45+0,302+6,45*0,302/1,512 = 8,042;
Е3 =(ЕН1 *Х7 +ЕГ1 *Х2 )/(Х7 +Х2 ) =
(0,85*14,889+1,081*12,625)/(14,889+12,625) = 0,956;
Е4 =(Е1 *Х8 +ЕГ1 *Х10 )/(Х8 +Х10 ) = (0,85*4,581+1,081*2,155)/(4,581+2,155) = 1,034.

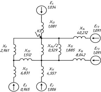
Рисунок 1.6 – Четвёртый шаг преобразования схемы замещения
Х17 = (Х13 *Х14 )/(Х13 +Х14 ) = (1,465*40,212)/(1,465+40,212) = 1,414;
Х18 = (Х15 *ХЛ4 /2)/(Х15 +ХЛ4 /2) = (1,885*1,058/2)/(1,885+1,058/2) = 0,413;
Х19 = (Х11 *Х16 )/(Х11 +Х16 ) = (4,557*8,042)/(4,557+8,042) = 2,909.
Е5 =(Е4 *Х14 +ЕГ3 *Х13 )/(Х14 +Х13 ) =
(1,034*40,212+1,091*1,465)/(40,212+1,465) = 1,036.
Е6 =(Е2 *Х16 +Е3 *Х11 )/(Х11 +Х16 ) =
(1,006*8,042+0,956*4,557)/(8,042+4,557) = 0,988.

Рисунок 1.7 – Пятый шаг преобразования схемы замещения
Х20 = (Х9 *ХЛ3 )/(Х9 +ХЛ3 +Х18 ) = (2,961*1,512)/(2,961+1,512+0,413) = 0,916;
Х21 = (Х9 *Х18 )/(Х9 +ХЛ3 +Х18 ) = (2,961*0,413)/(2,961+1,512+0,413) = 0,250;
Х22 = (Х18 *ХЛ3 (Х9 +ХЛ3 +Х18) = (0,413*1,512)/(2,961+1,512+0,413) = 0,127;

Рисунок 1.8 – Шестой шаг преобразования схемы замещения
Х23 = Х12 +Х20 = 6,831+0,916 = 7,748;
Х24 = Х19 +Х22 = 2,909+0,127 = 3,037;
Х25 = (Х23 *Х24 )/(Х23 +Х24 )= (7,748*3,037)/(7,748+3,037) = 2,181;
Х26 = Х25 +Х21 = 2,181+0,250 = 2,432;
Е7 =(Е3 *Х24 +Е6 *Х23 )/(Х24 +Х23 ) =
(0,956*3,037+0,988*7,748)/(3,307+7,748) = 0,979.

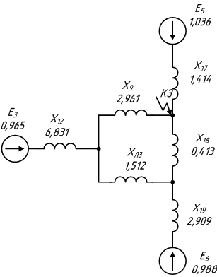
Рисунок 1.9 – Седьмой шаг преобразования схемы замещения
Е8 = (Е7 *Х17 +Е5 *Х26 )/(Х17 +Х26 ) =
(0,979*1,414+1,036*2,432)/(1,414+2,432) = 1,021;
Х27 = (Х17 *Х26 )/(Х17 +Х26 )= (1,414*2,432)/(1,414+2,432) = 0,894.
Нахождение тока короткого замыкания
Iп * = E∑ / X∑ = 1,021/ 0,894 = 1,141;
Ток К.З. в именованных единицах:
Iп = Iп * *Iб = 1,141*1000/(1,732*115) = 5,732кA
Ударный ток короткого замыкания:
Iу = 1,414*Ку *Iп = 1,414 * 1,8 *5,732= 14,590кA.
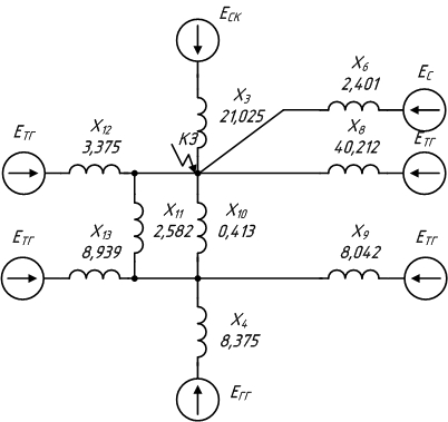
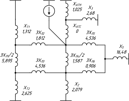
1.2 Метод расчётных кривых
Для решения свернем схему замещения, не смешивая при этом турбо- и гидрогенераторы, систему и синхронный компенсатор, убрав при этом из схемы замещения нагрузки, так они удаленны от точки короткого замыкания.
Также воспользуемся расчётными данными, полученными в аналитическом методе.
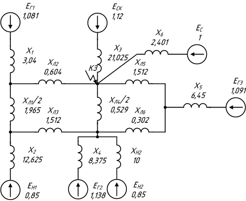
Х1 =ХГ1 +ХТ1 = 1,728+1,313 = 3,04;Х2 = ХТ2 +ХН1 = 2,625+10 = 12,625;
Х3 = ХСК +ХАТН = 20+1,025 = 21,025; Х4 =ХТ5 +ХГ2 = 2,625 +5,75 = 8,375;
Х5 = ХТ4 +ХГ3 = 2,625+3,825 = 6,45;
Х0 = ХЛ1 /2+ХЛ3 = 3,931/2+1,512 = 3,478;
Рисунок 1.10 – Первый шаг преобразования схемы замещения
Х6 = ХАТВ +Хл7/2+ХТ3 +ХС = 0,575+0,945/2+0,666 = 2,401

Рисунок 1.11 – Второй шаг преобразования схемы замещения
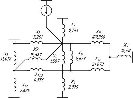
Х7 = ХЛ5 +ХЛ6 +ХЛ5 *ХЛ6 /Х5 = 1,512+0,302+1,512*0,302/6,45 = 1,885;
Х8 = ХЛ5 +Х5 +ХЛ5 *Х5 /ХЛ6 = 6,45+1,512+6,45*6,45/0,302 = 40,212;
Х9 = ХЛ6 +Х5 +Х5 *ХЛ6 /ХЛ5 = 0,302+6,45+6,45*0,302/1,512 = 8,042;
Х10 = (ХЛ4 /2*Х7 )/(ХЛ4 /2+Х7 ) = (1,058/2+1,885)/(1,058/2+1,885) = 0,413;

Рисунок 1.12 – Третий шаг преобразования схемы замещения
Х11 = ХЛ2 +Х0 +ХЛ2 *ХЛ3 /Х1 = 0,604+3,478+0,604*1,512/3,04 = 2,582;
Х12 = ХЛ2 +Х1 +ХЛ2 *Х1 /Х0 = 0,604+3,931+0,604*3,04/3,478 = 3,357;
Х13 = Х1 +Х0 +Х1 *Х0 /ХЛ2 = 3,04+3,478+3,478*3,04/0,604 = 8,939;

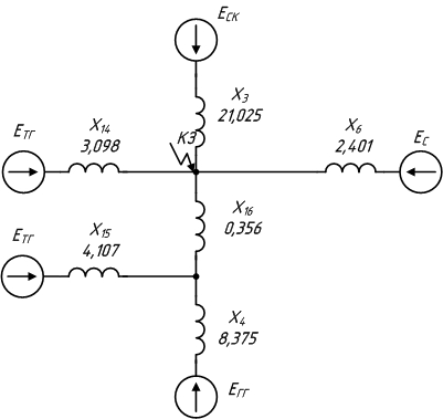
Рисунок 1.13 – Четвертый шаг преобразования схемы замещения
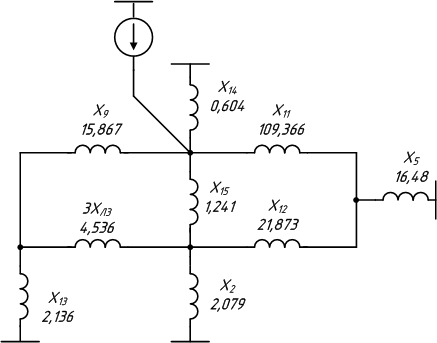
Х14 = (Х12 *Х8 )/(Х12 +Х8 ) = (3,357*40,212)/(3,357+40,212) = 3,098;
Х15 = (Х9 *Х13 )/(Х9 +Х13 ) = (8,042*8,939)/(8,042+40,212) = 4,107;
Х16 = (Х11 *Х10 )/(Х11 +Х10 ) = (2,582+0,413)/(2,582+0,413) = 0,356.

Рисунок 1.14 – Пятый шаг преобразования схемы замещения
Х17 = Х16 +Х15 +Х16 *Х15 /Х4 = 0,356+4,107+0,356*4,107/8,375 = 4,638;
Х18 = Х16 +Х4 +Х16 *Х4 /Х15 = 0,356+8,375+0,356*8,375/4,107 = 9,457;
Х19 = Х4 +Х15 +Х4 *Х15 /Х16 = 8,375+4,107+8,375*14,107/0,356 = 109,026;
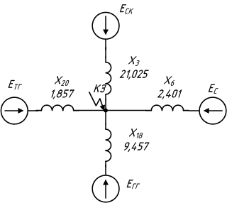
Х20 = (Х14 *Х17 )/(Х14 +Х17 ) = (3,098*4,638)/(3,098+4,638) = 1,857.
По расчетным кривым найдем расчетные токи генераторов:
ХрасчГГ = Х18 *(SсумГГ /Sб ) = 9,457*(40/1000) = 0,378;
ХрасчТГ = Х20 *(SсумТГ /Sб ) = 1,857*((78,75+40)/1000) = 0,220;
ХрасчС = Х6 *(SС /Sб ) = 2,401*(40/1000) = 3,602;
ХрасчСК = Х3 *(Sск /Sб ) = 21,025*(10/1000) = 0,210;
I*пСК = ЕСК /ХрасчСК = 1,12/0,21 = 5,326;
I*пС = 1/ХрасчС = 3,602 ;
По расчетным кривым найдем расчетные токи генераторов:
I*пГ = 3,08
I*пТ = 4,6;
IпсумТ = SсумТ /√3*Uб = 118,75/1,732*115 = 0,596 кА;
IпсумГ = SсумГ /√3*Uб = 40/1,732*115 = 0,2 кА;
IпсумС = Sс /√3*Uб = 1000/1,732*230 = 7,53 кА;
IпсумСК = Sск / √3*Uб = 10/1,732*115 = 0,05 кА;
Рассчитаем периодическую составляющую тока короткого замыкания:
Iп =I*пТ *IпсумТ +I*пГ *IпсумГ +I*пС *IпсумС +IпсумСК *I*пСК = =4,6*0,596+3,08*0,2+3,602*7,53+5,326*0,05 = 5,71 кА;
Найдем ударный ток короткого замыкания:
Iу = 1,414Ку *Iп = 1,414 * 1,8 *6,445 =14,55 кА;
Полученный ток отличается от рассчитанного в предыдущем методе на
Δ%=((Iп -Iп )/Iп )*100% = 0,2%.
Задание 2
Использую метод расчетных кривых, определить величину тока при несимметричном коротком замыкании К(1) в этой же точке для начального момента времени, 0,2с после начала короткого замыкания и в установившемся режиме.
Для нахождения тока однофазного короткого замыкания нужно найти сопротивления прямой, обратной и нулевой последовательностей.
Ток прямой последовательности находится по данным метода расчетных кривых:
Х∑1 =1/(1/X18 + 1/X20 + 1/X3 +1/X36 ) =
1/(1/9,457+1/1,857+1/21,025+1/2,401) = 0,902;
Найдем сопротивление обратной последовательности генераторов:
Xг1 = х2 *Sб /Sнг = 0,166*1000/ 78,75 = 2,108;
Xг2 = х2 *Sб /Sнг = 0,2 *1000/40 = 5;
Xг3 = 0,153 *1000/40 = 4,675;
Найдем сопротивление обратной последовательности для заданной схемы по шагам метода расчетных кривых:
Х1 =ХГ1 +ХТ1 = 2,108+1,313 = 3,42;Х2 = ХТ2 +ХН1 = 2,625+10 = 12,625;
Х3 = ХСК +ХАТН = 20+1,025 = 21,025; Х4 =ХТ5 +ХГ2 = 2,625 +5 = 7,625;
Х5 = ХТ4 +ХГ3 = 2,625+4,675 = 7,3;
Х6 =ХЛ1 /2+ХЛ3 = 3,931/2+1,512 = 2,401;
Х7 = ХЛ5 +ХЛ6 +ХЛ5 *ХЛ6 /Х5 = 1,512+0,302+1,512*0,302/7,3 = 1,885;
Х8 = ХЛ5 +Х5 +ХЛ5 *Х5 /ХЛ6 = 7,3+1,512+6,45*7,3/0,302 = 45,312;
Х9 = ХЛ6 +Х5 +Х5 *ХЛ6 /ХЛ5 = 0,302+7,3+7,3*0,302/1,512 = 9,062;
Х10 = (ХЛ4 /2*Х7 )/(ХЛ4 /2+Х7 ) = (1,058/2+1,885)/(1,058/2+1,885) = 0,413;
Х11 = ХЛ2 +ХЛ3 +ХЛ2 *ХЛ3 /(ХЛ1 /2) = 0,604+1,512+0,604*1,512/(3,931/2) = 2,582;
Х12 = ХЛ2 +ХЛ1 /2+(ХЛ2 *ХЛ1 /2)/ХЛ3 = 0,604+3,931/2+(0,604*3,931/2)/1,512 = 3,357;
Х13 = ХЛ1 /2+ХЛ3 +(ХЛ1 /2*ХЛ3 )/ХЛ2 = 3,931/2+1,512+(3,931/2*1,512)/0,604 = 8,939;
Х14 = (Х12 *Х8 )/(Х12 +Х8 ) = (3,357*40,212)/(3,357+40,212) = 3,125;
Х15 = (Х9 *Х13 )/(Х9 +Х13 ) = (8,042*8,939)/(8,042+40,212) = 4,375;
Х16 = (Х11 *Х10 )/(Х11 +Х10 ) = (2,582+0,413)/(2,582+0,413) = 0,355.
Х17 = Х16 +Х15 +Х16 *Х15 /Х4 = 0,355+4,375+0,355*4,375/7,625 = 4,916;
Х18 = Х16 +Х4 +Х16 *Х4 /Х15 = 0,355+7,625+0,355*7,625/4,375 = 8,603;
Х19 = Х4 +Х15 +Х4 *Х15 /Х16 = 7,625+4,107+7,625*14,107/0,355 = 105,3;
Х20 = (Х14 *Х17 )/(Х14 +Х17 ) = (3,125*4,916)/(3,125+4,916) = 1,19.
Суммарное сопротивление обратной последовательности:
Х∑2 =1/(1/X18 + 1/X20 + 1/X3 +1/Х6 ) = 1/(1/8,603+1/1,19+1/21,025+1/2,401) = 0,906.
Найдем сопротивление нулевой последовательности. Для этого сопротивления линий и сопротивление реактора увеличим в три раза.

Рисунок 2.3- Схема замещения нулевой последовательности

Рисунок 2.4 – Первый шаг преобразования схемы замещения нулевой последовательности
Х1 = 3ХЛ1 /2 = 3*3,931/2 = 5,897;
Х2 = (ХТ5 *ХН2 ) /(ХТ5 +ХН2 ) = (2,625*10)/(2,625+10) = 2,079;
Х3 = ХАТВ +ХТ3 +3ХЛ7 /2 = 0,575+0,687+3*0,945/2 = 2,680;
Х4 = 3ХЛ4 /2 = 3*1,058/2 = 1,588;
Х5 = 3ХР +ХТ4 = 3*4,618+2,625 = 16,48;
Х6 = (ХАТН *Х3 ) /(ХАТН +Х3 )+ХАТС = (1,025*2,680)/(1,025+2,680)+0 = 0,741;
Х7 = ХТ1 +3ХЛ2 +ХТ1 *3ХЛ2 /Х1 = 1,312+9*0,604+1,312*3*0,604/5,897 = 3,261;
Х8 = ХТ1 +Х1 +ХТ1 *Х1 /3ХЛ2 = 1,312+5,897+1,312*5,897/3*0,604 = 11,476;
Х9 = Х1 +3ХЛ2 +Х1 *3ХЛ2 /ХТ1 = 5,897+3*0,604+5,897*3*0,604/1,312 = 15,867;
Х10 = 3ХЛ5 +3ХЛ6 +3ХЛ5 *3ХЛ6 /Х5 = 3*1,512+3*0,302+9*1,512*0,302/17,471 = 5,679;
Х11 = 3ХЛ5 +Х5 +3ХЛ5 *Х5 /3ХЛ6 = 3*1,512+17,471+3*1,512*17,471/3*0,302 = 109,366;
Х12 = 3ХЛ6 +Х5 +3ХЛ6 *Х5 /3ХЛ5 = 3*0,302+17,471+3*0,302*17,471/3*1,512 = 21,873;

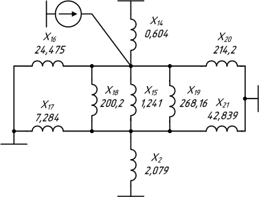
Рисунок 2.5 – Второй шаг преобразования схемы замещения нулевой преобразования

Рисунок 2.6 – Третий шаг преобразования схемы замещения нулевой последовательности
Х13 = (Х8 *ХТ2 ) /(ХТ2 +Х8 ) = (11,476*2,625)/(11,476+2,625) = 2,136;
Х14 = (Х6 *Х7 ) /(Х6 +Х7 ) = (0,741*3,261)/(0,741+3,261) = 0,604;
Х15 = (Х4 *Х10 ) /(Х4 +Х10 ) = (1,588*5,697)/(1,588+5,697) = 1,240;
Х16 = Х9 +Х13 +Х9 *Х13 /3ХЛ3 = 15,867+2,136+15,867*2,136/3*1,512 = 25,475;
Х17 = Х13 +3ХЛ3 +Х13 *3ХЛ3 /Х9 = 2,136+3*1,152+2,136*3*1,512/15,867 = 7,284;

Рисунок 2.7 – Четвёртый шаг преобразования схемы замещения нулевой последовательности
Х18 = Х9 +3ХЛ3 +Х9 *3ХЛ3 /Х13 = 15,867+3*1,512+15,867*3*1,512/2,136 = 200,202;
Х19 = Х11 +Х12 +Х11 *Х12 /Х5 = 109,366+21,873+109,366*21,873/16,48 = 268,159;
Х20 = Х11 +Х5 +Х11 *Х5 /Х12 = 109,366+16,48+109,366*16,48/21,873 = 214,195;
Х21 = Х5 +Х12 +Х5 *Х12 /Х11 = 16,48+21,873+16,48*21,873/109,366 = 42,839;

Рисунок 2.8 – Пятый шаг преобразования схемы замещения нулевой последовательности
Х22 = (Х14 *Х16 ) /(Х14 +Х16 ) = (0,604*25,475)/(0,604+25,475) = 0,590;
Х23 = (Х15 *Х18 ) /(Х15 +Х18 ) = (1,240*200,202)/(1,240+200,202) = 1,233;
Х24 = (Х2 *Х17 ) /(Х2 +Х17 ) = (2,079*7,284)/(2,079+7,284) = 1,617;

Рисунок 2.9 – Шестой шаг преобразования схемы замещения нулевой последовательности
Х25 = (Х22 *Х20 ) /(Х22 +Х20 ) = (0,590*214,195)/(0,590+214,195) = 0,855;
Х26 = (Х19 *Х23 ) /(Х19 +Х23 ) = (268,159*1,233)/(268,159+1,233) = 1,213;
Х27 = (Х21 *Х24 ) /(Х21 +Х24 ) = (42,839*1,617)/(42,839+1,617) = 1,764;

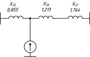
Рисунок 2.10 - Седьмой шаг преобразования схемы замещения нулевой последовательности
Х28 = Х26 +Х27 = 1,227+1,588 = 2,978;

Рисунок 2.11 – Восьмой шаг преобразования схемы замещения нулевой последовательности
Х29 = (Х28 *Х25 ) /(Х28 +Х25 ) = (2,978*0,855)/(2,978+0,855) = 0,665;
Сопротивление нулевой последовательности: X∑0 = 0,665
Нахождение тока однофазного короткого замыкания.
Найдем Х∆ :Х∆ = Х∑2 +X∑0 = 0,906+0,665 = 1,571;
Найдем коэффициенты распределения токов:
СТГ = Х∑1 /ХТГ = 0,902/1,857 = 0,486;
СГГ = Х∑1 /ХГГ = 0,902/9,457= 0,096
ССК = Х∑1 /ХСК = 0,902/21,025 = 0,043;
СС = Х∑1 /ХС = 0,902/2,401 = 0,375;
Найдем расчетные сопротивления генераторов и системы:
ХрассчТТ = (Х∑1 + Х∆ )/Стг *(S∑ )/ Sб ;
Храссч.ТГ = (0,902+1,571)/0,486*(40+78,75)/1000 = 0,604;
Храссч.ГГ = (0,902+0,1,571)/0,096*(40)/1000 = 1,037;
Храссч.С = (Х∑1 + Х∆ )/СС *SС / Sб = (0,902+0,1,571)/0,375*1500/1000 = 9,875;
Храссч.СК = (Х∑1 + Х∆ )/ССК *SСК / Sб = (0,902+1,571)/0,043*10/1000 = 0,576;
По расчетным кривым определим расчетные токи для генераторов в моменты времени 0, 0,2 и ¥ с.:
Iрассч.ТГ 0 = 1,62; Iрассч.ТГ 0,2 = 1,43; Iрассч.ТГ ∞ = 1,63
Iрассч.ГГ 0 = 1,02; Iрассч.ГГ 0,2 = 1,01; Iрассч.ГГ ∞ = 1,3
Найдем расчетный ток системы :
IрассчС = 1/XрассчС = 1/9,875 = 0,101;
IрасчСК = ЕСК /ХрасчСК = 1,12/0,576 = 1,943;
Рассчитаем номинальный ток генераторов, синхронного компенсатора и системы:
Iн∑ТГ = 118,75 /(√3 *115 ) = 0,596 кА
Iн∑ГГ = 40 /(√3 * 115 ) = 0,20 кА
Iн∑С = 1500 /(√3 * 115 ) = 7,531 кА.
Iн∑СК = 10 /(√3 * 115 ) = 0,050 кА.
Коэффициент взаимосвязи токов: m(1) = 3
Рассчитаем периодическую составляющую тока короткого замыкания для заданного момента времени:
IП0 = m(Iрассч.ТГ0 * Iн∑ТГ + Iрассч.ГГ0 * Iн∑ГГ + IрассчС *IнС + IрассчСК *IнСК )
IП0 = m*(IрасчТГ0 *IнсумТГ +IрасчГГ 0 *IнсумГГ +IрасчС *IнС +IрасчСК *IнСК )
IП0 = 3*(1,62*0,596+1,02*0,20+0,101*7,531+1,943*0,050) = 6,092кА
IП0,2 = m*(IрасТг0,2*IнсумТг+IрасчГг0,2*IнсумГг+IрасчС*IнС+IрасчСК*IнскмСК)
IП0,2 = 3*(1,43*0,596+1,01*0,20+0,101*7,531+1,943*0,050)= 5,746 кА
IП∞ = m*(IрасТГ∞ * IнсумТГ +IрасчГГ∞ *IнсумГГ +IрасчС *IнС +IрасчСК *IнСК )
IП∞ = 3*(1,63*0,596+1,3*0,20+0,101*7,531+1,943*0,050)= 6,278 кА
Задание 3
Построение векторной диаграммы токов и напряжений в точке короткого замыкания для начального момента времени.
Граничные условия
IК B 1 = 0;
IК C 1 = 0;
UКА = 0;
Найдем прямую, обратную и нулевую последовательность тока короткого замыкания:
IКА1 = IКА2 = IКА0 = Iп0 /3 = 6,092/3 = 2,03 кА;
Рассчитаем напряжение прямой последовательности фазы А:
UКА1 = j*IКА1 *(Х∑2 +X∑0 ) = j*2,03*(11,985+8,798) = j42,2 кВ
Рассчитаем напряжение обратной последовательности фазы А:
UКА2 = -j*IКА2 *Х∑2 = -j*2,03*11,985 = -j24,33 кВ
Найдем напряжение нулевой последовательности фазы А:
UКА0 = -j*IКА0 *X∑0 = -j*2,03*8,798 = -j17,867 кВ
Рассчитаем напряжения короткого замыкания фаз В и С:
UКВ = j*IКА1 *[Х∑2 *(а2 -а)+X∑0 (а2 -1)] = j*2,03*[11,985*(а2 -а)+8,798*(а2 -1)]
UКВ
= j*2,03*[11,985*(-j*
)+8,798*(-0,5-j*
/2-1)] = 57,62-j26,8 кВ
UКС = j*IКА1 *[Х∑2 *(а-а2 )+X∑0 (а-1)] = j*1,246*[0,314*(а-а2 )+0,485*(а-1)]
UК
C
= j*2,03*[11,985*(j*
)+8,798*(-0,5+j*
/2-1)] = -57,62-j26,8 кВ
Найдем модули напряжений короткого замыкания фаз В и С:
|UКВ |= 63,55 кВ
|UК C |= 63,55 кВ
Векторная диаграмма токов и напряжений представлена на рисунке 3.1, масштаб: 1см = 8,44 кВ ; 1см = 0,8 кА .