| Скачать .docx |
Курсовая работа: Курсовая работа: Особенности выбора расходомера
Содержание
1. Общие сведения об измерении расхода и массы веществ
2. Основные виды расходомеров
2.1 Расходомеры переменного перепада давления
2.2 Расходомеры обтекания
2.2.1 Ротаметры
2.2.2 Поплавковые и поршневые расходомеры
2.3 Тахометрические расходомеры
2.3.1 Камерные расходомеры
2.3.2 Электромагнитные расходомеры
2.3.3 Расходомеры переменного уровня
2.4 Тепловые расходомеры
2.4.1 Вихревые расходомеры
2.5 Акустические расходомеры
2.6 Фазовые расходомеры
2.6.1 Частотно-пакетные расходомеры
2.7 Напорные устройства
2.7.1 Кориолисовые расходомеры
3. Выбор средства контроля
3.1 Обоснование выбора типа расходомера
3.2 Обоснование выбора марки ультразвукового расходомера
3.3 Конструкция ультразвукового расходомера UFM 3030
3.4 Принцип работы выбранного расходомера
3.5 Технические характеристики ультразвукового расходомера UFM 3030
3.5.1 Ультразвуковой электронный конвертор UFC 030
3.5.2 Ультразвуковой первичный преобразователь UFS 3000
3.5.3 Ультразвуковой расходомер UFS 3030
3.6 Электрические схемы подключения расходомера
3.7 Монтажные схемы подключения расходомера
Вывод
Заключение
Список литературы
1. Основные сведения об измерении расхода и массы веществ
Измерение расхода и массы веществ (жидких, газообразных, сыпучих, твердых, паров и т. п.) в химических производствах широко применяется как в товароучетных и отчетных операциях, так и при контроле, регулировании и управлении технологическими процессами.
Расход вещества - это масса или объем вещества, проходящего через данное сечение канала средства измерения расхода в единицу времени. В зависимости от того, в каких единицах измеряется расход, различают объемный расход или массовый расход. Объемный расход измеряется в м3/с (м3/ч и т. д.), а массовый - в кг/с (кг/ч, т/ч и т. д.).
Расход вещества измеряется с помощью расходомеров, представляющих собой средства измерений или измерительные приборы расхода. Многие расходомеры предназначены не только для измерения расхода, но и для измерения массы или объема вещества, проходящего через средство измерения в течение любого, произвольно взятого промежутка времени. В этом случае они называются расходомерами со счетчиками или просто счетчиками. Масса или объем вещества, прошедшего через счетчик, определяется по разности двух последовательных во времени показаний отсчетного устройства или интегратора. По принципу действия разделяются на следующие основные группы: переменного перепада давления; обтекания - постоянного перепада давления; тахометрические; электромагнитные; переменного уровня; тепловые; вихревые; акустические. Кроме того, известны расходомеры, основанные на других принципах действия: резонансные, оптические, ионизационные, меточные и др. Однако многие из них находятся в стадии разработки и широкого применения пока не получили.
2. Основные виды расходомеров
2.1 Расходомеры переменного перепада давления
Одним из наиболее распространенных средств измерений расхода жидкостей и газов (паров), протекающих по трубопроводам, являются расходомеры переменного перепада давления, состоящие из стандартного сужающего устройства, дифманометра, приборов для измерения параметров среды и соединительных линий. В комплект расходомерного устройства также входят прямые участки трубопроводов до и после сужающего устройства с местными сопротивлениями.
Сужающее устройство расходомера является первичным измерительным преобразователем расхода, в котором в результате сужения сечения потока измеряемой среды (жидкости, газа, пара) образуется перепад (разность) давления, зависящий от расхода. В качестве стандартных (нормализованных) сужающих устройств применяются измерительные диафрагмы, сопла, сопла Вентури и трубы Вентури. Диафрагма- тонкий диск с отверстием круглого сечения, центр которого лежит на оси трубопровода (используются в трубах от 50 мм до 2 м). Сопло- выполнено в виде насадки с круглым концентрическим отверстием, имеющим плавную сужающую часть на входе и развитую цилиндрическую часть на выходе. Сопло Вентури- состоит из цилиндрического входного участка, плавно сужающейся части, переходящей в короткий цилиндрический участок, и расширяющейся конической части (диффузора).
Достоинствами диафрагм являются: простота изготовления, дешевизна изготовления, простота проверки конструкции. Недостатками являются: малый срок службы, большая остаточная потеря давления (
).
К достоинствам сопл относятся: маленькая потеря давления, способность при одном и том же перепаде давлений измерять больший расход. Недостатками являются: сложность в изготовлении и проверке.
В качестве измерительных приборов применяются различные дифференциальные манометры, снабженные показывающими, записывающими, интегрирующими, сигнализирующими и другими устройствами, обеспечивающими выдачу измерительной информации о расходе в соответствующей форме и виде.
Измерительная диафрагма представляет собой диск, установленный так, что центр его лежит на оси трубопровода (рис. VIII.1). При протекании потока жидкости или газа (пара) в трубопроводе с диафрагмой сужение его начинается до диафрагмы. На некотором расстоянии за ней под действием сил инерции поток сужается до минимального сечения, а далее постепенно расширяется до полного сечения трубопровода. Перед диафрагмой и после нее образуются зоны завихрения. Давление струи около стенки вначале возрастает из-за подпора перед диафрагмой. За диафрагмой оно снижается до минимума, затем снова повышается, но не достигает прежнего значения, так как вследствие трения и завихрений происходит потеря давления рпот.

Таким образом, часть потенциальной энергии давления потока переходит в кинетическую. В результате средняя скорость потока в суженном сечении повышается, а статическое давление в этом сечении становится меньше статического давления перед сужающим устройством. Разность этих давлений (перепад давления) служит мерой расхода протекающей через сужающее устройство жидкости, газа или пара.
Из рисунка VIII.1 видно, что давление по оси трубопровода, показанное штрихпунктирной линией, несколько отличается от давления вдоль стенки трубопровода только в средней части графика. Через отверстия 1 и 2 производится измерение статических давлений до и после сужающего устройства. При этом расход для несжимаемых жидкостей находится по формулам:
![]()
или
,
где
плотность вещества (
),
площадь поперечного сечения отверстия диафрагмы (сужающее устройство),
расход вещества,
абсолютное давление до сужающего устройства,
абсолютное давление после сужающего устройства,

коэффициент расхода учитывает неравномерное распределение скоростей по сечению потока, обусловленное вязкостью вещества и трением о стенки трубопровода. Этот коэффициент для разных сужающих устройств определяется опытным путём. Здесь
![]()
коэффициент сужения струи (
площадь поперечного сечения наиболее суженного участка струи),
поправочные коэффициенты на неравномерность распределения скоростей в сечениях I и II,
![]()
![]()
(
средняя скорость вещества в сечении I ,
средняя скорость вещества в отверстии диафрагмы),
местное сопротивление потоку.
При измерении расхода сжимаемых жидкостей и газов (паров) необходимо учитывать уменьшение плотности
вследствие понижения давления при прохождении вещества через сужающее устройство, в результате чего массовый и объёмный расходы уменьшаются. Поэтому для расчёта расхода используют следующие формулы:

или
,
где
коэффициент расширение измеряемой среды,
плотность среды перед входом потока в отверстие диафрагмы. Две последние формулы применимы только в том случае, если скорость потока в сужающем устройстве меньше скорости звука (критическая скорость) в измеряемой среде.
Дифманометры выбирают из ряда: 10, 16, 25, 40, 63, 100, 160, 250, 400, 630, 1000, 1600, 2500, 4000, 6300, 10000, 16000, 25000 Па и 0,04; 0,063; 0,1; 0,16; 0,25; 0,4; 0,63 МПа. За максимальный расход принимают наибольший из ряда: 1; 1,25; 1,6; 2; 2,5; 3,2; 4; 5; 6,3; 8; 10 и т.д.
2.2 Расходомеры обтекания
Принцип действия расходомеров обтекания основан на зависимости перемещения тела, находящегося в потоке и воспринимающего динамическое давление обтекающего его потока, от расхода вещества. Широко распространенными расходомерами обтекания являются расходомеры постоянного перепада давления — ротаметры, поплавковые и поршневые. Принцип действия расходомеров постоянного перепада давления основан на зависимости от расхода вещества вертикального перемещения тела — поплавка, находящегося в потоке и изменяющего при этом площадь проходного отверстия прибора таким образом, что перепад давления по обе стороны поплавка остается постоянным.
В некоторых расходомерах обтекания, называемых расходомерами обтекания компенсационного типа, перемещение тела обтекания измеряется по величине давления, создающего усилие, приложенное к телу и уравновешивающее динамическое давление потока на него.
2.2.1 Ротаметры
Расходомеры постоянного перепада давления – ротаметры - применяются для измерения расходов однородных потоков чистых и слабозагрязненных жидкостей и газов, протекающих по трубопроводам и не подверженных значительным колебаниям. Ротаметры имеют большой диапазон измерения
![]()

Ротаметр (рис. VIII.4) представляет собой длинную коническую трубку 1, располагаемую вертикально, вдоль которой под действием движущегося снизу вверх потока перемещается поплавок 2. Поплавок перемещается до тех пор, пока площадь кольцевого отверстия между поплавком и внутренней поверхностью конусной трубки не достигнет такого размера, при котором перепад давления по обе стороны поплавка не станет равным расчетному. При этом действующие на поплавок силы уравновешиваются, а поплавок устанавливается на высоте, соответствующей определенному значению расхода.
На поплавок сверху вниз действуют две силы: сила тяжести
и сила от давления потока на верхнюю плоскость поплавка. Сила тяжести
,
где
объём поплавка,
плотность материала поплавка,
ускорение свободного падения. Сила от давления потока на верхнюю плоскость поплавка равна
, где
среднее давление потока на единицу площади верхней поверхности поплавка,
площадь наибольшего поперечного сечения поплавка.
Снизу вверх на поплавок действуют сила от давления потока на нижнюю плоскость поплавка
и сила трения потоков о поплавок
, где
коэффициент сопротивления, зависящий от числа Рейнольдса и степени шероховатости поверхности,
средняя скорость потока в кольцевом канале, охватывающем боковую поверхность поплавка,
площадь боковой поверхности поплавка,
показатель, зависящий от скорости. При равновесии поплавка справедливо равенство:
+
=
+![]()
.
Формула для расчёта расхода несжимаемой жидкости имеет вид:
![]()
где
плотность измеряемой среды,

-коэффициент расхода, определяется опытным путём. При расчёте расхода газа вводят поправочный коэффициент
.
Достоинства: относительная простота в конструкции, широкий диапазон измерения расходов (
;
).
Недостатки: невысокие рабочие давления измеряемых сред для ротаметров со стеклянной трубкой (не более 0,58 МПа), невозможность регистрации показаний для ротаметров с металлической конусной трубкой, невозможность передачи показаний на расстояние, недостаточная чёткость шкал, градуировка ротаметров производится по конкретным средам (вода и воздух), низкая точность ![]()
2.2.2 Поплавковые и поршневые расходомеры
Поплавковый расходомер постоянного перепада давления (рис. VIII.5) состоит из поплавка 1 и конического седла 2 расположенных в корпусе прибора. Коническое седло выполняет ту же роль, что и коническая трубка ротаметра. Различие заключается в том, что длина и диаметр седла примерно равны, а у ротаметров длина конической трубки значительно больше ее диаметра.
В поршневом расходомере (рис. VIII.6) чувствительным элементом является поршень, перемещающийся внутри втулки 2.
Втулка имеет входное отверстие 5 и выходное отверстие 4, которое является диафрагмой переменного сечения. Поршень с помощью штока соединен с сердечником передающего преобразователя 3. Протекающая через расходомер жидкость поступает под поршень и поднимает его. При этом открывается в большей или меньшей степени отверстие выходной диафрагмы. Жидкость, протекающая через диафрагму, одновременно заполняет также пространство над поршнем, что создает противодействующее усилие.

Достоинства: относительная простота в конструкции.
Недостатки: относительно невысокие рабочие давления (до 6,27 МПа), относительно высокая погрешность измерения (
от верхнего предела измерения).
2.3 Тахометрические расходомеры
Принцип их действия основан на использовании зависимостей скорости движения тел - чувствительных элементов, помещаемых в поток, от расхода веществ, протекающих через эти расходомеры. Известно большое число разновидностей тахометрических расходомеров, однако в практике для измерения расхода самых разнообразных жидкостей и газов широко распространены турбинные, шариковые и камерные расходомеры.
2.3.1 Камерные расходомеры
Камерные тахометрические расходомеры представляют собой один или несколько подвижных элементов, отмеривающих или отсекающих при своем движении определенные объемы жидкости или газа. Существует большое число конструкций, камерных расходомеров жидкостей и газов(поршневые счетчики, счетчики с овальными шестернями и дисковые счетчики).

Овально-шестеренчатый счетчик жидкостей (рис. VIII.11) состоит из двух одинаковых овальных шестерен, вращающихся под действием перепада давления жидкости, протекающей через его корпус. В положении 1 правая шестерня отсекает некоторый объем жидкости 1, так как на эту шестерню действует крутящий момент, она поворачивается по часовой стрелке, вращая при этом левую шестерню против часовой стрелки. В положении 2 левая шестерня заканчивает отсекание новой порции жидкости, а правая выталкивает ранее отсеченный объем в выходной патрубок счетчика. В это время вращающий момент действует на обе шестерни. В положении 3 ведущей является левая шестерня, отсекающая заданный объем. В положении 4 правая шестерня заканчивает отсекание объема, а левая выталкивает объем. В положении 5 полностью отсекается заданный объем; обе шестерни сделали по пол-оборота, и ведущей стала опять правая шестерня. Вторая половина оборота шестерен протекает аналогично. Таким образом, за один полный оборот шестерен отсекается четыре дозирующих объема. Учет жидкости основан на отсчете числа оборотов шестерен.
Достоинства: относительно высокая точность измерений (погрешность показаний
); возможность генерации импульсного выхода, который может быть передан в комнату управления (каждый импульс представляет дискретный объем жидкости); данные расходомеры хорошо подходят для автоматического дозирования и учета.
Недостатки: потеря напора от установки счётчика составляет примерно 0,02МПа; узкий диапазон измерений величины расхода (от 0,8 до 36 м3/ч при рабочем давлении 1,57 МПа); небольшие диаметры трубопроводов (диаметры условных проходов 15-50 мм); снижение точности связанное с просачиванием вещества через внутреннюю изолированную поверхность.
2.3.2 Электромагнитные расходомеры
Электромагнитные (индукционные) расходомеры предназначены для измерения расхода различных жидких сред, в том числе пульп с мелкодисперсными неферромагнитными частицами, с электрической проводимостью не ниже
См/м, протекающих в закрытых полностью заполненных трубопроводах.
Электромагнитные расходомеры выполняются в виде двух отдельных блоков: измерительного преобразователя расхода и измерительного блока — передающего преобразователя, в котором осуществляется приведение сигнала, полученного от измерительного преобразователя, к стандартизованному виду, удобному для дальнейшего использования.
Измерительный преобразователь расхода электромагнитного расходомера (рис. VIII.15) состоит из немагнитного участка трубопровода 3 с токосъемными электродами 4 и ярма электромагнита 2 с обмоткой возбуждения 1, охватывающего трубопровод.

При протекании электропроводных жидкостей по немагнитному трубопроводу 3 через однородное магнитное поле, создаваемое магнитом 2, в жидкости, которую можно представить как движущийся проводник, возникает электродвижущая сила, снимаемая электродами 4. Эта ЭДС Е прямо пропорциональна средней скорости потока:
E=Blvcp,
где В - электромагнитная индукция в зазоре между полюсами магнита,[Тл], l- расстояние между электродами,[м]; vcp -средняя скорость потока,[м/с].
Поскольку площадь сечения трубы постоянна, ЭДС, снимаемая с электродов, может быть выражена через объемный расход жидкости:
,
где
внутренний диаметр трубы, равный расстоянию между электродами l, [м]. Далее сигнал, пропорциональный расходу, подается на измерительный блок, где он приводится к стандартизованному виду, и затем передается к прибору или другому измерительному устройству. Электромагнитные расходомеры обеспечивают измерение расхода в диапазоне от 0,32 до 2500 м3/ч при трубопроводах с внутренним диаметром от 3 мм до 1 м и более, линейной скорости движения от 0,6 до 10 м/с. Погрешность электромагнитных расходомеров ![]()
Достоинства: линейность характеристики, возможность использования в трубопроводах любого диаметра, показания не зависят от примесей в среде, от её плотности и вязкости, нет потерь давления.
Недостатки: поляризация электродов (нестабильность работы прибора), работа только с электропроводной жидкостью, трудность усиления напряжения постоянного тока.
2.3.3 Расходомеры переменного уровня
Эти расходомеры применяются для измерения расхода загрязненных жидкостей. Принцип действия приборов основан на зависимости уровня жидкости в сосуде от расхода при свободном истечении ее через калиброванное отверстие (щель) в дне или боковой стенке. Профиль и диаметр отверстия рассчитываются таким образом, чтобы указанная зависимость была линейной. Уравнение расхода через отверстие в дне или стенке сосуда в общем виде выражается следующей зависимостью:

Используя уравнение (VIII.29), можно вывести зависимость между Q и Н для отверстия любой формы. Для получения равномерной шкалы прибора эта зависимость должна быть линейной:
Q =
,
где К- коэффициент пропорциональности
.

Щелевой расходомер с калиброванным незатопленным отверстием (щелью) в стенке корпуса (рис. VIII. 16) представляет собой емкость – корпус 1, разделенный перегородкой 4 с профилированной щелью. В левой части корпуса, куда подается измеряемая жидкость через подводящий патрубок, производится измерение её уровня с помощью пьезометрической уровнемерной трубки 2 и измерительного прибора - дифманометра 3.
Для измерения уровня жидкости могут применяться и другие типы уровнемеров.
Жидкость, поступающая в левый отсек корпуса, заполняет его, переливается через профилированную щель и через слив уходит в приемник и далее - по назначению.
Другой тип расходомера с отверстием в дне сосуда (рис. VIII.17) состоит из приемника - сосуда переменного уровня 1, корпуса 2, выходного отверстия с калиброванной диафрагмой или соплом 3. Высота столба жидкости над калиброванным отверстием 3 измеряется с помощью уровнемера - дифманометра 4.
Достоинства: щелевые расходомеры хорошо зарекомендовали себя при измерении сильно загрязненных и быстро кристаллизующихся жидкостей и растворов.
Недостатки: небольшой диапазон измерения 0,1—50 м3/ч; относительно высокая основная погрешность устройства: в комплекте со вторичным прибором ±3,5%.
2.4 Тепловые расходомеры
Тепловые расходомеры могут применяться при измерении небольших расходов практически любых сред при различных их параметрах. Кроме того, они весьма перспективны для измерения расхода очень вязких материалов. Принцип действия их основан на использовании зависимости эффекта теплового воздействия на поток вещества от массового расхода этого вещества.

Тепловые расходомеры могут выполняться по трем основным принципиальным схемам: калориметрические, основанные на нагреве или охлаждении потока посторонним источником энергии, создающим в потоке разность температур; теплового слоя, основанные на создании разности температур с двух сторон пограничного слоя; термоанемометрические, в которых используется зависимость между количеством теплоты, теряемой непрерывно нагреваемым телом, помещенным в поток, и массовым расходом вещества.
Выбор принципиальной схемы измерения зависит от измеряемой среды, необходимой точности, типа используемых термочувствительных элементов и режима нагрева. Для упруго-вязких пластичных веществ, предпочтительным является измерение по схеме термоанемометра с постоянной температурой подогрева потока.
Чувствительными элементами термоанемометрического являются резисторы R1 и R2, помещаемые (наматываемые) на стенке трубопровода на некотором расстоянии друг от друга. Манганиновые резисторы R3 и R4 служат для создания мостовой схемы, питаемой от источника напряжения
. Сигнал разбаланса, пропорциональный изменению расхода, подается на электронный усилитель ЭУ, где усиливается и после этого управляет вращением реверсивного электродвигателя РД, который, производя перестановку движка компенсирующего переменного резистора Rp, изменяет напряжение питания до тех пор, пока разбаланс в измерительной диагонали моста не станет равным заданному. Мерой расхода могут служить показания амперметра, ваттметра или положение движка Rp.
С помощью тепловых расходомеров может быть обеспечена точность измерения расхода вязких продуктов ±2
2,5%.
Для измерения расхода газов используют калориметрические расходомеры. В состав расходомера входят: 1,2- термометры сопротивления, 3- электрический нагреватель. Если пренебречь теплотой, отдаваемой потоком в окружающую среду, то уравнение теплового баланса имеет вид:
,
где
![]()
кол-во теплоты, отдаваемое нагревателем жидкости или газу,
поправочный коэффициент на неравномерность распределения температур по сечению трубы,
массовый расход вещества,
уд. массовая теплоёмкость при температуре
,
разность температур нагреваемой среды до и после нагревателя.

Существует два способа измерений расхода: измерение по мощности, потребляемой нагревателем и обеспечивающей постоянную разность температур
; измерение по разности температур
при постоянной мощности нагревателя (разность температур измеряется термометрами сопротивления, выполненных в виде сетки, что позволяет измерять среднюю температуру по сечению трубопровода). Второй способ является более экономичным, т.к. контролируемая среда нагревается на 1-3 ºС, поэтому даже при больших расходах потребляемая мощность невелика.
Достоинства: высокая точность измерений (
), большой диапазон измерений (10:1), измерение пульсирующих и малых расходов.
Недостатки: сложность устройства для автоматического поддержания заданной разности температур и постоянного расхода электроэнергии на нагрев потока.
2.4.3 Вихревые расходомеры
В настоящее время разработаны и имеют весьма широкие перспективы применения вихревые расходомеры, принцип действия которых основан на зависимости от расхода частоты колебаний давления среды, возникающих в потоке в процессе вихреобразования.

Измерительный преобразователь вихревого расходомера (рис. VIII.19) представляет собой завихритель 1, вмонтированный в трубопровод, с помощью которого поток, завихряется (закручивается) и поступает в патрубок 2. На выходе из патрубка в расширяющейся области 4 установлен пьезометрический преобразователь 3, воспринимающий и преобразующий вихревые колебания потока (для которых имеет силу зависимость:
,
где
частота пульсаций на преобразователе,
-константа Строухала,
диаметр лицевой, относительно потока, части препятствия,
скорость потока) в электрический сигнал (переменное напряжение), который далее приводится к нормализованному виду, отвечающему требованиям ГСП.
Завихрения потока формируются таким образом, что внутренняя область вихря - ядро, поступая в патрубок 2, совершает только вращательное движение. На выходе же из патрубка в расширяющуюся область 4 ядро теряет устойчивость и начинает асимметрично вращаться вокруг оси патрубка.
Достоинства: широкий диапазон температур, возможность использования практически на любых средах.
Недостатки: чувствительность к влиянию внешних помех (вибрации), ненулевая шкала.
2.5 Акустические расходомеры
Для измерения расходов загрязненных, агрессивных и быстро-кристаллизующихся жидкостей и пульп, а также потоков, в которых возможны большие изменения (пульсации) расходов и даже изменения направления движения, когда не могут быть применены другие виды расходомеров, используются расходомеры акустические, чаще всего ультразвуковые (частота звуковых колебаний более 20 кГц).
В основном используют два метода. Один метод основан на измерении разности фазовых сдвигов двух ультразвуковых колебаний, направленных по потоку и против него (фазовые расходомеры).
Другой метод основан на измерении разности частот повторения коротких импульсов или пакетов ультразвуковых колебаний, направленных одновременно по потоку и против него (частотные расходомеры).
2.6 Фазовые расходомеры
Если колебания распространяются в направлении скорости потока, то они проходят расстояние L за время

где а — скорость звука в данной среде; V — скорость потока. При распространении колебаний против скорости потока время

Отношение
весьма мало по сравнению с единицей (для жидкостей скорость звука 1000...1500 м/с; V = 3...4 м/с), поэтому с большой степенью точности можно принять
![]()
![]()
В фазовых расходомерах фиксируется разность времени
![]()

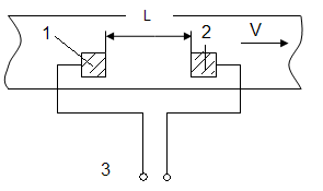
На поверхности трубопровода расположены два пьезоэлектрических элемента 1 и 2. Пьезоэлемент 1 механическим переключателем 3 подключен к генератору высокочастотных синусоидальных электрических колебаний. Пьезоэлемент преобразует электрические колебания в ультразвуковые, которые направляются в контролируемую среду через стенки трубопровода. Пьезоэлемент 2 воспринимает ультразвуковые колебания, прошедшие в жидкости расстояние L, и преобразует их в выходные электрические колебания.
Наличие в схеме механического переключателя ограничивает возможность измерения быстро меняющихся расходов вследствие небольшой частоты переключений (порядка 10 Гц). Это можно исключить, если в трубопроводе установить две пары пьезоэлементов так, чтобы в одной паре излучатель непрерывно создавал колебания, направленные по потоку, а в другой — против потока. В таком расходомере на фазометр будут непрерывно поступать два синусоидальных колебания, фазовый сдвиг между которыми пропорционален скорости потока.
2.6.1 Частотно-пакетные расходомеры
Принцип действия этих расходомеров основан на измерении частот импульсно-модулированных ультразвуковых колебаний, направляемых одновременно по потоку жидкости и против него.
Генераторы Г создают синусоидальные колебания высокой частоты (10 МГц) и подают их через модуляторы М на излучающие пьезоэлементы П1 и ПЗ. Пьезоэлемент П1 создает направленные ультразвуковые излучения (с частотой 10 МГц), которые воспринимаются пьезоэлементом П2.

При неподвижной жидкости время распространения излучений при расстоянии L между пьезоэлементами
.
Если жидкость перемещается по трубе со скоростью V, то составляющая скорости в направлении движения ультразвуковых колебаний равна
, следовательно, время перемещения колебаний между пьезоэлементами П1 и П2 по потоку жидкости
![]()
Соответственно время перемещения колебаний между пьезоэлементами ПЗ и П4 против направления потока
.
Модулятор совместно с двумя пьезоэлементами и усилителем-преобразователем УП включены в схему периодического модулирования. Как только первые колебания, поступающие на приемные пьезоэлементы П2 и П4, достигнут модуляторов, работающих в триггерном режиме, произойдет отключение генераторов от пьезоэлементов П1 и ПЗ, и излучение ультразвуковых колебаний прекращается. Оно возобновляется в те моменты, когда последние ультразвуковые колебания первых пакетов достигнут приемных пьезопреобразователей и генерация последних электрических колебаний прекратится. В эти моменты модуляторы вновь пропускают электрические колебания от генератора к приемным пьезоэлементам и процесс повторяется. Частота модулирования сигналов зависит от скорости потока и направления ультразвуковых колебаний (по потоку или против него).
Разность частот, определяемая пересчетной схемой ПС, пропорциональна скорости движения жидкости:
![]()
Разность
регистрируется прибором РП.
По значению
определяют скорость потока и объёмный расход:
![]()
,
где
коэффициент, учитывающий различия в усреднении скорости по площади сечения трубопровода;
внутренний диаметр трубопровода.
Разность частот прямо пропорциональна скорости и не зависит от скорости распространения звука в среде. Это является преимуществом частотного метода, так как исключается воздействие физических параметров среды (плотность, температура) на показания прибора.
Достоинства: относительно высокая точность (
); широкий диапазон рабочих температур ( от -200ºС до +600ºС); возможность измерять быстропеременные (пульсирующие) расходы; для замены и обслуживания не требуется разгерметизации оборудования (исполнение с накладными датчиками); бесконтактность измерений; отсутствие движущихся частей в потоке; отсутствие потерь давления в трубопроводах; нет влияния физических факторов среды на показания прибора (плотность, температур и др.) при частотном методе; широкий диапазон диаметров трубопроводов (от 6 мм до 6500 мм); широчайший диапазон измерения величины расхода (0,001
2985000 м³/ч).
Недостатки: зависимость точности измерений от качества стенок трубопровода.
2.7 Напорные устройства

Напорные устройства- устройства, создающие перепад давления, зависящий от динамического давления потока (скорости). Используются для измерения скорости потока, а также расходов жидкостей и газов (редко).
Принцип действия основан на помещении в трубопровод Г-образной трубки (трубка Пито), направленной изгибом на поток. Трубка воспринимает полное давление в трубопроводе равного сумме динамического, зависимого от скорости потока, и статического давления трубопровода. Чтобы измерять скорость или расход, помимо трубки Пито необходимо установить в трубопроводе ещё одну трубку для отбора статического давления, а так же ввести поправочныё коэффициент. Давление в трубке Пито выражается по следующей формуле:
,
где
статическое давление в трубопроводе,
плотность жидкости (газа),
скорость потока.
Для второй трубке формула имеет вид:
![]()
Зная перепад давлений и плотность вещества можно найти скорость и расход.
Чаще для измерения расхода используют анюбар, который обеспечивает усреднение динамического давления потока по всему сечению трубопровода. Анюбар состоит из 2-х секций в одном корпусе, расположенных под углом 90º друг к другу. Отверстия положительной секции ("+") расположены встречно потоку, а отрицательной ("-") – перпе-ндикулярно.
Недостатком данного метода является то, что он применим только в трубопроводах большого диаметра.
Недостатки: сопротивление потоку (потеря давления), низкая точность (
).
Достоинства: простота конструкции.
2.7.1 Кориолисовые расходомеры
Принцип действия основан на возникновении ускорения и силы Кориолиса в массе жидкости или протекании их через вибрирующую U-образную трубку. Расходомер состоит сенсора и преобразователя сигнала. Сенсор состоит из одной или двух U-образных трубок (нержавеющая сталь), электромагнитной катушки, расположенной в центре изгиба, 2-х индуктивных датчиков и поверхностного термометра сопротивления.

Среда, расход которой измеряется, поступает на вход преобразователя и изменяет направление движения по U-образной трубке. Среда проходит по одному колену трубки в прямом направлении, а по другому- в обратном. В середине U-образной трубке на её конце установлен электромагнит- вибровозбудитель, сообщающей трубке поперечное синусоидальное колебание. При этих условиях среда протекающая по трубке имеет поступательное и вращательное движение. Их совокупность вызывает появление ускорения и силы Кориолиса. За счёт разной направленности поступательного движения среды по коленам трубки сила Кориолиса в зоне перехода прямых участков трубки в дугообразные воздействует в противоположных направлениях и в зоне перехода на трубку действуют моменты сил, изгибающие трубку в вертикальной плоскости. Во входной половине трубки сила Кориолиса, действующая на трубку со стороны среды, расход которой измеряется, препятствует смещению трубки, а в выходной способствует смещению. В зонах перехода дугообразного участка трубки в прямолинейные участки установлены электромагнитные преобразователи результирующих колебаний трубки. Трубка колеблется в вертикальной плоскости с амплитудой пропорциональной массе среды протекающей через U-образную трубку. Электромагнитные преобразователи измеряют величину амплитуды колебаний и сдвиг фаз, который происходит за счёт отставания возникновения сил Кориолиса на сопряженных участках. Расход определяется путём измерения временной задержки между сигналами электромагнитных преобразователей, а плотность- измерением резонансной частоты колебаний (резонансная частота является функцией массы, а масса пропорциональна плотности). Термометр сопротивления на поверхности трубки учитывает изменение модуля упругости материала трубки.
Величина силы Кориолиса находится по формуле:
,
где
масса протекающей через трубку среды,
средняя скорость потока среды,
циклическая частота принудительных колебаний конца трубки.
Трубка может иметь другую форму.
Данные расходомеры изготавливаются на диаметр
мм и на расход: для жидкостей (от ![]()
до 550
), для газов (от 50![]()
до 71000
). Статическое давление эксплуатации прибора до 7 МПа.
Достоинства: высокая точность измерений (до
), длительный срок службы, измерение больших расходов, нет ограничений на способ установки, измерение одновременно 3-х параметров (расхода, массы, плотности), измерение параметров любых сред, на показания прибора не влияет изменение параметров среды, расход которой измеряется.
Недостатки: относительная сложность устройства вторичных преобразователей, ограниченное давление эксплуатации.
3. Выбор средства контроля
3.1 Обоснование выбора типа расходомера
По условию измеряется расход сжиженной пропан-бутановой фракции со следующими технологическими параметрами: расход
; давление
аТ.
Рассмотренные контактные виды расходомеров (тахометрические, тепловые, ротаметры и др.) жидкостей, паров и газов обладают существенным недостатком: наличие контакта чувствительного элемента с контролируемой средой и обусловленная этим потеря давления потока измеряемой среды. Так как сжиженная пропан-бутановая фракция- легко испаряющаяся и легко воспламеняющаяся жидкость, то наличие контакта чувствительного элемента с измеряемой средой также нежелательно. Электромагнитные расходомеры не применимы из-за отсутствия электропроводности контролируемой среды (пропан-бутановая фракция).
Применение разделительных сосудов, продувка нейтральным газом, изготовление сужающих устройств из специальных материалов и применение других специальных защитных устройств делает применение контактных расходомеров нецелесообразным из-за дороговизны материалов и сложности обслуживания.
Наличие первичных преобразовательных устройств в контактных расходомерах влияет на общую погрешность (увеличивается), в связи с этим точность показаний уменьшается.
Лишены выше перечисленных недостатков акустические расходомеры, в частности ультразвуковые. К достоинствам ультразвуковых расходомеров можно отнести: бесконтактность измерений; высокую точность измерений; не нарушается герметичность трубопровода при необходимости ремонта или диагностики расходомера; нет потерь давления потока; нет подвижных частей, что резко повышает срок службы прибора; искро- и взрывобезопасное исполнение ультразвуковых расходомеров делает возможным их применение в химической промышленности; с экономической точки зрения ультразвуковые расходомеры являются рентабельными для заказчика уже после непродолжительной эксплуатации. На точность показаний этого типа расходомеров влияет только качество поверхности стенок трубопровода. Поэтому для контроля расхода сжиженной пропан-бутановой фракции будем использовать ультразвуковой расходомер.
3.2 Обоснование выбора марки ультразвукового расходомера
Я предлагаю к установке трехлучевой ультразвуковой расходомер UFM3030 фирмы KROHNE.
Фирма KROHNE работает с технологией измерения расхода при помощи ультразвука уже 28 лет (с 1980г.). С 1980 года на объектах заказчиков установлено более 30 000 надежных и безотказно работающих ультразвуковых расходомеров KROHNE.
Ультразвуковые расходомеры KROHNE занимают лидирующие позиции на мировом рынке расходомеров. Трехлучевой расходомер UFM 3030 фирмы KROHNE стал эталоном для самых различных применений. Там, где не справляются электромагнитные расходомеры, UFM 3030 демонстрирует надежные и стабильные результаты благодаря более совершенной электроники, цифровой обработке сигнала и трехлучевой технологии измерения. UFM 3030 обладает всеми преимуществами измерения расхода с помощью ультразвуковых волн: точность измерений не зависит от электропроводимости, вязкости, температуры, плотности и давления измеряемой среды. Первичный преобразователь не имеет выступающих частей, он гладкий внутри и снаружи и не имеет подвижных частей, подвергающихся износу. Поэтому не происходит дополнительной потери давления, нет необходимости в перекалибровке прибора, а потребность в техническом обслуживании минимальна.
Все расходомеры UFM3030 , диаметром от 25 до 3000 мм и расходом от 1 до 40 000 м3/ч, калибруются по воде. Калибровка приборов диаметром больше 150 мм, производится на самой точной и самой большой в мире проливной установке, имеющей погрешность менее 0,03% от измеренного значения, тем самым гарантируя соответствие каждого поставленного прибора спецификации. Кроме того, каждый вторичный преобразователь проходит испытания под напряжением с симулируемым расходом с несколькими температурными циклами от -20ºС до + 60ºС. Эти испытания контролируются и документируются. Это повышает надежность работы прибора на месте установки и гарантирует бесперебойную работу и точность измерений при монтаже вне помещения независимо от погоды и времени года.
UFM3030 является универсальным прибором для непосредственного измерения жидкостей, как с простыми, так и со сложными свойствами. Особенно выделяются здесь среды с малой электропроводностью или неэлектропроводные среды, такие как деминерализованная вода или углеводороды. Неорганические вещества от расплавленной серы до хлора и органические соединения, такие как сжиженные газы, также не представляют сложности для UFM 3030.
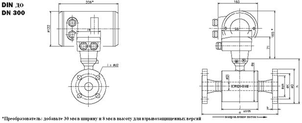
3.3 Конструкция ультразвукового расходомера UFM 3030
Расходомер UFM 3030 в разнесенном или в компактном исполнении состоит из ультразвукового первичного преобразователя UFS 3000 в комбинации с электронным конвертором UFC 030. Конвертор имеет локальный дисплей с подсветкой и тремя кнопками. Все параметры конфигурации можно вводить либо при помощи этих кнопок, либо используя ручной стрежневой магнит и магнитные датчики Холла на передней панели, при этом корпус конвертора открывать не нужно. Также прибор можно отконфигурировать по коммуникационному протоколу HART® (протокол – встроенный по умолчанию). Конвертор компактного исполнения (UFC 030 K) устанавливается непосредственно на первичном преобразователе (датчике) расхода, а конвертор для разнесенного исполнения (UFC 030 F) имеет специальную крепежную скобу для монтажа на стенке или трубопроводе.
Компактное исполнение UFM 3030 K:

Конвертор UFC 030 K установлен непосредственно на корпусе ультразвукового первичного преобразователя UFS 3000.
Применение: UFM 3030 K – EEx / FM / CSA (взрывоопасные зоны).
Разнесенное исполнение UFM 3030 F:

Конвертор UFC 030 F установлен отдельно (разнесен) от ультразвукового датчика UFS 3000.
Применение: UFM 3030 F – EEx / FM / CSA (взрывоопасные зоны).
Структура первичного преобразователя UFS 3000.


3.4 Принцип работы выбранного расходомера
Принцип действия UFM 3030 и всех других ультразвуковых расходомеров фирмы KROHNE основан на разнице времени прохождения сигнала. При помощи трех пар запатентованных ультразвуковых датчиков измеряется время прохождения акустических сигналов, которые движутся по направлению потока и против него. Разница во времени прохождения пропорциональна средней скорости потока и преобразуется в выходной сигнал объемного и суммарного расхода. Измерительные лучи расходомера UFM 3030 образуют трехмерный профиль распределения скоростей движения среды или профиль потока среды, которая проходит по измерительной трубе, благодаря третьему измерительному лучу. Эти линии измерения располагаются таким образом, чтобы максимально снизить воздействие режима потока (ламинарного или турбулентного). В комбинации с использованием новейших технологий цифровой обработки сигнала это дает стабильные и надежные измерения расхода.

Третий измерительный луч позволяет UFM 3030 учитывать условия измерения как в ламинарном, так и в турбулентном режиме потока.
3.5 Технические характеристики ультразвукового расходомера UFM 3030
3.5.1 Ультразвуковой электронный конвертор UFC 030
| Функция | Значение |
| Токовый выход | |
| Значение токового сигнала | для Q = 0%; 0 для Q=100%; 4 программируется с шагом 1мА (ограничено 20 |
| Электрические соединения | Активный режим: используется встроенный источник питания 24 В DC; Источник тока, нагрузка ≤ 680 Ом; Пассивный режим: внешнее напряжение ≤ 18 . 24 В DC, нагрузка ≤ 680 Ом. |
| Импульсный выход | |
| Параметры выходных сигналов | Импульс на единицу измеряемой величины (макс. 2000 Гц) (например, 1000 импульсов/м3). Скважность импульса 25, 50, 100, 200 или 500 миллисекунд для частоты < 10 Гц. |
| Электрические соединения | В активном режиме подключение к электронным счетчикам осуществляется через встроенный источник питания 24 В DC / I ≤ 50 мА; В пассивном режиме подключение к электронным (EC) или электромагнитным счетчика (ЭМС) осуществляется через внешний источник питания ≤ 19 - 32 В DC / I ≤ 150 мА. |
| Частотный выход | |
| Параметры выходных сигналов | От 0 до 2 000 Гц (например, Q0% - 0 Гц, Q100% - 1000 Гц) при 100% от значения шкалы; Fмакс - 2 кГц |
| Электрические соединения | В активном режиме подключение к электронным счетчикам осуществляется через встроенный источник питания 24 В DC / I ≤ 50 мА; В пассивном режиме подключение к электронным (EC) или электромагнитным счетчика (ЭМС) осуществляется через внешний источник питания ≤ 19 - 32 В DC / I≤ 150 мА. |
| Выход состояния | |
| Параметры выходных сигналов | Включен или выключен; Низкий уровень: Uвых < 5 В (выключен); Высокий уровень: Uвых > 15 В (включен); Максимальное значение Uвых = 24 В DC. |
| Электрические соединения | В активном режиме подключение к электронным счетчикам осуществляется через встроенный источник питания 24 В DC / I ≤ 50 мА; В пассивном режиме подключение к электронным (EC) или электромагнитным счетчика (ЭМС) осуществляется через внешний источник питания ≤ 19 - 32 В DC / I ≤ 150 мА. |
| Аналоговые входы | |
| Параметры входных сигналов | |
| Вход 1 | Единица измерения: градусы Цельсия или Фаренгейта; Температура для 4 мА: от -50°C до 150°C (от -58°F до 302°F); Температура для 20 мА: от -50°C до 150°C (от -58°F до 302°F). |
| Вход 2 | Единица измерения: бар или psi; Давление для 4 мА: от 0 до 100 бар (от 0 до 1450 psi); Давление для 20 мА: от 0 до 100 бар (от 0 до 1450 psi). |
| Электрические соединения | |
| Вход 1 | 4 Нагрузка 58 Ом; Активный (если использовать источник питания UFC 030 24 В DC) или пассивный. |
| Вход 2 | 4 Нагрузка 58 Ом; Активный (если использовать источник питания UFC 030 24 В DC) или пассивный. |
| Управляющие входы | |
| Значения сигналов | Включено или выключено. |
| Электрические соединения | Низкий уровень: Uвх < 5 В (выключено); Высокий уровень: Uвх > 15 В (включено); Максимальное значение Uвх: Uвх-макс = 32 В. |
| Сигнальный кабель | |
| Стандартное исполнение | Только для разнесенного исполнения, тип MR06, O.D. = 11 мм (0.43 дюйма) 5 м (15 футов). |
| Опционально | 10 м (30 фт), 15 м (45 фт), 20 м (65 фт), 25 м (80 фт), 30 м (100 фт). > 30 м (> 100 футов) под заказ. |
| Электрическое присоединение | |
![]() |
|
3.5.2 Ультразвуковой первичный преобразователь UFS 3000
| Фланцевые соединения | ||
| Диаметр | Класс фланца / Номинальное давление | Максимальное давление |
| Для фланцев по DIN 2501 | ||
DN 25 - 80 DN 100 - 150 DN 200 - 2000 DN 1200 - 2000 DN 2200 - 3000 |
PN 40 PN 16 PN 10 PN 6 PN 2,5 |
40 бар 16 бар 10 бар 6 бар 2,5 бар |
| Для фланцев по ANSI B 16,5 | ||
1" - 24" 26" - 40" |
ANSI - Класс 150 фунтов / RF MSS-SP44 - Класс 150 фунтов/ RF |
19,7 бар при 20°C 19,7 бар при 20°C |
| Для фланцев по AWWA | ||
| 24" - 120" | ANSI - Класс 150 фунтов / RF | 6 бар при 20°C |
| Применяемые материалы | ||
| Измерительная труба (с полиуретановым покрытием) | DN 25 - 300 / 1" - 12" SS 316 L (по сравнению с нержавеющей сталью 1.4404 и 1.4435); DN 350 - 3000 / 14" - 120" углеродистая сталь. |
|
| Внешняя оболочка датчика | ≤ DN 65 / 21/2” SS 316 L; ≥ DN 80 / 3” углеродистая сталь; ≥ DN 350 / 14” отдельный корпус для каждого датчика из нержавеющей стали SS 316 L. |
|
| Сенсор / окна сенсора | SS 316 L | |
| Фланцы (наружное полиуретановое покрытие) | < DN 65 / 2.5” SS 316 L; > DN 80 / 3” углеродистая сталь. |
|
| Клеммная коробка (полиуретановое покрытие) | Литой алюминиевый корпус | |
3.5.3 Ультразвуковой расходомер UFS 3030
| Функция (параметр) | Значение |
| Измеряемые параметры | Реальный объем с простой одностадийной функцией дозирования Откорректированный расход или объемный расход, приведенный к нормальным условиям в соответствии с API 2540 или требованиями заказчика Массовый расход в единицах измерения заказчика (необходимы дополнительные сведения) |
| Рабочие условия | Жидкости с максимальным содержанием твердых частиц <5% (по объему) или максимальным содержанием газа <2% (по объему). |
| Коммуникационные протоколы | HART® PROFIBUS PA |
| Диапазон измерения | UFM 3030 измеряет в пределах широкого диапазона скоростей потока: V= от 0 до 20 м/сек |
| Точность измерения (при нормальных условиях) | |
| Погрешность измерения (V- скорость потока) | При V = от 0,5 до 20 м/сек < ± 0.5% от измеренного значения; При V < 0.5 м/сек < ± 2.5 мм/сек от измеренного значения. |
| Повторяемость измерения | ± 0,2% от измеряемого значения. |
| Влияние температуры | < ± 0,1% на 10°C (18°F). |
| Сертификаты на применение во взрывоопасных зонах | ATEX IEC 529-EN 60 529, EEx de ib IIC Tb … Ts; FM Класс I, Div. 1 и 2, Группы A, B, C и D; Класс II, Div. 1, Группы E, F и G; Div. 2, Группы F и G; Класс III, Div. 1 и 2; CSA Класс I, Div. 1 и 2, Группы A, B, C и D; Класс II, Div. 1 и 2, Группы E, F и G; Класс III, Div. 1 и 2. |
| Предельные температуры | |
| Компактное исполнение | |
| Температура рабочей среды | от 25°C до +140°C (от -13°F до +284°F). |
| Температура окружающей среды | от 40°C до +65°C (от -40°F до 149°F). |
| Разнесенное исполнение | |
| Температура рабочей среды | от -25°C до +180 °C (от -13°F до +356°F). |
| Температура окружающей среды | от -40°C до +65°C (от -40°F до 149°F). |
| Опционально расширенный диапазон температур рабочей среды | от 25°C до 220°C (от 13°F до +428°F) до размера DN150. |
| Специальные исполнения | Для рабочих сред с номинальными температурами в пределах от -170°C до + 500°C (от -274°F до +932°F) по запросу доступны высокотемпературное исполнение и исполнение для высокого давления. |
| Категория защиты в соответствии с IEC 529 (EN 60 529) | |
| Стандартное (разнесенное или компактное исполнение) | IP 67 (приравнивается к NEMA 6 и 6P). |
| Опционально для разнесенного исполнения | IP 65 (приравнивается к NEMA 4 и 4X) или IP 68 (приравнивается к EMA 6 и 6P). |
| Диапазон измерения расхода | от 1 до 40 000 м³/ч. |
| Диапазон диаметров трубопровода | от 25 до 3000 мм |
3.6 Электрические схемы подключения расходомера

3.7 Монтажные схемы подключения расходомера
Полное заполнение датчика расхода продуктом.
Ультразвуковой датчик расхода UFS 3000 устанавливается на таком участке трубопровода, где при любых условиях обеспечивается его полное заполнение продуктом, в том числе и при нулевой скорости потока.

Горизонтальное расположение трубопроводов.
Ультразвуковой датчик расхода устанавливается таким образом, чтобы акустические лучи располагались в горизонтальной плоскости.

Насосы и регулирующие клапана.
UFM 3030 устанавливается на выходе насосов и на входе регулирующих клапанов (для избежания возникновения кавитации и завихрений потока, вызванных работой клапана).

Оптимальные условия.
Чтобы получить заявленную точность измерения расхода при любых условиях необходимо обеспечить прямой участок на входе прибора, равный 10D, и прямой участок трубопровода на выходе прибора равный 5D, где D - диаметр датчика. Отклонение от этих величин в любую сторону может отрицательно сказаться на точности измерений расхода, но не влияет на его повторяемость или работу в целом. На длинных горизонтальных участках трубопроводов, где возможно образование так называемых воздушных карманов в полости ультразвукового датчика, рекомендуется устанавливать расходомер на восходящем под небольшим углом участке трубопровода.

Смешение реагентов
UFM 3030 необходимо устанавливать либо на входе смесителя химреагентов, либо на достаточно большом расстоянии от его выхода, где уже получен гомогенный продукт – на расстоянии не менее 30D (где D – номинальный диаметр трубопровода), в противном случае измерение может быть неустойчивым.
Вывод
Выбранный мной ультразвуковой расходомер UFM 3030 имеет очень широкий диапазон применения. Данный расходомер снабжен тремя измерительными лучами, высокоточной электроникой и инновационными технологиями цифровой обработки сигнала, что обеспечивает надежные и стабильные результаты измерения даже в сложных рабочих условиях. Прибор не требует специальной настройки, т.к. переходные процессы не влияют на его показания.
Расходомер UFM 3030 является компактным прибором, который легко монтируется и прост в эксплуатации. Его можно устанавливать в труднодоступных местах, так как нет необходимости в использовании фильтров, выпрямителей потока, опор, изоляции от вибраций.
Как и любой представитель ультразвуковых расходомеров, данный прибор не имеет подвижных и выступающих частей, на нём нет дополнительных потерь давления, износа и завихрений.
Расходомер UFM 3030 не относится к классу дешёвых приборов, но среди современных ультразвуковых расходомеров его стоимость сравнительно невысокая. При этом следует учитывать то, что общие расходы, связанные с монтажом UFM 3030, значительно ниже по сравнению с аналогичными затратами на монтаж массовых или вихревых расходомеров.
К тому же данный расходомер является универсальным с точки зрения выбора типа измеряемой среды (в частотности для нефтегазовой промышленности: всё от тяжелой сырой нефти до сжиженных газов, и даже битум). Поэтому срок окупаемости прибора рекордно короткий.
Учитывая всё выше сказанное, можно утверждать, что ультразвуковой расходомер UFM 3030 имеет отличные технические и метрологические показатели, высокую степень надёжности, и превосходное сочетание цена-качество, т.е. он хорошо подходит для использования в нефтегазовой промышленности.
Заключение
Существует большое количество средств для измерения расхода сжиженных газов при различных условиях. Они всё время модернизируются с целью повышения метрологических и технических характеристик.
Но среди всех методов измерения расхода особо выделяются акустические, в частности ультразвуковые.
К достоинствам ультразвуковых расходомеров принято относить: высшую точность измерения в широком интервале расходов; сверхвысокое быстродействие (десятки миллисекунд), и возможность измерения пульсирующих расходов; высокие показатели надежности (из-за отсутствия подвижных узлов); отсутствие депрессирующих элементов и вызванных ими потерь давления; принципиальную возможность измерения массового расхода и сохранение работоспособности при изменении направления потока; возможность измерения большого класса сред от жидких металлов до криогенных жидкостей и газов.
Выделяют несколько ультразвуковых методов измерения расхода, которые по-разному реализуют достоинства ультразвуковых расходомеров. Поэтому современные ультразвуковые расходомеры совмещают в себе все преимущества каждого метода, и идеально подходят под высокие требования современного производства.
Список литературы
1. Кулаков М.В. "Технологические измерения и приборы для химических производств", М.:Машиностроение.-1983.
2. Справочное пособие "Приборы измерения расхода, давления, уровня", АГТУ,1999.
3. Конспект лекций по дисциплине "Измерительные преобразователи", доц. Лунеев Д.Е.
4. WWW.KROHNE.RU
5. WWW.TEK-KNOW.RU
6. WWW.PANATEST.RU
7. WWW.OILPAGES.RU
8. WWW.TECHOGRAD.COM
