| Скачать .docx |
Реферат: Основные понятия и элементы линейных пассивных электрических цепей
Введение
В настоящее время специальные электротехнические дисциплины ставят перед курсом ТОЭ задачи расчёта и исследования процессов, характеризуемых токами, напряжениями, мощностями, магнитными потоками и т.д., а также задачи расчёта и исследования явлений, которые характеризуются напряжённостью электрического и индукцией магнитного полей, потоком мощности и т.д.
Развитие электротехники потребовало больших работ в области изучения и разработки электромагнитных явлений и их практического применения.
Во всех современных электротехнических устройствах, предназначенных для различных технических цепей, происходят те или иные энергетические преобразования.
Широкое развитие получили общие вопросы теории электрических цепей, имеющие большое значение почти для всех прикладных отраслей электротехники.
В практической деятельности инженера основная трудность часто возникает на стадии составления математической модели для исследуемой электротехнической установки, поскольку одна и та же установка может иметь разные математические описания в зависимости от задачи исследования.
Существенно подчеркнуть, что теория электромагнитного поля оперирует с дифференциальными понятиями (уравнениями), которыми являются напряжённость электрического и магнитного полей, индукция магнитного поля, плотность тока, плотность энергии и т.д. Эти величины относятся к отдельным точкам среды или конструктивным деталям; они могут быть как постоянными, так и переменными. Для их исследования часто пользуются картиной электромагнитного поля. Наряду с этим значительной число электротехнических задач решается при помощи интегральных понятий, к которым относятся ток, напряжение, ЭДС, магнитный поток, мощность, энергия, сопротивление, ёмкость, индуктивность. При этом следует иметь в виду, что интегральные величины являются не менее обоснованными и показательными, чем дифференциальные. Так, они легче контролируются в конкретных установках, их применение значительно упрощает экспериментальные проверки. В качестве основы математического описания цепей применяются законы Ома и Кирхгофа.
Если в теории электрических цепей используется система алгебраических уравнений (при рассмотрении установившихся процессов) или дифференциальных (при рассмотрении переходных режимов), то в теории электромагнитного поля – дифференциальные уравнения в частных производных.
Электрической цепью называют совокупность устройств и объектов, предназначенных для распределения, взаимного преобразования и передачи электрической энергии и информации.
Электромагнитные процессы в цепи и её параметры могут быть описаны с помощью известных из курса физики интегральных понятий: ток, напряжение, заряд, магнитный поток, ЭДС, сопротивление, индуктивность, взаимная индуктивность.
В отличие от электрической цепи электромагнитные процессы в ряде электротехнических устройств характеризуются дифференциальными понятиями: вектор напряжённости электрического поля и вектор электрического смещения, вектор напряжённости магнитного поля и вектор магнитной индукции, плотность заряда и вектор плотности тока, удельная проводимость. Анализ устройств, процессы в которых описываются с помощью дифференциальных понятий, рассматривают в теории электромагнитного поля.
Электрическая цепь состоит из отдельных частей (объектов), выполняющих определённые функции и называемых элементами цепи.
Основными элементами цепи являются источники и приёмники электрической энергии (сигналов).
По назначения различают цепи для передачи и преобразования электрической энергии и цепи для передачи и преобразования информации.![]()
Основные понятия и элементы линейных пассивных электрических цепей
Электрический ток и напряжение - основные величины, характеризующие состояние электрических цепей.
Электрический ток в проводнике есть упорядоченное перемещение электрических зарядов. Ток оценивают интенсивностью или силой тока, измеряемой скоростью изменения заряда во времени:

Задавая ток, необходимо указать закон его изменения во времени и положительное направление. Прохождение электрического тока по цепи связано с потреблением энергии.
Напряжением называют количество энергии, затрачиваемой на перемещение единицы заряда из одной точки в другую:

Перед расчётом необходимо указать положительные направления напряжений.
Источник ЭДС – элемент с двумя выводами, электродвижущая сила которого, изменяясь заданным образом во времени, не зависит от величины тока отдаваемого во внешнюю электрическую цепь.

Источник тока – элемент цепи, по выводам которого протекает ток с заданным законом изменения во времени и не зависящим от напряжения между выводами.

Активное сопротивление – идеализированный элемент, в котором происходит лишь необратимое преобразование электромагнитной энергии в тепло или другие виды энергии.



Индуктивный элемент – идеализированный элемент, в котором лишь запасается магнитная энергия за счёт протекающего по элементу тока.


Мера индуктивного элемента – индуктивность
, где
- потокосцепление [Вб]
По закону электромагнитной индукции


- вебер-амперная характеристика
, где
- вектор магнитной индукции
S – сечение сердечника
В однородной среде
, где
- вектор напряжённости магнитного поля;
- магнитная постоянная
По закону полного тока
, где
l – замкнутый путь интегрирования

Если внутренний и внешний диаметры сердечника превышают размеры поперечного сечения S, то поток Φ можно считать равномерным.


Емкостной элемент – идеализированный элемент, в котором происходит только запасание электрической энергии, зависящей от приложенного напряжения.


В теории линейных электрических цепей R, L,C принимаются константами, т.е. величинами, не зависящими от тока или напряжения. Это допущение выполняется, очевидно, приближённо.
О схемах замещения
Введённые элементы пассивных цепей являются идеализированными элементами или математическими моделями. Комбинируя их, можно составить схему замещения, отражающую поведение любого реального устройства по отношению ко внешним его выводам. Составление таких схем, в общем случае, дело трудное, требующее знания процессов и режимов работы устройств, учёта целей и точности расчётов. В качестве примера представлены три схемы замещения:

Неравномерность распределения тока по сечению проводника и возрастание вследствие этого ???? потерь происходит также под влиянием тока, проходящего по соседнему проводнику (эффект близости). С повышением частоты ток распределяется по сечению неравномерно, ток вытесняется к поверхности проводника, так называемый поверхностный эффект . Кроме того, переменное магнитное поле наводит в окружающий проводник проводящей среде вихревые токи.
В катушке индуктивности при изменяющемся с высокой частотой магнитном поле будет возникать не только переменная ЭДС самоиндукции, но и переменные токи смещения , обусловленные изменением напряжённости электрического поля.
В конденсаторе при переменном напряжении возникает переменное магнитное поле. Эффект, вызываемый магнитным полем, может быть учтён в электрической схеме замещения с помощью некоторой индуктивности, включённой последовательно с конденсатором. В диэлектрике вследствие некоторой проводимости возникают тепловые потери, которые возрастают с частотой. Эти потери на нагрев учитываются с помощью R.

Законы электрических цепей.
Дифференциальные уравнения, описывающие процессы в цепях с сосредоточенными параметрами.
При работе электрических цепей используются два закона Кирхгофа. Рассмотрим их в применении к цепи с сосредоточенными параметрами.
Первый закон Кирхгофа применяется к узлам электрической цепи. Он вытекает из принципа непрерывности электрического тока. Охватим узел цепи замкнутой поверхностью S (рис.)
В соответствии с принятыми допущениями вся электрическая ёмкость в цепи с сосредоточенными параметрами предполагается сосредоточенной в конденсаторах, включённых в цепь. Это соответствует пренебрежению токами электрического смещения, отходящими от соединительных проводов к другим участкам цепи. Таким образом, через замкнутую поверхность S проходят только токи проводимости в проводниках, пересекающих эту поверхность.
Согласно принципу непрерывности тока в данном случае получим:

- сумма токов всех родов проводимости, смещения сквозь любую замкнутую поверхность равна нулю.
-плотность тока
При любом числе ветвей имеем:
, т.е. алгебраическая сумма токов, расходящихся от узла электрической цепи, равна нулю.
При составлении уравнений согласно І закону Кирхгофа необходимо задаться условными положительными направлениями токов во всех ветвях, обозначив их на схеме стрелками. От узла, как правило, принимаем за положительное направление для токов, а знак «минус» приписываем токам, которые входят в узел. Для случая на рис. перед всеми токами в уравнении следует поставить знак «плюс».
: -i1
+ i2
+ i3
= 0
Если в результате расчёта будет получено для некоторого тока в некоторый момент времени положительное число ( ik > 0) , то это значит, что ток имеет в данный момент времени действительное направление согласно стрелок. Если же будет получено ik < 0, то этот ток в действительности направлен против стрелки.
Второй закон Кирхгофа применяется к контурам электрической цепи. Он вытекает из соотношения:
![]()
ЭДС, действующая вдоль некоторого пути, равна линейному интегралу вдоль этого пути напряжённости стороннего электрического поля, а также электрического поля, индуктированного изменяющимся магнитным полем.
Электрическое напряжение или падение напряжения связано с результирующим электрическим полем.
Электрическое напряжение вдоль некоторого пути от (·) А до (·) В равно линейному интегралу напряжённости результирующего электрического поля (электростатического, стороннего, индуктированного) вдоль этого пути.
Величина
равна сумме ЭДС.
источников сторонних ЭДС, действующих в контуре.
Величина
включает в себя все индуктированные в контуре ЭДС, т.е. как ЭДС операторов, действующих на принципе электромагнитной индукции, так и ЭДС взаимной индукции и самоиндукции, индуктируемых в катушках, включённых в контур. Обозначив сумму ЭДС источников энергии, действующих во всех параллельных ветвях контура в виде:

Будем иметь:

Итак, ІІ закон Кирхгофа гласит: сумма падений напряжений во всех ветвях любого замкнутого контура электрической цепи равна сумме ЭДС электрической энергии, действующих в этом контуре.
Если в k -той ветви содержится в общем случае участок с активным сопротивлением Rk , катушка индуктивности Lk и конденсатор с ёмкостью Ck , то падение напряжения вдоль всей этой ветви будет складываться из падений напряжений URk , UCk , ULk на этих элементах, т.е.

При составлении уравнений по ІІ закону Кирхгофа должны быть заданы положительные направления токов ik иЭДС ek источников энергии во всех ветвях. Положительные направления падений напряжений uk считаем совпадающими с положительными направлениями токов ik
Воздействия в электрических цепях
Классификация воздействий в электрических цепях
Воздействиями в электротехнике называют различные проявления электромагнитных сил, приводящие к изменению состояния электрической цепи. Под влиянием воздействий в электрической цепи возникают реакции, которые определяются как видом воздействия, так и характеристиками самой цепи. При этом основными величинами, характеризующими состояние электрической цепи, являются электрические напряжение и ток.
Все воздействия в электрических цепях можно разделить по их назначению на регулярные, или детерминированные, и нерегулярные, или случайные.
Детерминированными называют воздействия, заданные в виде некоторой определённой функции времени. Такие воздействия обычно используются для передачи энергии или при измерениях. Детерминированные воздействия можно разделить на периодические и непериодические.
Периодическими называют воздействия, для которых существует отрезок времени Т , отвечающий условию периодичности х( t) = x( t + nT) , где n = ± 1, ± 2…
К периодическим воздействиям относятся гармонические колебания и периодические последовательности импульсов различной формы.
Если воздействия не отвечают условию гармоничности, то они называются непериодическими.
К непериодическим воздействиям относят одиночные импульсы или группы импульсов различной формы.
Случайными называют воздействия, являющиеся произвольными функциями времени. К случайным воздействиям относятся различные виды помех от действия источников внутренних шумов в электронных приборах, резисторах и других элементах электрических цепей.
Гармонические воздействия являются основным видом возмущений и реакций в энергетических сетях и системах.
Генерирование гармонических напряжений и токов в диапазоне частот 10 – 103 Гц обычно производится электромеханическими генераторами, а более высоких частот – с помощью электронных устройств.
К гармоническим воздействиям относят синусоидальные и косинусоидальные функции, аргументом которых является время или угол ![]()

Значение напряжения, тока, ЭДС в любой момент времени называют мгновенным.
T = 2π – период
f = 1/ T – частота ЭДС, напряжения, тока (Гц)
Um – амплитуда (максимальное значение)
ω = 2π f – скорость изменения аргумента, называемая угловой частотой (рад/сек, 1 рад = 57,3о )
Ψ – начальная фаза, определяемая величиной смещения гармонической функции относительно начала координат.
За аргумент функций
может быть принято время (t) или угол (ωt). ωt + Ψ – называется начальной фазой (углом).
Ток определён, если известна его зависимость от времени i = f( t) и указано положительное направление тока.
За один период переменного тока в проводнике с сопротивлением R выделяется тепловая энергия

Отсюда следует, что действующий ток численно равен такому постоянному току, при котором за один период в проводнике с тем же сопротивлением выделяется такое же количество тепла, что и при переменном.
Закон Ома (в обобщённой форме )
Закон Ома применяется для расчёта токов и напряжений в отдельных ветвях цепи или для одноконтурной замкнутой цепи, не имеющей разветвлений.
При написании закона Ома следует прежде всего выбрать произвольно некоторое положительное направление тока.
Для ветви, состоящей только из сопротивлений и не содержащей ЭДС (см. рис.1 для ветви ba), при положительном направлении тока от (·) b к (·) a имеем:
, где
φ b , φa – потенциалы точек (узлов a,b);
Uba – разность потенциалов между точками bи a;
Rba - ??? сопротивление цепи, Rba = R1 + R2

Рис.1
Для ветви, состоящей из сопротивлений и ЭДС (ветвь acb), рис.1 ток:
, где
Uab – напряжение на концах ветви acb, отсчитываемое по выбранному положительному направлению тока;
ΣE – алгебраическая сумма ЭДС, находящаяся в этой ветви
Применение законов Кирхгофа
1. Устанавливается условно положительное направление тока.
2. Выбираются независимые контуры ( контур, содержащий хотя бы один новый элемент).
3. Составляются уравнения по I закону Кирхгофа. Их число равно:
(1)
где Ny – число узлов;
Nн – число источников напряжений, если они расположены между узлами, не имеющими сопротивлений.
4. Составляется уравнение по II закону Кирхгофа:
(2)
где NB – число ветвей, Ny – число узлов;
NT – число источников тока, если они расположены между узлами, не имеющими проводимостей.
При составлении уравнений по IIзакону Кирхгофа следует выбирать независимые контуры, т.е. не содержащие источников тока.
Выбирается направление обхода контуров (произвольно).
При записи левой части равенства ЭДС, направления которых совпадают с выбранными направлениями обхода (независимо от направления тока, протекающего через них), принимаются положительными, а ЭДС, направленные против выбранного обхода, - отрицательными.
При записи правой части равенства со знаком «плюс» берутся падения напряжения в тех ветвях, в которых выбранное положительное направление тока совпадает с направлением обхода (независимо от направления ЭДС в этих ветвях), и со знаком «минус», падения напряжения в тех ветвях, в которых положительное направление тока противоположно направлению обхода.

Решение :
К I = Ny – 1 – Nн = 4 – 1 – 0 = 3
Выбираем (·)a, (·)b, (·)c.
( ·) a: I3 – I1 = 0
( · )b: I4 – I2 – I3 = 0
( · )c: I6 + I1 – I4 = 0
KII = NB – (Ny – 1) – NT = 6 – (4 – 1) – 0 = 3
R3 I3 + R1 I1 + R4 I4 = E1 (I)
R1 I1 – R5 I5 – R6 I6 = E1 (II)
R2 I2 + R6 I6 + R4 I4 (III)
Вторым законом Кирхгофа можно пользоваться для определения напряжения между двумя произвольными точками схемы. В этом случае необходимо ввести в левую часть уравнений исходное напряжение вдоль пути, как бы дополняющего незамкнутый контур до замкнутого. Например, для определения напряжения Umn можно написать уравнение для контура mncb или nmbc:
Umn + I4 R4 + I3 R3 = E1 или - I3 R3 – Umn – I4 R4 = - E1
откуда легко можно найти искомое напряжение (необходимо при рассмотрении метода узловых потенциалов)
Анализ линейных электрических цепей при гармонических воздействиях.
Гармоническое возмущение – ток, напряжение или ЭДС, меняющиеся по гармоническому закону, записываются:
i(t) = Im sin( ω t + Ψi );
u(t) = Um sin( ω t + Ψu );
e(t) = Em sin( ω t + Ψe ).
Im, Um, Em – амплитуды;
( ω t + Ψ) – фазы;
Ψ – начальные фазы этих величин.
Их действующие значения равны: 
Амперметры и вольтметры, предназначенные для измерения тока, напряжения и ЭДС, меняющихся по гармоническому закону, градуированы в действующих значениях измеряемых величин.
Мы будем изучать методы анализа установившихся режимов линейных электрических цепей, составленных активными сопротивлениями, индуктивностями и ёмкостями при гармонических воздействиях. Сложность расчёта таких цепей обусловлена тем обстоятельством, что напряжения на индуктивностях и ёмкостях сдвинуты по фазе относительно токов через них протекающих.
Прежде всего, рассмотрим основные соотношения в линейных пассивных элементах цепи при гармоническом воздействии.
Активное сопротивление.
u = Um
sin
ω
t



Индуктивный элемент.
i = Im
sin
ω
t

![]()

Емкостной элемент.
u = Um
sin
ω
t


Анализ последовательной цепи переменного тока
Мы показали, что при заданном токе напряжения пассивных элементов будут следующими:






Все рассмотренные элементы объединим в последовательную цепь; ток в ней известен. Определим параметры мгновенного значения ЭДС.
![]()
Неизвестная ЭДС также будет иметь вид гармонической функции.
![]()
-
Данное выражение представляет собой уравнение для электрической цепи, записанное по II закону Кирхгофа (для установившегося режима).
Полагая, в частности, ω t = π/2 и ω t = 0, получим RIm = Um cos φ; (ω L – 1/ω C) Im = Um sinφ.
Возведя первое и второе равенства в квадрат и сложив, получим:
[R 2 + ( ωL – 1/ ωC ) ]Im 2 = Um 2
Откуда находим связь между амплитудами тока и напряжения:




![]()
Если в той же последовательной цепи заданной будет ЭДС: e = Em sinωt , то i = Im sin(ω t– φ).

Полученные соотношения можно использовать для расчёта мгновенных значений напряжения и тока в последовательной цепи, питаемой от источника гармонической ЭДС.
Рассмотрим несколько примеров.
Задана ЭДС.
Необходимо определить i( t), uR ( t), uL ( t), uC ( t)

Задано uC
(t)

Анализ параллельной цепи переменного тока
При заданном гармоническом напряжении, ток в каждом элементе электрической цепи будет следующим:

![]()
![]()



Объединим эти элементы в параллельную цепь и зададим ЭДС источника. Неизвестный ток этого источника найдём в виде i = Im sin ( ωt – φ)





Y
– полная проводимость электрической цепи;
g – активная проводимость;
bL – bC – реактивная проводимость.
Напряжения, сопротивления и проводимости R , L , C при синусоидальном токе i = Im sinωt
| R | L | C |
|
|
|
Таблица. Описание элементов R, L, C в комплексной форме.
|
|
|
|
Основные формулы для расчёта цепей с последовательным и параллельным соединением элементов R, L, C
| Последовательное соединение | Параллельное соединение |
![]() |
![]() |
Цель работы – исследование электрической цепи с последовательным соединением элементов R, L, C при различных соотношениях индуктивного и емкостного сопротивлений.
Общие сведения
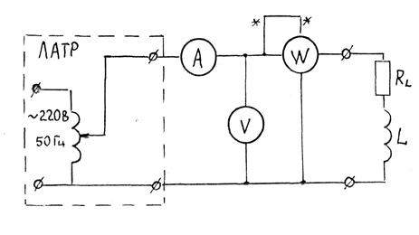
В работе сначала определяются параметры катушки методом амперметра, вольтметра и ваттметра при питании напряжения частоты f1 = 50 Гц.
Схема для определения параметров катушки показана на рис. 1

Рис. 1
По изменённым значениям тока IK , напряжения UK и мощности PK можно определить полное, активное и индуктивное сопротивления катушки по формулам
,
,
, (1)
а также индуктивность и сдвиг по фазе между напряжением и током
;
(2)
- угловая частота.
При последовательном соединении элементов R, L, C полное сопротивление цепи определяется выражением
(3)
где R – активное сопротивление цепи;
x – реактивное сопротивление цепи.
Реактивное сопротивление цепи при этом определяется выражением
(4)
где xL = ωL – индуктивное сопротивление цепи;
xC = 1/ ωC – емкостное сопротивление цепи.
Действующее значение тока в цепи определяется выражением
(5)
где U – действующее значение напряжения на зажимах цепи.
При последовательном соединении R, L иC при определённых значениях xL иxC имеет место явление, называемое резонансом напряжения.
Резонансом напряжений называется такое состояние электрической цепи при последовательном соединении элементов R, L, C (рис. 2), когда сдвиг по фазе между напряжением на зажимах цепи и током в ней равен нулю, при этом xL = xC [1,2].

Напряжение на активном сопротивлении совпадает по фазе с током и равно
(6)
Напряжение на емкости отстаёт от тока по фазе на 900
(7)
Напряжение на индуктивности опережает ток на 900
(8)
Средняя мощность, расходуемая в цепи, определяется по формуле
(9)
Сдвиг фаз между напряжением на зажимах цепи и током в ней определяется выражениями:
;
;
(10)
При резонансе cosφ = 1 , а ток в цепи достигает максимального значения.
Если катушка индуктивности L имеет собственное сопротивление RL , то падение напряжения на ней равно
(11)
При этом полное активное сопротивление цепи будет равно сумме внешнего сопротивления R1 и собственного сопротивления катушки RL
![]()
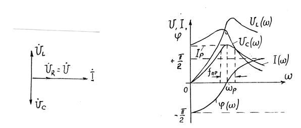
Векторная диаграмма напряжений и тока в цепи при индуктивном характере нагрузок показана на рис. 3.
При резонансе φ = 0
, и, следовательно, xL
=
xC
. При постоянных L
иC
это равенство имеет место на резонансной частоте
или
(12)
Резонансное значение тока в цепи
(13)
Рис. 3
Напряжение на активном сопротивлении R при резонансе равно напряжению источника питания.
(14)
Напряжение на емкости и на индуктивности при резонансе равны между собой
(15)
где
- добротность контура;
- волновое или характеристическое сопротивление контура.
Средняя мощность при резонансе
(16)
Векторная диаграмма напряжений и токов при резонансе напряжений показана на рис. 4. Настроить цепь в резонансе с частотой источника питания можно также изменением индуктивности на ёмкости. Графики изменений тока в цепи, сдвига фаз и напряжений на элементах схемы при изменении частоты источника питания называются амплитудно-частотной (АЧХ) и фазо-частотной (ФЧХ) характеристиками контура и показаны на рис. 5.
Рис. 4 Рис. 5
Частотные характеристики могут быть построены по уравнениям (3) ÷ (12). Из выражения (5) следует
(17)
Максимумы UL
иUC
достигаются при частотах, отличных от резонансной частоты ωР
.
UL
max
наступает при частоте
, а UC
max
–
при частоте ![]()
Частотная характеристика тока позволяет экспериментально определить добротность контура.
Если определить полосу частот
, пропускаемых контуром на уровне
, то добротность контура может быть найдена из выражения
(18)
На границах полосы пропускания сдвиг фаз между напряжением на зажимах цепи и током в ней составляет φ = ± 450 .
Содержание работы
1. Определение параметров катушки индуктивности методом амперметра, вольтметра и ваттметра при питании напряжением частоты 50 Гц.
2. Исследование электрической цепи с последовательным соединением резистора, катушки индуктивности и конденсатора при различных соотношениях индуктивного и емкостного сопротивлений.
Описание лабораторной установки
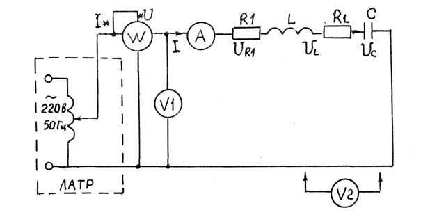
Схема экспериментальной установки для исследования электрической цепи с последовательным соединением элементов R, L, C представлена на рис. 6.

Рис. 6
В её состав входят ЛАТР (лабораторный автотрансформатор), на выходных клеммах которого устанавливается напряжение U = 40 В.
Вольтметр V1 предназначен для измерения действующего значения напряжения, прикладываемого к электрической цепи; соответственно измеряет действующие значения напряжения на элементах R, L, C.
Амперметр А
измеряет действующее значение тока в цепи. В качестве R1
используется реостат (R
реост
= 30 Ом, 5 А), емкости С
– магазин емкостей
(С
= 1 мкФ ÷ 20 мкФ), индуктивности L
– катушка индуктивности (с параметрами L
и RL
, определяемыми экспериментально).
Цель работы – исследование электрической цепи с параллельным соединением элементов R, L, C при различных соотношениях индуктивного и емкостного сопротивлений.
Общие сведения
При параллельном соединении элементов R,
L,
C
(рис. 1) полная проводимость равна
(1)

где g = 1/ R – активная проводимость цепи;
b – реактивная проводимость цепи.
Реактивная проводимость цепи при этом определяется выражением
(2)
Рис. 1
Ток в цепи определяется выражением
(3)
Ток в активной проводимости совпадает с напряжением по фазе
(4)
Ток в ёмкости определяет напряжение по фазе на 900
(5)
Ток в индуктивности отстаёт от напряжения по фазе на 900
(6)
Средняя активность мощность, расходуемая в цепи
(7)
Сдвиг фаз между напряжением U на зажимах цепи и током I в ней определяется выражениями
(8)
(9)
Векторная диаграмма напряжения и токов в цепи показана на рис. 2 (при bC > bL ).
Резонансом токов
называется такое состояние электрической цепи при параллельном включении элементов R,
L,
C,
когда сдвиг по фазе между напряжением на зажимах цепи и током в ней равны нулю, при этом bC
=
bL
, а ток в неразветвлённой цепи имеет наименьшее значение.
При постоянных значениях L и C резонансная частота определяется выражением
Рис. 2
(11)
Резонансное значение тока в цепи
(12)
Ток в активной проводимости при резонансе равен полному току
(13)
Токи в ёмкости и индуктивности при резонансе равны между собой
(14)
где
- добротность контура;
- волновая и характеристическая проводимость контура.
Средняя мощность при резонансе
(15)
Векторная диаграмма напряжения и токов при резонансе токов показана на рис. 3.
Настроить цепь в резонанс с частотой источника питания можно изменением индуктивности или ёмкости, а также с помощью изменения частоты источника питания.
Графики изменений токов цепи, сдвига фаз и напряжения на зажимах цепи при изменении частоты источника питания называются частотными характеристиками контура и показаны на рис. 4.

Рис. 3 Рис. 4
Частотные характеристики контура могут быть построены по уравнениям (3), (4), (5), (8), (9), (10).
Частотная характеристика тока позволяет определить экспериментально добротность контура
(16)
Если определить полосу пропускания частот
, пропускаемых контуром на уровне
, то добротность контура можно найти из выражения
(17)
На границе полосы пропускания сдвиг фаз между напряжением на зажимах цепи и током в ней составляет φ = ± 450 . Если катушка индуктивности L имеет собственное активное сопротивление (рис. 5), то ток в ней определяется выражением
(18)
Вычислив эквивалентные проводимости катушки
(19)
Рис. 5
перейдём к эквивалентной схеме с параллельным соединением R, L, C.
Полная активная проводимость эквивалентного параллельного контура равна сумме внешней проводимости
и собственной активной проводимости gK
катушки L
(20)
Эквивалентная индуктивность такого контура
(21)
Резонансная частота контура будет зависеть от собственного сопротивления RK катушки L
(22)
При относительно малом сопротивлении катушки RK >> ω L можно пользоваться выражениями (11) – (17).
Содержание работы
Исследование электрической цепи с параллельным соединением резистора, катушки индуктивности и конденсатора при различных соотношениях индуктивного и ёмкостного сопротивлений.
Описание лабораторной установки
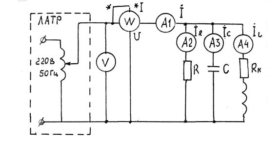
Схема экспериментальной установки для исследования электрической цепи с параллельным соединением элементов R, L, C представлена на рис. 6.

Рис. 6
В её состав входят ЛАТР (лабораторный автотрансформатор), на входных клеммах которого устанавливают напряжение U = 20 В.
Вольтметр V предназначен для измерения действующего значения напряжения, прикладываемого к электрической цепи. Амперметр А1 измеряет действующее значение тока в неразветвлённой части цепи, амперметры А2 , А3 , А4 измеряют действующие значения токов соответственно в резисторе (А2 ), конденсаторе (А3 ), катушке индуктивности (А4 ). В качестве резисторной нагрузки используется реостат (R1 = 300 Ом, 0,5 А), ёмкости С – магазин конденсаторов (С = 1 Мкф ÷ 20 Мкф), индуктивность L – катушка индуктивности (L = 50 мГн, RK = 30 Ом).
Информационно-методическое обеспечение дисциплины:
- Нейман Л.Р., Дениргян К.С. ТОЭ. Т1, Т2. - М.: Высшая школа, 1981.
- Бессанов Л.А. ТОЭ. Т1, Т2, Т3. - М.: Высшая школа, 1984.
- Ионкин П.А. и др. ТОЭ. Т1. - М.: Высшая школа 1981.
- Основы теории цепей /Г.В. Зевенс, П.А. Ионкин, А.В. Нетушин, С.В. Страхов/ М.: Высшая школа, 1989.
- Матхомов П.Н. Основы анализа электрических цепей. Линейные цепи. – М.: Высшая школа, 1990.
- Матхамов П.Н. Основы анализа электрических цепей. Нелинейные цепи. – М.: Высшая школа, 1990.
- Сборник задач и упражнений по ТОЭ под ред. П.А. Ионкина. – М.: Энергоиздат, 1982.
- Шебес М.Р. Задачник по теории линейных электрических цепей. – М.: Высшая школа, 1989.
- Задачник по ТОЭ– М.: Энергия, 1975.














