| Скачать .docx |
Реферат: Опыты Франка и Герца
МОСКОВСКИЙ ГОСУДАРСТВЕННЫЙ ОБЛАСНОЙ УНИВЕРСИТЕТ
Реферат на тему «Опыты Франка и Герца»
Выполнил Воротников И.А.
Студент 41 группы,
Специальность:
физика-информатика
МОСКВА, 2008 ГОД
Содержание
Введение
Эксперимент Франка и Герца является прямым подтверждением постулатов Бора о том, что:
1. Атом может находиться лишь в определенных дискретных состояниях и иметь внутреннюю энергию, соответствующую состоянию, в котором он находится.
2. Изменение внутренней энергии атома может происходить лишь при переходе между состояниями и равно разности энергии этих состояний (энергии перехода).
Идея эксперимента состоит в анализе энергий электронов, претерпевших столкновения с атомами; при этом можно убедиться в том, что электроны передают атомам энергию лишь порциями, равными энергии переходов. Следует различать два типа столкновений: упругие и неупругие
. При упругих
столкновениях сохраняется суммарная кинетическая энергия сталкивающихся частиц, а изменение кинетической энергии каждой из них зависит от соотношения масс. Например, при упругом столкновении электрона с покоящимся атомом кинетическая энергия электрона ![]()
может измениться лишь нa величину
порядка

где
и
- массы электрона и атома, соответственно. Внутренние энергии частиц при упругом соударении не меняются.
При неупругом
столкновении кинетическая энергия сталкивающихся частиц изменяется на величину, равную изменению внутренних энергий частиц. Например, при неупру неупругом столкновении электрона с атомом, атом может перейти из одного энергетического состояния в другое, изменив таким образом свою внутреннюю энергию. Разность энергий конечного и начального состояний атома
называется энергией перехода
.
Изменение кинетической энергии электрона равно энергии перехода ( здесь и далее тяжелый и медленный, по сравнению с электроном, атом считаем покоящимся до и после столкновения) :
(2)![]()
Возбуждение атома (увеличение его внутренней энергии) может произойти лишь тогда, когда кинетическая энергия относительного движения электрона и атома будет превышать энергию перехода. В противном случае столкновение будет упругим, а изменение кинетической энергии - ничтожным. При соударении электрона с возбужденным атомом может произойти обратный процесс: атом переходит в состояние с меньшей внутренней энергией, а энергия электрона увеличивается на величину, равную энергии перехода; такое соударение называется неупругим соударением второго рода
. Число таких столкновений пропорционально числу возбужденных атомов и в условиях эксперимента Франка и Герца мало. Ниже они не учитываются. Таким образом, если в объем, заполненный некоторым газом, влетает электрон с энергией
, превышающей энергии переходов в атоме, то после столкновений электроны должны разделиться по энергиям на группы:
1. Электроны, столкнувшиеся с атомами только упруго и почти не потерявшие энергии.2. Электроны, столкнувшиеся с атомами неупруго , т.е. возбудившие атомы на различные энергетические уровни и имеющие энергии
(3)
-- энергия перехода из основного энергетического состояния в энергетическое состояние с номером
(при не слишком высоких температурах, согласно распределению Больцмана, почти все атомы находятся в основном состоянии).
Краткая биография Г. Герца
Густав Людвиг Герц родился 22 июля 1887 в Гамбурге. Обучался с 1909 по 1911 гг. в центрах современной ему физики — Гёттингене, Мюнхене и Берлине. Защитил диссертацию под руководством Генриха Рубенса в Берлине и стал ассистентом в физическом институте Университета Гумбольдта в Берлине. Совместно с доцентом того же университета, физиком Джеймсом Франком, Герц разработал в 1912/1913 гг. опыты по соударению электронов с атомами, которые впоследствии оказались существенным подтверждением Боровской теории атома и квантовой механики. Эксперимент известен теперь под именем эксперимента Франка-Герца.
В 1925 г. Герц и Франк получили за это Нобелевскую премию по физике. В апреле 1915, после агитации со стороны Фрица Габера, участвовал в газовой войне при Ипре.
В 1925 г. возглавил на 5 лет руководство физическими лабораториями фабрики лампочек на фирме Филипс в Эйндховене. Занимался там физикой газового разряда. Затем стал профессором физики в Галле и Берлине. В 1935 г. был лишен права принимать экзамены по причине еврейского происхождения, в результате чего отказался от профессуры. Хотя он и остался почётным профессором, Герц предпочёл такой полупрофессуре работу исследователя в промышленности, в исследовательских лабораториях фирмы Siemens & Halske. В 1935 году специально для него в компании была создана лаборатория Siemens-Forschungslaboratorium II.
На фирме Сименс Герц занимался диффузионными разделительными установками лёгких изотопов, которые стали впоследствии основной технологией при обогащении урана для производства атомной бомбы, а также исследованиями в области электроакустики. По этой причине его, совместно с Манфредом фон Арденном, Максом Штеенбеком и другими атомными специалистами, специальное отделение красной армии в апреле 1945 г. перевезло в Сухуми, где Герцу суждено было возглавить исследовательскую лабораторию, состоящую из немецких специалистов.
По результатам работы института в Сухуми Герц был награждён премией от руководства СССР. Возвращение Герца осенью 1954 г. было частью подготовки Восточной Германии к разработке атомной промышленности. Герц возглавил подготовку и стал в 1955 г. руководителем научного совета по мирному применению атомной энергии при совете министров ГДР. В этом совете была проведена вся подготовка по концентрации рассеяных до тех пор институтов в одном новом Дрезденском центральном институте ядерных исследований.В 1954 г. Герц был директором физического института в университете имени Карла Маркса в Лейпциге, членом Академии Наук ГДР и сооснователем исследовательского совета ГДР. Занимал центральное место в развитии ядерной физики в ГДР посредством издания трёхтомного учебника по ядерной физике. В 1975 г. умер в Берлине. Похоронен семейной могиле на кладбище в Гамбурге.
Краткая биография Д.Франка
Немецко-американский физик Джеймс Франк родился в Гамбурге, в семье Якоба Франка, банкира, и Ребекки Франк, в девичестве Дрюкер, которая была родом из известной семьи раввинов. В гамбургской гимназии, где учился Франк, упор делался на классическое образование и языки - предметы, которые его не интересовали. Когда в 1901 году отец послал его в Гейдельбергский университет, то ожидалось, что Франк будет изучать юриспруденцию и экономику, после чего займется традиционным для его семьи банковским делом. Однако в Гейдельберге он изучал также геологию и химию, здесь он встретил Макса Борна , который поддержал интерес Франка к науке и стал его другом на всю жизнь. Позднее Борн убедил родителей Франка помочь сыну в его стремлении получить научное образование.
В 1902 году Франк перешел в Берлинский университет, тогдашний центр физической науки и образования в Германии. Докторскую степень он получил в 1906 году за исследование движения ионов в газовых разрядах. После краткого периода работы ассистентом-преподавателем в университете Франкфурта-на-Майне Франк вернулся в Берлинский университет ассистентом физической лаборатории и стал лектором в этом же университете в 1911 году.
Франк начал совместную работу с Густавом Герцем в 1913 году. В своих первых совместных экспериментах Франц и Герц исследовали взаимодействие электронов с атомами благородных газов низкой плотности. Они обнаружили, что при низких энергиях электроны соударяются с атомами благородных газов без большой потери энергии, т.е. эти соударения являются упругими. В 1914 году ученые повторили свои эксперименты, используя пары ртути, и обнаружили, что электроны сильно взаимодействуют с атомами ртути, отдавая им большую долю своей энергии. Именно эта работа по неупругим соударениям привела Франка и Герца к открытию квантованной передачи энергии в столкновениях атомов и электронов. Между 1900 годом и временем экспериментов Франка и Герца Макс Планк , Альберт Эйнштейн и Нильс Бор создали квантовую теорию. В этой теории предполагалось, что энергия передается не непрерывно, а дискретными порциями, которые Эйнштейн назвал квантами. Энергия кванта выражается через частоту испускаемой или поглощаемой энергии с помощью множителя, известного как постоянная Планка. В 1913 году Бор предложил квантовую модель атома, в которой электроны движутся вокруг ядра только по определенным орбитам, соответствующим специальным энергетическим состояниям; когда электроны переходят с одной орбиты на другую, они испускают или поглощают кванты. Модель Бора отвечала на некоторые существовавшие тогда возражения против ядерной модели атома и, в частности, объясняла спектры элементов. При нагревании газа он поглощает энергию в форме тепла, затем испускает ее в виде света; каждый элемент излучает свет специфических цветов, или длин волн, которые можно разделить, получив при этом серию линий, называемых спектром элемента. Согласно Бору, каждая линия спектра соответствует определенному количеству энергии, излучаемой при переходе электрона с более высокой энергетической орбиты на более низкую. Хотя эта теория вызвала среди физиков огромный интерес и во многом убедила их в справедливости квантовой теории, она все же не была подтверждена экспериментально.
В своих знаменитых экспериментах Франк и Герц показали, что электроны могут передавать энергию атому ртути только целыми кратными 4, 9 электрон-вольт. (Один электрон-вольт - это количество энергии, приобретаемой электроном, который ускоряется с помощью напряжения в один вольт.) Затем они предположили, что атомы ртути могут излучать энергию, равную той, которую они поглощают, давая спектральную линию с вычисляемой длиной волны. Обнаружив эту линию в спектре ртути, Франк и Герц сделали вывод, что атомы при бомбардировке их электронами и поглощают, и испускают энергию неделимыми единицами, или квантами. Работа с газами других элементов подтвердила это открытие.
Эксперименты Франка и Герца не только продемонстрировали существование квантов энергии более убедительно, чем любая предшествующая работа, но и дали новый метод измерения постоянной Планка. Более того, их результаты явились экспериментальным подтверждением боровской модели атома. Ни Франк, ни Герц не поняли этого вначале, обратив мало внимания на предположение Бора. Однако Бор и другие вскоре воспользовались результатами Франка и Герца, чтобы подтвердить идеи Бора, оказавшие глубокое влияние на развитие квантовой теории.
В 1926 году Шведская королевская академия наук наградила Нобелевской премией по физике за 1925 год Франка и Герца "за открытие законов соударений электронов с атомами". В своей Нобелевской лекции Франк указал, что "первые работы Нильса Бора по теории атома появились за полгода до окончания этой работы". "Впоследствии, - продолжал он, - мне казалось совершенно необъяснимым, почему мы не осознали фундаментального значения теории Бора, причем до такой степени, что ни разу даже не упомянули о ней в своем научном докладе".
Исследования Франка были прерваны разразившейся в 1914 году Первой мировой войной. Он служил офицером на русско-германском фронте, затем из-за тяжелого заболевания дизентерией был отправлен в тыл для длительного лечения. В 1917 году Франк стал главой секции в Институте физической химии кайзера Вильгельма, работая под руководством Фрица Хабера. Там он продолжил свои исследования по неупругим столкновениям электронов с атомами и молекулами. Франк и его коллеги обнаружили, что электроны могут возбудить атом (заставив его поглотить энергию) таким образом, что он не сможет освободиться от возбуждающей энергии, испуская свет. Такие атомы находятся в "метастабильном состоянии", по терминологии, введенной Франком и его сотрудниками, и способен потерять энергию возбуждения только при соударении с частицами. Метастабильные состояния играют важную роль в химии и физике: при фотосинтезе, например, они являются решающими при накоплении энергии в растениях. Позднее Франк обратился к фотосинтезу, который оставался самым важным для него предметом научных исследований последние 30 лет его жизни.
Когда Максу Борну в 1912 году предложили возглавить кафедру теоретической физики в Геттингенском университете, он согласился при условии, что Франк возглавит кафедру экспериментальной физики. Следующие 12 лет двое ученых работали в тесном контакте, обсуждая друг с другом каждый аспект своей работы. Когда Борн начал разрабатывать формальный математический аппарат квантовой теории, которую он назвал квантовой механикой, глубокая научная интуиция Франка оказалась для него бесценной. В Геттингене Франк вначале изучал взаимодействия атомов с электронами, светом и другими атомами. Его работа по формированию и структуре молекул, где использовались молекулярные спектры, позволила ему определить основные химические свойства по спектроскопическим измерениям. Подход, который он разработал со своим коллегой Эдвардом Кондоном, известен как принцип Франка-Кондона.
Вскоре после того, как Адольф Гитлер стал рейхсканцлером (1933), германское правительство стало удалять евреев с академических постов. Хотя Франк и был евреем, но его заслуги в период Первой мировой войны вначале ограждали его от смещения с поста. Он тем не менее сам подал в отставку, поскольку не хотел выполнять указание об увольнении сотрудников и студентов еврейской национальности. Он заявил о своем несогласии публично, что было актом личного мужества. Перед тем как покинуть Германию, Франк, несмотря на экономическую депрессию, сумел найти работу за границей для каждого члена своей лаборатории.
Проработав год в Исследовательском институте Бора в Копенгагене, Франк в 1935 году эмигрировал в Соединенные Штаты, став профессором Университета Джонса Хопкинса. Здесь он стал изучать влияние света на химические вещества и начал работы по разгадке тайн фотосинтеза, фундаментального фотохимического процесса в природе. В 1938 году он был назначен профессором физической химии и директором новой лаборатории фотосинтеза Чикагского университета. Три года спустя он стал американским гражданином.
После вступления США во Вторую мировую войну Франк руководил химическим отделом металлургической лаборатории Чикагского университета, являвшейся составной частью Манхэттенского проекта по созданию атомной бомбы. Хотя перспектива создания ядерного оружия была ему ненавистна, он опасался, что Германия идет к той же цели. После поражения Германии Франк возглавил комитет, изучавший социальные и политические последствия применения ядерного оружия. В докладе комитета, сделанном в июне 1945 года и известном как "доклад Франка", настаивалось на том, чтобы ядерное оружие не применялось в военных целях до тех пор, пока оно не будет продемонстрировано в каком-нибудь необитаемом месте представителям всех наций, в особенности японцам. Доклад также предсказывал опасность гонки ядерных вооружений. Этими рекомендациями пренебрегли, и японские города Хиросима и Нагасаки были разрушены в августе этого же года.
В 1907 году Франк женился на Ингрид Йозефсон, у них было две дочери. Ингрид Франк умерла в 1942 году после продолжительной болезни. В 1946 году Франк женился на Герте Спонер, своей бывшей студентке, которая стала профессором физики Дьюкского университета в Дареме (штат Северная Каролина). После Второй мировой войны Франк вернулся к своим исследованиям в Чикагском университете, деля время между Чикаго и семейным домом в Дареме. В 1949 году он стал почетным профессором в отставке Чикагского университета и продолжал вести активные исследования, особенно по фотосинтезу.
Франк умер внезапно, когда они с женой в 1964 году гостили у друзей в Геттингене.
Коллеги знали Франка как доброго, мягкого, демократичного человека, и многие из них неоднократно обращались к нему за советом по научным и личным делам. Они вспоминают его публичный протест против нацистов и его попытку предотвратить использование атомной бомбы против гражданского населения как примеры морального мужества.
Кроме Нобелевской премии, Франк получил медаль Макса Планка Германского физического общества (1951) и медаль Румфорда Американской академии наук и искусств (1955). В 1953 году он стал почетным гражданином Геттингена. Франк был членом многих научных организаций, включая американскую Национальную академию наук, Ассоциацию содействия развитию науки, Американское философское общество, Американское химическое общество, Американское ботаническое общество и Лондонское королевское общество.
Совместная работа Франка и Герца.
Опыты Франка и Герца (1913 г) явились прямым подтверждением постулатов Бора (1913г ), которые гласили:
1. Из бесконечного множества электронных орбит атома, допускаемы классической механикой, в центральном поле могут существовать только некоторые, образующие дискретный ряд, удовлетворяющий постулату Бора о квантовании момента количества движения электрона (этот постулат мы рассматривать здесь не будем). Электрон, находящийся на одной из этих орбит, обладает энергией Еn (n - номер орбиты) и при движении по ней не излучает электромагнитных волн, хотя и движется с ускорением. Такая орбита называется стационарной.
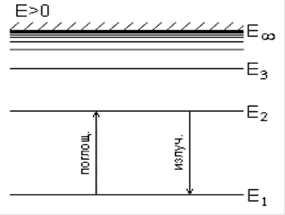
Таким образом, внутренняя энергия атома представляет некоторый набор (хотя и бесконечный, но определенный) ДИСКРЕТНЫХ уровней энергии, которые в простейшем случае для атома водорода изображены на Рис.1.
Если электрон, например в атоме водорода, двигается по одной из стационарных орбит, то он находится на одном из этих уровней (следует иметь в виду, что под Еn подразумевается полная энергия, т.е. E = Tкин + Vпот). E1 – это самый нижний уровень, орбита которого ближе всего к ядру. Если каким-либо образом передать энергию атому, с учетом рассмотренной схемы уровней, то мы подойдем ко второму постулату Бора:
2. Изменение внутренней энергии, ее поглощение или испускание возможно только порциями - квантами. При переходе электрона из одного n-го состояния с энергией En в другое, m-ое состояние с энергией Em величина этого кванта не может быть больше или меньше разности этих уровней энергии и равна точно ΔE = En – Em.

Рис.1 Схема энергетических уровней атома водорода.
Уровни энергии, как видно на схеме рис.1, сгущаются с ростом номера n.
При комнатной температуре подавляющее большинство атомов находится в основном состоянии - на уровне E1, наиболее сильно связанном с ядром. Все остальные уровни - E2, E3 и т.д. называются возбужденными, а уровень E∞ соответствует значению внутренней энергии, равной нулю, начиная с него электрон теряет связь с ядром и становится свободным. Для того, чтобы произошло возбуждение или отрыв (ионизация) электрона, ему необходимо передать энергию ΔE ≥ |En - E1| (возбуждение) или ΔE ≡ I = |E∞ - E1| (ионизация).
Все уровни энергии, соответствующие связанным состояниям электрона, обладают отрицательной энергией, а свободные электроны - положительной, эта часть спектра находится выше E∞ и называется непрерывным спектром в отличие от дискретного спектра. Таким образом , в представленной шкале энергий на рис.1 ноль находится при E∞, ниже все значения энергии отрицательны, а выше - положительны.
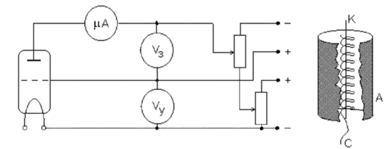
Отсчет энергии можно вести и от самого нижнего уровня, полагая, что ноль находится при E1, такую шкалу можно назвать шкалой энергий возбуждения, а энергию, например, ΔE12 = E2 - E1 - энергией перехода в возбужденное состояние E2. Если постулаты Бора верны, то можно было бы опытным путем проверить их, например, обстреливая атом электронами, кинетическая энергия которых Tкин ≥ ΔE12. В этом и только этом случае произошел бы переход E1 →E2, возможны также переходы E1 → E3 и т.д. однако условия упрощенного опыта приводят, как правило, только к переходам E1 → E2. Впервые этот опыт был поставлен Франком и Герцем в 1913г. Идея эксперимента состояла в том, чтобы, обстреливая атомы определенного газа электронами регулируемой энергии, следить за энергетическими потерями этих электронов. Исходя из этого, Франк и Герц сконструировали прибор, который , по существу, представлял ламповый триод (рис. 2) с катодом K, сеткой С и анодом A, заполненный парами ртути при давлении ∼ 1мм ртутного столба.

Рис.2 Принципиальная схема измерения вольтамперных характеристик газонаполненного триода.
Между катодом и сеткой прикладывалось ускоряющее электроны напряжение Vy ( энергия их eVy), а между сеткой и анодом – задерживающее напряжение Vз. Задерживающее напряжение обычно выбиралось небольшим и играло роль селектора электронов, направляя медленные электроны, потерявшие скорость после неупругих столкновений, на сетку.
Рассмотрим более подробно процессы, происходящие в такой лампе, ее вольтамперные характеристики iA(Vу) - зависимость анодного тока от ускоряющего напряжения Vу (назовем ее анодной характеристикой), и характеристику iA(Vз) – зависимость анодного тока от напряжения задержки (назовем ее характеристикой задержки). Для более полного понимания характера поведения вольтамперных характеристик полезно изучить влияние на них концентрации атомов в колбе лампы. Если концентрацию атомов уменьшить, доведя ее до такой величины, когда число столкновений с электронами будет ничтожно мало, то такую лампу можно считать вакуумной. Прежде всего, полезно изучить вольтамперную характеристику вакуумной лампы.
Вакуумная лампа
Анодная характеристика. Вакуум в лампе должен быть таким, чтобы не было столкновений электронов с остаточным (после откачки) газом лампы. Это означает, что средняя длина свободного пробега электрона λ в таком сосуде должна быть много больше размеров этой лампы L, (λ >>L). Однако вполне подходит и менее жесткое условие λ>L. Такое условие может быть выполнено для лампы, наполненной парами ртути при комнатной температуре (Т≈200С). В этом случае давление паров ртути невелико и условие λ>L обычно выполняется.

Рис.3 Вид анодной характеристики вакуумного триода.
Анодная характеристика такой лампы приведена на рис.3 и описывает при больших Vy явление так называемого тока насыщения, что означает, что все электроны, испускаемые раскаленной нитью катода в единицу времени, достигают анода. Возникает вопрос, почему существует область напряжений (заштрихованная часть кривой) до выхода на плато тока насыщения , т.е. почему ток насыщения не возникает непосредственно с Vy>0. Дело в том, что из раскаленной нити вылетают электроны с разными скоростями (далее будем говорить с разными энергиями). Энергии этих электронов распределены по определенному закону f(E). В соответствии с ним есть некоторое количество очень медленных и очень быстрых электронов.
Медленные электроны образуют вокруг раскаленной нити электронное облако (раскаленная нить, потеряв электроны становится положительно заряженной и стремится вернуть обратно покинувшие ее электроны). Таким образом электронное облако становится неким препятствием для вылетающих электронов, но по мере роста ускоряющей разности потенциалов Vy электронное облако сжимается до размеров катода (уменьшается радиус объемного заряда облака) и все электроны достигают анода. Плавный переход на кривой к току насыщения связан также и с тем, что вдоль нити накала происходит заметное падение напряжения, поэтому на разных участках ее действующее ускоряющее напряжение Vу разное.
Характеристика задержки. Представляет интерес найти закон распределения по энергиям f(E) электронов, покидающих катод. Это можно сделать, получив, так называемую, вольтамперную характеристику задержки iA(Vз), т.е. сняв зависимость анодного тока от напряжения задержки при постоянном значении Vу. Установив небольшое значение ускоряющего напряжения (в данном случае Vy является параметром) и изменяя Vз, получим изображенную на рис.4 кривую. Область плато тока (незаштрихованная область) указывает на то, что задерживающей разности потенциалов недостаточно для того, чтобы электроны, затормозившись, не дошли до анода. В заштрихованной области ток начинает падать, вначале задерживаются самые медленные электроны, а в конце, где ток падает до нуля,- самые быстрые.

Рис.4 Вольтамперная характеристика задержки I а=f(Vз) вакуумной лампы и ее производная.
Таким образом по этой части характеристики видно, что к аноду электроны приходят с разными энергиями. Поскольку функция распределения есть число частиц ΔN заданной энергии E, приходящихся на интервал энергии ΔE (от E до E+ΔE), или, другими словами, есть производная dN/dE, то для того, чтобы ее получить, необходимо произвести графическое дифференцирование характеристики задержки:

Здесь учтено, что diA ∼ dN и dVз ∼ dE. Функция распределения изображена в заштрихованной области. Максимум этой кривой соответствует электронам с наиболее вероятным значением энергии Е. Крылья кривой указывают на то, что медленных и быстрых электронов мало. На полувысоте этой кривой расстояние от точки ″а″ до точки ″б″ назовем шириной функции распределения. Чем более моноэнергетичны электроны, тем уже кривая и меньше ширина. Хорошая моноэнергетичность достигается в электронных пушках. Так, в специально сконструированных пушках ширина функции распределения электронного пучка может достигать десятых и сотых долей эВ.
Газонаполненная лампа
Анодная характеристика. Перейдем теперь непосредственно к опыту Франка и Герца. С этой целью в вакуумную лампу надо надо напустить немного какого-либо атомарного газа (Франк и Герц использовали пары ртути) до давления ∼ 1 мм Hg. В качестве такой лампы можно использовать ртутную лампу (в баллоне лампы находится капля ртути), нагретую до такой температуры Т, когда λ<L.
При этом электроны, испускаемые катодом и разгоняемые ускоряющим напряжением Vy между катодом и сеткой, начнут сталкиваться с атомами газа. Сняв вольтамперную характеристику такой лампы, мы увидим, что в отличие от вакуумной (см Рис.3), на ней наблюдается ряд максимумов и минимумов (Рис.5). Такой характер кривой обусловлен неупругими столкновениями электронов с атомами газа.

Рис. 5 Зависимость анодного тока iA от ускоряющей разности потенциалов Vy (катод/сетка) при небольшой задерживающей разности потенциалов Vз (сетка/анод), Vр - резонансный потенциал.
Разберем более подробно явления, происходящие в газонаполненной лампе. В начальной области до первого максимума характеристика похожа на начальную область характеристики вакуумной лампы. В этой области электроны УПРУГО сталкиваются с атомами eVy < ΔE12 и, поскольку масса электрона m<< M - массы атома, передача энергии от электрона к атому очень мала.
ΔТ ≈ Ткин mэ/M ≈10-4 Ткин
Хотя при каждом столкновении электрон теряет первоначальное направление движения, в среднем электронный поток направлен вдоль электрического поля (дрейф вдоль поля) и энергия электрона определяется только разностью потенциалов катод - сетка. С ростом Vy электронный поток в промежутке катод-сетка набирает энергию, и как только энергия электрона Ткин становится ≥ ΔЕ12 может произойти неупругий удар. На рис.6а заштрихованная область I представляет ту область лампы, где в любой ее точке при Ткин≈ΔE12 может произойти неупругое столкновение. Однако, произойдет ли упругое или неупругое столкновение, вопрос вероятности. Если произойдет неупругое столкновение, электрон потеряет энергию, задерживающее поле отправит его на сетку, и анодный ток упадет , если электрон упруго столкнется и ″проскользнет″ эту область, то, преодолев небольшое задерживающее поле, доберется до анода.
Таким образом, область первого максимума-минимума на вольтамперной кривой соответствует неупругим столкновениям с передачей энергии электронов внутренней энергии атомов газа. Потенциал Vр, соответствующий максимуму на вольтамперной характеристике, называется резонансным (первый максимум VрI.).
б)
Рис.6 Области неупругих столкновений электронов с атомами ртути:
а) область I при eV'у=ΔE12;
б) области I и II при eV"у=2E12.
Если теперь немного увеличить ускоряющее поле, то электроны наберут энергию быстрее и заштрихованная область сдвинется влево. Электроны, испытавшие неупругое столкновение, почти полностью отдадут свою энергию, но, оставаясь в ускоряющем поле, опять начнут набирать ее, упруго сталкиваясь с атомами газа, поскольку для последующего второго неупругого столкновения им еще не хватает энергии. Наконец, при перемещении заштрихованной области примерно на середину расстояния катод-сетка (область I Рис.6б ), оставшегося пути до сетки будет достаточно, чтобы электроны могли набрать энергию для нового неупругого столкновения в области II и, испытав его, попасть на сетку. В анодной цепи появится второй максимум и минимум, резонансный потенциал VpII теперь уже вдвое превышает Vp
I. Если теперь измерить расстояние между максимумами, то оно окажется для всех Vp одинаковым. Это указывает на то, что во всех этих случаях происходит передача энергии на возбуждение одного и того же уровня - Е2.
Возбуждения более высоколежащих уровней при данных условиях эксперимента практически не происходит. Это связано с тем, что частота столкновений электрона с атомами газа велика и, как только электрон на беретравную или немного превышающую энергию перехода на первый
возбужденный уровень ΔЕ12, он, с большой степенью вероятности, отдает ее атому. Это хорошо прослеживается при измерении анодной характеристики с ростом температуры, а следовательно, и плотности ртутного пара. Минимумы части вольтамперной кривой опускаются и почти касаются оси абсцисс при температуре Т≈150С, что указывает на то, что упругой компоненты в потоке электронов практически не остается.
В самом начале мы рассмотрели пример передачи энергии атому водорода, у которого в простейшем варианте теории - теории атома Бора, схема энергетических уровней проста и показана на Рис.1
Схемы уровней энергии атома ртути значительно сложнее. Самые нижние из возбужденных уровней представляют собой триплет
. При этом уровни триплета настолько близко расположены, что энергии разогнанных электронов вполне хватило бы для возбуждения каждого из них.
Однако, в данном варианте опыта они также не наблюдаются, поскольку разрешающей способности прибора не хватает и следует изменить конструкцию лампы для их наблюдения, что и сделали Франк и Герц в последних экспериментах.
Итак, расстояние между максимумами в опытах Франка и Герца в лампе с парами ртути равнялось 4.9 эВ. Таким образом, при энергии электрона Ткин ≥4,9 эВ происходил неупругий удар с передачей энергии электрона внутренней энергии атома ртути. Электроны, сталкиваясь неупруго с атомами ртути в районе сетки, практически полностью теряли свою энергию и ″отсасывались″ сеткой, на которую их направляло задерживающее поле. Если обратный переход Е2→Е1 происходил с испусканием светового кванта hν = Е2 - Е1, то появлялась в ультрафиолетовой области спектральная линия с длиной волны

(здесь с - скорость света, h - постоянная Планка), что позже и наблюдалось в этом опыте. Следует отметить, что начало характеристики может не совпадать с началом координат в основном из-за контактной разности потенциалов между катодом и сеткой, поэтому измерение резонансного потенциала следует производить по разности VpII - VpI.
Характеристика задержки. Вольтамперная характеристика задержки - это анодная характеристика iА(Vз) как функция задерживающего поля при заданном значении ускоряющего напряжения Vy (Vy теперь играет роль параметра). Интересно получить кривые задержки с двумя значениями параметра Vy, когда Vy меньше резонансного значения и больше его. Очевидно, если Vy < Vр, то неупругих ударов нет и характеристика задержки должна быть похожа на характеристику задержки вакуумной лампы (кривая а, рис. 7 ).

Рис.7 Вольтамперные характеристики задержки: а) для Vy < Vз,
б) для Vy > Vз.
Если же Vy > Vp, то появляется дополнительная ступенька (соответствующая уменьшению анодного тока, кривая б, рис. 7). Это явление нетрудно объяснить, если, условно, весь ток электронов разделить на две компоненты i = iн + iy, где iн - та часть электронов, которая испытывает неупругие столкновения (когда их энергия будет ≥ eVp) и iу - компонента, электроны которой испытывают только упругие столкновения. С увеличением задерживающего поля, при Vз= Vз′, “неупругая” компонента тока iн попадет на сетку, так как потерявшие энергию электроны будут задержаны полем Vз′. В результате анодный ток упадет до величины iу - “упругой” компоненты,последняя станет равной нулю при Vз > Vу.
На рис.7(б) изображена суммарная по току кривая, имеющая два плато по току в первой и во второй половине характеристики ia(Vз). Если давление в лампе велико, (столкновения очень частые и практически iн>>iy) то начальная часть характеристики практически не будет иметь плато, т.к. уже малое напряжение задержки весь ток направляет на сетку. Ток iy будет мал и кривая будет иметь вид падающей характеристики.
Список используемой литературы
1. Шпольский Э.Ф. Атомная физика.- М.: Наука, 1974, т.1. гл.VII.
2. Фриш С.Э. Оптические спектры атомов. - М.- Л.: Физматгиз,1963.
3. Тригг Дж. Решающие эксперименты в современной физике.- М.: Мир, 1974.