| Скачать .docx |
Курсовая работа: Курсовая работа: Линейные электрические цепи
Министерство образования Российской Федерации
Государственное образовательное учреждение
высшего профессионального образования
Череповецкий Государственный Университет
Кафедра Электропривода и электротехники
Курсовая работа
по дисциплине «Электротехника и электроника»
Выполнил студент
группы 5 ЭН – 22
Малинин М.С.
Проверил доцент
Кудрявцева А.К.
г. Череповец
2007 г
СОДЕРЖАНИЕ
ВВЕДЕНИЕ. 3
ОСНОВНАЯ ЧАСТЬ. 6
ЗАДАЧА 1. 6
Метод контурных токов. 7
Метод узловых потенциалов. 9
ЗАДАЧА 2. 11
ЗАДАЧА 3. 13
ЗАДАЧА 4. 15
СПИСОК ЛИТЕРАТУРЫ.. 17
ВВЕДЕНИЕ
Полупроводниковый диод, двухэлектродный электронный прибор на основе полупроводникового (ПП) кристалла. Понятие «Полупроводниковый диод» объединяет различные приборы с разными принципами действия, имеющие разнообразное назначение.
В полупроводниковых диодах используется свойство p-n перехода, а также других электрических переходов, а также других электрических переходов хорошо проводить электрический ток в одном направлении и плохо – в противоположном. Эти токи и соответствующие им напряжения между выводами диода называются прямым и обратным токами, прямым и обратным напряжениями.
По способу изготовления различают сплавные диоды, диоды с диффузионной базой и точечные диоды. В диодах двух первых типов переход получается методами сплавления пластин p- и n-типов или диффузии в исходную полупроводниковую пластину примесных атомов. При этом p-n-переход создается на значительной площади (до 1000 мм2). В точечных диодах площадь перехода меньше 0,1 мм2. они применяются главным образом в аппаратуре сверхвысоких частот при значении прямого тока 10 – 20 мА.
По функциональному назначению полупроводниковые диоды делятся на выпрямительные, импульсные, стабилитроны, фотодиоды, светоизлучающие диоды и т.д.
Выпрямительные диоды предназначены для преобразования переменного тока и выполняются по сплавной или диффузионной технологии. Прямой ток диода направлен от анодного А к катодному К выводу. Нагрузочную способность выпрямительного диода определяют: допустимый прямой ток Iпр и соответствующее ему прямое напряжение Uпр, допустимое обратное напряжение Uобр и соответствующий ему обратный ток Iобр, допустимая мощность рассеяния Pрас и допустимая температура окружающей среды (до 50 0С для германиевых и до 140 0С для кремниевых диодов).
Вследствие большой площади p-n-перехода допустимая мощность рассеяния выпрямительных диодов малой мощности с естественным охлаждением достигает 1 Вт при значениях прямого тока до 1 А. Такие диоды часто применяются в цепях автоматики и в приборостроении. У выпрямительных диодов большой мощности с радиаторами и искусственным охлаждением (воздушным или водяным) допустимая мощность рассеяния достигает 10 кВт при значениях допустимых прямого тока до 1000 А и обратного напряжения до 1500 В.
Импульсные диоды предназначены для работы в цепях формирования импульсов напряжения и тока.
Стабилитроны, называемые также опорными диодами, предназначены для стабилизации напряжения. В этих диодах используется явление неразрушающего электрического пробоя (лавинного пробоя) p-n-перехода при определенных значениях обратного напряжения Uобр = Uпроб.
Следует отметить основные причины отличия характеристик реальных диодов от идеализированных. Обратимся к прямой ветви вольт-амперной характеристики диода (u > 0, ί > 0). Она отличается от идеализированной из-за того, что в реальном случае на нее влияют:
· сопротивления слоев полупроводника (особенно базы);
· сопротивления контактов металл-полупроводник.
Важно, что сопротивление базы может существенно зависеть от уровня инжекции (уровень инжекции показывает, как соотносится концентрация инжектированных неосновных носителей в базе на границе перехода с концентрацией основных носителей в базе). Влияние указанных сопротивлений приводит к тому, что напряжение на реальном диоде при заданном токе несколько больше (обычно на доли вольта).
Обратимся к обратной ветви (u < 0, ί < 0). Основные причины того, что реально обратный ток обычно на несколько порядков больше теплового тока ίs, следующие:
· термогенерация носителей непосредственно в области p-n-перехода;
· поверхностные утечки.
Термогенерация в области p-n-перехода оказывает существенное влияние на ток потому, что область перехода обеднена подвижными носителями заряда, и процесс рекомбинации (обратный процессу генерации и в определенном смысле уравновешивающий его) здесь замедлен.
ОСНОВНАЯ ЧАСТЬ
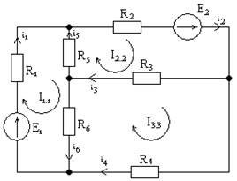
ЗАДАЧА 1 Линейные электрические цепи постоянного тока
Для электрической схемы выполнить следующее:
· Упростить схему, заменив последовательно и параллельно соединенные резисторы четвертой и шестой ветвей эквивалентными, а источники тока преобразовать в источники напряжения. Дальнейший расчет вести для упрощенной схемы.
· Указать на схеме положительное направление токов в ветвях и обозначить эти токи.
· Определить токи во всех ветвях схемы методом контурных токов.
· Определить токи во всех ветвях схемы методом узловых потенциалов.

Метод контурных токов
Дано:
![]() |
R1 = 19,5 Ом E1 = 25,8 В
R2 = 60 Ом E2 = 37,5 В
R3 = 90 Ом E3 = 0 В
R4.1 = 150 Ом I1 = 0,04 А
R4.2 = 600 Ом I2 = 0 А
R5 = 165 Ом I3 = 0 А
R6.1 = 40 Ом R6.2 = 27,5 Ом
Решение:
1. Находим в схеме элементы, соединенные параллельно или последовательно, и заменяем их эквивалентными
R4 = R4.1· R4.2 / (R4.1 + R4.2 ) = 150 · 600 / (150 + 600) = 120 Ом
R6 = R6.1 + R6.2 = 40 + 27,5 = 67,5 Ом
2. Определяем ЭДС
E1’= I1 · R1 =0,04 · 19,5 = 0,78 В
E2’= I2· R2 = 0 · 60 = 0 В
E1*= E1–E1’= 25,8 – 0,78 = 25,02 В
E2*= E2’– E2= 37,5 – 0 = 37,5 В
3. Составляем систему уравнений
I1.1 · (R1 + R5 + R6) – I2.2 · R5 – I3.3 · R6 = E1
I1.1 · R5 + I2.2 · (R2 + R3 + R5) – I3.3 · R3 = – E2
6 – I2.2 · R3 + I3.3 · (R3 + R4 + R6) = 0
Переписываем систему уравнений с числовыми коэффициентами
I1.1 · (19,5 + 165 + 67,5) – I2.2 · 165– I3.3 · 67,5 = 25,02
– I1.1 · 165+ I2.2 · (60 + 90 + 165) – I3.3 · 90= 37,5
I1.1 · 67,5– I2.2 · 90+ I3.3 · (90 + 120+ 67,5) = 0
252 I1.1 – 165 I2.2 – 67,5 I3.3 = 25,02
– 165 I1.1 + 315 I2.2 – 90 I3.3 = 37,5
– 67,5 I1.1 – 90 I2.2 + 277,5 I3.3 = 0
4. Считаем определители системы
![]()
252 – 165 – 67,5
Δ = – 165 315 – 90 = 22 027 950 – 1 002 375 – 1 002 375 –
– 67,5 – 90 277,5
– 1 435 218,75 – 2 041 200 – 7 554 937,5 = 8 991 843,75
![]()
25,02 – 165 – 67,5
Δ1 = 37,5 315 – 90 = 2 187 060,75 + 2 278 812,5 +
0 – 90 277,5
+ 797 343,75 – 202 662 + 1 717 031,25 = 4 726 586,25
![]()
252 25,02 – 67,5
Δ2 = – 165 37,5 – 90 = 2 622 375 + 151 996,5 –
– 67,5 0 277,5
– 170 859,375 + 1 145 603,25 = 3 749 115,375
![]()
252 – 165 25,02
Δ3 = – 165 315 37,5 = 371 547 + 417 656,25 + 531 987,75 +
– 67,5 – 90 0
+ 850 500 = 2 171 691
5. Определяем контурные токи
I1.1 = Δ1 / Δ = 0,526
I2.2 = Δ2 / Δ = 0,417
I3.3 = Δ3 / Δ = 0,242
6. Используя II закон Кирхгофа, определяем токи в цепях
ί1 = I1.1 = 0,526 А ί4 = I3.3 = 0,242 А
ί2 = I2.2 = 0,417 А ί5 = I2.2 – I1.1 = – 0,109 А
ί3 = I2.2 – I3.3 = 0,175 А ί6 = I1.1 – I3.3 = 0,284 А
7. Проверка
ί5 + ί1 – ί2 = – 0,109 + 0,526 – 0,417 = 0
ί3 – ί6 – ί5 = 0,175 – 0,284 + 0,109 = 0
ί6 + ί4 – ί1 = 0,284 + 0,242 – 0,526 = 0
ί2 – ί3 – ί4 = 0,417 – 0,175 – 0,242 = 0
Метод узловых потенциалов
Дано:
![]() |
R1 = 19,5 Ом E1 = 25,8 В
R2 = 60 Ом E2 = 37,5 В
R3 = 90 Ом E3 = 0 В
R4.1 = 150 Ом I1 = 0,04 А
R4.2 = 600 Ом I2 = 0 А
R5 = 165 Ом I3 = 0 А
R6.1 = 40 Ом R6.2 = 27,5 Ом
Решение:
1. Определяем собственную проводимость узла, которая равна сумме проводимостей, сходящихся в узле
g1 = 1 / R1 = 0,05 g4 = 1 / R4 = 0,01
g2 = 1 / R2 = 0,02 g5 = 1 / R5 = 0,01
g3 = 1 / R3 = 0,01 g6 = 1 / R6 = 0,01
2. Определяем взаимную проводимость в узле, которая равна проводимости ветви, соединяющей два узла
g1.1 = g4 + g2 + g3 = 0,04 g1.2 = g2.1 = g3 = 0,01
g2.2 = g3 + g5 + g6 = 0,03 g2.3 = g3.2 = g5 = 0,01
g3.3 = g1 + g2 + g5 = 0,08 g1.3 = g3.1 = g2 = 0,02
3. Определяем сумму токов от источников, которые находятся в ветвях, сходящихся в данном узле
I1.1 = – E2 / R2 = – 37,5 / 60 = – 0,625
I2.2 = 0
I3.3 = E1 / R1+ E2 / R2 = 25,02 / 19,5 + 37,5 / 60 = 1,905
4. Записываем в общем виде систему уравнений
u1 · g1.1 – u2 · g1.2 – u3 · g1.3 = I1.1
– u1 · g2.1 + u2 · g2.2 – u3 · g2.3 = I2.2
– u1 · g3.1 – u2 · g3.2 + u3 · g3.3 = I3.3
5. Переписываем систему уравнений с числовыми коэффициентами
0,04 u1 – 0,01 u2 – 0,02 u3 = – 0,63
– 0,01 u1 + 0,03 u2 – 0,01 u3 = 0
– 0,02 u1 – 0,01 u2 + 0,08 u3 = 1,91
6. Считаем определители системы
![]()
0,04 – 0,01 – 0,02
Δ = – 0,01 0,03 – 0,01 = 0,000096 – 0,000002 – 0,000002 –
– 0,02 – 0,01 0,08
– 0,000012 – 0,000004 – 0,000008 = 0,000068
![]()
– 0,63 – 0,01 – 0,02
Δ1 = 0 0,03 – 0,01 = – 0,001512 + 0,000191 + 0,001146 +
1,91 – 0,01 0,08
+ 0,000063 = – 0,000112
![]()
0,04 – 0,63 – 0,02
Δ2 = – 0,01 0 – 0,01 = – 0,000126 + 0,000382 + 0,000764 –
– 0,02 1,91 0,08
– 0,000504 = 0,000516
![]()
0,04 – 0,01 – 0,63
Δ3 = 0,01 0,03 0 = 0,002292 – 0,000063 – 0,000378 –
– 0,02 – 0,01 1,91
– 0,000191 = 0,00166
7. Определяем узловые напряжения
U1.1 = Δ1 / Δ = – 1,647 В
U2.2 = Δ2 / Δ = 7,588 В
U3.3 = Δ3 / Δ = 24,412 В
8. Используя II закон Кирхгофа, определяем токи в ветвях
ί1 = (E1 – U3) / R1 = (25,02 – 24,412) / 19,5 = 0,03 А
ί2 = (– E2 – U1 + U3) / R2 = (– 37,5 + 1,647 + 24,412) / 60 = – 0,19 А
ί3 = (U1 – U2) / R3 = (– 1,647 – 7,588) / 90 = – 0,1 А
ί4 = U1 / R4 = – 1,647 / 120 = – 0,01 А
ί5 = (– U3 + U2) / R5 = (– 24,412 + 7,588) / 165 = – 0,1 А
ί6 = U2/ R6 = 7,588 / 67,5 = 0,11 А
9. Проверка
ί5 + ί1 – ί2 = – 0,1 + 0,03+ 0,191 = 0,12
ί3 – ί6 – ί5 = – 0,1 – 0,11 + 0,11 = – 0,11
ί6 + ί4 – ί1 = 0,11 – 0,01 – 0,03 = 0,07
ί2 – ί3 – ί4 = – 0,19+ 0,1 + 0,01 = – 0,08
ЗАДАЧА 2Линейные электрические цепи синусоидального тока
В сеть переменного тока с действующим значением напряжения U включена цепь, состоящая из двух параллельных ветвей. Определить показания приборов, реактивную мощность цепи, коэффициент мощности и построить векторную диаграмму напряжений. Указать на схеме положительное направление токов в ветвях и обозначить эти токи.

Дано:
R1 = 8 Ом
R2 = 2 Ом
U = 127 В
јxc = 17 Ом
Решение:
1. Примем начальную фазу напряжения равной нулю
Ů = 127 е ј0 В
2. Определяем комплексное сопротивление
z 1 = R1 = 8 Ом
z2 = R2 – јxc = √2 2 + 17 2 · е – ј arctg 17/4 = 17,1 е – 77
3. По закону Ома определяем комплексные точки
İ 1 = Ů / z1 = 127 е ј0 / 8 = 15,9 е ј0 А
İ 2 = Ů / z2 = 127 е ј0 / 17,1 е – 77 = 7,4 е ј 77 =
= 7,4 · cos 77 + ј 7,4 · sin 77 = 1,7 + ј 7,2
4. Определяем полный комплексный ток
İ = İ 1 + İ 2 = 15,9 е ј0 + 7,4 е ј 77 = 15,9 cos 0 + ј 15,9 sin 0 +
+ 7,4 cos 77 + ј 7,4 sin 77 = 17,5 + ј 7,2 =
= √17,5 2 + 7,2 2 · е ј arctg 7,23/17,544 = 18,9 · е ј 22
А 18,9 А
А1 15,9 А
А2 7,4 А
5. Определяем полную мощность
S = İ · Ů = 18,9 е ј 22 · 127 е ј0 = 2410,5 е ј 22 =
= 2410,5 cos 22 + ј 2410,5 sin 22 = 2234,9 + ј 902,9
İ = 18,9 · еј 22 S = 2410,5 ВА
P = 2234,9 Вт Q = 902,9 ВАР
6. Определяем коэффициент мощности
cos φ = P / S = 0,93
ЗАДАЧА 3 Линейные электрические цепи синусоидального тока
В цепь переменного тока с мгновенным значением напряжения
U = Umsin ωt промышленной частоты f = 50 Гц включены резистор и конденсатор. Определить показания приборов, реактивную и полную мощность цепи. Построить треугольник напряжений и векторную диаграмму напряжений.

Дано:
R = 2 Ом
Um = 282 В
xc = 17 Ом
Решение:
1. Определяем напряжение на зажимах цепи
U = Um/ √2 = 282 / 1,41 = 200 В
2. Определяем накопленное емкостное сопротивление
– јxc = – ј 17 = 17 е – ј 90
3. Определяем полное комплексное сопротивление цепи z
Z = R – јxc = 2 – ј 17 = √2 2 + 17 2 · е – ј arctg 17/2 = 17,1 е – ј 83
4. Начальную фазу напряжения примем равной нулю
Ů = 200е ј0 В
5. Определяем комплексный ток по закону Ома
İ = Ů / Z = 200 е ј0 / 17,1 е – ј 83 = 11,7 е ј 83
тогда показания амперметра IА = 11,7 А
6. Определяем комплексное напряжение на R
ŮR = I R = 11,7 еј 83 · 2 = 23,4 еј 83 =
= 23,4 cos 83 + ј 23,4 sin 83= 2,9 + ј23,2
7. Определяем напряжение на емкости
Ůc = İ (– ј xc) = 11,7 е ј 83 · 17 е – ј 90 = 198,6 е – ј 7 =
= 198,6 cos 7 – ј 198,6 sin 7 = 197,1 – ј 24,2
тогда показания вольтметра Uc = 198,6 В
8. Определяем полную комплексную мощность цепи
Ŝ = I* · Ů = 11,7 е -ј 83 · 200 е ј0 = 2336 е -ј 83 =
= 2336 cos 83 – ј 2336 sin 83 = 284,7 – ј 2318,6
S = 2336 ВА
P = 284,7Вт Q = 2318,6 ВАР
9. Определяем показатель фазометра
φ = φu – φί = 0 – 83 = – 83
тогда показания фазометра cos φ = cos (– 83) = 0,12
ЗАДАЧА 4Трехфазные электрические цепи синусоидального тока
В трехфазную сеть с линейным напряжением Uл (действующее значение напряжения) по схеме «треугольник/треугольник» включены активно-индуктивные приемники. Определить фазные и линейные токи в нагрузке, активную мощность всей цепи и каждой фазы отдельно.

Дано:
RАВ = 8 Ом Uл = 127 В XСА = 3 Ом RСА = 2 Ом
RВС = 3 Ом XАВ = 6 Ом XВC= 17 Ом
Решение:
1. Т. к. рассматриваем соединение «треугольник/треугольник», то
Uп = Uдо
ŮАВ = 127 е ј 0
ŮВС = 127 е – ј 120
ŮСА = 127 е ј 120
2. Определяем комплексное полное сопротивление фаз
zАВ = RАВ + ј xАВ = 8 + ј 6 = √82 + 62 · е ј arctg 6/8 = 10 е ј37
zВC = RВC + ј xВC= 3 + ј 17 = √32 + 172 · е ј arctg 17/3 = 17,3 е ј80
zCА = RСА + ј xСА = 2 + ј 3 = √22 + 32 · е ј arctg 3/2 = 3,6 е ј56
3. Определяем комплексные фазные токи
Iф = Uф / zф
İАВ = 127 е ј 0 / 10 е ј37 = 12,7 е -ј37
İВС = 127 е -ј 120 / 17,3 е ј80 = 7,3 е -ј200
İСА = 127 е ј 120 / 3,6 е ј56 = 35,3 е ј64
4. Определим сопряженные комплексные токи фаз:
İАВ* = 12,7 е ј37
İВС* = 7,3 е ј200
İСА* =35,3е -ј64
5. Определяем комплексные полные мощности фаз
S = IФ* · UФ
SАВ = 12,7 е ј37 · 127 е ј 0 = 1612,9 е ј37 = 1612,9 cos 37 + ј 1612,9 sin 37 = 1288,1 + ј 970,7
SВC = 7,3 е ј200 · 127 е – ј 120 = 927,1 е -ј80 =
= 927,1 cos 80 – ј 927,1 sin80 = 161 – ј 913
SCА = 35,3 е -ј64 · 127 е ј 120 = 4483,1 е ј56 = 4483,1 cos56 + ј 4483,1 sin56 =
= 2506,9 + ј 3716,7
6. Определяем активную мощность фаз
PАВ = 1288,1 Вт
PВC = 161 Вт
PCА = 2506,9 Вт
7. Определяем активную мощность цепи
Pц = PАВ + PВC + PCА = 3956 Вт
1. Касаткин А. С., М. В. Немцов «Электротехника»: М., Академия, 2005.
2. Методические указания к выполнению контрольной работы по дисциплине «Общая электротехника и электроника» для студентов заочной формы обучения.
3. Лачин В.И., Н.С. Савёлов «Электроника»: М., Феникс, 2002.
4. Лекции по дисциплине «Общая электротехника и электроника».

