| Скачать .docx |
Дипломная работа: Дипломная работа: Коммутационно-фильтровое устройство радиолокатора непрерывного излучения с частотной манипуляцией и модуляцией
Министерство образования Российской Федерации
ТОМСКИЙ ГОСУДАРСТВЕННЫЙ УНИВЕРСИТЕТ СИСТЕМ
УПРАВЛЕНИЯ И РАДИОЭЛЕКТРОНИКИ (ТУСУР)
Кафедра сверхвысоких частот и квантовой радиотехники (СВЧиКР)
Пояснительная записка к дипломному проекту
К оммутационно-фильтровое устройство радиолокатора непрерывного излучения с частотной манипуляцией и модуляцией
СОДЕРЖАНИЕ
ВВЕДЕНИЕ
1Волноводные фильтры
2Волноводно-микрополосковый переход
3Критерий качества полосно-пропускающих фильтров
ВВЕДЕНИЕ
Использование диапазонов сантиметровых волн для создания систем связи, локации, навигации, проведение сложных научных экспериментов позволяет получать результаты, недостижимые в других частотных диапазонах.
За последние годы резко возросли уровень и объем требований, предъявляемых к частотным характеристикам устройств, в которых используется диапазон сверхвысоких частот (радиорелейные линии, радиолокаторы, радиотелескопы и др.). Соответственно росту требований усложнился тракт, направляющий энергию от генератора СВЧ колебаний к нагрузке; в настоящее время направляющая система, помимо собственно фидера (волновода, коаксиальной линии и т.п.), включает большое число различных фидерных устройств: фильтрующих, согласующих, ответвляющих, суммирующих и др.
Фильтры – основной элемент многих радиотехнических устройств. Они используются для разделения или сложения сигналов разных частот в многоканальных системах связи или в узлах радиотехнических устройств. Спектр электромагнитных колебаний ограничен, и его отдельные участки необходимо отделить один от другого; фильтры используются для того, чтобы излучения радиопередатчиков были ограничены заданными пределами спектра; и наоборот, другие фильтры используются для защиты приемников от помех, расположенных вне их рабочей полосы частот.
Частотные характеристики фильтров должны удовлетворять жестким требованиям; соответствующий этим требованиям расчет систем называют синтезом.
При решении задач синтеза СВЧ устройств использование прямых электродинамических методов чрезвычайно затруднительно. Поэтому на практике используется приближенный компромиссный метод, дающий достаточно хорошие результаты.
Компромиссный метод состоит в том, что исходные позиции ограничиваются определенным кругом изученных простейших фидерных элементов, например, отрезков линий, диафрагм, штырей и др., обладающих некоторыми известными конструктивными и электрическими параметрами. Параметры этих элементов определяются методами электродинамики. Сложное соединение таких элементов рассчитывается с помощью матричного аппарата теории цепей в предположении, что матрицы, описывающие эти элементы, остаются неизменными при любом сложном соединении элементов. При этом предполагается, что зона возмущенного поля вблизи неоднородности в фидере локализована в непосредственной близости от элемента, а взаимодействие элементов осуществляется лишь на основном типе волны.
Цепь СВЧ с заданной частотной характеристикой строится из заранее выбранных звеньев. Особым типом звена является отрезок однородного фидера. Каскадное соединение таких отрезков с различными волновыми сопротивлениями широко применяется при синтезе.
В сложном процессе совершенствования радиотехнических систем СВЧ диапазона широко используются новейшие достижения в области электроники СВЧ, современной элементной базы и материаловедения в сочетании с комплексным подходом к проектированию и оптимизации параметров систем и устройств. Хотя за последние годы предложено большое число конкретных вариантов СВЧ фильтров, тем не менее интенсивный поиск новых типов фильтров продолжается и в настоящее время. Данное обстоятельство отражает два принципиальных момента:
1. Исключительно разнообразие требований, предъявляемых к фильтрам (вносимое затухание, избирательность, побочные полосы пропускания, допустимый уровень СВЧ мощности, габаритные размеры, устойчивость при изменении внешних механико – климатических условий и т. д.), что порождает соответствующее разнообразие конструкций.
2. Объективные трудности проектирования универсального фильтра, обеспечивающего “ абсолютное ” решение проблемы.
В этой ситуации задачу проектирования оптимального СВЧ фильтра целесообразно рассматривать как реализацию компромисса между отдельными, часто противоречивыми требованиями в пространстве соответствующих показателей качества [ ]. Особенно остро здесь стоит проблема создания узкополосных фильтров, обладающих минимальными потерями и габаритными размерами, высоким уровнем подавления паразитных полос пропускания при повышенной избирательности. Немаловажную роль играют также вопросы улучшения технологичности конструкций фильтров, высокой устойчивости и воспроизводимости их электрических характеристик, простота настройки. Необходимость формирования заданных частотных характеристик фильтров, при жестких ограничениях на габаритные размеры и массу существенно осложняют задачи разработки и проектирования их как в теоретическом, так и экспериментальных аспектах. Учитывая общую тенденцию миниатюризации радиотехнических СВЧ систем, увеличение концентрации энергии электромагнитного поля и непрерывное повышение требований в части электромагнитной совместимости (ЭМС), комплексное решение задач проектирования и практической реализации оптимальных СВЧ фильтров, а также обобщение накопленного опыта их проектирования представляется весьма актуальными.
1 Волноводные фильтры
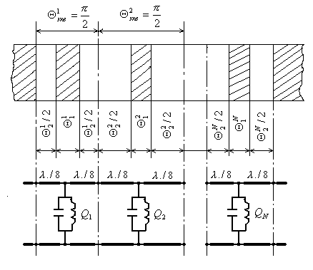
Фильтры диапазона СВЧ обычно представляют собой каскадное соединение объемных резонаторов. Получили распространение два способа включения резонаторов в цепочку: непосредственное (фильтры с непосредственными связями – рис.1), с помощью отрезков линии (фильтры с четвертьволновыми связями – рис.2).
Рисунок 1. Схематическое изображение фильтра с непосредственными связями между резонаторами
К преимуществам фильтров с четвертьволновыми связями относится удобство их настройки, которая может осуществляться поэлементно.
К недостаткам – большие габариты, а также ограничения по полосе частот (не более 10-15%), в которой сохраняется приемлемая точность расчета.
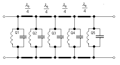
Метод расчета включает в себя два этапа: сначала рассчитывается некоторая, принятая в качестве прототипа, схема из LC элементов, далее этой схеме ставится в соответствие фильтр СВЧ и определяются параметры всех его объемных резонаторов. Прототипом принят полосно-пропускающий фильтр, изображенный на рис.3; задачей его расчета является определение нагруженных добротностей Q контуров по заданной частотной характеристике рабочего затухания (собственная добротность контуров предполагается при этом бесконечной).
Рисунок 2. Схематическое изображение фильтра с четвертьволновыми связями
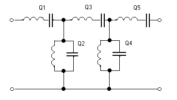
После расчета прототипа переход к фильтру СВЧ облегчается изменением прототипной схемы и приведением ее к виду, изображенному на рис.4.
Рисунок 3. Схема прототипа
Рисунок 4. Видоизмененная схема прототипа
Эквивалентность схем, изображенных на рис.3 и 4, сохраняется в полосе до 20%; причиной ограничений является частотная чувствительность четвертьволновых отрезков линии.
Рисунок 5. Частотная характеристика прототипа
Ниже дана последовательность операций синтеза прототипа. Прежде всего необходимо задать шесть величин, характеризующих требуемые электрические свойства фильтра(рис.5):
граничные частоты полосы пропускания fп и f-п ;
граничные частоты заграждения fз и f-з ;
максимальное затухание в полосе пропускания bп (или допуск на рассогласование |Г|мах );
минимальное затухание в полосе заграждения bз .
Первый этап синтеза состоит в выборе конкретной формы функции рабочего затухания. Наиболее распространены два вида этой зависимости:
чебышевская
и максимально плоская
.
Где Tn – полином Чебышева 1-го рода n-го порядка;
n – число звеньев фильтра;
- частотная переменная;
h – амплитудный множитель;
;
;
S – масштабный множитель;
при
;
;
- добротность (по уровню 3 дБ) фильтра с максимально плоской характеристикой.
Для чебышевского фильтра:
;
и для фильтра с максимально-плоской характеристикой:
.
При этом
;
;
где bп и bз даны в дБ
и
.
Второй этап синтеза заключается в определении коэффициента передачи Т11
по заданному в виде функции
квадрату его модуля. Для этой цели необходимо найти корни уравнения
![]()
и представить функцию рабочего затухания в виде произведения двух комплексно-сопряженных множителей:
.
Где h1 ,h2 ,…, hn – корни, расположенные в верхней полуплоскости комплексной переменной h;
h* 1 ,h* 2 ,…, h* n – сопряженные корни.
В качестве Т11 выбираем тот из сомножителей в (), корни которого лежат в верхней полуплоскости, т.е. соответствуют устойчивому полиному.
Третий этап синтеза состоит в определении сопротивления холостого хода Zxx
фильтра по найденному значению Т11
. Если в заданной функции рабочего затухания ![]()
полином
- нечетный, то фильтр будет симметричным; его сопротивление холостого хода следует определять по формуле:
.
Если же
- четный полином, то соответствующий фильтр антиметричный и сопротивление холостого хода вычисляется по формуле:
.
В последнем случае в схеме может понадобиться идеальный трансформатор, обеспечивающий
; это характерно для чебышевских фильтров с четным числом звеньев.
Четвертый этап синтеза заключающийся в определении числовых значений ветвей лестничной схемы. С этой целью найденное значение сопротивления холостого хода Zxx разлагается в цепную дробь:
;
и коэффициенты к1
, к2
,…
, кn
отождествляются с элементами лестничной схемы. Если синтезируется полосно-пропускающий фильтр, то
и к1
, к2
,…
, кn
соответствуют добротностям параллельных и последовательных контуров в ветвях лестничной схемы.
Приведенный выше метод в первоначальном своем виде неудобен при расчетах вследствие громоздкости и значительной вероятности ошибок.
Известны два способа преодоления этих трудностей. В первом способе выявляются общие закономерности в распределении добротностей контуров лестничной схемы; эти закономерности исследуются при разложении Zxx в цепную дробь и затем (по индукции) обобщаются. Наиболее простой закон распределения добротностей в фильтре с максимально плоской характеристикой:
,
где Qm – требуемая добротность m-го звена;
Qф – заданная добротность всего фильтра;
n – число звеньев фильра.
Второй способ преодоления расчетных трудностей заключается в полной каталогизации всех трудоемких процессов расчета.
Приведем пример расчета полосно-пропускающего фильтра (ППФ) по следующим произвольно заданным характеристикам:
ГГц;
ГГц;
ГГц;
;
дБ;
тип характеристики – чебышевский.
1.Определим число звеньев фильтра:
;
;
;
;
;
;
Выбираем
.
Определяем нормированную добротность каждого звена фильтра пользуясь табулированными значениями приведенными в [ ]:
;
;
3. Находим абсолютные значения добротностей:
;

4. Вычислим начальные добротности:
.
Аналогично вычисляем
![]()
с той лишь разницей, что контуры расположенные не на краях цепочки, а внутри имеют приращение
вместо
.
5. По графикам приведенным в [1,2] находим соответствующие проводимости индуктивных неоднородностей:

6. По графику в [1,2] находим относительные, а затем и абсолютные значения диаметров штырей:
мм;
мм;
мм;
7. Определим длину объемных резонаторов:
мм;
и аналогично
мм;
мм;
8. Вычислим расстояние между контурами:
мм;
мм;
Для объективной оценки основных параметров СВЧ фильтров специалисты используют понятие габаритного индекса потерь (G) [3,7], которое включает такие характеристики, как объем, затухание, избирательность, число звеньев и полосу пропускания.
Полоснопропускающий фильтр, имеющий наименьшую величину габаритного индекса потерь, считается оптимальным. Экспериментальные значения G для основных типов ППФ СВЧ для различных диапазонов длин волн приведены в [3]; исходя из них следует, что критерий качества фильтра (габаритный индекс потерь) ограничен по своему наименьшему значению.
Среднее значение G для длины волны
см составляет 0,8
.
Рассчитаем G по следующей формуле:
;
где
- потери ППФ;
V – эффективный объем ППФ в
;
n – число резонаторов;
- относительная полоса пропускания.
.
Вывод: фильтр рассчитан рационально.
Идея использования многослойных структур для фильтрации электромагнитных волн первоначально была успешно реализована в оптическом диапазоне. В 60 – 70-е годы эти же принципы фильтрации были перенесены в СВЧ диапазон, где в качестве волноведущих элементов широко используются как различные типы линии передачи, так и волны в свободном пространстве. Основными преимуществами, которые достигаются в таких фильтрах, являются: широкий частотный диапазон использования (0,5…30 ГГц); простота конструкции; низкий уровень вносимых потерь; высокий уровень пропускаемой мощности (до нескольких киловатт). К недостаткам ВДР, использующих традиционные волноведущие конструкции, следует отнести большие поперечные размеры, которые в основном определяются поперечными размерами волновода, и довольно низкие значения нагруженной добротности резонансных звеньев, что вынуждает увеличивать их число.
Для устранения отмеченных недостатков используют три направления:
1. Применение в качестве резонаторов структуры типа «А- сэндвич» с четвертьволновыми связями. Здесь нагруженная добротность существенно возрастает, но поперечное сечение остаётся довольно большим, так как необходимо обеспечить режим распространения основной волны на участке четвертьволновой связи.
2. Увеличение относительной диэлектрической проницаемости диэлектрических элементов, что приближает их к диэлектрическим резонаторам.
Однако спектр собственных колебаний ДР оказывается весьма насыщенным , в результате чего возможно появление нежелательных побочных полос пропускания в фильтрах, если не приняты специальные меры для их подавления.
3. Одновременное уменьшение поперечных размеров линии передачи и увеличение проницаемости ДЭ, когда рабочие частоты оказываются ниже критической частоты основной волны регулярной линии передачи (запредельный режим). В конструкции фильтра тогда можно достаточно четко выделить отрезки линий передачи с распространяющимися или затухающими волнами, которые чередуются в определённой последовательности. Такие фильтры естественным образом сопрягаются с СВЧ элементами, выполненными на волноводах, полностью заполненных диэлектриком, что создаёт условия для комплексной миниатюризации СВЧ устройств. Запредельные области легко создаются за счет нарушения однородности диэлектрического заполнения. Эти же области благоприятствуют разрежению спектра собственных колебаний резонансных элементов ВДФ.
Одномодовые волноводно – диэлектрические фильтры.
Для описания ВДР с плоскими слоями удобно ввести понятие обобщённого резонансного звена.

Физическая структура модели одномодового ВДФ
Обобщённое звено (рис. ) состоит из двух одинаковых отрезков запредельного волновода сечением
, длиной
, заполненного средой с проницаемостью
, и диэлектрического слоя с проницаемостью
длиной
. Электрические длины диэлектрического слоя и запредельных участков обозначим
и
(рис. ).
Представление обобщённого звена ВДФ в виде четырёхполюсника
Обобщенное звено обладает резонансными свойствами и может быть представлено в виде четырёхполюсника, характеризуемого внешними параметрами: центральной частотой
и нагруженной добротностью
(рис.).

Представление обобщённого звена ВДФ в виде четырёхполюсника
Внешние параметры
и
однозначно определяются внутренними параметрами
и
, зависящими от конструктивного исполнения ВДР.
Использование обобщённых звеньев при анализе и синтезе многозвенных ВДФ в качестве базового элемента позволяет избежать искусственного разделения функций диэлектрического слоя и запредельных участков в формировании частотных характеристик и сократить число переменных, подлежащих определению при решении задачи синтеза ВДФ.
Волноводно-диэлектрический фильтр N-го порядка представляет собой каскадное соединение N обобщённых резонансных звеньев. Следует выделить три основных способа соединения обобщённых звеньев (рис. ), получивших наибольшее распространение на практике: непосредственное соединение обобщённых звеньев; соединение обобщённых звеньев через дополнительные участки запредельного волновода; соединение обобщенных звеньев через реактивные элементы, в роли которых обычно используются индуктивные диафрагмы.
Различным способам соединения обобщённых звеньев соответствуют различные типы реализуемых АЧХ. Так анализ структуры [ ] функции рабочего затухания
N-звенного фильтра показывает возможность реализации при непосредственном соединении обобщённых звеньев АЧХ максимально плоского типа при N произвольном и чебышевских АЧХ при N нечётном, так как на центральной частоте структуры данного типа обеспечивают полную передачу энергии
.
Для реализации чебышевских АЧХ при N четном связь обобщённых звеньев должна осуществляться через дополнительные отрезки связи, имеющие электрическую длину
и выполненные на запредельном волноводе того же сечения, что и запредельный волновод обобщённого звена (рис. ).
Для связи обобщённых звеньев используют в определённых случаях металлические диафрагмы (рис. ). Введение металлических диафрагм в волноводно-диэлектрическую структуру позволяет уменьшить продольные габариты фильтров, в значительной степени уменьшить влияние паразитных колебаний в области частот выше критической частоты волновода.

Непосредственное соединение обобщённых звеньев
Соединение обобщённых звеньев через дополнительные участки запредельного волновода.
Соединение обобщённых звеньев через реактивные элементы
Аналитический синтез ВДФ основан на сравнении внешних параметров обобщённых звеньев
,
и нормированных параметров
фильтров-прототипов с чебышевскими и максимально плоскими АЧХ. Расчет параметров
фильтров-прототипов подробно рассмотрен в [ ] и для инженерных расчётов составлены соответствующие таблицы.
Эквивалентная схема многозвенного ВДФ приведена на (рис. .) Каждое обобщённое звено эквивалентно резонансному контуру с нагруженной добротностью
. Фазовый набег или эквивалентная электрическая длина
. Таким образом, каскадное соединение N обобщённых звеньев можно рассматривать как систему из резонансных контуров, соединённых через четвертьволновые участки линии или идеальные инверторы. Эквивалентная схема ВДФ оказывается тождественна схеме полосно-пропускающего фильтра-прототипа, используемого для расчета большинства типов СВЧ фильтров.
Эквивалентная схема многозвенного ВДФ
Задача синтеза ВДФ включает следующие этапы:
1. Выбор требуемого распределения нагруженных добротностей
звеньев для реализации заданной АЧХ. Этот этап проводится при помощи таблиц параметров фильтров-прототипов
[ ] или
[ ].
2. Выбор диэлектрических материалов и геометрии запредельного волновода.
3. Определение внутренних параметров обобщённых звеньев
,
по известным внешним параметрам
и
.
4. Определение длин дополнительных отрезков связи
при реализации чебышевских АЧХ четного порядка.
5. Определение конструктивных размеров ВДФ в соответствии с выбранной схемой реализации (рис. ).
Рассчитаем ВДФ со следующими параметрами:
1. Определим длину диэлектрического слоя
, одинаковую для всех обобщённых звеньев в узкополосных ВДФ :
мм
Где
![]()
![]()
2. Вычисляем крайние частоты резонансных звеньев с заданными нагруженными добротностями
:
![]()
ГГц
ГГц
ГГц
3. Вычислим вспомогательные величины
,
,
,
и
запредельного участка:
![]()
см
см
см
где
-скорость света;
![]()

где
-размер широкой стенки волновода;


![]()

4. Определим конструктивные размеры обобщённых звеньев ВДФ:
а) длину диэлектрических слоёв с
:

мм
мм
мм
б) длины запредельных участков:

мм
мм
мм
После определения всех
и
определяются конструктивные размеры ВДФ в целом, согласно рис. , при этом расстояния между диэлектрическими слоями
и
равны
.
Проведённый приближённый расчёт приемлем для расчёта фильтров с полосой пропускания менее 5%.
Способы возбуждения ВДФ и особенности синтеза входных звеньев. Возбуждение ВДФ может быть осуществлено различными способами: при помощи стандартных прямоугольных волноводов; волноводов, заполненных диэлектриком с проницаемостью
, коаксиально-волноводными переходами, выполненными в виде петель и штырей возбуждения; штырями, связанными с микрополосковыми и копланарными линиями (рис). Различные варианты возбуждения имеют специфические особенности и, по-видимому, вряд ли могут быть строго рассчитаны на основе единого подхода.
Приближённые эквивалентные схемы, соответствующие различным вариантам возбуждения, в большинстве случаев могут быть сведены к общему представлению сочленения ВДФ и подводящей линии в виде шунтирующей проводимости
(рис. ). Величина проводимости
находится приближёнными электродинамическими методами или экспериментально.
Способы возбуждения ВДФ
а – прямоугольным волноводом; б – заполненным прямоугольным волноводом; в – сопряжение с коаксиальным трактом при помощи петли; г - сопряжение с коаксиальным трактом с помощью штыря; д – сопряжение с микрополосковой линией; е – сопряжение с копланарной линией.
Рассмотрим влияние реактивностей, включенных на входе и выходе обобщённого звена, на его основные параметры. Обозначим матрицу передачи шунтирующей проводимости
. Тогда результирующая матрица соединения
![]()
где
; b-ненормированная проводимость;
-матрица передачи обобщённого резонансного звена. Выполняя операцию умножения, получим из:
Обобщённое звено с шунтирующими проводимостями на входе и выходе
![]()
![]()
;
;
;
;
.
Запишем элемент волновой матрицы передачи
для обобщённого звена с шунтирующей проводимостью на входе и выходе:

;
;
;
.
Частотные характеристики обобщённого звена с индуктивными проводимостями на входе и выходе, рассчитанные по, приведены на рис. . Увеличение величины проводимости приводит к повышению резонансной частоты и увеличению внешней добротности звена. Включение на входе и выходе обобщённого звена ёмкостной реактивности, напротив, приводит к уменьшению внешней добротности при увеличении
(рис. ). Влияние ёмкостной реактивности имеет более сложный характер по сравнению с индуктивной. При достижении нормированной проводимости значения
характер её влияния резко меняется и при
нагруженная добротность резко увеличивается по мере возрастания
, резонансная частота при этом уменьшается. Такое влияние ёмкостной реактивности при больших величинах
объясняется её шунтирующим действием на входе и выходе звена. Очевидно, что неограниченное увеличение
в пределе приведёт к случаю ВДР, ограниченного металлическими торцевыми стенками. В дальнейшем рассмотрении случай больших
с ёмкостным характером не представляет практического интереса, так как ёмкостные винты используются лишь для незначительной подстройки параметров связи и их проводимость
. Заметим, что при больших значениях
винт уже обладает резонансными свойствами, что может приводить к возникновению неконтролируемых паразитных полос пропускания в многозвенных фильтрах. Глубина погружения винта не превышает обычно половины высоты волновода [ ].
Получим условие резонанса обобщённого звена с учётом проводимости на входе и выходе в форме, удобной для синтеза, приравняв
к нулю в формуле:
.
На рис. приведены зависимости резонансных электрических длин
обобщённых звеньев от индуктивной нормированной реактивности
. Увеличение реактивности
приводит к увеличению
, обеспечивающей резонанс на заданной частоте. Пределы изменения электрической длины определяются из решения задачи о собственных частотах для ВДР с металлическими торцевыми стенками и уравнения ( ), определяющего резонансные условия обобщённого звена без шунтирующих проводимостей. Максимально достижимое значение
соответствует случаю короткого замыкания обобщённого звена и может быть определено по формуле
,
где
,
- продольные волновые числа в диэлектрическом слое и запредельном волноводе. В соответствии с ( ) при отсутствии переотражений 
.
Анализ ( ) и ( ) показывает, что диапазон изменения
в значительной мере зависит от длины запредельного волновода и при удалении точек подключения шунтирующих проводимостей их влияние на длину резонансного слоя
уменьшается и в пределе, когда
, равны электрической длине диэлектрического слоя, обеспечивающей резонанс на собственной частоте ВДР.
Получим выражение внешней добротности обобщённого звена с шунтирующей проводимостью на входе, учитывая, что в отсутствии потерь
.
,
;
;
.
Полагая, что
и не зависит от частоты, опуская промежуточные выкладки, запишем выражение для внешней добротности обобщённого звена с реактивностью на входе
,
;
;
;
.
Входящая в ( ) величина электрической длины диэлектрического слоя определяется при условии
:
.
Использование полученных выражений для внешней добротности ( ) и резонансных условий ( ) позволяет скорректировать длину запредельного участка и диэлектрического слоя входного и выходного звеньев фильтра с учётом влияния шунтирующей проводимости элементов возбуждения ВДФ.
Длина входного отрезка запредельного волновода находится так:
,
где
-решение ( ) для заданного значения шунтирующей проводимости входа
.
Длина диэлектрического слоя определяется следующим образом:
,
где
определяется по ( ), а
- электрическая длина слоя в случае согласованного включения ( ).
Методика синтеза входных звеньев реализована в программе _______.
Расчёт ВДФ. С возбудителем.
Рассчитаем ВДФ, удовлетворяющий требованиям раздела __.
Возбуждение фильтра осуществляется волноводным сечением ![]()
.
Следует отметить, что при расчёте фильтров с произвольным числом звеньев корректируются только размеры входного (выходного) запредельного участка и длины диэлектрических вкладышей первого и последнего звеньев.
Осуществляем корректировку длины входного звена с учётом реактивности входа:
а) рассчитаем проводимость стыка волноводов, нормированную к
:

Где
см;
.
б) вычислим внешнюю добротность ВДФ, пользуясь таблицей:
![]()
где
-
.
в) решая уравнения ( ), находим для
и
геометрические размеры входного и выходного звеньев:
мм;
мм.
2 Волноводно-микрополосковый переход
В последние годы всё более широкое применение находит техника гибридно-интегральных схем (г.и.с.) в сантиметровом диапазоне волн. Как для проведения измерений параметров г.и.с. СВЧ, так и при соединении их в системах, актуальной становится задача создания коаксиально- или волноводно-микрополосковых переходов с широкой полосой, низким к.с.в.н. и малыми вносимыми потерями.
3 Критерий качества полосно-пропускающих фильтров
Проектирование современной радиоаппаратуры наряду с другими проблемами неизменно связано со сложностью миниатюризации элементов и узлов, технологичности их выполнения и соответствия требованиям по электромагнитной совместимости. Многоканальность радиоэлектронных систем приводит к существенному увеличению количества полосно-пропускающих фильтров (ППФ) диапазонов УВЧ, ОВЧ, СВЧ, причём требования к их избирательности, миниатюризации, технологичности непрерывно возрастают. Указанные требования часто взаимно противоречивы, что приводит к поиску компромиссных решений.
В течении длительного времени сравнение различных фильтров между собой проводилось по отдельно взятым параметрам (или по селективности, или по потерям, или по полосе пропускания) без учёта некоторой зависимости между ними. Эта методика приемлема и в настоящее время для крупногабаритных фильтров.
Положение существенно меняется при предъявлении к фильтрам требования миниатюризации. Дело в том, что в миниатюрных фильтрах (в отличие от крупногабаритных фильтров) все основные параметры функционально связаны между собой: например, увеличивая селективность, мы заметно увеличиваем потери; сужая полосу, мы снова увеличиваем потери и т. д. Таким образом, сравнение миниатюрных фильтров по отдельно взятым параметрам будет некорректным: необходимо оценивать систему основных параметров в целом. Именно поэтому