| Скачать .docx |
Курсовая работа: Курсовая работа: Исследование обратной связи в усилителях
Министерство образования Республики Беларусь
Учреждение образования
«Гомельский государственный университет имени Ф.Скорины»
Физический факультет.
Кафедра радиофизики и электроники.
Исследование обратной связи в усилителях.
Курсовая работа.
Выполнил студент группы Ф-31
Петриков А.Н.
Научный руководитель
Богданович В.И.
Гомель 2008 г.
Реферат
Курсовая работа 18 страниц, 15 рисунков
Ключевые слова: ток, напряжение, усилитель, обратная связь, база, эмиттер, коллектор, коэффициент усиления, коэффициент передачи обратной связи, конденсатор, резистор, транзистор.
Целью работы являлось исследование влияния обратной связи на работу усилителя и изготовление лабораторного модуля для исследования обратной связи.
В курсовой работе были изучены различные виды обратных связей, проведено теоретическое и практическое исследование влияния отрицательной обратной связи по току на работу усилителя.
Разработана схема лабораторного модуля для проверки влияния обратной связи, выполнено ее моделирование и изготовление. Проведена экспериментальная проверка и по полученным результатам сделаны выводы.
Содержание
Введение ……………………………………………………………………….…4
1 Теоретическая часть
1.1 Теоретические сведения. …………………………….……………….….......5
1.2 Структурные схемы различных видов обратной связи……………...…..…8
1.3 Использование обратной связи в различных функциональных устройствах на операционных усилителях………………………………………………...…11
2 Экспериментальная часть ……………………………………….……………13
2.1 Расчет элементов усилителя …………………………………..……………13
2.3 Разработка и проверка схемы усилителя с обратной связью…..............…14
Заключение ………………………………………………….……………...……17
Литература ……………………………………………………………..………..18
1.Теоретические сведения
Обратная связь представляет передачу выходного сигнала усилителя на его вход. Обратные связи позволяют изменять характеристики, как отдельных каскадов усилителей, так и усилителей в целом.
Наиболее часто используется отрицательная обратная связь, при которой полярность подводимого ко входу напряжения обратной связи противоположна полярности напряжения входного сигнала. Отрицательная обратная связь уменьшает коэффициент усиления, но при этом уменьшаются также частотные и нелинейные искажения, и стабилизируется характеристики усилителя.
При положительной обратной связи полярность напряжения входного сигнала и полярность напряжения обратной связи одинаковы. Это приводит к возрастанию коэффициента усиления при снижении стабильности работы схемы. При некотором уровне положительной обратной связи усилитель вообще не имеет устойчивого состояния и превращается в генератор электрических колебаний.
Структурная схема усилителя с обратной связью показана на рис.1.
Суммирующий узел
|
|
Цепь обратной связи
Рисунок1.
Пассивная электрическая цепь, через которую сигнал с выхода усилителя подается на его вход, называется цепью обратной связи. Усилитель вместе с цепью обратной связи образует замкнутый контур, именуемый петлей обратной связи. Ту часть схемы, которая из напряжения генератора (Uг) и напряжения обратной связи вырабатывает управляющее выходным током активного элемента усилителя напряжение (Uвх), называют суммирующим узлом.
Коэффициенты усиления усилителя без обратной связи (К) и с обратной связью (Ко.с.) определяются соответственно:
,
(1)
Коэффициент передачи цепи обратной связи, называемый чаще коэффициентом обратной связи:
(2)
Напряжение на выходе усилителя на рис.1:
, (3)
откуда
(4)
Т.е. коэффициент усиления усилителя, охваченного обратной связью, изменяется в (1- β К) раз по сравнению с исходным. Если модуль Ко.с. больше модуля К, то обратная связь называется положительной, если модуль Ко.сменьше модуля К, - отрицательной.
Величину (1- β К) называют глубиной обратной связи, произведение β К-петлевым усилением.
Коэффициент усиления усилителя возрастает при положительной обратной связи и уменьшается при отрицательной. Особый интерес представляет случай, когда усилитель с большим исходным коэффициентом усиления охвачен глубокой отрицательной обратной связью. Тогда из (.4) имеем
(5)
Таким образом, усиление подобного рода устройств почти не зависит от характеристик активных элементов, а полностью определяется параметрами цепи обратной связи. Так как цепь обратной связи состоит только из пассивных элементов, которые сравнительно легко сделать высокостабильными, то коэффициент усиления при этом будет стабильным.
В общем случае, считая β=const и дифференцируя (4) по К, получаем

или
(6)
т.е. введение в усилитель отрицательной обратной связи уменьшает относительную нестабильность коэффициента усиления на глубину обратной связи в (1- β К) раз.
Отрицательная обратная связь расширяет полосу пропускания исходного усилителя, т.е. в (1- β К) раз снижает нижнюю граничную частоту и повышает верхнюю (рисунок 1.2).

Рисунок 1.2- Графики частотной характеристики RC-каскада без обратной связи (1) и того же каскада после введения отрицательной обратной связи (2).
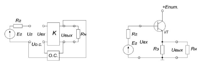
По способу присоединения цепи обратной связи ко входу усилителя различают последовательную (рисунок.1 2 а,б) и параллельную (рисунок 1.2 в.г) обратные связи. Способ подключения цепи обратной связи к выходу усилителя позволяет получить связь по току (рисунок 1.2 б,г) или напряжению (рисунок 1.2 а,в).
2 Структурные схемы различных видов обратной связи.

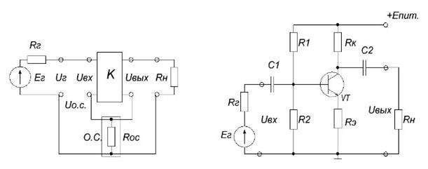
Рисунок 1.3-Структурная схема и пример соответствующей принципиальной схемы, содержащей последовательную обратную связь по напряжению.

Рисунок 1.4-Структурная схема и пример соответствующей принципиальной схемы, содержащей последовательную обратную связь по току.

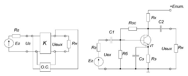
Рисунок 1.3-Структурная схема и пример соответствующей принципиальной схемы, содержащей параллельную обратную связь по напряжению.

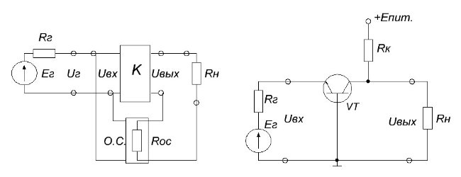
Рис.4. Структурная схема и пример соответствующей принципиальной схемы, содержащей параллельную обратную связь по току.
Введение в усилитель последовательной по току или по напряжению отрицательной обратной связи увеличивает его входное сопротивление, а параллельной – уменьшает в (1- β К) раз.
Отрицательная обратная связь по напряжению (параллельная или последовательная) уменьшает исходное (без о.с.) значение выходного сопротивления, а по току–увеличивает в (1- β К) раз.
Усилитель с отрицательной обратной связью обязательно исследует на устойчивость против самовозбуждения. Усилитель с обратной связью будет работать устойчиво (не переходит в режим генерирования колебаний), если ни при каких условиях его использования знаменатель в формуле (4) не обращается в ноль.
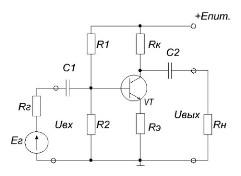
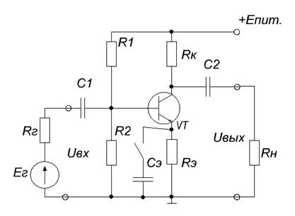
Если из эммитерной цепочки RC-каскада исключить конденсатор, то в него будет введена последовательная по току отрицательная обратная связь (рис.4).
Пусть транзистор VT имеет крутизну рабочего участка передаточной вольт–амперной характеристики S. Тогда коллекторный ток, вызванный входным сигналом, будет равен
![]()
Протекая через резистор Rк, этот ток создает выходное напряжение
![]()
Здесь знак минус отражает тот факт, что с увеличением коллекторного тока понижается напряжение на коллекторе.

Рис.5. Принципиальная схема RC-каскада с последовательной отрицательной обратной связью по току.
Т.к. iб<<iэ, iк=iэ-iб≈iэ , падение напряжения на Rэ (напряжение обратной связи) можно считать равным
![]()
По определению (2) коэффициент обратной связи

По определению (4) коэффициент усиления усилителя с обратной связью

Использование обратной связи в различных функциональных устройствах на операционных усилителях.
На основе операционных усилителей с помощью внешних цепей обратной связи можно строить различные функциональные устройства.
Рассмотрим несколько примеров.

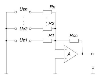
Рисунок 1.6- Аналоговый сумматор.

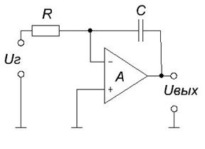
Рисунок 1.7- Интегратор.

Рисунок1.8- Дифференциатор.

Рисунок 1.9- Логарифматор.

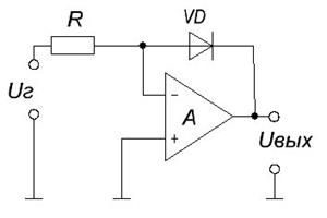
Рисунок 1.10- Антилогарифматор.
2 Экспериментальная часть
Для экспериментальной проверки влияния обратной связи на работу усилителя была рассчитана и создана схема усилителя с общим эмиттером (на основе биполярного транзистора КТ315Б), в которую искусственно введена последовательная отрицательная связь по току.

Рисунок 1.11- Принципиальная схема для проверки влияния последовательной отрицательной обратной связи по току на работу усилителя.
2.1 Расчет элементов усилителя.
1) Используемое напряжение питания 12В.
2) Сопротивление коллектора выбирается в диапазоне от 1кОм до 8кОм. Rк=4.7кОм.
3) Ток коллектора выберем таким образом, чтобы напряжение на коллекторе имело значение половины напряжение питание. Iк=6/4.7=1.277мА.
4) Сопротивление эмиттера выбирается примерно в десять раз меньше сопротивления коллектора. Rэ=560 Ом
5) Зная коэффициент передачи транзистора КТ315Б (h21=50), находим ток базы покоя. Iб= Iк/h21=1.277/50=0.02554 мА.
6) Uэ=1.3мА*560Ом=0.728В.
7) Uб= Uэ +0.75=1.478В.
8) Ток делителя выбирается от двух до восьми токов базы, исходя из того что, чем больше ток делителя, тем стабильнее работа усилителя, но меньше к.п.д.. Iд=10*Iб
9) Rд=Uпит/Iд=12/0.0002554=46985 Ом
10) R2= Uб/Iб=1.478/0.0002554=5787 Ом (выберем резистор 5.6кОм)
11) R1= Rд - R2=46985-5787=41198 Ом (выберем резистор 39кОм)
12) Емкость конденсатора Сэ выберем из условия, что для минимальной частоты в 20Гц сопротивление конденсатора должно быть в 10раз меньше сопротивления Rэ : 1/ωСэ<< Rэ (Сэ >142мкФ).
2.2 Разработка и проверка схемы усилителя с обратной связью.
Разработка платы под схему усилителя
Для данной работы была разработана (с помощью программы layout40),а затем создана следующая схема (рис.11).

Рисунок 1.12- Плата под усилитель.
Проверка работы схемы с помощью программы ElectronicsWorkbench.

Рисунок 1.13- Схема усилителя в программе ElectronicsWorkbench.

Рисунок 1.14- Электронная осциллограмма при отсутствии обратной связи.
При отсутствии обратной связи на осциллограмме видно, что выходной сигнал значительно больше входного. Коэффициент усиления приблизительно равен К≈125.
При наличии обратной связи параметры усиления значительно меняются. Коэффициент усиления уменьшается до значения К≈8.

Рисунок 1.15- Электронная осциллограмма при наличии обратной связи
При экспериментальном исследовании разработанного модуля усилителя были получены следующие данные:
Коэффициент усиления без обратной связи К=95;
Коэффициент усиления при наличии последовательной отрицательной обратной связи по току Кос=9;
Коэффициент обратной связи β=-0.1;
Глубина обратной связи (1- β К)=10.5;
Заключение
Исследование усилителя с общим эмиттером показало: коэффициент усиления данного усилителя без обратной связи составляет приблизительно 95, что соответствует теоретическим расчетам. При отключении из эмиттерной RC-цепочки конденсатора образовывалась последовательная отрицательная обратная связь по току, что приводит к снижению коэффициента усиления до 8-9, что также соответствует теоретическим расчетам.
На основании данной схемы был собран лабораторный модуль для исследования обратной связи, который будет использоваться студентами физического факультета в лабораторных работах по курсу “Основы радиоэлектроники”.
При выполнении данной работы использовались следующие программы: ElectronicsWorkbench- для виртуального моделирования электрических схем, SprintLayout – для разводки печатных плат, Splan4.0 –для рисования схем.
Литература
1. Основы радиоэлектроники. Под редакцией Г.Д.Петрухина.- М.: Издательство МАИ, 1993.
2.Ефимчик М.К. Технические средства электронных систем: Учебное пособие. – М.: Тесей, 2006
3. Мамонхин И.Г. Усилительные устройства: Учеб. пособие для вузов.— М.: Связь, 1977.
4. Расчет электронных схем. Примеры и задачи: Учеб. пособие для вузов / Г.И. Изъюрова, Г.В. Королев, В.А. Терехов и др. — М.: Высшая школа, 1987.
5. Каяцкас А.А. Основы радиоэлектроники: Учеб. пособие для вузов. — М.: Высшая школа, 1988.
6. Манаев Е.И. Основы радиоэлектроники: Учеб. пособие для вузов. —М.: Радио и связь, 1985.
7. Головин О.В., Кубицкий А.А Электронные усилители. — М.: Радио и связь, 1983.