| Скачать .docx |
Реферат: Испытание электромагнитного реле напряжения
Цель работы: Испытать реле напряжения РН-54/160 и дать заключение о пригодности реле, сравнив результаты с техническими.
Ход работы:
1. Познакомились с устройством и электрической схемой реле. Реле реагирует на уменьшение напряжения в цепи переменного тока.

Рисунок 1 – Схема реле напряжения
VS– выпрямительный мост
R1 , R2 – для изменения предела напряжения
Напряжение срабатывания реле увеличивается в 2 раза, установка увеличивается в 2 раза.
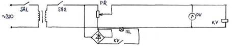
2. Познакомились со схемой испытаний, измерительными приборами и регулирующими устройствами

Рисунок 2 – Схема испытаний, измерительными приборами и регулирующими устройствами
3. Установили указатель напряжения срабатывания в положение 80 В
4. Включил питание стенда
5. Вывели сопротивление реостата до замыкания контактов
Uсраб1 = 96 В
6. Ввели сопротивление, увеличивая напряжение
Uвозв1 = 126 В
7. Включили питание стенда
8. Установили указатель напряжения срабатывания в положение 70 В
9. Уменьшили напряжение: до замыкания контактов
Uсраб2 = 81 В
10. Увеличили напряжение до размыкания контактов
Uвозв2 = 105 В
11. Выключили питание стенда
12. Установили указатель напряжения срабатывания в положение 60 В
13. Уменьшили напряжение: до замыкания контактов
Uсраб3 = 65 В
14. Увеличили напряжение до размыкания контактов
Uвозв3 = 83 В
15. Выключили питание стенда
16. Установили указатель напряжения срабатывания в положение 50 В
17. Уменьшили напряжение: до замыкания контактов
Uсраб4 = 49 В
18. Увеличили напряжение до размыкания контактов
Uвозв4 = 56 В
19. Выключили питание стенда
20. Установили указатель напряжения срабатывания в положение 40 В
21. Уменьшили напряжение: до замыкания контактов
Uсраб5 = 33 В
22. Увеличили напряжение до размыкания контактов
Uвозв5 = 41 В
23. Выключили питание стенда
24. Данные занесли в таблицу, определили значение Квозв
(6.1)
![]()
![]()
![]()
![]()
![]()
Таблица 6.1 – Данные испытаний
| Uуст, В | Uсраб, В | Uвозв, В | Квозв |
| 80 | 96 | 126 | 1,31 |
| 70 | 81 | 105 | 1,29 |
| 60 | 65 | 83 | 1,27 |
| 50 | 49 | 56 | 1,14 |
| 40 | 33 | 41 | 1,24 |
25. Для данной установки путем пятикратного изменения определили значение погрешности Uсраб , В реле относительно установки
(6.2)
![]()
(6.3)
![]()
(6.4)
![]()
![]()
![]()
![]()
![]()
Таблица 6.2 – Результаты вычислений
| Uуст, В | Uсраб1, В | Uсраб2, В | Uсраб3, В | Uсраб4, В | Uсраб5, В | ||
| 80 | 96 | 96,5 | 96 | 96 | 97 | 96,3 | 20,3 |
Допустимое значение максимального отклонения для реле напряжения не должно превышать
5%.
26. Дали заключение о пригодности реле, сравнив полученные результаты со справочными данными. Отклонение коэффициента возврата не должно превышать
0,03.
Вывод: Данное реле напряжения РН-54/160, не пригодно для использования, т. к. коэффициент возврата контакта превышает допустимое значение
0,03. напряжение срабатывания превышает напряжение установки на 20%, а допустимое значение отклонения
5%