| Скачать .docx |
Курсовая работа: Защита от изменения частоты
Содержание
Введение
1.1 Частотная разгрузка АЧР-1
1.2 Частотная разгрузка АЧР-2
1.3 Частотная разгрузка АЧР-С
1.4 Совмещенная частотная разгрузка
1.5 Включение нагрузки по частоте (ЧАПВ)
1.6 Ограничение повышения частоты (АОПЧ)
2.1 Расчет мощности нагрузки, подключаемой к АЧР
3.1 Современные устройства частотной разгрузки
Литература
Введение
Частота переменного электрического тока является одним из главных показателей качества электрической энергии, вырабатываемой генераторами электростанций и поставляемой потребителям. От частоты переменного тока зависит частота вращения электродвигателей, а, следовательно, и производительность вращаемых ими механизмов (станков, насосов, вентиляторов и т.д.). При понижении частоты их производительность понижается. Повышение же частоты приводит к перерасходу электроэнергии. Таким образом, всякое отклонение частоты от номинального значения наносит ущерб народному хозяйству. Поэтому, а также по ряду других важных причин частота переменного тока нормируется.
Номинальное значение частоты переменного тока составляет 50 Гц. Допустимое отклонение от номинального значения составляет ±0,2 Гц. Допускается кратковременная работа с отклонением ±0,4 Гц.
При условии баланса выработки и потребления активной мощности частота остается неизменной. Однако нагрузка энергосистемы, которая в каждый момент времени зависит от количества включенных потребителей и их загрузки, практически не остается постоянной, а непрерывно изменяется, что приводит к нарушению баланса.
Пока в энергосистеме имеется вращающийся резерв активной мощности, системы регулирования частоты и мощности будут поддерживать заданный уровень частоты. После того как вращающийся резерв будет исчерпан, дефицит активной мощности, вызванный отключением части генераторов или подключением новых потребителей, повлечет за собой снижение частоты в энергосистеме.
Небольшое снижение частоты (на несколько десятых герца) не представляет опасности для нормальной работы энергосистемы, хотя, как уже отмечалось выше, и влечет за собой ухудшение экономических показателей. Снижение же частоты более чем на 1—2 Гц представляет серьезную опасность и может привести к полному расстройству работы энергосистемы. Это в первую очередь определяется тем, что при понижении частоты снижается частота вращения электродвигателей, а, следовательно, и производительность приводимых ими механизмов собственного расхода тепловых электростанций. Вследствие снижения производительности механизмов собственного расхода резко уменьшается располагаемая мощность тепловых электростанций, особенно электростанций высокого давления, что влечет за собой дальнейшее снижение частоты в энергосистеме. Таким образом, происходит лавинообразный процесс — "лавина частоты", который может привести к полному расстройству работы энергосистемы. Следует также отметить, что современные крупные паровые турбины не могут длительно работать при низкой частоте из-за опасности повреждения их рабочих лопаток.
Процесс снижения частоты в энергосистеме сопровождается также снижением напряжения, что происходит вследствие уменьшения частоты вращения возбудителей, расположенных на одном валу с основными генераторами. Если регуляторы возбуждения генераторов и синхронных компенсаторов не смогут удержать напряжение, то также может возникнуть лавинообразный процесс — "лавина напряжения", так как снижение напряжения сопровождается увеличением потребления реактивной мощности, что еще более осложнит положение в энергосистеме.
Аварийное снижение частоты в энергосистеме, вызванное внезапным возникновением значительного дефицита активной мощности, протекает очень быстро — в течение нескольких секунд. Поэтому дежурный персонал не успевает принять каких-либо мер, вследствие чего ликвидация аварийного режима должна возлагаться на устройства автоматики. Для предотвращения развития аварии должны быть немедленно мобилизованы все резервы активной мощности, имеющиеся на электростанциях. Все вращающиеся агрегаты загружаются до предела с учетом допустимых кратковременных перегрузок.
При отсутствии вращающегося резерва единственно возможным способом восстановления частоты является отключение части наименее ответственных потребителей. Это и осуществляется с помощью специальных устройств автоматической частотной разгрузки (АЧР), срабатывающих при опасном снижении частоты.
Следует отметить, что действие АЧР всегда связано с определенным народнохозяйственным ущербом, поскольку отключение линий, питающих электроэнергией промышленные предприятия, сельскохозяйственных и других потребителей, влечет за собой недовыработку продукции, появление брака и т.п. Несмотря на это АЧР широко используется в энергосистеме как средство предотвращения значительно больших убытков из-за полного расстройства работы энергосистемы, если не будут приняты срочные меры по ликвидации дефицита активной мощности.
1.1 Частотная разгрузка АЧР-1
Частотной разгрузкой АЧР-1 принято называть такую разгрузку по частоте, когда отключение очередей нагрузки происходит по мере снижения частоты (иногда такую разгрузку называют быстродействующей).
Частотно-временная характеристика такой разгрузки показана на рис. 1.1, где линией 1 изображено изменение частоты f во времени при дефиците активной мощности в энергосистеме.
Срабатывание алгоритма АЧР-1 должно происходить при достижении контролируемой частотой значения Fп АЧР-1 — уставки пуска алгоритма АЧР-1. После достижения этого значения через некоторый промежуток времени ТАЧР-1 , называемый временем срабатывания, происходит отключение соответствующей очереди нагрузки. Таким образом, устройство, реализующее функцию АЧР-1, должно содержать элементы, измеряющие текущее значение контролируемой частоты и сравнивающие его с заданной уставкой по частоте.
Рассматривая работу устройства частотной разгрузки в условиях дефицита активной мощности, необходимо обратить внимание еще на один параметр, характеризующий работу энергосистемы в этих условиях, — скорость изменения контролируемой частоты fАЧР . На рис. 1.1 этот параметр показан в виде касательной f'1 , проведенной в точке перегиба линии 1, характеризующей изменение частоты во времени. Принципиально возможен и другой вариант снижения частоты, когда при потере питания со стороны системы напряжение в контролируемом узле поддерживается за счет подпитки от работающих в режиме "выбега" асинхронных двигателей. В этом случае изменение частоты происходит по линии 2 со скоростью f'2 > f'1 .
Чтобы не допустить излишних отключений нагрузки при потере питания, в алгоритм АЧР-1 необходимо ввести специальные элементы, которые должны учитывать скорость изменения частоты при формировании сигнала на отключение нагрузки и не производить отключений нагрузки в тех случаях, когда скорость изменения частоты превышает некоторое заранее установленное значение f'2 > f'бл .
Эти элементы должны обеспечивать:
•измерение скорости изменения частоты;
•сравнение текущего значения скорости с заранее заданной уставкой f'бл .
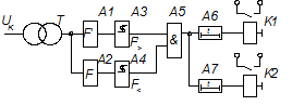
Все сказанное позволяет составить обобщенную функциональную схему алгоритма АЧР-1 (рис. 1.2).
Контролируемое напряжение UK поступает через разделительный и масштабирующий трансформатор Т на входы двух измерительных элементов А1 и А2, а текущие значения измеренных величин — на входы соответствующих пороговых элементов A3 и А4.

Рис. 1.1. Графики изменения частоты, характеризующие работу алгоритма АЧР-1

Рис. 1.2. Обобщенная функциональная схема алгоритма АЧР-1
В связи с тем что введение запрета на отключение нагрузки по скорости изменения частоты определяется характеристиками той или иной энергосистемы, в схеме предусмотрен функциональный блок, позволяющий исключить сигнал по скорости из алгоритма АЧР-1. На рис. 1.2 этот блок показан в виде ключа SA1.
Суммирование сигналов от пороговых элементов осуществляется по логической схеме И — НЕ элементом А5. Появление на выходе элемента А5 сигнала позволяет формировать команду на отключение очередей нагрузки, однако для исключения ложных срабатываний и недопущения излишних отключений нагрузки в функциональную схему алгоритма АЧР-1 включен элемент А6, обеспечивающий некоторый промежуток времени между моментом выполнения рассмотренных выше условий АЧР-1 и временем включения исполнительного реле К. Согласно действующим нормативным документам этот промежуток времени может изменяться от 0,15 до 0,3 с.
При настройке устройств частотной разгрузки для алгоритма АЧР-1 должны быть заданы:
Fп АЧР-1 — частота пуска алгоритма (элемент А3);
ТАЧР-1 — время срабатывания алгоритма (элемент А6);
f'бл — скорость изменения частоты.
1.2 Частотная разгрузка АЧР-2
Частотной разгрузкой АЧР-2 принято называть отключение нагрузки после достижения заданной уставки по частоте с некоторой, достаточно продолжительной, уставкой по времени срабатывания, или, как сказано в ПУЭ, отключение нагрузки по мере увеличения продолжительности существования пониженной частоты.
Частотная разгрузка АЧР-2 предназначена для восстановления значения частоты и недопущения работы генераторов при частоте ниже 49 Гц.
Разгрузка по алгоритму АЧР-2 происходит при медленном снижении частоты после действия разгрузки по алгоритму АЧР-1 или зависании на уровне ниже 50 Гц.
Для предотвращения излишних отключений описание алгоритма АЧР-2 должно быть дополнено следующим условием: нагрузка не должна отключаться, если до истечения промежутка времени ТАЧР-2 контролируемая частота станет равной частоте возврата алгоритма АЧР-2 fВ АЧР-2 .
Графически это показано на рис. 1.3 в виде линии 1, отображающей процесс изменения частоты, соответствующий изложенному выше условию.

Рис. 1.3. Графики изменения частоты, характеризующие работу алгоритма АЧР-2
Линия 2 на этом же рисунке представляет такой процесс изменения контролируемой частоты, при котором ее значение до момента разгрузки t3 не успевает вернуться к fВ АЧР-2 .
Функциональная схема рассмотренного алгоритма представлена на рис. 1.4.

Рис. 1.4. Обобщенная функциональная схема алгоритма АЧР-2
В отличие от ранее рассмотренной схемы (см. рис. 1.2) здесь не предусмотрен контроль скорости изменения частоты, а излишние отключения нагрузки предотвращают большой выдержкой времени на срабатывание.
Для возврата алгоритма при восстановлении значения контролируемой частоты до заранее установленного значения FB предусмотрен второй пороговый элемент А4, формирующий сигнал, поступающий на вход R триггера А8.
В алгоритм АЧР-2 введен канал, формирующий сигнал на отключение нагрузки до завершения выдержки времени, задаваемой реле времени А10, если при наличии команды Пуск АЧР-2 напряжение, поступающее на вход порогового элемента А5, станет ниже заранее заданной уставки.
В название алгоритма разгрузки, использующего информацию о значении напряжения, принято добавлять слова "с ускорением по напряжению" и обозначать как АЧР-Н.
Для исключения ложных срабатываний при кратковременных провалах напряжения и частоты в функциональной схеме предусмотрены элементы А6, А7 с фиксированным временем срабатывания.
При настройке устройств частотной разгрузки задают:
Fп ачр-2 < —частоту пуска алгоритма (элемент A3);
FB АЧР-2 > — частоту возврата алгоритма (элемент А4);
ТАЧР-2 — время срабатывания алгоритма (элемент А10);
U< — напряжение, при котором ускорение срабатывания алгоритма при замкнутом положении программного ключа S2 происходит раньше момента времени, задаваемого элементом А10.
1.3 Частотная разгрузка АЧР-С
Использование алгоритма частотной разгрузки по скорости изменения частоты (АЧР-С) позволяет значительно улучшить работу энергосистем при больших дефицитах мощности, так как дает возможность отключать нагрузку с опережением, не допуская глубокого снижения частоты.
На рис. 1.5 графически представлен процесс работы данного алгоритма.
Горизонталь 1 соответствует верхней границе значения частоты fp АЧР-С , начиная с которой разрешается действие алгоритма.
Наклонные линии 2 - 4 представляют собой графики изменений частоты f при скорости большей, равной и меньшей уставки F'yст соответственно.

Рис. 1.5. Графики изменения частоты, характеризующие работу алгоритма АЧР-С

Рис. 1.6. Обобщенная функциональная схема алгоритма АЧР-С
Пуск алгоритма должен происходить при соблюдении двух условий:
• значение контролируемой частоты достигло заданного уровня fp АЧР-С ;
• скорость изменения частоты равна уставке F'yст .
Для графика 3 эти условия выполняются в момент времени t2 . При фактической скорости изменения частоты, превышающей F'yст пуск алгоритма произойдет при том же значении частоты fp АЧР-С , но ранее, в момент t1 .
Приведенным условиям соответствует обобщенная функциональная схема алгоритма АЧР-С, приведенная на рис. 1.6. Выходы измерительных элементов А1 и А2 соединены со входами соответствующих пороговых элементов A3 и А4, а выполнение условий для пуска алгоритма контролирует элемент А5.
Для недопущения случайных отключений нагрузки при кратковременных срабатываниях пороговых элементов в функциональную схему введен элемент задержки А6. Значения F< и время задержки являются фиксированными и не изменяются.
Для обеспечения нескольких очередей разгрузки по алгоритму АЧР-С функциональная схема может быть дополнена еще одним (см. реле К2) или несколькими выходными реле и одним (см. элемент А7) или несколькими элементами задержки, выдержка времени у которых превышает выдержку времени элемента А6.
При настройке устройств, реализующих алгоритм АЧР-С, необходимо задать уставку F'> .
1.4 Совмещенная частотная разгрузка
Для более рационального отключения очередей нагрузки предусматривают объединение действия всех рассмотренных ранее алгоритмов на один исполнительный орган (выходное реле) или, как принято говорить, совмещают в любом сочетании действие разных алгоритмов на одну и ту же ступень нагрузки.
Процесс работы такого алгоритма иллюстрирует рис. 1.7, на котором совмещены все три ранее рассмотренных графика изменения частоты, характеризующих работу алгоритмов АЧР-1, АЧР-2 и АЧР-С.
Если изменение контролируемой частоты в системе будет происходить по линии 3, когда f ' > F', то отключение нагрузки произойдет в момент времени t1 .
При изменении частоты по линии 2 запуск алгоритма АЧР-С не происходит из-за изменения частоты со скоростью, меньшей уставки срабатывания этого алгоритма. Однако при достижении частотой значения Fп АЧР-1 (момент t3 ) алгоритм АЧР-1 запускается. Через промежуток времени ТАЧР-1 (момент срабатывания tcp ) алгоритм АЧР-1 срабатывает и происходит отключение нагрузки.

Рис. 1.7. Графики изменения частоты, характеризующие работу алгоритма совмещенной частотной разгрузки

Рис. 1.8. Обобщенная функциональная схема алгоритма совмещенной частотной разгрузки
Последний из рассматриваемых алгоритмов — АЧР-2 действует аналогично и, если значение контролируемой частоты не вернулось к FB АЧР-2 , срабатывает в момент t5 .
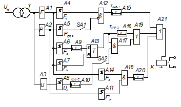
Все сказанное позволяет представить обобщенную функциональную схему алгоритма совмещенной частотной разгрузки в виде, показанном на рис. 1.8. Фактически она представляет собой объединение ранее рассмотренных обобщенных функциональных схем отдельных алгоритмов.
При настройке устройств частотной разгрузки для алгоритма совмещенной частотной разгрузки задают:
Fп АЧР-1 — частоту пуска алгоритма АЧР-1 (элемент А4);
Fп АЧР-2 — частоту пуска алгоритма АЧР-2 (элемент А6);
FB АЧР-2 — частоту возврата алгоритма АЧР-2 (элемент А 7);
Fбл — скорость изменения частоты, при достижении которой блокируется работа алгоритма АЧР-1 при замкнутом положении программного ключа SA1 (элемент А5);
F'> — скорость изменения частоты, при которой происходит запуск алгоритма АЧР-С (элемент А10);
Tачр-1 — время срабатывания алгоритма АЧР-1 (элементе А15);
Tачр-2 — время срабатывания алгоритма АЧР-2 (элементе А16);
U< — напряжение, при котором происходит ускорение срабатывания алгоритма АЧР-2 (раньше момента времени, задаваемого элементом А16) при замкнутом положении программного ключа SA2.
1.5 Включение нагрузки по частоте (ЧАПВ)
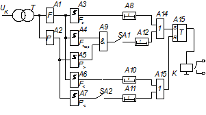
В результате срабатывания алгоритмов частотной разгрузки происходит восстановление частоты (см. графики изменения частоты во времени, показанные рис. 1.7) до значения FЧАПВ (моменты времени t4 , t7 , t8 на рис. 1.7 для линий 2, 3 и 1 соответственно), что позволяет включить нагрузку, отключенную ранее по сигналам алгоритмов АЧР. Выполнение условий, позволяющих включить нагрузку, контролирует алгоритм включения нагрузки по частоте (ЧАПВ) (рис. 1.9). Этот же алгоритм формирует соответствующие сигналы на включение нагрузки.

Рис. 1.9. Обобщенная функциональная схема алгоритма ЧАПВ
Для исключения срабатывания алгоритма ЧАПВ при пониженном напряжении сети в обобщенную функциональную схему алгоритма должен быть введен элемент, контролирующий напряжение сети и дающий разрешение на включение нагрузки только при определенном значении U> .
В обобщенной функциональной схеме алгоритма ЧАПВ (рис. 1.9) предусмотрен специальный ключ SA1, позволяющий дополнить данный алгоритм узлом контроля напряжения и тем самым учесть особенности работы энергосистемы.
В функциональной схеме предусмотрено использование внешнего, не связанного с работой алгоритма, сигнала "Запрет ЧАПВ", блокирующего работу алгоритма ЧАПВ.
При настройке работы алгоритма в реальных условиях необходимо задать следующие уставки:
Fчапв > — по частоте запуска (возврата) алгоритма ЧАПВ (элемент A3);
U> — по напряжению разрешения срабатывания алгоритма ЧАПВ при нижнем положении контакта программного ключа SA1 (элемент A4);
T — по выдержке времени алгоритма ЧАПВ (элемент А6).
Выдержка времени канала по напряжению (элемент A5) не регулируется и предназначена для устранения срабатываний при кратковременных изменениях напряжения UK .
1.6 Ограничение повышения частоты (АОПЧ)
Отделение избыточной по нагрузке энергосистемы или ее части, а также отключение значительной нагрузки приводит к повышению частоты в энергосистеме. Вместе с генераторами ГЭС увеличивают частоту вращения и работающие параллельно с ними на общую сеть турбогенераторы, что представляет опасность для турбин, приводящих их во вращение. Срабатывание автоматов безопасности турбин часто не предотвращает увеличения частоты их вращения сверх допустимой, так как после прекращения подачи пара генераторы могут перейти в режим синхронного двигателя и начать вращать турбины с частотой, соответствующей частоте сети, задаваемой гидрогенераторами.
Пусть частота изменяется в соответствии с линией 2 (рис. 1.10), достигая значения Fп аопч в момент t3 , что приводит к пуску алгоритма ограничения повышения частоты. Если и дальше частота в энергосистеме будет повышаться, то после истечения выдержки времени Таопч в момент времени t7 алгоритм сформирует сигнал на исполнительный элемент для отключения генераторов электростанции.

Рис. 1.10. Графики изменения частоты, характеризующие работу алгоритма АОПЧ

Рис. 1.9. Обобщенная функциональная схема алгоритма АОПЧ
Возможно и другое развитие событий. Частота f, изменяясь в соответствии с линией 4 на рис. 1.10, в момент времени t6 достигает значения Fп аопч , но через промежуток времени t < Таопч уменьшится до значения Fв аопч (момент времени t8 ), что должно привести к блокированию устройства, так как условие формирования сигнала исполнительного элемента с этого момента отсутствует.
Если учесть сказанное ранее о целесообразности контроля такого параметра энергосистемы, как скорость изменения частоты, то при составлении обобщенной функциональной схемы алгоритма АОПЧ необходимо рассмотреть еще два варианта изменения частоты (см. графики 1 и 3 на рис. 1.10).
Пусть при разгрузке частота в системе изменяется в соответствии с линией 1, тогда в момент времени t1 будет выполнено условие f'>F'п и алгоритм АОПЧ должен подать сигнал на исполнительный орган. Можно представить и иной процесс изменения частоты — монотонное ее возрастание с небольшой скоростью до значения Fп аопч (линия 3 на рис. 1.10, момент t4 ), когда запускается алгоритм АОПЧ, а затем быстрое снижение со скоростью f ' > F'в . В этом случае работу алгоритма необходимо остановить в момент времени t5 .
Обобщенная функциональная схема алгоритма АОПЧ, отвечающая рассмотренным условиям, приведена на рис. 1.11. В ней можно выделить две части — одна из них обеспечивает включение АОПЧ, а вторая — отключение.
Элементы, измеряющие частоту и скорость ее изменения, являются общими для этих частей, поэтому сигналы с их выходов поступают на все пороговые элементы (элементы А3 — А7) выделенных частей.
Для исключения ложных срабатываний алгоритма в обобщенную функциональную схему введены не только традиционные элементы временных задержек (А8, А10—А12), но и пороговый элемент А4. Поэтому алгоритм не реагирует на скорость изменения частоты в тех случаях, когда абсолютное значение частоты, измеряемое этим элементом, меньше 50,3 Гц.
В схему введены ключи SA1 и SA2 для того, чтобы при необходимости можно было исключать из алгоритма АОПЧ канал по скорости изменения частоты.
При настройке этого алгоритма в реальных энергосистемах необходимо задать следующие уставки:
Fп АОПЧ вкл — по частоте пуска алгоритма АОПЧ (элемент A3);
FАОПЧ откл — по частоте пуска алгоритма АОПЧ (элемент А6);
F'> — по скорости увеличения частоты (элемент А5);
F'< — по скорости уменьшения частоты (элемент А7);
Твкл — по времени срабатывания алгоритма АОПЧ (элемент А8);
Тоткл — по времени срабатывания алгоритма АОПЧ (элемент А10).
Неизменяемые временные задержки, создаваемые элементами А11 и А12, предназначены для исключения случайных срабатываний алгоритма при кратковременных колебаниях скорости изменения частоты.
2.1 Расчет мощности нагрузки, подключаемой к АЧР
В случае возникновения аварийного дефицита активной мощности ограничение режима потребления, включая использование противоаварийной автоматики, определено Федеральным законом "Об электроэнергетике" (статья 38, пункт 8).
При этом участие нагрузки потребителей в автоматической разгрузке при аварийном дефиците активной мощности должно отражаться в договорах на технологическое присоединение к электрическим сетям и электроснабжение.
Потребителей, включенных в графики ограничений и аварийных отключений, по возможности следует подключать к первым очередям АЧР.
Устройства АЧР, установленные у потребителей, рекомендуется резервировать на питающих энергообъектах устройствами с меньшими уставками по частоте или большими уставками по времени срабатывания. При этом в суммарных отчетных данных одна и та же нагрузка, подключенная к основному и резервному устройствам АЧР, должна учитываться только один раз.
Действие устройств автоматического включения резерва (АВР) должно быть увязано с действием АЧР таким образом, чтобы действием АВР не восстанавливалось питание отключенной от АЧР нагрузки от тех же или других электрически связанных источников питания.
Запрещается переключать нагрузки, отключенные устройствами АЧР, на оставшиеся в работе электрически связанные источники питания. Нагрузка потребителей, не допускающих длительного перерыва в электроснабжении, должна быть переключена на автономные (независимые) источники питания.
При наличии в энергосистеме крупных потребителей тепловой энергии от турбин электростанций следует, по возможности, не подключать к АЧР потребителей пара от электростанций из-за опасности уменьшения генерируемой мощности вследствие полного или частичного прекращения потребления пара.
Длительность отключения потребителей действием автоматической разгрузки определяется временем ликвидации аварийной ситуации и должна быть минимально возможной.
Мощность нагрузки, подключаемой к АЧР, должна выбираться из условий ликвидации расчетных дефицитов активной мощности и приниматься с некоторым запасом, необходимость которого обусловлена:
· возможностью возникновения аварийного дефицита активной мощности, превышающего расчетный;
· возможностью снижения мощности нагрузки в режимах выходных и праздничных дней, ночных и дневных часов и т.д.
Расчет аварийной разгрузки и определение расчетных дефицитов активной мощности осуществляется на основе последовательного анализа схем и режимов, начиная с аварийного отделения энергорайона, двух смежных энергорайонов и т.д., вплоть до разделения ЕЭС на части. При этом должны быть рассмотрены реально возможные аварийные режимы в нормальной и ремонтных схемах.
При выборе расчетных условий, как правило, следует исходить:
а) для изолированно работающих энергосистем – из возможности отключения наиболее мощной электростанции;
б) для небольшого энергорайона – из возможности его аварийного отделения с дефицитом мощности вследствие отключения питающих связей и/или наиболее мощного генератора (энергоблока);
в) для более крупного энергорайона или нескольких смежных энергорайонов - из возможности аварийного отделения с дефицитом мощности вследствие отключения питающих связей и/или наиболее мощной электростанции;
г) для ЕЭС в целом – из возможности аварийного ее разделения на части с дефицитом мощности в отделившейся части вследствие отключения питающих межсистемных связей и генерируемой мощности (в том числе разгрузки и отключения энергоблоков АЭС в соответствии с технологическим регламентом при снижении частоты ниже 49,0 Гц).
Мощность, подключаемых к АЧР1 потребителей в любом энергорайоне с учетом запаса определяется по выражению:
Р(АЧР1) ³DРг + 0,05;
где DРг и 0,05 – соответственно расчетный дефицит активной мощности и необходимый запас (в относительных единицах от суммарного потребления в исходном режиме).
В качестве расчетного принимается максимально возможный для энергорайона аварийный дефицит мощности.
Подключаемая к АЧР мощность нагрузки должна распределяться равномерно по очередям.
Допускается незначительная неравномерность распределения по очередям мощности нагрузки при условии увеличения ее доли на очередях более высоких уставок по частоте АЧР.
Мощность нагрузки, подключаемой к несовмещенной АЧР2, рассчитывается по условию достаточности для подъема частоты от нижней границы уставок АЧР1 до заданной частоты возврата несовмещенной АЧР2 (выше 49,0 Гц).
С учетом запаса к очередям несовмещенной АЧР2 должна подключаться мощность потребителей:
Р(АЧР2) ³ 0,1.
Суммарная мощность, подключаемой к АЧР нагрузки (АЧР1 и несовмещенной АЧР2), с учетом запасов составляет:
Р(АЧР) = Р(АЧР1) + Р(АЧР2) ³ (DРг + 0,05) + 0,1 = DРг + 0,15
Суммарная мощность нагрузки потребителей, подключаемой к АЧР в отдельных энергорайонах, принимается по наиболее жесткому из требований ликвидации местного и системного дефицита мощности.
ЧАПВ восстанавливает питание отключенных от АЧР потребителей при подъеме частоты в результате мобилизации резервов генерирующей мощности и восстановления отключившихся связей.
Суммарная мощность подключаемой к ЧАПВ нагрузки не регламентируется и определяется по местным условиям работы энергорайона.
Устройства ЧАПВ устанавливаются, в первую очередь, в случаях невозможности быстрого восстановления питания потребителей оперативным путем после действия устройств АЧР (на удаленных подстанциях без постоянного дежурного персонала).
Очередность включения потребителей устройствами ЧАПВ должна быть обратной очередности отключения их устройствами АЧР.
При подключении к одной очереди ЧАПВ нескольких присоединений, их выключатели должны включаться поочередно с интервалами времени не менее 1 сек (если это требуется по режиму работы источников оперативного тока).
Дополнительная автоматическая разгрузка (ДАР) применяется при ликвидации больших местных относительных дефицитов активной мощности (более 45% от потребления [3]) со скоростью снижения частоты более 1,8-2,0 Гц/сек, при которой действие АЧР может оказаться неэффективным. Поэтому ДАР должна быть быстродействующей и срабатывать в начале процесса снижения частоты – до начала работы АЧР1 или в процессе срабатывания ее первых очередей.
ДАР обеспечивает ускоренное отключение заданной мощности нагрузки потребителей и способствует уменьшению глубины и скорости снижения частоты, чем улучшает условия действия АЧР.
ДАР осуществляет автоматическое отключение крупной нагрузки потребителей по факторам, характеризующим возникновение местного дефицита активной мощности, без фиксации снижения частоты. Запуск автоматики осуществляется по факту отключения генерирующих источников, питающих линий, силовых трансформаторов и т.д. с контролем направления и величины предшествующей мощности.
Мощность, подключаемой к ДАР нагрузки потребителей, выбирается такой величины, чтобы после действия ДАР остаточный дефицит активной мощности не превышал допустимый, при котором обеспечивается эффективность работы АЧР.
Величина дефицита активной мощности, который может быть ликвидирован суммарным действием ДАР и АЧР в энергорайоне, зависит от постоянной времени механической инерции района, времени отключения потребителей устройствами АЧР и ДАР и определяется расчетами.
Допускается подключение одних и тех же потребителей к АЧР и ДАР. При этом суммарная мощность разгрузки должна быть достаточной для подъема частоты выше 49,0 Гц после срабатывания ДАР и АЧР при расчетном дефиците активной мощности.
Табл. 2.1 Рекомендуемые значения уставок для системы частотной разгрузки.
Очередь |
Уставки АЧР-1 | Уставки АЧР-2 | Нагрузка, % | Уставки ЧАПВ | |||
| Частота, Гц | Время, с | Частота пуска (возврата), Гц | Частота, Гц | Частота, Гц | Время, с | ||
| 1-1 | 49,21 | 0,3 | - | - | 4 | 49,9 - 49,7 | 40 - 80 |
| 1-2 | 49,12 | ||||||
| 2-1 | - | - | 49,13 (49,2) | 5 | 10 | 49,9 - 49,7 | 40 - 80 |
| 2-2 | - | - | 7 | ||||
| 2-3 | - | - | 9 | ||||
| 2-4 | - | - | 11 | ||||
| 1-3 | 48,8 | от 0,15 до 0,3 |
49,04 (49,1) | 13 | 10 | 49,9 | 60 - 70 |
| 1-4 | 48,7 | 15 | |||||
| 1-5 | 48,6 | 48,94 (49,1) | 17 | 20 | |||
| 1-6 | 48,5 | 19 | 49,8 | 50 - 60 | |||
| 1-7 | 48,4 | 21 | |||||
| 1-8 | 48,3 | 48,84 (49,1) | 23 | 30 | |||
| 1-9 | 48,2 | 25 | 49,7 | 40 - 50 | |||
| 1-10 | 48,1 | 27 | |||||
| 1-11 | 48,0 | 29 | |||||
| 1-12 | 47,9 | 48,74 (49,1) | 31 | 40 | 49,6 | 30 - 40 | |
| 1-13 | 47,8 | 33 | 49,5 | 20 - 30 | |||
| 1-14 | 47,7 | 35 | 49,4 | 10 - 20 | |||
| 1-15 | 47,6 | 37 | |||||
| 1-16 | 47,55 | 39 | |||||
1 Специальная очередь АЧР-1,
2 Технологическая очередь АЧР-1,
3 Несовмещенная очередь АЧР-2,
4 Совмещенные очереди АЧР-1 и АЧР-2,
5 46,5 Гц в соответствии со стандартом [3].
Пример расчета мощности нагрузки, подключаемой к АЧР по табл. 2.1.
Суммарное потребление активной мощности в исходном режиме Р = 1000 МВт, расчетный дефицит мощности DРг =450 МВт. Мощность, подключаемых к АЧР1 потребителей Р(АЧР1) = DРг + 0,05·Р = 450+50 = 500 МВт, распределение по 14 очередям Р(АЧР1) /14 = 500/14 = 35,7 МВт. К очередям несовмещенной с АЧР1 АЧР2 должна подключаться мощность потребителей Р(АЧР2) = 0,1·Р = 100 МВт, распределение по 4 очередям Р(АЧР2) /4=100/4=25 МВт. К специальной и технологической очередям (1-1, 1-2) подключена мощность 0,04·Р/2 = 20 МВт.
Распределение мощности нагрузок потребителей по очередям представлена в табл. 2.2.
Табл. 2.2. Распределение мощности по очередям.
| Очередь | Потребитель | Мощность пот-ребителя, МВт |
| 1-1 | 1-й цех кирпичного завода | 19 |
| 1-2 | 2-й цех кирпичного завода | 21 |
| 2-1 | Текстильная фабрика | 24,8 |
| 2-2 | Мясоконсервный комбинат | 28 |
| 2-3 | Картонно-бумажный комбинат | 23 |
| 2-4 | Молокозавод | 25 |
| 1-3 | Птицефабрика | 35 |
| 1-4 | Цементный завод | 40 |
| 1-5 | Колхоз №1 | 30 |
| 1-6 | 1-й цех металлургического завода №1 | 39 |
| 1-7 | 1-й цех металлургического завода №2 | 31 |
| 1-8 | Колхоз №2 | 35 |
| 1-9 | Колхоз №3 | 36 |
| 1-10 | 2-й цех металлургического завода №1 | 39 |
| 1-11 | 2-й цех металлургического завода №2 | 31 |
| 1-12 | Тракторный завод | 40 |
| 1-13 | Химический завод №1 | 30 |
| 1-14 | Химический завод №2 | 35,7 |
| 1-15 | 3-й цех металлургического завода №1 | 39 |
| 1-16 | 3-й цех металлургического завода №2 | 31 |
3.1 Современные устройства частотной разгрузки
Первоначально устройства АЧР были ориентированы на контроль единственного параметра – частоты, хотя предпринимались попытки создания устройств АЧР на базе статических и электромеханических реле с контролем скорости изменения частоты.
В современных цифровых устройствах частотной разгрузки реализован контроль частоты, скорости изменения частоты, напряжения. Опыт эксплуатации первого поколения цифровых устройств частотной разгрузки, доказал их эффективность и перспективность использования.
По мере развития техники и накопления опыта эксплуатации различных устройств АЧР в реальных энергосистемах сформировалось общее мнение о необходимости контроля не только скорости изменения частоты, но и напряжения. Более того, появились исследования, предлагающие использовать и другие параметры – вторую производную по частоте, скорость изменения напряжения.
К настоящему времени существует достаточно цельное представление о том, какой должна быть совокупность контролируемых параметров частотной аварии, их уставок и условий взаимодействия всех частей устройств АЧР. На практике такую совокупность стало принято называть АЛГОРИТМОМ частотной разгрузки. Различают описанные выше алгоритмы АЧР-1, АЧР-2, АЧР-С, АЧР-Н (разгрузка по отклонению частоты и напряжения), а также комбинированные алгоритмы, объединяющие в различных вариантах все или отдельные из названных алгоритмов. Алгоритмы ЧАПВ (включение нагрузки, отключенной ранее по одному из алгоритмов разгрузки, после восстановления значения частоты) также не ограничиваются контролем частоты, а учитывают и напряжение в контролируемой сети.
Микропроцессорный блок БМАЧР.
Блок БМАЧР стал одним из первых цифровых устройств, серийно выпускаемых в России. Блок разработан в НТЦ "Механотроника" совместно со специалистами Рижского технического университета (проф. Н. С. Гуров) для применения в системах частотной разгрузки.
В данном устройстве впервые в отечественной практике был реализован принцип программирования параметров устройства частотной автоматики с целью аварийной разгрузки энергосистемы, причем доступ к устройству для изменения уставок можно получить только после введения пароля. Цифровая техника позволила не только отображать значения уставок на дисплее устройства, но и организовать пакетный принцип задания и хранения ставок.
В устройстве предусмотрены следующие алгоритмы разгрузки:
•АЧР-1 с изменяемыми уставками по частоте срабатывания и блокированием по скорости снижения частоты;
•АЧР-2 с изменяемыми уставками по частоте запуска и возврата, а также по времени срабатывания;
•АЧР-С с изменяемой уставкой по скорости срабатывания и тремя очередями срабатывания;
•ЧАПВ с общей для всех алгоритмов разгрузки уставкой по частоте запуска и возврата и независимо изменяемыми уставками по времени включения нагрузки, отключенной по алгоритмам АЧР-1 (ЧАПВ-1), АЧР-2 (ЧАПВ-2) и АЧР-С1 (ЧАПВ-С1).
К недостаткам блока можно отнести:
•невозможность подключения внешнего компьютера;
•отсутствие связи с АСУ;
•отсутствие контроля напряжения при работе алгоритмов разгрузки и ЧАПВ;
•отсутствие запоминания информации об изменении входных и выходных сигналов, срабатывании алгоритмов;
•отсутствие индикации текущего значения частоты.
В настоящее время в эксплуатации находится более 500 блоков БМАЧР, отказов блоков этого типа не было зарегистрировано.
Микропроцессорные блоки БМАЧР-М.
Новая серия блоков частотной разгрузки, названная БМАЧР-М, отличается наличием нескольких исполнений как по набору алгоритмов, так и по способу формирования выходного сигнала.
Один из блоков этой серии (БМАЧР-М 1 А) выполнен так, что может заменять блоки БМАЧР в электроустановках без внесения изменений в схему подключения. В блоках новой серии предусмотрен контроль уровня напряжения в сети при работе алгоритмов АЧР и ЧАПВ, расширен диапазон контролируемой частоты, введена светодиодная сигнализация о срабатывании каналов разгрузки и пропадании оперативного питания, предусмотрена индикация на дисплее текущего значения частоты сети. Введены каналы связи блока с ПЭВМ и АСУ.
В верхней части лицевой панели устройства типа БМАЧР-М расположен буквенно-цифровой дисплей из шести восьмисегментных индикаторов, что позволяет, сохранив простоту и невысокую цену блока, значительно расширить возможности интерактивного диалога. Ниже дисплея находятся соединитель RxTx для подключения ПЭВМ, шесть светодиодных индикаторов и четыре клавиши для навигации по меню.
Как и в блоке БМАЧР, в модернизированном блоке предусмотрено четыре фиксированных алгоритма:
•АЧР-1 (с возможностью блокирования работы алгоритма по скорости снижения частоты);
•АЧР-2 (с выдержкой времени на срабатывание и уставками по частоте запуска и возврата);
•АЧР-С (с тремя очередями разгрузки);
•ЧАПВ (раздельные каналы для включения нагрузки, отключенной по алгоритмам АЧР-1, АЧР-2 и АЧР-С).
Сигналы на отключение и включение нагрузки формируются различными выходными электромеханическими реле.
Все модернизированные устройства снабжены журналом событий, в котором регистрируется и хранится информация о 256 последних событиях — максимальных и минимальных значениях частоты, пуске и срабатывании частотных реле, изменении входных и входных сигналов, пропадании и появлении контролируемого напряжения.
Микропроцессорное устройство "Сириус-АЧР".
Микропроцессорное устройство частотной разгрузки "Сириус-АЧР" предназначено для использования на электростанциях и подстанциях энергосистем с целью ликвидации дефицита активной мощности путем автоматического отключения потребителей при снижении частоты (АЧР) с последующим автоматическим включением отключенных потребителей при восстановлении частоты (ЧАПВ).
Терминал "Сириус-АЧР" является централизованным устройством, выдающим сигналы отключения и последующего включения одного или нескольких присоединений, подведенных под частотную разгрузку.
Наличие традиционных алгоритмов разгрузки типа АЧР-1, АЧР-2 и ЧАПВ (АЧР-1 имеет возможность блокировки по величине скорости снижения частоты), позволяет использовать устройство для замены существующих блоков АЧР.
Особенности "Сириус-АЧР":
· Три очереди разгрузи: АЧР-1, АЧР-2 и ЧАПВ;
· Совмещенная АЧР-2 со ступенью АЧР-1 (общее реле);
· Блокировка АЧР-1 по скорости снижения частоты;
· Наличие контрольного канала для защиты от ложных срабатываний;
· Контроль по напряжению;
· Встроенный генератор частоты для проверок.
Микропроцессорные модули SPAF 340.
Реле частоты типа SPAF 340 (производитель АВВ “Реле-Чебоксары”) подключается к трансформаторам напряжения защищаемой секции шин и состоит из одного модуля — комбинированного модуля частоты и измерения скорости частоты SPCF 1D15. Модуль реле состоит из четырех ступеней разгрузки и ступени восстановления, получающих сигнал от общего измерителя частоты, т.е. и в данном устройстве использованы модули разного функционального назначения (ср. с устройствами АЧРМ и БММРЧ).
Измерение частоты производится косвенно, по результатам измерения промежутка времени между прохождениями сигнала через нуль. Значение частоты рассчитывается как среднее значение на интервале, длина которого выбирается пользователем. Для определения частоты может быть выбрано от 3 до 20 таких циклов, что влияет на время срабатывания реле. Однако при любом количестве циклов время срабатывания модуля не может быть менее 100 мс. Канал измерения частоты снабжен полосовым фильтром для подавления гармоник измеряемого сигнала.
Расчет скорости изменения частоты производится по двум последовательным значениям частоты, определенным не менее чем через три цикла.
Реле частоты MiCOM P-940.
Реле частоты MiCOM Р-940 содержит четыре частотные защиты с независимыми измерительными органами, обеспечивающими контроль:
•повышения частоты;
•понижения частоты;
•скорости изменения частоты;
•средней скорости изменения частоты;
•повышения напряжения;
•понижения напряжения.
Защита от понижения частоты работает с выдержкой времени, задаваемой пользователем (алгоритм АЧР-2). Отсчет выдержки времени начинается с момента, когда значение частоты становится ниже уставки. Если после истечения выдержки времени значение частоты остается ниже уставки, реле MiCOM Р-940 формирует сигнал на отключение нагрузки.
Алгоритм АЧР-С обеспечивает ускоренное отключение нагрузки при быстром снижении частоты в течение заданной выдержки времени.
Контроль средней скорости изменения частоты удобен при наличии в системе потребителей большой мощности (например, синхронных или асинхронных электродвигателей) или при переключении большой нагрузки. В этих случаях срабатывание защит по частоте даже с учетом скорости изменения частоты могло бы привести к излишним отключениям нагрузки.
Защита по напряжению имеет две независимые ступени, причем одной из них можно задать обратнозависимую характеристику. При пониженном значении напряжения блокируются все ступени отключения и подключения нагрузки (алгоритмы АЧР и ЧАПВ).
Реле частоты может быть использовано и для защиты генератора от работы при повышенной и/или пониженной частоте. Однако, в отличие от устройств БММРЧ, в рассматриваемом реле не предусматривается активного воздействия на регулятор частоты генератора. Вместо этого реле MiCOM P-940 по результатам контроля времени работы генератора при пониженных и повышенных значениях частоты формирует сигнал, отключающий генератор от нагрузки.
В реле предусмотрена возможность задания четырех групп уставок частотной защиты, что позволяет задавать различные режимы его работы.
Литература
1. В.Ф. Александров, В.Г. Езерский, О.Г. Захаров, В.С. Малышев. Частотная разгрузка в энергосистемах. ч. 1. М.: НТФ “Энергопрогресс”, “Энергетик”, 2007.
2. В.Ф. Александров, В.Г. Езерский, О.Г. Захаров, В.С. Малышев. Частотная разгрузка в энергосистемах. ч. 2. М.: НТФ “Энергопрогресс”, “Энергетик”, 2007.
3. Технические правила организации в ЕЭС России автоматического ограничения снижения частоты при аварийном дефиците активной мощности (автоматическая частотная разгрузка) // Стандарт ОАО “СО-ЦДУ ЕЭС”, 2005.
4. М.А. Беркович, В.А. Гладышев, В.А. Семенов. Автоматика энергосистем. М.: “Энергоатомиздат”, 1991.