| Скачать .docx |
Реферат: Захист інформації у колах, що проводять струм
І. Мета роботи
1. Поглибити та закріпити теоретичні знання з оцінки ефективності захисту інформації у колах, що проводять струм.
2. Набути практичних навичок з виконання інженерних розрахунків за енергетичним критерієм оцінки захисту інформації.
3. Проаналізувати результати одержаних за розрахунками параметрів як функції вихідних даних і розробити пропозиції щодо підвищення рівня захищеності інформації згідно варіанту завдання.
II . Зміст роботи
1. Титульний аркуш завдання на роботу.
2. Завдання на виконання роботи.
3. Пояснювальна записка з розрахунковими і графічними матеріалами.
4. Висновки і пропозиції.
I ІІ . Завдання на розрахунково – графічну роботу
1. Графічно розробити та розрахувати схему можливої прокладки кабелів ОТЗ і ДТЗС з небезпечним сигналом для приміщення, в якому Ви мешкаєте, якщо кабель ДТЗС виходить через 200 м за межу контрольованої зони, має довжину паралельного пробігу з кабелем ОТЗ 8 м
і напругу власних шумів величиною
Внутрішній опір кабеля становить
відстань між провідниками у двопровідному ланцюгу становить 0,01м
. Відстань до струмопровідної поверхні 1,5 м
.
№№ варіанта |
![]() |
не більше |
|
Кабель ОТЗС з небезпечним сигналом | Кабель ДТЗС з небезпечним сигналом | Переріз жил кабеля, мм2 |
| 1 | 2 | 3 | 4 | 5 | 6 | 7 |
| 1 | 1 | 0,5 | 1 | двопровідний | двопровідний | 0,5 |
| 2 | 0,1 | 0,5 | 1 | двопровідний | двопровідний | 0,3 |
| 3 | 1 | 1,2 | 1 | двопровідний | двопровідний | 0,5 |
| 4 | 0,1 | 1,2 | 1 | двопровідний | двопровідний | 0,2 |
| 5 | 1 | 0,5 | 2 | двопровідний | двопровідний | 0,8 |
| 6 | 0,1 | 0,5 | 2 | двопровідний | однопровідний | 0,8 |
| 7 | 1 | 1,2 | 2 | двопровідний | однопровідний | 0,8 |
| 8 | 0,1 | 1,2 | 2 | двопровідний | однопровідний | 1 |
| 9 | 1 | 0,5 | 1 | двопровідний | двопровідний | 1 |
| 10 | 0,1 | 0,5 | 1 | двопровідний | двопровідний | 1 |
| 11 | 1 | 1,2 | 1 | двопровідний | двопровідний | 0,8 |
| 12 | 0,1 | 1,2 | 1 | двопровідний | двопровідний | 0,8 |
| 13 | 1 | 0,5 | 1 | двопровідний | двопровідний | 1 |
| 14 | 0,1 | 0,5 | 2 | двопровідний | двопровідний | 1 |
| 15 | 1 | 1,2 | 2 | двопровідний | двопровідний | 0,8 |
| 16 | 0,1 | 1,2 | 2 | двопровідний | двопровідний | 0,8 |
| 17 | 1 | 0,5 | 1 | двопровідний | однопровідний | 0,5 |
| 18 | 0,1 | 0,5 | 1 | двопровідний | однопровідний | 0,5 |
| 19 | 1 | 1,2 | 1 | двопровідний | однопровідний | 0,5 |
| 20 | 0,1 | 1,2 | 1 | двопровідний | однопровідний | 0,5 |
| 21 | 1 | 0,5 | 2 | двопровідний | однопровідний | 1 |
| 22 | 0,1 | 2 | 1 | двопровідний | однопровідний | 1 |
| 23 | 1 | 1,2 | 2 | двопровідний | однопровідний | 0,5 |
| 24 | 0,1 | 1,2 | 2 | двопровідний | однопровідний | 0,8 |
| 25 | 1 | 0,5 | 2 | двопровідний | двопровідний | 0,3 |
| 26 | 0,1 | 0,5 | 2 | двопровідний | двопровідний | 0,8 |
| 27 | 1 | 0,5 | 1 | двопровідний | двопровідний | 0,5 |
| 28 | 0,1 | 1,2 | 1 | двопровідний | двопровідний | 0,3 |
| 29 | 1 | 1,2 | 2 | двопровідний | двопровідний | 0,2 |
| 30 | 0,1 | 1,2 | 2 | двопровідний | двопровідний | 1 |
2. Для виконання даного завдання потрібно розв’язати рівняння залежності модулів електромагнітних зв`язків
та
від ємнісних та індуктивних зв’язків
і
(див. додаток).
3. На основі одержаних розрахунків зробити висновки про ступінь захищеності інформації у схемі і розробити пропозиції щодо його підвищення.
І V . Критерії оцінки результатів виконання роботи
Оцінка за виконання роботи виставляється, виходячи з наступних критеріїв:
відмінно - завдання виконане повністю; розрахунки правильні; оформлення відповідає вимогам ЄСКД; висновки по роботі обґрунтовані і викладені логічно і послідовно; на додаткові питання при захисті дані правильні відповіді;
добре – завдання виконане повністю; розрахунки правильні; оформлення роботи в основному відповідає вимогам ЄСКД, але є суттєві помилки; висновки по роботі обґрунтовані, але є неточності у їх викладенні; у відповідях на додаткові питання при захисті допущено непринципові помилки;
задовільно – завдання виконане повністю, але у розрахунках допущено суттєві помилки, що вплинули на якість і повноту висновків; оформлення роботи в основному відповідає вимогам ЄСКД, але є принципові помилки; висновки по роботі недостатньо обґрунтовані, є помилки у їх викладенні; у відповідях на додаткові питання при захисті допущено непринципові помилки і неточності, в ході уточнення яких студентом було надано позитивні відповіді;
незадовільно – не виконані вимоги для позитивних оцінок.
ЛІТЕРАТУРА
1. Ю. М. Ратманов. Теоретические основы защиты информации от утечки за счет побочных электромагнитных излучений и наводок. Учебник. 1986 г.
2. Н. М. Терещук. Справочник радиолюбителя. К.: Техніка. 1988 р.
3. Конспект лекцій з дисципліни "Основи інформаційної безпеки".
Додаток
Основні положення теорії витоку інформації колами, що проводять струм
Взаємний вплив між кабельними колами. Параметри взаємного впливу
Траси кабельних мереж телефонного, телеграфного, телекодового зв`язку, систем звукопідсилення, телебачення та ін., призначених для передачі інформації, в тому числі і конфіденційної, прокладаються, як правило, в одній кабельній каналізації спільно з кабелями допоміжних слабкострумових систем, що мають вихід за межі контрольованої зони. В умовах підприємств, установ, організацій кабельні лінії слабкострумових систем ТЗПІ прокладаються на (у) стінах приміщень спільно з кабелями міської телефонної мережі, міської радіотрансляційної мережі, систем охоронної і пожежної сигналізації та іншими кабелями, що також виходять за межі контрольованої зони. Таким чином, на трасі спільної прокладки кабелів можуть мати місце ділянки паралельного пробігу кабелів, що несуть конфіденційну інформацію, та кабелів, що виходять за межі контрольованої зони.
При передачі кабельними ланцюгами (колами) частка електромагнітної енергії розсіюється у самій лінії, головним чином на теплові втрати у провідниках і діелектриках; частка надходить у навантаження, а частка переходить на сусідні ланцюги (рис.1). Перехід електромагнітної енергії з одного ланцюга на інший є одним з можливих шляхів витоку інформації, в тому числі і конфіденційної, тобто з`являється технічний канал витоку інформації.
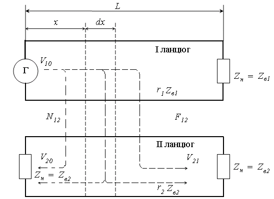
Розглянемо фізичну сутність взаємного впливу між колами, що проводять струм, з метою подальшої кількісної оцінки можливостей витоку інформації за його рахунок у колах різного конструктивного виконання (симетричними, несиметричними плоскими, коаксіальними, скрученими тощо). Візьмемо два паралельні ланцюги з довжиною паралельного пробігу
, навантажені кожне на своє узгоджене навантаження
і
відповідно (рис.2). Джерелом інформації є генератор Г
, який працює на навантаження першого ланцюга.
При аналізі взаємного впливу перехід електромагнітної енергії на сусідні ланцюги розглядається умовно, як результат сумарного впливу електричного та магнітного полів. У відповідності з цим явище виникнення потенціалів та струмів у 2-му ланцюгу під впливом електричного поля 1-го ланцюга називають електричним впливом, а магнітного (за рахунок струму 1-го ланцюга) – магнітним впливом.
Кількісні характеристики цих впливів є суто електричні та магнітні зв`язки, що визначаються відповідними коефіцієнтами:
(1)


Рис. 2.Взаємний вплив між колами, що проводять струм
де
,
- струм та напруга в ланцюгу, що впливає;
- струм та електрорушійна сила наведеного сигналу у ланцюгу, на який впливають.
У загальному випадку величини
і
є комплексними величинами:

(2)
де
- активна складова електричного зв`язку;
- ємнісний зв`язок;
- активна складова магнітного зв`язку;
- індуктивний зв`язок.
Ці параметри є первинними параметрами впливу.
У відповідності з введеними визначеннями величина електричного зв`язку залежить від напруги у ланцюгу, що впливає, а величина магнітного зв`язку – від струму у цьому ланцюгу. Тому чим більша напруга в лінії і чим менший в ній струм, тобто чим більший хвильовий опір, тим сильнішою є дія електричних зв`язків та менше магнітних, і навпаки. Так, у низькочастотних ланцюгах, які мають порівняно великий хвильовий опір (порядку 600 Ом), переважають електричні зв`язки, а у високочастотних кабелях з відносно низьким хвильовим опором дія електричних та магнітних зв`язків приблизно однакова.
Поняття про первинні параметри впливу справедливе для електрично коротких ділянок взаємновпливаючих ланцюгів, в яких можна не враховувати зміни амплітуди та фази струму на цьому відрізку лінії. Це можливо при довжині ділянок L значно менших чверті довжини хвилі (L << λ /4 ).
У ланцюгах для передачі низькочастотних сигналів значення первинних параметрів можна використовувати для ділянок в декілька сотень метрів, а для високочастотних сигналів – одиниць і десятків метрів, що практично відповідає реальним відстаням паралельного пробігу взаємновпливаючих ланцюгів.
Для оцінки взаємного впливу використовують поняття перехідного затухання А , яке характеризує затухання сигналу при переході з першого ланцюга на другий:
(3)
де
- потужність сигналу на початку впливаючого ланцюга;
- потужність сигналу, наведеного у ланцюгу, який знаходиться під впливом іншого ланцюга.
Під час аналізу впливу між двома ланцюгами (рис. 2) розрізняють перехідне затухання на ближньому кінці ланцюга:
(4)
і на дальньому кінці:
(5)
де
- потужність, напруга та струм на початку ланцюга, що впливає;
- потужність, напруга та струм на початку ланцюга, на який впливають;
- потужність, напруга та струм в кінці ланцюга, на який впливають;
- хвильовий опір взаємновпливаючих ланцюгів;
- коефіцієнти електромагнітного впливу на ближньому і дальньому кінцях ланцюга відповідно.
Коефіцієнти
та
характеризують відношення струмів у взаємновпливаючих ланцюгах на іх кінцях та визначаються за наступними виразами:
![]()
(6)
![]()
Підставимо вираз (6) у вирази (4) і (5) та після нескладних математичних підстановок і перетворень отримаємо залежність перехідних затухань на ближньому та дальньому кінцях від електромагнітних впливів:
![]()

(7)

Модулі електромагнітного зв`язку між двохпровідними ланцюгами (для низькочастотних високоомних кабелів) на ближньому та дальньому кінцях можуть бути визначені за наступними відношеннями:
![]()
(8)
![]()
Підставляючи ці значення у вирази (7) та враховуючи, що для нескручених ланцюгів взаємний вплив між ними пропорційний довжині паралельного пробігу, отримаємо:
![]()

(9)
![]()
Наведені вище формули отримані у припущенні, що ланцюги навантажені на свої узгоджені хвильові опори. Якщо ж опір навантаження не узгоджений з хвильовим опором ланцюгів, то перехідне затухання буде визначатися з наступного виразу:
(10)
де
- перехідне затухання для ланцюга з узгодженим опором навантаження (
);
- фактичний опір навантаження.
Така ситуація складається за реальних умов, коли за рахунок конструктивної і технологічної недосконалості самої лінії і кінцевих пристроїв з`являється асиметрія ланцюга. Її прикладами можуть бути: недотримання паралельності і симетрії та перегинання провідників під час прокладання лінії (конструктивна недосконалість); наявність неоднорідностей у діелектриках кабелів і самих провідниках, що викривляє електромагнітне поле навколо провідника і кабелю в цілому (технологічна недосконалість). В таких випадках виникає струм небезпечного сигналу в ланцюгу "два провідника - земля", тобто створюється штучний несиметричний, або "пікарівський" ланцюг. На рис. 3 показані можливі шляхи впливу між двома симетричними ланцюгами. При цьому власне "пікарівські" ланцюги представлені у вигляді однопровідного ланцюга та введено наступні позначення:
- сумарне значення асиметрії ланцюга впливу;
- сумарне значення асиметрії ланцюга, що підлягає впливу;
- перехідне затухання між 1-м та 2-м "пікарівським" ланцюгами;
- перехідне затухання між 1-м та 2-м основними ланцюгами;
- перехідне затухання між 1-м основним та 2-м "пікарівським" ланцюгами;
- перехідне затухання між 1-м "пікарівським" та 2-м основним ланцюгами.
Кожний із зазначених видів впливу являє собою безпосередній вплив між взаємозв`язаними ланцюгами. Сумарне перехідне затухання між 1-м та 2-м основними ланцюгами визначається наступними видами впливу:


Рис. 3. Утворення пікарівського ланцюга
безпосереднім впливом
;
непрямими впливами:
=
+
;
=
+
;
=
+
+
.
Результуюча величина перехідного затухання між основними ланцюгами визначається з виразу, що враховує перелічені види впливу:
![]()
Зв`язок між 1-м основним та 2-м "пікарівським" ланцюгами визначається безпосереднім
та побічним впливом
+
. Результуюча величина перехідного затухання між цими ланцюгами визначається з виразу:
![]()
Таким чином, для прийому небезпечного сигналу можуть бути використані симетрична і несиметрична складові сигналу, наведеного на ланцюг, який виходить за межі контрольованої зони.
Аналіз значень перехідних затухань свідчить, що при відстанях між двохпровідними ланцюгами, порівняних з розмірами пари, безпосередній вплив значно більший, ніж складова побічного (непрямого) впливу. Зі збільшенням відстані між ланцюгами безпосередній вплив зменшується значно швидше, ніж непрямий. Досліди показують, що зі складових непрямого впливу найбільшу небезпеку представляє вплив виду
=
+
.
Результуюча величина впливу між 1-м двохпровідним та 2-м "пікарівським" ланцюгом при будь-якій відстані визначається безпосереднім впливом
. Відзначимо, що складові взаємного впливу
та
для скручених і екранованих ланцюгів дуже послаблені.
Характеристика коефіцієнтів взаємного впливу для симетричних кіл
З теорії взаємних впливів для кабельних ланцюгів відомо, що основними коефіцієнтами, які характеризують взаємний вплив між колами і визначають параметри взаємного впливу, є коефіцієнти ємнісного (електричного)
і індуктивного (магнітного)
зв`язків. Вони залежать від геометричних розмірів взаємновпливаючих ланцюгів і відстаней між ними.
Коефіцієнти ємнісного і індуктивного зв`язків між двома не скрученими двохпровідними симетричними ланцюгами, розташованими згідно з рис. 4, при однакових радіусах струмонесучих провідників (![]()
) визначаються за наступними формулами (без врахування впливу землі):
До розрахунку коефіцієнтів взаємного зв’язку симетричного двохпровідного нескрученого ланцюга
![]()

(11)
![]()
де
- відносна діелектрична проникність ізоляції провідників ланцюга;
- відстань між центрами провідників у ланцюгу;
- відстань між центрами ближніх провідників ланцюгів.
Коефіцієнти ємнісного та індуктивного зв`язків для нескручених одно- та двохпровідних ланцюгів, розташованими згідно з рис. 5, (при ![]()
) при врахуванні впливу землі визначаються за наступними формулами:

Рис. 5. До розрахунку коефіцієнтів взаємного зв’язку нескручених симетричного двохпровідного і однопровідного ланцюгів.
![]()

(12)
![]()
де
- відстань між центром антиподу 2-го і центром 3-го основного провідника;
- відстань між центром антиподу 1-го і центром 3-го основного провідника;
- відстань між центрами основних провідників і землею.
Коефіцієнти ємнісного та індуктивного зв`язків для нескручених однопровідних ланцюгів, розташованих згідно з рис. 6, визначаються за наступними формулами:
![]()

(13)
![]()
де
- відстань між центром 1-го провідника ланцюга і центром антиподу 2-го провідника;
- відстань між центрами основних провідників ланцюга.

Рис. 6. До розрахунку коефіцієнтів взаємного зв’язку для нескручених
однопровідних ланцюгів.
Розглядаючи разом вирази (9) і (11), визначимо відстань
між взаємновпливаючими двохпровідними ланцюгами, при яких забезпечується завдане перехідне затухання
на частоті
для зазначеної довжини
паралельного пробігу.
Будемо вважати (див. рис. 4), що ![]()
;
. На підставі формули (9) після нескладних математичних перетворень отримаємо:
![]()
(14)
Враховуючи, що коефіцієнт
визначає електричний вплив (див. формулу (1)), який характеризується коефіцієнтом ємнісного зв`язку
, можна припустити, що
=
. З урахуванням (11) та (14) на підставі цього запишемо:
(15)
Позначимо
і розділимо ліву і праву частини виразу (15) на
, отримаємо:
(16)
Розділивши ліву і праву частини виразу (16) на
перетворимо його у вигляд через показну функцію
.
Позначимо
= В
і після перетворень одержимо квадратне рівняння
. (17)
Розв’язавши рівняння (17) відносно
і відкинувши негативні рішення, отримаємо
. (18)
Підставляючи у рівняння (18) значення В і С , розраховується необхідна відстань між взаємновпливаючими двохпровідними ланцюгами для забезпечення необхідного затухання між ними. Аналогічно можна отримати вирази для розрахунку відстані при взаємному впливі двохпровідних та однопровідних ланцюгів або двох однопровідних ланцюгів.
