| Скачать .docx |
Реферат: Дія магнітного поля на рухомі заряди та закон повного струму і його використання
ЗМІСТ
Вступ.
1. Обертальний момент, діючий на контур із струмом в магнітному полі.
2. Принцип суперпозиції магнітних полів. Закон Біо-Савара-Лапласа.
Висновки.
НАОЧНІ ПОСІБНИКИ І ПРИЛАДИ
1. Прилад для демонстрації сили Ампера.
2. Магнітна стрілка. Круговий струм в магнітному полі.
3. Діафільми “Электромагнетизм”, “Магнитное поле тока”.
4. Кінофільм “Магнитное поле движущихся зарядов”.
5. Лектор-2000.
ОРГАНІЗАЦІЙНО-МЕТОДИЧНІ ВКАЗІВКИ ДО ПРОВЕДЕННЯ ЛЕКЦІЇ
Відомо, що в природі існує єдине змінне електромагнітне поле. Як окремий випадок існує електростатичне поле і магнітне поле. Основні характеристики електростатичного поля вже вивчені курсантами, а основні характеристики магнітного поля вивчатимуться на даному занятті. При цьому слід виділити, що аналога електричному заряду в магнітному полі не існує, тому магнітне поле вивчається за допомогою рамки з струмом, яка подібна магнітній стрілці і кількісно характеризується магнітним моментом
. Необхідно також при вивченні магнітного поля проводити аналогію між електричним та магнітним полями, це сприяє кращому засвоєнню матеріалу і поглибленню знань з фізики.
ВСТУП
Магнітне поле є складовою частиною загального змінного електромагнітного поля, яке широко використовується на практиці в зв’язку – електромагнітні хвилі, в різного типу трансформаторах, генераторах, перетворювачах і ін. Тому вивчення основних характеристик і законів магнітного поля має важливе не тільки теоретичне, а й практичне значення для майбутніх офіцерів-зв’язківців. На занятті поглиблено будуть вивчатись характеристика магнітного поля – індукція та напруженість, метод графічного зображення поля за допомогою силових ліній, а також важливі закони-Ампера та Біо-Савара-Лапласа. Крім цього буде розглянуто принцип роботи двигунів та генераторів електричного струму.
1. Магнітне поле. Закон Ампера
Досліди показують, що, подібно тому, як в просторі навколо електричного заряду існує електричне поле, в просторі навколо електричних струмів існує силове поле яке називають магнітним полем.
Магнітне поле виникає також при існуванні змінного в часі електричного поля. Тобто змінні електричне і магнітне поля існують одночасно. Вони зв’язані нероздільно і створюють єдине електромагнітне поле. Тому магнітне (як і електростатичне) поле необхідно розглядати як окремий випадок загального змінного електромагнітного поля, коли постійний магніт нерухомий, або коли нерухомий провідник з постійним струмом.
В електростатиці для вивчення характеристик електричного поля використовують точковий заряд. Аналогії заряду в магнітному полі не існує. Тому для вивчення властивостей магнітного поля використовують дію поля на плоский контур зі струмом (рамку з струмом). При цьому розміри контура зі струмом повинні бути малими порівнюючи з відстанню до провідника зі струмом, магнітне поле яких вивчається. Досліди показують, що рамка з струмом в магнітному полі повертається певним чином, тобто магнітне поле оказує на рамку орієнтуючу дію. А це значить, що на рамку з струмом в магнітному полі діє пара сил, причому момент цієї пари М (як показують досліди) в залежності від орієнтації рамки змінюються від нуля до максимального значення. Ця орієнтуюча дія магнітного поля на рамку з струмом і дозволяє використати її для визначення величини і напрямку магнітного поля.
Подібно до того, як електростатичне поле характеризується силовою характеристикою – напруженістю поля Е, магнітне поле характеризується магнітною індукцією В – це силова характеристика магнітного поля, вона показує з якою силою діє магнітне поле на розміщений в полі провідник зі струмом. Таким чином, магнітне поле, як і електростатичне існує об’єктивно і його легко виявити. Крім цього, магнітне поле, як і електростатичне, матеріально, воно являє собою одну із форм існування матерії.
Магнітне поле, подібно до електричного, можна зображати графічно за допомогою силових ліній – ліній індукції магнітного поля. Лінією індукції магнітного поля називають таку лінію, дотична до якої в кожній точці співпадає з напрямком вектора індукції поля в цій точці (рис. 1).

Рис. 1
Так як індукція поля в будь-якій точці має одне єдине значення
, то через одну точку поля можна провести тільки одну силову лінію і отже силові лінії магнітного поля, як і електричного, не перетинаються.
За допомогою ліній індукції можна графічно зобразити і величину індукції магнітного поля. Для цього домовились, через одиничну площину, перпендикулярну до ліній індукції, провести стільки силових ліній, щоб їх число було рівне В, тобто:
,
де D
N
- число силових ліній, що перетинає площину D
S
, яка перпендикулярна силовим лініям. При цьому вважається, що
в межах D
S
. Магнітне поле буде однорідним, якщо у всіх точках поля
(силові лінії поля паралельні і однакова їх густина).
На провідник із струмом в магнітному полі діє сила. Ампер показав, що сила
, з якою магнітне поле діє на елемент провідника
зі струмом I, що знаходиться в магнітному полі прямо пропорційна силі струму в провіднику і векторному добутку елемента довжини
провідника на магнітну індукцію
.
( 1 )
або
( 2 )
де a - кут між напрямком струму І індуціє магнітного поля.
Напрям сили Ампера
визначається по правилу векторного добутку, або по правилу лівої руки. Якщо ліву руку розмістити так, щоб лінії індукції магнітного поля входили в долоню, а чотири випрямлені пальці збігались з напрямком струму в провіднику, то поставлений під прямим кутом великий палець вказує напрям сили Ампера. Закон Ампера широко використовується на практиці – в електровимірних приладах, електродвигунах та ін.
Магнітна індукція і напруженість магнітного поля. Магнітна проникність.
Оскільки магнітне поле вивчається за допомогою рамки із струмом- по орієнтуючій дії магнітного поля на рамку, то домовились визначати положення рамки в просторі з допомогою вектора
, перпендикулярного до площини рамки (нормаль до рамки).
За додатній напрямок нормалі до рамки приймають нормаль, зв’язану зі струмом правилом свердлика (рис.2).

Рис. 2
Для визначення напрямку магнітного поля рамки розміщують в полі і дають їй можливість вільно повертатись і зайняти в просторі таке положення, при якому обертальний момент дорівнює нулю і рамка знаходитиметься в положенні стійкої рівноваги. Тоді напрям нормалі до рамки
співпадає з напрямком магнітного поля (
).
Обертальний момент пари сил, що діє на рамку з струмом в магнітному полі дозволяє використати її для кількісної характеристики поля. Розглянемо, які властивості рамки впливають на обертальний момент.
Досліди показують, що обертальний момент М має максимальне значення, якщо нормаль рамки перпендикулярна до магнітного поля. Крім цього обертальний момент М пропорційний силі струму в рамці І , та площі рамки S , тобто
![]()
Величину Pm =I·S називають магнітним моментом рамки із струмом. Отже
М~Pm
Магнітний момент рамки із струмом – величина векторна. Напрям вектора
співпадає з напрямком нормалі
(рис.2).
Основною характеристикою магнітного поля є вектор магнітної індукції
. За напрямок вектора магнітної індукції приймають напрям додатньої нормалі до рамки, яка знаходиться в положенні стійкої рівноваги в магнітному полі.
Досліди показують, що якщо в одну і ту ж точку поля розміщати одинаково орієнтовані рамки з магнітними моментами
- то на них будуть діяти різні обертальні моменти М1;
М2
; М3
, але відношення
буде сталим, тобто
![]()
Це відношення і визначає величину вектора індукції магнітного поля.
Векттором індукції магнітного потля називають вектор, чисельно рівний максимаьному обертальному моменту, який діє на одиничну рамки із струмом (Pm =1) в магнітному полі і направлений вздовж нормалі до рамки, коли вона знаходиться в стійкій рівновазі.
( 3 )
І якщо
, то
.
Відзначимо, що напрям вектора магнітної індукції
можна визначити також за допомогою магнітної стрілки. Якщо безмежно мала стрілка зайняла положення стійкої рівноваги, то вектор
паралельний вісі стрілки і направлений від південного полюса до північного.
Розмірність індукції в системі СІ можна визначити на основі формули (3).
.
Індукція магнітного поля залежить від властивостей речовини. Магнітні властивості речовини характеризуються відносною магнітною проникністю, яка показує, в скільки раз індукція магнітного поля в речовині
більша або менша індукції поля в вакуумі. Тобто, відносна магнітна проникність речовини m
дорівнює відношенню індукції магнітного поля в речовині до індукції магнітного поля в вакуумі:
( 4 )
Крім індукції магнітного поля, яка залежить від властивостей речовини, магнітне поле характеризується напруженістю магнітного поля
- це також силова характеристика поля, але вона не залежить від властивостей речовини, причому для вакууму
( 5 )
де
- магнітна стала.
Напруженість магнітного поля визначається тільки струмом і не залежить від властивостей речовини. Вона являється аналогом вектора електричної індукції
.
Враховуючи (4) і (5)
, або
( 6 )
де
- абсолютна магнітна проникність. В системі СІ індукція магнітного поля вимірюється в теслах (Тл), а напруженість магнітного поля – А/м.
1. ОБЕРТАЛЬНИЙ МОМЕНТ, ЩО ДІЄ НА КОНТУР ІЗ СТРУМОМ В МАГНІТНОМУ ПОЛІ
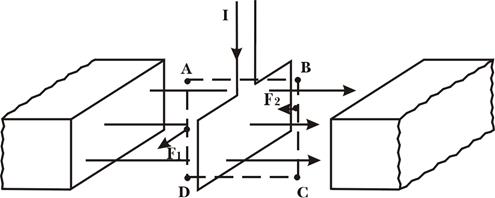
Велике значення має дія магнітного поля на замкнений провідник (рамку) зі струмом, так як ця дія широко використовується в сучасних електродвигунах і багатьох електровимірювальних приладах. Розглянемо рамку з струмом в однорідному магнітному полі (рис.3)

Рис.3
Нехай площа рамки паралельна індукції магнітного поля (положення рамки зображено пунктиром). Знайдемо сили, що діють на сторони рамки. Оскільки сторони АВ і СD паралельні силовим лініям магнітного поля, то на них сила Ампера не діє. Сила Ампера діє на сторони АД і ВС – F1
I F2
і ці сили створюють пару сил, і якщо рамка може повертатись, то вона повертається і становиться так, що вектор індукції
буде перпендикулярний до площини рамки. Момент пари сил буде рівний:
, а так як
то
,
де a - кут між нормаллю до рамки і індукцією магнітного поля, S – площа рамки.
Величина
- магнітний момент рамки, величина векторна. Вектор
співпадає з напрямком додатньої нормалі до рамки.
Отже:
, або в векторній формі:
.
Таким чином: обертальний момент, що діє на рамку із струмом в магнітному полі дорівнює добутку магнітного моменту рамки, індуція поля і Sin
a
. Якщо
, то М = 0
– положення стійкої рівноваги, якщо ж a
=
p
/2
, то
![]()
2. ПРИНЦИП СУПЕРПОЗИЦІЇ МАГНІТНИХ ПОЛІВ. ЗАКОН БІО-САВАРА-ЛАПЛАСА
Після дослідів Ерстеда в 1820 році почалось інтенсивне вивчння магнітного поля струму. Французькі вчені Біо та Савар зібрали багато експериментальних даних про залежність магнітного поля від параметрів провідника із струмом. Але закон такої залежності був відкритий Лапласом, який використав принцип суперпозиції магнітних полів: індукція магнітного поля
провідника із струмом в кожній точці простору дорівнює векторній сумі індукції, створюваних всіма елементарними ділярками провідника із струмом.
На основі принципу суперпозиції Лаплас узагальнив результати дослідів Біо і Савара і знайшов, що індукція поля, створена елементом провідника D l , по якому тече струм І , по якому тече струм І дорівнює:
,
де r
- віддаль елементу струму I
D
l
до точки А в якій визначається індукція поля (рис.4); a
- кут між напрямком струму і радіусом-вектором
; к – коефіцієнт пропорційності, який залежить від вибору системи одиниць.
В системі СІ
. І тоді
. ( 6 )
А в диференційній формі:
( 7 )
Співвідношення (6) і (7) називається законом Біо-Савара-Лапласа.
Напрямок індукції магнітного поля
визначається правилом свердлика: якщо поступальний рух свердлика (з правою різьбою) збігається з напрямом струму, то напрям магнітного поля збігається з напрямом руху кінця рукоятки свердлика (рис. 4). Досліди з залізними ошурками показують, що силові лінії магнітного поля навколо прямолінійного провідника із струмом мають форму концентричних кіл (рис. 4).

Рис.4
Закон Біо-Савара-Лапласа може бути записаний в векторній формі:
( 8 )
причому напрям вектора
співпадає з напрямком струму, а вектор
направлений від елементу струму до точки, в якій визначається індукція.
Закон Біо-Савара-Лапласа є одним із основних експериментальних явищ і він, подібно до закону Кулона, лежить в основі класичної електродинаміки; він справедливий лише для лінійних струмів (струмів поперечні розміри яких досить малі порівняно з відстанню до розглядуваних точок поля).
ВИСНОВКИ
1. Магнітне поле, подібно електричному, є однією із форм існування матерії, основною його характеристикою є вектор магнітної індукції
і графічно поле зображається за допомогою силових ліній поля.
2. На провідник із струмом в магнітному полі діє сила Ампера:
, напрям якої визначається за правилом лівої руки. Якщо провідник замкнений (рамка із струмом) то на нього в магнітному полі діє обертальний момент прямопропорційний магнітному моменту рамки і індукції поля.
3. Магнітні властивості речовини характеризуються магнітною проникністю, яка дорівнює відношенню індукції магнітного поля в речовині до індукції магнітного поля в вакуумі.
4. Закон Біо-Савара-Лапласа дає змогу розрахувати індукцію магнітного поля в довільній точці, створюваного лінійними струмами.
ТЕМА 7. МАГНІТНЕ ПОЛЕ
ЗАНЯТТЯ 7.3 ЗАКОН ПОВНОГО СТРУМУ ТА ЙОГО ВИКОРИСТАННЯ
1. ЗМІСТ
Вступ
1. Використання закону Біо-Савара-Лапласа до розрахунку магнітних полів.
2. Закон повного струму та його використання для розрахунку магнітних полів. Вихровий характер магнітного поля.
Висновки
НАОЧНІ ПОСІБНИКИ І ПРИЛАДИ
1. Соленоїд.
2. Прилад для демонстрації сили Ампера.
3. Лектор-2000.
4. Діафільми “Электромагнетизм”, “Магнитное действие токов”.
ОРГАНІЗАЦІЙНО-МЕТОДИЧНІ ВКАЗІВКИ ДО ПРОВЕДЕННЯ ЛЕКЦІЇ
При вивченні матеріалу лекції необхідно враховувати, що на занятті широко використовують математичні обрахунки, тому слід нагадати деякі формули із геометрії та тригонометрії за середню шклу, та правила інтегрування. Велике значення має принцип суперпозиції магнітних полів. На це звернути особливу увагу. Для глибшого засвоювання матеріалу проводити аналогію – властивості електричного і магнітного полів. Причому якщо електричне поле - потенціальне, то магнітне поле вихрове, розкрити фізичний зміст цієї відмінності. При розгляді третього питання особливу увагу звернути на те, коли виконується робота по переміщенню провідника з струмом в магнітному полі, а також на те, що завжди магнітний потік через замкнену поверхню дорівнює нулю.
ВСТУП
В електростатиці для розрахунку напруженості електричного поля використовується закон Кулона або теорема Остроградського-Гаусса. А для розрахунку напруженості магнітного поля використовується закон Біо-Савара-Лапласа і приклади розрахунків будуть приведені на занятті. Крім цього розглянемо більш загальний закон- закон повного струму та його використання. Важливим є те, що з закону повного струму випливає важливий висновок – магнітне поле має вихровий характер, силові лінії його завжди замкнені.
На практиці широко використовуються різного типу електродвигуни, здатні виконувати певну роботу. Тому на занятті розглядається питання чому дорівнює робота сил магнітного поля по переміщенню провідника з струмом і від чого і як вона залежить.
1. ЗАСТОСУВАННЯ ЗАКОНУ БІО-САВАРА-ЛАПЛАСА ДЛЯ ОБЧИСЛЕННЯ ІНДУКЦІЇ МАГНІТНОГО ПОЛЯ ПРОВІДНИКІВ З СТРУМОМ
1. Поле прямого лінійного провідника з струмом.
Обчислимо індукцію магнітного поля в точці А
, розміщеній а відстані
від нескінчено довгого лінійного провідника з струмом І
(рис. 1).

Рис. 1
Для цього поділимо провідник на нескінченно малі елементи dl і запишемо закон Біо-Савара-Лапласа:
.
Враховуючи, що для заданого напрямку струму I всі елементарні значення індукції магнітного поля в точці А направлені в один бік по прямій, перпендикулярній до площини рисунка, результуюча індукція магнітного поля рівна:
. ( 1 )
В цьому виразі три змінних (rl a ) до однієї змінної. З рис.1 маємо:
;
.
Підставимо значення
і
у формулу (1)
,
Отже
, а після інтегрування
( 2 )
Для провідника скінченої довжини індукція магнітного поля залежить від
і
(рис.2). Для нескінченного провідника із струмом
, тому
( 3 )

Рис. 2
Таким чином: індукція магнітного поля нескінченно довгого лінійного провідника із струмом прямопропорційна силі струму і обернено пропорційна відстані
точки від провідника.
2. Поле в центрі лінійного колового провідника радіуса
по якому проходить струм силою І.
В цьому випадку (рис.3) елементарні значення індукції
, кожного елемента
в точці 0 будуть направлені в один бік (від нас за площину рисунку) тоді
.

Рис.3
Для довільного елемента dl колового провідника
;
;
.
Тоді
.
Отже
( 4 )
Отже: індукція магнітного поля колового провідника прямопропорційна силі струму і оберненопропорційна радіусові провідника .
Якщо коловий провідник має N витків і котушка плоска, то
( 5 )
або
;
NI - величина, що дорівнює добутку кількості витків катушки на силу струму в них називається числом ампервитків.
Більш складні розрахунки показують, що напруженість магнітного поля в точці на осі колового провідника радіусом R на відстані d від центра колового провідника дорівнює:
.
Аналогічно обчислюється індукція магнітного поля, створена іншими провідниками з струмом.
2. ЗАКОН ПОВНОГО СТРУМУ ТА ЙОГО ВИКОРИСТАННЯ ДЛЯ РОЗРАХУНКУ МАГНІТНИХ ПОЛІВ. ВИХРОВИЙ ХАРАКТЕР МАГНІТНОГО ПОЛЯ
У електростатиці було встановлено, що робота при переміщенні одиничного пробного заряду в електричному полі не залежить від форми шлязу і по довільному замкненому контуру дорівнює нулю. Такі поля називають потенціальними. Математична умова потенціальності поля записується у вигляді рівності нулю циркуляції вектора
,
. Ця умова вказує на те, що силові лінії електростатичного поля незамкнені: починаються на позитивних зарядах і закінчуються на негативних, або прямують у нескінченість.
Виникає запитання, а який характер має магнітне поле? Чи потенціально воно? Щоб відповісти на це обчислимо циркуляцію вектора індукції магнітного поля
-?
Хай магнітне поле створюється нескінченно довгим провідником із струмом І (рис.4- переріз провідника, перпендикулярного площині рисунка).

Рис. 4
Для спрощення розрахунків розглянемо найбільш простий випадок: за контур інтегрування So оберемо концентричне коло радіуса ro . Тоді
.
Так як у всих точках кола кут між
і
дорівнює нулю, то
.
а
. Отже
, а
. Тому
( 6 )
Якщо взяти будь-який контур S , то ускладняться обчислення, а результат буде таким же (6).
Якщо контур охоплює декілька провідників із струмами, то циркуляція вектора індукції магнітного поля визначається алгебраїчною сумою струмів охоплених контуром. За принципом суперпозиції
, отже
( 7 )
При цьому позитивним вважається такий струм напрям якого зв’язаний з напрямком обходу контура правилом правого гвинта, а струм протилежний напрямку вважається негативним. Наприклад, для випадку, показаному на рис.5 маємо:
![]()

Рис. 5
На практиці в розрахунках магнітних кіл часто користуються циркуляцією вектора напруженості магнітного поля
. Оскільки для вакууму
, то
( 8 )
Закон, який виражається рівностями (7) або (8) називають законом повного струму. Він справедливий для довільних струмів і формулюється так: циркуляція вектора напруженості магнітного поля постійних струмів по довільному замкненому контуру дорівнює алгебраїчній сумі струмів, які охоплюються цим контуром.
Отже, робота при перенесенні пробного одиничного елемента струму
в магнітному полі в загальному випадку не дорівнює нулю.
Такі поля називаються не потенціальними, або вихровими, їх не можна характеризувати потенціалом. Силові лінії магнітного поля не мають ні початку ні кінця, тобто вони завжди замкнені або прямують у нескінченність. В цьому полягає одна із відмінностей магнітного поля порівняно з електричним.
Закон повного струму має для розрахунків магнітних полів постійного струму таке ж важливе значення, як теорема Остроградського-Гаусса для розрахунку електростатичних полів.
Розглянемо використання закону повного струму для розрахунку магнітного поля.
1.Обчислимо напруженість магнітного поля на осі нормального соленоїда.
Соленоїдом називають сукупність спірально намотаних на циліндричну поверню витків ізольованого провідника, по якому проходить електричний струм. Як правило, вважають, що провідник намотаний в один шар щільно рівномірно і кількість витків обмотки на одиницю довжини поверхні є величиною сталою і дорівнює
, де N
–загальна кількість витків, l
- довжина намотки соленоїда. Якщо довжина соленоїда більше ніж у 10 разів перевищує діаметр витків, то такий соленоїд називають нормальним.
Особливістю нормального соленоїда є те, що всередині його вздовж осі магнітне поле має однаковий напрям і однакову у всіх точках величину, тобто є однорідним (рис.6). Магнітне поле зоседержено всередині соленоїда, а зовні соленоїда Н=0 .

Рис. 6
Для обчислення напруженності магнітного поля за допомогою закону повного струму оберемо замкнений контур 1, 2, 3, 4. Отже
;
Другий та четвертий інтеграми дорівнюють нулю, так як вектор
перпендикулярний ділянкам контура. Вважаючи, що ділянка 3-4 розміщена далеко від соленоїда, де Н=О
тому третій інтеграл також дорівнює нулю. Враховуючи це маємо:
.
де l
- довжина ділянки 1-2. На цій ділянці контур охоплює n
×
l
струмів, тобто
.
Згідно закону повного струму
або ![]()
і
( 9 )
а
( 10 )
2.Розглянемо магнітне поле тороїда (рис.7) – соленоїд, зігнутий у кільце.
3.

Рис. 7
Характерним для тороїда є те, що магнітне поле зосереджено тільки всередині тороїда і силові лінії мають вигляд замкнених концентричних кіл з центром в точці 0. Виберем контур у вигляді кола вздовж осі тороїда – радіуса R
. Такий контур охоплює сумарний струм N
×
I
, де N
- число витків тороїда. Отже:
;
, або
.
Звідки
, ( 11 )
а так як
- число витків на одиницю довжини намотки, то
( 12 )
Розглянуті нами соленоїд і тороїд мають практичне використання, наприклад в техніці зв’язку: різного типу електромагнітні реле, в установках для одержання потужних магнітних полів.
ВИСНОВКИ
1. За допомогою закону Біо-Савара-Лапласа можна розрахувати напруженість магнітного поля, створеного будь-яким провідником з струмом.
2. З закону повного струму випливає, що робота по переміщенню провідника з струмом в магнітному полі на замкненому контуру не дорівнює нулю, отже магнітне поле не потенціальне, а вуихрове; аналогії електричному заряду і потенціалу в магнітному полі немає.
3. Робота по переміщенню провідника з струмом в магнітному полі прямо пропорційна силі струму, магнітному потоку, який перетинається провідником, або зміні магнітного потоку через поверхню замкненого провідника. А магнітний потік через будь-яку замкнену поверхню завжди дорівнює нулю.
ЛІТЕРАТУРА
1. Гусева Г.Б. Курс физики, §§ 55-56
2. Савельев И.В. т.2, Курс общей физики, § 38-41
3. Трофимова Т.И. Курс физики, §§ 110-1