| Скачать .docx |
Реферат: Действие физических сил на конструкцию
1. Определение реакций опор составной конструкции (система двух тел)
Задание:
Конструкция состоит из двух частей. Установить, при каком способе соединения частей конструкции модуль реакции
наименьший, и для этого варианта соединения определить реакции опор, а также соединения С
.
Дано:
= 9,0 кН;
= 12,0 кН;
= 26,0 кН
м;
= 4,0 кН/м.
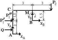
Схема конструкции представлена на рис.1.

Рис.1. Схема исследуемой конструкции.
Решение:
1) Определение реакции опоры А при шарнирном соединении в точке С.
Рассмотрим систему уравновешивающихся сил, приложенных ко всей конструкции (рис.2.). Составим уравнение моментов сил относительно точки B .

Рис.2.
(1)
где
кН.
После подстановки данных и вычислений уравнение (1) получает вид:
кН (1’)
Второе уравнение с неизвестными
и
получим, рассмотрев систему уравновешивающихся сил, приложенных к части конструкции, расположенной левее шарнира С
(рис. 3):

Рис. 3.
.
Отсюда находим, что

кН.
Подставив найденное значение
в уравнение (1’) найдем значение
:
кН.
Модуль реакции опоры А при шарнирном соединении в точке С равен:
кН.
2) Расчетная схема при соединении частей конструкции в точке С скользящей заделкой, показанной на рис. 4.

Рис. 4
Системы сил, показанные на рис. 2 и 4, ничем друг от друга не отличаются. Поэтому уравнение (1’) остается в силе. Для получения второго уравнения рассмотрим систему уравновешивающихся сил, приложенных к части конструкции, располоденной левее скользящей заделки С (рис. 5).

Рис. 5
Составим уравнение равновесия:
![]()
![]()
![]()
и из уравнения (1’) находим:
![]()
![]()
Следовательно, модуль реакции при скользящей заделке в шарнире С равен:

кН.
Итак, при соединении в точке С скользящей заделкой модуль реакции опоры А меньше, чем при шарнирном соединении (≈ 13%). Найдем составляющие реакции опоры В и скользящей заделки.
Для левой от С части (рис. 5а)
![]()
,
кН.
Составляющие реакции опоры В и момент в скользящей заделке найдем из уравнений равновесия, составленных для правой от С части конструкции.
![]()
![]()
кН*
м
![]()
![]()
кН
![]()
;
кН
Результаты расчета приведены в таблице 1.
Таблица 1.
| Силы, кН | Момент, кН* м | ||||||
| XA | YA | RA | XC | XB | YB | MC | |
| Для схемы на рис. 2 | -7,5 | -18,4 | 19,9 | - | - | - | - |
| Для схемы на рис. 4 | -14,36 | -11,09 | 17,35 | -28,8 | 28,8 | 12,0 | -17,2 |
2. Определение реакций опор твердого тела
Задание: Найти реакции опор конструкции. Схема конструкции показана на рисунке 1. Необходимые данные для расчета приведены в таблице 1.
Табл. 1
| Силы, кН | Размеры, см | |||||
| a | b | c | R | r | ||
| 2 | 1 | 15 | 10 | 20 | 20 | 5 |

Рис. 1. Здесь:
,
,
,
.
Решение:
К конструкции приложены сила тяжести
, силы
и реакции опор шарниров
и
:
(рис. 2)

Рис. 2.
Из этих сил пять неизвестных. Для их определения можно составить пять уравнений равновесия.
Уравнения моментов сил относительно координатных осей:
;
;
;
кН.
;
;
кН.
;
;
кН.
Уравнения проекций сли на оси координат:
;
кН
;
кН.
Результаты измерений сведены в табл. 2.
| 0,43 кН | 1,16 кН | 3,13 кН | -0,59 кН | 3,6 кН |
3. Интегрирование дифференциальных уравнений
Дано
a=45° ; Vв=2Va ; τ=1c; L=3 м ; h=6
Найти ƒ=? d=?
Решение
mX=SXi 1 Fтр=fN
mX=Gsina-FcoпрN=Gcosa
|
X=gsina-fgcosa
X=(g(sina-fcosa) t+ C1
X=(g(sina-fcosa)/2) t2 + C1 t+ C2
При нормальных условиях : t=0 x=0
X=C1 X= C2 => C1 =0
X=g(sina-fcosa) t+ 1 X=(g(sina-fcosa)/2) t2
X=VвX=L
Vв=g(sinα-ƒ*cosα)τ
L=((g(sinα-ƒ*cosα)τ)/2)τ
ƒ=tgα-(2L/τ *g*cosα)=1-0,8=0,2
Vв=2l/τ=6/1=6м/с
Рассмотрим движение тела от точки В до точки С показав силу тяжести действующую на тело , составим дифференциальное уравнение его движения .mx=0 my=0
Начальные условия задачи: при t=0
X0=0 Y0=0
X0=Vв*cosα ; Y0=Vв*sinα
Интегрируем уравнения дважды
Х=C3 Y=gt+C4
X= C3t+ C5
Y=gt /2+C4t+C6, при t=0
X=C3; Y0=C4
X=C5; Y0=C6
Получим уравнения проекций скоростей тела.
X=Vв*cosα , Y=gt+Vв*sinα
и уравнения его движения
X=Vв*cosα*tY=gt /2+Vв*sinα*t
Уравнение траектории тела найдем , исключив параметр tиз уравнения движения. Получим уравнение параболы.
Y=gx/2(2Vв*cosα) + xtgα
В момент падения y=hx=d
d=h/tgβ=6/1=6м
Ответ:ƒ=0,2 d=6 м
4. Определение реакций опор составной конструкции (система двух тел)
Задание:
Конструкция состоит из двух частей. Установить, при каком способе соединения частей конструкции модуль реакции
наименьший, и для этого варианта соединения определить реакции опор, а также соединения С
.
Дано:
= 9,0 кН;
= 12,0 кН;
= 26,0 кН
м;
= 4,0 кН/м.
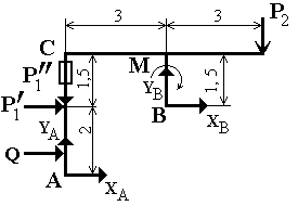
Схема конструкции представлена на рис.1.

Рис.1. Схема исследуемой конструкции.
Решение:
1) Определение реакции опоры А при шарнирном соединении в точке С.
Рассмотрим систему уравновешивающихся сил, приложенных ко всей конструкции (рис.2.). Составим уравнение моментов сил относительно точки B .

Рис.2.
(1)
где
кН.
После подстановки данных и вычислений уравнение (1) получает вид:
кН (1’)
Второе уравнение с неизвестными
и
получим, рассмотрев систему уравновешивающихся сил, приложенных к части конструкции, расположенной левее шарнира С
(рис. 3):

Рис. 3.
.
Отсюда находим, что

кН.
Подставив найденное значение
в уравнение (1’) найдем значение
:
кН.
Модуль реакции опоры А при шарнирном соединении в точке С равен:
кН.
2) Расчетная схема при соединении частей конструкции в точке С скользящей заделкой, показанной на рис. 4.

Рис. 4
Системы сил, показанные на рис. 2 и 4, ничем друг от друга не отличаются. Поэтому уравнение (1’) остается в силе. Для получения второго уравнения рассмотрим систему уравновешивающихся сил, приложенных к части конструкции, располоденной левее скользящей заделки С (рис. 5).

Рис. 5
Составим уравнение равновесия:
![]()
![]()
![]()
и из уравнения (1’) находим:
![]()
![]()
Следовательно, модуль реакции при скользящей заделке в шарнире С равен:

кН.
Итак, при соединении в точке С скользящей заделкой модуль реакции опоры А меньше, чем при шарнирном соединении (≈ 13%). Найдем составляющие реакции опоры В и скользящей заделки.
Для левой от С части (рис. 5а)
![]()
,
кН.
Составляющие реакции опоры В и момент в скользящей заделке найдем из уравнений равновесия, составленных для правой от С части конструкции.
![]()
![]()
кН*
м
![]()
![]()
кН
![]()
;
кН
Результаты расчета приведены в таблице 1.
Таблица 1.
| Силы, кН | Момент, кН* м | ||||||
| XA | YA | RA | XC | XB | YB | MC | |
| Для схемы на рис. 2 | -7,5 | -18,4 | 19,9 | - | - | - | - |
| Для схемы на рис. 4 | -14,36 | -11,09 | 17,35 | -28,8 | 28,8 | 12,0 | -17,2 |
Дано :
R2 =15; r2 =10; R3 =20; r3 =20
X=C2 t2 +C1 t+C0
При t=0 x0
=8
=4
t2 =2 x2 =44 см
X0 =2C2 t+C1
C0 =8
C1 =4
44=C2 *22 +4*2+8
4C2 =44-8-8=28
C2 =7
X=7t2 +4t+8
=V=14t+4
a=
=14
V=r2
2
R2
2
=R3
3
3
=V*R2
/(r2
*R3
)=(14t+4)*15/10*20=1,05t+0,3
3
=
3
=1,05
Vm
=r3
*
3
=20*(1,05t+0,3)=21t+6
at
m
=r3
![]()
=1,05t
at
m
=R3
=20*1,05t=21t
an
m
=R3
2
3
=20*(1,05t+0,3)2
=20*(1,05(t+0,28)2
a=![]()
5. Применение теоремы об изменении кинетической энергии к изучению движения механической системы
Исходные данные.
Механическая система под действием сил тяжести приходит в движение из состояния покоя. Трение скольжения тела 1 и сопротивление качению тела 3 отсутствует. Массой водила пренебречь.
Массы тел - m1 , m2 , m3 , m4 ; R2 , R3 , R4 – радиусы окружностей.

| m1 , кг | m2 , кг | m3 , кг | m4 , кг | R2 , см | R3 , см | s, м |
| m | m/10 | m/20 | m/10 | 10 | 12 | 0.05π |
Найти.
Пренебрегая другими силами сопротивления и массами нитей, предполагаемых нерастяжимыми, определит скорость тела 1 в тот момент, когда пройденный им путь станет равным s.
Решение.
1. Применим к механической системетеорему об изменении кинетической энергии.
,
где T0
и T – кинетическая энергия системы в начальном и конечном положениях;
– сумма работ внешних сил, приложенных к системе, на перемещении из начального положения в конечное;
- сумма работ внутренних сил системы на том же перемещении.
Для рассматриваемых систем, состоящих из абсолютно твёрдых тел, соединённых нерастяжимыми нитями и стержнями
. Так как в начальном положении система находится в покое, то T0
=0.
Следовательно, уравнение (1) принимает вид:
.
2. Определим угол, на который повернётся водило, когда груз 1 пройдёт расстояние s.
.
То есть когда груз 1 пройдёт путь s, система повернётся на угол 90º.
3. Вычислим кинетическую энергию системы в конечном положении как сумму кинетических энергий тел 1, 2, 3, 4.
T = T1 + T2 + T3 + T4 .
а) Кинетическая энергия груза 1, движущегося поступательно равна:
.
б) Кинетическая энергия катка 2, вращающегося вокруг своей оси равна:
,
где
- момент инерции катка 2,
- угловая скорость катка 2.
Отсюда получаем, что
.
в) Кинетическая энергия катка 3, совершающего плоско-параллельное движение, равна:
,
где
- скорость центра масс катка 3,
-угловая скорость мгновенного центра скоростей катка 3
![]()
момент инерции катка 3 относительно мгновенного центра скоростей.
Отсюда получаем, что
![]()
г) Кинетическая энергия катка 4, совершающего плоскопараллельное движение, равна:
![]()
где
- угловая скорость мгновенного центра скоростей,
- скорость центра масс катка 4,
- момент инерции катка 4 относительно мгновенного центра скоростей.
Отсюда получаем, что
![]()
Таким образом, кинетическая энергия всей механической системы равна:
![]()
4. Найдём работу всех внешних сил, приложенных к системе на заданном перемещении.
а) Работа силы тяжести G1 : AG 1 =m1 ∙g∙s=m∙980∙5=15386∙m1 .
б) Работа силы тяжести G2 : AG 2 =0.
в) Работа силы тяжести G3 : AG 3 =-m3 ∙g∙(OA)=-0.05∙m∙980∙36=-1764∙m.
г) Работа силы тяжести G4 : AG 4 =-m4 ∙g∙OC=-0.1∙m∙980∙72=-7056∙m.
Таким образом, работа всех внешних сил, приложенных к системе равна:
= AG
1
+AG
3
+AG
4
=15386∙m-1764∙m-7056∙m=6566∙m.
5.
Согласно теореме об изменении кинетической энергии механической системы приравниваем значения T и
.
=6566∙m;
=6566.
Отсюда скорость тела 1 равна:
= 0.31 м/с.
Результаты расчётов.
| V1 , м/c |
| 0.31 |


Дано: Q=4kH, G=2kH, a=50см, b=30см.
Определить: реакции опор А, В, С.
Решение:
1) ∑FKX =XA +XB -RC ∙cos30°+Q·sin45°=0;
2) ∑FKY =YA =0;
3) ∑FKZ =ZA +ZB +RC ·sin30°-G-Q·cos45°=0;
4) ∑MKX =ZB ·AB-G·AB/2-Q·cos45°·AB=0;
5) ∑MKY =G·AC/2·cos30°-RC ·AC·sin60°+Q·AC·sin75°=0;
6) ∑MKZ =-XB ·АВ-Q·AB·cos45°=0.
Из (6) XB =(-Q·AB·cos45°)/АВ=-4·50·0,7/50=-2,8кН
Из (5) RC =(G·AC/2·cos30°+Q·AC·sin75°)/AC·sin60°=
=(2·30/2·0,87+4·30·0,96)/30·0,87=(26,1+115,2)/26,1=5,4кН
Из (4) ZB =(G·AB/2+Q·cos45°·AB)/AB=(50+141,4)/50=3,8kH
Из (3) ZA =-ZB -RC ·sin30°+G+Q·cos45°=-3,8-2,7+2+2,8=-1,7кН
Из (1) XA =-XB +RC ∙cos30°-Q·sin45°=2,8+4,7-2,8=4,7кН
Результаты вычислений:
| Силы, кН | |||||
| RC | XA | YA | ZA | XB | ZB |
| 5,4 | 4,7 | 0 | -1,7 | -2,8 | 3,8 |