| Скачать .docx |
Курсовая работа: Двигатель постоянного тока
ГОСУДАРСТВЕННОЕ ОБРАЗОВАТЕЛЬНОЕ УЧРЕЖДЕНИЕ ВЫСШЕГО ПРОФЕССИОНАЛЬНОГО ОБРАЗОВАНИЯ
ДАЛЬНЕВОСТОЧНЫЙ ГОСУДАРСТВЕННЫЙ УНИВЕРСТИТЕТ ПУТЕЙ СООБЩЕНИЯ
Кафедра: «ЭтЭЭм»
КУРСОВОЙ ПРОЕКТ
на тему: «Двигатель постоянного тока»
КП 14020365 637
Выполнил: Кузнецов К. И.
Проверил: Пашнин В.М.
Хабаровск
2007
Введение
Почти вся электрическая энергия вырабатывается электрическими машинами. Но электрические машины могут работать не только в генераторном режиме, но и в двигательном, преобразуя электрическую энергию в механическую. Обладая высокими энергетическими показателями и меньшими, по сравнению с другими преобразователями энергии, расходами материалов на единицу мощности, экологически чистые электромеханические преобразователи имеют в жизни человеческого общества огромное значение.
При проектировании электрической машины приходится учитывать большое количество факторов, от которых зависят её эксплуатационные свойства, заводская себестоимость и надёжность в работе.
При проектировании выбор материалов, размеров активных и конструктивных частей машины должен быть технически и экономически обоснован. При этом следует использовать предшествующий опыт и ориентироваться на данные современных машин. Однако необходимо критически относиться к этим данным, выявить недостатки машин и найти способы их устранения.
Целью данной работы была разработка конструкции двигателя постоянного тока. За основу конструкции была принята машина постоянного тока серии 2П. Проектирование двигателя включает в себя выбор и расчёт размеров статора и ротора, обмоток, изоляции, конструктивных деталей, объединение их в конструктивные узлы и общую компоновку всех его частей.
Материалы, размеры и формы конструктивных деталей должны быть так выбраны и отдельные детали так объединены, чтобы двигатель по возможности наилучшим образом соответствовал своему назначению и был наиболее экономичным в работе и изготовлении.
1 Выбор и расчёт главных размеров двигателя
1.1
– предварительное значение КПД двигателя назначаем в зависимости от его мощности по [рис1.1]. Принимаем среднее значение ηн
= 0,8.
1.2 Определяем предварительное значение номинального тока:

А
1.3 Ток якоря:

где значение коэффициента
выбираем из табл.1.1.,
=0,08
А
1.4 Определяем электромагнитную мощность двигателя:
,
кВт
1.5 Диаметр якоря D можно принять равным высоте оси вращения:
![]()
Определяем наружный диаметр якоря DН , м:
,
.
1.6
– линейная нагрузка якоря по [рис1.3].
1.7
– магнитная индукция в воздушном зазоре по [рис1.4].
– расчетный коэффициент полюсного перекрытия по [рис1.5].
1.8 Определяем расчётную длину якоря:
,
м
1.9 Определяем отношение длины магнитопровода якоря к его диаметру:
,
.
полученное λ удовлетворяет условию ![]()
1.10 Принимаем число полюсов двигателя 2р = 4.
1.11 Находим полюсное деление:
![]()
.
1.12 Определяем расчётную ширину полюсного наконечника:
,
.
1.13 Действительная ширина полюсного наконечника при эксцентричном зазоре под главными полюсами
.
2 Выбор обмотки якоря
2.1 Т.к. ток якоря меньше 600 А, выбираем простую волновую обмотку
(2а = 2). Ток параллельной ветви равен:
,
.
2.2 Определяем предварительное общее число эффективных проводников обмотки якоря:
,
.
2.3 Крайние пределы чисел пазов якоря:
,
где t1 – зубцовый шаг, граничные значения которого зависят от высоты оси вращения.
Принимаем t1 max = 0.02 м; t1 min = 0.01 м. Тогда:
.
Ориентировочное число пазов якоря:

![]()
где отношение
определяется по табл.2.1
=10
Зубцовый шаг:
![]()
![]()
2.4 Число эффективных проводников в пазу:
![]()
![]()
В симметричной двухслойной обмотке это число должно быть четным. Принимаем Nп
=24, тогда число проводников в обмотке якоря определяется как
.
2.5 Т.к. диаметр якоря меньше 200 мм, пазы якоря выполняем полузакрытыми овальной формы, зубцы с параллельными стенками. Выбор такой конструкции обусловлен тем, что обмотка якоря таких машин выполняется всыпной из эмалированных медных проводников круглого сечения, образующих мягкие секции, которые легко можно уложить в пазы через сравнительно узкие шлицы.
2.6 Выбор числа коллекторных пластин. Минимальное число коллекторных пластин К ограничивается допустимым значением напряжения между соседними коллекторными пластинами. Для серийных машин без компенсационной обмотки
.
Минимальное значение К:
,
![]()
Принимаем коллекторное деление:
![]()
Максимальное значение К:

где
– наружный диаметр коллектора
Число коллекторных пластин:
,
где
- число элементарных пазов в одном реальном (
=3).
Данные полученные ранее записываем в таблицу:
| un | К = un ·Z | ![]() |
||
| 3 | 120 | 4 | 18 | 3.27 |
Уточнённое значение линейной нагрузки, А/м
,
,
где ![]()
2.7 Скорректированная длина якоря:
![]()

2.8 Наружный диаметр коллектора ![]()
2.9 Окружная скорость коллектора:
,
![]()
2.10 Коллекторное деление tk = 3.27 мм
2.11 Полный ток паза:
![]()
.
2.12 Предварительное значение плотности тока в обмотке якоря:
,
где
- принимаем в зависимости от диаметра якоря по [рис 1.3].
.
2.13 Предварительное сечение эффективного провода:
,
![]()
Для обмоток якоря с полузакрытыми пазами из [табл.2.4] выбираем круглый провод марки ПЭТВ с сечением 0.883 мм2 , диаметром неизолированного провода 1.06 мм и диаметром изолированного провода 1.14 мм.
Число элементарных проводников
.
3 Расчёт геометрии зубцовой зоны
3.1 Площадь поперечного сечения обмотки, уложенной в один полузакрытый паз:

где dИЗ = 1.14 мм – диаметр одного изолированного провода;
nЭЛ = 1 – число элементарных проводников в одном эффективном;
WС = 4 – число витков в секции;
un = 3 – число элементарных пазов в одном реальном;
КЗ = 0.7 – коэффициент заполнения паза изолированными проводниками.
Тогда:

3.2 Высоту паза предварительно выбираем по рис 3.1 в зависимости от диаметра якоря:
hП = 25 мм
Ширина шлица bШ должна быть больше суммы максимального диаметра изолированного проводника и двухсторонней толщины пазовой изоляции. Принимаем bШ = 2 мм.
Высоту шлица принимаем hШ = 0.6 мм.
3.3 Ширина зубца:

где BZ = 2 Тл– допустимое значение магнитной индукции в зубцах для частоты перемагничивания 50Гц и двигателя со степенью защиты IP22 и способом охлаждения ICO1;
КС = 0,95 – коэффициент заполнения пакета якоря сталью.
Тогда:
м
3.4 Большой радиус паза:
,
м
3.5 Меньший радиус паза:
,
м
3.6 Расстояние между центрами радиусов:
![]()
![]()
3.7 Минимальное сечение зубцов якоря:
![]()
![]()
3.8 Предварительное значение ЭДС:
ЕН = КД ∙UН
где КД = 0.9 – выбирается в зависимости от мощности двигателя по табл.1.1. Тогда:
ЕН = 0.9∙440 = 396 В
3.9 Предварительное значение магнитного потока на полюс:

3.10 Индукция в сечении зубцов (сталь марки 2312):

Bz
не удовлетворяет условию Bz
≤2. В таком случае пересчитываем
так, что бы выполнялось условие Bz
≤2:


4 Расчёт обмотки якоря
4.1 Длина лобовой части витка при 2р = 4:
![]()
4.2 Средняя длина полувитка обмотки якоря:
lа ср = (lп + lл ), м
где lп ≈ lδ = 0.16 – длина якоря приближённая для машин без радиальной вентиляции, м
Тогда:
lа ср = 0.16+ 0.158= 0.318 м
4.3 Полная длина проводников обмотки якоря:
Lма = N·lа ср = 960·0.318= 305.28 м
4.4 Сопротивление обмотки якоря при температуре t = 20 ˚С:

![]()
4.5 Сопротивление обмотки якоря при температуре t = 75 ˚С:
Rda = 1.22Rа = 1.22·1.6 = 1.952 Ом
4.6 Масса меди обмотки якоря:
Мма = 8900·lа ср ·N·q0 = 8900·0.318·960·0.83635·10-6 = 2.272 кг
4.7 Расчёт шагов обмотки. Шаг по коллектору для простой волновой обмотки:
![]()
Результирующий шаг Y = YК = 59
Первый частичный шаг:
![]()
где Σ – дробное число, с помощью которого Y1 округляется до целого числа.
Тогда:
![]()
Второй частичный шаг:
Y2 = Y – Y1 = 59 – 30 = 29
5 Определение размеров магнитной цепи
5.1 Предварительное значение внутреннего диаметра якоря и диаметра вала:
![]()
5.2 Высота спинки якоря:
![]()
Магнитная индукция в спинке якоря:

где
– площадь поперечного сечения спинки якоря;
Kc
= 0,95; ![]()
Тогда 
Bj
не удовлетворяет условию
. В таком случае делаем перерасчет внутреннего диаметра якоря Do
:

![]()
5.3 Принимаем сталь марки 3411 толщиной 0.5 мм, у которой известно
Кс = 0.95; σг = 1.2; bp = 0.07812 м
Ширина выступа полюсного наконечника равна
![]()
5.4 Ширина сердечника главного полюса:
![]()
![]()
5.5 Индукция в сердечнике:

5.6 Сечение станины:

где ВС = 1,3 – индукция в станине, Тл.
![]()
5.7 Длина станины:
lC = lг + 0.4D = 0.285 + 0.4·0,16 = 0.221 м
5.8 Высота станины:

5.9 Наружный диаметр станины:
![]()
5.10 Внутренний диаметр станины:
dC = DH – 2hC = 0.31 – 2·0.0278= 0.254 м
5.11 Высота главного полюса:

где δ = 0.015м – предварительное значение воздушного зазора по [рис 5.2.]
![]()
6 Расчётные сечения магнитной цепи
6.1 Сечение воздушного зазора:
Sδ = bρ ·lδ = 0.0781·0.285 = 0.0222 м2
6.2 Длина стали якоря:
![]()
6.3 Минимальное сечение зубцов якоря из п.3.7:
S
=0.00665 м![]()
6.4 Сечение спинки якоря:
Sj = lс. ∙hj = 0.27∙0.0175 = 0.0473 м2
6.5 Сечение сердечников главных полюсов:
Sr = Kc ∙lr ∙br = 0.95∙0.285∙0.0469 = 0.0127 м2
6.6 Сечение станины из п. 5.6.:
SC = 0.00614 м2
7 Средние длины магнитных линий
7.1 Воздушный зазор δ = 0.015 м.
7.2 Коэффициент воздушного зазора, учитывающий наличие пазов овальной формы на якоре:

7.3 Расчётная длина воздушного зазора:
![]()
7.4 Зубцы якоря для пазов овальной формы:
![]()
7.5 Спинка якоря:

7.6 Сердечник главного полюса:
Lr = hr = 0.017 м
7.7 Воздушный зазор между главным полюсом и станиной:
LС.П. = 2lr ·10-4 +10-4 = 2·0.285·10-4 +10-4 = 0.000157 м
7.8 Станина:

8 Индукция в расчётных сечениях магнитной цепи
8.1 Индукция в воздушном зазоре:

8.2 Индукция в сечении зубцов якоря:

8.3 Индукция в спинке якоря:

8.4 Индукция в сердечнике главного полюса:

8.5 Индукция в станине:

9 Магнитное напряжение отдельных участков магнитной цепи
9.1 Магнитное напряжение воздушного зазора:
![]()
9.2 Коэффициент вытеснения потока:

9.3 Магнитное напряжение зубцов якоря:
FZ = 2HZ LZ = 2∙38800·0.0242 = 1877.92 А
9.4 Магнитное напряжение спинки якоря:
Fj = Hj Lj = 1000·0.0451 = 45.1 А
9.5 Магнитное напряжение сердечника главного полюса:
Fr =2Hr Lr = 2∙460·0.017 = 15.64 А
9.6 Магнитное напряжение воздушного зазора между главным полюсом и станиной:
FС.П = 1.6·Br ·LС.П ∙106 = 1.6·1.26·0.000157·106 = 316.512 А
9.7 Магнитное напряжение станины:
FС = HС LС = 550·0.1247 = 68.585 А
9.8 Суммарная МДС на пару полюсов:
FΣ = Fδ + FZ + Fj + Fr + FС.П + FC = 1456.77 + 1877.92 + 45.1+ 15.64 + +316.512+198.273 = 3780.527 А
9.9 МДС переходного слоя:
FδZj = Fδ + FZ + Fj = 1456.77+1877.92+45.1 = 3379.79 A
Аналогично производится расчёт для потоков равных 0,5; 0,75; 0,9; 1,1; 1,15 от номинального значения. Результаты расчёта сведены в таблицу 1.
Таблица 1 – Расчёт характеристики намагничивания машины.
№ п/п |
Расчётная величина |
Расчётная формула | Ед. вел. |
0,5ФδН | 0,75ФδН | 0,9ФδН | ФδН | 1,1ФδН | 1,15ФδН |
| 1 | ЭДС | Е | В | – | – | – | 396 | – | – |
| 2 | Магнитный поток |
![]() |
Вб | 0.00655 | 0.009975 | 0.01197 | 0.0133 | 0.01463 | 0.015295 |
| 3 | Магнитная индукция в воздушном зазоре | ![]() |
Тл | 0.3 | 0.45 | 0.54 | 0.6 | 0.66 | 0.69 |
| 4 | МДС воздушного зазора | А | 728.385 | 1092.578 | 1311.093 | 1456.77 | 1602.447 | 1675.286 | |
| 5 | Магнитная индукция в зубцах якоря | ![]() |
Тл | 1 | 1.5 | 1.8 | 2 | 2.2 | 2.3 |
| 6 | Напряженность магнитного поля |
НZ | 240 | 1600 | 13400 | 38800 | 144000 | 224000 | |
| 7 | Магнитное напряжение зубцов | FZ = 2HZ LZ | А | 11.616 | 77.44 | 648.56 | 1877.92 | 6969.6 | 10841.6 |
| 8 | Магнитная индукция в спинке якоря | ![]() |
Тл | 0.7 | 1.05 | 1.26 | 1.4 | 1.54 | 1.61 |
| 9 | Напряженность магнитного поля |
Нj | 96 | 270 | 460 | 1000 | 2200 | 3600 | |
| 10 | Магнитное напряжение в спинке якоря | Fj = Hj Lj | А | 4.3296 | 12.177 | 20.746 | 45.1 | 99.22 | 162.36 |
| 11 | Магнитный поток главного полюса |
Фr = σг Фδ | Вб | 0.00798 | 0.01197 | 0.014364 | 0.01596 | 0.017556 | 0.018354 |
| 12 | Магнитная индукция в серд. глав. полюса | ![]() |
Тл | 0.63 | 0.95 | 1.13 | 1.26 | 1.39 | 1.45 |
| 13 | Напряжённость магнитного поля |
Нr | 89 | 215 | 330 | 460 | 940 | 1300 | |
| 14 | Магнитное напряжение серд. глав. полюса | Fr = 2Hr Lr | А | 3.026 | 7.31 | 11.22 | 15.64 | 31.96 | 44.2 |
| 15 | Магнитная индук. в возд. зазоре между гл. пол. и стан. |
ВС.П = Вr | Тл | 0.63 | 0.95 | 1.13 | 1.26 | 1.39 | 1.45 |
| 16 | Магнитное напряж. возд. зазора между гл. полюсом и стан. |
FС.П = =1.6·106 ·Br ·LС.П | А | 158.256 | 237.384 | 284.8608 | 316.512 | 348.1632 | 364 |
| 17 | Магнитная индукция в станине | ![]() |
Тл | 0.65 | 0.98 | 1.17 | 1.3 | 1.43 | 1.5 |
| 18 | Напряжённость магнитного поля |
НС | 91 | 230 | 370 | 550 | 1180 | 1600 | |
| 19 | Магнитное напряжение станины | FС = HС LС | А | 11.3477 | 28.681 | 46.139 | 68.585 | 147.146 | 199.52 |
| 20 | Сумма магн. напряж. всех участков магнит. цепи | FΣ = Fδ + FZ + Fj + Fr + +FС.П + FC | А | 916.9603 | 1455.57 | 2322.619 | 3780.527 | 9198.5362 | 13286.95 |
| 21 | Сумма магн. напряжений участков переходного слоя | FδZj = Fδ + FZ + Fj | А | 744.3306 | 1182.195 | 1980.399 | 3379.79 | 8671.267 | 12679.25 |
По данным таблицы строятся характеристика намагничивания
Bδ =f (FΣ )и переходная характеристика Bδ =f (FδZi )

Рисунок 1. Характеристика намагничивания и переходная характеристика
10 Расчёт параллельной обмотки возбуждения
10.1 Размагничивающее действие реакции якоря:
Fqd = 180 А.
10.2 Необходимая МДС параллельной обмотки:
FВ = FΣ + Fqd = 3780.527 + 180 = 3960.527 А
10.3 Средняя длина витка катушки параллельной обмотки:
lср.в. = 2(lr + br ) + π(bКТ.В + 2ΔИЗ ), м
где bКТ.В = 0.03 – ширина катушки, м;
ΔИЗ = 0.75·10-3 – толщина изоляции, м.
Тогда:
lср.в. = 2(0.285 + 0.0469) + 3.14(0.03 + 2·0.75·10-3 ) = 0.67 м
10.4 Сечение меди параллельной обмотки:

где КЗ.В = 1.1 – коэффициент запаса;
m = 1.22 – коэффициент, учитывающий увеличение сопротивления меди при увеличении температуры до 75˚С.
Тогда:
![]()
Окончательно принимаем стандартный круглый медный провод марки ПЭТВ с сечением qВ = 0.283 мм2 , диаметром без изоляции d = 0.6 мм и диаметром с изоляцией dИЗ = 0.655 мм.
10.5 Номинальная плотность тока принимается:
JВ = 4.45·106 А/м2
10.6 Число витков на пару полюсов:

10.7 Номинальный ток возбуждения:

10.8 Полная длина обмотки:
LB = p·lСР.В ·WB = 2·0.67·3145 = 4214.3 м
10.9 Сопротивление обмотки возбуждения при температуре υ=20˚С:

10.10 Сопротивление обмотки возбуждения при температуре υ=75˚С:
RB 75 = m·RB 20 = 1.22·261.25 = 318.73 Ом
10.11 Масса меди параллельной обмотки:
mм.в. = 8.9·lв.ср. ·Wв ·qв ·103 = 8.9·0.67·3145·0.283·10-6 ·103 = 5.307 кг
11 Коллектор и щётки
11.1 Ширина нейтральной зоны:
bН.З = τ– bР = 0.126 – 0.0781 = 0.0479 м
11.2 Ширина щётки для простой волновой обмотки:
bЩ = 3.5tК = 3.5·0.00327 = 0.0115 м
Окончательно принимаем стандартную ширину щётки: bЩ = 0.0125 м. Длина щётки lЩ = 0.025 м.
11.3 Поверхность соприкосновения щётки с коллектором:
SЩ = bЩ ·lЩ = 0.0125·0.025 = 0.0003125 м2
11.4 При допустимой плотности тока JЩ = 11·104 ,А/м2 , число щёток на болт:

Окончательно принимаем NЩ = 1.
11.5 Поверхность соприкосновения всех щёток с коллектором:
ΣSЩ = 2р·NЩ ·SЩ = 4·1·0.0003125 = 0.00125 м2
11.6 Плотность тока под щётками:

11.7 Активная длина коллектора:
lК = NЩ (lЩ + 8·10-3 ) + 10·10-3 = 1(0.025 + 8·10-3 ) + 10-2 = 0.043 м
12 Потери и КПД
12.1 Электрические потери в обмотке якоря:
Рmа = I2 Rda = 16.7272 ·1.952 = 546.16 Вт
12.2 Электрические потери в параллельной обмотке возбуждения:
РМ.В = I2 ВН ·RВ75 = 1.2592 ·318.73= 505.21 Вт
12.3 Электрические потери в переходном контакте щёток на коллекторе:
РЭ.Щ = I·2ΔUЩ , Вт
где 2ΔUЩ = 2 – потери напряжения в переходных контактах, В.
Тогда:
РЭ.Щ = 16.727·2 = 33.454 Вт
12.4 Потери на трение щёток о коллектор:
РТ.Щ = ΣSЩ ·РЩ ·f·VК , Вт
где РЩ = 3·104 Па – давление на щётку;
f = 0.2 – коэффициент трения щётки.
Тогда:
РТ.Щ = 0.00125·3·104 ·0.2·14.392 = 107.94 Вт
12.5 Потери в подшипниках и на вентиляцию определим по рис.13.1.:
РТ.П + РВЕНТ. = 105 Вт.
12.6 Масса стали ярма якоря:


12.7 Условная масса стали зубцов якоря с овальными пазами:

12.8 Магнитные потери в ярме якоря:
Pj = mj ·Pj , Вт
где Pj – удельные потери в ярме якоря, Вт/кг:

где Р1.0/50 = 1.75 – удельные потери в стали для В = 1.0 Тл и f=50 Гц, Вт/кг;
f =
– частота перемагничивания, Гц;
β = 2.
Тогда удельные потери:

Общие магнитные потери в ярме якоря:
Pj = 83.553·16.97 = 1417.89 Вт
12.9 Магнитные потери в зубцах якоря:
PZ = mZ ·PZ , Вт
где
- удельные потери, Вт/кг.
Тогда общие магнитные потери в зубцах якоря:
PZ = 7.14·34.63 = 247.26 Вт
12.10 Добавочные потери:

12.11 Сумма потерь:
ΣР = Рmа + РМ.В + РЭ.Щ + РТ.Щ + (РТ.П + РВЕНТ. ) + Pj + PZ + РДОБ =
= 546.16 + 505.21 + 33.454 + 107.94 + 105 + 1417.89 + 247.26 + 96.37 = 3059.284 Вт
12.12 КПД двигателя:


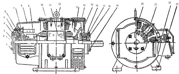
Рисунок 2.Электрическая машина постоянного тока.
1 – пробка винтовая; 2 – крышка; 3 – лабиринт: 4 – масленка; 5 – подшипник; 6 – лабиринт; 7 – траверса; 8 – щит подшипниковый; 9 – коллектор; 10 – станина; 11 – якорь; 12 – винт грузовой; 13 – вентилятор; 14 – щит подшипниковый; 15 – лабиринт; 16 – подшипник; 17 – лабиринт; 18 – вал; 19 – полюс добавочный; 20 – полюс главный; 21 – конденсатор; 22 – коробка выводов; 23 – болт для заземления.
Заключение
Проектирование электрической машины представляет собой сложную задачу. Для её разрешения требуются глубокие теоретические знания, многие опытные данные и достаточно подробные сведения о назначении машины и условия, в которых она будет работать.
В результате расчёта был спроектирован двигатель на заданную мощность. Был произведен выбор и расчет размеров статора и ротора, обмоток, изоляции, конструктивных деталей.
Список литературы
1. Пашнин В. М. Электрические машины: Методические указания к курсовому проекту. – Хабаровск: Изд-во ДВГУПС, 2000. – 40 с.: ил.
2. Сергеев П. С. и др. Проектирование электрических машин. Изд. 3-е, переработ. и доп. М., “Энергия”, 1969.
3. Копылов И. П. Проектирование электрических машин: Учеб. пособие для вузов. – М.: Энергия, 1980. – 496 с., ил.






