| Скачать .docx |
Реферат: Влияние температуры на спектральные и электрические характеристики светоизлучающих диодов
НАУЧНАЯ КОНФЕРЕНЦИЯ МОЛОДЫХ ИССЛЕДОВАТЕЛЕЙ
“ШАГ В БУДУЩЕЕ”
Контрольная работа
ВЛИЯНИЕ ТЕМПЕРАТУРЫ НА СПЕКТРАЛЬНЫЕ И ЭЛЕКТРИЧЕСКИЕ ХАРАКТЕРИСТИКИ СВЕТОИЗЛУЧАЮЩИХ ДИОДОВ
Работа выполнена:
учеником 11 класса МОУ лицей № 8
Перевозчиковым Даниилом
Научный руководитель:
главный научный сотрудник
Института физики ДНЦ РАН,
доктор физ.- мат. наук
Зобов Е.М.
МАХАЧКАЛА – 2009 г.
Введение
В температурном диапазоне 300-90 К исследованы электролюминесценция, вольт-амперные и люкс-амперные характеристики промышленных «фиолетовых» и «желтых» светоизлучающих диодов. Установлено, что с понижением температуры у «фиолетовых» светодиодов уменьшается интенсивность излучения и наблюдается «шнурование» тока. В отличие от «фиолетовых» светодиодов, интенсивность излучения «желтых» светодиодов при 90 К возрастает, однако спектр излучения имеет квазидискретную структуру.
Исследования электрических характеристик светодиодов позволили предположить, что при низких температурах в гетероструктурах, из которых изготовлены светодиоды, изменяются механизмы процессов генерации и рекомбинации носителей заряда.
Светодиод - это полупроводниковый прибор, генерирующий (при прохождении через него электрического тока) оптическое излучение, которое в видимой области воспринимается как одноцветное (монохромное). Цвет излучения светодиода определяется как используемыми полупроводниковыми материалами, так и легирующими примесями. Современные промышленные светодиоды изготавливаются на основе p-n-гетероструктур InxGa1-xN/AlyGa1-yN/GaN или. InxGa1-xP/AlyGa1-yP/GaP. Светодиоды служат реальной альтернативой традиционным источникам света, так как они обладают малыми размерами, имеют малое энергопотреблении. Обладая такими свойствами, как точная направленность света и возможность управления интенсивностью и цветом излучения, они уже сегодня применяются в архитектурном и декоративном освещении, на их основе созданы рекламные экраны цветного изображения [1].
Однако, температурный диапазон эксплуатации светодиодов ограничен (+40 -20 0С), а в доступной нам литературе мы не нашли ответ на наш вопрос: «Почему светодиоды неспособны работать при более низких температурах?». Если нет ответа, то его надо искать.
Цель работы – установление причин низкотемпературной неустойчивости режима работы промышленных светоизлучающих диодов.
Для достижения поставленной цели решались следующие задачи:
- в температурном диапазоне 300 - 90 К исследовались спектры электролюминесценции, вольт-амперные и люкс-амперные характеристики «фиолетовых» и «желтых» светодиодов;
- проводился анализ процессов токопереноса, генерации и рекомбинации носителей заряда в гетероструктурах при различных температурах.
Работа выполнена на экспериментальной базе Аналитического центра коллективного пользования Института физики Дагестанского научного центра РАН.
1 МЕТОДИКА И ТЕХНИКА ЭКСПЕРИМЕНТА
Для исследования нами были выбраны «фиолетовый» и «желтый» светодиоды.
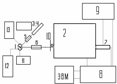
Рис. 1 Блок - схема экспериментальной установки для исследования фотолюминесценции, собранной на базе спектрально-вычислительного комплекса КСВУ-2
1 - образец в криостате, 2 - монохроматор МДР -23, 3-4 блок питания источника фотовозбуждения, 5-6- блоки оптических фильтров с конденсорами, 7 - ФЭУ, 8 - блок управления и регистрации сигнала, 9 - усилитель (UNIPAN 232B), 10 - модулятор, 11-блок регистрации температуры, 12 -блок электропитания образца, 13 - вакуумный пост.
Исследования спектров электролюминесценции светодиодов проводились на установке, собранной на базе спектрально-вычислительные комплексы КСВУ-23 (рис. 1).
Главным элементом оптической системы этой установки является монохроматор МДР-23 (2). В зависимости от спектрального диапазона измерений используются дифракционные решетки 1200, 600 и 300 штр. на мм.
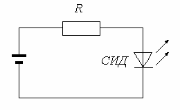
Рис. 2
Для снятия вольт-амперных и люкс-амперных характеристик светодиода применялась стандартная схема (рис. 2). Светодиод закреплялся на хладопроводе и помещался в криостат (1).
Излучение светодиода модулировалось механическим модулятором (10) и фокусировалось (6) на входную щель монохроматора МДР-23 (2). В качестве детектора излучения использовался фотоумножитель (7) типа ФЭУ-100 (спектральный диапазон чувствительности 200-700 нм), сигнал с которого для усиления подается на вход селективного нановольтметра Unipan-232 В (9), а затем на вход блока управления и регистрации (8) включающий и ЭВМ.
Охлаждение образца производится с помощью хладагента (жидкий азот) путем заливки его в стакан криостата (1). Для нагрева образца используется электрический нагреватель. Температура фиксируется медь-константановой термопарой.
2 ЭКСПЕРИМЕНТАЛЬНЫЕ РЕЗУЛЬТАТЫ
Спектры электролюминесценции, исследованных нами светодиодов представлены на рис. 3-4.
Рис. 3,а. Спектры излучения (ЭЛ) «фиолетового» светодиода при Т=300 К в зависимости от величины тока I , mA : 4.1 ; 11.9; 15.2.
Рис. 3, б. Спектр излучения (ЭЛ) «фиолетового» светодиода при Т=90 К в зависимости от величины тока I mA : 2.76; 4.53; 6.7; 15.8
Рис. 4,а. Спектры излучения (ЭЛ) «желтого» светодиода при Т=300 К, величина тока I =12.9 mA
Рис. 4, б. Спектр излучения (ЭЛ) «желтого» светодиода при Т=90 К в зависимости от величины тока I mA : 0.23; 1.0; 2.15; 3.7
Вольт-амперные и люкс-амперные характеристики светодиодов представлены на рис. 5-8, а температурные зависимости токов и интенсивности их излучения на рис. 9-10.
Рис. 5. Вольт-амперные характеристики «фиолетового» светодиода
Рис. 6. Люкс-амперные характеристики «фиолетового» светодиода
Рис. 7. Вольт-амперные характеристики «желтого» светодиода
Рис. 8. Люкс-амперные характеристики «желтого» светодиода

Рис. 9. Температурные зависимости тока «фиолетового» светодиода и интенсивности его излучения
Рис. 10. Температурные зависимости тока «желтого» светодиода и интенсивности его излучения
Полученные экспериментальные данные показывают, что с понижением температуры у «фиолетовых» светодиодов наблюдается уменьшение интенсивности излучения (рис. 3 и рис. 9) и изменгение механизма протекания тока (рис. 5). Для выведения данного светодиода в рабочий режим при 90 К необходимо увеличивать величину рабочего напряжения в два раза. Рост напряжения питания светодиода приводит к S-образной вольт-амперной характеристике (рис. 5), что свидетельствует о «шнуровании» тока протекания.
У «желтого» светодиода температурная зависимость интенсивности излучения имеет более сложный вид (рис. 10), при 90 К интенсивность излучения становится больше, чем при 300 К (сравни рис. 4а и 4б). При этом, спектр излучения состоит из квазидискретных полос. Для вывода светодиода в рабочий режим при 90 К необходимо увеличивать напряжение питания более, чем в два раза.
3 ИНТЕРПРЕТАЦИЯ ЭКСПЕРИМЕНТАЛЬНЫХ ДАННЫХ
Излучательная способность «фиолетовых» светодиодов, изготовленных на основе p-n-гетероструктур InGaN/AlGaN/GaN с квантовыми ямами (рис. 11), определяется интенсивностью процессов туннельной излучательной рекомбинации [2]. Туннелирование
Рис. 11. Энергетическая диаграмма гетероструктуры типа InGaN / AlGaN / GaN c одиночной квантовой ямой InGaN . Стрелкой показан туннельный переход электронов из квантовой ямы в p -область с излучением кванта света
Рис. 12. Энергетическая диаграмма p - n + - структуры на основе GaP . Стрелкой показан переход электронов при аннигиляции экситонов с излучением кванта света
Носителей заряда из квантовых ям носит активационный характер и зависит, как от величины электрических полей в гетероструктуре, так и от температуры. Полученные нами экспериментальные результаты, скорее всего являются следствием того, что при понижении температуры туннелирование носителей заряда из квантовых ям уменьшается, и интенсивность излучения светодиода падает (рис. 3 и 9).
Понижение температуры проводит к тому, что в силу уменьшения энергии термической ионизации, в квантовых ямах инжектированные носители заряда заполняют не только нижние, но и верхние квантовые уровни. Идет накопление электрического заряда в квантовых ямах, что сопровождается ростом внутреннего электрического поля в гетероструктуре. Когда величина поля достигает критического значения, наступает туннельный «пробой», что сопровождается шнурованием тока (S-образная ВАХ на рис. 5) и резким увеличением интенсивности излучения (рис. 6).
«Желтые» светодиоды изготавливаются из p-n-гомоструктур на основе фосфида галлия (рис. 12). Основным механизмом излучательной рекомбинации в них является экситонный [3]. Спектры излучения экситонов состоят из серии узких полос. Вследствие температурного уширения спектральных полос при Т=300 К спектр излучения «желтого» светодиода состоит из одной полосы со слабо выраженной структурой (рис. 4,а). При понижении температуры от 300 до 90 К температурное уширение спектральных линий постепенно «снимается» и при 90 К начинает полностью проявляться квазидискретный спектр экситонной люминесценции (рис. 4,б). Интенсивность этой люминесценции будет определяться концентрацией связанных электронно-дырочных пар, которая в свою очередь зависит от концентрации инжектированных носителей заряда (рис. 7, 8).
ВЫВОДЫ
На основании проведенных экспериментов, было установлено:
1. При температурах ниже – 200 С наблюдаются нарушения режимов работы светодиодов, что сопровождается изменениями в их спектральных и токовых характеристиках;
2. Температурная неустойчивость режимов работы светодиодов определяется механизмом рекомбинации инжектированных носителей заряда в гомо - и гетероструктурах.
Литература
1. А.Э. Юнович. Светит больше – греет меньше. // Экология и жизнь. 2003, № 4 (33), с. 61-64.
2. В.Е. Кудряшов, А.Э Юнович. Туннельная излучательная рекомбинация в p-n-гетероструктурах на основе нитрида галлия // Журнал экспериментальной и теоретической физики, 2003, т. 124, в. 5, с. 1133-1137.
3. В.И.Гавриленко, А.М. Грехов, Д.В. Корбутяк, В.Г. Литовченко. Оптические свойства полупроводников (справочник). // Киев: изд-во "Наукова Думка".-1987, с.369-379.