| Скачать .docx |
Реферат: Визначення реологічних характеристик
ЗМІСТ
Вступ
1 Визначення реологічних характеристик на ротаційних віскозиметрах
2 Визначення реологічних характеристик на капілярних віскозиметрах
3 Метод конічного еластоміра
4 Визначення реологічних характеристик гірських порід
5 Конкретні приклади визначення реологічних характеристик
Список літератури
ВСТУП
Для визначення реологічних характеристик рідин застосовують віскозиметри трьох типів: ротаційні, капілярні і прилади, що базуються на вимірюванні сили опору при переміщенні твердого тіла в досліджуваній рідині. Останні використовуються головним чином для визначення напруження зсуву, а також різних пружних характеристик рідин. Як правило, прилади, що призначені для заміру в’язкості ньютонівських рідин, називають віскозиметрами, а реометрами або пластомірами називають прилади для вимірювання реологічних властивостей неньютонівських рідин.
Капілярні віскозиметри давно і успішно застосовуються для визначення в’язкості ньютонівських рідин завдяки простоті вимірювальних систем. Проте вони мають такі недоліки:
- втрачається можливість урахування поля швидкостей потоку як по перерізу, так і по довжині капіляра;
- ускладнюється визначення ступеня руйнування структури розчину при течії;
- ускладнюється замір перепаду тиску на вимірювальній дільниці у зв’язку із закупорюванням імпульсних трубок або похибок, що виникають в зв’язку з застосуванням розділювачів;
- необхідно враховувати відповідні поправки на пристінне ковзання, втрати енергії на створення поля швидкостей на початковій дільниці;
- віскозиметри громіздкі, потребують великого об’єму рідини, що досліджується, і це ускладнює процес термостатування.
На відміну від капілярних ротаційні прилади створюють однорідне поле швидкостей і деформацій, в якому безпосередньо вимірюють досліджувані характеристики, що підвищує точність і відтворюваність вимірів. Ротаційні прилади компактні, дають можливість проводити тривалі експерименти з невеликою пробою досліджуваної рідини, що значно полегшує процес термостатування. Крім того, ці прилади дозволяють поєднувати визначення характеристик в’язкості з багатьма іншими реологічними дослідженнями (пружності, повзучості, релаксації напружень, міцності на зсув, тиксотропії) пружних рідин і матеріалів, що займають проміжне положення між рідкими і твердими тілами[1].
Незважаючи на відмічені вище позитивні властивості ротаційних приладів, що сприяє їх використанню при роботі з неньтонівськими рідинами, вони також мають недоліки, з яких назвемо основні:
- розшарування зразка досліджуваної рідини під дією відцентрових сил в кільцевому зазорі;
- необхідність ретельної попередньої підготовки зразка для отримання стабільних і відтворюваних результатів вимірів;
- можливість виникнення пристінного ковзання випробуваної рідини по поверхні вимірювальних циліндрів;
- недостатньо швидкий темп зростання дотичних напружень у випробуваній рідині при малій жорсткості закручувальної системи, що може призвести до значних похибок у визначенні дотичних напружень.
Методика визначення реологічних характеристик залежить від типу рідини. Так, для визначення динамічного коефіцієнта в’язкості µ ньютонівської рідини достатньо провести один експеримент на одному з віскозиметрів. Для отримання динамічного напруження зсуву τ0 і коефіцієнта пластичної в’язкості η в’язкопластичної рідини або параметрів κ (консистенція) і n (індекс течії) степеневої рідини необхідні мінімум два експерименти. Для визначення характеристик реологічно нестаціонарних рідин поки що не розроблені прийнятні методики.
Гірські породи при певних умовах поводять себе як рідини. Наприклад, при великих, які повільно змінюються, або сталих навантаженнях багато порід (зокрема, солі і глини) течуть, тобто деформуються з певними швидкостями, що властиве рідинам. Ці швидкості малі, а значення реологічних характеристик великі в порівнянні, наприклад, з аналогічними для глиняних розчинів. Тому для визначення реологічних характеристик гірських порід, як правило, використовують досліди на одноосне стиснення.
1. ВИЗНАЧЕННЯ РЕОЛОГІЧНИХ ХАРАКТЕРИСТИК НА РОТАЦІЙНИХ ВІСКОЗИМЕТРАХ
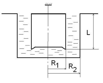
Ротаційний віскозиметр - це прилад, основу якого покладено два вертикально розміщених коаксіальних циліндри (рис.1). Один із циліндрів, як правило, зовнішній, може обертатися з певними швидкостями. Рідина, що випробовується, заливається в зазор між циліндрами. Щілини між цими поверхнями по можливості повинні бути досить малими для забезпечення сприятливих умов теплообміну між металевими поверхнями, що утворюють щілину, та матеріалом, який в ній знаходиться. Основні закономірності течії в’язкої рідини між двома коаксіальними циліндрами знайдені М.Маргулесом. При обертанні зовнішнього циліндра із заданою кутовою швидкістю ω2 через рідину, що знаходиться в зазорі, передається момент М, який може бути виміряним. Припускаємо, що торці циліндрів суттєво не впливають на течію в зазорі.

Рисунок 1 - Схема ротаційного віскозиметра
Момент тертя на нерухомому внутрішньому циліндрі
, (1)
де τ1 – дотичні напруження на внутрішньому циліндрі.
Тобто
=
. (2)
Як правило, віскозиметри виготовляють з достатньо вузьким зазором, тобто
<< 1.
Тому в розрахунках можна оперувати значеннями параметрів на середньому радіусі:
=
=
, (3)
, (4)
де
- дотичні напруження на середньому радіусі,
Па;
- швидкість деформації зсуву на середньому радіусі, с-1
;
-
відносний радіус.
Таким чином, задаючи кутові швидкості ω2
і вимірюючи при них моменти М, можна знайти відповідний набір значень τс
і
, за якими будується залежність
f(
). Ця залежність береться за реологічне рівняння.
2. ВИЗНАЧЕННЯ РЕОЛОГІЧНИХ ХАРАКТЕРИСТИК НА КАПІЛЯРНИХ ВІСКОЗИМЕТРАХ
Основою капілярного віскозиметра є трубка з внутрішнім діаметром d (рис. 2). По трубці пропускається досліджувана рідина з відомою витратою Q. На робочій дільниці трубки вимірюється перепад тиску Δp = p1 – p2 . Робоча дільниця повинна знаходитись на певній відстані від кінців, щоб виключити їх вплив. За звичай загальна довжина трубки L > 100d. Робоча дільниця l повинна знаходитись на такій відстані від кінців, щоб на ній виконувалась умова
const
![]() |
Течія, що виникає в трубці, для в’язких, в’язкопластичних і степеневих рідин детально розглянута в [2]. При течії рідини в трубах між дотичними напруженнями і перепадом тиску тиску
існує залежність
(5)
При r = R з (5) отримуємо дотичне напруження
на стінці трубки
(6)
Дотичні напруження розподілені по перерізу трубки по лінійному закону
(7)
Реологічне рівняння має вигляд
(8)
Вважаємо, що з (8) можна отримати однозначну залежність
(9)
Для течій в трубах
(10)
Витрата рідини через поперечний переріз трубки
(11)
Згідно правилу інтегрування по частинам, отримуємо
│0
R
-
(12)
Приймаємо швидкість рідини на стінці трубки рівною нулю: U(R) = 0. Тоді з урахуванням (9) знаходимо
(13)
В подальшому, щоб оперувати додатніми величинами, значення
і
будемо брати по модулю і опустимо знак мінус у формулі (13).
Замінимо r в (13) його виразом через
з (7). В результаті отримаємо формулу
(14)
Взявши похідну по
від Q отримаємо співвідношення Муні-Рабіновича
(15)
Звідки з урахуванням (9)
(16)
Таким чином, вимірюючи
при заданих витратах Q, по формулі (6) знаходимо відповідне значення
. По значенням Q і
можна побудувати криву
(17)
Апроксимуючи її відповідною аналітичною функцією і підставляючи в (16), отримуємо градієнт швидкості зсуву на стінці
. По значенням
і
будуємо реологічну криву
, яку приймаємо за вихідну. Таку криву можна отримати для довільної реологічної стаціонарної рідини.
У випадку, коли вид рідини (в’язка, в’язко – пластична, степенева) заздалегідь відома, не має необхідності в побудові кривої
. Дійсно, у випадку в’язкої рідини реологічне рівняння має вигляд
. Згідно (9) ![]()
. Таким чином, з (14) отримуємо рівняння Пуазейля для течії в трубах
(18)
У випадку бінгамівської рідини маємо
![]()
при
>
(19)
при 0≤
≤
Підстановка (19) в (14) дає формулу Букінгама
(20)
Для степеневої рідини з урахуванням (9) маємо
(21)
Підстановка цієї функції в (14) дає формулу для визначення витрати степеневої рідини
(22)
Розглянемо методи визначення реологічних констант. Якщо рідина ньютонівська, то для визначення в’язкості достатньо провести одне вимірювання Q і ∆p.
(23)
У випадку в’язкопластичної рідини достатньо провести два виміри Q і ∆p, щоб знайти динамічне напруження зсуву τ0 і пластичну в’язкість η. При цьому отримуємо систему рівнянь для визначення двох невідомих η і τ0 за результатами двох вимірювань (Q1 , ∆p1 ) і (Q2 , ∆p2 )
η =
(24)
η =
(25)
Система рівнянь замкнута, але не має явного рішення. Рішення можна знайти графічним способом як перетин двох кривих (24, 25).
Якщо провести три вимірювання, то параметри η і τ0 визначаються у явному вигляді по формулах
τ0 =
(26)
η =
(27)
де
a1
=
; b1
=
;
c1
=
; b =
;
с =
.
Для степеневої рідини достатньо провести два вимірювання, щоб визначити параметри n і k.
n =
(28)
k =
(29)
3. МЕТОД КОНІЧНОГО ПЛАСТОМІРА
Якщо для характеристики гідросуміші необхідно визначити механічну міцність структури, тобто динамічне напруження зсуву τ0 при невеликих швидкостях деформації (для початку течії), то використовують спосіб занурення конуса, що в літературі отримав назву методу конічного пластоміра (рис. 3).
![]() |
В основу методу покладено визначення параметрів занурення конуса під дією сталого навантаження F, що і дає умовну реологічну характеристику – криву течії, що показує залежність швидкості
від дотичного напруження τ при зсуві, яка послідовно зменшується у міру занурення внаслідок збільшення площі контакту конуса з гідросумішшю.
Значення τ0 визначають за граничним заглибленням конуса під дією навантаження F. При цьому припускають, що при зануренні конуса має місце течія шару вздовж бокової поверхні конуса. Ця умова досягається в достатньо пластичних системах, тому напруження τ0 при зсуві, що викликає цю течію, визначається проекцією сили F, яка діє на конус, на твірну l конуса, віднесену до одиниці площі S дотику конуса до середовища.
τ =
. (30)
З геометричних співвідношень випливає:
r =
;
;
. (31)
З урахуванням формул (31) рівняння (30) набирає вигляду
, (32)
де
- константа конуса, яка залежить від кута
при його вершині.
.
Для усунення випадкових похибок при визначенні
використовують конуси з різним кутом
. Для виключення крайових ефектів досліджуване середовище розміщують в посудину достатньо великого об’єму.
4 . ВИЗНАЧЕННЯ РЕОЛОГІЧНИХ ХАРАКТЕРИСТИК ГІРСЬКИХ ПОРІД
При розгляді течій гірських порід також необхідне знання їх реологічних рівнянь. Скористатись ротаційним або капілярним віскозиметром в даному випадку неможливо, оскільки гірські породи мають високу межу текучості. Тому гірські породи, як правило, досліджують при одноосному стисненні (рис. 4). Задаючи стале навантаження на торець циліндричного зразка, висота якого, як правило, дорівнює двом діаметрам, обчислюють нормальні напруження
і вимірюють швидкість деформації
.
![]() |
Розглянемо гірські породи як реологічні стаціонарні рідини. Це означає, що в дослідах на стиснення при сталому навантаженні швидкість деформації
постійна і відмінна для різних
, тобто
. (33)
Таким чином, припускаємо, що в умовах дослідів на одноосне стиснення інші напруження відсутні. Знання конкретного виду залежності (33) дає можливість отримати реологічне рівняння для дотичних напружень
(чистий зсув) при одновимірних течіях в трубах, щілинах тієї самої гірської породи
. (34)
Розрахунок дотичних напружень за нормальними проводиться за формулами [3]:
;
. (35)
Наприклад, коли при одноосному стисненні отримана лінійна залежність
, (36)
то відповідне реологічне рівняння для дотичних напружень в’язкопластичної рідини буде
(37)
Згідно із (35) динамічне напруження зсуву і пластичну в’язкість визначаємо за формулами:
;
. (38)
Якщо при одноосному стисненні отримана нелінійна залежність виду
, (39)
то відповідне реологічне рівняння для дотичних напружень степеневої рідини буде
, (40)
де
;
. (41)
5 . КОНКРЕТНІ ПРИКЛАДИ ВИЗНАЧЕННЯ РЕОЛОГІЧНИХ ХАРАКТЕРИСТИК
Для апроксимації експериментальних даних аналітичною залежністю, як правило, використовують метод найменших квадратів. Розглянемо цей метод на прикладі апроксимації реологічною кривою. Нехай для ряду значень
отримано шляхом вимірювань ряд значень ![]()
. Припустимо, що залежність
від
виражається лінійною функцією
, і знайдемо такі значення
і
, щоб сума квадратів відхилень від вибраної функції в експериментальних точках була мінімальна.
Позначимо середньоквадратичне відхилення
(42)
і знайдемо min
, розглядаючи
як функцію
і
. Це приводить до системи рівнянь
;
. (43)
Підставляючи в цю систему вираз для
і розв’язуючи стосовно
і
, отримуємо:
; (44)
.
Для апроксимації експериментальних даних степеневої функції зручно застосовувати наступний підхід. Логарифмуючи залежність
, отримуємо
![]()
або (45)
T = k1 + nГ,
де Т =
;
; Г =
.
Якщо маємо
виміряних значень
і
, то можна записати
; (46)
;
.
Приклад 1
Знайти реологічну криву
розчину за наступними даними, які отримані на ротаційному віскозиметрі (
=0.9).
Таблиця 1- Вихідні дані для розрахунку
| |
1 |
2 |
4 |
8 |
| |
5.5 |
9.5 |
18 |
28 |
Розв'язання
Згідно із (3) і (4) маємо
;
.
Підставляючи показання віскозиметра, отримуємо значення , що наведені в табл. 2.
Таблиця 2 - Результати розрахунку
і ![]()
|
|
9.53 |
19.06 |
38.12 |
76.24 |
|
|
4.98 |
8.6 |
16.29 |
25.34 |
Ці дослідні дані показані точками на рис. 5. Апроксимуємо експериментальні дані спочатку лінійною залежністю
і знайдемо
і
за допомогою методу найменших квадратів. Для цього попередньо підрахуємо такі суми:
9.53 + 19.06 + 38.12 + 76.24 = 142.95,
= 4.98 + 8.6 + 16.29 + 25.34 = 55.21,
=4.98·9.53+8.6·19.06+16.29·38.12+25.34·76.24 =2764.27,
= 9.532
+ 19.062
+ 38.122
+ 76.242
= 7719.78.
За формулами (44) знаходимо:
![]()
![]()
Па·с,
Па.
Таким чином,
(47)
Результати розрахунку за формулою (47) наведені в табл. 3, а графічне зображення - прямою 1 на рис. 5.
Таблиця 3 – Результати розрахунку за формулою (47)
|
|
9.53 |
19.06 |
38.12 |
76.24 |
|
|
5.83 |
8.69 |
14.41 |
25.84 |
Визначимо середньоквадратичне відхилення
= (4.98 – 5.83)2
+ (8.6 – 8.69)2
+ (16.29 –
-14.41)2 + (25.34 – 25.84)2 = 4.52.
Аппроксимуємо експериментальні дані степеневою залежністю
. Результати розрахунку
і
наведені в табл. 4.
Таблиця 4- Значення параметрів
і ![]()
|
|
0.77 |
0.94 |
1.16 |
1.41 |
|
|
0.98 |
1.28 |
1.58 |
1.88 |
Визначимо такі суми:
= 0.77 + 0.94 + 1.16 + 1.41 = 4.28,
= 0.98 + 1.28 + 1.58 + 1.88 = 5.72,
= 0.982
+ 1.282
+ 1.582
+ 1.882
= 8.63,
= 0.77·0.98 + 0.94·1.28 + 1.16·1.58 + 1.41·1.88 =6.44.
За формулами (46) знаходимо:
,
,
.
Таким чином,
. (48)
Результати розрахунку за формулою (48) наведені в табл. 5, а графічне зображення - кривою 2 на рис. 5.
Таблиця 5 – Результати розрахунку за формулою (48)
|
|
9.53 |
19.06 |
38.12 |
76.24 |
|
|
5.63 |
9.21 |
15.07 |
24.65 |
Визначимо середньоквадратичне відхилення
= (4.98 - 5.63)2
+ (8.6 – 9.21)2
+
+ (16.3 – 15.084)2 + (25.3 – 24.65)2 = 2.76.
Таким чином, у розглядуваному випадку степенева залежність краще апроксимує експериментальні дані, ніж лінійна залежність.
Приклад 2
Визначити реологічну криву рідини за даними Q i
, отриманими на капілярному віскозиметрі.
Таблиця 6 – Вихідні дані для розрахунку
|
|
0.98 |
5.9 |
11.8 |
18.2 |
|
|
2.5 |
10.5 |
18.3 |
26 |
Розв'язання
Застосовуючи інтерполяційну формулу Лагранжа, знаходимо зв'язок між
і
:
.
Підставляючи цей вираз в (16), знаходимо
= ![]()
.
Підставляючи у формулу дані віскозиметра, знаходимо
. Результати розрахунку наведені в табл. 7.
Таблиця 7 - Розрахунок швидкості зсуву ![]()
|
|
2.5 |
10.5 |
18.3 |
26 |
|
|
4.24 |
24.83 |
49.15 |
73.91 |
Ці результати показані точками на рис. 6. Апроксимуємо дані табл. 7 спочатку лінійною залежністю
і знайдемо
і
за допомогою методу найменших квадратів. Для цього попередньо обчислюємо такі суми:
= 4.24 + 24.83 + 49.15 + 73.91 = 152.13,
= 2.5 + 10.5 + 18.3 + 26 = 57.3,
= 2.5·4.24 + 10.5·24.83 + 18.3·49.15 + 26·73.91=
= 3092.42,
![]()
= 4.242
+ 24.832
+ 49.152
+ 73.912
= 8512.92.
За формулами (44) знаходимо
Па,
= 0.335 Па·с.
Таким чином
. (49)
Результати розрахунку за формулою (49) наведені в табл. 8, а графічне зображення - прямою 1 на рис. 6.
Таблиця 8 – Результати розрахунку за формулою (49)
|
|
4.24 |
24.83 |
49.15 |
73.91 |
|
|
3.01 |
9.91 |
18.06 |
26.35 |
Визначимо середньоквадратичне відхилення
= (2.5 – 3.01)2
+ (10.5 - 9.91)2
+
+ (18.3 – 18.06)2 + (26 – 26.35)2 = 0.778.
Апроксимуємо експериментальні дані степеневою залежністю
. Результати розрахунку
і
наведені в табл. 9.
Таблиця 9 – Значення параметрів
і ![]()
|
|
0.398 |
1.021 |
1.262 |
1.415 |
|
|
0.627 |
1.395 |
1.692 |
1.869 |
Визначимо такі суми:
= 0.627 + 1.395 + 1.692 + 1.869 = 5.583,
= 0.398 + 1.021 + 1.262 + 1.415 = 4.096,
= 0.6272
+ 1.3952
+ 1.6922
+ 1.8692
= 8.695,
= 0.398·0.627 + 1.021·1.395 +
+ 1.262·1.692 +1.415·1.869 = 6.454.
За формулами (46) знаходимо
,
,
.
Таким чином
(50)
Результати розрахунку за формулою (50) наведені в табл. 10, а графічне зображення - кривою 2 на рис. 6.
Таблиця 10 – Результати розрахунку за формулою (50)
|
|
4.24 |
24.83 |
49.15 |
73.91 |
|
|
2.49 |
10.57 |
18.46 |
25.76 |
Визначимо середньоквадратичне відхилення
(2.5 – 2.49)2
+ (10.5 – 10.57)2
+
+ (18.3 – 18.46)2 + (26 – 25.76)2 = 0.088.

Таким чином, у розглядуваному випадку степенева залежність краще апроксимує експериментальні дані, ніж лінійна залежність.
Приклад 3
Визначити реологічну криву гірської породи, виходячи з даних дослідів на одноосне стиснення.
Таблиця 11 - Вихідні дані для розрахунку
|
|
1.2 |
4.1 |
13 |
25 |
|
|
1.8 |
2.5 |
3.5 |
5.2 |
Визначимо такі суми:
(1.8 + 2.5 + 3.5 +5.2)·105
= 13·105
,
(1.2 + 4.1 + 13 + 25)·10-8
= 43.3·10-8
,
(1.8·1.2 + 2.5·4.1 + 3.5·13 + 5.2·25)·10-3
=
=187.91·10-3 ,
= (1.22
+ 4.12
+ 132
+ 252
) = 812.25·10-16
.
За формулами (44) знаходимо:
,
.
Використовуючи формулу (36), маємо
. (51)
Тоді за (35):
.
Таким чином отримали реологічне рівняння
. (52)
Результати розрахунку за формулою (51) наведені в табл. 11, а графічне зображення - прямою 1 на рис. 7.
Таблиця 11 – Результати розрахунку за формулою (51)
|
|
1.2 |
4.1 |
13 |
25 |
|
|
1.92 |
2.32 |
3.54 |
5.19 |
Визначимо середньоквадратичне відхилення
(1.8 – 1.92)2
+ (2.5 – 2.32)2
+ (3.5 –
-3.54)2 + (5.2 – 5.19)2 = 0.0485.
Апроксимуємо експериментальні дані степеневою залежністю (39). Результати розрахунку
і
наведені в табл. 12.
Таблиця 12 – Значення параметрів
і ![]()
|
|
-7.921 |
-7.387 |
-6.886 |
-6.602 |
|
|
5.255 |
5.3985 |
5.5441 |
5.716 |
Визначимо такі суми:
= 5.255 + 5.3985 + 5.5441 + 5.716 = 21.9136,
= -7.921 – 7.387 – 6.886 – 6.602 = -28.796,
= 7.9212
+ 7.3872
+ 6.8862
+ 6.6022
= 208.313,
= -5.255 · 7.921 – 5.3985 · 7.387 – 5.5441 · 6.886 –
-5.716 · 6.602 = -157.417.
За формулами (46) знаходимо:
,
![]()
,
.
Використовуючи формулу (39), маємо
. (53)
Результати розрахунку за формулою (53) наведені в табл. 13, а графічне зображення - кривою 2 на рис. 7.
Таблиця 13 – Результати розрахунку за формулою (53)
|
|
1.2 |
4.1 |
13 |
25 |
|
|
1.72 |
2.6 |
3.83 |
4.77 |
![]() |
Згідно з формулами (41) маємо:
,
.
Реологічне рівняння (40) має вигляд
. (54)
Визначимо середньоквадратичне відхилення
(1.8 – 1.72)2
+ (2.5 – 2.6)2
+ (3.5 – 3.83)2
+
+(5.2 – 4.77)2 = 0.31.
У даному випадку модель в’язкопластичної рідини краще апроксимує реологію гірської породи, ніж модель степеневої рідини.
СПИСОК ЛІТЕРАТУРИ
1. Шищенко Р.И., Есьман Б.И., Кондратенко П.И. Гидравлика промывочных жидкостей. – М.: Недра, 1976.- 294 с.
2. Леонов Е.Г., Исаев В.И. Гидроаэромеханика в бурении.- М.: Недра, 1987. – 300 с.
3. Астарита Дж., Марручи Дж. Основы гидромеханики неньютоновских жидкостей. - М.: Мир, 1978.



