| Скачать .docx |
Дипломная работа: Альтернативные источники энергии
Министерство образования, и молодёжной политики
Кыргызской республики
Кыргызский государственный технический
университет им. И.Раззакова
Факультет транспорта и машиностроение:
Кафедра общая физика:
Доклад
По дисциплине: Физика
На тему: Альтернативные источники энергии.
Выполнили: Долгоульский А. Сайдаматов Э.
Проверила: Аманбаева Г.М.
Бишкек 2007-04-25
ВВЕДЕНИЕ.
На пороге XXI века человек все чаще стал задумываться о том, что станет основой его существования в новой эре. Энергия была и остается главной составляющей жизни человека. Люди прошли путь от первого костра до атомных электростанций.
Существуют «традиционные» виды альтернативной энергии: энергия Солнца и ветра, морских волн и горячих источников, приливов и отливов. На основе этих природных ресурсов были созданы электростанции: ветряные, приливные, геотермальные, солнечные.
Ветряные электростанции.
Принцип действия ветряных электростанций прост: ветер крутит лопасти ветряка, приводя в движение вал электрогенератора. Генератор в свою очередь вырабатывает энергию электрическую. Получается, что ветроэлектростанции работают, как игрушечные машины на батарейках, только принцип их действия противоположен. Вместо преобразования электрической энергии в механическую, энергия ветра превращается в электрический ток.
Приливные электростанции .
Для выработки электроэнергии электростанции такого типа используют энергию прилива. Первая такая электростанция (Паужетская)
мощностью 5 МВт была построена на Камчатке. Для устройства простейшей приливной электростанции (ПЭС) нужен бассейн — перекрытый плотиной залив или устье реки. В плотине имеются водопропускные отверстия и установлены турбины, которые вращают генератор. Во время прилива вода поступает в бассейн. Когда уровни воды в бассейне и море сравняются, затворы водопропускных отверстий закрываются. С наступлением отлива уровень воды в море понижается, и, когда напор становится достаточным, турбины и соединенные с ним электрогенераторы начинают работать, а вода из бассейна постепенно уходит.
Геотермальные электростанции.
Электростанции такого типа преобразуют внутреннее тепло Земли (энергию горячих пароводяных источников) в электричество. Первая геотермальная электростанция была построена на Камчатке. Существует несколько схем получения электроэнергии на геотермальной электростанции. Прямая схема: природный пар направляется по трубам в турбины, соединенные с электрогенераторами. Непрямая схема: пар предварительно (до того как попадает в турбины) очищают от газов, вызывающих разрушение труб. Смешанная схема: неочищенный пар поступает в турбины, а затем из воды, образовавшийся в результате конденсации, удаляют не растворившиеся в ней газы.
Солнечные электростанции.
В настоящее время строятся солнечные электростанции в основном двух типов: солнечные электростанции башенного типа и солнечные электростанции распределенного (модульного) типа.
В башенных солнечных электростанциях используется центральный приемник с полем гелиостатов, обеспечивающим степень концентрации в несколько тысяч. Система слежения за Солнцем значительно сложна, так как требуется вращение вокруг двух осей. Управление системой осуществляется с помощью ЭВМ. В качестве рабочего тела в тепловом двигателе обычно используется водяной пар с температурой до 550ºС, воздух и другие газы — до 1000ºС, низкокипящие органические жидкости (в том числе фреоны) — до 100ºС, жидкометаллические теплоносители — до 800ºС.
Тепловые электростанции.
Тепловые электростанции работают по такому принципу: топливо сжигается в топке парового котла. Выделяющееся при горении тепло испаряет воду, циркулирующую внутри расположенных в котле труб, и перегревает образовавшийся пар. Пар, расширяясь, вращает турбину, а та, в свою очередь, — вал электрического генератора. Затем отработавший пар конденсируется; вода из конденсатора через систему подогревателей возвращается в котел.
Гидроэлектростанции.
Гидрозлектростанции преобразуют энергию потока воды в электроэнергию посредством гидравлических турбин, приводящих во вращение электрические генераторы. Наибольший КПД гидроэлектростанция имеет тогда, когда поток воды падает на турбину сверху. Для этих целей строится плотина, поднимающая уровень воды в реке и сосредотачивающая напор воды в месте расположения турбин.
Атомные электростанции.
Такие электростанции действуют по такому же принципу, что и «ТЭС, но используют для парообразования энергию, получающуюся при радиоактивной распаде. В качестве топлива используется обогащенная руда урана. Ядерный реактор работает на основе цепной ядерной реакции, когда деление одного ядра вызывает деление других ядер; таким образом, реакция сама себя поддерживает.
Термоядерные электростанции.
В настоящее время ученые работают над созданием Термоядерных электростанций, преимуществом которых является обеспечение человечества электроэнергией на неограниченное время. Термоядерная электростанция работает на основе термоядерного синтеза — реакции синтеза тяжелых изотопов водорода с образованием гелия и выделением энергии. Реакция термоядерного синтеза не дает газообразных и жидких радиоактивных отходов, не нарабатывает плутоний, который используется для производства ядерного оружия. Если еще учесть, что горючим для термоядерных станций будет тяжелый изотоп водорода дейтерий, который получают из простой воды — в полулитре воды заключена энергия синтеза, эквивалентная той, что получится при сжигании бочки бензина, — то преимущества электростанций, основанных на термоядерной реакции, становятся очевидными.
ГЛАВА 1 Ветроэнергетика
§1.1.История развития
Развитие любой страны в значительной мере связано с обеспеченностью ресурсами, в том числе энергетическими. Установлено, что темпы прироста национального дохода примерно соотвецтвуют темпам роста потребление энергии.
Человек всегда стремился использовать силы природы, развитие производственных процессов потребовало перехода от применения мускульной силы к использованию новых источников энергии. Прежде всего человек обратился к силе воды и ветра, которые использовались в промышленном производстве, но главным образом в сельском хозяйстве.
Впервые энергия ветра была использована, по- видимому, для передвижения парусных судов, а позднее-также для подъема воды и размола зерна. Первые ветряные двигатели, по предположению – с вертикальной осью вращения, были построены более 2 тыс. лет назад. Вавилоняне еще до нашей эры использовали их для осушения болот, в Египте, на Ближнем Востоке, в Персии строили ветряные водоподъемники и мельницы. До настоящего времени в некоторых странах бассейна Средиземного моря можно встретить ветряные мельницы с крыльями, имеющими поперечные паруса.
В Европе, вначале во Франции, ветряные мельницы появились в ХХII в. Ф.Энгельс писал, что « ветряная мельница была изобретена около 1000 г.». В Англии работали мельницы, однотипные по принципу действия с французскими. В Германии первая мельница была построена в 1393 г. Из Германии они распространились в другие страны. В ХIV столетии голландцы широко использовали ветряные мельницы для осушения болот и озер. В начале ХVII в. большая часть территории осушалась с помощью ветроустановок мощностью до 30 – 35 кВт. В этот же период появились усовершенствованные конструкции мельниц и новые ветряные двигатели, которые использовали для привода машин бумагоделательных фабрик, лесопилок и других устройств. В 30-х годах ХVIII в. в Голландии работали 1200 ветроустановок, которые предохраняли 2/3 страны от обратного превращения в болота. Первое изложение теории ветродвигателя относят к началу ХVIII в. В более систематизированном виде она появилась в конце ХIХ в. в Америке и Европе.
Конструкции первых ветряных мельниц в России были, по-видимому, заимствованы в Германии, и их называли немецкими. К началу ХVIII в. число мельниц стало значительным, и их применение приобрело государственное значение. Многое для их распространения в России сделал Петр 1. В ХVIII – ХIХ вв. мельницы сооружались практически повсеместно, и к началу первой мировой войны в России эксплуатировалось более 200 тыс. мельниц, которые ежегодно перемалывали 2/3 всего товарного зерна.
К середине прошлого столетия в США эксплуатировалось почти 6 млн. маломощных ветродвигателей для подъема воды, выработки электроэнергии и выполнения других простых работ. Более 150 тыс. установок насчитывается в США и сегодня.
В России наряду с кустарными мельницами в начале прошлого столетия началось изготовление в заводских условиях ( в мастерских) тихоходных многолопастных деревометаллических ветродвигателей системы инж. В.П. Давыдова, которые применяли главным образом для механизации подъема воды. Некоторое число ветродвигателей завезли из Германии, Франции и США, где их производство было налажено несколько раньше. В основном выпускалось многолопастные двигатели, но они уже были снабжены системами автоматического регулирования скорости вращения и мощности, механизмами ориентации ветроколеса по направлению потока. Суммарный годовой выпуск в основных промышленно развитых странах составлял сотни тысяч двигателей. Позднее, в начале нашего столетия, ряд стран ( США, Франция, Германия, Австралия, Великобритания и .др.) начал в значительных количествах выпускать на заводах также и более совершенные по конструкции и экономичные быстроходные ветроагрегаты, предназначенные в первую очередь для получения электрической энергии. Их использовали для освещения небольших и удаленных объектов и зарядки аккумулярных батарей.
В нашей стране широкое развитие научно-исследовательских и опытно-конструкторских работ в области ветроэнергетики началось буквально с первых дней Советской власти. Уже в 1918 г. В.И.Ленин считал необходимым поручить Академии наук включить в план реорганизации промышленности и экономического полъема России наряду с другими проблемами водные силы и ветряные двигатели вообще и в применении к земледелию. Через 3 года он снова возвращается к этому вопросу и в письме к А.П. Серебровскому подчеркивает важность использования ветродвигателей в Азербайджане. В.И. Ленин указывал на необходимость использования непервоклассных сортов топлива для получения электрической энергии с наименьшими затратами на добычу и перевозку горючего. Именно поэтому он придавал большое значение таким энергетическим источникам , как ветер.
Первый этап развития ветроэнергетики в нашей стране ( до середины 30-х годов) характеризуется в основном теоретическими исследованиями. Н.Е. Жуковским и его учениками Г.Х. Сабининым, В.П. Ветчинкиным и др. была разработана теория идеального и реального ветродвигателей, которойпользуются во всем мире. В тот же период созданы аэродинамические профили высокого качества для лопастей ветроколес, спроектированы опытные установки и проведены продувки моделей в трубах, изучены характеристики ветродвигателей. Проводились испытания различных конструкций ветроагрегатов и установок, совершенствовались методы их расчета и проектирования.
Параллельно велись работы по созданию новых моделей и типовветродвигателей. Уже в 1924 году под руководством Н.В. Красовского в отделе ветродвигателей (ОВД) ЦАГИ был разработан быстроходный двигатель мощностью до 50 л.с. с новой системой регулирования частоты вращения колеса, предложенной Г.Х. Сабининым. Она получила название стабилизаторной. С целью расширения работ по созданию ветродвигателей и использованию энергии ветра в 1930 г на базе ОВД ЦАГИ был организован Центральный ветроэнергетический институт (ЦВЭИ), единственный в мире в то время научно исследовательская оргонизация такого профиля.
В те годы удалось быстро разработать конструкции тихоходных ветродвигателей ВД-5 и ВД-8 для серийного производства. После модернизации эти двигатели, предназначенные для подъема воды, а также для работы с некоторыми сельскохозяйственными машинами (мельницами, дробилками кормов, силосорезками и др.), начали выпускать в больших количествах под марками ТВ-5 и ТВ-8. Была также создана конструкция и освоено производство быстроходного ветродвигателя Д-12 со стабилизаторной системой регулирования, который использовался в сельском хозяйстве, в Арктике, на зимовках, на метеостанциях и для энергоснабжения других объектов.
В связи с началом электрофикации сельского хозяйства были организованы работы по созданию ветроэлектрических станций (ВЭС). В 1930 году была спроектирована, а в 1931 году сооружена в Крыму самая крупная в мире ВЭС Д-30 мощностью 100 кВт. Станция работала до 1942 года и давала электроэнергию в сеть Севастопольэнерго напряжением 6300 В. Среднегодовая выработка энергии ВЭС превышала 270 МВт.ч. Во время Великой отечественной войны она была разрушена. К этому же периоду относится создание в нашей стране проектов самых крупных в мире ВЭС мощностью 1000 и 5000 кВт, которые не смогли быть реализованы из-за войны.
С 1936 г. основные проектные и следовательские работы по использованию энергии ветра, в первую очередь для нуждсела, были переданы Всесоюзному НИИ механизации сельского хозяиства (ВИМ). В 1938 г. в составе Всесоюзного научно- исследовательского института сельскохозяйственного машиностроения (ВИСХОМ) было организовано конструкторское бюро по серийным ветродвигателям. Ряду предприятий поручили выпуск установок. За 4 предвоенных года только в колхозах и совхозах было построено более 8000 ветросиловых установок, с помощью которых механизировали трудоемкие процессы на фермах, в первую очередь водоснабжение животных.
В этот период и в первые послевоенные годы был принят ряд партийных и правительственных постановлений о развитии ветроиспользования. ХVIII съезд партии в резолюции по 3-му пятилетнему плану (1938-1942 гг.) указал на необъходимость в целях экономии топлива широко развить строительство небольших ветроэлектростанций, организовать массовое производство ветродвигателей и широко развернуть сооружение колхозных ветросиловых установок.
В годы Великой Отечественной войны, когда не хватало топлива, в деревне широко развернулось строительство ветряных мельниц. Сразу после окончания войны было организовано промышленное производство модернизированных ветродвигателей типов ТВ-5, ТВ-8, УНДИМ-Д-10, электрических зарядных ветроагрегатов небольшой мощности и других установок, созданы и выпущены опытными партиями ветроэлектрические станции Д-18 и 1Д-18 ЦАГИ мощностью 30кВт. В законе о 4-м пятилетнем плане развития народного хозяйства страны записано: « Обеспечить массовое строительство ветростанций».
В годы, предшествовавшие второй мировой воине, и вплоть до середины 50-х годов во многих странах нарядус расширением масштабов производства и применения ветродвигателей небольшой и средней мощности большое внимание начали уделять созданию и строительству крупных ВЭС. Так, в начале 1941г. в США была построена станция 1,25 МВт с двухлопастным ветроколесом. Несколько лет она успешно работала, вырабатывая энергию, которая поступала в местную электрическую сеть. В марте 1945 г. ее эксплуатация была прекращена вследствии повреждения одной из лопастей, вызванного вибрацией.
После войны датчане создали три типа ВЭС мощностью 12,45 и 200 кВт для работы на электрическую сеть. Великобритания построила для испытаний несколько демонстрационных 100 киловатных ветроэлектростанций, в том числе одну установку принципиально нового типа системы Андро с пневматической передачей мощности от ветроколеса генератору,установленному вместе с воздушной турбиной в нижней части машины.
Под руководством проф. У.Хюттера в Германии был осуществлен ряд усовершенствований ВЭС. Самая крупная из них имела расчетную мощность 100 кВт. Наиболее совершенными из них были установки фирмы Allgaier .
Французские ученые и конструкторы создали несколько ветроэлектрических станций мощностью от 130 до 800 кВт с синхронным и асинхронными генераторами. Они работали на электрические сети совместно с другими, в основном тепловыми, электростанциями. В этот же период велись работы в области ветроэнергетики в Швеции,Австралии, Канаде, Нидерландах, Аргентине, Мексике и в ряде других стран.
В нашей стране 50-е годы явились новым этапомдальнейшего расширения работ в области использования энергии ветра. В августе 1954 г. Совет Министров СССР принимает развернутое постановление о дальнейшем развитии ветроэнергетики и расширение масштабов использования ресурсов ветра, которым были определены задания по организации исследований, разработке новых конструкций ветроагрегатов, их производству и внедрению в народное хозяйство, улучшению эксплуатации. Была создана Центральная научно-исследовательская лаборатория по ветродвигателям (ЦНИЛВ), группы или лаборатории ветроэнергетики в ряде республиканских научно-исследовательских и проектных институтов. Основное внимание в этот период уделялось использование энергии ветра в сельскохозяиственном производсте.
Уже в середине 50-х годов резко возрос выпуск ветроэнергетического оборудования различных типов только в 1956 г. было произведено 9 тыс. ветродвигателей. Одновременно во Всесоюзном НИИ электрификации сельского хозяйства (ВИЭСХ) расширились исследования в области эксплуатации ветроустановок, их агрегатирования с рабочими машинами и генераторами по вопросам аэродинамики расширились работы в ЦАГИ. Разработками ветроэнергетического кадастра, вопросов аккумулирования энергии, новых методов расчета конструкции и оптимизации сфер применеия, исследованиями в области повышения надежности и эффективности эксплуатации был занят ряд центральных и республиканских институтов и организаций. Были изобретены новые системы регулирования ветродвигателей, разработаны эффективные методы использования ВЭС, конструкции ветроагрегатов различного назначения, в том числе для пастбищного водоснабжения «Беркут» с электронасосом повышенной частоты, УВЭУ-(1-4)-6 (ныне АВЭУ-6), снабженный погружным электронасосом с двигателем промышленной частоты, ВБ-3Т с насосом вибрационного типа и ряд других. В Казахстане была сооружена многоагрегатная ВЭС мощностью 400кВт, построены и испытаны образцы агрегатов и станций мощностью от 0,2 до 30 кВт.В 1971 году на ряде заводов был организован выпуск опытных партий агрегатов четырёх типов и проведена их эксплуатационная проверка на пасдбищах Чёрных земель Кизлярских степей ив других зонах. Продолжались работы над созданием ветрооогрегата Вихрь с пневмотическим насосом, электрических агрегатов Сокол и УВЕУ-(8-16)-12 мощностью 15 кВт а так же разрабатывались проекты более мощных экспериментальных ВЭС до 100кВт предназначенных для комплексного использование.
По неполным данным ЮНЕСКО, в 1960г. в мире насчитывается более 1 млн ВЭС различных типов и назначение, в том числе более полумиллиона быстроходных ветроэлектрических агрегатов. Большинство ветродвигателей использовалось в системах сельскохозяйственного водоснабжения, для зарядки аккумуляторных батарей и пмиания энергией небольших объектов, на линиях радиорелейной связи и для других целей в районах с благоприятным ветровым режимом, удаленных от источников централизованного энергоснабжения, В 1968 г. только в Австралии эксплуатировалось почти 250 тыс. ветроустановок.
В годы так называемого «энергитического кризиса» (начало 70-хгодов), вызванного увеличением во всем мире потребления энергии, постепенным сокращением запасов традиционных энергоресурсов и ростом цен на жидкое топливо, во многих странах резко расширились работы по использованию возобновляющихся источников энергии, в первую очередь Солнца, ветра, теплоты недр Земли и др. В соответствии с национальными энергетическими программами созданы новые более эффективные ветроустановки и станции с единичной мощностью до 2-3 Мвт, ведутся разработка новых конструкций и поиск экономичных технологий преоброзования энергии ветра в электрическую, химическую энергию и теплоту. По существу ставится и решается проблема технического перевооружения этого направления энергетики на основе широкого использования результатов фундаментальных и прикладных исследований, внедрения достижений НТР.
Дальнейшее развитие ветроэнергетики как отрасли науки и техники, разрабатывающей теоритические основы , методы и средства использования энергии ветра для производства механической, электрической энергии и теплоты, является важной народнохозяйственной проблемой. Одна из задач отрасли- на каждом из этапов развития страны определять масштабы целесообразного использования ветровой энергии в народном хозяйстве.Из двух составных частей ветроэнергетики- ветротехники и ветроиспользования – первая призвана разрабатывать теоретические основы и совершенствовать практические приемы проектирования технических средств, вторая – обосновывать и решать теоретические и практические вопросы оптимального использования ресурсов ветровой энергии, рациональной эксплуатации установок, определения их технико- экономических показателей, обобщения и распространения опыта применения ветроустановок в различных отраслях, зонах и условиях, чтобы решить главную задачу – обеспечить потребность страны в энергии.
§1.2ВЕТЕР КАК ИСТОЧНИК ЭНЕРГИИ.
Ветер в приземном слое образуется вследствие неравномерного нагрева земной поверхности Солнцем. Поскольку поверхность Земли неоднородна, то даже на одной и той же широте суша и водные пространства, горы и лесные массивы, пустыни и болотистые низины нагреваются по-разному. В течение дня над морями и океанами воздух остается сравнительно холодным, поскольку значительная часть энергии солнечного излучения расходуется на испарение воды или поглощается ею. Над сушей воздух прогревается больше, расширяется, снижает свою массовую плотность и устремляется в более высокие слои над землей. Его замещают более холодные, а следовательно, более плотные воздушные массы, располагавшиеся над водными пространствами, что и приводит к возникновению ветра как направленному перемещению больших масс воздуха. Эти местные ветры, образующиеся в прибрежных зонах, носят название бризов. Годовые изменения температуры в береговых районах больших морей и океанов вызывают циркуляцию более крупного масштаба, чем бризы, называемые муссонами. Они делятся на морские и материковые, отличаются, как правило, большими скоростями и в течение ночи меняют свое направление. Аналогичные процессы происходят в гористых местах и долинах вследствие разных уровней нагрева экваториальных зон и полюсов Земли и многих других факторов. Характер циркуляции земной атмосферы усложняется вследствие сил инерции, возникающих при вращении Земли. Они вызывают различные отклонения воздушных течений, образуется множество циркуляции, в большей или меньшей мере взаимодействующих между собой.
Сила и направление ветра в различных зонах по-разному изменяются в зависимости от высоты над поверхностью Земли. Так, на экваторе близко к земной поверхности расположена зона с относительно небольшими и переменными по направлению скоростями ветра, а в верхних слоях возникают достаточно большие по скорости воздушные потоки в восточном направлении. На высоте от 1 до 4 км от поверхности Земли, в зоне между 30° северной и южной широт образуются достаточно равномерные воздушные течения, называемые пассатами. В северном полушарии ближе к поверхности Земли их средняя скорость составляет 7 — 9 м/с.
Вокруг зоны пониженного давления образуются крупномасштабные циркуляции воздушных масс — в северном полушарии против направления движения часовой стрелки, а в южном — по направлению ее движения. Вследствие наклона 23,5° оси движения Земли к плоскости ее вращения относительно Солнца происходят сезонные изменения тепловой энергии, получаемой от него, величина которых зависит от силы и направления ветра над определенной зоной земной поверхности. 36
На относительно большой высоте над поверхностью Земли (в среднем 8-12 км) в тропосфере возникают достаточно равномерные и мощные воздушные течения, получившие название струйных. Их образование вызвано особенностями высотной атмосферной циркуляции, поэтому характеристики струйных течений существенно отличаются от параметров приземного ветра.
Размеры струйных течений в поперечнике достигают 400-600 км, а протяженность - др 1000 км. Обычно они не подвержены большим сезонным изменениям, но могут менять свое расположение по высоте. Так, над Восточной Сибирью и Чукоткой они иногда опускаются до высоты 3-4 км от поверхности Земли. Скорости воздушных масс в ядре струйного течения составляют 30-80 км/ч, но часто доходят до 200 км/ч.
Таким образом, тепловая энергия, непрерывно поступающая от Солнца, преобразуется в кинетическую энергию движения в атмосфере огромных масс воздуха, циркуляция которых и называется ветром.
ЭНЕРГЕТИЧЕСКИЕ ХАРАКТЕРИСТИКИ ВЕТРА
Ветер является одним из наиболее мощных энергетических источников, который издавна используется человеком, и при благоприятных условиях может быть утилизован в интересах народного хозяйства в значительно больших масштабах, чем это имеет место в настоящее время. По ориентировочным оценкам, энергия,'которая непрерывно поступает от Солнца, соответствует суммарной мощности, превышающей 1011 ГВт. Это определяет возможную годовую выработку энергии ветроагрегатами, равную 1,18 • 1013 кВт -ч, что во много раз превышает количество энергии, потребляемой сегодня в мире. По оценкам МИРЭК, ежегодно в мире потребляется около 3 млрд. т условного топлива. В развитых странах потребление достигло 0,6 т условного топлива в год на одного человека, в развивающихся - в 3 раза меньше.
Энергетические установки обычно используют ветер в приземном слое на высоте до 50 - 70 м, реже - до 100 м от поверхности Земли, поэтому наибольший интерес представляют характеристики движения воздушных потоков именно в этом слое. В дальнейшем, по мере создания соответствующих технических средств, могут оказаться практически ценными также струйные течения, характерные для тропопаузы.
Важнейшей характеристикой, определяющей энергетическую ценность ветра, является его. скорость. В силу ряда метеорологических факторов (возмущения атмосферы, изменения солнечной активности, количества тепловой энергии, поступающей на Землю, и других причин), а также вследствие влияния рельефных условий непрерывная длительность ветра в данной местности, его скорость и направление изменяются по случайному закону. Поэтому мощность, которую может вырабатывать ветро-установка в различные периоды времени, удается предсказывать с очень малой вероятностью. В то же время суммарную выработку агрегата, особенно за длительный промежуток времени, можно рассчитать с высоким уровнем достоверности, так как средняя скорость ветра и частота распределения скоростей в течение года или сезона изменяются мало.
Единицами измерения скорости в СССР являются метр в секунду (м/с) и километр в час (км/ч), за рубежом применяют также миля в час(1 миля/ч = 0,44 м/с). Направление вектора скорости измеряется в градусах или румбах и показывает его угловое положение относительно направления (обычно северного), принятого за начало отсчета.
Для измерения мгновенной скорости ветра, т.е. пути воздушного потока, пройденного им за промежуток времени, измеряемый секундами или даже долями секунд, пользуются анемометрами различных конструкций. Чем меньше интервал времени усреднения скорости, тем менее инерционным должно быть ветроприемное устройство анемометра. Поэтому для подобных измерений используют специальный класс приборов - малоинерционные.
Усредненную за более длительные промежутки (несколько десятков секунд или минут) скорость потока измеряют анемометрами и интегрирующими устройствами разнообразных типов, которые имеют также приборы для получения визуальных отсчетов и регистрирующую часть, обеспечивающую запись скоростей на ленту. Погрешность измерения скорости анемометром может доходить до 5 —7%, поэтому в тех случаях, когда требуется большая точность, например при испытаниях в аэродинамической трубе ветродвигателей и их моделей, используют трубку Пито, соединенную с микроманометром. На некоторых метеостанциях наряду с анемометром иногда еще используют флюгер Вильда, но он не дает требуемой точности измерений скорости, и практически для получения данных с целью проведения энергетичееких расчетов он непригоден.
Мгновенная скорость ветра часто определяет динамическое воздействие воздушного потока на ветродвигатель. Динамические характеристики потока, его порывы влияют на работу автоматических систем регулирования и ориентации. Количество энергии, которую может выработать ветроагрегат, зависит в первую очередь от усредненной скорости ветра за определенный интервал времени и по всему сечению потока, равному площади поверхности, ометаемой ветроколесом. Именно эта скорость в основном определяет также режимы работы агрегата.
Средняя скорость ветра vза выбранный промежуток времени Т = t2 —t1 определяется отношением суммы измеренных значений мгновенной скорости Vj к числу измерений n:

Среднесуточную скорость vсут находят делением на 24 суммы среднечасовых скоростей v4 , а среднегодовую vr — делением на 365 суммы всех
vcyT за год.
Средние значения скоростей в рассматриваемом районе, как правило, определяют по данным наблюдений на метеостанциях, а в ряде случаев — по материалам анеморазведок. В зависимости от категории и класса метеостанции, требований и особенностей объектов, находящихся поблизости от обслуживающих станций, метеорологические сроки наблюдений за скоростью ветра устанавливаются различные. Чаще всего приняты интервалы в 3, 4 или 6 ч с измерениями в определенное время, но на части метеостанций и специальных объектов ведут непрерывную запись скоростей (например, на Московской и других телебашнях, при некоторых аэропортах, в зонах с аномальным ветровым режимом и т.д.) или проводят ежечасные наблюдения.
Класс открытости метеостанции, степень защищенности (затененности препятствиями) анемометра учитывают при измерениях скорости ветра различных направлений (по румбам). Для классификации станций пользуются специальной методикой, предложенной В.Ю. Милевским, которая изложена в литературе по метеорологии. Методика обеспечивает возможность лучшей сопоставимости наблюдений, их репрезентативности для обслуживаемой зоны. На метеостанциях получают и накапливают достаточно точные для практики сведения о среднепериодных скоростях, которые в сравнении с данными, вычисленными по среднечасовым скоростям, дают относительно небольшую погрешность. Надо иметь в виду, что на показания анемометров влияют их расположение, макро- и микрорельеф местности, класс открытости метеостанции. Это следует учитывать при пересчете скоростей для определенной высоты и для каждого конкретного района, где предполагается установка ветроагрегата, даже если он расположен сравнительно недалеко от станции.
Средние скорости ветра меняются в различное время суток, разные месяцы и сезоны. Поэтому рассматривают суточный, месячный и сезонный ход скоростей, определяющий общую тенденцию их изменения в указанные периоды и оценивающий макроструктуру воздушного потока. Предельные значения скоростей ветра, данные об его интенсивности и микроструктура потока в различных точках его поперечного сечения и продольного вектора за относительно короткие интервалы времени являются важными режимными характеристиками ветра, используемыми в расчетах на прочность и долговечность агрегатов, при проектировании механизмов привода, систем регулирования и ориентации, схем совместного использования с другими установками и др.
Важной характеристикой является вертикальный профиль ветра, т.е. изменения его скорости по высоте в приземном слое. Влияние земной поверхности на скорость и направление ветра уменьшается по мере увеличения высоты. Поэтому скорость обычно возрастает, а порывистость и ускорения потока снижаются. Градиент скоростей летом, как правило, меньше, чем зимой, когда вертикальный перепад температур относительно небольшой. При адиабатическом градиенте температуры в нижних слоях атмосферы вертикальный профиль ветра v (К) аппроксимируется зависимостями вида
![]()
Важнейшее значение для надежности и долговечности ветроэнергетической установки имеют значения предельных скоростей ветра в зоне. \ Они определяют принимаемые расчетные нормативы при проектировании узлов и конструкций установки на прочность, параметры регуляторов, аэродинамические характеристики лопастей. При определении расчетных значений максимальных скоростей ветра различной вероятности, пользуются формулой Л.С. Гандина и Л.Е. Анапольской
![]()
где F(x) — вероятность того, что v превзойдет заданное значение х; (1, у - параметры уравнения, зависящие от характеристик зоны и режимов ветра; е — основание натурального логарифма.
Для оценки относительной скорости ветра в метеорологической практике используют коэффициент, %,
![]()
где -
— измеренная в определенный час скорость; v - средняя скорость за выбранный промежуток времени; vmax
>
vmin
— экстремальные значения скорости ветра за этот период.
Линии, соединяющие точки на карте, имеющие равные величины К', называются изоплетами.
Энергия Е воздушного потока с поперечным сечением F, Дж:
E = mv2 /2.
Секундная масса т воздуха, протекающая со скоростью v через это сечение, кг/с:
m =pFv.
Подставляя E в m, получаем, Дж/с,
E = pv3 F/2,
где р — плотность воздуха, равная для нормальных условий 1,23 кг/м3 (при t = 15 °С и р = 101,3 кПа или 760мм рт. ст.).
Таким образом, энергия ветра изменяется пропорционально кубу его скорости. Ветроколесо может преобразовать в полезную работу только часть этой энергии, которая оценивается коэффициентом использования энергии ветра £. Для идеального крыльчатого ветроколеса максимально достижимая величина £, рассчитанная по классической теории Н.Е. Жуковского и теории Г.Х. Сабинина, равна соответственно 0,593 и 0,687. Современные ветродвигатели при работе в номинальном (расчетном) режиме преобразуют в механическую работу не более 45 — 48% кинетической энергии ветрового потока, что вызвано различными потерями и другими причинами. Кинетическая энергия, которой потенциально обладает ветровой поток, зависит от скорости ветра v, температуры воздуха tи атмосферного давления р. Удельная мощность (секундная энергия), которая заключена в потоке, имеющем поперечное сечение, равное 1 м2 , при t = +15°С и p= 101,3 кПа округленно составляет:
Скорость ветра, м/с....... 4 6 8 10 14 18 22
Мощность потока, кВт/м2 ... 0,04 0,13 0,31 0,61 1,67 3,6 6,25
По отношению к этим условиям изменение температуры воздуха от + 15 до 0 °С повышает мощность потока примерно на 6%, а при t = +30 °С энергия, заключенная в потоке, наоборот, снижается на 5%. При постоянной температуре воздуха 0°С изменение атмосферного давления, например, от 103,7 до 97,3 кПа (от 770 до 730 мм рт. ст.) снижает энергию потока примерно на 6%.
§1.3ПРИНЦИПЫ ПРЕОБРАЗОВАНИЯ ЭНЕРГИИ ВЕТРА И РАБОТЫ ВЕТРОДВИГАТЕЛЯ
Воздушный поток, как и любое движущееся тело, обладает энергией движения, или запасом кинетической энергии. Последняя с помощью ветроколеса или другого рабочего органа преобразуется в механическую энергию. В зависимости от назначения ветроустановки механическая энергия с помощью исполнительных механизмов (генератора, компрессора, электролизера и т.д.) может быть преобразована в электрическую, тепловую или механическую энергию, а также в энергию сжатого воздуха. Согласно (3.7) — (3.9) секундная кинетическая энергия Е воздушного потока с площадью поперечного сечения F, имеющего массу т, плот-яость р и скорость v, равна pFv3 /2. Замечая, что F - ПR2 , и сделав соответствующие подстановки, получим, Н*м/с,
![]()

Рис1.1. Карусельный ветродвигатель-шторка
Рис 1. 2. Модель карусельного ветродвигателя с поворачивающимися лопастями
1 - вертикальная ось; 2 - горизонтальные планки; 3 - поворачивающиеся лопасти; 4 -ось лопасти
Следовательно, секундная энергия, или мощность воздушного потока, пропорциональна его плотности, плошали поперечного сечения и кубу скорости.
Часть полной энергии потока, воспринятой ветроколесом, которую ветродвигатель преобразует в механическую энергию, оценивается коэффициентом использования энергии ветра
![]()
который зависит от типа ветродвигателя и режима его работы.
Секундная работа или мощность, Н-м/с, развиваемая ветроколесом, определяется по формуле
Р= pv3
F![]()
Так как плотность воздуха очень мала (в 800 раз меньше плотности воды), то для получения относительно больших мощностей приходится применять ветродвигатели со значительной поверхностью ветроколеса. Постоянные изменения скорости v приводят к тому, что мощность, развиваемая двигателем, изменяется в очень больших пределах: от нуля во время штиля до величины, в десятки раз превосходящей установленную мощность, на которую рассчитывают ветродвигатель при расчетной скорости ветра. Для преобразования кинетической энергии воздушного потока в механическую энергию могут быть использованы ветродвигатели различных типов. Первыми (примерно в XVIII в. до н.э.) появились, по-видимому в Персии и Китае, двигатели с вертикальной осью вращения, как наиболее простые. Они получили название карусельных. Чтобы получить вращающий момент на оси, лопасти, движущиеся навстречу ветру, должны быть прикрыты шторкой (рис. 4.3) или поворачиваться ребром к потоку (рис. 4.4). Для этого они укрепляются на оси с помощью шарниров и на активном участке пути (в зоне А) фиксируются в нужном положении специальными устройствами (упорами).

Рис. 1.3. Роторный ветродвигатель

Рис. 1.4. Барабанный ветродвигатель
Разновидностью двигателей карусельного типа являются роторные двигатели, у которых рабочие поверхности выполнены не плоскими, а криволинейными (рис. 4.5). Поэтому давление на них при движении по направлению действия потока и против него разное, что и обусловливает возникновение вращающего момента. Двигатели с плоскими рабочими поверхностями, вращающимися относительно горизонтальной оси, получили название барабанных (рис. 4.6).
Все перечисленные типы двигателей работают в результате наличия разности сил лобового давления, образуемых относительно оси вращения. При этом нетрудно показать, что наибольшую мощность двигатель развивает в том случае, когда рабочая плоскость, воспринимающая давление ветра, движется по направлению потока со скоростью, примерно равной 1/3 его скорости. Большинство из указанных типов двигателей имеет весьма простую конструкцию, но тем не менее они не нашли широкого распространения из-за своей тихоходности, громоздкости, малого значения коэффициента использования энергии ветра ij (в лучших условиях он не превышает 0,18), больших трудностей, возникающих при необходимости оборудования их системами автоматического регулирования развиваемой мощности и частоты вращения.
В последние годы в ряде зарубежных стран (США, Канаде, Аргентине, Великобритании и др.) большое внимание привлекли к себе ветродвигатели с вертикальной осью вращения, предложенные в 30-х годах французским изобретателем Дарье. Этот ветродвигатель (рис. 4.7) отличается тем, что его ветроприемное устройство — ротор состоит из двух-четырех изогнутых лопастей, имеющих в поперечном сечении аэродинамический профиль. Лопасти, закрепленные в точках А и Б на оси вращения, изогнуты так, что образуют пространственную конструкцию, вращающуюся под действием подъемной силы, возникающей на лопастях от ветрового потока. Это позволяет повысить величину £ до 0,3—0,32. Преимуществами такого ветродвигателя являются его меньший относительный вес на единицу мощности, чем у других типов двигателей с верти-

риc. 1.5. Ветродвигатель (ротор) системы Дарье:
1 - лопасти; 2 - вал; 3 - растяжки; 4 - опора; 5 - привод
кальной осью вращения, большая быстроходность. Кроме того, в отличие от двигателей с горизонтальной осью система Дарье не нуждается в механизме ориентации по направлению ветрового потока.
Более совершенными двигателями являются так называемые крыль-чатые ветродвигатели с горизонтальной осью вращения ветроколеса, рабочий момент на котором создается за счет аэродинамических сил, возникающих на лопастях, которые в простейших конструкциях представляют собой плоскости. В современных агрегатах применяют лопасти, имеющие специальный аэродинамический профиль. Они появились примерно в IV—III в. до н. э. в Александрии [321.

Рис. 1.6. Принципиальная схема ветродвигателя крыльчатого типа с горизонтальной осью вращения:
/ - редуктор; 2 - генератор; 3 - вертикальный вал

Рис. 1.7. Принцип работы ветроколеса:
а - подъемная сила крыла Ру ; б - план скоростей воздушного потока и сил, действующих на лопасть
Такие ветродвигатели более быстроходные, имеют меньшую относительную массу, снабжены устройствами, автоматически регулирующими развиваемую мощность, ограничивающими частоту вращения и ориентирующими ось вращения ветроколеса по направлению вектора скорости потока. Коэффициент использования энергии ветра у них примерно в 3 раза выше, чем у двигателей карусельного, роторного и барабанного типов.
В большинстве стран производят и применяют только крыльчатые ветродвигатели. Двигатели других типов изготовляют обычно кустарным путем или производят в очень небольших количествах. Поэтому в дальнейшем мы будем рассматривать только агрегаты и установки с двигателями крыльчатого типа. Основным рабочим органом такого двигателя является ветроколесо с лопастями, расположенными по радиусам и под некоторым углом tpк плоскости вращения. Число лопастей может быть различным и зависит от назначения двигателя. При обтекании воздушным потоком крыла под ним создается зона повышенного давления, а над ним, напротив, пониженного. Это обусловливает возникновение подъемной силы Pv , которая создает вращающий момент на ветроколесе
Электрические зарядные ветроагрегаты, предназначенные для зарядки аккумуляторов с целью освещения жилищ чабанов, полевых станов, юрт оленеводов, палаток и домиков различных экспедиций, а также для питания сигнальных устройств, радиоузлов, приемников и телевизоров, обычно имеют мощность 1 кВт и используются в неэлектрифицированных, удаленных от линий электропередачи и малонаселенных районах, где vv > 3,5 м/с. Агрегаты мощностью от 50 Вт до 1,5 кВт применяют также в качестве энергоустановок для питания устройств катодной защиты магистральных нефте- и' газопроводов, морских эстакад, питания автоматических метеостанций и опреснительных установок индивидуального пользования. Агрегаты снабжены аккумуляторными батареями низкого напряжения (6—24 В), которые работают в буферном режиме.
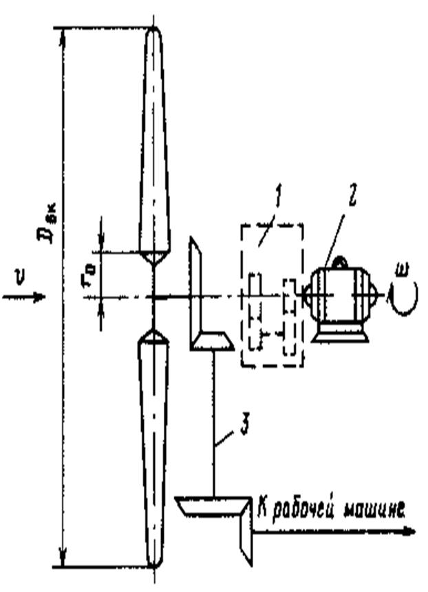
Агрегат АВЭУ-2 (прежняя марка — АВЭС-0,1) имеет следующие узлы (рис. 5.26): ветроколесо 1 диаметром 2 м, головка 2, хвост 3, стойка 4 и электрический щиток с аккумуляторной батареей. Стойка головки прикреплена к опорному столбу 5 и растяжками 6, на котором укреплен рычаг ручного управления, с помощью которого, тормозя вал генератора, останавливают агрегат.
Ветроколесо имеет две металлические лопасти, поворачивающиеся в подшипниках втулки, закрепленной- на валу генератора. Центробежный регулятор работает по такому же принципу, как 'и агрегат «Беркут». В зависимости от скорости ветра и величины нагрузки частота вращения изменяется в диапазоне от 300 до 800 об/мин.
На стойке, несущей ферму с хвостовым оперением, закреплен генератор с возбуждением от постоянных магнитов. В нем расположены трехфазная неподвижная статорная обмотка и ротор в виде восьмиполюсного постоянного магнита. Они размещены в корпусе из алюминиевого сплава. В зависимости от способа соединения обмоток генератор вырабатывает ток напряжением 26 или 15 В.
Генератор соединен с электрическим щитком трехжильным кабелем, пропущенным сквозь трубу стойки, которая может поворачиваться в
| Скорость ветра, м/с |
Показатели —-------------------------------- 4 5 6 7 8 и выше |
Мощность, кВт 0,8 1,6 4,5 7,8 12 Qnpи H#Ј=50M- 5,9 11,3 14,1 16 Q при H #2 = 100 м - 4,6 9,7 12 15 |
Таблица 1
Полезная мощность и подача агрегата «Сокол», м3 /чупорном шарикоподшипнике и направляющей втулке. Щиток имеет один-два селеновых выпрямителя, собранных по трехфазной двухполу-периодной схеме, амперметр для контроля работы агрегата, выключатели, предохранитель и зажимы для присоединения нагрузки к аккумуляторной батарее (рис. 5.27). Транзисторный преобразователь используется для питания телевизора.

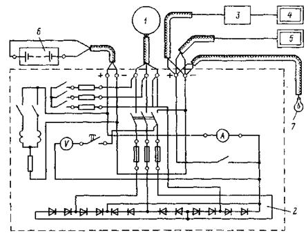
Рис.1.9. Электрическая схема агрегата АВЭУ-2:
/ - ветроэлектроагрегат; 2 — электрощит; 3 - преобразователь; 4 - телевизор; 5 - радиоприемник; 6 - аккумуляторные батареи; 7 - электрическое освещение

Рис. 1.10. Электрический агрегат Д-4 для зарядки аккумуляторных батарей
Для предохранения батарей от перезаряда и выкипания электролита предусмотрена релейная автоматика, которая подключает к генератору дополнительную нагрузку при достижении напряжения аккумулятора 15 В и избытке мощности. Этим снижаются напряжение и ток заряда до 0,5 - 1 А.
Агрегат работает с аккумуляторными батареями 6СТ-128 или ЗСТ-84 напряжением 6,12 или 24 В.
Агрегат Д-4 представляет интерес как пример весьма простого по конструкции и устойчивого в работе устройства для получения электрической энергии. Он имеет ветроколесо с регулятором частоты вращения, редуктор, генератор, опору с хвостом, опорный столб с растяжками и рычагом механизма ручного пуска и останова, а также электрический щиток. Простейший по конструкции редуктор и генератор постоянного тока мощностью 750 Вт составляют головку Колесо и регулятор по принципу действия такие же, как у агрегата «Беркут».
ГЛАВА 2
ВИДЫ ЭНЕРГИИ МИРОВОГО ОКЕАНА
§2.1 ОСНОВНЫЕ НАПРАВЛЕНИЯ РАЗВИТИЯ ОКЕАНСКОЙ ЭНЕРГЕТИКИ
Резкое увеличение цен на топливо, трудности с его получением, сообщения об истощении топливных ресурсов — все эти видимые признаки энергетического кризиса вызвали в последние годы во многих странах значительный интерес к новым источникам энергии, в том числе к энергии Мирового океана.
Естественно, этот интерес особенно велик в странах, не обладающих достаточными собственными топливными ресурсами, т. е. запасами нефти, газа, угля и пр. Например, в Японии осуществляется национальная программа «Солнечный свет», которая предусматривает к 2000 г. покрытие более 70 % всего энергетического потребления страны за счет новых источников энергии, в том числе — за счет энергии океана. В Англии на исследования в этой области было выделено 13 млн. фунтов стерлингов. Предполагается, что наилучший принцип преобразования энергии волн ляжет в основу будущих мощных волновых электростанций, способных обеспечить значительную часть (до 30 %) потребности этой страны в электроэнергии. В Норвегии реализуется программа по использованию энергии морских волн; па исследования в этой области израсходовано 10 млн. крон. Ведется строительство двух опытных волновых электростанций, каждая из них будет ежегодно производить около 1,5 млн. кВт-ч электроэнергии предположительной стоимостью не более 0,6 крон за 1 кВт-ч.
В разных видах аккумулирует энергию Мировой океан. Вопрос состоит в том, чтобы найти оптимальные способы ее использования.
По оценкам разных авторов, доступная часть энергии Мирового океана, т. е. та часть, которая может быть практически использована при современном уровне техники преобразования, во много раз превышает уровень современного потребления энергии в мире, который определяется цифрой около 3-1020 Дж в год (44,8 % от этой цифры покрываются нефтью; 32,4 — углем; 20 — газом; 2,8 % — энергией, вырабатываемой гидро- и атомными станциями). Больше всего в океане тепловой энергии, поскольку океан — гигантский тепловой аккумулятор энергии Солнца.
Последнее десятилетие характеризуется определенными успехами в использовании тепловой энергии океана. Так, созданы установки мини-ОТЕС и ОТЕС-1 (OTEG — начальные буквы английских слов OceanThermalEnergyConversion, т. е. преобразование тепловой энергии океана — речь идет о преобразовании в электрическую энергию). Установка мини-ОТЕС смогла отдать в электрическую сеть 12—15 кВт, а на собственные нужды потребила около 35 кВт. Опыт, полученный при разработке и опытной эксплуатации установок мини-ОТЕС и ОТЕС-1, позволил приступить к проектированию тепловых океанских станций на сотни мегаватт.
Запасы энергии градиента солености, или осмоса (греч. «толчок», «давление»), по некоторым оценкам, не уступают тепловой энергии океана. Осмотическая энергия — наиболее «таинственный», т. е. наименее очевидный вид энергии океана, поскольку наши органы чувств эту энергию ие воспринимают.
Энергия течений Мирового океана по величине близка к энергии, получаемой от сжигания всех видов топлива на Земле в течение года (примерно 1020 Дж). Начаты работы по использованию энергии Гольфстрима, самого мощного течения в Мировом океане. Предполагается использовать около 1 % его энергии. Авторы проекта считают, что эта цифра не должна заметно отразиться на общем балансе энергии течения.
По оценке Комиссии по экономии энергии и энергоресурсов Мировой энергетической конференции (МИРЭК), сегодня важным энергетическим ресурсом является биомасса, так как дает 10 % мирового потребления первичной энергии. Ожидается, что она будет играть такую же важную роль в будущем обеспечении энергией при выработке технологического тепла и производства синтетических топлив. Синтетическое топливо из биомассы можно сжигать на электростанциях, использовать на транспорте или в промышленности. Часть биомассы доставляет Мировой океан, предполагается, что доля океана в поставке биомассы будет возрастать. Рассматривается создание энергетических плантаций, для которых в океане имеются очень широкие возможности. По оптимистическим оценкам, углеводородное топливо из водорослей может производиться по цене, меньшей мировой рыночной цены на нефть.
Более трети поверхности Мирового океана (130 млн. км'") имеет дно, грунт которою пригоден для выращивания быстрорастущих водорослей, из которых можно легко получить горючие газы метан и этан, широко используемые для самых разных целей. В настоящее время обращено внимание на выращивание бурой водоросли — весьма урожайной культуры (от 600 до 1000 т с гектара в сыром весе). Бурая водоросль не имеет корней, поэтому для нее не очень важен состав грунта. Растет она в толще морской воды, но вода должна быть достаточно богата питательными солями и должно быть много солнца.
Имеются в Мировом океане и другие источники энергии. Например, обсуждался вопрос об использовании сероводорода — горючего газа с неплохой калорийностью. Сероводородом очень богато Черное море, и к тому же его количество там непрерывно возрастает. Есть сероводород и в других районах Мирового океана — общие запасы его очень велики (недостаток этого вида топлива — неприятный запах, но, возможно, будет найден способ его устранения).
Весьма перспективный вид энергии Мирового океана — это энергия волн. В океане много видов воли. Однако с точки зрения выработки электрической энергии заслуживают внимания лишь три их типа: приливные волны, ветровые волны и зыбь. Ветровые волны обладают большой разрушительной силой, т. е. несут значительную энергию. Несколько миллионов штормов ежегодно случается в Мировом океане. По подсчетам академика Н. В. Мельникова, 1 км2 водной поверхности с волнами высотой около 5 м обладает мощностью около 3 млн. кВт. А штормовая погода может охватить площадь в несколько тысяч квадратных километров. Соответственно волновая мощность Мирового океана оценивается цифрой около 3 млрд. кВт! Запасы энергии ветровых волн и зыби огромны, но степень разработанности проблемы ее использования пока недостаточна, лишь в последнее десятилетие были сделаны некоторые шаги в деле практического использования энергии ветровых волн и зыби — для выработки электрической энергии Значительно раньше началось использование энергии приливных волн, отличающихся четкой регулярностью: два раза в сутки в определенное время появляются приливные волны заранее известной высоты. Эти свойства — строгая периодичность и определенная высота — позволили людям очень рано научиться использо вать их энергию: уже в XI в. строили мельницы, работающие за счет энергии прилива (например, во Франции в г. Шербуре до сих пор действует старая мельница, использующая энергию приливных волн). В наши дни приливные электростанции — самые мощные среди других волновых электростанций, но их можно построить не на любом участке побережья (и, как правило, не там, где особенно нужна энергия). У нас в стране, например, природа распорядилась так, что самые мощные приливы имеются вдали от индустриальных центров или районов с большим потреблением энергии. В Советском Союзе самые мощные приливы — у берегов Камчатки, где общая энергия приливных волн равна примерно 1019 Дж в год.
Ветровые волны и зыбь хороши тем, что для использования их энергии не надо искать особых мест с благоприятными географическими условиями, как для приливных волн. Они бывают на любой акватории — был бы ветер да пространство для разгона. Чтобы утилизировать энергию ветровых волн (и зыби), не надо строить больших и дорогих плотин, что также очень важное преимущество. Именно поэтому в разных странах ведутся исследования по выбору наилучших способов преобразования энергии ветровых волн и зыби. Созданы волноэнергетические установки разных мощностей, использующие различные физические принципы для преобразования энергии волн.
Почти полвека назад академик В. В. Шулейкин отметил три основных направления, по которым шла конструкторская мысль в решепии проблемы использования энергии поверхностных волн . На одно из первых мест он ставил использование энергии качки: движение поплавка передается поршням насосов. Если учесть, что поплавок может иметь массу в сотни тонн, а размах колебательного движения принять порядка нескольких метров, то, очевидно, таким путем может быть получена весьма значительная мощность. Современные английские проекты использования волновой энергии («утка» Солтера и «плот» Коккереля) основываются именно на этом принципе. Второй способ — использование ударного давления: волны ударяют в подвижную деталь волновой машины и отдают ей свою кинетическую энергию. Этот принцип с успехом применялся в конце прошлого столетия в установках, использовавших энергию волн для накачки воды. Не потерял он своего значения и в наши дни (правда, для маломощных установок). Третий путь — использование гидравлического тарана. По этому способу была построена экспериментальная установка на станции Морского гидрофизического института АН СССР в Крыму. Ныне эта идея в большем масштабе реализуется на острове Маврикий и в других местах.
Различные виды энергии океана американский специалист Д. Д. Айзеке предложил условно оценивать одной мерой — в метрах водяного столба 2 . Эта величина называется им плотностью потока, она характеризует степень концентрации данного вида энергии. С помощью этого понятия удобно сравнивать между собой различные виды энергии в океане. Например, для теплового градиента (т. е. разности температур между теплым и холодным слоями) 20 °С плотность потока составляет 570 м водяного столба, ее напор — как в грандиозном водохранилище, подпертом плотиной высотой более полукилометра. А для градиента 12 °С плотность потока равна 210 м. Обе цифры (210 и 570 м) рассчитаны с учетом КПД тепловой машины, работающей по циклу Карно. Такую плотность потока в океане имеет еще только энергия градиента солености (осмоса) — 240 м. Другие виды энергии океана имеют значительно меньшие значения плотности потока. Так, для ветровых волн она составляет 1,5 м, а для океанских течений —лишь 0,05 м. Но, как сказал Д. Д. Айзеке, еще остаются неоткрытыми совершенно новые принципы, простые и сложные, обнаружив которые, можно использовать ресурсы океана, связанные с энергией, для блага человечества.
§2.2ПРЕОБРАЗОВАНИЕ ТЕПЛОВОЙ ЭНЕРГИИ ОКЕАНА
ИДЕЯ Д'АРСОНВАЛЯ И РАБОТЫ КЛОДА
В 20-е годы нашего века многие журналы мира обошел странный рисунок (рис. 27): из-под киля судна в глубину уходила труба больше самого судна. Столь необычная труба понадобилась французскому ученому Жоржу Клоду . для подъема из глубин океана холодной воды. Клод в те годы начал экспериментальные работы по использованию тепла океана для получения электрической энергии. \ Но чтобы извлечь энергию из теплой воды, одновременно необходима и холодная. Теплой воды сколько угодно на поверхности океана в тропиках, а холодная вода (4—5 °С) есть только на больших глубинах океана — около 1 км. Для ее получения оттуда и понадобилась длинная труба, которая оказалась самой уязвимой частью энергетической установки и отломилась во время шторма, а судно потерпело аварию.
Это была уже не первая попытка Клода использовать тепло океана для выработки электрической энергии'. Перед опытом: с трубой на судне он испытывал энергетическую установку на берегу океана (Атлантического). Но чтобы с берега достать холодную воду, потребовалась труба длиной около 1,8 км (по другим данным, 2,5 км). Потери напора в длинной трубе были так велики, что на них шла значительная часть мощности, которую могла выработать установка. Слишком длинная труба практически не позволяла реализовать прекрасную идею. Длину трубы можно было бы значительно сократить, если смонтировать установку не на берегу, а на судне, трубу же опустить прямо с судна в глубину. Что и было сделано. Однако конструкция не выдержала первого шторма.
Но главное было сделано — две недели установка проработала и дала мощность 22 кВт за счет тепла океана. Правда, на собственные нужды она потребила значительно больше. Однако правильность принципа была доказана — и в этом заслуга Клода. Надо сказать, что соединить с судном трубу длиной более полукилометра — далеко не простое дело.
Удовлетворительно решить этот вопрос удалось только в конце 80-х годов нашего века, когда была создана установка мини-ОТЕС.
Клод вместе с французским ученым Бушеро сделали несколько попыток по созданию энергетических тепловых установок в разных частях Атлантического океана: в заливе Мантанзас на Кубе, на побережье Абиджана и в прибрежных водах Бразилии. Но ни разу им не удалось получить из океана больше энергии, чем установка потребляла на собственные нужды, и поэтому для своей работы она требовала дополнительной энергии от вспомогательного источника. Эта печальная особенность отчасти была связана с малой мощностью установки, из-за чего различные потери составляли слишком высокий процент в общем балансе. Потерь оказалось больше, чем первоначально предполагалось.
Первым обратил внимание на громадные запасы тепловой энергии в океане французский ученый Жак Д'Арсон-валь более 100 лет назад (1881 г.) и теоретически показал возможность ее использования. Жоржа Клода называют его учеником, но между ними были серьезные разногласия в вопросе о выборе наилучшей жидкости в качестве рабочего тела для океанической тепловой машины. Этот вопрос надо было решить прежде всего. Рабочая жидкость должна закипать при температуре нагревателя, а пары ее после совершения работы в турбине должны сконденсироваться при температуре холодильника.
Нагреватель — теплая вода из верхних слоев океана. Наиболее высокая температура воды наблюдается в Персидском заливе в августе — более 33 °С (а самая высокая температура воды зафиксирована в Красном море —плюс 36 °С). Но на максимальную температуру рассчитывать преобразователь нельзя: она встречается на ограниченных участках Мирового океана, а обширные районы имеют температуру поверхностного слоя около 25 °С. Это достаточно высокая температура, при которой кипят многие жидкости. Д'Арсонваль предложил применить в качестве рабочей жидкости аммиак — жидкость с температурой кипения минус 33,4 °С, которая будет хорошо кипеть при 25 °С. При нормальной температуре (20 °С) аммиак — бесцветный газ с едким запахом. При повышении давления газообразный аммиак снова превращается в жидкость. При 20 °С для этого давление надо повысить до 8,46 атм, но при 5 °С — значительно меньше.
Выбор аммиака в качестве вторичного рабочего тела связан с отличными термодинамическими свойствами его паров. Пары аммиака имеют низкий молекулярный вес, достаточно большой удельный объем и хорошие характеристики теплопередачи. Они обеспечивают турбине вращение с большой скоростью, что очень важно. Благодаря этим качествам аммиак широко2применяется в наши дни в энергетических установках, использующих тепло океанских вод. При этом схема тепловой энергетической^установки должна быть замкнутой, т. е.^после холодильника жидкий аммиак снова закачивается в нагреватель. Цикл непрерывно повторяется, пока работает установка. Количество рабочей жидкости, залитой в систему теплового преобразователя, практически не изменяется в процессе работы. Замкнутый цикл имеет ряд преимуществ перед открытым циклом, предложенным Клодом, благодаря чему он получил широкое применение в наши дни в установках OTEG.
Но Клод не захотел воспользоваться аммиаком. Он решил в качестве рабочей жидкости использовать морскую воду. Чтобы добиться ее кипения при температуре поверхностных вод в тропиках, создал в установке пониженное давление. Если понизить атмосферное давление в 15 раз, т. е. примерно до 50 мм рт. ст., морская вода закипит при температуре не выше 27 °С. Образовавшийся пар пойдет в турбину, заставит ее вращаться и вращать электрогенератор. А потом пар поступит в холодильник, где с помощью холодной глубинной воды превратится в пресную воду. Клод спускал ее в море: тогда она была никому не нужна. Такой цикл называется открытым, или незамкнутым.
Схема энергетической установки, работающей по этому принципу, представлена на рис. 2.2. По этой схеме была построена первая экспериментальна!! установка Клода и Бушеро.
При практической реализации установки ее авторы столкнулись с рядом специфических трудностей. Одна из первых — это создание низконапорной турбины.
Дело в том, что давление водяного пара, получаемого при невысокой температуре в условиях частичного вакуума, мало. Чтобы снять сколько-нибудь заметную мощность, турбина должна иметь большие размеры. С этим затруднением Клоду и Бушеро удалось справиться вполне удовлетворительно. Однако при первых же испытаниях обнаружив лась неожиданность. При нагреве из морской воды в большом количестве выделялся растворенный в ней воздух, что повышало давление в системе и нарушало процесс кипения. Для поддержания достаточного разрежения систему приходилось непрерывно откачивать, на что требовалась дополнительная мощность. В результате уменьшался и без того небольшой КПД установки. С этой проблемой изобретателям не удалось справиться. Были и другие проблемы. Поэтому в последующие годы основное внимание ученых и инженеров обращалось на разработку тепловых преобразователей с замкнутым циклом. Итог их усилий — действующие ныне системы OTEG.
Рис. 2.2. Схема теплоэнергетп* ческой океанской установки открытого цикла
1 — испаритель, г — турбина, 3 — генератор, 4 — конденсатор, 5 — пресная вода, в — теплая вода и,ч верхних слоев, 7 — холодная вода с больших глубин

Но теперь, спустя более полувека, внимание снова привлечено к открытому циклу. «Открытый цикл вызывает огромный интерес. Он устраняет все проблемы, касающиеся обращения с аммиаком, фреоном и т. н. Пресная вода вырабатывается в качестве побочной продукции», — считают американские специалисты. В США разрабатывается океанская энергетическая установка, которая одновременно с производством электроэнергии будет давать пресную воду — один из самых ценных в наше время продуктов, особенно в жарких и индустриальных странах, где все острее ощущается ее недостаток.
Но остаются нерешенные проблемы, в частности создание больших низконапорных турбин и удаление из системы преобразователя выделяющегося из морской воды воздуха. Ближайшей задачей считается найти такой способ удаления воздуха, чтобы на него затрачивалось не более 10 % вырабатываемой энергии. Для ее решения в схему энергетической установки включается деаэратор — камера, в которой морская вода будет дегазироваться перед поступлением в нагреватель.
Теоретически оба вида преобразователей — с открытым и закрытым циклом — имеют близкие и одинаково малые коэффициенты полезного действия.
Примем температуру нагревателя T1=273+25=298 К, температуру холодильника T2 =273+5=278 К. Согласно формуле Карно КПД будет равен
nk==(T1-T2)/T1=(298-278)/298=0,067, или 6,7 %,
Полученная цифра еще недавно считалась близкой к теоретическому пределу КПД для океанской тепловой машины при принятых значениях температуры нагревателя и холодильника (как и для любой другой). Но недавно было показано 2 , что из-за специфических особенностей преобразования энергии тепла в океане теоретический КПД теплового цикла в этом случае следует оценивать по формуле n0=(T1-T2)/(T1+T2)
При малом значении разности температур ^T=T1 — Т2 КПД океанской тепловой машины может быть вдвое меньше теоретического значения, вычисленного по формуле Карно, т. е.
n0=1/2nk
Поправка весьма существенная. Фактически КПД преобразователя в любом случае будет еще меньше из-за неизбежных потерь в теплообменниках, насосах, трубопроводах и др. Величина потерь будет зависеть от степени совершенства конструкции тепловой машины. Для преобразователей с замкнутым циклом реальным считается получение КПД в пределах до 2—3 %. Эти цифры близки к КПД отвергнутого паровоза. Но он сжигал драгоценное топливо, а здесь энергия вырабатывается за счет дарового тепла океана, топлива не требуется.
Интересно отметить переоценку значения малых цифр КПД, происшедшую за последние полвека. Пятьдесят лет назад теоретическое значение КПД около7% считалось
ничтожным и едва ли заслуживающим внимания. В наше же время строятся мощные океанские энергоцентрали с КПД примерно в половину этой величины. Существенного улучшения КПД можно ожидать только при использовании в океанских тепловых энергоцентралях большего перепада температуры между нагревателем и холодильником. Принципиально такая возможность имеется. В разных районах на дне океана обнаружены места, где разность температуры воды значительно превышает принятые .для расчета 20 °С. Например, в термальных впадинах на дне Красного моря температура воды достигает 60 С С, к тому же она ежегодно несколько повышается. А на дне Тихого океана бьют гидротермальные источники с температурой более 350 °С, как в котле вполне современной ТЭЦ высокого давления. Вблизи от этих горячих источников имеется вода с низкой температурой, пригодная для холодильника. При использовании такой воды возможно получение КПД океанской установки, как у лучших наземных ТЭЦ высокого давления. Однако применение горячих гидротермальных вод для выработки электрической энергии потребует особой технологии.
СИСТЕМЫ ОТЕС
В августе 1979 г, вблизи Гавайских островов начала работать теплоэнергетическая установка мини-ОТЕС. Пробная эксплуатация установки в течение трех с половиной месяцев показала ее достаточную надежность. При непрерывной круглосуточной работе не было срывов, если не считать мелких технических неполадок, обычно возникающих при испытаниях любых новых установок. Ее полная мощность составляла в среднем 48,7 кВт, максимальная — 53 кВт; 12 кВт (максимум 15) установка отдавала во внешнюю сеть на полезную нагрузку, точнее — на зарядку аккумуляторов. Остальная вырабатываемая мощность расходовалась на собственные нужды установки. В их число входят затраты энергии на работу трех насосов, потери в двух теплообменниках, турбине и в генераторе электрической энергии.
Три насоса потребовались из следующего расчета: один — для подачи теплой воды из океана, второй — для подкачки холодной воды с глубины около 700 м, третий — для перекачки вторичной рабочей жидкости внутри самой системы, т. е. из конденсатора в испаритель. В качестве вторичной рабочей жидкости применяется аммиак,
Установка мини-ОТЕС смонтирована на барже. Под ее днищем помещен длинный трубопровод для забора холодной воды. Трубопроводом служит полиэтиленовая труба длиной 700 м с внутренним диаметром 50 см. Труба сваривалась на берегу из 58 секций. Выбор полиэтилена связан с тем, что он как будто не подвержен обрастанию и, следовательно коррозии (создание 700-метрового трубопровода было самым трудным делом). Трубопровод прикреплен к днищу судна с помощью особого затвора, позволяющего в случае необходимости ого быстрое отсоединение. Полиэтиленовая труба одновременно используется и для заякоривания системы труба—судно. Оригинальность подобного решения не вызывает сомнений, поскольку якорные постановки для разрабатываемых ныне более мощных систем ОТЕС являются весьма серьезной проблемой.
Впервые в истории техники установка мини-ОТЕС смогла отдать во внешнюю нагрузку полезную мощность, одновременно покрыв и собственные нужды. Опыт, полученный при эксплуатации мини-ОТЕС, позволил быстро достроить более мощную теплоэнергетическую установку ОТЕС-1 и приступить к проектированию еще более мощных систем подобного типа.
ОТЕС-1 — плавучая лаборатория: как и мини-ОТЕС, она не предназначена для коммерческой выработки электрической энергии, хотя ее мощность достигает 1 МВт, т. е. в 20 раз больше, чем у мини-ОТЕС. В качестве вторичного рабочего тела в ОГЕС-1 также применяется аммиак. Питательный насос забирает воду из поверхностного слоя океана с температурой 27 °С и прогоняет ее через нагреватель аммиака, состоящий из 6304 титановых трубок диаметром 2 см. Это — паровой котел установки. Аммиак распыляется в теплых трубках и вскипает. Пар аммиака идет в турбину и вращает ее, а оттуда, совершив работу, поступает в конденсатор — холодильник. Конденсатор также сделан из тонких трубок, охлаждаемых водой с температурой немного более 4 °С. Там пары аммиака конденсируются и превращаются снова п жидкость, перекачиваемую обратно и испаритель. Общая длина трубок в двух теплообменниках (испарителе и конденсаторе) составляет 140 км.
Под установку ОТЕС-1 переоборудован танкер с турбо-электрическим приводом. Электрическая силовая установка танкера позволяет с удобством использовать ее энергетические ресурсы во время проведения различных экспериментов для привода насосов и других целей. На этой установке предполагается проверить некоторые эксплуатационные характеристики ОТЕС, чтобы в дальнейшем их можно было использовать при создании опытного образца. Число вопросов, подлежащих изучению, достаточно велико. К ним относятся, например, следующие. Какого типа теплообменники будут оптимальными и из какого материала их следует делать? Титан — дорог, нельзя ли его заменить на алюминий или что-нибудь другое? Как быстро будут развиваться морские оргаппзмы-обрастатели в теплообменниках и в других частях системы и как с ними бороться? Как повлияют на состояние окружающей морской среды мощные установки такого типа? Как лучше выполнить трубопровод для подъема холодной воды?
Последний вопрос становится традиционным для конструкторов всех установок ОТЕС. Для OTEG-1 он был решен в пользу применения трех параллельных полиэтиленовых труб диаметром 1 м каждая, длиной но 900 м. Трубы были доставлены на Гавайские острова секциями длиной по 27 м и сварены на берегу. Потом все три трубы были связаны вместе и уложены на тележки, установленные на специальном рельсовом пути, спускающемся прямо в океан. Суммарная масса трубопровода достигла 450 т, укладка его на тележки была выполнена с помощью лебедки. Для закрепления нижнего конца трубопровода вблизи дна потребовалось 50 т балласта. А для поддержания трубопровода в вертикальном положении его верхний конец окружен плавучим кольцом, имеющим буй, к которому прикреплен прочный конец; с его помощью трубопровод можно несколько перемещать. Такой способ крепления верхнего конца трубы к днищу судна позволил очень быстро (за 2 часа) произвести постановку трубы в океане. Так же просто происходит и разъединение трубопровода холодной воды с судном, если возникает сильное волнение или по какой-либо друюй причине.
Конструкторы установки ОТЕС-1 ввели между трубопроводом холодной воды и судном новую деталь, которая сделала всю систему более надежной. Речь идет о карданном подвесе трубы к судну. При наличии кардана судно может произвольно качаться на волнах при относительно малоподвижном длинном трубопроводе, если волны не слишком велики (не более 2 м). А если волнение увеличивается, судно отцепляется от трубы и уходит в укрытие.
Защелка для быстрого разъединения судна с трубой была опробована еще в системе мини-ОТЕС. Применением карданного подвеса трубы и защелки решился старый спор судна с трубой, начавшийся еще при Клоде. Надо сказать, что, видимо, труба все же «победит» судно, в том смысле, что новые станции ОТЕС на мощность во много десятков и сотен мегаватт проектируются без судна. Это — одна грандиозная труба, в верхней части которой находится круглый машинный зал,, где размещены все необходимые устройства для преобразования энергии (рис. 29). Верхний конец трубопровода холодной воды расположится в океане на глубине 25—50 м. Машинный зал проектируется вокруг трубы на глубине около 100 м. Там будут установлены турбоагрегаты, работающие на парах аммиака, а также все остальное оборудование. Масса всего сооружения превышает 300 тыс. т. Труба-монстр, уходящая почти на километр в холодную глубину океана, а в ее верхней части что-то вроде маленького островка. И никакого судна, кроме, конечно, обычных судов, необходимых для обслуживания системы и для связи с берегом. Это любопытный эпизод из новейшей истории развития техники преобразования тепла океана.
Намечено окончание строительства новой, третьей по счету, экспериментальной станции ОТЕС, мощность которой будет находиться в пределах 40—100 МВт. При строительстве этой станции используется модульный принцип, она собирается из отдельных блоков по 10 МВт каждый. Такой подход позволит легко наращивать мощность до желательной величины в установленных пределах. Трубопровод холодной воды по-прежнему остается одним из наиболее сложных узлов этой станции. Станции мощностью в 40 МВт требуется трубопровод диаметром 10 м и длиной 900 м. А для проектируемой коммерческой станции OTEG на 400 МВт при той же длине трубопровод должен иметь диаметр 30 м. Каждую секунду насосы через него будут прокачивать около 1500 м3 холодной воды. Столько же потребуется прокачать и теплой воды. Суммарный расход воды в этой мощной установке получится, как v реки Нил, — 2600 м8 /с, Полное водоизмещение корпуса станции на 400 МВт с заборной трубой оценивается цифрой около 500 тыс. т. Станция должна устанавливаться в районах океана с глубинами более 1200 м. Для ее удержания в районе постановки требуется якорная система с большой массой. В целом — поистине циклопическое сооружение, строительство его предполагалось начать в 1985 г. Было также сообщение о строительстве станции типа ОТЕС в Японии, но значительно менее мощной.
Рис. 2.3. Один из вариантов станции ОТЕС на мощность в сотни мегаватт
I — платформа, 2 — труба холодной воды, з — якорная система

ТЕПЛО ИЗ ХОЛОДА
Энергию можно получать не только из теплых вод тропических или субтропических районов Мирового океана, но и из крайних северных или южных бассейнов планеты, т. е. из вод Арктики и Антарктики. Была бы только достаточная разность температур для эффективной работы тепловой машины. А разность там обычно есть, и иногда не меньше, чем в тропиках. Но не между слоями поверхностной и глубинной воды, как в тропиках.
Например, в Северном Ледовитом океане температура в поверхностном слое подо льдом близка к 0 °С. Ниже, на нескольких сотнях метров глубины, температура воды немного повышается и доходит примерно до 0,6 °С. Там находится теплый промежуточный слой, образовавшийся за счет притока вод атлантического происхождения. А глубже нескольких сот метров температура воды снова понижается до минус 1 °С. Самая холодная вода встречается в Датском проливе близ Гренландии, где температура ее падает до минус 2,2 °С; такая же холодная вода бывает и в море Уэддела в Антарктике. Где же при подобных условиях взять достаточно высокую разность температур в этих широтах планеты?
На помощь энергетикам приходит холодный воздух.
Во многих районах Арктики большую часть года температура воздуха ниже минус 10 °С. Например, на Новосибирских островах в году бывает всего 2—4 дня с температурой воздуха выше минус 10 °С, на побережье моря Лаптевых таких дней от 10 до 14, а на архипелаге Северная Земля их только 10—12. В остальное время года здесь царствуют морозы, временами значительно превышающие минус 10 °С.
На возможность использования энергетического потенциала высоких широт, по-видимому, первым обратил внимание в 1928 г. французский инженер Баржо. В качестве нагревателя им предлагалась морская вода с температурой,, близкой к 0 °С. Холодильником должен был служить морозный воздух. В качестве вторичного рабочего тела было предложено взять такое вещество, которое кипело бы при температуре несколько ниже 0 °С и конденсировалось бы в жидкость при температуре минус 20 °С. Баржо рекомендовал углеводородные соединения типа пропана, бутана или изобутана. Для предотвращения потерь рабочего вещества предлагался замкнутый цикл работы энергетической установки. Схема Баржо имеет много общего с идеей Д'Арсонваля. Но, учитывая арктические условия, Баржо предлагал вызывать кипение рабочего тела путем разбрызгивания в нагревателе морской воды, чтобы замерзая, она отдавала рабочему телу свою скрытую теплоту льдообразования. Это — остроумное предложение, но, как лучше реализовать его, до сих пор неизвестно.
Предложение Баржо не было практически реализовано. Пятьдесят лет назад указывались минимум две причины этого: малый КПД установки и практически неприемлемые размеры теплообменника (нагревателя) для получения достаточной мощности из-за низкой рабочей температуры нагревателя.
А недавно опубликована работа А. К. Ильина, где показана возможность практической реализации преобразования тепловой энергии океана в арктических районах 3 . В ней отмечается не только важность наличия достаточного градиента температуры, но также и необходимость достаточной скорости ветра и скорости течения воды в океане. Два последних условия, на которые раньше не обращалось должного внимания, необходимы для обеспечения нормальной работы теплообменников. Благоприятные условия для работы энергетических установок имеются в устье сибирских рек.
Допустимая максимальная степень охлаждения воды в арктических силовых установках определяется неравенством
Тж-Тз=^Т<2К,
где Тж — температура морской воды, забираемой в нагреватель преобразователя; Т3 — температура замерзания морской воды при данной солености.
Физический смысл этого неравенства заключается в том, что морскую воду нельзя доводить до точки замерзания, как предлагал в свое время Баржо. Если ола будет замерзать в теплообменнике, служащем нагрева! ел ем для вторичной рабочей жидкости, то образуется лед. который нарушит работу преобразователя.
По расчетам Ильина, КПД энергетической установки мощностью около 50 кВт в арктических условиях получается в пределах 0,79—2,08 %. Речь идет о КПД использования тепла воды, что же касается КПД самой установки, то он достаточно высок и достигает 43 %. Эта цифра относится к аммиачной установке мощностью 1 МВт. На основании детальных расчетов автор приходит к выводу, что в арктических районах океана зимой энергия, обусловленная разностью температур между морской водой подо льдом и атмосферным воздухом, может использоваться достаточно эффективно.
Имеется и другой путь использования тепловой энергии океана в высоких широтах. Речь идет о термоэлектрических преобразователях, на перспективность применения которых для этой цели указывал академик А. Ф. Иоффе еще в 1932 г. В наше время этот вопрос исследуется в Тихоокеанском океанологическом институте . По расчетам, при разности температур 10 °С и разности глубин 100 м при использовании термоэлектрических преобразователей энергии с КПД 1 % с 1 км2 поверхности океана можно получить электрическую мощность около 100 МВт. Необходимым условием является наличие течения со скоростью не менее 0,1 м7с. Отмечается, что «общая энергия Мирового океана, которую можно использовать подобным образом, превышает 1020 Дж в год, т. е. сравнима
С энергией, получаемой от сжигания химического топлива на Земном шаре в течение года».
Использование новых источников энергии весьма важно для развития энергетики Крайнего Севера.
§2 .3.ПРЕОБРАЗОВАТЕЛЬ С КОЛЕБЛЮЩИМИСЯ МАГНИТАМИ
Фарадей открыл закон электромагнитной индукции с помощью постоянного магнита в виде стержня, который он вводил (рукой) в катушку с медной проволокой. При каждом вводе или выводе магнита в катушку на концах ее обмотки наблюдалось возникновение электрического напряжения. Согласно закону электромагнитной индукции, величина возникающей электродвижущей силы прямо пропорциональна скорости изменения магнитного потока через катушку и числу витков катушки.
Закон электромагнитной индукции определил путь развития электрических машин. Их главный принцип: чтобы получить быстрые изменения магнитного потока, надо вращать магнит при неподвижной катушке или, наоборот, вращать катушку при неподвижном магните. Именно так действовала первая электрическая машина, изобретенная итальянцем Граммом более 100 лет назад и спустя примерно 50 лет после открытия Фарадеем электромагнитной индукции, — так называемое «Кольцо Грамма». «Кольцом» она была названа по той причине, что в качестве якоря имела тороидальное кольцо из тонких железных проволок, вращавшееся на оси в поле подковообразного постоянного магнита. На кольце крепилось несколько катушек из медной проволоки. Кольцо приводилось во вращение рукой с помощью ременной передачи.
Грамм не мог вращать магнит, поскольку 100 лет назад магниты должны были быть достаточно длинными. Теперь же новейшие магниты (типа РЗМ ) хорошо работают только при малой длине, поэтому конструктивно их просто привести во вращение. РЗМ — редкоземельные магниты, или магниты на основе редких земель, — самые сильные (но хрупкие) постоянные магниты. РЗМ сделаны на основе самария в соединении с кобальтом (SmCo5 ). Речь идет преимущественно об электрических машинах малой мощности, когда желательно избежать применения коллектора или контактных колец. Это важно для машин, длительно работающих в тяжелых условиях эксплуатации, без частых осмотров и своевременной профилактики, например велогенераторов, генераторов для тракторов и т. п. Для волновых энергетических установок также удобнее бесконтактные генераторы, особенно для установок в открытом море.
Электрические машины в своем развитии прошли громадный путь, теория электрических машин — одна из наиболее разработанных глав современной электротехники. Но вращение якоря или ротора и сегодня остается основным принципом получения высокой скорости изменения магнитного потока и соответственно высокой электрической мощности, необходимой современной индустрии . Однако в наше время развиваются и иные способы получения большой электрической мощности, не обязательно связанные с вращательным движением. Например, МГД-генераторы не имеют вращающихся частей. Струя раскаленной плазмы с большой скоростью пронизывает сильное магнитное поле (силовые линии поля расположены по нормали к струе), в плазме индуцируется электрический ток, отводящийся с помощью системы электродов.
Вместо вращательного или прямолинейного движений для получения электрической энергии можно применить также колебательное движение. Так (или почти так), как это делал Фарадей, только работу (движения) руки заменить работой волн. Мысль об использовании колебательного движения, естественно, возникает при поиске способов использования энергии поверхностных волн: как известно, волны являются самым наглядным примером колебательного движения. Можно по-разному выполнить преобразователь для работы в колебательном режиме. Схема одного из простейших (макета) изображена на рис. 5. Приемником энергии волн здесь служит тонкая плоская плита (пластина) 1, в которую ударяют набегающие волны. Под давлением волн плита совершает колебания относительно горизонтальной оси 2. Ось может вращаться в подшипниках В. До сих пор это устройство очень походило на первую волноэнергетическую установку в Ошен-Грове. Однако дальше начинаются серьезные различия.
Колебания плиты с помощью штанги 4
передаются не поршню гидравлического насоса, а генератору электрической энергии. Он размещен подальше от поверхности воды, поэтому потребовалась достаточно длинная штанга. Нижний конец штанги болтами скреплен с плитой, а на ее верхнем конце укреплена перемычка (ярмо) 5
из трансформаторного железа с двумя магнитами 6.
Перемычка с магнитами является существенной частью колебательного генератора, она соответствует ротору или якорю в обычном генераторе. Неподвижная часть генератора (статор) состоит из магнитопровода 7
П-образной формы, собранного из полосок тонкого трансформаторного железа. Применение трансформаторного железа для магнитопровода и перемычки необходимо для уменьшения потерь на вихревые токи. На вертикальных стержнях (частях) магнитопровода насажены две катушки 8,
каждая имеет по 400 витков толстого медного изолированного провода. Катушки соединены последовательно и включены на общую нагрузку. Вся конструкция связана сварной рамой 9
из угловой стали (на ней укреплены и два подшипника скольжения, поддерживающие ось), которая крепится к причалу. Под ударами волн плита периодически совершает колебания, т. е. качается. Качается и жестко связанная с ней штанга, поэтому перемычка с магнитами периодически замыкает и размыкает цепь магнитопровода. В тот момент, когда перемычка с магнитами замыкает маг-нитопровод, в нем появляется нарастающий магнитный поток, пересекающий витки обеих катушек. А когда волна продвигает плиту дальше, перемычка с магнитами размыкает магнитопровод,
поэтому магнитный поток уменьшается, снова пересекая витки катушек.
Рис. 2.4. Графики, поясняющие процесс индукции
(Ф—изменение магнитного потока в цепи магнитопровода, Е— индуцированная электродвижущая сила)
Рис.2.5 Кинематическая схема преобразователя энергии поверхностных волн с колеблющимися магнитами и приемником энергии волн в виде пластины
По закону электромагнитной индукции в обоих случаях в цепи катушек возникает электродвижущая сила, вызывающая электрический ток. Процесс индукции поясняется с помощью рис. 6.
В качестве примера оценим электрическую мощность, которая может быть получена в режиме колебаний с помощью описанного устройства при следующих условиях: период поверхностных волн Т=6 с; амплитуда поверхностных волн А-=1 м; размер постоянных магнитов в направлении качания перемычки (т. е. ярма) 6=0,05 м (эта величина равна соответствующей стороне поперечного сечения магнитопровода); полное число витков на двух катушках WB -=800; максимальное значение магнитного потока через магнитопровод Ф=BS = 1,7-105 ; максимальное значение индукции в сердечнике магнитопровода g=8000 Гс; площадь поперечного сечения магнитопровода S=19,6 см2 .
Определим время, в течение которого магнитный поток в сердечнике будет нарастать от начального значения, близкого к нулю, до максимальной величины, принятой в расчете (1,7 -105 силовых линий). Нарастание потока начнется при подходе перемычки с магнитами к магнитопро-воду и будет продолжаться до тех пор, пока она не встанет точно под ним. Совпадение проекций плоскостей поперечного сечения вертикальных стержней магнитопровода с плоскостями магнитов на перемычке будет соответствовать максимуму магнитного потока через сердечник; при дальнейшем движении перемычки магнитный поток будет уменьшаться.
При выходе перемычки с магнитами РЗМ за площадь проекций стержней магнитопровода магнитный поток снова примет значение, близкое к нулю. Для упрощения расчетов примем площади поперечного сечения стержней магнитопровода и магнитов РЗМ одинаковыми, а скорость движения перемычки неизменной и равной максимальной скорости орбитального движения частиц воды в волне при принятой амплитуде (А—1 м). Тогда длительность индукции, определяемая нами как время достижения магнитным потоком своего максимального или минимального значений, определится формулой
![]()
Фактически оно будет несколько больше, так как рост магнитного потока начнется через воздушный зазор несколько раньше подхода кромки магнитов к краю стержня. Вычислим максимальное значение электродвижущей силы, возникающей на концах обмотки при принятых условиях. Согласно формуле Максвелла, она будет равна
![]()
Для определения мощности необходимо вычислить квадрат эффективного значения электрического напряжения за период поверхностной волны. Искомая величина определится выражением од

где (w=2тс/=62,8 — угловая частота переменного тока, возбуждаемого в обмотках преобразователя (800 витков)
при колебаниях перемычки с постоянными магнитами РЗМ;
f=1/2t=(2-3,14-0,05)-1 -10 Гц.
Чтобы вычислить квадрат действующего значения электрического напряжения за период поверхностной волны согласно приведенному выше интегралу, воспользуемся подстановкой
sin2 wt = 1/2 — 1/2 cos 2wt = 1/2(1 — cos 2wt). Подставляя принятые выше значения, получаем

Чтобы вычислить электрическую мощность, необходимо знать внутреннее сопротивление обмотки и сопротивление полезной нагрузки. Сопротивление обмотки преобразователя, состоящей из 800 витков медной проволки диаметром 2,56 мм, равно примерно 1 Ом. Исходя из условия получения максимальной мощности, примем сопротивление полезной нагрузки также в 1 Ом; в этом случае суммарная электрическая мощность преобразователя
Nэл=6,1/1+1=3,1 Вт.
При равенстве сопротивления нагрузки внутреннему сопротивлению генератора электрический КПД преобразователя составляет 50 %. Следовательно, на полезной нагрузке выделится только половина от полученной цифры, т. е. всего 1,55 Вт.
По поводу этого расчета необходимо сделать несколько замечаний. Если правильно выбрать размеры плиты, то за один период поверхностной волны движимая ее энергией плита совершит два полуколебания.
Первое — при прохождении гребня в направлении его движения, второе — при прохождении ложбины волны, в этом случае направление движения плиты будет прямо противоположно направлению ее движения за счет гребня. Чтобы плита в действительности совершала эти колебания, ее размер по вертикали ап должен быть достаточно велик и составлять не менее 2,5 А (где А — амплитуда поверхностной волны). Это условие определяется необходимостью иметь достаточную смоченную поверхность плиты во время прохождения ложбины волны. При его выполнении полезная электрическая мощность преобразователя удвоится, т. е. мы получим не 1,55, а около 3,1 Вт.
Фактически мощность была даже несколько больше при меньшей амплитуде поверхностных волн. Увеличение мощности произошло благодаря некоторым нелинейным эффектам, не учтенным в расчете 8 . Речь идет прежде всего о силе притяжения магнитов РЗМ к сердечнику преобразователя из трансформаторного железа. Сила эта достаточно велика; она не подчиняется закону синуса и зависит от многих параметров, в том числе от положения магнитов относительно сердечника. Существенную нелинейность вносит тангенциальная составляющая этой силы, изменяющаяся hjнаправлению и величине от нуля до максимума при колебаниях перемычки с магнитами РЗМ под действием волн. Максимальная величина тангенциальной составляющей силы притяжения при применении двух магнитов РЗМ достигает 40 кг; цифра эта достаточно велика для маленького макета. Она сравнима по своей величине с силой давления bothна плиту, которая также не подчиняется гармоническому закону.
Оценим величину си ты давления волн на плиту по формуле
F
=
Kpu
Sa
,
![]()
где F — суммарная сила давления волн, кг; К=1 — коэффициент обтекания плиты (приближенное значение); ря =102 кгс2 /м4 — массовая плотность воды; Sn —0,5 м2 — площадь плиты; Vc = l м/с — горизонтальная составляющая волновой скорости;
F=l*102*0,5*l2 =50 кг.
Расчет силы давления соответствует моменту, когда гребень волны набегает на плиту, стоящую неподвижно в положении равновесия. Принимается, что перед набеганием волны плита висит вертикально под действием силы тяжести и силы притяжения магнитов РЗМ к торцам сердечника; в этот момент тангенциальная составляющая силы притяжения магнитов равна нулю.
Расчет показывает, что при принятых параметрах величина силы волнового давления близка к силе статического притяжения магнитов. Если сила волнового давления по какой-либо причине уменьшится до 40 кг. то плита не сдвинется заметным образом or положения равновесия и акта индукции не произойдет. Это может случиться, например, при прохождении ложбины волны, так как смоченная площадь плиты будет значительно меньше, чем во время прохождения гребня. Это свидетельствует о том, что у преобразователя имеется порог срабатывания по орбитальной скорости поверхностных волн; если горизонтальная составляющая орбитальной скорости и соответственно давление волн на плиту становятся ниже некоторой величины, то колебания плиты прекращаются.

Рис.2.6. Осциллограммы электрического напряжения, возникающего на нагрузке при колебаниях плиты под действием волн
Поэтому процесс возбуждения электрических колебаний имеет существенно нелинейный характер, что подтверждается осциллограммой, приведенной на рис. 7. Осциллограмма показывает электрическое напряжение, зарегистрированное на омической нагрузке преобразователя во время его испытаний на морском причале. Импульсы электрического напряжения на нагрузке весьма далеки от синусоидальной формы кривой; они имеют сложную форму, причем большие импульсы чередуются с малыми, что объясняется сложной игрой нелинейных сил.
На осциллограмме, соответствующей одному периоду поверхностной волны, можно увидеть всего четыре относительно больших импульса электрического напряжения. Первый импульс (считая слева направо) соответствует выходу магнитов из-под торцов сердечника под давлением гребня подошедшей волны; максимальное значение напряжения достигает 3 В. После прохождения гребня давление волны на плиту ослабевает и она возвращается в положение равновесия; магниты входят под торцы сердечника. Процесс этот совершается быстрее их выхода, поэтому индуцируемое напряжение достигает примерно 4,5 В. Третий импульс соответствует второму выходу магнитов за счет прохождения ложбины волны, его максимальное значение напряжения достигает лишь 2,5 В, По Окончании прохождения ложбины плита и связанная с ней перемычка с магнитами снова возвращаются в положение равновесия, при этом возбуждается четвертый импульс величиной около 4 В.
Большие импульсы напряжения получаются, когда магниты входят в рабочий зазор сердечника. В этом случае направление момента тангенциальной составляющей силы притяжения магнитов совпадает с моментом силы тяжести плиты и штанги; кроме того, при окончании любой фазы волны (т. е. гребня или ложбины) направление момента силы давления от начинающейся новой фазы совпадает с моментами этих двух сил. Поэтому возрастает скорость движения магнитов, увеличивается скорость изменения магнитного потока через магнитопровод, возрастает индуцируемая ЭДС и напряжение на нагрузке. Пики напряжения меньшей величины всегда наблюдались при выходе перемычки с магнитами из положения равновесия. В этом случае момент тангенциальной составляющей силы притяжения противоположен моменту силы волнового давления. Естественно, что скорость движения магнитов меньше, меньше индуцируемая ЭДС и напряжение на нагрузке.
На осциллограмме рис. 7 после второго импульса можно увидеть еще два импульса малой амплитуды; их происхождение, возможно, связано с отраженными от берега волнами.
Во время проведения экспериментов отмечено влияние собственной частоты колебаний плиты на генерируемую мощность.
При более строгом анализе процесса преобразования энергии необходимо также учесть так называемую пондеро-моторную силу (или силу Ампера). Она вызвана взаимодействием индуцированного тока в обмотках с магнитным полем возбуждающих магнитов. Пондеромоторную силу можно оценить по формуле
Fa=1,02BlI10 7 кг,
где В — магнитная индукция в зазоре, Гс; I — суммарная длина провода обмотки, см; / — ток через обмотку, А. Расчет показывает, что в нашем случае значение силы Fa не превосходит 0,25 кг, поэтому в ориентировочном расчете ею можно пренебречь. Незначительность этой величины свидетельствует, в частности, о том, что у преобразователя имеются значительные возможности в смысле увеличения генерируемой мощности. Этого можно достигнуть различными путями.
Например, для увеличения генерируемой мощности в 10 раз можно увеличить магнитный поток в \/10, т. е. примерно в 3,16 раза; для этого потребуются два магнита РЗМ площадью по 6 J см2 . При выполнении этого условия легко получить мощность в 30—40 Вт. Такой мощности вполне достаточно для обеспечения энергоснабжения навигационного буя или буя для передачи информации о гидрофизических параметрах океана. Для увеличения мощности в 100 раз, т. е. для получения 300—400 Вт, магнитный поток при всех остальных неизменных данных потребуется увеличить в 10 раз; этого можно добиться применением нескольких пар магнитов РЗМ вместо одной. Такой способ удобнее, так как позволяет ввести автоматическую компенсацию силы статического притяжения магнитов, что облегчит условия работы преобразователя и позволит говорить о создании генераторов такого типа мощностью до нескольких десятков киловатт.
Вопрос стоит о цене киловатта в зависимости от размеров установки. Преобразователи этого типа отличаются простотой, но дорога основная часть — магниты РЗМ. Возможная область их применения — малая энергетика, т. е. небольшие силовые установки для отдельных ферм, рыбозаводов или совхозов, расположенных вблизи побережья.
Основное преимущество устройств подобного типа —предельная простота устройства. Они вполне соответствуют второму типу преобразователей приведенной выше классификации. Преобразование идет по короткой схеме: волны — механический приемник энергии волн—генератор электрической энергии; эта схема отличается от идеальной (схемы I) введением лишь одного элемента — приемника энергии в виде плиты.
Одна из особенностей преобразователей с колебательным движением заключается в необходимости применения постоянных магнитов типа РЗМ (с другими известными ныне типами постоянных магнитов нужного эффекта не получится из-за недостаточности их остаточной индукции), но РЗМ — относительно дороги и дефицитны, что скажется на их применении.
Для нормальной работы преобразователей рассмотренного типа необходимо иметь неподвижное основание, на чем можно было бы укрепить раму, поддерживающую горизонтальную ось, относительно которой колеблется плита со штангой и магнитами. Подобное требование не всегда
можно выполнить в условиях открытого моря, однако имеются способы обойти это затруднение. Первый из них заключается в применении якоря. Он может обеспечить достаточную неподвижность одной из частей преобразователя, относительно которой будет колебаться вторая часть, несущая магниты или обмотки. В этом случае конструкция преобразователя должна несколько измениться. Еще лучше вместо якоря использовать стабилизированный буй (типа «вехи Фрудл») с достаточной плавучестью. Можно решить эту задачу н на принципиально ином физическом принципе, использовав силы инерции вместо прямого давления волн на плиту.
Описанный преобразователь динамоэлектрического типа в колебательном режиме дает переменный ток, частота которого колеблется так же, как и его эффективное значение. Непосредственная подача такого тока потребителям вряд ли окажется приемлемой, поэтому перед подачей его параметры должны быть улучшены. Проще всего это сделать с помощью аккумулятора того или иного типа.
§2.4.ЗАКЛЮЧЕНИЕ.
Неоспорима роль энергии в поддержании и дальнейшем развитии цивилизации. В современном обществе трудно найти хотя бы одну область человеческой деятельности, которая не требовала бы – прямо или косвенно – больше энергии, чем ее могут дать мускулы человека.
Потребление энергии – важный показатель жизненного уровня. В те времена, когда человек добывал пищу, собирая лесные плоды и охотясь на животных, ему требовалось в сутки около 8 МДж энергии. После овладения огнем эта величина возросла до 16 МДж: в примитивном сельскохозяйственном обществе она составляла 50 МДж, а в более развитом – 100 МДж.
За время существования нашей цивилизации много раз происходила смена традиционных источников энергии на новые, более совершенные. И не потому, что старый источник был исчерпан.
Солнце светило и обогревало человека всегда: и тем не менее однажды люди приручили огонь, начали жечь древесину. Затем древесина уступила место каменному углю. Запасы древесины казались безграничными, но паровые машины требовали более калорийного «корма».
Но и это был лишь этап. Уголь вскоре уступает свое лидерство на энергетическом рынке нефти.
И вот новый виток в наши дни ведущими видами топлива пока остаются нефть и газ. Но за каждым новым кубометром газа или тонной нефти нужно идти все дальше на север или восток, зарываться все глубже в землю. Немудрено, что нефть и газ будут с каждым годом стоить нам все дороже.
В погоне за избытком энергии человек все глубже погружался в стихийный мир природных явлений и до какой-то поры не очень задумывался о последствиях своих дел и поступков.
Но времена изменились. Сейчас, начинается новый, значительный этап земной энергетики. Появилась энергетика «щадящая». Построенная так, чтобы человек не рубил сук, на котором он сидит. Заботился об охране уже сильно поврежденной биосферы.
Несомненно, в будущем параллельно с линией интенсивного развития энергетики получат широкие права гражданства и линия экстенсивная: рассредоточенные источники энергии не слишком большой мощности, но зато с высоким КПД, экологически чистые, удобные в обращении.
Энергетика очень быстро аккумулирует, ассимилирует, вбирает в себя все самые новейшие идей, изобретения, достижения науки. Это и понятно: энергетика связана буквально со Всем, и Все тянется к энергетике, зависит от нее.
Лабиринты энергетики. Таинственные переходы, узкие, извилистые тропки. Полные загадок, препятствий, неожиданных озарений, воплей печали и поражений, кликов радости и побед. Тернист, непрост, непрям энергетический путь человечества. Но мы верим, что мы на пути к Эре Энергетического Изобилия и что все препоны, преграды и трудности будут преодолены.
Рассказ об энергии может быть бесконечен, неисчислимы альтернативные формы ее использования при условии, что мы должны разработать для этого эффективные и экономичные методы. Не так важно, каково ваше мнение о нуждах энергетики, об источниках энергии, ее качестве, и себестоимости. Нам, по-видимому. следует лишь согласиться с тем, что сказал ученый мудрец, имя которого осталось неизвестным: «Нет простых решений, есть только разумный выбор».
СПИСОК ЛИТЕРАТУРЫ.
1. Баланчевадзе В. И., Барановский А. И. и др.; Под ред. А. Ф. Дьякова. Энергетика сегодня и завтра. – М.: Энергоатомиздат, 1990. – 344 с.
2. Шефтер Я.И. Использование энергии ветра 2 издание.., перераб, и доп. Энергоатомиздат.
3. Шейдлин А. Е. Новая энергетика. – М.: Наука, 1987. – 463 с.
4. Юдасин Л. С.. Энергетика: проблемы и надежды. – М.: Просвещение, 1990. – 207с.
5. Вершинский Н. В. Энергия океана – М. Наука, 1986 – 144с.
6. Шулейкин В. В. Физика моря – М. ОНТИ, 1938 – 314с.
СОДЕРЖАНИЕ
ВВЕДЕНИЕ
ГЛАВА 1 ВЕТРОЭНЕРГЕТИКА
§1.1. ИСТОРИЯ РАЗВИТИЯ
§1.2. ВЕТЕР КАК ИСТОЧНИК ЭНЕРГИИ
§1.3. ПРИНЦИПЫ ПРЕОБРАЗОВАНИИ ЭНЕРГИИ И РАБОТЫ ВЕТРОДВИГАТЕЛЯ
ГЛАВА 2 ВИДЫ ЭНЕРГИИ МИРОВОГО ОКЕАНА
§2.1 ОСНОВНЫЕ НАПРАВЛЕНИЯ РАЗВИТИЯ ОКЕАНСКОЙ ЭНЕРГЕТИКИ
§2.2ПРЕОБРАЗОВАНИЕ ТЕПЛОВОЙ ЭНЕРГИИ ОКЕАНА
ИДЕЯ Д'АРСОНВАЛЯ И РАБОТЫ КЛОДА
§2.3.ПРЕОБРАЗОВАТЕЛЬ
С КОЛЕБЛЮЩИМИСЯ МАГНИТАМИ
§2.4.ЗАКЛЮЧЕНИЕ
СПИСОК ЛИТЕРАТУРЫ.