| Скачать .docx |
Реферат: Электричество в живых организмах
Электричество
в
живых организмах.
Доклад по физике на тему:
“Физика и биология.,,
Сизов Илья 9/г Школа №49
Введение.
| Ф |
изика и биология, на первый взгляд, довольно далекие друг от друга науки. Но это только на первый взгляд. В действительности же в этих науках есть много общих точек. Например, в анатомии, зрение. Здесь присутствует элемент оптики: лучи света преломляются в хрусталике глаза, и элемент механики: хрусталик деформируется мышцами. Хотя, говоря о мышцах, нельзя не упомянуть о том, что их работа напрямую связана с физикой. Ведь по сути дела, механизм их действия, сокращение в связи с сокращением белковых нитей, физический процесс. А обмен веществ? Ведь питательные вещества переходят из крови в межклеточное вещество, из межклеточного вещества в клетку и из клетки в межклеточное вещество в основном из-за перепада в давлении. А нагревание внешних тканей тела кровью вследствие теплопередачи? И физика стыкуется с биологией не только в анатомии. У птиц есть аэродинамическое оперение, у рыб гидродинамическая чешуя и боковая линия, для улавливания колебаний воды. Опять же слух…
Но я хотел бы коснуться стыка, который, по-моему, играет особую роль. Это стык электричества и зоологии с анатомией или электричество в живых организмах.
Немного истории…
п |
римерно в середине XVIII века мышечное сокращение стало предметом экспериментального изучения многих ученых. Швейцарский ученый А. Галлер в ряде опытов показал, что скелетные мышцы, мышцы желудка, сердечная мышца отвечают на прямое механическое, химическое и электрическое раздражение. Когда соответствующая мышца вне организма и отделена от нервов. В 1763 году один из последователей Галлера Ф. Фонтана сделал важное открытие. Он показал, что сердце может либо ответить, либо не ответить на одно и то же раздражение, в зависимости от того, через какой промежуток времени после предыдущего сокращения наносится раздражение. Роль нервных волокон, в то время, сохранила, в принципе, правильное определение данное античными учеными. Они считали, что через нервы передаются какие-то влияния – от мозга к мышцам и от органов чувств к мозгу. Однако уже в XVIII веке этого было уже не достаточно. Хотелось понять, какова же природа сигналов, перетекающих по нервам. Среди множества теорий возникавших в середине XVIII века, под влиянием всеобщей увлеченности электричеством, появилась теория о том, что по нервам передается ''электрический флюид''. Это в первые, в 1743 году, выдвинул в виде гипотезы немецкий ученый Ганзен. В 1749 году французский врач Дюфей защитил диссертацию на тему “Не является ли нервная жидкость электричеством?”. Эту же идею поддержал в 1774 году английский ученый Пристли.
Идея летала в воздухе. Но этим не возможно объяснить тот факт, что помощник итальянского врача Луиджи Гальвани, который помимо преподавания в Болонском университете занимался практической анатомией, очень удивился, наблюдая сокращения лягушачьей лапки, к которой подвили контакт от электрической машины. Это можно объяснить тем, что до сего момента раздражающее действие наблюдали только при непосредственном контакте заряженного тела с нервом или мышцей. Вскоре выходит “Трактат о силах электричества при мышечном движении” Гальвани. Он попадает в руки знаменитому физику и профессору университета в Павии Алессандро Вольта. В первые 10 дней, после получения “Трактата…”, Вольта начал активно ставить опыты которые полностью подтверждают результаты Гальвани. Вольта решил внести меру в эту новую область науки, так как по собственным словам “…никогда нельзя сделать ничего ценного, если не сводить явлений к градусам и измерениям, особенно в физике”. Из-за того, что Вольта интересует количественная сторона дела, он ищет условия, при которых минимальный заряд вызывает сокращение. При этом он выясняет, что лучше всего сокращение возникает тогда, когда внешним проводником замыкаются два разных участка хорошо отпрепарированного нерва. Тем самым он показал, что не мышца разряжается в нерв, а нерв возбуждается и передает что-то мышце. Это вызвало у Вольта сомнение не только в теоретической правоте Гальвани, но и в самом существовании “живого электричества”. Это положило начало великому спору между сторонниками Вольта и Гальвани. Чтоб доказать сваю правоту, Гальвани проводит ряд опытов:
Опыт 1. Бралась мышца с отходящим от нее нервом. Нерв перерезался и приводился в соприкосновение с мышцей стеклянной палочкой. В момент прикосновения мышца сокращалась. Гальвани отмечал, что для воспроизведения опта нужен новый нерв.
Опыт 2. Брались две мышцы, с отходящими нервами. Один нерв укладывался в виде дуги, а второй располагался так, чтобы одна его точка касалась неповрежденного участка, а вторая – как можно ближе к поврежденной части. Мышца, связанная со вторым нервом, сокращалась.
Опыт 3.Вновь брались две мышцы, с отходящими нервами. Нерв второй мышцы помещался на первую. Раздражался первый нерв, от чего сокращалась вторая мышца.
Эти опыты действительно доказывали, что в мышцах образуется электричество. Но Вольта и его сторонники списывали результаты Гальвани на различные причины:
1. Вольта высказывал предположение, что “двигателем” электрического флюида может быть не только контакт металлов, но и контакт разных жидкостей. Ведь во всех опытах Гальвани присутствовали различные жидкости. Значит нельзя быть уверенным, в том, от чего возникает электричество.
2. Во всех опытах Гальвани присутствует механическое движение (либо сокращение мышц, либо движение нерва). Возможно, причиной сокращения мышц является механическое возбуждение, - предполагал Вольта.
3. И, наконец, пусть даже сокращающаяся мышца возбудила нерв. Но почему нерв возбуждается от электричества? Известно, что возбудить нерв можно давлением, разностью температур.
Этот спор был началом электробиологии. Потом был Дюбуа-Раймонд, он создал точные приборы для измерения биотоков, но, по-моему, фактическими создателями электробиологии являются Гальвани Вольта.
Как появляется электричество в клетке?
| Е |
ще в 1890 году Вильгельм Оствальд, который продолжал заниматься полупроницаемыми искусственными пленками предположил, что полупроницаемость может быть причиной не только осмоса, но и электрических явлений. Осмос возникает тогда, когда пленка пропускает маленькие молекулы воды и не пропускает большие молекулы сахара. Но ведь ионы могут быть тоже разно величены! Тогда мембрана будет пропускать ионы только одного знака, например, положительного. Действительно, если посмотреть на формулу Нернста для диффузионного потенциала V д возникающего на границе двух растворов с концентрациями электролита С1 и С 2 :
V д = (u – v)/(u + v)-1 *(RT/ F)*ln C1 /C2
где u – скорость более быстрого иона, v - скорость более медленного иона, R – универсальная газовая постоянная, F - число Фарадея, T – температура, и предположить, что мембрана для анионов не проницаема, то есть v = 0, то можно видеть, что должны появляться большие значения для V д :
V м =(RT/ F)*ln C1 /C2
Таким образом, Оствальд объединил формулу Нернста и знание о полупроницаемых мембранах. Он предположил, что свойствами такой мембраны объясняются потенциалы мышц и нервов и удивительное действие электрических органов рыб.
Решающий шаг сделал ученый школы Дюбуа-Раймонда Юлиус Бернштейн. Он объяснил электрические свойства мышц и нервов не устройством этих органов в целом, а свойствами клеток, из которых состоят все ткани и органы. Наконец-то, был прямо указан “виновник”, создающий “животное электричество”, - клеточная мембрана, а “оружие” – перенос ионов. Таким образом, в гипотезе Бернштейна объединяются электрохимия и клеточная теория. Юлиус Бернштейн считается основателем мембранной теории биопотенциалов.
Передача информации в организме.
| П |
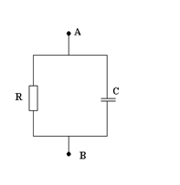
режде чем заняться рассмотрением собственно передачей информации в организме, давайте поподробнее коснемся мембраны клетки. Клеточная мембрана – жидкая пленка, образованная липидами - жироподобными веществами. Она состоит из двух слоев липидных молекул, в которые встроены молекулы белка. Нас интересуют, прежде всего, электрические характеристики мембраны, которые начал изучать еще в 1910 году немецкий физик и химик В. Нернст, тот самый Нернст, который вывел формулу диффузионного потенциала. Измерения проводились следующим образом: через суспензию клеток проводился ток разной частоты, и определяли ее удельное сопротивление. Была развита специальная теория, позволявшая отдельно определить сопротивление мембраны и ее протоплазмы. Развивая это направление, Г. Фрикке в 1925 году показал, что мембрана ведет
![]() |
себя в опытах, как параллельно соединенные сопротивление и. конденсатор
Эквивалентная схема
клеточной мембраны: А – среда, окружающая клетку, В – цитоплазма.
То есть выяснил эквивалентную схему клеточной мембраны. Первоначально, он установил эту схему для мембраны эритроцитов.
Фрикке использовал при измерениях частоты до 4,5 МГц, это значит, что ему содействовало развитее техники – появление генераторов высокой частоты. Дальнейшие исследования показали, что емкость мембраны примерно 1 мкФ/см2 , а удельное сопротивление протоплазмы близко к 100 Ом*см. Напротив, удельное сопротивление мембраны у разных клеток оказалось разным: у яйцеклетки морского ежа удельное сопротивление мембраны составляет всего 100 Ом*см2 , а у водоросли нителлы – 105 Ом*см2 . Обратите внимание на единицы измерения: Ом*см2 ! В электрофизиологии удельным сопротивлением мембраны называется сопротивление1см2 мембраны, то есть произведение r l в формуле R= r l /S. Итак, мы подошли к самой постановке вопроса о системе связи в организме. Когда вы читали предыдущий текст, ваш мозг принимал сигналы от глаз и посылал команды глазным мышцам. Как? Каким образом сигналы попадали от глаза к мозгу и от мозга к глазным мышцам? Через нервы. В грубом сравнении нервы могут показаться аналогом телефонной линии. Это далеко не так. Рассмотрим две причины. Во-первых: передают сигнал не нервы, а аксоны или длинные нервные отростки. Нерв – пучок аксонов с множеством вспомогательных клеток питающих аксон и “подводящих” к нему кислород. И, во-вторых, сам аксон не простой проводник. Рассмотрим пример:
Возьмем аксон кальмара и сравним его схему со схемой обыкновенного проводника.

а)
б)
Электрические схемы передачи сигналов. Схема аксона (а) состоит из продольных сопротивлений ri емкости мембраны C сопротивления мембраны rm и источник э.д.с. Em . Техническая система передачи сигналов (б) состоит из источника тока E нагрузки H и выключателя K.
Даже с первого взгляда видно, что схемы кардинально отличаются.
Под водой…
| К |
аждому из нас приходилось слышать об электрических рыбax. Для меня долгое время оставалось загадкой, как сравнительно небольшой электрический угорь может выработать разность потенциалов 800 – 900 В. Как же устроены эти рыбы?
Основу вырабатывающих органов составляют столбики из плоских клеток, лежащих друг на друге как пары медь – цинк в вольтовом столбе. К одной поверхности каждой клетки подходят нервное окончание. Когда орган находится в покое, обе стороны каждой клетки имеют одинаковый потенциал и ток через орган не идет. Когда же по всем нервным волокнам проходят импульсы постсинаптическая мембрана резко повышает свою проницаемость к ионам и потенциал падает до нуля. Это приводит к возникновению тока текущего через клетку. Так появляется разряд у ската и звездочета. У рыб, более продвинутых по ступеням эволюции, как электрический угорь, нильская щука и нильский сом органы устроены несколько иначе. Мембрана с той стороны клетки, на которую действует синапс, оказалась электрически возбудимой, так что при проходе нервного импульса она не только снижает свой потенциал до нуля, а перезаряжается, что обеспечивает более высокую разность потенциалов, генерируемую клетками.
Список литературы :
1. М.Б.Буркнблит Е.Г.Гаоглева. “Электричество в живых организмах”.
2. Энциклопедия для детей “Аванта +” том 2: Биология.
3. Л. Элиот, У. Уилкокс “Физика”
4. Г.Р. Иваницкий “Мир глазами биофизики”
5. Е. Кнорре “Живое в прожекторах науки”
